Environmental Impact Minimization Model for Storage Yard of In-Situ Produced PC Components: Comparison of Dung Beetle Algorithm and Improved Dung Beetle Algorithm
Abstract
1. Introduction
- (1)
- To review the appropriateness of the methodology of this study, the meta-heuristic algorithm is reviewed and categorized.
- (2)
- After analyzing the storage layout process of in-situ produced PC components, the stock yard problems are identified.
- (3)
- The objective function and constraints of stock yard are presented to build an optimization model.
- (4)
- Based on the standard DBO algorithm, a multi-objective optimization model for carbon dioxide emission minimization is built.
- (5)
- To improve the algorithm, it is proposed the IDBO algorithm by introducing Chebyshev chaos mapping and adaptive Gaussian Cauchy mixed mutation perturbation strategy.
- (6)
- The results of this study are verified by comparing the optimized layouts obtained by applying the DBO and IDBO algorithms to a real logistics center site.
2. Literature Review
2.1. Classification of Meta-Heuristic Algorithms
- (1)
- Evolutionary Algorithms (EA)
- (2)
- Physics-Based Algorithms (PhA)
- (3)
- Human-Based Algorithms (HBA)
- (4)
- Swarm Intelligence (SI) Algorithms
2.2. Analyzing the Process of Stock Yard Layout PC Components Produced on Site
3. Modeling Layout Optimization
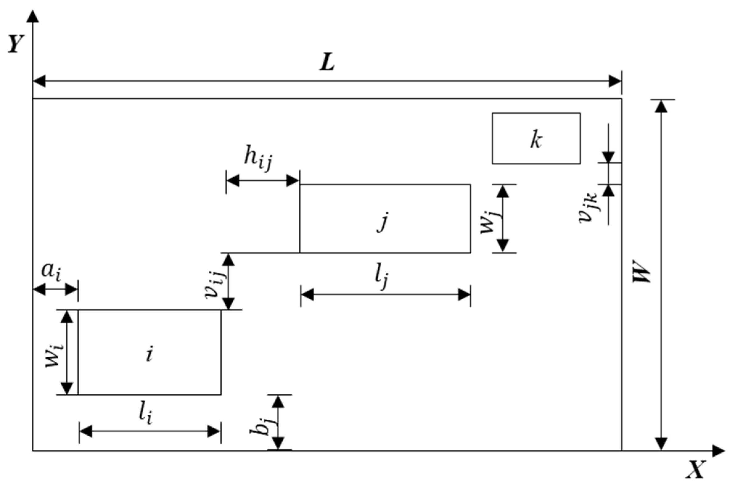
3.1. Objective Function
3.2. Constraint
4. Solving Algorithms
4.1. DBO Algorithm
- (1)
- Rollerball dung beetle
- (2)
- Spawning dung beetles
- (3)
- Foraging dung beetles
- (4)
- Stealing dung beetles
4.2. IDBO Algorithm
- (1)
- Chebyshev Chaos reset population
- (2)
- IDBO algorithm implementation steps
| Algorithm 1. The framework of the DBO algorithm | |
| Require: The maximum iteration TMAX, the size of the particle’s population N. Ensure: Optimal position Xb and its fitness value fb | |
| 1 | Initialize the particle’s population i ← 1, 2, …, N and define its relevant parameters |
| 2 | while t ≤ TMAX do |
| 3 | for i = 1 to Number of rollingdung beetles do |
| 4 | α = rand(1) |
| 5 | if α ≤ 0.9 then |
| 6 | Update Rolling Dung Beetle Location by Equations (16) and (17). |
| 7 | Else |
| 8 | Rolling the ball in the encounter of obstacles by Equations (18) and (19) to update. |
| 9 | end if |
| 10 | end for |
| 11 | The value of the nonlinear convergence factor is calculated by R = 1 − t∕T MAX. |
| 12 | for i = 1 to Number of dung beetles do |
| 13 | Updating of Spawning dung beetles by Equations (20)–(22). |
| 14 | end for |
| 15 | for i = 1 to Number of Foraging dung beetles do |
| 16 | Update foraging dung beetles by Equations (23)–(25). |
| 17 | end for |
| 18 | for i = 1 to Number of Stealing Dung Beetles do |
| 19 | Use Equation (26) to update the location of the stealing dung beetle |
| 20 | end for |
| 21 | end while |
| 22 | Return Xb and its fitness value fb |
5. Case Project Application
5.1. Case Overview
5.2. Optimization Result
5.3. Result Comparison
6. Discussion
7. Conclusions
- (1)
- Considering the impact of characteristics of the large logistics center and internal layout on carbon emissions, a carbon dioxide emission factor was introduced. And the layout optimization model was formulated with the goal of maximizing adjacency correlation and minimizing carbon dioxide emissions. The DBO algorithm layout was found to show unnecessary paths and overlaps for efficient operation. On the other hand, the IDBO algorithm layout ensures more reasonable stock yards and crane movement paths and ensures efficient field operation. In other words, it was confirmed that the IDBO algorithm is more suitable than the DBO algorithm for the environmental impact optimization problem.
- (2)
- Based on the DBO algorithm, Chebyshev chaos mapping was introduced in the early stage to improve the initial population quality. The Gaussian-Cauchy hybrid strategy was introduced in the subsequent iterations to improve the exploration ability of the population algorithm. The IDBO algorithm was utilized to solve the layout issue of the distribution center. The results showed that the IDBO algorithm reduces carbon dioxide emissions by 18.33% compared to the DBO algorithm while increasing the adjacent correlation by 22.79%, making the layout of the distribution center more rational.
- (3)
- For the environmental impact optimization for the stock yard of in-situ produced PC components, the DBO algorithm slowed down the convergence speed during the simulation process, and the final solution was not close to the optimal solution. However, the IDBO algorithm performed well even when the number of complex constraints and the problem space of the stock yard optimization problem increased. It was analyzed that IDBO has the potential for faster convergence speed and higher quality solutions, which is especially advantageous in complex constraints and multi-objective optimization problems. Therefore, IDBO is more suitable than DBO in terms of practical applicability and optimization performance.
Author Contributions
Funding
Data Availability Statement
Conflicts of Interest
Appendix A

References
- Lim, J.; Kim, J.J. Dynamic optimization model for estimating in-situ production quantity of PC members to minimize environmental loads. Sustainability 2020, 12, 8202. [Google Scholar] [CrossRef]
- Lim, J.; Son, C.-B.; Kim, S. Scenario-based 4D dynamic simulation model for in-situ production and yard stock of precast concrete members. J. Asian Arch. Build. Eng. 2022, 22, 2320–2334. [Google Scholar] [CrossRef]
- Hong, W.-K.; Lee, G.; Lee, S.; Kim, S. Algorithms for in-situ production layout of composite precast concrete members. Autom. Constr. 2014, 41, 50–59. [Google Scholar] [CrossRef]
- Na, Y.J.; Kim, S.K. A process for the efficient in-situ production of precast concrete members. J. Reg. Assoc. Archit. Inst. Korea 2017, 19, 153–161. [Google Scholar]
- Lim, C. Construction Planning Model for In-Situ Production and Installation of Composite Precast Concrete Frame. Ph.D. Thesis, Kyung Hee University, Seoul, Republic of Korea, 2016. [Google Scholar]
- Lim, C.; Joo, J.K.; Lee, G.J.; Kim, S.K. Basic Analysis for Form System of In-situ Production of Precast Concrete Members. In Proceedings of the 2011 Autumn Annual Conference of Construction Engineering and Management, Seoul, Republic of Korea, 27–30 October 2011; Volume 12, pp. 137–138. [Google Scholar]
- Lim, C.-Y.; Joo, J.-K.; Lee, G.-J.; Kim, S.-K. In-situ Production Analysis of Composite Precast Concrete Members of Green Frame. J. Korea Inst. Build. Constr. 2011, 11, 501–514. [Google Scholar] [CrossRef]
- Lee, G.J.; Lee, S.H.; Joo, J.K.; Kim, S.K. A Basic Study of In-Situ Production Process of PC Members. In Proceedings of the 2011 Autumn Annual Conference of the Architectural Institute of Korea, Seoul, Republic of Korea, 28–29 October 2011; Volume 31, pp. 263–264. [Google Scholar]
- Lee, G.J.; Joo, J.K.; Lee, S.H.; Kim, S.K. A Basic Study on the Arrangement of In-situ Production Module of the Composite PC Members. In Proceedings of the 2011 Autumn Annual Conference of the Korea Institute of Building Construction, Seoul, Republic of Korea, 28–29 October 2011; Volume 11, pp. 29–30. [Google Scholar]
- Jung, H.T.; Lee, M.S. A Study on the Site-production Possibility of the Prefabricated PC Components. In Proceedings of the 1992 Autumn Annual Conference of the Architectural Institute of Korea, Seoul, Republic of Korea, 24 October 1992; Volume 12, pp. 629–636. [Google Scholar]
- Li, H.; Love, P.E. Genetic search for solving construction site-level unequal-area facility layout problems. Autom. Constr. 2000, 9, 217–226. [Google Scholar] [CrossRef]
- Osman, H.M.; Georgy, M.E.; Ibrahim, M.E. A hybrid CAD-based construction site layout planning system using genetic algorithms. Autom. Constr. 2003, 12, 749–764. [Google Scholar] [CrossRef]
- Ning, X.; Lam, K.-C.; Lam, M.C.-K. Dynamic construction site layout planning using max-min ant system. Autom. Constr. 2009, 19, 55–65. [Google Scholar] [CrossRef]
- Abdul-Rahman, H.; Wang, C.; Eng, K.S. Repertory grid technique in the development of Tacit-based Decision Support System (TDSS) for sustainable site layout planning. Autom. Constr. 2011, 20, 818–829. [Google Scholar] [CrossRef]
- Lee, G.J. A Study of In-situ Production Management Model of Composite Precast Concrete Members. Ph.D. Thesis, Kyung Hee University, Seoul, Republic of Korea, 2012. [Google Scholar]
- Won, I.; Na, Y.; Kim, J.T.; Kim, S. Energy-efficient algorithms of the steam curing for the in situ production of precast concrete members. Energy Build. 2013, 64, 275–284. [Google Scholar] [CrossRef]
- Lim, J.; Park, K.; Son, S.; Kim, S. Cost reduction effects of in-situ PC production for heavily loaded long-span buildings. J. Asian Arch. Build. Eng. 2020, 19, 242–253. [Google Scholar] [CrossRef]
- Kim, S.; Kim, G.; Kang, K. A Study on the effective inventory management by optimizing lot size in building construction. J. Korea Inst. Build. Constr. 2004, 4, 73–80. [Google Scholar] [CrossRef]
- Lee, J.M.; Yu, J.H.; Kim, C.D. A Economic Order Quantity (EOQ) Determination Method considering Stock Yard Size; Korea Institute of Construction Engineering and Management: Seoul, Republic of Korea, 2007; pp. 549–552. [Google Scholar]
- Lee, J.M.; Yu, J.H.; Kim, C.D.; Lee, K.J.; Lim, B.S. Order Point Determination Method considering Materials Demand Variation of Construction Site. J. Archit. Inst. Korea 2008, 24, 117–125. [Google Scholar]
- Thomas, H.R.; Horman, M.J.; Minchin, R.E.; Chen, D. Improving labor flow reliability for better productivity as lean construction principle. J. Constr. Eng. Manag. 2003, 129, 251–261. [Google Scholar] [CrossRef]
- Yun, J.-S.; Yu, J.-H.; Kim, C.-D. Economic Order Quantity(EOQ) Determination Process for Construction Material considering Demand Variation and Stockyard Availability. Korean J. Constr. Eng. Manag. 2011, 12, 33–42. [Google Scholar] [CrossRef]
- Lim, J.; Kim, S. Evaluation of CO2 Emission Reduction Effect Using In-situ Production of Precast Concrete Components. J. Asian Arch. Build. Eng. 2020, 19, 176–186. [Google Scholar] [CrossRef]
- Lim, J.; Kim, S.; Kim, J.J. Dynamic Simulation Model for Estimating In-situ Production Quantity of PC Members. Int. J. Civ. Eng. 2020, 18, 935–950. [Google Scholar] [CrossRef]
- Yang, B.; Han, J.W.; Yang, L.; Ren, Q.S.; Yang, X.T. Evaluation system of China’s low-carbon cold chain logistics development level. Smart Agric. 2023, 5, 44–51. [Google Scholar]
- Bai, J.; Li, Y.; Zheng, M.; Khatir, S.; Benaissa, B.; Abualigah, L.; Wahab, M.A. A sinh cosh optimizer. Knowl.-Based Syst. 2023, 282, 111081. [Google Scholar] [CrossRef]
- Wehrens, R.; Buydens, L.M. Classical and nonclassical optimization methods. In Encyclopedia of Analytical Chemistry; John Wiley & Sons Ltd.: Chichester, UK, 2000; pp. 9678–9689. [Google Scholar]
- YiFei, L.; MaoSen, C.; Tran-Ngoc, H.; Khatir, S.; Wahab, M.A. Multi-parameter identification of concrete dam using polynomial chaos expansion and slime mould algorithm. Comput. Struct. 2023, 281, 107018. [Google Scholar] [CrossRef]
- Khishe, M.; Mosavi, M.R. Chimp optimization algorithm. Expert Syst. Appl. 2020, 149, 113338. [Google Scholar] [CrossRef]
- Minh, H.L.; Sang-To, T.; Theraulaz, G.; Wahab, M.A.; Cuong-Le, T. Termite life cycle optimizer. Expert Syst. Appl. 2023, 213, 119211. [Google Scholar] [CrossRef]
- Lewis, R. A survey of metaheuristic-based techniques for university timetabling problems. OR Spectr. 2008, 30, 167–190. [Google Scholar] [CrossRef]
- Blum, C.; Puchinger, J.; Raidl, G.; Roli, A. A brief survey on hybrid metaheuristics. In Proceedings of the BIOMA, Ljubljana, Slovenia, 20–21 May 2010; pp. 3–18. [Google Scholar]
- Nanda, S.J.; Panda, G. A survey on nature inspired metaheuristic algorithms for partitional clustering. Swarm Evol. Comput. 2014, 16, 1–18. [Google Scholar] [CrossRef]
- Zavala, G.R.; Nebro, A.J.; Luna, F.; Coello, C.A.C. A survey of multi-objective metaheuristics applied to structural optimization. Struct. Multidiscip. Optim. 2014, 49, 537–558. [Google Scholar] [CrossRef]
- Jiang, F.; Li, L.; Tang, Y.; Zhang, H.; Liu, X. A Facility Layout Algorithm for Logistics Scenarios Driven by Transport Lines. Appl. Sci. 2023, 13, 7215. [Google Scholar] [CrossRef]
- Geng, Q.Q.; Jia, Y.H.; Wu, J.; Sun, D.Y. Research on layout optimization of logistics parks considering impact of carbon emis-sions. J. Beijing Jiaotong. Univ. 2023, 47, 115–125. [Google Scholar]
- Hu, X.; Chuang, Y.-F. E-commerce warehouse layout optimization: Systematic layout planning using a genetic algorithm. Electron. Commer. Res. 2023, 23, 97–114. [Google Scholar] [CrossRef]
- Amaral, A.R. On the exact solution of a facility layout problem. Eur. J. Oper. Res. 2006, 173, 508–518. [Google Scholar] [CrossRef]
- Wang, N. Planning and layout of intelligent logistics park based on improved genetic algorithm. Mob. Inf. Syst. 2022, 2022, 9182274. [Google Scholar] [CrossRef]
- Eswaran, M.; Kumar Inkulu, A.; Tamilarasan, K.; Bahubalendruni, M.R.; Jaideep, R.; Faris, M.S.; Jacob, N. Optimal layout planning for human robot collaborative assembly systems and visualization through immersive technologies. Expert Syst. Appl. 2024, 241, 122465. [Google Scholar] [CrossRef]
- Zhang, M.Y.; Zhu, Y.J.; Zhang, X.Y.L. Layout optimization of forging plant based on systematic layout planning and mixed algorithm. Sci. Technol. Eng. 2024, 24, 170–176. [Google Scholar]
- Xue, J.; Shen, B. Dung beetle optimizer: A new meta-heuristic algorithm for global optimization. J. Supercomput. 2023, 79, 7305–7336. [Google Scholar] [CrossRef]
- Zhu, F.; Li, G.; Tang, H.; Li, Y.; Lv, X.; Wang, X. Dung beetle optimization algorithm based on quantum computing and multi-strategy fusion for solving engineering problems. Expert Syst. Appl. 2024, 236, 121219. [Google Scholar] [CrossRef]
- Li, Y.; Sun, K.; Yao, Q.; Wang, L. A dual-optimization wind speed forecasting model based on deep learning and improved dung beetle optimization algorithm. Energy 2024, 286, 129604. [Google Scholar] [CrossRef]
- Ye, M.; Zhou, H.; Yang, H.; Hu, B.; Wang, X. Multi-strategy improved dung beetle optimization algorithm and its applications. Biomimetics 2024, 9, 291. [Google Scholar] [CrossRef]
- Rajakumar, R.; Dhavachelvan, P.; Vengattaraman, T. A survey on nature inspired meta-heuristic algorithms with its domain specifications. In Proceedings of the 2016 International Conference on Communication and Electronics Systems (ICCES), Coimbatore, India, 21–22 October 2016; pp. 1–6. [Google Scholar]
- YiFei, L.; Minh, H.L.; Khatir, S.; Sang-To, T.; Cuong-Le, T.; MaoSen, C.; Wahab, M.A. Structure damage identification in dams using sparse polynomial chaos expansion combined with hybrid K-means clustering optimizer and genetic algorithm. Eng. Struct. 2023, 283, 115891. [Google Scholar] [CrossRef]
- De Jong, K. Learning with genetic algorithms: An overview. Mach. Learn. 1988, 3, 121–138. [Google Scholar]
- Storn, R.; Price, K. Differential evolution—A simple and efficient heuristic for global optimization over continuous spaces. J. Glob. Optim. 1997, 11, 341–359. [Google Scholar] [CrossRef]
- Juste, K.; Kita, H.; Tanaka, E.; Hasegawa, J. An evolutionary programming solution to the unit commitment problem. IEEE Trans. Power Syst. 1999, 14, 1452–1459. [Google Scholar] [CrossRef]
- Koza, J.R. On the programming of computers by means of natural selection. In Genetic Programming; MIT Press: Cambridge, MA, USA, 1992. [Google Scholar]
- Beyer, H.G.; Schwefel, H.P. Evolution strategies—A comprehensive introduction. Nat. Comput. 2002, 1, 3–52. [Google Scholar] [CrossRef]
- Simon, D. Biogeography-based optimization. IEEE Trans. Evol. Comput. 2008, 12, 702–713. [Google Scholar] [CrossRef]
- Kirkpatrick, S.; Gelatt, C.D., Jr.; Vecchi, M.P. Optimization by simulated annealing. Science 1983, 220, 671–680. [Google Scholar] [CrossRef] [PubMed]
- Zhao, W.; Wang, L.; Zhang, Z. Atom search optimization and its application to solve a hydrogeologic parameter estimation problem. Knowl. Based Syst. 2019, 163, 283–304. [Google Scholar] [CrossRef]
- Karami, H.; Anaraki, M.V.; Farzin, S.; Mirjalili, S. Flow direction algorithm (FDA): A novel optimization approach for solving op-timization problems. Comput. Ind. Eng. 2021, 156, 107224. [Google Scholar] [CrossRef]
- Hashim, F.A.; Mostafa, R.R.; Hussien, A.G.; Mirjalili, S.; Sallam, K.M. Fick’s Law Algorithm: A physical law-based algorithm for nu-merical optimization. Knowl. Based Syst. 2023, 260, 110146. [Google Scholar] [CrossRef]
- Rashedi, E.; Nezamabadi-Pour, H.; Saryazdi, S. GSA: A gravitational search algorithm. Inf. Sci. 2009, 179, 2232–2248. [Google Scholar] [CrossRef]
- Pereira, J.L.; Francisco, M.B.; Diniz, C.A.; Oliver, G.A.; Cunha, S.S., Jr.; Gomes, G.F. Lichtenberg algorithm: A novel hybrid physics-based meta-heuristic for global optimization. Expert Syst. Appl. 2021, 170, 114522. [Google Scholar] [CrossRef]
- Abdel-Basset, M.; Mohamed, R.; Sallam, K.M.; Chakrabortty, R.K. Light spectrum optimizer: A novel physics-inspired metaheuristic optimization algorithm. Mathematics 2022, 10, 3466. [Google Scholar] [CrossRef]
- Mirjalili, S.; Mirjalili, S.M.; Hatamlou, A. Multi-verse optimizer: A nature-inspired algorithm for global optimization. Neural Comput. Appl. 2016, 27, 495–513. [Google Scholar] [CrossRef]
- Wei, Z.; Huang, C.; Wang, X.; Han, T.; Li, Y. Nuclear reaction optimization: A novel and powerful physics-based algorithm for global optimization. IEEE Access 2019, 7, 66084–66109. [Google Scholar] [CrossRef]
- Abdel-Basset, M.; Mohamed, R.; Azeem, S.A.; Jameel, M.; Abouhawwash, M. Kepler optimization algorithm: A new metaheuristic algorithm inspired by Kepler’s laws of planetary motion. Knowl. Based Syst. 2023, 268, 110454. [Google Scholar] [CrossRef]
- Deng, L.; Liu, S. Snow ablation optimizer: A novel metaheuristic technique for numerical optimization and engineering design. Expert Syst. Appl. 2023, 225, 120069. [Google Scholar] [CrossRef]
- Rao, R.V.; Savsani, V.J.; Vakharia, D.P. Teaching–learning-based optimization: A novel method for constrained mechanical design optimization problems. Comput. Aided Des. 2011, 43, 303–315. [Google Scholar] [CrossRef]
- Xu, Y.; Peng, Y.; Su, X.; Yang, Z.; Ding, C.; Yang, X. Improving teaching–learning-based-optimization algorithm by a distance-fitness learning strategy. Knowl. Based Syst. 2022, 257, 108271. [Google Scholar] [CrossRef]
- Kumar, S.; Tejani, G.G.; Pholdee, N.; Bureerat, S.; Jangir, P. Multi-objective teaching-learning-based optimization for structure op-timization. Smart Sci. 2022, 10, 56–67. [Google Scholar] [CrossRef]
- Kaveh, A.; Mahdavi, V.R. Colliding bodies optimization: A novel meta-heuristic method. Comput. Struct. 2014, 139, 18–27. [Google Scholar] [CrossRef]
- Trojovsk?, E.; Dehghani, M. A new human-based metahurestic optimization method based on mimicking cooking training. Sci. Rep. 2022, 12, 14861. [Google Scholar] [CrossRef]
- Zhang, Q.; Wang, R.; Yang, J.; Ding, K.; Li, Y.; Hu, J. Collective decision optimization algorithm: A new heuristic optimization method. Neurocomputing 2017, 221, 123–137. [Google Scholar] [CrossRef]
- Faramarzi, A.; Heidarinejad, M.; Stephens, B.; Mirjalili, S. Equilibrium optimizer: A novel optimization algorithm. Knowl. Based Syst. 2020, 191, 105190. [Google Scholar] [CrossRef]
- Hadi, A.A.; Mohamed, A.K. Gaining-sharing knowledge based algorithm for solving optimization problems: A novel nature-inspired algorithm. Int. J. Mach. Learn. Cybern. 2019, 11, 1501–1529. [Google Scholar] [CrossRef]
- Kashan, A.H. League championship algorithm: A new algorithm for numerical function optimization. In Proceedings of the 2009 International Conference of Soft Computing and Pattern Recognition, Malacca, Malaysia, 4–7 December 2009; pp. 43–48. [Google Scholar]
- Faridmehr, I.; Nehdi, M.L.; Davoudkhani, I.F.; Poolad, A. Mountaineering team-based optimization: A novel human-based me-taheuristic algorithm. Mathematics 2023, 11, 1273. [Google Scholar] [CrossRef]
- Moosavi, S.H.; Bardsiri, V.K. Poor and rich optimization algorithm: A new human-based and multi populations algorithm. Eng. Appl. Artif. Intell. 2019, 86, 165–181. [Google Scholar] [CrossRef]
- Kazemi, M.V.; Veysari, E.F. A new optimization algorithm inspired by the quest for the evolution of human society: Human felicity algorithm. Expert Syst. Appl. 2022, 193, 116468. [Google Scholar] [CrossRef]
- Abualigah, L.; Yousri, D.; Abd Elaziz, M.; Ewees, A.A.; Al-Qaness, M.A.; Gandomi, A.H. Aquila Optimizer: A novel meta-heuristic optimization algorithm. Comput. Ind. Eng. 2021, 157, 107250. [Google Scholar] [CrossRef]
- Wang, L.; Cao, Q.; Zhang, Z.; Mirjalili, S.; Zhao, W. Artificial rabbits optimization: A new bio-inspired meta-heuristic algorithm for solving engineering optimization problems. Eng. Appl. Artif. Intell. 2022, 114, 105082. [Google Scholar] [CrossRef]
- Abdel-Basset, M.; Mohamed, R.; Jameel, M.; Abouhawwash, M. Nutcracker optimizer: A novel nature-inspired metaheuristic algorithm for global optimization and engineering design problems. Knowl. Based Syst. 2023, 262, 110248. [Google Scholar] [CrossRef]
- Sang-To, T.; Le-Minh, H.; Wahab, M.A.; Thanh, C.L. A new metaheuristic algorithm: Shrimp and Goby association search algorithm and its application for damage identification in large-scale and complex structures. Adv. Eng. Softw. 2023, 176, 103363. [Google Scholar] [CrossRef]
- Hashim, F.A.; Hussien, A.G. Snake Optimizer: A novel meta-heuristic optimization algorithm. Knowl. Based Syst. 2022, 242, 108320. [Google Scholar] [CrossRef]
- Lee, H.; Lee, C.; Han, H.; Lee, J. A Study on Development of Construction Standard Production Rates and Cost Analysis for Off-Site Construction (OSC)-Based PC Structure Construction Costs: Comparison with RC Method. Korean J. Constr. Eng. Manag. 2024, 25, 56–68. [Google Scholar] [CrossRef]
- Park, J.; Choa, S. A Study on Variation of Economic Value of Overseas Carbon Reduction Projects with Risk Factors. Korean J. Constr. Eng. Manag. 2023, 24, 45–52. [Google Scholar] [CrossRef]
- Jiang, X.H.; Chen, S.; Zhang, Y. Calculation method of total carbon emission and efficiency of logistics enterprises. J. Transp. Syst. Eng. Inform. Technol. 2022, 22, 313–321. [Google Scholar]
- Li, J.; Zhou, Q. Cold Chain Logistics Center Layout Optimization Based on Improved Dung Beetle Algorithm. Symmetry 2024, 16, 805. [Google Scholar] [CrossRef]
- Chen, X.R.; Wu, L.F.; Yang, X.Z. Fractional order PID parameter tuning based on improved sparrow search algorithm. Control. Decis. 2024, 39, 1177–1184. [Google Scholar]
- Zhang, C.; Liang, Y.; Tavares, A.; Wang, L.; Gomes, T.; Pinto, S. An Improved Public Key Cryptographic Algorithm Based on Chebyshev Polynomials and RSA. Symmetry 2024, 16, 263. [Google Scholar] [CrossRef]
- Pan, G.; Xu, Y. Chaotic glowworm swarm optimization algorithm based on Gauss mutation. In Proceedings of the 2016 12th International Conference on Natural Computation, Changsha, China, 13–15 August 2016; Volume 11. [Google Scholar]
- Chen, Y.; Li, X.; Zhao, S. A Novel Photovoltaic Power Prediction Method Based on a Long Short-Term Memory Network Optimized by an Improved Sparrow Search Algorithm. Electronics 2024, 13, 993. [Google Scholar] [CrossRef]
- Kim, S.; Oh, J.; Lim, J. Development of an Algorithm for Crane Trajectory Distance Calculation for Erection of Precast Concrete Members. Buildings 2023, 14, 11. [Google Scholar] [CrossRef]
- Yoon, S. Inventory Management Methods and Applications; Sigongsa: Seoul, Republic of Korea, 1997; pp. 25–29. [Google Scholar]
- Kim, K.Y. Inventory Management for Logistics Bases; Hyomin: Seoul, Republic of Korea, 2005. [Google Scholar]










| No. | Assumptions |
|---|---|
| 1 | The sum of the areas of all stock yards must be less than the total site area. |
| 2 | A safe distance must be maintained between stock yards and PC components. |
| 3 | Transportation efficiency and unit costs are available for material transportation routes and each individual transportation line. |
| 4 | The entrances and exits within the logistics facility are not considered, but only the actual PC component loading and erection. |
| Description | Contents |
|---|---|
| Location | Seoul-si, Republic of Korea |
| Site area | 147,112 m2 |
| Building area | 84,413 m2 (491 m long × 497 m width) |
| Total floor area | 420,991 m2 |
| No. of floors | B2–5F (6 buildings, floor height 8.7–12.2 m) |
| Structure | Columns, Girders, Slabs: Precast concrete structure, Cores: Reinforced concrete structure One building: Steel reinforced concrete structure |
| No. | Assumption |
|---|---|
| 1 | In-situ-produced components in each zone are basically stacked outside the building of each zone. |
| 2 | PC components are stacked within the crane working radius. |
| 3 | When the construction of the 5th floor is completed, the 5th floor is prioritized as the stock yard space. |
| 4 | In-situ produced components are based on the erection of steel plates at + GL (ground level) and stacked in 3 columns and 2 beams. |
| 5 | As the load of the building is designed to be 2.4 tons/m2, the PC components are stacked in 1-layer on the 2nd, 3rd, 4th, and 5th floors. |
| 6 | i-th storage yard is divided by zone and member. |
| 7 | i-th storage yard is based on sequential loading. |
| 8 | Each storage yard is based on stacking 30 components. |
| Area | M + 1 | M + 2 | M + 3 | M + 4 | M + 5 | M + 6 | M + 7 | M + 8 | M + 9 | M + 10 | M + 11 | M + 12 |
|---|---|---|---|---|---|---|---|---|---|---|---|---|
| Erection | 36,603 | 35,574 | 36,058 | 37,994 | 30,976 | 15,972 | 19,844 | 12,100 | 7502 | 2420 | 2420 | 2178 |
| Other work | 4350 | 4682 | 3025 | 3120 | 2925 | 2543 | 2432 | 2210 | 2100 | 1468 | 1055 | 831 |
| Production | 3220 | 3220 | 3220 | 2240 | 2240 | 1120 | 1120 | 1120 | 0 | 0 | 0 | 0 |
| Stock | 49,581 | 49,168 | 43,454 | 37,626 | 33,421 | 29,660 | 16,915 | 10,753 | 9702 | 9580 | 8883 | 0 |
| Item | DBO Layout | IDBO Layout | ||
|---|---|---|---|---|
| Fixed Source | Mobile Source | Fixed Source | Mobile Source | |
| Labor | 7 | 36 | 3 | 25 |
| Oil use | 0 | 2610 | 0 | 2152 |
| Electricity use | 32 | 55 | 17 | 48 |
| Lighting, and heating use | 10 | 15 | 4 | 9 |
| Total | 49 | 2716 | 24 | 2234 |
| Layout Plan | Adjacent Correlation | Carbon Dioxide Emissions (T-CO2) |
|---|---|---|
| DBO optimization layout | 29.93 | 2765 |
| IDBO optimization layout | 36.75 | 2258 |
Disclaimer/Publisher’s Note: The statements, opinions and data contained in all publications are solely those of the individual author(s) and contributor(s) and not of MDPI and/or the editor(s). MDPI and/or the editor(s) disclaim responsibility for any injury to people or property resulting from any ideas, methods, instructions or products referred to in the content. |
© 2024 by the authors. Licensee MDPI, Basel, Switzerland. This article is an open access article distributed under the terms and conditions of the Creative Commons Attribution (CC BY) license (https://creativecommons.org/licenses/by/4.0/).
Share and Cite
Lim, J.; Kim, S. Environmental Impact Minimization Model for Storage Yard of In-Situ Produced PC Components: Comparison of Dung Beetle Algorithm and Improved Dung Beetle Algorithm. Buildings 2024, 14, 3753. https://doi.org/10.3390/buildings14123753
Lim J, Kim S. Environmental Impact Minimization Model for Storage Yard of In-Situ Produced PC Components: Comparison of Dung Beetle Algorithm and Improved Dung Beetle Algorithm. Buildings. 2024; 14(12):3753. https://doi.org/10.3390/buildings14123753
Chicago/Turabian StyleLim, Jeeyoung, and Sunkuk Kim. 2024. "Environmental Impact Minimization Model for Storage Yard of In-Situ Produced PC Components: Comparison of Dung Beetle Algorithm and Improved Dung Beetle Algorithm" Buildings 14, no. 12: 3753. https://doi.org/10.3390/buildings14123753
APA StyleLim, J., & Kim, S. (2024). Environmental Impact Minimization Model for Storage Yard of In-Situ Produced PC Components: Comparison of Dung Beetle Algorithm and Improved Dung Beetle Algorithm. Buildings, 14(12), 3753. https://doi.org/10.3390/buildings14123753
