Next Article in Journal
The Impact of Dependent Behavior on the Design of Classroom Evacuation Exits for Intellectually Disabled Students
Previous Article in Journal
Modeling Supply Air Jet of Split Air Conditioner Based on Abramovich Jet Theory and Bayesian Markov Chain Monte Carlo Algorithm
 
 
Font Type:
Arial Georgia Verdana
Font Size:
Aa Aa Aa
Line Spacing:
Column Width:
Background:
Article

Experimental Study on Variable Amplitude Fatigue Performance of High-Strength Bolts in Steel Structure Flange Connections

College of Civil Engineering, Taiyuan University of Technology, Taiyuan 030024, China
*
Authors to whom correspondence should be addressed.
Buildings 2024, 14(12), 3736; https://doi.org/10.3390/buildings14123736
Submission received: 31 October 2024 / Revised: 21 November 2024 / Accepted: 22 November 2024 / Published: 24 November 2024
(This article belongs to the Section Building Structures)

Abstract

Steel structure flange connections are extensively employed in structural nodes due to their superior mechanical properties. This study combines fatigue testing and theoretical methods to investigate the fatigue performance of high-strength bolts in flange connections under actual gradient descent loads and provide fatigue design methods. Initially, fatigue tests were conducted on two sets of high-strength bolts under a gradient descent loading mode, yielding a total of 11 sets of fatigue data. Subsequently, the stress–life (S-N) curve was plotted using a cumulative damage model combined with an equivalent constant amplitude stress method, and the results were compared with existing fatigue design specifications. Additionally, digital cameras and electron microscopes were utilized to capture fatigue fracture images of the high-strength bolts, allowing a detailed investigation into the mechanisms underlying bolt fatigue fractures. The results indicate that the allowable stress amplitudes for the two sets of high-strength bolts, corresponding to a fatigue life threshold of 2 million cycles, were 144.211 MPa and 130.316 MPa, respectively—both of which exceed the values specified in current fatigue design codes. Moreover, finite element simulations revealed that the most pronounced stress concentration occurs at the first thread where the bolt and nut interface, which is identified as the critical location for fatigue fracture in bolts. The allowable stress and fatigue calculation method of bolts obtained in this study will provide a reference for flange node design

1. Introduction

Flange connections, as a crucial method for joining steel structures, were initially employed in pipeline containers, petrochemical industries, and power systems. In the early stages, flange connections were predominantly utilized in secondary construction within structural engineering [1]. With the rapid development of prefabricated steel structures, high-strength bolted flange connections have gained widespread application in various steel structure projects due to their advantages of rapid construction, elimination of on-site welding, and superior mechanical properties [2].
In flange connection joints, high-strength bolts are prone to stress concentration due to their geometric notches and irregular shapes [3]. Under alternating loads, these areas are susceptible to fatigue cracking, potentially leading to component fatigue failure [4]. Abdul Jawwad [5] investigated the effect of eccentric loading on the fatigue life of flange bolts through finite element simulations and experimental methods. The results indicated a strong negative correlation between the stress concentration factor at the root of the thread and eccentricity and a weak negative correlation with mean stress. Xingda Ji et al. [6] analyzed the influence of initial flatness deviation on the structural response of flange connections and assessed its impact on fatigue damage. Through finite element simulations, it was found that the fatigue damage of flange bolts with tower side clearance and flange clearance increased significantly compared to those with parallel clearance. Bartsch Helen et al. [7] conducted small-scale fatigue tests on high-strength bolted joints with pre-tension to study their fatigue behavior. By comparing experimental results with numerical simulations and considering geometric parameters, they evaluated the fatigue strength and notch effect of high-strength bolts, ultimately providing detailed classification recommendations for design calculations. In 2021, Okorn Ivan et al. [2] studied the effect of varying loads on the fatigue life of flange bolts by applying loads under different operating conditions to two different flange connections. The study revealed that as the external load increased, the difference in fatigue life between the two types of flanges diminished. Additionally, the use of thicker washers indirectly enhanced the fatigue life of bolts by reducing the additional stresses in the bolts.
The fatigue failure of structural connection nodes is a key factor threatening their service life [8]. Xiangnan Liu et al. [9] introduced a new time-frequency editing method for multi-axis load spectra of automotive components using the generalized S-transform (GST) theory. Qiang Hu et al. [10] investigated the effects of single-stage solid solution treatment (SST) and two-stage solid solution treatment (DST) on the fatigue crack propagation (FCP) behavior in the thickness direction of alloys. The discovery of these changes led to a reduction in crack sources in the alloy and a decrease in the bridging effect of secondary relative fatigue cracks, thereby improving the fatigue performance of the alloy. Conducting fatigue tests remains a crucial approach for investigating the fatigue performance of high-strength bolts.
High-strength bolts often experience variable amplitude fatigue loads in service due to factors such as seismic and wind effects. Bin Qiu et al. [11] conducted variable amplitude fatigue tests on M30 high-strength bolts in bolted sphere truss structures and estimated their fatigue life using cumulative damage theory. The study revealed that the variable amplitude fatigue life decreased by more than 5% compared to the constant amplitude fatigue life. Analysis of the fatigue fracture surface indicated a higher propensity for fatigue cracks on the surface of high-strength bolts. Zhang et al. [12]. studied the amplitude fatigue performance of M30 high-strength bolts in end plate connections using an AMSLER fatigue testing machine (made by Amsler GmbH and located in Schaffhausen, Switzerland). The discovery of Miner’s rule can better evaluate the amplitude fatigue life of M30 high-strength bolts, even with relatively large dispersion. The evaluation results of the Corten Dolan model may have low variability, but they often overestimate the fatigue life of bolts.
High-strength bolts are frequently subjected to fatigue loads with variable amplitude during operation, influenced by factors such as seismic and wind forces. Bin Qiu [11] and colleagues performed variable amplitude fatigue tests on M30 high-strength bolts in bolted sphere truss structures and estimated their fatigue life through cumulative damage theory. Their findings indicated a reduction of over 5% in variable amplitude fatigue life compared to constant amplitude conditions. Analyzing the fatigue fracture surfaces showed a stronger tendency for surface fatigue cracks in high-strength bolts. Zhang [12] and others examined the variable amplitude fatigue performance of M30 high-strength bolts in end plate connections, employing an AMSLER fatigue testing machine. Their findings suggest that Miner’s rule provides a reasonable estimate of fatigue life under variable amplitudes, despite some level of variability. Meanwhile, the Corten–Dolan model’s results often exhibit lower variability but tend to overestimate the bolt’s fatigue life.
However, research on the load-bearing capacity of high-strength bolts under variable amplitude loads in bolted flange connections remains limited. To address this gap, this study conducted variable amplitude fatigue tests on M12 and M16 high-strength bolts. According to the experimental results, the fatigue S-N curve and stress amplitude threshold for 2 million fatigue cycles were obtained. Furthermore, comparisons with existing bolt amplitude data were made to assess the experimental results. Finally, the fatigue fracture surface was analyzed from both macroscopic and microscopic perspectives to elucidate the fatigue fracture mechanism.

2. Materials and Methods

To investigate the variable-amplitude fatigue behavior of high-strength bolts in steel structure flange joints, this study selected M12 and M16 high-strength bolts commonly used in flange connections for fatigue testing. During the experiments, an MTS fatigue testing machine was employed to apply a gradient descending load mode to the two bolt types, and the fatigue S-N curve was derived using the equivalent constant amplitude stress method.

2.1. Test Specimen

The high-strength bolt models used in this fatigue test are large hexagonal M12 high-strength bolts and large hexagonal M16 high-strength bolts, as shown in Figure 1. The dimensions of these two high-strength bolts are shown in Figure 2. This is because M12 and M16 high-strength bolts have smaller diameters and are more widely used in flange connections, while larger-diameter high-strength bolts are more commonly used in large-span frame structures. The grade of the bolt is 10.9S, the material is 20MnTiB, and the bolt complies with the specification “Large Hexagonal Head Bolts for Steel Structures (GB/T 1228-2006)” [13]. Before fatigue testing, a detailed inspection and labeling of the appearance defects of each bolt is required.

2.2. T-Shaped Connector

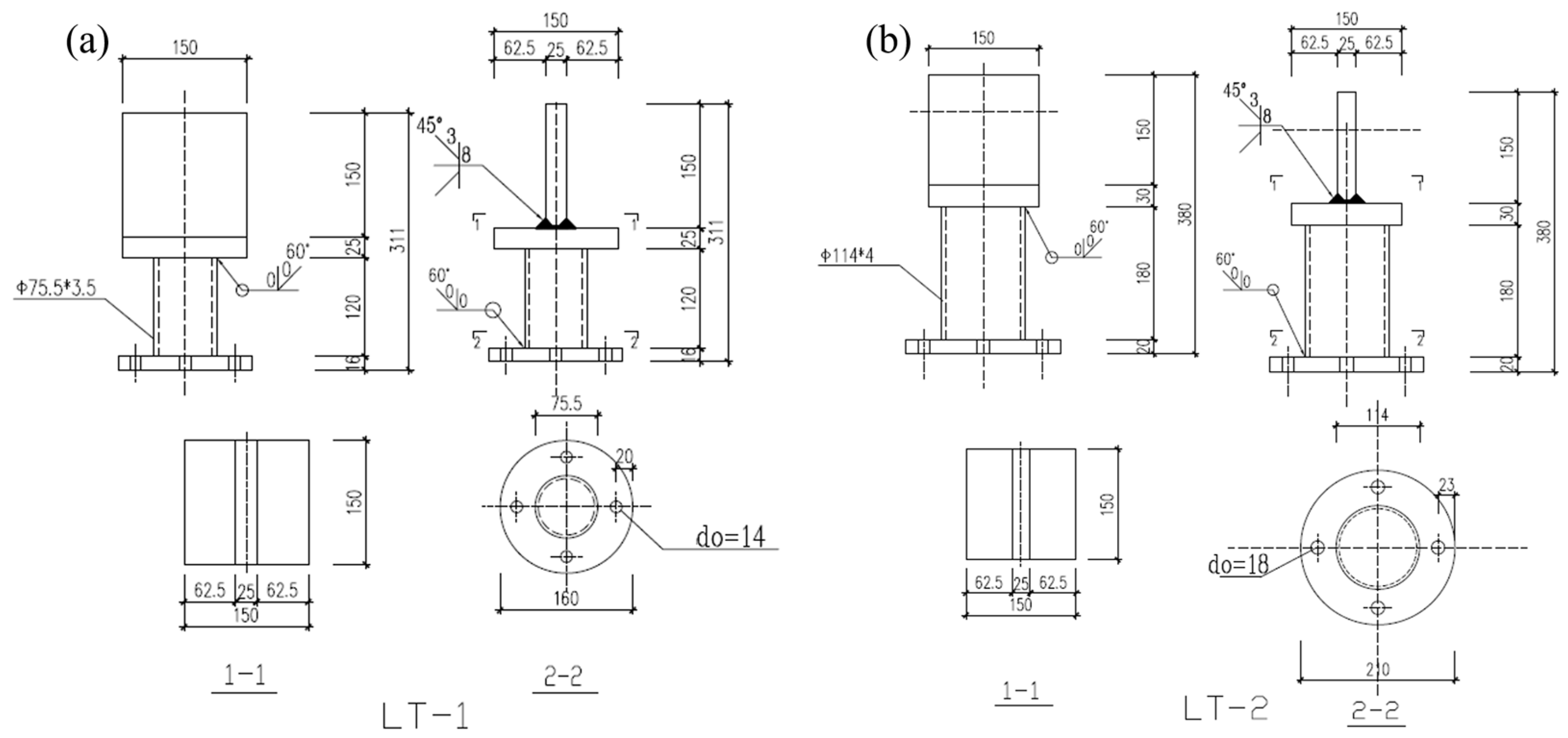
The T-shaped connector designed for this experiment has two functions. Firstly, one end of the T-shaped connector can be clamped on the MTS fatigue testing machine, allowing the load on the MTS to be applied to the high-strength bolt. Secondly, the connector is designed based on the size of the flange, which can simulate the stress state of high-strength bolts in the flange. In order to clamp two types of bolts, two types of T-shaped connectors are designed, namely LT-1 and LT-2, as shown in Figure 3. The dimensions of these two types of connectors are shown in Figure 4. In order to ensure the strength of the specimens, all the steel used for the connectors is Q355B. Double-sided groove welding is adopted between the plates, and automatic welding is carbon dioxide gas-shielded welding. All welds are secondary welds.

2.3. Fatigue Testing Machine

The fatigue testing machine used in this study is from MTS Corporation in Eden Prairie, MN, USA, with the model number Landmark 370.50, as shown in Figure 5. This testing machine can apply static and dynamic loads separately and simultaneously. The rated static load is ±500 kN, and the rated dynamic load is ±500 kN. The accompanying FlexTest40 servo controller (MTS Corporation) can perform various dynamic load waveforms, including sine waves, triangular waves, square waves, semi-triangular waves, semi-square waves, oblique waves, double oblique waves, sawtooth waves, trapezoidal waves, and various combination waves from 0.001 to 600 Hz.

2.4. Fatigue Test Programm

During the fatigue testing, to ensure the bolt remains in an elastic state, the applied load level for the high-strength bolt is set between 0.2fy and 0.6fy, where fy represents the yield strength of the specimen. This yield strength can be determined based on the material characteristics of high-strength bolts [11]. The loading process should adhere to a load spectrum, as the load on flange joints in practical engineering scenarios is inherently random. However, due to limited research, a widely recognized load spectrum has yet to be established. Consequently, a simplified load spectrum is used as a substitute for actual conditions. This test employs a gradient descent approach to loading, illustrated in Figure 6. The stress amplitude in each subsequent stage is designed to be lower than that of the preceding stage, continuing until the bolt ultimately experiences fatigue fracture. The process of fatigue testing follows the Test Method for Strain-Controlled Fatigue Testing (ASTM E606/E606M-12 2012) [14] and the Chinese standard Axial Load Fatigue Testing for Threaded Fasteners (GB/T 13682-1992) [15]. The loading mode of the load in the fatigue test is sinusoidal (Figure 7), and the load decreases from Fmax to Fmin within one cycle, showing a sinusoidal variation pattern.

3. Results

3.1. M12 and M16 Experimentation Results

In this fatigue test, a total of 11 sets of fatigue data were collected, including six sets specifically for M12 high-strength bolts. The six sets of data include second-order loading and third-order loading, as shown in Figure 8.
The M16 high-strength bolt contains five sets of experimental data. These five sets of data also include second-order loading and third-order loading, as shown in Figure 9.

3.2. Equivalent Fatigue Life Calculation

The concept of the fatigue S-N curve was first introduced by the German Society of Engineers August Wöhler in the 19th century, with his research findings emerging in the context of railway engineering. To facilitate comparisons across amplitude fatigue tests, amplitude data are typically converted to an equivalent constant amplitude. The fatigue S-N curve is expressed as follows:
l g N = A B l g Δ σ ± C ,
where A, B, and C are constants. The calculation for fatigue life at each level of stress amplitude is as follows:
N i = A Δ σ i B ,
According to Miner’s rule, the following can be established:
f i A Δ σ i B A Δ σ e B = 1 ,
where f is the frequency occupied by the stress amplitude, and the equivalent stress amplitude is as follows:
Δ σ e = f i Δ σ i m 1 m ,
In summary, the equivalent constant amplitude data of the amplitude fatigue life of M12 and M16 high-strength bolts are shown in Table 1.

3.3. High Strength Bolt Variable Amplitude Load S-N Curve

By fitting the equivalent constant amplitude data mentioned in Table 2, the equivalent amplitude S-N curve of the M12 high-strength bolt is obtained as an equation, and its double logarithmic form is shown in Figure 10. In this situation, 2 million allowable stress amplitudes is 144.211 MPa.
l o g 10 N = 19.807 5.827 l o g 10 Δ σ ± 0.924 ,
Similarly, the equivalent amplitude S-N expression curve for M16 high-strength bolts is Equation (1) and 2 million allowable stress amplitudes is 130.316 MPa.
l o g 10 N = 17.939 5.099 l o g 10 Δ σ ± 0.854 ,

4. Discussion

4.1. Estimation of Fatigue Life Using Cumulative Damage Theory

Miner’s rule, a widely used linear cumulative damage theory, is often applied to estimate the fatigue damage of bolts. This rule assumes that fatigue damage is directly proportional to the number of loading cycles and is expressed by the following formula:
D M = i = 1 i n i N i ,
where D represents the total fatigue damage, ni is the number of loading cycles at the i-th stress level, and Ni denotes the fatigue life at that level. The subscript iii indicates the stress sequence number. According to Miner’s rule, fatigue failure is assumed to occur when D = 1.
N g = N 1 α i ( σ i / σ m a x ) d ,
where N1 is the fatigue life at the maximum stress level, which can be determined using the constant amplitude fatigue life S-N curve.
According to Miner’s rule, the equivalent stress amplitude for high-strength bolts under variable amplitude loading conditions can be calculated using the following formula:
Δ σ e = i = 1 i f i Δ σ i m 1 m ,
where Δσe represents the equivalent stress amplitude, fi is the cyclic stress frequency of Δσi, and Δσi is the stress amplitude at the i-th level. Additionally, mmm is a constant derived from the S-N curve of the constant amplitude fatigue test. Based on the results of the amplitude fatigue tests on the bolt, the calculated values for variable amplitude fatigue damage are presented in Table 2.
As shown in the table above, the estimated fatigue life of bolt specimen calculated with Miner’s rule and the Corten–Dolan model generally exceeds a value of 1, indicating that the predicted fatigue life is greater than the actual service life. One reason for this discrepancy is that Miner’s rule is highly sensitive to the selected load spectrum. If the load spectrum includes an excessive number of cycles with low stress amplitudes or an insufficient number of cycles with high stress amplitudes, the estimated fatigue damage accumulation rate may be lower than the actual rate. Additionally, Miner’s rule is a simplified model that assumes that each stress cycle contributes a constant amount of damage and that the damage accumulates linearly. However, in real-world bolt fatigue testing, damage accumulation is often nonlinear. Furthermore, factors such as the eccentric loading of the MTS fatigue testing machine on bolts and the replacement process of high-strength bolts during testing may influence the measured fatigue life.
When comparing the results of these two models, it is evident that Miner’s rule exhibits significant variability in its estimates. For instance, in the case of M16-5, the damage metric (DM) reached 2.124 under Miner’s rule, whereas the Corten–Dolan model yielded an estimate of 1.414, which is closer to 1. Similarly, values exceeding 1.9 were observed in bolts M12-5, M16-2, and M16-3. The Corten–Dolan model’s estimates for M12-2 and M12-3 were also closer to 1 compared to Miner’s rule, indicating more accurate predictions.
That is because, First of all, the Corten–Dolan model incorporates the cumulative damage theory with a dependency on stress amplitude, describing the fatigue damage accumulation of high-strength bolts under variable loading conditions in more detail. Miner’s rule assumes a linear accumulation of fatigue damage, meaning that each stress amplitude contributes equally to the total life. However, this assumption is not accurate under high stress amplitude variations, while the Corten–Dolan model better captures the actual impact of different stress levels on fatigue damage. Then, the Corten–Dolan model generally provides fatigue life calculations that are closer to actual conditions under low stress amplitudes. The fatigue life of high-strength bolts depends not only on high stress amplitudes but also on the damage accumulation contributed by low stress levels. Miner’s rule tends to overlook this aspect, whereas the Corten–Dolan model can more comprehensively account for cumulative damage across various stress levels.

4.2. Comparison of Constant Fatigue Life

The amplitude-equivalent S-N curve of the high-strength bolt was compared with its constant amplitude fatigue S-N curve, as shown in Figure 11. This figure illustrates the comparison between the amplitude-equivalent and constant amplitude fatigue S-N curves for M12 high-strength bolts in this experiment. As seen, the slopes of the two curves are nearly identical, suggesting that the trends in fatigue life for high-strength bolts under both variable and constant amplitude loads are fundamentally similar. In other words, the relationship between the change in fatigue life and the change in equivalent stress amplitude remains consistent under both loading conditions.
Additionally, the comparison reveals that the intercept of the amplitude-equivalent S-N curve is higher than that of the constant amplitude S-N curve. This implies that the allowable stress amplitude for high-strength bolts under amplitude fatigue for 2 million cycles is greater than that under constant amplitude loading. According to the calculations from the previous section, the allowable stress amplitudes for M12 high-strength bolts under amplitude and constant amplitude fatigue at 2 million cycles are 144.21 MPa and 124.165 MPa, respectively. Similarly, for M16 high-strength bolts, the allowable stress amplitudes are 130.31 MPa and 110.281 MPa, respectively.
This discrepancy can be attributed to the different loading conditions. In constant amplitude fatigue tests, the bolts are subjected to repeated constant amplitude stress cycles, which can lead to localized stress concentrations, accelerating the initiation and propagation of fatigue cracks. In contrast, in variable amplitude fatigue tests, the variation in stress amplitude may result in a more uniform stress distribution within localized high-stress regions, thereby mitigating the effects of stress concentration and delaying the onset of fatigue cracks. Moreover, variable amplitude loading can potentially decrease the crack propagation rate, particularly when load changes alter the stress intensity factor at the crack tip. However, it is also important to acknowledge that the relatively limited dataset for amplitude fatigue may introduce certain errors in the analysis.
The experimental results show that the fatigue limits of M12 and M16 high-strength bolts exceed the permissible stress amplitude for 2 million fatigue cycles specified in structural standards, including 50 MPa in Eurocode 3: Part 1–9, 40.219 MPa in ANSI/AISC 360-16 [16] and 55.827 MPa in BS 7608-2014 [17]. This outcome is attributed to the fact that, during fatigue testing, high-strength bolts are subjected almost exclusively to axial tension under constant load, with minimal external influences. In practical engineering, however, high-strength bolts typically bear varying loads, often facing not only axial tension but also additional torque and shear forces, significantly reducing their actual service life. Moreover, real-world operating conditions may introduce numerous unpredictable factors, such as temperature, humidity, and corrosion, which could further affect the bolts’ fatigue life. Conservative standards help mitigate the adverse impacts of such unexpected conditions on bolt performance. Future research could investigate the influence of these complex factors on fatigue life to provide more comprehensive guidance for practical engineering design.

4.3. Comparison of Available Test Data

The fatigue test data were compared with existing data, and a fatigue life comparison curve was drawn, as shown in Figure 12. The figure illustrates that, under the same stress amplitude, the fatigue life of bolts with smaller diameters (less than 20 mm) obtained in this study is generally higher, while high-strength bolts with diameters greater than 20 mm exhibit weaker amplitude fatigue performance.
This phenomenon can be attributed to several factors. Firstly, an increase in bolt diameter results in greater stiffness, which diminishes the bolt’s capacity to twist and deform. This increased stiffness may lead to higher stress concentrations within the bolt when subjected to alternating loads, thereby reducing its fatigue strength. The reduction in fatigue strength can, in turn, contribute to issues such as bolt cracking and deformation, ultimately impacting the stability and safety of the entire flange connection.
Additionally, for large-diameter bolts, the internal stress distribution tends to be more complex due to their larger volume. When subjected to cyclic loads, this complexity can lead to uneven stress distribution within the bolt, causing excessive localized stress and accelerating fatigue damage. Furthermore, large-diameter bolts may be more susceptible to internal defects or microcracks during manufacturing and processing. These defects can rapidly propagate under alternating stresses, resulting in premature bolt failure.
In contrast, smaller-diameter bolts generally experience more uniform internal stress distribution due to their smaller volume. When exposed to cyclic loads, there is relatively less internal stress concentration, thereby reducing the risk of fatigue damage. Furthermore, smaller-diameter bolts are typically easier to manufacture and process with high precision, resulting in superior surface quality. High-quality surface treatment can mitigate the likelihood of stress concentrations and crack initiation, thereby enhancing fatigue life. Moreover, the smaller size of these bolts reduces the probability of internal defects (such as pores or inclusions) forming during casting or forging processes. Since internal defects are potential sites for fatigue crack initiation, minimizing such defects can contribute to improved fatigue life.

4.4. Finite Element Simulation Analysis

4.4.1. Establishment of the Finite Element Model

The high-strength bolt connection pair includes high-strength bolts and nuts. The specifications of the bolts are modeled according to the 10.9 grade M12 and M16 specifications in GB/T 1228-2006 “High Strength Hexagonal Head Bolts for Steel Structures” [13] and the specifications of the nuts refer to GB/T 1229-2006 “High Strength Hexagonal Head Nuts for Steel Structures” [18]. For M12 high-strength bolts, the total length of the bolt is 77.5 mm, the bolt head length is 7.5 mm, the screw length is 70 mm, and the thread length is 32.5 mm. For M16 high-strength bolts, the total length of the bolt is 80 mm, the bolt head length is 10 mm, the screw length is 70mm, and the thread length is 42 mm. When establishing the model, the material of the bolt is 20MnTiB, with an elastic modulus of 206,700 MPa and a Poisson’s ratio of 0.3. The threaded part adopts the C3D6 unit, and the rest adopts the C3D8R unit. The mesh size of the threaded part is 1 mm, the thread densification part is 0.05mm, and the remaining part is 4 mm. The finite element model schematic of the high-strength bolt connection pair is shown in Figure 13a,b.
The function of the steel pipe flange T-connection is to simulate the stress state of high-strength bolts in flange connections and transmit force to the bolts. There are two specifications for connectors, and the detailed dimensions are the same as those tested. In terms of boundary conditions, fixed measures are taken for the vertical end plates of the lower connecting components, and a concentrated load of 46.3 kN is applied to the upper end plates. The value of the load is the same as the maximum load of the fatigue test mentioned above.

4.4.2. Finite Element Simulation Results

High-strength bolts exhibit a gap at the thread, which results in significant stress concentration at this location. Consequently, the stress at the thread is substantially higher than in the surrounding regions. The material used for manufacturing high-strength bolts is typically ductile. When subjected to static loads, the macroscopic deformation of the bolt allows stress redistribution, making the notch effect less significant in influencing the bolt’s static performance. However, under fatigue loading conditions, the actual stress at the notch area exceeds the nominal stress, preventing substantial plastic deformation. As a result, stress cannot be effectively redistributed, causing the stress concentration point to become the weakest area of the bolt. This often leads to the initiation of fatigue cracks at the thread.
To assess the degree of stress concentration in high-strength bolts, this study utilizes the theoretical stress concentration factor (Kt) to analyze finite element simulation results. This approach provides an indirect evaluation of the fatigue performance of bolts under different working conditions. The value of Kt is primarily influenced by the geometric dimensions and load parameters of the specimen, and its expression is defined as follows:
K t = σ m a x σ n = ε m a x ε n
where σ max is the local true maximum stress, ε max is the local true maximum strain, σ n is the local nominal stress, and ε n is the local nominal strain.
As illustrated in Figure 14, the stress distribution throughout the entire bolted flange connection node is uneven, with critical weak areas identified on the high-strength bolts. The maximum degree of stress concentration occurs at the joint between the bolt thread and the nut. After performing calculations, the stress concentration factor at this location was found to be 2.347, which aligns with the observed fracture positions in the fatigue tests described earlier. The presence of stress concentration leads to elevated localized stress on the bolt. When this localized stress surpasses the material’s fatigue strength, microcracks begin to form within the bolt. Under cyclic loading conditions, these microcracks progressively propagate, eventually resulting in fatigue failure of the bolt.

4.5. Fracture Morphology Analysis of Bolt Specimen

4.5.1. Macroscopic Fatigue Fracture Analysis

The fatigue fracture of high-strength bolts can be distinctly divided into three regions: the fatigue crack initiation zone, the crack propagation zone, and the instantaneous fracture zone, as depicted in Figure 15. Each of these regions exhibits different characteristics due to the varying influences of applied loads.
The fatigue crack initiation zone is typically located on the surface [19] of high-strength bolts, particularly in areas with stress concentrations such as threads, notches, and pre-existing cracks. This is due to the relatively complex stress state in these regions, which can easily lead to stress concentration and initiate fatigue cracks. In cases where significant internal defects are present within the material, fatigue crack initiation may also occur internally within the bolt. The cross-section of the fatigue crack initiation zone often appears relatively smooth and shiny due to the slow propagation of fatigue cracks and the repeated rubbing and friction during crack opening and closing. Sometimes, a granular surface structure can be observed.
At the macro level, the most distinguishing feature of the crack propagation zone is the presence of a “shell pattern” or “beach pattern” in the fatigue fracture. These patterns [20] appear as a series of parallel curved lines perpendicular to the direction of crack propagation, resembling ripples on a shell or the shore. These fatigue arcs are marks left by fatigue cracks as they propagate, and their formation is linked to changes in the stress state at the crack tip. During crack growth, whenever a crack encounters an obstacle or undergoes a change in stress conditions, a fatigue arc forms on the fracture surface. Additionally, several distinct boundary lines can be observed in this region, differentiating it from the fracture SEM image observed under a constant amplitude loading test. These lines indicate fluctuations in the stress limitation during the testing process.
The instantaneous fracture region typically presents as a rough and uneven surface on a macroscopic scale, similar to a static tensile fracture. The coloration of this region is often lighter and distinct from that of the crack initiation and propagation zones. The size of the instantaneous fracture zone depends on several factors, including the magnitude of the load, material properties, and environmental conditions. This zone forms after the fatigue crack has propagated to a critical extent. With the continuous reduction in the effective cross-sectional area and the corresponding increase in stress, the stress eventually exceeds the fracture strength of the material, resulting in an instantaneous brittle fracture.

4.5.2. Microscopic Fatigue Fracture Analysis

Fatigue sources are typically located at stress concentration points either on the surface or within the material, such as around defects like notches, cracks, inclusions, and other irregularities, as illustrated in Figure 16. These areas are highly susceptible to stress concentration, making them the primary sites for crack initiation. The fatigue source region generally exhibits a relatively flat or slightly depressed morphology, accompanied by small cracks or slip lines, which mark the initial locations of crack initiation.
One of the most prominent characteristics of the fatigue crack propagation zone is the presence of beach-like stripes. These stripes are, in fact, traces left by fatigue cracks as they propagate, appearing as arc-shaped lines perpendicular to the direction of crack propagation. The cross-section of the propagation zone is typically smooth and oriented perpendicularly to the principal stress direction. The coloration in this zone may differ slightly from that of the fatigue source region and the instantaneous fracture region.
During crack propagation, variations in resistance at the crack front may cause the crack to deviate from the original propagation plane. When this occurs, the crack continues to propagate on a new plane, resulting in the formation of intersecting fracture surfaces known as “fatigue steps”. These fatigue steps are indicative of the direction of crack propagation, with the step orientation generally pointing toward the crack’s progression.
The fatigue fracture surface exhibits distinctive features in the form of fatigue bands, also referred to as fatigue striations [21], as depicted in Figure 17. These fatigue bands manifest as parallel strip-shaped patterns that are spaced at regular intervals and oriented perpendicularly to the direction of crack propagation, alternating between lighter and darker shades. The formation of these fatigue bands is closely related to the plastic deformation process occurring at the crack tip. During each stress cycle, the crack may advance a small distance, leaving behind a trace of plastic deformation, which results in the development of a fatigue band.
The orientation of the fatigue bands is perpendicular to the direction of crack propagation [22], and they typically form during the second stage of stable crack propagation. Additionally, secondary cracks may develop adjacent to the main crack during this propagation process. These secondary cracks are generally oriented at a specific angle to the primary crack and often run parallel to the fatigue bands. The occurrence of secondary cracks may be attributed to the localized plastic deformation of the material under stress or to variations in the microstructure.
Figure 18 shows the morphology of the instantaneous fracture zone magnified 5000 times, and it can be clearly seen that a large number of dimples appear here. The presence of numerous dimples on the fracture surface of a fatigued high-strength bolt is due to plastic deformation and microvoid coalescence in the final stage of fracture. As the crack progresses, local plastic deformation accumulates, forming microvoids around inclusions and second-phase particles. Under high loads, these microvoids expand and merge, creating dimples, a typical feature of ductile fracture. This behavior indicates that the high-strength material, despite its hardness, retains some toughness to absorb energy before breaking completely. Thus, dimples on the fracture surface reflect the material’s plasticity and fracture mode transition from fatigue to ductile fracture.

5. Conclusions

This academic study performed variable amplitude fatigue experiments on high-strength bolts with large hexagonal heads, commonly used in bolted flange connection nodes, resulting in 11 sets of fatigue data. The fatigue life of these bolts was assessed using the cumulative damage theory model. Furthermore, the amplitude fatigue S-N curve was calculated using the equivalent force amplitude method. Stress concentration analyses were conducted to identify the locations of maximum stress concentration on the bolts, and both macroscopic and microscopic examinations of the fracture surfaces were carried out. The main conclusions are as follows:
  • The fatigue fractures in high-strength bolts consistently occur at the junction between the exposed threads and the nuts, where stress concentration is most pronounced. This finding aligns with the results obtained from finite element simulations. Fracture analysis indicates that the presence of impurities at the fatigue source can further complicate the stress distribution in this region, exacerbating stress concentration and promoting the origination of the fatigue source;
  • The estimation results from the Corten Dolan model for M12-2 and M12-3 were closer to unity compared to those derived from Miner’s rule, suggesting more accurate predictions. This accuracy can be attributed to the Corten Dolan model’s consideration of the nonlinear characteristics of damage accumulation and the influence of loading sequence, which provides advantages in fatigue analysis for complex loading histories;
  • The allowable stress amplitudes for M12 and M16 high-strength bolts over 2 million fatigue cycles were determined to be 144.21 MPa and 130.31 MPa, respectively. This demonstrates that M12 and M16 bolts, with smaller diameters, offer better amplitude fatigue performance than larger-diameter bolts. This advantage is due to the more uniform internal material structure and lower impurity content achieved in smaller-diameter bolts during the manufacturing process. Additionally, smaller-diameter bolts require a smaller flange area, contributing to material savings. Therefore, in practical engineering design, the use of smaller-diameter bolts can be prioritized;
  • The macroscopic examination of fatigue fractures in high-strength bolts reveals distinct zones: the fatigue crack initiation zone, crack propagation zone, and instantaneous fracture zone. Microscopic observations of the fatigue source region reveal the initiation of fatigue cracks, the presence of parallel bands within the crack propagation zone, and numerous ductile dimples resulting from brittle fractures in the fracture zone. These features are characteristic of fatigue failure.
Nevertheless, this study has certain limitations. Future research should investigate the fatigue life of high-strength bolts under various modes of variable-amplitude loading, such as gradient increase modes. Additionally, the fatigue behavior of high-strength bolts in high-temperature and corrosive environments requires further examination. Lastly, it should also be considered that impurities inside and outside the bolt can also affect its stress distribution and have a negative impact on fatigue life.

Author Contributions

H.N.: Conceptualization, formal analysis, data curation, Writing—original draft. S.Z.: software, resources, project administration. H.L.: validation, funding acquisition, supervision, writing—review and editing. All authors have read and agreed to the published version of the manuscript.

Funding

This research was funded by the National Natural Science Foundation of China (Grant No. 52278198) and Shanxi Construction Investment Group Co., Ltd. (Grant No. RH2300001922).

Data Availability Statement

The original contributions presented in the study are included in the article; further inquiries can be directed to the corresponding author.

Conflicts of Interest

The authors declare no conflicts of interest.

References

  1. Wang, Z.Y.; Zhou, X.F.; Liu, Z.F.; Wang, Q.Y. Fatigue Behaviour of Composite Girders with Concrete-Filled Tubular Flanges and Corrugated Webs—Experimental Study. Eng. Struct. 2021, 241, 112416. [Google Scholar] [CrossRef]
  2. Okorn, I.; Nagode, M.; Klemenc, J.; Oman, S. Analysis of Additional Load and Fatigue Life of Preloaded Bolts in a Flange Joint Considering a Bolt Bending Load. Metals 2021, 11, 449. [Google Scholar] [CrossRef]
  3. Kim, Y.J.; Madugula, M.K.S. Behavior of Bolted Circular Flange Connections Subject to Tensile Loading. Int. J. Steel Struct. 2010, 10, 65–71. [Google Scholar] [CrossRef]
  4. Lee, D.-S.; Kishiki, S.; Yamada, S.; Ishida, T.; Jiao, Y. Experimental Study of Low-Cycle Fatigue Behavior of a Welded Flange-Bolted Web Connection in Steel Moment-Resisting Frames. Earthq. Spectra 2018, 34, 1829–1846. [Google Scholar] [CrossRef]
  5. Abdul Jawwad, A.K.; ALShabatat, N.; Mahdi, M. The Effects of Joint Design, Bolting Procedure and Load Eccentricity on Fatigue Failure Characteristics of High-Strength Steel Bolts. Eng. Fail. Anal. 2021, 122, 105279. [Google Scholar] [CrossRef]
  6. Ji, X.; Zou, T.; Bai, X.; Niu, X.; Tao, L. Fatigue Assessment of Flange Connections in Offshore Wind Turbines under the Initial Flatness Divergence. Front. Energy Res. 2023, 11, 1127957. [Google Scholar] [CrossRef]
  7. Bartsch, H.; Hoffmeister, B.; Feldmann, M. Fatigue Analysis of Welds and Bolts in End Plate Connections of I-Girders. Int. J. Fatigue 2020, 138, 105674. [Google Scholar] [CrossRef]
  8. Liu, Z.; Liang, J.; He, Z.; Liu, X.; Liu, H.; Shao, Z. A Developed Fatigue Analysis Approach for Composite Wind Turbine Blade Adhesive Joints Using Finite-Element Submodeling Technique. Eng. Fail. Anal. 2024, 164, 108701. [Google Scholar] [CrossRef]
  9. Liu, X.; Tan, J.; Long, S. Multi-Axis Fatigue Load Spectrum Editing for Automotive Components Using Generalized S-Transform. Int. J. Fatigue 2024, 188, 108503. [Google Scholar] [CrossRef]
  10. Hu, Q.; Liu, W.; Song, Y.; Li, H.; Zhao, C.; Xiao, M. Influence of Solid Solution Treatment on Fatigue Crack Propagation Behavior in the Thickness Direction of 2519A Aluminum Alloy Thick Plates. Eng. Fract. Mech. 2024, 302, 110069. [Google Scholar] [CrossRef]
  11. Qiu, B.; Lei, H.; Yang, X.; Zhou, Z.; Wang, G. Variable amplitude fatigue test of M30 high-strength bolt in bolt-sphere joint grid structures. Steel Compos. Struct. Int. J. 2019, 33, 433–444. [Google Scholar]
  12. Zhang, S.; Zhou, Z.; Wang, G.; Zhang, L.; Ji, X.; Lei, H. Variable-Amplitude Fatigue Behavior of M30 High-Strength Bolts in End-Plate Connection Joints. Structures 2023, 56, 104903. [Google Scholar] [CrossRef]
  13. GB/T 1228-2006; High Strength Bolts with Large Hexagon Head for Steel Structures. Standardization Administration of China (SAC): Beijing, China, 2006.
  14. ASTM E606/E606M-12; Standard Test Method for Strain-Controlled Fatigue Testing. ASTM International: West Conshohocken, PA, USA, 2012.
  15. GB/T 13682-1992; Metallic Materials—Fatigue Testing—Axial Force Controlled Method. Standardization Administration of China (SAC): Beijing, China, 1992.
  16. ANSI/AISC 360-16; Specification for Structural Steel Buildings. American Institute of Steel Construction (AISC): Chicago, IL, USA, 2016.
  17. BS 7608-2014; Guide to Fatigue Design and Assessment of Steel Products. British Standards Institution (BSI): London, UK, 2014.
  18. GB/T 1229-2006; High-Strength Large Hexagon Nuts for Steel Structures. Standardization Administration of China (SAC): Beijing, China, 2006.
  19. Zhang, X.Q.; Li, H.; Yu, X.L.; Zhou, Y.; Duan, S.W.; Li, S.Z.; Huang, Z.L.; Zuo, L.S. Investigation on Effect of Laser Shock Processing on Fatigue Crack Initiation and Its Growth in Aluminum Alloy Plate. Mater. Des. 2015, 65, 425–431. [Google Scholar] [CrossRef]
  20. Dejun, K.; Hao, L.; Jinchun, W. Effects of Micro Arc Oxidation on Fatigue Limits and Fracture Morphologies of 7475 High Strength Aluminum Alloy. J. Alloys Compd. 2015, 650, 393–398. [Google Scholar] [CrossRef]
  21. Bai, S.; Liu, Z.; Li, Y.; Hou, Y.; Chen, X. Microstructures and Fatigue Fracture Behavior of an Al–Cu–Mg–Ag Alloy with Addition of Rare Earth Er. Mater. Sci. Eng. A 2010, 527, 1806–1814. [Google Scholar] [CrossRef]
  22. Zhang, L.; Lu, J.Z.; Zhang, Y.K.; Luo, K.Y.; Zhong, J.W.; Cui, C.Y.; Kong, D.J.; Guan, H.B.; Qian, X.M. Effects of Different Shocked Paths on Fatigue Property of 7050-T7451 Aluminum Alloy during Two-Sided Laser Shock Processing. Mater. Des. 2011, 32, 480–486. [Google Scholar] [CrossRef]
Figure 1. High-strength bolts with large hexagonal heads for fatigue testing.
Figure 1. High-strength bolts with large hexagonal heads for fatigue testing.
Buildings 14 03736 g001
Figure 2. Schematic diagram of high-strength bolt size (mm): (a) M12 high-strength bolt; (b) M16 high-strength bolt.
Figure 2. Schematic diagram of high-strength bolt size (mm): (a) M12 high-strength bolt; (b) M16 high-strength bolt.
Buildings 14 03736 g002
Figure 3. Steel pipe flange T-shaped connector.
Figure 3. Steel pipe flange T-shaped connector.
Buildings 14 03736 g003
Figure 4. Schematic diagram of a T-shaped connector (mm): (a) Matching M12 high-strength bolt; (b) Matching M16 high-strength bolt.
Figure 4. Schematic diagram of a T-shaped connector (mm): (a) Matching M12 high-strength bolt; (b) Matching M16 high-strength bolt.
Buildings 14 03736 g004
Figure 5. MTS fatigue testing device: (a) Summary diagram of fatigue test device; (b) Installation location diagram for fatigue test.
Figure 5. MTS fatigue testing device: (a) Summary diagram of fatigue test device; (b) Installation location diagram for fatigue test.
Buildings 14 03736 g005
Figure 6. Schematic diagram of gradient descent load loading method.
Figure 6. Schematic diagram of gradient descent load loading method.
Buildings 14 03736 g006
Figure 7. Sinusoidal loading mode of load in fatigue test.
Figure 7. Sinusoidal loading mode of load in fatigue test.
Buildings 14 03736 g007
Figure 8. Variable amplitude fatigue loading results of M12 bolts: (a) M12-1; (b) M12-2; (c) M12-3; (d) M12-4; (e) M12-5; (f) M12-6.
Figure 8. Variable amplitude fatigue loading results of M12 bolts: (a) M12-1; (b) M12-2; (c) M12-3; (d) M12-4; (e) M12-5; (f) M12-6.
Buildings 14 03736 g008
Figure 9. Variable amplitude fatigue loading results of M16 bolts: (a) M16-1; (b) M16-2; (c) M16-3; (d) M16-4; (e) M16-5.
Figure 9. Variable amplitude fatigue loading results of M16 bolts: (a) M16-1; (b) M16-2; (c) M16-3; (d) M16-4; (e) M16-5.
Buildings 14 03736 g009
Figure 10. High-strength bolt variable amplitude fatigue S-N curve: (a) M12 bolt specimen; (b) M16 bolt specimen.
Figure 10. High-strength bolt variable amplitude fatigue S-N curve: (a) M12 bolt specimen; (b) M16 bolt specimen.
Buildings 14 03736 g010
Figure 11. S-N curves for constant amplitude and variable amplitude stress in bolts specimen: (a) M12 bolt specimen; (b) M16 bolt specimen.
Figure 11. S-N curves for constant amplitude and variable amplitude stress in bolts specimen: (a) M12 bolt specimen; (b) M16 bolt specimen.
Buildings 14 03736 g011
Figure 12. Fatigue life of existing high-strength bolts with varying amplitudes.
Figure 12. Fatigue life of existing high-strength bolts with varying amplitudes.
Buildings 14 03736 g012
Figure 13. Abaqus finite element model: (a) High-strength bolts; (b) Nuts; (c) Steel pipe flange T-shaped connector; (d) Overall assembly diagram.
Figure 13. Abaqus finite element model: (a) High-strength bolts; (b) Nuts; (c) Steel pipe flange T-shaped connector; (d) Overall assembly diagram.
Buildings 14 03736 g013
Figure 14. Schematic diagram of stress concentration areas in high-strength bolts.
Figure 14. Schematic diagram of stress concentration areas in high-strength bolts.
Buildings 14 03736 g014
Figure 15. Macroscopic fatigue fracture image: (a) M12-1; (b) M16-1.
Figure 15. Macroscopic fatigue fracture image: (a) M12-1; (b) M16-1.
Buildings 14 03736 g015
Figure 16. Microscopic image of fatigue source: (a) M12-1; (b) M16-1.
Figure 16. Microscopic image of fatigue source: (a) M12-1; (b) M16-1.
Buildings 14 03736 g016
Figure 17. Microscopic image of the fatigue crack propagation zone: (a) M12-1; (b) M16-1.
Figure 17. Microscopic image of the fatigue crack propagation zone: (a) M12-1; (b) M16-1.
Buildings 14 03736 g017
Figure 18. Microscopic image of the transient fault zone: (a) M12-1; (b) M16-1.
Figure 18. Microscopic image of the transient fault zone: (a) M12-1; (b) M16-1.
Buildings 14 03736 g018
Table 1. Equivalent constant amplitude data of high-strength bolts.
Table 1. Equivalent constant amplitude data of high-strength bolts.
Bolt NumberStress AmplitudeFatigue LifeTotal Fatigue LifeFrequencyEquivalent Force Amplitude
M12-149510,77915,3000.70451472.02567
40545210.29549
M12-240532,46382,3230.394337356.26362
31549,8600.605663
M12-340532,463107,3660.302358347.53206
31574,9030.697642
M12-440535,197120,9950.290896343.53345
31574,9030.619059
27010,8950.090045
M12-540532,463223,3790.145327312.29353
31574,9030.335318
270116,0130.519355
M12-631574,903502,5990.149031253.57882
270116,0130.230826
225311,6830.620142
M16-145019,73430,0610.73764439.10775
40510,3270.26236
M16-245019,73433,9730.69559437.30886
40514,2390.30441
M16-340542,94763,4040.51533367.10999
31520,4570.48467
M16-440515,395123,2290.12493323.63683
31588,5130.718281
27019,3210.156789
M16-531588,513439,6600.201321262.72131
270143,1860.325674
225207,9610.473004
Table 2. Fatigue damage calculation results.
Table 2. Fatigue damage calculation results.
BoltDMDC
M12-11.2451.478
M12-21.4011.143
M12-31.5861.198
M12-41.7061.290
M12-51.9351.365
M12-61.2271.238
M16-11.7881.622
M16-21.9461.717
M16-31.9651.806
M16-41.7070.932
M16-52.1241.414
Disclaimer/Publisher’s Note: The statements, opinions and data contained in all publications are solely those of the individual author(s) and contributor(s) and not of MDPI and/or the editor(s). MDPI and/or the editor(s) disclaim responsibility for any injury to people or property resulting from any ideas, methods, instructions or products referred to in the content.

Share and Cite

MDPI and ACS Style

Ni, H.; Zhang, S.; Lei, H. Experimental Study on Variable Amplitude Fatigue Performance of High-Strength Bolts in Steel Structure Flange Connections. Buildings 2024, 14, 3736. https://doi.org/10.3390/buildings14123736

AMA Style

Ni H, Zhang S, Lei H. Experimental Study on Variable Amplitude Fatigue Performance of High-Strength Bolts in Steel Structure Flange Connections. Buildings. 2024; 14(12):3736. https://doi.org/10.3390/buildings14123736

Chicago/Turabian Style

Ni, Huaguang, Shujia Zhang, and Honggang Lei. 2024. "Experimental Study on Variable Amplitude Fatigue Performance of High-Strength Bolts in Steel Structure Flange Connections" Buildings 14, no. 12: 3736. https://doi.org/10.3390/buildings14123736

APA Style

Ni, H., Zhang, S., & Lei, H. (2024). Experimental Study on Variable Amplitude Fatigue Performance of High-Strength Bolts in Steel Structure Flange Connections. Buildings, 14(12), 3736. https://doi.org/10.3390/buildings14123736

Note that from the first issue of 2016, this journal uses article numbers instead of page numbers. See further details here.

Article Metrics

Back to TopTop