Abstract
In order to obtain the calculation model for the local bearing capacity of concrete Fl under two headed bars, six pull-out concrete specimens were prepared. The effect of the net distance between two headed bars c on Fl was mainly investigated. The test results show that the local bearing capacity of concrete would first decrease and then increase with the increase in c, and the boundary point of the two stages was c = 40 mm. It is determined that the stress transformation from the local compression state to the axial compression state in the stress distribution model is characterized by the variation rate of the vertical stress under individual headed bars, which would infinitely approach a constant value. The constant value under individual headed bars is used as the limit value. The height of the vertical stress under two headed bars is modified, and then the height of the tensile region of the specimen with different c values is determined. Combined with the experimental phenomena and the results, two stages of calculation models are established, respectively: the integral calculation model and the individual calculation model. The integral calculation model focuses on the interaction of the compression region under two headed bars. The individual calculation model mainly focuses on the interaction of the tensile region under two headed bars. The calculation equations considering the influence of the height of the tensile region are established. Two groups of similar test data regarding the local bearing capacity were collected and verified as the integral calculation model and the individual calculation model. The average value of the ratio between the test value and the calculated value is 1.057 and 1.061, the standard deviation is 0.153 and 0.091, and the coefficient of variation is 0.055 and 0.086. It is proved that the calculation model proposed in this paper has a certain accuracy. It can provide a reference for calculating the local bearing capacity of concrete under multiple headed bars.
1. Introduction
With the increasingly extensive application of high-strength steel bars in the construction field, the application of high-strength steel bars is of great significance in promoting the scientific development of engineering construction and implementing sustainable development [1,2,3]. However, the anchorage length of high-strength steel bars in concrete is relatively long, which not only increases engineering costs and construction difficulty but also easily causes the phenomenon of node congestion. Reinforcement with headed bars shortens the required anchoring length, alleviates the phenomenon of node congestion, and improves the seismic and stability performance of the node [4,5,6,7]. Therefore, it is of great practical significance to further improve the application study of headed bars in concrete engineering.
Wang conducted pull-out tests with the headed bars [8]. The tests show that the headed bars were sufficient to replace hooks. Wu conducted the pull-out test of concrete specimens with the headed bars [9]. The test shown that the anchorage force of the headed bars was mainly borne by the bond stress of steel bars in the straight anchor section and the bearing action of headed bars. After the steel bars yield, the proportion of the anchorage force borne by the headed bars increases significantly. Vella carried out the application of headed bars in precast concrete [10,11]. The test showed that headed bars can not only reduce the connection distance between precast concrete specimens but also improve construction quality and shorten construction time. Singhal used headed bars instead of dowel bars to act as the connection system at the joints of precast concrete structures [12]. The results showed that the performance of precast concrete wall-columns connected by the headed bars was superior to that of dowel bars.
When the headed bars were compressed, the concrete under the headed bars was also subjected to local compression. The problem of local compression of concrete was first proposed by Bauschinger. Bauschinger conducted experimental studies on natural stone cubes with a side length of 100 mm and proposed an empirical equation for local bearing capacity [13]. Shelson conducted local compression tests with different area ratios Ab/Al, analyzed the failure process based on experimental phenomena, and proposed an equation for the local bearing capacity of concrete [14]. Niyigi considered the influence of the shape of the headed bars and the size of the specimen on the local bearing capacity of concrete, and the size effect was verified in the experiment [15,16]. Williams conducted an experiment to investigate the influence of the height of the specimen on the local bearing capacity of concrete, and the results showed that when the height of the specimen was greater than 1.5 times the width of the specimen, the local bearing capacity of concrete was not affected [17]. Cao carried out the axial local compression tests on concrete specimens [18,19]. Three basic forms of local pressure failure of specimens, and the characteristics of the wedge under different shapes of the headed bars and their formation conditions, are given.
With the development of prestressed technology, high-strength concrete and reactive powder concrete have been widely used in engineering practice. Compared to ordinary concrete, the properties of these modified concretes have changed significantly [20,21,22]. E. Hosseinzadehfard carried out partial substitution of microsilica with natural volcanic ash, which not only provided economic and ecological benefits but also improved the durability of concrete [23]. A large number of scholars have conducted experimental research on the local compression performance of these modified concretes. Cai carried out local compression tests on high-strength concrete specimens [24]. The results showed that the improvement coefficient of the local compression strength of high-strength concrete was significantly lower than that of ordinary concrete. Zhang studied the local compression performance of reactive powder concrete [25]. The study showed that the performance of RPC material was obviously better than that of ordinary concrete material. Zhou conducted local compression tests on reactive powder concrete with holes [26]. The experimental results indicated that reserving holes can significantly reduce the local bearing capacity of reactive powder concrete. Fan conducted local compression tests on RPC specimens with indirect steel bars in a mesh format [27]. The test results showed that the indirect steel bars could not play a full role when the specimens were damaged. R. Balamuralikrishnan compared beams reinforced with externally bonded spent catalyst-based ferrocement laminates to control beams under local compression. The test results showed that the externally bonded ferrocement laminates significantly enhanced the strength under load [28].
A large number of scholars have systematically analyzed and studied the local bearing capacity of concrete under individual headed bars. However, the headed bars appear in the form of multiple headed bars in a certain range in practical engineering, such as the part of the bridge pier cap directly supporting the support plate and the anchoring area of the end of the prestressed concrete member. The dense installation of the headed bars makes the net distance between two headed bars c small, and the concrete area for distributing the bearing overlapped and presented a dense distribution of local compression. At the same time, the bond stress between reinforcement and concrete in the straight anchor section will affect the local bearing capacity [29]. The current specifications or standards in various countries are based on the analysis results for the local bearing capacity of concrete under individual headed bars as the basis for calculation methods. However, there is a lack of standardized systems for the local bearing capacity of concrete under multiple headed bars. In order to further improve the application methods of multiple headed bars in concrete engineering and establish a standardized system, this article mainly focuses on the local bearing capacity of concrete when two headed bars work simultaneously and exhibit a dense state of local pressure. The pull-out test on six specimens with two headed bars was carried out. The influence of c between two headed bars on the local bearing capacity of concrete Fl is studied, and the calculation model for the local bearing capacity of concrete under two headed bars is established.
2. Experimental Program and Results
In order to consider the effect of c on the local bearing capacity of concrete, a pull-out test of six concrete specimens with different net distances between two headed bars c was conducted.
2.1. Specimen Design and Test System
The size of the specimen is 200 mm × 300 mm, and the height is 660 mm. Each specimen is placed with two headed bars. The size of the headed bars is 50 mm × 50 mm, and the thickness is 20 mm. In order to avoid the fracture of the stressed longitudinal reinforcement before the local compression failure of concrete, the prestressed threaded reinforcement with the standard yield strength of 1080 MPa is selected. According to the JGJ256-2011 (Technical Specification for Application of Headed Bars) [30], the nominal area of the reinforcement with the headed bars should not exceed 4.5 times the area of the headed bars, and the nominal diameter of reinforcement d in the specimen is selected as 25 mm. The effective embedded length of reinforcement lah in concrete specimens is 180 mm, and the remaining length of the steel bars inside of the concrete specimens is wrapped with pvc pipe. The illustration of the pull-out specimen is shown in Figure 1.
Figure 1.
Pull-out specimen with multiple headed bars.
As shown in Figure 1, c is the net distance between two headed bars. The parameters of each specimen are shown in Table 1.
Table 1.
Parameters of specimens.
The test setup used for the specimen is composed of a test pedestal, a connection switching device, a center-hole spherical hinge, a center-hole jack, a center-hole pressure sensor, and a high-strength nut. The test setup used for the specimen with multiple headed bars is shown in Figure 2a. The connection switching device can convert two longitudinal steel bars, which are stressed at the same time, into one steel bar. The illustration of the connection switching device is shown in Figure 2b. The loading mode for the pull-out test involves the center-hole jack lifting the cylinder upwards, while a high-strength nut secured at the top restricts the jack’s displacement and transmits the upward pressure to the prestressed threaded steel bar via the connection switching device, thereby pulling the steel bar out until the specimen fails.
Figure 2.
Test setups: (a) drawing of pull-out test; (b) illustration of connection switching device.
2.2. Material Properties
The concrete strength grade fcg in this test is C40. Table 2 provides the mix proportions of the concrete, while Table 3 presents the mechanical properties of the concrete.
Table 2.
Mix proportions of concrete.
Table 3.
Mechanical properties of concrete.
2.3. Experimental Results
The value of the local bearing capacity of concrete Fl is shown in Table 4. Because each specimen is placed with two headed bars, for the purpose of subsequent analysis and research, the average value of the test value under two headed bars is taken as the research object, and the average value effectively reflects the variations in the local bearing capacity of the concrete.
Table 4.
Value of the local bearing capacity Fl.
The variations in the local bearing capacity of concrete Fl with different values of c is shown in Figure 3. With the increase in c, the local bearing capacity of concrete Fl would first decrease and then increase, and the boundary point of the two stages is c = 40 mm. When c < 40 mm, the local bearing capacity of concrete Fl decreases with the increase in the c. When c ≥ 40 mm, the local bearing capacity of concrete Fl increases with the increase in the c. Because the bond stress between the reinforcement and the concrete in the straight anchor section influences the local bearing capacity, according to the existing research [31], the influence of the bond stress on the local bearing capacity is replaced by the enlarged hole. According to our calculations, the enlarged hole diameter d’ is 33.6 mm. Based on the test data and the variations in Fl with c, the stress distribution model and calculation model under local compression are established for further analysis.
Figure 3.
Variations in Fl with c.
3. Establishment and Analysis of Stress Distribution Model
3.1. Stress Distribution Model Under Individual Headed Bars
The stress distribution model is analyzed using a cube model. The size of the model is 2h × 2h × 2h, and the side length of the headed bars is 2a. When the model is subjected to local compression, the stress under the headed bars diffuses some distance before it can be diffused to the full cross-section. During this diffusion process, the local compression-affected area of concrete under the headed bars forms a compression region and a tensile region. The height of the compression region is the side length of the headed bars 2a. The tensile region is the stress diffused to the full cross-section of the specimen in the form of an umbrella, and the height of the tensile region is 2h − 2a. The stress distribution of the local compression of model is shown in Figure 4. The distribution form of the outermost stress curve in the tensile region of the specimen is simplified into a quadratic parabola, which is expressed in a Cartesian coordinate system, as shown in Figure 5.
Figure 4.
Stress distribution under local compression.
Figure 5.
Outermost stress curve in tensile region.
From coordinates (a, 2h − 2a), (h, 0), the equation of the stress curve can be obtained as
When the stress of the model diffuses to the full cross-section under local compression NP, the full cross-section area is the concrete area for distributing the bearing. So, h is 3a. By further simplifying Equation (1), the stress curve equation is obtained as follows:
According to Equation (2), each cross-section side length of the model 2x can be obtained as follows:
The model size is 2h × 2h × 2h, that is, the stress is diffused to each cross-section of the model in a square cross-section with a side length of 2x. Therefore, the stress distribution area of each cross-section of the model is 4x2. According to Equation (3), the cross-section area under individual headed bars of the model A1 is as follows:
Considering that the local compression cannot decay during the load process, the local compression applied to each cross-section of the model is consistent. Therefore, the expression of the average stress of each cross-section in the tensile region of the model σt,avg is
Under local compression NP, the stress diffuses in the compression region in the form of straight lines, that is, each cross-section area in the compression region of the model is equal, and each cross-section area is 4a2. The local compression NP cannot decay during the load process; that is, the NP applied to each cross-section of the model is consistent. Therefore, the expression of the average stress of each cross-section in the compression region of the model σc,avg is
According to Equations (5) and (6), the average stress of each cross-section in the compression region and the tensile region of the model can be obtained under local compression NP. The stress curve in different cross-sections of the model can be obtained. The stress curve is shown in Figure 6.
Figure 6.
Stress curves in different cross-sections under individual headed bars.
According to the stress curves in different cross-sections, as shown in Figure 6, the σc,avg in the compression region of the model is equal, while the σt,avg in the tensile region of the model gradually weakens as the stress diffuses to the full cross-section. The stress variation rate reflects the stress variation trend of each cross-section. The σt,avg has a large change trend in the initial transfer process of the tensile region, and the curve change amplitude is large. As the stress continues to diffuse downward along the tensile region of the model, the σt,avg changes less, and the curve changes the amplitude less. When the stress is about to diffuse to the full cross-section, the change trend of the σt,avg is minimal, and the change amplitude of the curve tends to remain unchanged. When y = 0, the stress of the full cross-section σ0 can be obtained from Equation (5). Take the height of the smaller distance from the full cross-section as y1, and the σy1 can be obtained using Equation (5). Then, the stress variation rate δ1 that stress is about to diffuse to the full cross-section is
3.2. Stress Distribution Model Under Two Headed Bars
Similarly to individual headed bars, when two headed bars are jointly stressed, the stress first diffuses in the compression region of the model, and then it diffuses in the tensile region in the form of an umbrella until the full cross-section. When c is twice or more than twice the side length of the headed bars, the stress under two headed bars cannot overlap; therefore, the σt,avg of each cross-section in the tensile region is not affected. At this time, the stress under two headed bars of the model is considered according to the stress under individual headed bars. When c is greater than 0 mm but less than twice the side length of the headed bars, the overlapped area of stress under two headed bars decreases from the maximum with the increase in the c. Due to the influence of overlapping stress under two headed bars, the σt,avg of each cross-section in the tensile region under two headed bars will be larger than the σt,avg under individual headed bars. In this case, the stress of different cross-sections under two headed bars will be formed, and the change trend of σt,avg and σc,avg will be formed. The stress under two headed bars is also a process of diffusion to the full cross-section. Different to individual headed bars, the stress change trend of σt,avg keeps a relatively long distance unchanged in the tensile region when stress diffuses to the full cross-section under two headed bars. So, it is considered that the stress has diffused to the full cross-section in advance. The stress diffused to the full cross-section when the stress variation trend is under two headed bars is equal to the stress variation trend under individual headed bars. That is, the stress variation rate under two headed bars is the same as the stress variation rate δ1 under individual headed bars.
The size of the model is 4h × 2h, and the height is 4h. The headed bars are square, and the side length is 2a. Under local compression 2NP, the stress first diffuses 2a in the compression region and then diffuses to the tensile region in the form of an umbrella. The model is shown in Figure 7.
Figure 7.
Stress distribution of local compression.
It can be seen from Figure 7 each cross-section area in the tensile region of the model in the process of local compression. Each cross-section area is composed of the distance between the outermost curves of stress under two headed bars and individual headed bars. The distance between the outermost curves of the stress under individual headed bars is 2x. The distance between the outermost curves of stress under two headed bars is the sum of the distance between the outermost curves of stress under individual headed bars and the side length of the headed bars and c. That is, 2x + 2a + c. Therefore, the stress distribution area of each cross-section of the model is 4x2 + 4ax + 2cx. It can be concluded that each cross-section area of the model A2 is
Under local compression 2NP, the 2NP applied to each cross-section of the model is consistent. The expression of σt,avg of each cross-section in tensile region of the model is
Due to the influence of overlapping stress under two headed bars, the stress diffuses to the full cross-section earlier. According to Equation (9), the stress of each cross-section in the tensile region of the model σt,avg can be obtained under local compression 2NP, and the stress of each cross-section in the compression region of the model σc,avg is equal to σc,avg under individual headed bars. The stress curve in different cross-sections of the model can be obtained. The height of stress diffused to the full cross-section under two headed bars is set as y2, and the height y3 is taken as the shorter distance from the y2. The stress curve is shown in Figure 8. The stress variation rate δ2 is
Figure 8.
Stress curve in different cross-sections under two headed bars.
According to Equations (7) and (10), the expression of the stress variation rate δ2 under two headed bars, which is consistent with the stress variation rate δ1 under individual headed bars when the stress is about to diffuse to the full cross-section, can be obtained as follows:
When the stress is about to diffuse to the full cross-section under individual headed bars, the distance from the full cross-section is shorter, and the height is y1. When the stress is under two headed bars, the distance between two cross-sections can be determined as y1, and then y3 = y2 + y1. The modified Equation (11) can be obtained as follows:
According to Equation (12), the height of stress diffusion under two headed bars to the full cross-section y2 can be calculated so as to determine the height of the tensile region of the model. When c = 0, two headed bars are fitted together, and the height of the tensile region of the model can be determined based on individual headed bars. The size of the headed bars is 4a × 2a. Under local compression, the height of the compression region is 2a, and the height of the tensile region is 6a. When c is greater than 0, the height of the tensile region ht is defined as the different value between the height of the tensile region when c = 0 and the height of stress diffusion under two headed bars to the full cross-section y2, that is, 6a−y2. Take the distance between the two cross-sections y1 as 1 mm, and calculate the height of the tensile region ht of each specimen in this test according to Equation (12), as shown in Table 5.
Table 5.
Height of the tensile region ht of each specimen.
4. Establishing the Calculation Model and Analysis
4.1. Integral Calculation Model
When c < 40 mm, under local compression, the concrete between two headed bars will be subjected to horizontal compressive stress. The small value of c makes the concrete between two headed bars more affected by the horizontal compressive stress. The concrete under two headed bars and between them merge into a large wedge shape and form a shell structure underneath. With the increase in local compression, the tensile stress in the tensile region reaches the tensile strength of concrete ft, cracks appear in the tensile region, and the shell structure begins to fail. Finally, a longitudinal crack runs through tensile region until the specimen is damaged.
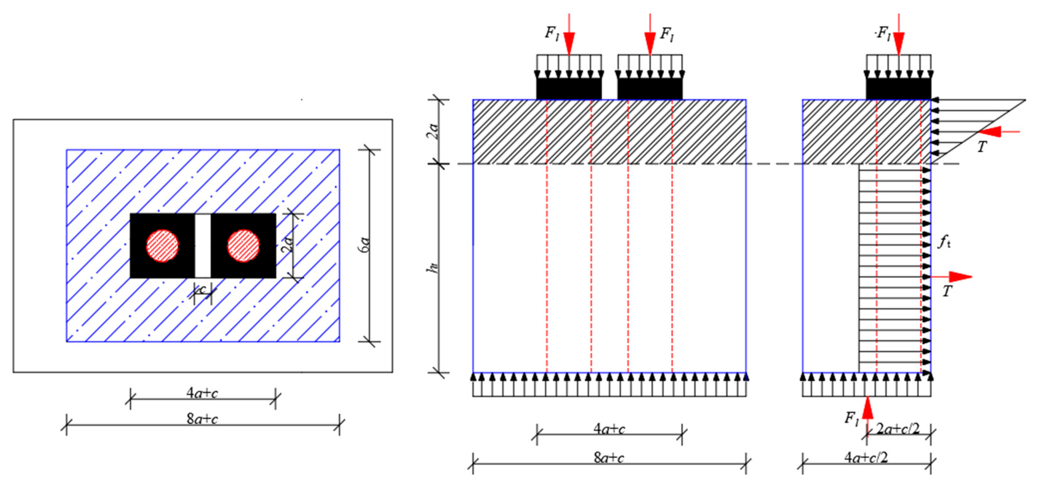
With the increase in c, the influence of the horizontal compressive stress in the compression region will be greatly reduced, thus affecting the integrity of the concrete under two headed bars and the concrete between them. Therefore, the local bearing capacity of the concrete of each specimen is considered according to the concrete under two headed bars and between them, which work as a whole, and Fl decreases with the increase in c. The calculation method in reference [32] is used to analyze the stress distribution of concrete when the specimens reach the limit state, and half of the specimens were taken as isolated bodies. The integral calculation diagram of concrete is shown in Figure 9.
Figure 9.
Integral calculation diagram of concrete.
The stress balance equation of concrete can be obtained according to the calculation diagram of concrete:
c/2a is the ratio of the net distance between two headed bars and the side length of the headed bars. When c/2a < 0.8, based on the superposition of Equations (13) and (14), the expression of the local bearing capacity of concrete is as follows:
The height of the tensile region ht calculated in Table 5 is substituted into Equation (15), and the recalculated value of Fl, the test value, and γ (the ratio of the test value to the calculated value) are shown in Table 6.
Table 6.
Calculation values of Fl and test values.
4.2. Each Individual Calculation Model
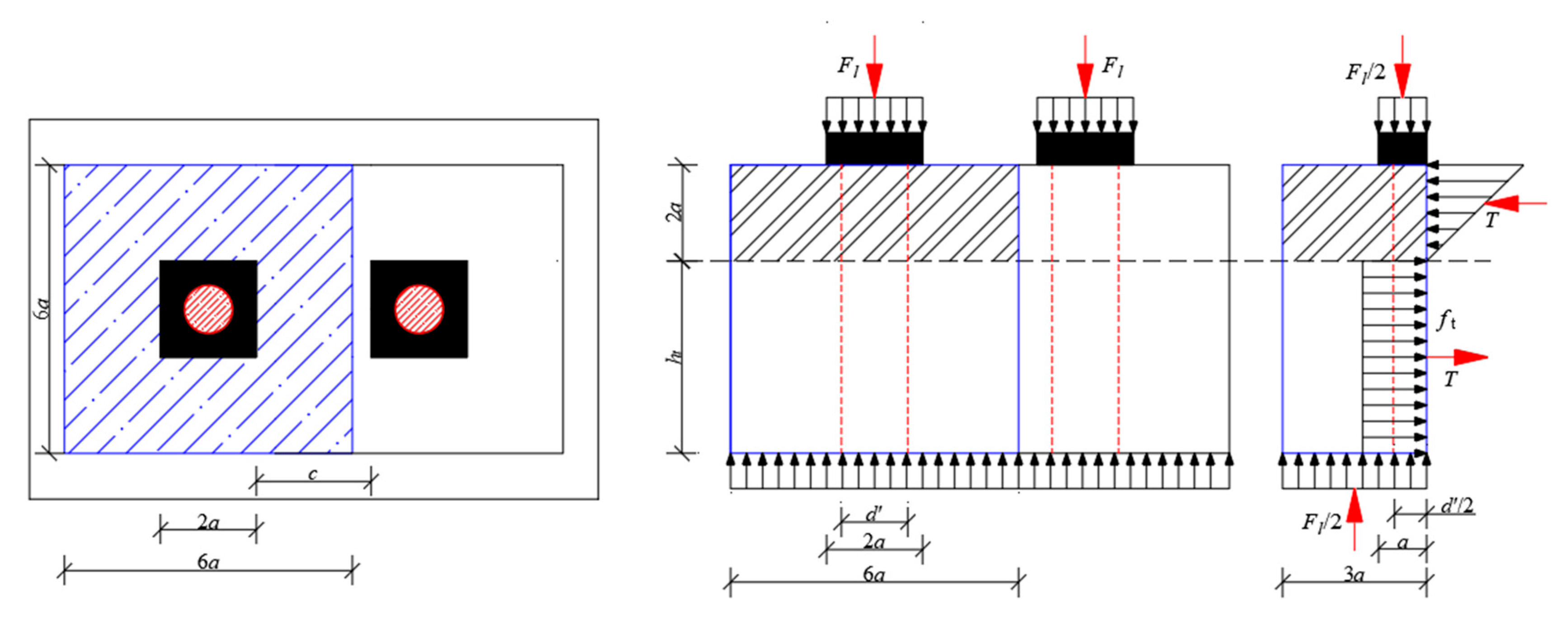
When c ≥ 40 mm, under local compression, the concrete between two headed bars will also be subjected to horizontal compressive stress. The large value of c makes the effect of horizontal compressive stress on the concrete between two headed bars relatively small, and the concrete under two headed bars and between them will not merge into a large wedge shape. With the increase in local compression, concrete wedges will be formed under individual headed bars, and shell structures will be formed under them. When the local bearing capacity of concrete reaches a certain threshold, the tensile stress in the tensile region reaches the tensile strength of concrete ft, cracks appear in the tensile region, and shell structures are damaged. Finally, longitudinal cracks run through the tensile region until the specimen is damaged.
With the increase in c, the influence of horizontal compressive stress on the concrete between two headed bars is less, and the concrete under two headed bars and between them do not work as a whole. The local bearing capacity of the concrete of each specimen is calculated separately according to individual headed bars. Similarly to the integral calculation model, the concrete stress distribution when the specimens reached the limit state was analyzed, and half of the specimens were taken as isolated bodies. The individual calculation diagram of the concrete is shown in Figure 10.
Figure 10.
Each individual calculation diagram of concrete.
The stress balance equation of concrete can be obtained according to the calculation diagram of concrete:
Based on the superposition of Equations (16) and (17), the expression of the local bearing capacity of concrete is as follows:
The height of the tensile region ht calculated in Table 5 is substituted into Equation (18), and the recalculated value of Fl and the test value are shown in Table 7.
Table 7.
Calculation values of Fl and test values.
The recalculated value of Fl has different variation trends with the test value in Table 7. When c ≥ 40 mm, the concrete under two headed bars and between them do not work as a whole, and when the specimens reach the limit state, the tensile stress in the tensile region under the headed bars reaches the tensile strength of the concrete ft. So, the tensile strength of the concrete ft in the tensile region under individual headed bars is composed of two parts. One part is the circumferential tensile stress of the self-tensile region ft1, and the other part is the tensile stress provided by the tensile region of the other headed bars ft2. With the increase in c, the circumferential tensile stress in the self-tensile region increases, and the tensile stress provided by the tensile region of the other headed bars decreases. So, Fl increases as the value of c increases.
Considering that when the specimen reaches the limit state, the local bearing capacity of concrete under individual headed bars is affected by the tensile stress in its own tensile region and the tensile stress in the other tensile region, it is necessary to re-determine the ft of Equation (18). This is because when c ≥ 40 mm, the local bearing capacity of the specimen was calculated according to the individual calculation model. Therefore, when c = 40 mm, the tensile stress in the tensile region of concrete under individual headed bars is consistent with the other individual headed bars. With the linear increase in c, the circumferential tensile stress in the tensile region under individual headed bars keeps increasing linearly, while the tensile stress in the tensile region under the other headed bars keeps decreasing linearly, until the stress in the tensile region under two headed bars does not overlap, and the tensile stress in the tensile region of concrete under the headed bars reaches the limit state and returns to ft. The Fl value recalculated by ft1, the test value, and γ (the ratio of the test value to the calculated value) are shown in Table 8.
Table 8.
Calculation values of Fl and test values.
The equation of ft1 with c/2a can be expressed as follows:
When c/2a ≥ 0.8, considering the influence of ft1 on the local bearing capacity of concrete in the individual calculation model, the ft in Equation (18) is modified to ft1 in Equation (19), and the expression of the local bearing capacity of concrete can be represented as follows:
5. Model Verification
As a total of six concrete pull-out specimens with the same concrete strength grade were used in this test, this would make the verification of the calculation model limited. In order to make the calculation model more convincing, similar test data regarding the local bearing capacity of concrete based on different factors were collected for verification [33]. In order to verify the integral calculation model, eight pieces of test data were collected for verification. In order to verify the individual calculation model, four pieces of test data were collected for verification.
5.1. Verification of the Integral Calculation Method
To verify the integral calculation model, eight pieces of test data were collected. The type of headed bars is a rectangular plate, the size of the rectangular plate is 110 mm × 150 mm, the thickness of the rectangular plate is 20 mm, and there is a reserved circular hole with a diameter of 50 mm under the plate. The dimensions of specimen with the rectangular plate are shown in Figure 11a.
Figure 11.
(a,b) Dimensions of specimens with the rectangular plate.
Because the headed bars in this test are square, they differ from rectangular plates. There is also a difference in terms of the parameter of c/2a. When rectangular plates are used, c/2a is the ratio of the net distance between two headed bars c and the length of the shorter side of the rectangular plate. It is considered that the length of the shorter side can obtain a larger value of c/2a so that the value of c/2a is 0.091 when rectangular plates are used. Therefore, the use of rectangular plates conforms to the application range of the integral calculation model. Equation (12) is used to calculate the height of the specimen when stress reaches the full cross-section so as to determine the height of the tensile region of the model. Considering that the tensile stress in the tensile region reaches ft, the local bearing capacity of the concrete is calculated. The recalculated local bearing capacity of the concrete according to Equation (18) and the test values are shown in Table 9.
Table 9.
Calculation values of Equation (18) and α values.
It can be seen from the comparison between the test data and the calculated value of the local bearing capacity of concrete that the average value of α (ratio of the test value to the calculated value) is 1.057, the standard deviation is 0.153, and the coefficient of variation of α is 0.145. The recalculated results are in good agreement with the test results, which shows that the integral calculation method proposed in this paper is feasible.
5.2. Verification of the Each Individual Calculation Method
To verify the individual calculation model, four pieces of test data were collected. The type of headed bars is a rectangular plate, the size of the rectangular plate is 80 mm × 150 mm, and the thickness of the rectangular plate is 20 mm. There is a reserved circular hole with a diameter of 50 mm under the plate. The dimensions of the specimen with the rectangular plate is shown in Figure 11b.
When rectangular plates are used, c/2a is the ratio of the net distance between the headed bars c and the length of the shorter side of the rectangular plate. It is considered that the length of the shorter side can obtain a larger value of c/2a so that the value of c/2a is 0.875 when rectangular plates are used. Therefore, the use of rectangular plates conforms to the application range of the individual calculation model. Equation (12) is used to calculate the height of the specimen when stress reaches the full cross-section so as to determine the height of the tensile region of the model. When the test specimens reach the limit state, the tensile stress in the tensile region under individual headed bars is composed of two parts. One part is the circumferential tensile stress of the self-tensile region, and the other part is provided by the tensile region of the other headed bars. Because the tensile strength of concrete ft with test data is 2.7 Mpa, it can be seen that ft1 is 1.43 Mpa when c/2a is 0.875 through the change relation with ft1 and c/2a. Considering that the tensile stress in the tensile region reaches the tensile strength of concrete ft1, the recalculated local bearing capacity of the concrete according to Equation (20) and the test values are shown in Table 10.
Table 10.
Calculation values of Equation (20) and β values.
It can be seen from the comparison between the test data and the calculated value of the local bearing capacity of concrete that the average value of β (ratio of the test value to the calculated value) is 1.061, the standard deviation is 0.091, and the coefficient of variation of α is 0.086. The recalculated results are in good agreement with the test results, which shows that the individual calculation method proposed in this paper is feasible.
6. Conclusions
To evaluate the effect of the net distance between the headed bars c on the local bearing capacity of concrete, six concrete pull-out specimens were tested. Through an analysis of the test data and the establishment of the model, the following conclusions are reached.
- It is determined that the stress transformation from the local compression state to the axial compression state in the stress distribution model is characterized by the variation rate of vertical stress under individual headed bars, which would infinitely approach a constant value. The constant value under individual headed bars is used as the limit value. The height of vertical stress under two headed bars is modified, and then the height of the tensile region of the specimen with different values of c is determined.
- Based on the modified vertical stress height under two headed bars, combined with the test phenomenon and the failure mechanism, the integral calculation model is established. The integral calculation model, which mainly considers the interaction of the compression region under two headed bars, is established.
- Based on the modified vertical stress height under two headed bars, combined with the test phenomenon and the failure mechanism, the individual calculation model is established. The individual calculation model, which mainly considers the interaction of the tensile region under two headed bars, is established.
- Similar test data regarding the local bearing capacity of concrete based on different factors were collected for verification. The local bearing capacity of concrete is recalculated through the calculation model. The calculation results are in good agreement with the test results, indicating that there was a certain accuracy for the proposed calculation models. It can provide a basis for further studying the local bearing capacity of concrete under multiple headed bars.
Author Contributions
Conceptualization, T.M. and C.L.; methodology, T.M. and Y.Z.; formal analysis, T.M., C.L., S.Z., D.J., R.Q., Y.Z., M.Z. and B.W.; investigation, T.M., C.L., S.Z., D.J., R.Q., Y.Z., M.Z. and B.W.; resources, T.M.; data curation, T.M. and C.L. All authors have read and agreed to the published version of the manuscript.
Funding
The study described in this paper was financially supported by the Natural Science Foundation of Jilin Province (Grant No. YDZJ202401575ZYTS), the Technology Research Project of the Education Department of Jilin Province (Grant No. JJKH20230339KJ), and the Key Laboratory of Architectural Cold Climate Energy Management, Ministry of Education, Jilin Jianzhu University.
Data Availability Statement
Data will be made available upon request.
Acknowledgments
Thank you very much for the encouragement and support of the teachers and students in the research group. Thanks to your help, the writing of this paper was successfully completed.
Conflicts of Interest
The authors declare no conflicts of interest and have no known competing financial interests or personal relationships that could have appeared to influence the work reported in this paper.
References
- Jeffrey, M.R.; Santigo, P. Reconsidering the use of high-strength reinforcement in concrete columns. Eng. Struct. 2012, 37, 135–142. [Google Scholar]
- Liu, B.; Jiang, Y.T. Enhancing performance and sustainability: CRB600H high-strength reinforcement in recycled concrete. Sustain. Mater. Technol. 2024, 39, e00788. [Google Scholar] [CrossRef]
- Zhang, X.W.; Rong, X. Experimental evaluation on the seismic performance of high-strength reinforcement beam-column joints with different parameters. Structures 2023, 51, 1591–1608. [Google Scholar] [CrossRef]
- Abed, H.S.; Abed, J.M.; Al-rawe, H.S. Anchorage behavior of headed bars in reinforced concrete beams. Structures 2021, 29, 1954–1959. [Google Scholar] [CrossRef]
- Lee, H.J.; Yu, S.Y. Cyclic response of exterior beam-column joints with different anchorage methods. ACI Struct. J. 2009, 106, 319–339. [Google Scholar]
- Zhao, Z.Z.; Han, W.L.; Qian, J.R. Seismic behavior of assembled monolithic beam-column exterior joints with beam longitudinal rebars anchored by heads. J. Harbin Inst. Technol. 2016, 36, 19–27. [Google Scholar]
- Shin, H.; Yang, J.M.; Yoon, Y.S. Enhancing seismic performance of exterior R.C. Beam-column connections using headed bars. J. Korea Inst. Struct. Maint. Insp. 2011, 15, 186–194. [Google Scholar]
- Wang, M.; Fu, J.P.; Zhu, A.P. Experimental research on beam-column joints with beam rebars anchored by heads or 90-degree hooks. J. Build. Struct. 2013, 34, 128–136. [Google Scholar]
- Wu, G.B.; Lee, Z.B. Experiment Study on Mechanical Anchorage Strength of Headed Reinforcement by Pull-out. Build. Sci. 2010, 26, 1–5. [Google Scholar]
- Vella, J.P.; Vollum, R.L.; Jackson, A. Flexural behaviour of headed bars connections between precast concrete panels. Constr. Build. Mater. 2017, 154, 236–250. [Google Scholar] [CrossRef]
- Vella, J.P.; Vollum, R.L.; Kotecha, R. Headed bars Connections Between Precast Concrete Elements: Design Recommendations and Practical Applications. Structures 2018, 15, 162–173. [Google Scholar] [CrossRef]
- Singhal, S.; Chourasia, A.; Parashar, J. Anchorage behaviour of headed bars as connection system for precast reinforced concrete structural components. Structures 2020, 27, 1405–1418. [Google Scholar] [CrossRef]
- Bauschinger, J. Tests with Blocks of Natural Stone; Technical Report; Mechanical and Technical Laboratory, Technical University of Munich: Munich, Germany, 1876. [Google Scholar]
- Shelson, W. Bearing capacity of concrete. ACI Struct. J. 1957, 54, 405–414. [Google Scholar]
- Niyogi, S.K. Bearing strength of concrete—Geometric variations. J. Struct. Div. 1973, 99, 1471–1490. [Google Scholar] [CrossRef]
- Niyogi, S.K. Bearing strength of concrete—Support, mix, size effect. J. Struct. Div. 1974, 100, 1685–1702. [Google Scholar] [CrossRef]
- Williams, A. The Bearing Capacity of Concrete Loaded over a Limited Area; Cement and Concrete Association: London, UK, 1979. [Google Scholar]
- Cao, S.Y.; Yang, X.K.; Niu, C.R. Experimental study on local bearing failure and strength of concrete under axial local pressure. J. Harbin Inst. Technol. 1980, 1, 61–73. [Google Scholar]
- Cao, S.Y.; Yang, X.K. Working mechanism and strength theory of concrete under local pressure. J. Harbin Inst. Technol. 1982, 3, 44–53. [Google Scholar]
- Wang, C.L.; Xue, G.J.; Zhao, X.B. Influence of Fiber Shape and Volume Content on the Performance of Reactive Powder Concrete (RPC). Buildings 2021, 11, 286. [Google Scholar] [CrossRef]
- Abdenour, K.; Djilali, B.; Abderrahim, B. Glass powder admixture effect on the dynamic properties of concrete, multi-excitation method. Struct. Eng. Mech. 2020, 74, 671–678. [Google Scholar]
- Miguel, A.S.; Carmen, A. Reactive Powder Concrete: Durability and Applications. Appl. Sci. 2021, 11, 5629. [Google Scholar] [CrossRef]
- Hosseinzadehfard, E.; Mobaraki, B. Investigating concrete durability: The impact of natural pozzolan as a partial substitute for microsilica in concrete mixtures. Constr. Build. Mater. 2024, 419, 135491. [Google Scholar] [CrossRef]
- Cai, S.H.; Xue, L.H. Local bearing strength of high-strength concrete. J. Civ. Eng. 1994, 27, 52–61. [Google Scholar]
- Zhang, L.N.; Ba, F.; Zhang, W. The test study on local compressive performance of RPC. Ind. Constr. 2009, 39, 939–942. [Google Scholar]
- Zhou, W.; Hu, H.B. Analysis on bearing capacity and behavior of reactive power concrete with empty concentric duct under local pressure. Eng. Mech. 2014, 31, 119–128. [Google Scholar]
- Fan, M.M.; Zheng, W.Z.; Li, S.; Wang, Y. Experimental study on local compressive capacity of RPC with high strength mesh transverse reinforcement. J. Build. Struct. 2022, 10, 109673. [Google Scholar]
- Balamuralikrishnan, R.; Al-Mawaali, A.S.H.; Al-Yaarubi, M.Y.Y.; Al-Mukhaini, B.B.; Kaleem, A. Seismic Upgradation of RC Beams Strengthened with Externally Bonded Spent Catalyst Based Ferrocement Laminates. HighTech Innov. J. 2023, 4, 1. [Google Scholar] [CrossRef]
- Djamaluddin, R.; Irmawaty, R.; Hamzah, S.; Ngeljaratan, L.N. Effect of Bonding Area on Bond Stress Behavior of GFRP Bars in Concrete. Civ. Eng. J. 2023, 9, 123–140. [Google Scholar]
- JGJ256-2011; Technical Specification for Application of Headed Bars. China Architecture & Building Press: Beijing, China, 2011.
- Miao, T.M.; Zheng, W.Z. Local bearing capacity of concrete under the combined action of pressure force and bond stress. Constr. Build. Mater. 2019, 226, 152–161. [Google Scholar] [CrossRef]
- Miao, T.M.; Yang, J.; Zhou, Y. Model for calculating local bearing capacity of concrete with spiral stirrups. Constr. Build. Mater. 2023, 389, 131762. [Google Scholar] [CrossRef]
- Liu, Y.Y.; Guan, J.G. Local Bearing Capacity of Concrete and Reinforced Concrete; Building Science Research Report; China Academy of Building Research: Beijing, China, 1982; pp. 1–47. [Google Scholar]
Disclaimer/Publisher’s Note: The statements, opinions and data contained in all publications are solely those of the individual author(s) and contributor(s) and not of MDPI and/or the editor(s). MDPI and/or the editor(s) disclaim responsibility for any injury to people or property resulting from any ideas, methods, instructions or products referred to in the content. |
© 2024 by the authors. Licensee MDPI, Basel, Switzerland. This article is an open access article distributed under the terms and conditions of the Creative Commons Attribution (CC BY) license (https://creativecommons.org/licenses/by/4.0/).










