Evaluation of the Dynamic Parameters Under Seismic Conditions for a Maxwell Rheological Base Isolation System
Abstract
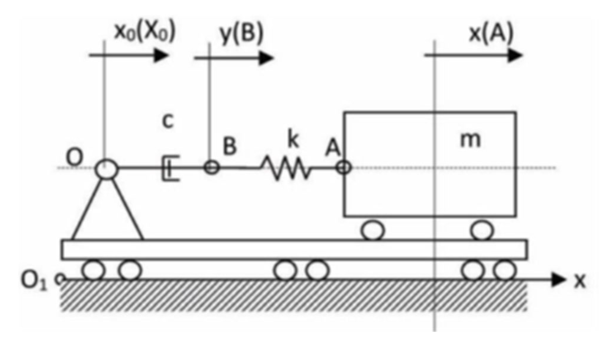
1. Introduction
2. System Amplitudes
3. The Instantaneous Deformation of the Viscous Equivalent Damper
4. The Maximum Transmitted Force
5. The Kinematic Transmissibility
6. The Dissipated Energy
7. Conclusions
- a.
- The amplitude of the total deformation of the fluidic antiseismic systems can be calculated with relation (22) or (23). This is dependent on the amplitude of the first seismic excitation mode, the first order pulsation of the seismic signal spectrum ɷ, the structural sizes of the base isolation system k, c, and the mass m of the building.
- b.
- The maximum force transmitted to the superstructure expressed by is given by relation (25) and is proportional to the amplitude and the dynamic stiffness of the viscoelastic system .
- c.
- The kinematic transmissibility denoted by is directly influenced by the damping c or the fraction of the critical damping as it results from relations (27) and (28).
- d.
- The dissipated energy can be calculated with relation (32), which essentially depends on , , , and k, namely on the excitation factors (, ) and the structure of the insolation system (, k). It is also added that the dissipated energy must be evaluated at the maximum value because the temperature corresponding to the heat transport to the outside can lead to sudden expansions of the piston in the cylinder with mechanical blockages.
Author Contributions
Funding
Data Availability Statement
Conflicts of Interest
References
- Yao, D.; Mohit, B.; Murtaza, H. Seismic response of base-isolated buildings: Exploring isolator properties. Asian J. Civ. Eng. 2024, 25, 4197–4209. [Google Scholar]
- Bratu, P. Variety of rheological models used in the isolation of the base for earthquake challenged constructions. ACTA. Napoc. 2020, 63, 119–122. [Google Scholar]
- Bratu, P.; Vasile, O.; Spanu, C.G. The Analyses of Insulation Systems based on Hooke-Voight Kelvin Dynamic Rheological model. J. Vib. Eng. Technol. 2017, 5, 255–262. [Google Scholar]
- Potîrniche, A. Assessments Regarding Effective Configurations of Vibration Isolators Based on Displacements Analysis. J. Vib. Eng. Technol. 2015, 12, 126–131. [Google Scholar]
- Bratu, P.; Tonciu, O.; Dobrescu, C.F.; Vasile, O. The Dynamic Response of the Vibrating System in the Case of the Maxwell Rheological Model. In International Conference on Acoustics and Vibration of Mechanical Structures—2023; Springer: Berlin, Germany, 2024; Volume 302. [Google Scholar] [CrossRef]
- Bratu, P.; Dobrescu, C.-F. Dynamic Response of Zener–Modelled Linearly Viscoelastic Systems under Harmonic Excitation. Symmetry 2019, 11, 1050. [Google Scholar] [CrossRef]
- Ranbeer, T.; Aditya, K.-T. Comparative study on the effectiveness of fluid viscous dampers and base isolation: An approach toward enhancing seismic performance of composite structures. Innov. Infrastruct. Solut. 2023, 8, 267. [Google Scholar]
- Popa, S.A. Analysis of the Performances of Elastomeric Anti-Seismic Devices as Part of the Dynamic Isolation Systems of the Base; Romanian Academy, Institute of Solid Mechanics: București, Romania, 2020. [Google Scholar]
- Dobrescu, C.-F. Seismic Behavior of a Base-Isolated Building with Simultaneous Translational and Rotational Motions During an Earthquake. Buildings 2024, 14, 3099. [Google Scholar] [CrossRef]
- Lopez-Almansa, F.; Piscal, C.M.; Carrillo, J.; Leiva-Maldonado, S.L.; Moscoso, Y.F.M. Survey on Major Worldwide Regulations on Seismic Base Isolation of Buildings. In Advances in Civil Engineering; Publisher Wiley Online: Hoboken, NJ, USA, 2022. [Google Scholar]
- Soluzioni Ingegneristiche Sperimentali Antiseismiche-SISMALAB, Italy; Test Report 00120/2018 for PS 1500/1300 Device; FPC: Milan, Italy, 2018.
- Soluzioni Ingegneristiche Sperimentali Antiseismiche-SISMALAB, Italy; Test Report 000133/2018 for Fluid Viscous Damper 160 kN ± 40 mm; TEC Group: Pleasanton, CA, USA, 2018.
- Bratu, P.; Dobrescu, C.F.; Nitu, M.-C. Dynamic Response Control of Linear Viscoelastic Materials as Resonant Composite Rheological Models. Rom. J. Acoust. Vib. 2023, 20, 73–77. [Google Scholar]
- Vasile, O. Active Vibration Control for Viscoelastic Damping Systems under the Action of Inertial Forces. Rom. J. Acoust. Vib. 2017, 14, 54–58. [Google Scholar]
- Polidor, B.; Stuparu, A.; Popa, S.; Voicu, O.; Iacob, N.; Spânu, G. The dynamic isolation performances analysis of the vibrating equipment with elastic links to a fixed base. ACTA Technol. Napoc. Appl. Math. Mech. Eng. 2018, 61, 23–28. [Google Scholar]
- Bratu, P. Base isolation and dissipation systems subjected to seismic action. In Proceedings of the International Conference. Constructions, Cluj-Napoca, Romania, 9–10 May 2008. [Google Scholar]
- Bratu, P.; Mitu, A.M.; Vasile, O. Dissipation Capacity Evaluation for Neoprene Anti-Seismic Isolators Under Harmonic Dynamic Excitations. Rom. J. Acoust. Vib. 2011, 8, 67–71. [Google Scholar]
- Bratu, P.; Dragomir, C.S.; Dobre, D. Assessment of the Compound Damping of a System with Parallelly Coupled Anti-Seismic Devices. Buildings 2024, 14, 2422. [Google Scholar] [CrossRef]
- Bratu, P. Modal Amortization Rate Equivalent to a Structural System with Elastomer Insulators. Rom. J. Acoust. Vib. 2020, 17, 27–31. [Google Scholar]
- Ciuncanu, M. Test performance evaluation for elastomeric anti-seismic devices on specialized stands with controlled generation excitation functions. In Proceedings of the 22th International Congress on Sound and Vibration, Florance, Italy, 12–16 July 2015. [Google Scholar]
- Murzea, P. Alternative Kinematic Assumptions for the Motions of Structures with Multiple Dynamic Degrees of Freedom Subjected to Seismic Actions. Rom. J. Acoust. Vib. 2014, 11, 53–58. [Google Scholar]
- Potîrniche, A.; Năstac, S. Functional correlations regarding passive isolation of symmetrical systems. ACTA Technol. Napoc. Ser. Appl. Math. Mech. Eng. 2013, 56, 777–785. [Google Scholar]
- D’Amato, M.; Laguardia, R.; Gigliotti, R. Seismic Retrofit of an Existing RC Building with Isolation Devices Applied at Base. Front. Built Environ. 2020, 6, 82. [Google Scholar] [CrossRef]
- Tonciu, O.; Bratu, P. Evaluation of the energetic parameters of viscous dissipation for dynamic systems excited in the harmonic regime. Acta Technol. Napoc. Ser. Appl. Math. Mech. Eng. 2023, 66, 367–374. [Google Scholar]
- Di Egidio, A.; Contento, A. Seimic performance of two rigid blocks coupled through a Maxwell visco-elastic device. Eng. Struct. 2024, 301, 117319. [Google Scholar] [CrossRef]
- Nawaz, Z.; Mohan, S. Performance of low-cost unreinforced elastomeric isolator for masonry building: Experimental investigations and numerical analysis. Structures 2024, 63, 106365. [Google Scholar] [CrossRef]
- Nawaz, Z.; Mohan, S. Development of low-cost base isolation technique using multi-criteria optimization and its application to masonry building. Soil Dyn. Earthq. Eng. 2023, 172, 108024. [Google Scholar] [CrossRef]
- Bratu, P.; Vasile, O. Dynamic Behavior of Vibratory System to Discrete Variation of Viscous Damping in Linear Viscoelastic Material Processing Technologies. In Acoustics and Vibration of Mechanical Structures—AVMS-2023; Springer: Berlin, Germany, 2024; Volume 302, pp. 49–58. [Google Scholar]




Disclaimer/Publisher’s Note: The statements, opinions and data contained in all publications are solely those of the individual author(s) and contributor(s) and not of MDPI and/or the editor(s). MDPI and/or the editor(s) disclaim responsibility for any injury to people or property resulting from any ideas, methods, instructions or products referred to in the content. |
© 2024 by the authors. Licensee MDPI, Basel, Switzerland. This article is an open access article distributed under the terms and conditions of the Creative Commons Attribution (CC BY) license (https://creativecommons.org/licenses/by/4.0/).
Share and Cite
Bratu, P.; Murzea, P.; Tonciu, O.; Dragan, N.; Dobrescu, C.F. Evaluation of the Dynamic Parameters Under Seismic Conditions for a Maxwell Rheological Base Isolation System. Buildings 2024, 14, 4075. https://doi.org/10.3390/buildings14124075
Bratu P, Murzea P, Tonciu O, Dragan N, Dobrescu CF. Evaluation of the Dynamic Parameters Under Seismic Conditions for a Maxwell Rheological Base Isolation System. Buildings. 2024; 14(12):4075. https://doi.org/10.3390/buildings14124075
Chicago/Turabian StyleBratu, Polidor, Patricia Murzea, Oana Tonciu, Nicusor Dragan, and Cornelia Florentina Dobrescu. 2024. "Evaluation of the Dynamic Parameters Under Seismic Conditions for a Maxwell Rheological Base Isolation System" Buildings 14, no. 12: 4075. https://doi.org/10.3390/buildings14124075
APA StyleBratu, P., Murzea, P., Tonciu, O., Dragan, N., & Dobrescu, C. F. (2024). Evaluation of the Dynamic Parameters Under Seismic Conditions for a Maxwell Rheological Base Isolation System. Buildings, 14(12), 4075. https://doi.org/10.3390/buildings14124075

