Next Article in Journal
A New Continuous Strength Method for Prediction of Strain-Hardening Performance of High-Strength Aluminum Alloy Cylindrical Columns
Previous Article in Journal
An Innovative Composite Wall Inner Tie System Applied to Reinforced Concrete Modular Integrated Construction
 
 
Font Type:
Arial Georgia Verdana
Font Size:
Aa Aa Aa
Line Spacing:
Column Width:
Background:
Review

A Review of the Mechanical Properties of and Long-Term Behavior Research on Box Girder Bridges with Corrugated Steel Webs

1
School of Water Conservancy and Transportation, Zhengzhou University, Zhengzhou 450001, China
2
State Key Laboratory of Tunnel Boring Machine and Intelligent Operations, Zhengzhou 450001, China
3
China Construction Seventh Engineering Division Corp. Ltd., Zhengzhou 450003, China
*
Author to whom correspondence should be addressed.
Buildings 2024, 14(10), 3056; https://doi.org/10.3390/buildings14103056
Submission received: 19 August 2024 / Revised: 15 September 2024 / Accepted: 19 September 2024 / Published: 25 September 2024
(This article belongs to the Section Building Structures)

Abstract

Based on an analysis of the extant literature, this paper summarizes the research progress on the mechanical properties and long-term behavior of corrugated steel web (CSW) box girder bridges. First, the research results of CSW box girder bridges in terms of the shear buckling performance (local shear buckling, overall shear buckling, and interaction buckling), bending performance, bending capacity, torsional capacity, and coefficient of internal force increase are summarized, along with the main factors affecting the mechanical performance of CSW box girder bridges. Second, based on research on the self-oscillation characteristics and dynamic response of CSW box girder bridges, the influence of structural parameters on the self-oscillation characteristics is analyzed. Finally, the long-term mechanical behavior of the CSW box girder bridges is analyzed in terms of fatigue, creep, and temperature effects. The existing research results demonstrate that there still exist deficiencies in the mechanical properties and long-term behavior of CSW box girder bridges, and this paper thus suggests a future research focus on CSW box girder bridges to provide a reference for further improving their basic theoretical system.

1. Introduction

The CSW box girder bridge is a new type of girder bridge that was developed in the last century and is widely used in many types of large, medium, and small bridges owing to its various advantages [1] (presented in Figure 1. A CSW box girder and its structural parameters are presented in Figure 2, which shows the CSW (where aw, bw, cw, dw, θw, hw, Lw, and tw are the maximum plate length, horizontal projection length of the diagonal slab, length of the diagonal slab, vertical projection length of the diagonal slab, angle of slab bending, and height, width, and thickness of the slab, respectively), prestressed concrete slab, and internal or external tendons [2]. Compared to other webs used in box girders, the following major advantages can be realized using a CSW [2,3]: (a) reduced deadweight, larger spans, smaller substructures, and reduced cost compared to concrete girders of the same cross-section; (b) higher shear flexural strength and bending stiffness; (c) its low axial stiffness facilitates the efficient application of prestressing to concrete slabs; (d) its ease of assembly increases efficiency and reduces construction time; (e) it is easy to repair and strengthen bridges at a later stage; and (f) it has increased material-use efficiency.
The accurate design of CSW box girder bridges is a prerequisite for the normal operation of such bridges in service. The analysis of the static, dynamic, and long-term mechanical behavior of the structure is not only beneficial to the safety of the entire bridge structure but is also extremely important for improving the long-term durability of the bridge. However, the current analyses of the CSW shear strength, interacting shear buckling behavior, vehicle-induced vibration, and wind-induced vibration are not sufficiently clear, and the initial defects have no effect on the calculation of the CSW shear strength. Moreover, the method of calculating the CSW shear strength is not uniform, and there is no consistent conclusion on the ultimate stress increment of the prestressing tendons in vitro, the secondary effect of the prestressing tendons in vitro, and the parameters affecting their bending capacity.
In this context, this study summarizes the main features of the structural performance of such bridges, which mainly include the shear, bending, and torsional distortion properties of such bridges and the self-oscillation characteristics, dynamic response, and long-term behavior of the dynamic performance. Suggestions for future research are also presented herein.

2. CSW Static Performance of Box Girder Bridges

2.1. Shear Buckling Properties

In 1965, Shimada [4] conducted the first study on the shear strength of a CSW. Bergfelt et al. [5] believed that the buckling of a CSW primarily determines the shear resistance performance of the beam.
The shear buckling modes of CSW (presented in Figure 3) are mainly classified into three types: local, global, and interaction buckling [6]. The buckling modes are required to be examined for the possible existence of elastic or inelastic states. Lindner et al. [7] conducted experiments to evaluate the CSW shear strength and proposed that 70% of the shear buckling stress should be considered as the design shear strength. Zhou et al. [8] conducted experiments on the shear strength of a CSW and its nonlinear shear buckling influencing factors and concluded that its shear buckling load increases with an increase in the dimensions of the plate, angle of bending, and thickness and decreases with an increase in the width of the plate. Furthermore, it has been shown [9,10,11,12,13,14,15,16,17] that, owing to the low axial stiffness of the CSW, shear buckling is the main cause of beam shear damage when it is in a pure-shear-stress state.

2.1.1. Localized Shear Buckling

Local shear buckling is generally characterized by a single flat plate and is reversible. Local buckling stresses were determined by Timoshenko and Gere [18] based on the classical plate buckling theory:
τ c r , L = k L π 2 E 12 ( 1 ν 2 ) ( t w a w ) 2
where kL denotes the local shear buckling coefficient related to the boundary conditions and dimensional parameters of the CSW; E is the modulus of elasticity; ν is Poisson’s ratio; tw is the web thickness; aw is the maximum plate length (i.e., maximum plate and ramp lengths); and kL is calculated based on the following three ideal boundary conditions [19].
k L = { 5.34 + 2.31 ( a w h w ) 3.44 ( a w h w ) 2 + 8.39 ( a w h w ) 3   Vertical   edge   simply   supported ,   horizontal   edge   fixed 5.34 + 4 ( a w h w ) 2   Assumed   simply   supported   edges 8.98 + 5.6 ( a w h w ) 2   Assumed   clamped   edges
The buckling coefficient kL in localized elastic shear is an important parameter in the calculation of the actual shear strength. Therefore, it is important to determine the value of kL. Theoretical results [20,21] demonstrate that, for an infinitely long web (when the web height hw tends to infinity), kL is between 5.34 and 8.98. However, the value of kL becomes uncertain owing to the variable boundary conditions. Some studies have shown that the value of kL may be closer to the average value for the simply supported and fixed boundary conditions [22]. In design practice, the ratio of the width to the height of the steel web is usually small; therefore, kL = 5.34 is usually used as a conservative value [13,17,22].
The reliability of the aforementioned theoretical equations has been critically assessed via numerical analyses and experiments in previous studies [23,24,25,26,27]. It has also been shown that the local shear buckling of wave web beams is closely related to various parameters, and some geometric factors may also be important in controlling the stiffness of the plate boundaries. As the stiffness increases, a greater web shear capacity can be realized [28].
By analyzing the elastic local buckling strength of CSW with different geometrical parameters, Wang et al. [29] used a theoretical analysis and numerical simulation to determine that, when the narrow-to-width ratio is 1, the subplates in the web can be simplified as a single four-sided simply supported rectangular flat plate; when the narrow-to-width ratio is not 1, the commonly used value of kL underestimates the local shear buckling strength. Therefore, the narrow-to-width ratio is the most important factor affecting the buckling strength. When the second formula is used for kL, it is not applicable to cases in which the narrow-to-width ratio w2/w > 0.3. After considering the effect of the narrowness/width ratio, the existing formula is modified for application to the above case:
τ c r , L = ( 7.24 + 0.1 w 2 w 2 w 2 2 w 2 + 4 w 2 h w 2 ) π 2 E 12 ( 1 ν 2 ) ( t w a w ) 2
where w is the wider subpanel width, w2 is the narrower subpanel width, and the ratio of the two w2/w is defined as the narrow width ratio.
Wang et al. [30] used finite element parameterization to show that the narrow-to-width ratio w2/w has a significant effect on the local buckling stress when the two types of folded plates have unequal widths. The effect of the narrow-width ratio is studied, and an improved formula for the local buckling stress τcr,L with a higher accuracy is proposed:
τ c r , L = ( 5.34 + 2.1 1 w 2 / w + 5.6 w 2 h 2 ) π 2 E 12 ( 1 ν 2 ) ( t w a w ) 2
Guo and Sause [26] also found that, when the fold-width ratio is not equal to 1, the commonly used value of kL significantly underestimates τcr,L. The influence factors of different parameters such as w/h, h/tw, and b/c on the kL value were investigated using finite element analysis, and a more accurate calculation of k was obtained using nonlinear curve fitting, which provided the following expression for kL. The expression of k is obtained via nonlinear curve fitting:
k L ( β , h w / b , η ) = 6.62 [ 403 η 2 + 21.8 η / ( h w / b ) ] + 3.12 exp [ 0.48 / ( h w / b ) ]                                   + [ 7700 η 2 + 811 η / ( h w / b ) 52.7 ] exp [ 3.7 β ]
where η = tw/(aw sinθw). In the CSW of large bridges, aw approximates cw, i.e., η = tw/dw, β = aw/cw; b is the longitudinal fold width.
Aggarwal et al. [31] analyzed the local shear of CSW box girders using finite elements. After investigating the effects of the plate thickness, width, and height on the local shear buckling coefficient, an approximation was proposed for kL:
k L = τ L 12 ( 1 ν 2 ) π 2 E ( b t w ) 2
where b is the panel width.
The kL formula has been modified; however, the majority of the CSW thicknesses used in the analysis were less than 6 mm, which is not in the range of 8–30 mm that is commonly used for main bridge girders [28,30,31]. Wang et al. [27] parametrically investigated (Figure 4, Figure 5, Figure 6, Figure 7, Figure 8 and Figure 9) a large CSW and proposed the kL equation for fitting simply supported and fixed edges as follows:
k L , s = 5.88 + 7.06 ( a w h w ) 2 29.73 ( t w d w )
k L , f = 5.92 + 8.89 ( a w h w ) 2 29.31 ( t w d w )
The proposed formula can better predict the coefficient kL of the CSWs commonly used in bridges.
Therefore, for τcr,L, the current calculation method is based on the classical plate buckling theory. The boundary conditions of the CSW, adjacent subplate support stiffness, and width-to-thickness ratio of the folded plate have a significant effect on kL. Moreover, kL is independent of hw/b, but it increases with an increase in aw/hw and tw/dw.

2.1.2. Integral Shear Buckling

The overall shear buckling of the CSW involves multiple bucklings in the web extending diagonally, which is similar to the overall buckling of orthotropic anisotropic plates [32]. Furthermore, if the height and length of the web plate differ significantly from the wave height of the plate, buckling may occur across the plates, thus covering the entire plate surface [33].
Easley and McFarland [6] derived an overall shear flexural strength formula for a CSW simply supported at both ends based on the orthotropic anisotropic plate theory as follows:
τ c r , G = k G D x 3 4 D y 1 4 t w h w 2
where Dx and Dy are the bending stiffnesses of the CSW; and kG is the overall shear buckling coefficient related to the boundary conditions and waveform dimensions.
The above equation is widely used to express the elastic critical overall shear buckling mode of a CSW, and the value of kG is typically considered as 36.
Elgaaly et al. [15] suggested that kG be considered as 31.6 and 59.2 for simply supported and fixed edges, respectively. Jiang [34] deduced that the fixed edge kG should be considered as 68.4. Johnson and Cafolla [35] suggested that the CSW combination beam kG should be considered as 60.4.
Nie et al. [36] derived an analytical method for CSW elastic monolithic shear buckling loads based on elastic torsionally constrained boundaries using the principle of the standing value of potential energy and the Rayleigh–Ritz method. They proposed the use of kG,s and kG,f as the coefficients for the four-side simply supported and four-side fixed boundary conditions, respectively.
k G , s = 1.2747 ( h a ) 2 + 0.7603 ( h a ) + 34.176
k G , f = 3.0545 ( h a ) 2 0.0231 ( h a ) + 64.195
where h and a are Length and width of rectangular CSW.
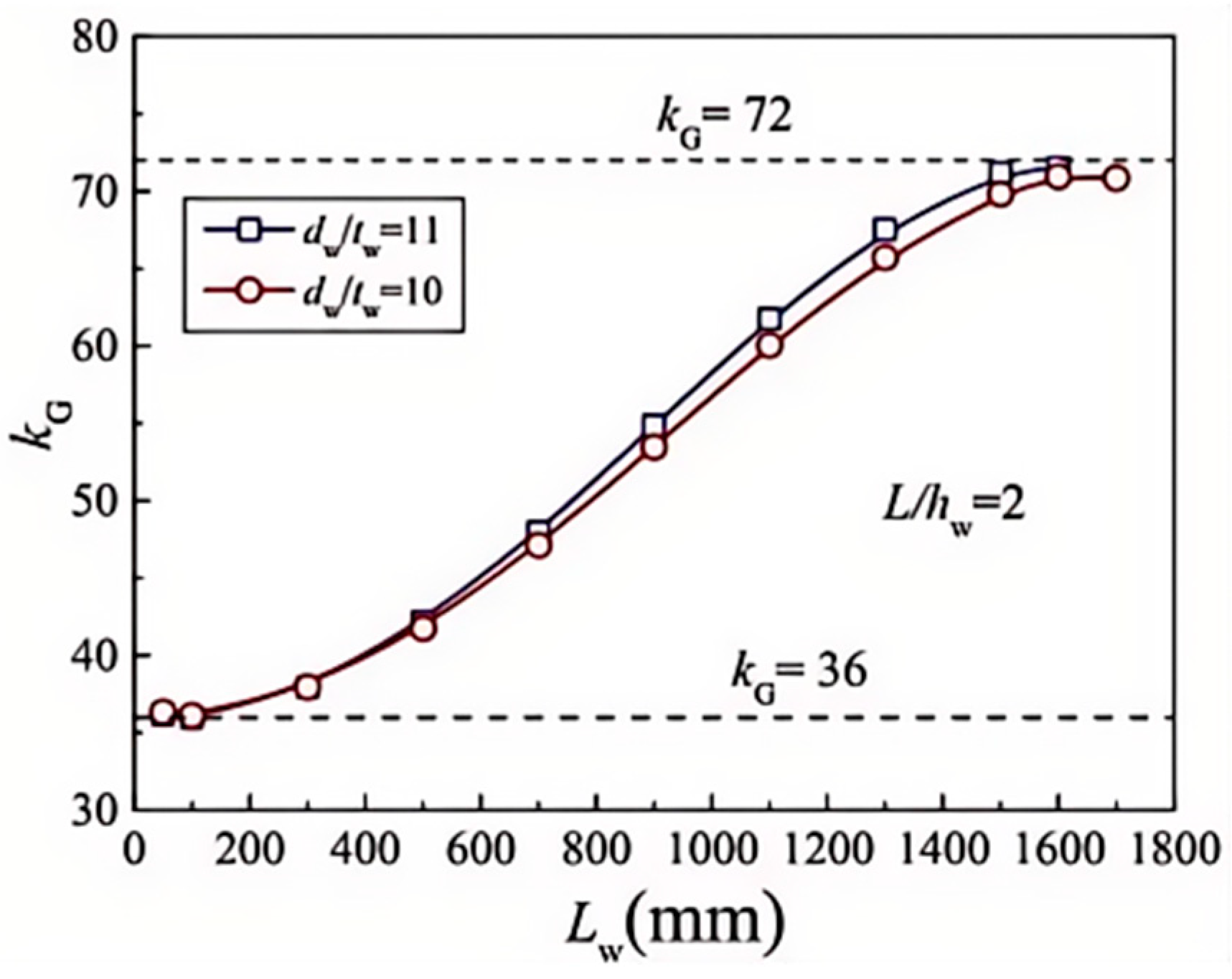
Wang et al. [29] found that the effect of the parameters on kG was more apparent and that the shear buckling strength of CSWs of larger lengths was not sufficiently accurately calculated. After analyzing the effects of these factors on kG using finite elements, such as Lw, Lw/hw, hw/Lw, and dw/tw (Figure 10, Figure 11 and Figure 12), it was concluded that the given equation can be used to predict the overall shear buckling coefficient for the large and commonly used CSW of bridges:
k G , s = 75.62 + 1.31 ( d w t w ) 5.44 ( h w L w )
k G , f = 80.59 + 1.04 ( d w t w ) 4.97 ( h w L w )
Therefore, the value of kG obtained by previous scholars as 36, 31.6, 68.4, and 59.2 is inaccurate in the majority of cases. At present, the values of kG,S and kG,F for large-scale CSWs commonly used for the main girders of bridges are in the ranges of 50–75 and 56–76, respectively. The upper and lower bounds of kG increase with the increase in Lw, decrease slightly with the increase in L/hw, and then remain unchanged. For a large-scale CSW, the ratio of L/hw is usually greater than 2, and the effect of L/hw on kG is negligible within this range. kG increases with the increase in d/tw, gradually decreases with the increase in hw/Lw, and then converges to a constant value of 36.

2.1.3. Interacting Shear Buckling

It is an intermediate form between local buckling and overall buckling, with the characteristics of unpredictability, high suddenness, and irreversibility [13]. The most important determinant of the CSW interaction shear buckling strength τcr,I is the relationship between τcr,L and τcr,G.
Under the same material and boundary conditions, the horizontal length a and thickness t of the straight section of the CSW are the main factors determining the local flexural shear stress τcr,l; while the overall flexural shear stress τcr,g is also affected by the height hw of the corrugated addition to the local flexural shear s τcr,l. The critical buckling load capacity increases significantly with the increase in plate thickness, wave angle, flat plate length, and web height of CSW; its buckling mode develops from local buckling to overall buckling, but at the same time, the value of wave height should not be too small; otherwise, it is easy to easily occur the overall instability in the face. Note that the length of the flat plate should not be too large and the height of the web plate should not be more than 5 m; otherwise, the overall instability will easily occur [31].
When calculating the shear buckling stability of CSW, there will be some differences due to the constraint rigidity around the web and the reason for the formula derivation. However, the reasons for material, construction, and structural defects should also be fully considered, and the calculation results should be considered with sufficient safety factors. Meanwhile, in the design of CSW, the shear strength of the steel plate should be fully utilized, and the thickness t and folding width b of the steel web plate should be temporarily determined by the condition of satisfying the local buckling, and then the spatial finite element method should be used to calculate the other shear buckling stability [30].
To predict the flexural strength of CSW interactions, scholars have studied and proposed various equations, as listed in Table 1.
These formulae are based on Equation (13), which expresses the interaction between the local buckling, global buckling, and shear yield strength of the material.
( 1 τ c r , I ) n = ( 1 τ c r , L E ) n + ( 1 τ c r , G E ) n + ( 1 τ y ) n
where E is the quantity related to elastic buckling, and n is the appropriate value.
Recent studies [33] have shown that the geometry of the CSW affects the interaction shear flexural strength but is not affected by the inelasticity and yielding of the material. Yi et al. [43] have shown that τI,el of the CSW is independent of τy, and the following formula for τI,el can be considered:
( τ c r , I τ c r , G ) n + ( τ c r , I τ c r , L ) n = 1
Yi et al. [32] analyzed the elastic buckling and found that the interacting shear buckling mode was affected by the geometry of the CSW, i.e., the geometrical parameters b, hw, d, and tw. They also proposed that τI,el of the CSW could be estimated using the following equation:
( 1 τ c r , I E ) = ( 1 τ c r , L E ) + ( 1 τ c r , G E )
In Equation (13), when n takes different values, the relationship curves of τcr,Icr,L and τcr,Icr,G are presented in Figure 13.
As shown in Figure 13, with the decrease in n, the trajectory of the curve gradually develops on the inner side, thus indicating that the calculation results of τcr,I are more conservative as n decreases. It is evident that the value of n significantly affects the results of τcr,I, and therefore, it is necessary to further investigate the formula for the CSW elastic shear buckling strength.
The interacting shear buckling mode exhibits the characteristics of both the local and global buckling modes, with several interacting bucklings forming a deformation field in the diagonal direction, which is similar to a single global buckling. Therefore, the formula for τcr,I can still be expressed as that used for τcr,G [14]:
τ c r , I = k I D x 3 4 D y 1 4 t w h w 2
where kI is the interaction shear buckling coefficient, and Dx and Dy are the flexural stiffnesses per unit length of the CSW.
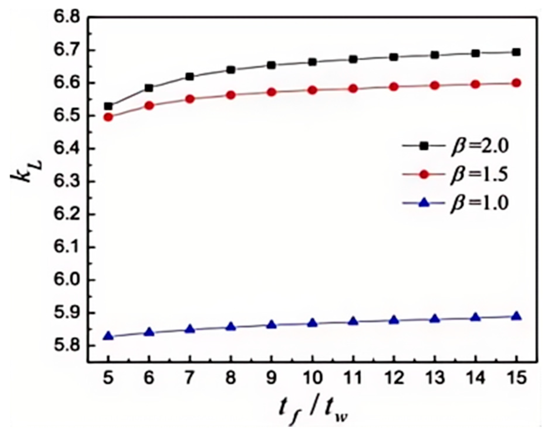
Based on a parametric analysis, Wang [27] determined that the effect of the boundary conditions on kI is negligible and increases gradually with an increase in h. Finally, kw increases gradually, and the fitting formula of k is derived based on a finite element analysis:
k I , s = 6.97 + 52.02 ( h w L w ) 2 t w d w 37.83 ( a w h w ) 2
k I , f = 7.66 + 52.11 ( h w L w ) 2 t w d w 38.48 ( a w h w ) 2
Figure 14 and Figure 15 present the effect of parameters on kI under a simply supported boundary condition. The results show that kI increases as tw/dw increases and decreases as aw/hw increases. With an increase in hw/Lw, kI increases parabolically. L/hw has no effect on the value of kI for the large CSWs that are commonly used in real bridges.
Therefore, the interacting shear buckling mode is an intermediate with an exponent n that varies from 0.6–4. The current study shows that, for n = 1, the results are more accurate. Different values of kI result in different values of τcr,I values. Furthermore, the mode and strength are not affected by the inelasticity and yielding of the material; kI increases with hw, tw/dw and hw/Lw, decreases with aw/hw, and is not affected by L/hw.

2.1.4. Shear Flexural Strength

The shear buckling strength of a CSW can be categorized as elastic and inelastic shear buckling strength. Elastic shear buckling is considered the minimum of the overall, local, and interacting buckling modes.
Nie et al. [21] synthesized a unified formula for elastic shear flexural strength while considering three shear flexural modes, which in turn is more conservatively considered to be used to approximate τel:
τ τ c r , I = τ c r , L τ c r , G τ c r , L + τ c r , G
Inelastic buckling occurs when the elastic shear buckling stress exceeds 80% of the yield stress. Based on the experimental results, Elgaaly et al. [15] derived the following conditional equation for inelastic buckling, which is applicable to all the buckling modes:
τ cr = 0.8 τ y τ c r e l τ y
where τcr is the inelastic shear buckling stress, τel is the shear flexural strength, and τy is the shear yield strength of the CSW.
The CSW shear strength formula is primarily presented in the form of the standardized shear strength ρ and shear flexural length of the λs relationship curve, such that the known form of the plate to meet the shear strength requirements can be determined. The ρ–λs curve is presented in Figure 16:
The standardized shear strength ρ and shear flexural aspect ratio λs were calculated based on the following equation [21]:
ρ = τ c r τ y   λ s = τ y τ e l   τ y = f y 3
where τcr is the shear strength of the CSW, τel is the elastic shear flexural strength of the CSW, τy is the shear yield strength of the CSW, and fy is the yield strength of the steel.
For the nonlinear flexural strength of the CSW, numerous academics have proposed different models. The existing models are listed in Table 2.

2.2. Bending Properties

The CSW in the longitudinal direction of the bridge is a folded plate, as shown in Figure 17, which shows that its axial effective modulus of elasticity Ex is a few hundred or a few thousand times the modulus of elasticity E0 of a steel plate [42]. Therefore, this is often called the “accordion effect” [13]. Therefore, it was concluded that the CSW could not sustain bending moments and axial forces.
The majority of the extant studies show that [25,32,44] the waveform of the CSW directly results in the accordion effect, which in turn affects the efficiency of prestressing introduction in the concrete. Kim et al. [45] described the accordion effect and the parameter effects of the CSW in detail and proposed the correction coefficients, such as the effective cross-sectional area coefficient and effective moment of inertia coefficient, for the estimation of the accordion effect. Pei et al. [46] investigated the accordion effect of CSW steel girders and found that increasing the height of the web or decreasing the width of the horizontal folds of the waveforms can enhance the accordion effect, which improves the efficiency of the introduction of a prestressing force in concrete slabs. Shi and Liu [47] also found via experiments that the accordion effect was 28% higher than that of ordinary concrete webs in improving the efficiency of the introduction of a prestressing force in concrete slabs. The accordion effect greatly improves the bending performance of box girders for the same prestressing force applied.
It was found that a CSW box girder subjected to bending with a concrete slab with positive strain conformed to the linear distribution law [48,49,50]. The replacement section is presented in Figure 18. After a large number of studies and analyses have been conducted, the difference between the yield moment and plastic moment of the web plate is very small; therefore, the plastic moment of the section can be considered as the approximate bending capacity of the cross-section [51]. At the same time, according to the stress distribution (Figure 19), the bending of the CSW box girder conforms to the “assumption of a proposed flat section” [52].
Some scholars [13,21,53,54,55,56] have confirmed this assumption by experiments. Therefore, the flexural stress of the CSW can be set to zero, and the flexural stress of the box girder concrete slab can be calculated as follows.
σ c = M I c y
where σc is the concrete slab bending stress, M is the bending moment of the combined section, Ic is the moment of inertia of concrete, and y is the distance from stress calculation point to the neutral axis.
Li et al. [57] derived shear stresses and formulae based on the assumption of a proposed flat cross-section using a material mechanics approach:
τ = { V 2 I z ( c 2 y 2 ) c y c + t V b 1 4 t I z ( 2 c t t 1 2 ) c + t 1 y h c t 2 V 2 I z [ ( h c ) 2 y 2 ] h c t 2 y h c  
CSW bear cut than for:
V p l a t e V = b 1 h 1 2 I z ( 2 c t 1 t 2 )
where c is the distance of the neutral axis of the section from the top of the beam, b1 is the width of the top plate, t1 and t2 are the thicknesses of the top and bottom plates, t and h1 are the thicknesses and heights of the corrugated steel webs, h is the height of the beam, V is the shear force on the section, and Iz is the moment of inertia of the top and bottom plates of the concrete on the center of the form axis z.
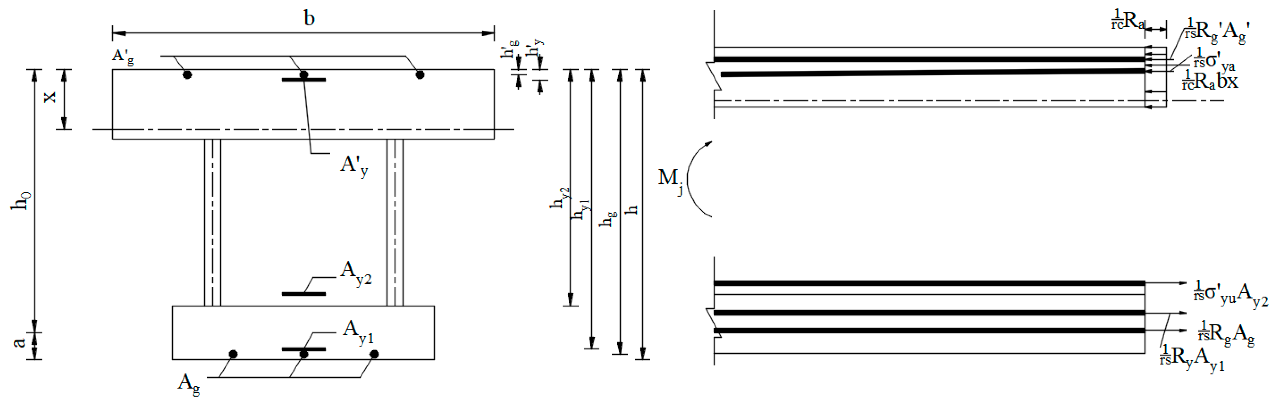
Xu et al. [52] derived the CSW equation for the ultimate moment capacity based on the proposed flat section assumption using basic beam deflection theory (Figure 20). However, some of the calculation parameters of this formula depend on engineering experience.
M u = 0.9 r s R g A g ( h g h g ) + 0.9 r s R y A y 1 ( h y 1 h g ) + 0.9 r s σ y u A y 2 ( h y 2 h g ) 0.9 r s σ y u A y ( h y h g ) 0.9 r c R e b e x ( x 2 h g )
Applicable conditions are:
x 2 h g x ξ y h 0
where Ag and A′g are the areas of ordinary reinforcement in tension and compression zones, respectively; A′y is the area of prestressing reinforcement in the compression zone; Ay1 and Ay2 are the areas of prestressing reinforcement in and out of the tensile zone, respectively; Rg and R′g are the design strengths of ordinary reinforcement in the tensile and compression zones, respectively; Ry is the tensile strength of prestressing reinforcement in the tensile zone; Ra is the design strength of concrete axial compression; and σyu is the ultimate strength of prestressing reinforcement outside of the tension zone; σ′ya is the calculated stress of the prestressing steel bars in the compression zone; hg and h′g are the distances from the centers of gravity of the ordinary steel bars in the tension zone and the compression zone to the upper edge of the beam, respectively; hy1 and hy2 are the distances from the centers of gravity of the prestressing steel bars in the body in the tension zone and the prestressing steel bars in the body outside the body to the upper edge of the beam, respectively; h′y is the distance from the centers of gravity of the prestressing steel bars in the compression zone to the upper edge of the beam; h is the height of the beam; and be is the width of effective distribution of the top slab; h0 is the effective height of the section; x is the height of the compression zone of the equivalent rectangular stress distribution; rc and rs are the material safety coefficients of the concrete and reinforcement, respectively. ξjy is the limit coefficient of the height of the pressurized zone of the prestressed concrete combination box with CSW.
Zhou et al. [49] considered the effect of the shear connection degree on the bending capacity of a CSW box girder cross-section using the power function of the shear connection degree of the full shear connection under the cross-section bending capacity calculation formula for correction, which can be expressed as follows:
M cr = M s u + r 0.6 ( M f u M s u ) r = n r n f N v = 0.43 A s t E c f c α A s t f s u
where Mfu is the plastic ultimate bending moment of the CSW box girder in a full shear connection; Msu is the plastic ultimate bending moment of the steel girder; nf = V/Nv; V is the longitudinal shear force between the concrete slab and steel girder; and α is a coefficient; r is shear connection degree; fsu is the tensile strength of the peg; Ast is the cross-sectional area of the peg; nf is the number of pins required for complete connection of the member; nr is the number of pins in the member; and fc is the compressive strength of the axis.
This formula is simple in form and takes into consideration the shear connectivity. As it increases, the ultimate load-carrying capacity of the CSW box girder cross-section increases significantly.
Ren et al. [58] considered the effect of the shear slip of the shear connecting key between the CSW and concrete slab (strain as shown in Figure 21) and derived the ultimate flexural capacity for the box girder formula. The indoor test showed that the formula could more realistically reflect the bending capacity of a CSW box girder that is prone to safety problems.
M s = N cs y c + N ts y t + f s A s ( c h s ) + f s A s ( h s c )
where yc and yt are the distance of Ncs, Nts to the neutral axis of the section; hs and h′s are the height from the center of the ordinary reinforcement in tension and compression, respectively, to the outer edge of the concrete in the compression zone; A′s and As are the area of the ordinary reinforcement in compression and tension, respectively; Ncs and Nts are the combined compressive and tensile stresses, respectively; and f′s and fs are the stresses of the ordinary reinforcing bars in compression and tension, respectively.
Based on the assumption of the proposed flat cross-section, Li [59] experimentally analyzed an extracorporeal prestressed CSW box girder and found that the entire process of its bending failure includes the elastic, cracking, and plastic stages. Moreover, the secondary effect of the extracorporeal cable has a significant influence on the flexural capacity of the combined box girder, which can be reduced by setting a mid-span diaphragm or steering block.
Zhu [60] studied the flexural performance of steel box composite beams with different shear connection degree and concluded that with the decrease in shear connection degree, the top surface of the concrete wing plate of steel box composite beams with net-like staggered cracks, longitudinal splitting cracks, and mid-span bending cracks in the wing plate increased gradually, the interface slip of the girder end was more and more obvious, and the elastic bending stiffness, yielding capacity, and ultimate bending capacity of the steel box composite beams were gradually reduced.
Huang [61] showed through their results that the degree of shear connection has a more significant effect on the load–slip curve compared to the flexural capacity; the slip curve is significantly prolonged with the increase in the degree of connection.
Li [62] analyzed and concluded that the flexural stiffness, load-carrying capacity, and deformation capacity of the combined beams decreased with the reduction in the degree of shear connection.
The accordion effect of the CSW increases the efficiency of prestressing introduction and thus improves the overall bending capacity of the structure. The bending performance is mainly analyzed by assuming a proposed flat cross-section, and the positive strains of the top and bottom plates conform to the linear distribution law. Some scholars have proposed different formulas for calculating the load-carrying capacity of box girders based on this assumption or by considering factors such as the shear connection degree and shear slip of the shear connection keys. The results show that, by increasing the degree of shear connection, the load-carrying capacity of the box girders can be increased. It is concluded that the bending performance can be improved by increasing the degree of shear connection, setting the mid-span diaphragm and steering block, and using other measures. Optimization can be done by using push-out tests, beam tests, etc. in conducting shear slip studies.

2.3. Torsional and Distortion Properties

To elucidate the torsional and distortion characteristics of CSW box girders and their current research status, research progress on theoretical and experimental studies, force characteristics, torsional load capacity, internal force increase coefficients, and factors influencing torsional performance are systematically introduced through numerous literature reviews.

2.3.1. Torsion and Distortion Calculation Theory and Test

At present, for the CSW box girder torsion study, the calculation theory was adopted in the Umanski second theory and combined with the box girder torsion characteristics of a previous study [63]. In the case of the distortion performance, the majority of the existing studies refer to the traditional concrete box girder distortion calculation theory analysis comprising the use of elastic foundation beams compared with the matching point method [64] for the solution.
In the traditional box girder theory, the box girder vertical eccentric load can be decomposed into symmetric and anti-symmetric loads, and the latter is decomposed into rigid torsion and distortion loads; the specific decomposition process is presented in Figure 22 [65].
Although the torsional and distortion effects of CSW box girders are similar to those of concrete box girders, the torsional and distortion effects behave differently owing to the significant differences in both the transverse and flexural stiffnesses of the girders [66,67].
In 1990, Linder et al. [68], after conducting torsional tests on the CSW, concluded that its torsional modulus is the same as that of flat steel web beams, except for the difference in warping constants. Yoda et al. [69,70] derived the fundamental equations of torsion for a CSW based on the Vlasov theory.
Li et al. [71] used the second theory of Wu to calculate the buckling positive stresses generated by restrained torsion and the elastic foundation beam method to calculate the buckling positive stresses generated by deformation and proposed a basic method for the CSW box girder torsion calculation. Di et al. [72] used this theory to analyze the constrained torsion of CSW box girders and found that, for smaller-span box girder bridges, the warped positive stresses generated by distortion are larger than those generated by constrained torsion. Xie et al. [73] combined the structural characteristics of box girders and proposed a formula for calculating the cross-sectional characteristics of the CSW under torsion and distortion.
Under eccentric loading, in addition to bending positive stresses, restrained torsion positive stresses and distortion-positive stresses are generated [74]. The restrained torsion-warping positive stresses of a CSW box girder can be obtained by subtracting the positive stresses under symmetric loading from those under eccentrically applied loads. The longitudinal stresses σz in the concrete footing are calculated as follows.
σ z = E 1 ν 2 ε 0
where ε0 is the longitudinal strain of concrete.
The CSW vertical shear stress τxy is calculated as follows.
τ x y = G e [ 2 ε 45 ( ε 0 + ε 90 ) ]
where ε0, ε90, and ε45 are the longitudinal strain, vertical strain, and strain at 45° to the longitudinal direction of the beam of the CSW; and Ge is the effective shear modulus.
There are fewer formulae for calculating the torsional stiffness of CSW box girders, and a method for calculating the torsional stiffness was proposed by Japanese engineers such as Kamigaira [74], using finite elements:
J t = 4 A m 2 [ h 1 n s t 1 ( 1 + α ) + b 1 t 2 ( 1 α ) + h 1 n s t 3 ( 1 + α ) + b 1 t 4 ( 1 α ) ]
where α is the correction factor, α = 0.400h1/b1 − 0.060 ≥ 0; Jt is the torsional stiffness; Am is the box girder cross-section area; and b1 is the box girder width; h1 is the height of the CSW; ns is the ratio of steel to concrete shear modulus; t1 and t3 are the thicknesses of the CSW; t2 is the thickness of the top slab; and t4 is the thickness of the bottom slab.
Li et al. [75] demonstrated through tests that CSW box girders have a much lower torsional stiffness than conventional box girders. Zhou et al. [64] used a scaled model and demonstrated that a steel web generates a large shear stress under eccentric loading. Through the torsional performance test of the CSW box girder, Wang [76,77] found that the distribution of the longitudinal buckling stress and torsional additional shear stress in the top plate is not obvious, whereas that in the bottom plate is linearly distributed and reaches a maximum at the corner of the bottom plate.
The assumption that the CSW does not resist the longitudinal buckling of the box girder cross-section was introduced in the literature [78]. The results show that, under eccentric loading, the buckling positive stresses of the box girder are mainly distributed in the concrete slabs, and the additional effect of the eccentric loading accounts for a larger proportion of the overall effect.

2.3.2. Torsional Load Carrying Capacity and Coefficient of Increase in Internal Force

In a study of the torsional capacity of the CSW box girder, Mo et al. [79,80,81] conducted a pure torsional test and concluded that the ultimate torsional capacity of the box girder was the sum of the resisting moments of the upper and lower concrete wings and CSW. Nie et al. [82] also proposed a pure torsional theoretical model of a CSW box girder that fully satisfies the equilibrium conditions, deformation coordination conditions, and material constitutive equations using reinforced concrete softened truss theory and provided a torsional analysis method for this box girder.
Zhang et al. [83] performed a torsion analysis of box girders, including CSW box girders, proposed a relationship between two damage modes (concrete crushing and reinforcement yielding) and the reinforcement ratio of box girders, and provided a torsional load capacity calculation method for box girders.
Ding et al. [84,85,86] analyzed the load-carrying capacity of CSW box girders under pure torsion and bending torsion while considering material nonlinearity. It was concluded that the ultimate torque of the box girder increases with an increase in the shear modulus, plate thickness, and compressive strength of the concrete of the CSW, and the longitudinal reinforcement at the center of the section has a lower effect on the torsional resistance of this type of box girder.
This design typically introduces an internal force augmentation factor to calculate the torsional and distortion effects caused by eccentric loading. For the bending moment and shear force, the coefficient of increase was considered as 1.15 and 1.05, respectively [63,87,88].
Cheng et al. [89,90] proposed a method for calculating the internal force increment coefficient based on a modified eccentric pressure method. Liu et al. [91] investigated a method for calculating the coefficient of increase in the internal force of a CSW box girder, and the theoretical calculations and experiments showed that the coefficient of increase in the internal force due to the torsion and distortion effects of CSW box girders was significantly greater than that of conventional prestressed-concrete (PC) box girders.
Cui [92] investigated the shear force increase coefficient of a CSW box girder under eccentric loading and found that the shear force increase coefficient of the CSW reaches 1.2–1.4 under eccentric loading. Cui et al. [93] highlighted that, in the design of a bridge, the deflection load coefficient of a CSW box girder can be determined via a torsional analysis, and the amplification factor of the positive stress under an eccentric load is 1.15–1.20 and the amplification factor of the shear stress is approximately 1.25. Wei [94] analyzed the coefficient of increase in the internal force. The value at the pivot point was larger, and the amplification factor of the shear force was larger than that of the bending moment. Yuan et al. [95] found that the positive stress increase factor of this type of box girder was as high as 1.5 for some sections, and the shear stress increase factor of the box girder section was as high as 1.25 for the entire bridge.
Zhou et al. [65] showed that the shear force augmentation coefficient of a double-box, single-compartment CSW box girder is more sensitive to eccentric loads and needs to be considered, and that the current methods of internal force augmentation coefficients (e.g., empirical coefficient method and modified eccentricity pressure method) do not have a high safety reserve.

2.3.3. Factors Affecting Torsional Properties

In this section, the effects of the diaphragm, height-to-span ratio, cross-sectional form, geometric parameters of the CSW, and lined concrete on the torsional performance of the box girder structures are reviewed.
The box girder cross-sectional distortion problem is usually addressed by installing cross-partitions, which play a significant role in increasing the lateral stiffness of the cross-section and resisting cross-sectional distortion [96]. Li et al. [97] concluded that a reduction in the high span ratio and wide span ratio could improve the force performance under an eccentric load. Some scholars [91,98,99] showed that, when a CSW box girder with a high span ratio is large, the end diaphragm can improve the torsional stiffness, whereas when the high span ratio is small, the diaphragm has little effect. Wei [100] modeled seven sets of variable cross-sectional CSW box girders by setting 0–6 diaphragms in a half-span and showed that the torsional stiffness was improved by setting the end diaphragms. Chen [101] provided suitable values for the number and thickness of diaphragms for CSW box girders: one diaphragm for height-to-span ratios greater than 1/9, five diaphragms for height-to-span ratios less than 1/14, and three diaphragms for height-to-span ratios between 1/14 and 1/9. It was also suggested that, under torsion, the concentration of diaphragms is better than the separation of diaphragms, and the thickness of the diaphragms should be the length of the flat plate of a waveform.
Chen et al. [102] analyzed the effect of the transverse spacer position change on the CSW box girder performance using finite element analysis. The end transverse spacer can effectively improve the torsional performance of the box girder and increase the torsional and transverse bending stiffness.
Chen et al. [103] analyzed a double-box multi-compartment CSW box girder under eccentric loading and found that reducing the height-to-span and width-to-span ratios of the box girder and increasing the thickness of the CSW, folding angle, and width of the horizontal sub-panel can improve the force performance of this type of box girder. Li et al. [63] concluded that the torsional performance of a single box with a single chamber is better than that of a single box with multiple chambers of the same cross-sectional size.
Hu et al. [104] showed that increasing the tilt angle of the CSW can effectively improve the torsional performance of box girders and that the tilt angle should be greater than 25°. Chen et al. [66] showed that the torsional stiffness could be increased by more than 10% when the tilt angle tangent of the CSW is greater than 1/5. Nie et al. [105] found that increasing the height and length of CSW box girders was ineffective in improving the torsional stiffness of box girders and that increasing the tilt angle could enhance the torsional performance of box girder bridges. Gao et al. [106] and Li et al. [107] concluded that increasing the folding angle of the CSW, horizontal plate width, and plate thickness could improve the force performance of CSW box girders under eccentric loading.
Liu et al. [108] indicated that increasing both the thickness and length of linear concrete can improve the torsional stiffness of CSW box girders.
The torsional study method of the CSW box girder mainly adopts the second theory of Wu, and the distortion refers to the calculation theory of a traditional PC box girder. Its torsional load capacity is mainly due to the upper and lower concrete flange plate resistance torques and the sum of the steel web plate resistance torques; furthermore, its torsional capacity is proportional to the CSW shear modulus and thickness, and the compressive strength of the concrete, reinforcement rate, etc., of the CSW box girder under torsion and distortion effects of the internal force coefficient is greater. The moment internal force increase coefficient can be taken as 1.15, and the shear force, positive stress, and shear stress can be considered in the range of 1.2–1.4, 1.15–1.5, and 1.2–1.4, respectively. Under certain conditions, setting the end and center diaphragms; reducing the bridge height-to-span ratio and width-to-span ratio; increasing the CSW thickness, folding angle, inclination angle, width, and length of the horizontal plate; adding linear concrete; changing the cross-section type; and other measures can improve the torsional performance of box girders.

3. CSW Box Girder Bridge Dynamic Performance

The dynamic characteristics of structures form the basis for seismic and wind analyses [109]. In this section, through a literature collation of CSW bridges in terms of self-resonance characteristics and factors affecting the dynamic response, the differences in self-resonance characteristics (e.g., calculation of self-resonance frequency and damping values) between the CSW box girder and the traditional PC box girder are compared, and the effects of some structural parameters on the self-resonance characteristics of this type of box girder are analyzed.

3.1. Self-Oscillation Characterization

The self-oscillation characteristic is an important dynamic characteristic of bridge structures and is also a prerequisite for analyzing the dynamic characteristics of the bridge structure, such as the wind resistance, seismic resistance, and vehicle–bridge coupled vibration, thus reflecting the structure’s dimensions, types, materials, and other dynamic characteristics [110]. The self-oscillation characteristics include the frequency and damping.

3.1.1. Frequency and Damping

The shear lag effects of CSW box girder sections vary. The shear effect of the CSW box girder steel web under load is significant, and its shear deformation and shear hysteresis effects affect the self-oscillation characteristics of the box girder [111,112].
Cao et al. [113] investigated CSW box girders. While considering the shear lag and shear effects, Equation (31) was derived for the vertical self-oscillation frequency of this type of bridge, and this formula can be accurately used for the calculation. It was proposed that the shear effect, shear lag effect, and combined effect of the two are the main factors affecting the vertical self-oscillation frequency of the box girder.
ω n = β ¯ n γ n 2 E I / ρ A
β ¯ n = 1 + E γ n 2 j = 1 N ( C 2 j l C 1 ) 2 θ j n G I j = 1 N c 3 j 1 + E I γ n 2 j = 1 N c 3 j θ j n G s A s j = 1 N c 3 j + E γ n 2 j = 1 N c 2 j s θ j n G s j = 1 N c 3 j + E 2 γ n 4 j = 1 N ( c 2 j I C 2 1 j ) G G s A s j = 1 N c 3 j
when N = 1,
γ n = n π l   β ¯ n = 1 + ( n π l ) 2 E ( C 2 I C 1 2 ) G C 3 I 1 + ( n π l ) 2 E I G s A s + ( n π l ) 2 E C 2 G C 3 + ( n π l ) 4 E 2 ( C 2 I C 1 2 ) G C 3 G s A s
where n is the number of spans; Gs is the equivalent shear modulus of CSW; As is the cross-sectional area of the CSW; ρ is the density; C1, C2, and C3 are the cross-sectional area of the lower, inner, and outer concrete slabs, respectively; l is the span; and I is the inertia of rotation.
Zhang et al. [114] found that shear deformation and shear hysteresis effects have a significant influence on the vibration frequency of this type of box girder according to the principle of energy partitioning; its vibration frequency is reduced as a result and increases rapidly with an increase in the frequency order. Kadotani et al. [115] investigated the vibration characteristics of CSW combination bridges through experiments and finite elements. It was found that shear deformation should be considered in the self-oscillation frequency analysis. Zheng et al. [116] found that the shear deformation of CSW had a significant effect on the torsional vibration performance of box girders.
Ji et al. [117,118,119] applied the energy diversity principle and Hamilton’s principle to study the effects of shear, shear hysteresis, and their coupling effects. It was concluded that the shear effect has a significant influence.
Wei et al. [120] and Chen et al. [121] analyzed the self-oscillation frequency of CSW box girder bridges based on theory and finite elements. Compared with the conventional PC box girder, its self-oscillation frequency and torsion frequency are lower, and the prestressing has little effect on the vibration frequency.
Damping is an important factor affecting the structural dynamic analysis and dynamic response [122]. A small amount of damping may reduce the peak seismic response to half the peak of the undamped response spectrum. When the self-oscillation period of the structure is longer than that of ground shaking, the damped velocity response spectrum tends to be constant [112]. In the structural dynamic analysis, it is feasible to use the equivalent damping ratio for CSW box girder structures. Therefore, Li et al. [123] and Ren et al. [124] investigated the value of the equivalent damping ratio for different cross-sectional forms and suggested that the damping ratio of this type of bridge should be considered to be 0.04 in general seismic analyses. In addition, the value of the material damping of the CSW box girder is variable and increases with the stress level, concrete strength, slab thickness, and folding angle of the CSW. Under free and vehicle-induced vibrations, the recommended equivalent material damping ratio is 0.3%.
Takaki et al. [125] and Matsui et al. [126] concluded that the self-oscillation frequency of a CSW box girder bridge is similar to that of a conventional PC box girder bridge, while the damping coefficient of the former is smaller, and the damping ratio is between those of steel bridges and the conventional PC hybrid bridge. The first-order self-oscillation frequency is lower than that of the traditional PC bridge, while the dynamic increment factor is higher than that of the traditional PC bridge. The first-order self-vibration frequency is lower than that of a traditional PC bridge.

3.1.2. Study of Factors Affecting Self-Oscillation Characteristics

In CSW bridges, many factors affect the self-oscillation characteristics. Examples include the girder section form, abutment type, CSW geometric parameters, extracorporeal prestressing, and diaphragm arrangement.
Wang [127] found that changing the number of chambers has a significant effect on the vibration modes of a single-box multi-compartment girder.
Li [128] investigated the effects of single-box double-compartment and double-box single-compartment sections on the self-oscillation characteristics of CSW box girders. It was found that the torsional frequency of the latter was 11.2% less than that of the former under the normal use condition, which indicated that the torsional stiffness of the double-box single-compartment cross-section was lower and the integrality was poorer.
Li et al. [129] found that the use of hollow abutments can effectively improve the self-vibration characteristics of box girders and their lateral stiffness.
The geometric parameters of a CSW usually include the plate thickness, dimensions, and vertical inclination angle. Researchers [130,131,132] have found that increasing the angle and plate thickness can increase the torsional vibration frequency of box girders, while changes in the plate width increase and then decrease the vertical, transverse, and torsional vibration frequencies of box girders. Zhang [133] proposed that the vertical inclination angle of a CSW should be no less than 45° and should be between 55° and 75° to ensure sufficient box girder stiffness. Li [134] analyzed the finite element parameters and found that the geometric parameters of the CSW have different effects on the self-oscillation characteristics of this type of composite box girder, which are basically controlled within 1%. Chen et al. [135] found that an increase in the thickness of the CSW plate can improve the torsional stiffness. The vertical inclination angle affects the torsional stiffness of the box girder. The inclination angle affects the vertical bending and transverse stiffnesses, and the change in wave height has a greater effect on the torsional stiffness. A change in the horizontal slab width affects the external stiffness and force integrity of the CSW.
In addition, it has been shown that the self-oscillation characteristics of in vitro prestressed CSW box girders have an influence [136,137,138]. Some scholars believe [139,140,141] that the effects of the tension force of the extracorporeal cables, anchorage position, and cross-sectional area of the steel bundles on the self-resonance frequency of CSW box girders are insignificant and can be neglected in practical engineering applications. According to Zhang et al. [142], the magnitude of the extracorporeal prestressing force and its anchorage and steering positions affect the self-oscillation frequency; however, the effect of the prestressing loss of extracorporeal cables is negligible.
To improve the self-oscillation characteristics of CSW box girders, the structural measure of an additional diaphragm is typically adopted to increase its torsional stiffness and improve its dynamic performance [143]. Relevant indoor tests have confirmed that the reasonable installation of transverse spacers within the span of this type of box girder can effectively increase the torsional stiffness of the box girder and improve its dynamic performance [143]. Chen [135] found that there is an optimum position between the end and mid-span of the box girder, where the torsional stiffness of the box girder can be maximized by installing diaphragms; however, the thickness and number of diaphragms should be set appropriately. Some scholars [98] used finite element analyses to determine that the addition of end diaphragms significantly improves the torsional self-oscillation characteristics.
In the case of the self-oscillation frequency of the CSW box girder, shear hysteresis and shear effects have a greater influence, and the vibration frequency is reduced after considering their effects. The effects of in vitro prestressing and prestressing loss on the vibration frequency are small. As the concrete ages, the increase in the self-oscillation frequency reduces. When the warping stress is considered, the torsional self-oscillation frequency of the CSW box girder is larger, and the effect is more obvious when the span diameter is smaller. The damping value is not fixed and increases with an increase in the stress level, while the damping ratio increases with an increase in the concrete strength, CSW plate thickness, and folding angle. Moreover, the self-oscillation frequency and damping coefficient of this type of box girder are less than those of a conventional PC box girder.
With the increasing thickness, bending angle, inclination angle, and horizontal width of the steel web, the vertical, transverse, and torsional frequencies increase; however, the magnitude is limited. The addition of end diaphragms can effectively improve the lateral bending stiffness and torsional stiffness of CSW girder bridges, while the center diaphragm has less of an effect. The effects of the in vivo and out-of-body prestressing on the structure are negligible. A change in the girder section type and abutment form can improve the structural self-oscillation performance.

3.2. Dynamic Response Study

Currently, the main aspects of the dynamic response research on CSW box girder bridges are seismic response, vehicular vibration, and wind-induced vibration.

3.2.1. Seismic Response

Regardless of the structural system, the seismic performance of CSW box girder bridges is significantly better because of the lower dead weight of the box girders in the superstructure, which significantly reduces the response of the bridge span under seismic action [144,145,146]. Zheng [147] carried out seismic simulation shaker tests and measured that the seismic response of the test beams with CSW was smaller and more favorable for earthquake resistance. Jiang et al. [148] found that the vertical and lateral displacements of CSW box girders were slightly smaller than those of ordinary concrete web box girders. The critical section bending moment of CSW box girder bridge is only about 70~90% of the corresponding conventional PC girder bridge, and the use of CSW instead of concrete web can improve the seismic performance of box girder bridge. Ye [149] and others analyzed that the seismic performance of CSW box girder bridges is better than that of equivalent prestressed concrete box girder bridges under horizontal seismic action; under vertical seismic action, the seismic performance of equivalent prestressed concrete box girder bridges is slightly better, but the vertical displacement is much smaller than the horizontal displacement.
However, the reduction in dead weight is accompanied by a reduction in stiffness. Rong et al. [150] found that, compared with the corresponding conventional PC box girder, the deadweight was reduced by 20%, and the vertical bending, transverse bending, torsion, and shear stiffnesses were reduced by 10%, 26%, 24%, and 89%, respectively.
Seismic response analysis is typically performed using finite-element software to establish a model. Based on the calculation of self-oscillation characteristics, the response spectrum method or dynamic time course analysis method is applied, and the design acceleration response spectrum provided by the “Seismic Code for Highway Engineering” [151] is used for the seismic analysis to derive the internal forces.
For the seismic response analysis of a single-mass system, the maximum seismic force can be expressed as follows:
P = M | δ ¨ g + δ ¨ | max = m S ( T )
where m is the total mass of the system, and S(T) is the acceleration response spectrum value determined from the response spectrum curve and the self-oscillation period T of the system.
According to Section 5.2.1 of the “Seismic Code for Highway Engineering” [151], the horizontal design acceleration response spectrum S (see Figure 23) with a damping ratio of 0.05 is calculated using the following formula:
S = { S max ( 5.5 T + 0.45 ) T < 0.1 s     S max 0.1 s   T T g S max ( T g / T ) T > T g
where Tg is the characteristic period (s) of the site where the structure is located; T is the self-oscillation period (s) of the structure.
The maximum value of the horizontal seismic acceleration response spectrum is determined using the following formula:
S max = 2.25 C i C s C d A
For a bridge structure, a seismic response analysis of a multi-mass system is used, and the vibration equation of the multi-mass system can be expressed using the following formula:
M δ ¨ + C δ ˙ + K δ = M I δ g ( t )
M, C, and K are the mass, damping, and stiffness matrices, respectively; δ is the relative displacement vector of the mass point to the ground; I is the inertial force impact matrix; and δ g (t) is the ground shaking acceleration time-range column vector; δ ˙ and δ ¨ are velocity and acceleration.
Currently, there are three main methods for seismic analysis: static analysis, reaction spectrum, and dynamic time-range analysis methods [152]. In the majority of countries, except for small- and medium-span bridges in common bridge structural forms, which are still analyzed using the reaction spectrum method, the time-range analysis method is recommended for seismic calculations of important, complex, and large-span bridges [3].
In conclusion, the seismic calculation of a CSW box girder bridge is generally referred to as that of a traditional PC box girder bridge. Meanwhile, the structural response of a CSW box girder bridge under seismic action is more complicated and closely related to certain structural parameters.
Liu [153] investigated the effects of CSW box girders on the seismic response of structures. They concluded that the height-to-span ratio of the box girder was approximately 0.025. In addition, it is preferable to select 1.8 times the parabolic shape for the bottom of the main girder, and for the diaphragm spacing, it is more reasonable to select a large diaphragm spacing to ensure the stability of the structure. Xie [154] provided the optimum design parameter intervals for the seismic performance of CSW box girders and suggested that the intervals of the high span ratio, wide span ratio, folding angle, and horizontal panel length be [2.2/50, 3.5/50], [6.5/50, 4.2/50], [10°, 30°], and [0.3, 0.6].
Wang et al. [155] explored the effects of the height-to-span ratio, main tower height-to-span ratio, and tie spacing of a CSW box girder on the seismic response of a bridge span structure by considering a cable-stayed bridge as an object and concluded that the height-to-span ratio of the main girder has a greater effect on the displacement and internal force of this type of box girder under seismic action and that the height-to-span ratio of the main tower and tie spacing have a greater effect on the displacement and internal force of the main tower as well.
Wang et al. [156], Li [157], and Mou et al. [158] analyzed the seismic response of a CSW box girder bridge. It was found that under seismic action, the box girder undergoes vertical bending and transverse bending deformation simultaneously, and the transverse deformation and mid-span bending moment are apparent. The main girder force in the middle of the span and near the pier pivot point are very complicated, and the vertical seismic action does not have a significant effect on the displacement and internal force of the medium- and small-span bridges. Thus, there is no need to perform a check calculation of the vertical seismic action.
Ye et al. [149] analyzed the seismic response of a CSW box girder and found that, for the internal forces generated by the abutment under seismic waves, the axial force and bending moment around the transverse PC bridge are smaller, and the bending moment around the CSW transverse bridge is smaller. Moreover, for the internal force generated by the main girder under a seismic wave action, the trend of the abutment is basically the same, and the node displacement of the main girder in the mid-span is smaller than that of the CSW bridge, in the downstream as well as transverse directions of the PC bridge. The acceleration attenuation rate is higher for the PC bridge in the downstream direction than that for the CSW bridge in the cross direction.
Under the input of longitudinal and vertical ground shaking, the CSW box girder bridge exhibits a small response and superior seismic performance. In the elastic phase of the structure, the results of the response spectrum analysis are similar to those of the time-range analysis; however, when the material or structure enters nonlinearity, it is necessary to use time-range analysis or other methods to analyze it. Moreover, the seismic performance of the CSW can be effectively improved by changing the height-to-span ratio and width-to-span ratio of the bridges, setting reasonable spacing for the diaphragm plates, and selecting a suitable CSW folding angle and length of the horizontal plates.

3.2.2. Vehicle-Induced Vibration

When a car is driven over a bridge, it can easily develop resonance with the bridge such that the amplitude of the bridge structure itself gradually increases. Various speeds, differences in road leveling, and other factors make the interaction between cars and bridges more complex [2]. Therefore, the vehicular vibration of CSW bridges is an important issue in current vehicular vibration problems, particularly impact coefficient research.
Because CSW composite bridges are mainly used in Japan, Japanese scholars have investigated the vehicular vibration response of this type of bridge as early as 1998 [3]. The results show that it is safe to use the PC bridge impact coefficient calculation method to calculate the impact coefficients of CSW bridges.
Typically, the amplification of the vertical dynamic response of a bridge by a vehicle is characterized using a static method, whereby the static response of the bridge owing to the weight of the vehicle is multiplied by an impact factor. The impact coefficient is expressed as follows [159]:
μ = Y d max Y j max 1
where μ is the impact coefficient; Yjmax is the car measured in the bridge effect time course curve, the maximum static effect at the maximum static effect of the measured value (such as static deflection); and Ydmax is the maximum static effect on the time course of the curve at the maximum static effect of the measured value of the maximum dynamic effect (such as dynamic deflection).
Based on the relevant research data, China’s “General Specification for Highway Bridge and Culvert Design” [160] specifies that the impact coefficient μ can be calculated according to Equation (37):
μ = { 0.05 f < 1.5 Hz 0.1767 ln f 0.0157 1.5 Hz   f 14 Hz 0.45 f   > 14 Hz
where f is the fundamental frequency of the structure.
Numerical simulations based on modern theories of axle vibration analysis have gradually become the main means for studying vehicle vibration response problems [161]. This includes a vehicle analysis model, bridge model, and numerical calculation methods. Existing domestic studies mainly take into consideration the peak dynamic deflection and impact coefficient as the evaluation indexes of the magnitude of the vehicular vibration response of CSW composite bridges. However, the main research means are numerical simulations, which examine the influence of various factors such as vehicle speed, roadway unevenness, structural damping, and vehicle weight on the impact coefficient of the CSW girder bridge.
Chen [162] solved the coupled equations of vehicles and bridges using the modal superposition method with the Xinyang Pohe Bridge as the background and examined the effects of vehicle speed, roadway unevenness, and bridge structural damping on the impact coefficient of the bridge. They pointed out that the impact coefficient increases with an increase in the vehicle speed and roadway unevenness and decreases with an increase in the bridge damping ratio. The calculated values of the specifications were less than those of the numerical simulation results. Subsequently, Ji et al. [163,164,165] found, through numerical simulations, that pavement unevenness is an important factor affecting the impact coefficient of CSW bridges. When the unevenness of the road surface is medium, the impact coefficients obtained from the numerical calculations are in good agreement with the results obtained from the calculations; however, when the unevenness of the road surface is poor, the standardized formulas are no longer applicable. In addition, the influence of vehicle speed on the impact coefficient is not regular. The maximum value of the local impact coefficient occurs at the cantilever plate of the box girder, while the maximum value of the overall impact coefficient occurs at the junction of the web and bottom plates, which is far from the loading position of the vehicle. Moreover, if the fundamental frequency of the moving vehicle is close to that of the CSW bridge, resonance is more likely to be triggered, and there is a positive correlation between the two.
Qi [166] conducted a study of the vehicular vibration response and showed that the influence of vehicle speed on the dynamic response is more complicated; the greater the roadway unevenness level and the higher the vehicle weight, the greater the dynamic response of the bridge; if the other conditions are the same, the dynamic response of the CSW bridge during vehicle travel is greater than that of the traditional PC bridge. Xiao [167] and Wang [168] applied the theory. The results showed that, the faster the vehicle speed, the greater the bridge deck unevenness, and the smaller the damping ratio, the greater the impact coefficient.
Xie [169] found that the impact coefficients of bridges with large roadway unevenness are generally larger than those of bridges with small roadway unevenness; when the roadway unevenness class remains unchanged, the impact coefficients may increase or decrease as the vehicle speed increases, and there is no obvious correlation between the two; the impact coefficients of the large-span CSW girder bridges are between the roadway unevenness classes B and C; the impact coefficients of girder bridges firstly decrease and then increase with the increase in the bridge width-to-span ratio, while the increase in the bridge damping ratio decreases the impact coefficients; the impact coefficient of the bridge width-to-spread ratio increases, while the impact coefficient of the bridge damping ratio of the bridge decreases. With an increase in the bridge width-to-span ratio, the impact coefficient of the girder bridge decreases and then increases, while an increase in the bridge damping ratio decreases the impact coefficient.
Chen [170] and Tategami et al. [171] performed analyses and determined that the impact coefficient under the action of moving vehicles is greatly influenced by the road surface unevenness, vehicle speed, and vehicle acceleration. With an increase in the roadway unevenness, the impact coefficient exhibits nonlinear growth, and the relationship between vehicle speed and impact coefficient is more complicated. With an increase in the vehicle acceleration, the bridge vibration frequency decreases, and the amplitude first increases and then decreases. At different speeds, the impact coefficient caused by the larger vehicle weight is greater than that caused by the smaller vehicle weight.
Gao et al. [172] demonstrated that three factors are the most important for the vehicle-induced vibration response. These are the vehicle-to-bridge mass ratio, vehicle-to-bridge frequency ratio, and the perturbation frequency ratio related to the velocity and frequency of the bridge.
To accurately evaluate the vibration response of CSW box girder bridges under vehicular loading, especially for large-span structures, the effects of various factors on the impact coefficient, such as roadway unevenness, vehicle weight, vehicle fundamental frequency, vehicle speed, structural damping, damping ratio, and vehicle acceleration, should be considered.
The current research on vehicle vibration is mainly focused on the impact coefficient and shows that there are many factors affecting it, which usually increases with an increase in the road surface unevenness, vehicle weight, and vehicle fundamental frequency, decreases with an increase in the bridge damping ratio, and is more complicated in the case of a change in vehicle speed.

3.2.3. Wind-Induced Vibrations

The effect of wind on bridges includes both the static and dynamic effects of wind loads [2]. The wind vibration problem of bridge structures can be divided into five categories according to the form of structural vibration: chattering, chirping, shaking, vortexing, and cable-pulling wind vibrations. In the above categories of vibration forms, the main beam analysis was chattering and shaking vibrations. Currently, there are three main research methods for determining the wind resistance of bridges: wind tunnel experiments, theoretical analyses and field observations, and computational fluid dynamics (CFD) numerical simulations [3].
Vibrations can be categorized as self-excited and forced vibrations, and self-excited vibrations would result in bridge damage. Bridge chattering is one such self-excited vibration, and it triggers the dispersive instability damage of the structure. Although chattering is the most hazardous phenomenon in the case of wind-induced vibration of bridges, the critical wind speed of chattering can be improved through wind-tunnel modeling experiments and by improving the torsional stiffness of the main girder cross-section, which can prevent the occurrence of this type of phenomenon [173]. The flutter problem in bridges has already been addressed.
Shaking vibration is a form of forced vibration, and the amplitude of this form of vibration is limited but more common. It is unlike a self-excited vibration, which needs to meet certain conditions; shaking vibration can occur at any wind speed. A long vibration response not only causes fatigue damage to bridge components, but also affects the comfort of traveling on the bridge [2]. Therefore, shaking vibration analysis has become a very important part of bridge wind design, and current research on shaking vibration frequency domain analysis methods, time domain analysis methods, and shaking vibration frequency domain analysis theory there includes the Davenport theory [174], Scanlan theory [175], and Lin theory [176], respectively. Davenport expressed the aerodynamic drag for a point-like structure as follows:
P ( t ) = 1 2 ρ U 2 D C D ( 0 ) + ρ U D C D ( ξ ) u ( t )
where CD (0) and CD (ℇ) are the drag coefficients and non-stationary drag coefficients, respectively; ρ is air density; D is the characteristic length; and u(t) is the vertical wind direction fluctuation wind speed.
The frequency domain analysis is a simple, convenient, and efficient method that is widely used in the wind vibration analysis of bridges. However, frequency-domain analysis methods cannot fully demonstrate the nonlinear characteristics of a structure. To take into consideration the nonlinear effect, a time-domain analysis method of vibration shaking is proposed, which was used to study the wind speed change with time using computer technology. The wind vibration in the time domain is investigated by transforming the wind speed into a time-range force that can be applied to a finite element.
The above two jitter vibration theories are too complicated, and their errors are large because some influencing factors are neglected in their analysis process; therefore, many scholars have focused on improving them. Chen [177] combined the Davenport and Scanlan jitter vibration theories to propose a large-span bridge jitter vibration analysis response spectrum method. With the development of bridges in the direction of high piers and large spans, the effect of multimodal coupling in the response analysis of bridge jitter vibration has become increasingly apparent. Jain [178] proposed a modal superposition method based on the frequency domain analysis, which can be used to study the effect of multimodal coupling in jitter vibration. Ding et al. [179] proposed a finite-element complete quadrature combination method for calculating the vibration response of large-span bridges, which is simple and efficient.
Zhu [180] and Guo [181] studied the flutter characteristics of double-span CSW bridges with a bridge as the analysis object and found that the double-span structure has a greater impact on the wind flutter characteristics, and the static coefficient of the downstream span of the double-span bridge is affected to a greater extent by the aerodynamic disturbance as compared to that of a single-span bridge. Moreover, the critical wind speed of the vibration of the bridge section of the double-span structure is reduced compared with that of the single-span structure, and the critical wind speed of the vibration of the upstream bridge section is less than that of the downstream bridge. Liu [182] used a CSW girder bridge, and in accordance with CFD theory and the method of bridge wind vibration analysis, he used finite elements to perform numerical simulations of two-dimensional and three-dimensional flow fields, calculated static three-dimensional coefficients of force, and analyzed the rule of its change.
Chen [183] simulated the static three-part force coefficients of bridge sections under various wind attack angles using a finite element. It was verified that the numerical simulation method can more accurately simulate the static force of wind on bridges. Tayfor [184] verified the accuracy of numerical simulations using wind tunnel tests.
Currently there are fewer studies on wind-induced vibration of CSW box girder bridges, and most of them use numerical simulation. However, there are still many challenges in the numerical simulation, such as how to further confirm the structural details of CSW box girder modeling, how to select the boundary layer effect, fluid–structure coupling effect, and turbulence model, and how to select the mesh partitioning.
In further research, parametric modeling can be used to simulate different working conditions, improve the algorithm in the fluid–structure coupling, carry out iterative solving calculations, choose suitable turbulence models, and use some dynamic grid adaptive techniques to optimize the calculations.

4. Long-Term Behavior of the CSW Box Girder Bridges

The fatigue damage and creep of box girder structures or members in long-term use have a significant impact on their durability and often become the main cause of overall structural failure in some critical areas. Therefore, as a superstructure for large-span bridges, it is important to study the fatigue and creep problems in CSW box girders.

4.1. Fatigue

Fatigue damage is an important mode of box girder damage, and the difference in the fatigue resistance of the entire structure mainly depends on the degree of local stress concentration on the components, such as the CSW, shear connectors, and steel plate flanges, which results in sprouting of cracks until the final damage [185,186,187]. The fatigue characteristics of the connection between CSW segments are mostly determined by specific model tests and combined with the actual stress amplitude of the bridge [185,188,189]. The current steel bridge fatigue code [190,191,192] determines the fatigue life through the stress amplitude and structural details.

4.1.1. Fatigue Test Studies

Fatigue studies on CSW box girders, both domestically and abroad, began with fatigue tests on CSW steel girders. In 1965, Harrison [185] conducted a fatigue test. Foreign studies have been conducted on the fatigue performance of such beams [7,187,193,194], and the results include the following: (1) Stress concentration usually occurs at the junction of the flat and inclined surfaces of the CSW; (2) the construction quality of the weld has a significant influence on the fatigue performance; (3) the fatigue life increases as the bending angle decreases; and (4) a large bending radius is favorable for reducing the stress concentration.
Lindner et al. [7] suggested that the inclination angle of a CSW inclined edge should be no less than 30°. Takeshita et al. [195] found in their experiments that the addition of a reinforcement mesh at the top of the CSW could slow down the development of fatigue cracks in concrete slabs. Anami’s [186] study on the geometrical parameters affecting the stress concentration at the connection weld site showed that the inclination angle of the inclined edge of the waveform and the radius of curvature were the most important influencing factors. It decreases as the inclination of the inclined side of the waveform decreases and as the radius of curvature increases. In addition, CSW beam specimens having a larger geometry may have more defects in the weld seam, thus resulting in higher residual stresses and stress concentrations and thus a lower fatigue strength.
Wang et al. [196] found that fatigue cracks were generated at the toe of a corrugated corner weld and that there were large welding residual stresses in the weld region of the flange plate-wave web through experimental and numerical calculations.
Miki [197] investigated the fatigue damage of bridges and found that box main girders were susceptible to fatigue damage under out-of-plane loading. Nakasu et al. [198] investigated the embedded connectors under out-of-plane loading and found that the fatigue life of the combined girder test specimens increased as the length of the upper edge of the embedded connectors’ aperture from the top of the corrugated webs increased. Tanaka et al. [199] showed that the out-of-plane loading on the waveform web caused tensile stresses on the outside and compressive stresses on the inside of the inclined edges of the web, and thus a weak point of fatigue strength was easily formed in the bending area. Figure 24 presents the force diagram under out-of-plane loading.
The domestic fatigue characterization of CSW box girders is mainly focused on the effect of the web geometry parameters on fatigue performance.
Wang et al. [200] found that the bending angle and radius of the CSW had a large influence on the stress concentration, which increased with an increase in the bending angle and decreased with an increase in the bending radius. Tong [201] numerically analyzed the factors affecting the stress at the weld seam between the CSW and the lower flange of the box girder. The stress concentration at the weld is very important for fatigue crack extension. For example, the vertical inclination angle of the CSW can improve its fatigue performance. Wang et al. [200] analyzed the CSW-welded members with different bending angles and found that the fatigue strength decreased with an increase in the bending angle, and the change in fatigue strength was no longer obvious when the angle was increased to 45°.
Liu [202] analyzed the fatigue damage of CSW bridges by changing the parameters through finite elements, and the results showed that the cumulative fatigue damage decreased with an increase in the thickness of the concrete top slab, concrete strength, and height-to-span ratio, and increased with an increase in the spacing of the diaphragm.

4.1.2. Fatigue Life Assessment

Current research on the fatigue life of CSW beams is primarily based on experiments and theories, including experimental and nominal stress methods and fracture mechanics analysis methods based on crack extension. Therefore, researchers [187,203,204] completed a series of fatigue tests under different conditions and obtained S–N (i.e., stress–life) curves, as shown in Figure 25 and Figure 26. Compared with the corresponding specifications, it was found that the fatigue life of the CSW beams lies between the fatigue design Classes B and C of the American Association of State Highway and Transportation Officials (AASHTO).
Researchers have proposed typical prediction equations for the fatigue life of CSW beams based on the above two methods (experimental S–N curves and fracture mechanics), as listed in Table 3.
Sause et al. [187] conducted fatigue tests on large CSW beam specimens. The results showed that the fatigue life of the CSW I-beams was longer than that of ordinary stiffened I-beams.
Liu [207] numerically analyzed the effect of the geometric parameters of this box girder on the stress distribution and stress concentration coefficient at the weld joint between the steel flange plate and steel web plate on the tension side and analyzed the fatigue-crack extension life and fatigue-crack sprouting life based on the fracture mechanics method and the local stress–strain method, and then put forward a second-order fatigue life assessment model. Li [208], Peng et al. [206], and Yuan et al. [209] analyzed the fatigue damage theory of the material and suggested that the fatigue calculation of this box girder could be based on the design reference of the class C standard of the American specifications of AASHTO in favor of safety. In addition, the effect of in vitro prestressing on fatigue performance should be considered.
As shown in Figure 27, the stress on the surface of a typical weld toe is divided into three regions: the nominal stress region is farther away, followed by the hot-spot stress region, where the stress in this region increases gradually. Finally, the stress increases rapidly close to the weld toe and reaches a maximum value in the notch at the weld toe, which is defined as the notch stress [208].
Due to the complexity of the stress distribution at the welds of CSW beams at the joint, it is difficult to clearly define the nominal stresses. Therefore, the fatigue performance of the CSW girders evaluated by the nominal stress method is not supported by a sufficient theoretical basis or experimental data. The notched stress method overcomes the deficiencies of the aforementioned methods and is suitable for evaluating the fatigue performance of complex structures [210].
Huang et al. [210] applied finite element analysis to demonstrate that the notched stress method is better for the fatigue assessment of CSWs. The notched stress concentration coefficient is greatly affected by the web corner radius and folding angle, which decreases with the increase in the web corner radius and increases with the increase in the web folding angle. Meanwhile, Peng et al. [211] proposed the fatigue performance of CSW beams based on the hot-spot stress method and verified that this method can be applied well to fatigue evaluation. Moreover, the maximum hot-spot stress and stress concentration factor decreased with an increase in the steel flange thickness and web bending angle, which was no longer obvious when the angle was increased to 45°.
Liu et al. [212] analyzed the CSW girders using finite elements and a theoretical analysis of the CSW girders while considering that the residual stresses in the case of different bending angles on the welding residual stresses had less of an effect; they proposed that setting the value of the bending angle to 30° is conducive to the improvement of the fatigue life of the structure. Simultaneously, traffic growth can quickly reduce the fatigue reliability index of CSW girder bridge welds.
It is thus generally recognized that fatigue cracks develop at the weld toe, where the diagonal section of the CSW meets the flange steel plate. The main geometric parameters affecting the fatigue performance are the bending angle, corner radius, and vertical inclination of the CSW, and the fatigue performance of the structure can be enhanced by increasing the bending angle and decreasing the corner radius appropriately. Meanwhile, for the CSW box girder, the cumulative fatigue damage decreased with an increase in the concrete roof thickness, concrete strength, and height-to-span ratio. For the analysis of fatigue life, it is recommended that the design reference provided by AASHTO according to the US specification of the Class C standard be used to ensure safety, and the test S–N curve, nominal stress method, principle of fracture mechanics, and subsequent notch stress and hot-spot stress methods can be used for the evaluation of the fatigue performance.

4.2. Creep

Under long-term loading, concrete creep increases the deformation of the top and bottom concrete slabs of the CSW box girder over time. In the case of the effect of concrete creep on CSW box girders, researchers have found certain differences in the structure of the creep performance and the traditional PC box girder [2,213,214,215]. Thus, in this type of box girder, owing to the use of longitudinal free expansion and the contraction of the waveform steel plate as the web, the longitudinal constraints of the web on the concrete of the top and bottom slabs are significantly reduced, i.e., the constraints on the creep of the girder are reduced.
The creep properties of concrete are generally described by the degree of creep, coefficient of creep, and the function [3].
The Xu-Chang degree is as follows:
ε c ( t , t 0 ) = σ c ( t 0 ) C ( t , t 0 )
where C(t,t0) is the degree of variability, and there are two types of expressions for power functions and hyperbolic expressions.
The coefficient of creep can be expressed using the following two methods:
ϕ ( t , t 0 ) = ε c ( t , t 0 ) σ c ( t 0 ) / E c ( 28 )
ϕ ( t , t 0 ) = ε c ( t , t 0 ) σ c ( t 0 ) / E c ( t 0 )
where Ec (28), Ec (t0)is the age of 28 days; εc (t,to) is the modulus of elasticity of concrete at time t0; and σc (t0) is the creep stress generated at the initial moment.
These models are broadly categorized into two types: the CEB-FIP model, BS model, and GL2000 model, which are expressed as shown in Equation (40); and the other models, such as the ACI209 model and RILEMB3 model, which are expressed in Equation (41). Scholars [216,217,218,219,220,221,222,223,224,225,226,227] in various countries have concluded that the key factors affecting the accuracy of concrete creep model are concrete compressive strength, modulus of elasticity, curing method, fine aggregate content, shape of concrete member, size of member, ambient relative humidity, body-to-surface ratio, age of loading, type of cement, and nonlinear creep.
Some researchers in China [216] compared the creep prediction models with various specifications and suggested that the order of the advantages and disadvantages of the models is GL2000, CEB-FIP, and ACI209 [217,218,219,220]. The finite element software programs currently used are ANSYS/Civil Fem [228,229,230], Midas/FEA [118], Midas Civil [196], etc.
There are two methods to calculate the concrete creep in ANSYS/Civil Fem: the step-by-step method and the effective modulus method.
In ANSYS/Civil Fem, there are two methods to calculate concrete creep: the step-by-step method and effective modulus method. At the same time, ANSYS/Civil Fem can calculate the concrete creep in a user-defined way through a three-dimensional spatial solid unit model, which is very important for the corrugated steel web box girder, which has a non-negligible shear deformation and a non-stiffened web, and it is possible to combine the Effective modulus method and the structural analysis method to compute the shrinkage creep effect of the prestressed concrete box girder with a corrugated steel web. The effective modulus method and the finite element method (FEM) can be combined to make the calculation of shrinkage creep simple and easy.
It is found that by defining the concrete shrinkage and creep coefficients through the time-dependent materials in Midas/FEA, the time-dependent properties of shrinkage and creep can be considered directly.
In Midas Civil, due to the shrinkage and creep of concrete, the redistribution of structural forces is caused in the steel–cement girder bridge, and the elastic connection is used to simulate the connection between the concrete deck slabs and the steel girders to model the steel–cement continuous box girder bridge.
For the ANSYS secondary development technique, the results obtained by this method are closest to the experimental solution results. However, this method requires computer editing programs: parametric programming language, user interface design language, user program features, and ANYSY data interface. The explicit creep subroutine usercr.F provided by ANSYS is modified according to the concrete creep, which is mainly used to calculate the concrete creep by modifying the metal creep through the intrinsic relationship of metal creep, and then the finite element model of the corrugated steel web on the connection is used for the calculation.
Based on the analysis of a large amount of experimental data, it is determined that the strain comprises basic strain and drying strain, and the strain function is derived to represent the following strain formula:
J ( t , τ , τ 0 ) = 1 E ( τ ) + c 0 ( t , τ ) + c u ( t , τ , τ 0 ) c p ( t , τ , τ 0 )
where t, τ, and τ0 are the age at the time of calculation, the loading, and the drying, respectively; c0 (t,τ) is the strain at normal temperature and humidity; cu (t,τ,τ0) is the drying creep; and cp (t,τ,τ0) is the reduction value of the creep to the drying creep.
In the creep analysis, the material properties of concrete are nonlinear, and a nonlinear criterion should be adopted to obtain more accurate values when calculating the creep effect. However, the current nonlinear creep theory is difficult to represent owing to some limitations. Bazant [231] summarized the commonly used methods for calculating the creep of concrete: (1) the median coefficient method; (2) integral degenerate kernel method; (3) Dishinger’s method and extended Dishinger’s method; (4) AEMM method; and (5) SMM method. Numerical simulations are also widely used to analyze creep; however, they require the writing of computer programs.
Meanwhile, in CSW bridge structures, concrete creep is the main factor causing structural deflection, while creep may cause stress redistribution of box girders and prestress loss, which has an important effect on the long-term deformation and internal force of the bridge [232]. Thus, the study of CSW box girder creep comprises its prestress loss under the action of creep, stress redistribution, and deformation laws, as well as the use of a variety of methods to investigate the effect of creep.
Hu [233] analyzed a CSW bridge and found that the mid-span deflection caused by concrete creep accounted for more than half of the total deflection, and the proportion of the axial force redistribution in the mid-span section accounted for 9.6%, while the proportion of bending moment redistribution was as high as 68.4%, which indicates that the effect of concrete creep on the force state of box girders under long-term loads is apparent, and it gradually flattens with time. The prestressing loss of the outer bundle exceeded that of the inner bundle.
An et al. [234] showed that the prestress loss in the latter was 0.95–2.01 times higher than that of the former compared to a prestressed concrete box girder. Li et al. [235] showed that the deflection increment of a CSW box girder caused by creep was larger than that of a concrete girder, the rate of prestress loss in the CSW box girder caused by creep was larger in vitro, and the rate of prestress loss in vivo was smaller. Hu et al. [236] concluded by finite element analysis that the deflection due to creep in the mid-span of PC continuous stiffeners is larger than that of CSW bridges under the same prestress configuration, whereas the creep stress is smaller, but the loss of prestress due to creep is larger.
Li et al. [213], through the static observation of two models, concluded that by using the creep rate method, the calculation results can match the actual situation well, and the CSW box girder can effectively reduce the inverted arch caused by long-term creep. Yang [237] proposed a simplified calculation method for box girder creep, in which uniform cooling of the top and bottom slabs was used to equivalently simulate box girder creep.
Xiong et al. [238] found that shear deformation has a significant influence on the deformation generated by the creep effect, and the degree of this influence gradually decreases with the passage of time. Peng [239] found that the effect of concrete shrinkage and creep on the CSW shear stress of side spans was relatively large, while the effect on the center span was negligible.
Tang et al. [240] found that the shrinkage creep effect of a box girder structure decreased with higher ambient relative humidity. The concrete loading age and loading duration had less influence on the shrinkage creep effect of CSW box girder bridges. The use of C55 and concretes of higher strengths is recommended, which can significantly reduce the deflection of the main girder owing to shrinkage creep. Liu et al. [241] analyzed the effect of the shrinkage creep of concrete on CSW box girders under long-term loading. The effect of deflection mainly occurs from the bridge completion stage to the operation period of 10 years, and the deflection of the cross-section near the center of the midspan has the greatest change, which reduces with time. When the axial forces of the top and bottom concrete slabs decreased, the axial force of the CSW increased, and the change in the vertical axial force increased. With an increase in the age of the precast concrete slabs, the effect of the deformation and internal force redistribution of the beams was weakened. The extent of the internal force redistribution of this type of box girder was much smaller than that of a flat steel web under long-term creep.
In the case of CSW bridges, based on a theoretical experimental analysis, finite element simulations, and equivalent methods proposed by some scholars, the structural creep effect can be accurately simulated. The effect of creep on the CSW bridge is gradually weakened with the increase in the bridge operation time but is less than the traditional box girder top and bottom plate creep effect, and the deformation is small, but the prestress loss is greater. Therefore, the creep is required to be considered comprehensively, and the use of C55 or higher-grade concretes increases the age of concrete curing and other measures for reducing the creep effect of concrete.

4.3. Temperature Effects

The temperature effect of bridge diseases can be divided into the following three categories: cracking of concrete beams, bridge bearing diseases, and direct damage to the bridge. Research has shown [242,243]: temperature stress is one of the most important factors that cause cracking of concrete beams. Bridge structure in the natural environment for a long time, subjected to cyclical temperature changes, solar radiation, and other factors, its internal formation of a significant temperature gradient. For CSW combined box girder, there is a difference between the thermal conductivity of steel web and concrete, and the temperature gradient is more complicated. When the top and bottom plates of the bridge and the steel web are at different temperatures, different temperature deformations and stresses will be generated in each part of the bridge, which will easily lead to cracking when the temperature stress is too large and affect the safety and durability of the bridge structure. Therefore, it is very important to carry out the research on the temperature effect of CSW combined box girder bridge [244].
The temperature load is usually expressed in the form of the temperature field that is transmitted into the structure and varies with insolation, and to study the temperature effect of the CSW composite box girder, it is necessary to obtain the temperature load first. Therefore, solving the correct and reliable temperature field is the key to studying the temperature effect [245,246]. The solar radiation on the CSW box girder is shown in Figure 28.
The heat conduction process inside the CSW beam can be calculated by Fourier’s differential equation of thermal conductivity, which is a general equation that should be satisfied by the temperature field of all thermally conductive objects, as shown in the following equation [247]:
k ( 2 T x 2 + 2 T y 2 + 2 T z 2 ) + Q = ρ c T t
where T is the temperature at any point (x, y, z); ρ, c, k, Q and t are the density, specific heat capacity, thermal conductivity, and heat generated by the heat source in the unit volume per unit time and time, respectively.
Some scholars in China have done some exploratory work on the temperature field and temperature effect of sunshine for CSW composite box girder bridges. Shao et al. [248] analyzed the temperature effect on a CSW combination girder structure, and the results showed that the use of CSW could reduce the temperature stress of the bridge.
Li [249] took the CSW composite box girder bridge as an object and calculated and analyzed the effects of two typical temperature loading conditions, namely, sunlight rays perpendicular to the longitudinal direction and sunlight rays parallel to the longitudinal direction, on the stress distribution of this composite box girder. The calculation results show that the sunlight loading causes a large tensile stress in the top plate and also leads to the non-uniformity of the stress distribution in the box girder cross-section. Wang et al. [250] measured the insolation temperature field of two CSW sections, and the finite element calculation results showed that the transverse tensile stress at the lower edge of the box girder top plate was larger under the measured temperature gradient. Dong et al. [251] proposed a temperature field calculation model that can be applied to different temperature regions, and the calculation shows that there is a large temperature tensile stress on the center axis of the lower edge of the top plate.
Ma et al. [252] monitored the strains in the control section of a single-box, three-compartment, CSW composite continuous box girder bridge during the operation stage and found that the temperature stresses during the operation period exceeded the live-load stresses, which became one of the control factors for the design. Zhu [253] investigated the temperature distribution characteristics of concrete wings and CSW of CSW composite box girders under the action of sunshine and its stress variation rule. It was found that the temperature of the steel web has linear distribution along the thickness direction, which has little influence on the temperature distribution in other areas of the box girder cross-section, and the longitudinal positive stress at the junction of the steel web and the concrete wing plate under insolation is more significant, and the use of the beam unit to simulate the temperature gradient effect of this combined box girder is often not ideal, which can cause distortion in the results of the steel web and the stress of the concrete wing plate.
Guo [254] used a composite continuous box girder bridge with CSW as the background to characterize the temperature field of the bridge based on the measured temperature. It was found that along the longitudinal direction of the bridge, the cross-sections at different locations had the same temperature distribution form under insolation. Along the vertical direction of the box girder, the temperature of the top plate decreases gradually as an exponential function from the upper surface to the lower surface, the upper and lower parts of the web plate decrease due to the influence of the concrete, and the bottom plate varies linearly, increasing gradually from the upper surface to the lower surface. Along the transverse direction of the box girder, the left and right sides of the top plate change according to the quadratic curve form, and the transverse temperature difference between the web and the bottom plate is small and negligible.
Qiang et al. [255] proposed two distribution patterns of the temperature field of a CSW combined cast-in-place continuous box girder bridge by analyzing the data collected continuously for 90 d from 32 temperature measurement points on the two sections of the girder and fitted a model of the insolation temperature gradient of the CSW combined box girder for the area of the bridge site, which has better performance than the one based on the data from a large number of continuous observations in the field. This research method, based on a large number of continuous field observations, is representative and of good reference significance.
Wang [256] investigated the calculation of the temperature effect of composite box girders with CSW and concluded that compared with ordinary box girders, composite box girders with CSW have a smaller temperature sub-stress but a larger temperature deformation under temperature action.
Yang [257] found that CSW box girder bridges, relative to concrete box girder bridges, under the influence of the overall rise and fall of temperature action, the difference between the internal forces and stresses suffered by the two is not significant, but when subjected to gradient temperature action, resulting in the structure of the temperature of the internal forces and stresses will be clearly visible, the former internal force values can be up to the latter 1 to 2 times.
Shan et al. [258] took the simply supported CSW composite box girder as the object. It is shown that the temperature effect of the concrete top and bottom slabs due to temperature difference is not uniformly distributed along the span length, and the maximum axial force is largest near the center of the span while it tends to be 0 near the pivot point. In addition, the distribution of longitudinal shear force on the steel–concrete bond due to the temperature difference is also not uniformly distributed, and it is largest near the pivot point while it tends to be 0 near the center of the span.
Chen et al. [259] investigated the calculation of transverse temperature difference stresses in composite box girders with CSW and proposed a simplified model for the transverse frame calculation of composite box girders with CSW based on the principle of equal out-of-plane bending stiffness.
Xu et al. [260] carried out a temperature observation test on a CSW composite box girder for 9 months and obtained the representative values of the atmospheric diurnal temperature difference. They concluded that the diurnal temperature difference of the box girder obeys the distribution of W(10.453, 2.577); Yao [261] et al. used statistical analysis of measured data to show that the temperature variation of the CSW composite box girder obeys the Weibull distribution; they analyzed the parameters of the factors such as the aspect ratio and temperature gradient and obtained the formula for the maximum transverse temperature stress of the top plate based on the regression of the optimization algorithm.
Zhang et al. [262] conducted a study on the insolation temperature field for the lined concrete section of CSW composite box girder, and the suggested transverse temperature gradient between the steel web and concrete web was obtained by fitting the test data.
Chi [263] obtained the insolation temperature field of shaped composite box girder with asphalt paving layer at low temperature by finite element simulation, and the maximum value of the negative temperature gradient of the paving layer was obtained as 3.3 °C. Huang et al. [264] simulated the long-term change in insolation temperature field of CSW girder based on the environmental element model, and found that the extreme vertical temperature difference between the south and north webs of the girder were 35.6 °C and 27.8 °C, respectively, which exceeded the vertical gradient temperature load given in the current specification for modular bridges.
Guan [265] compared the finite element calculation results with the Chinese and American specifications and concluded that the positive temperature gradient effect should be considered according to the American AASHTO specification [266], and the negative temperature gradient effect should be calculated according to the Chinese General Specification for Highway Bridge and Culvert Design (JTG D60-2015) [160].
Wu [267] based on the real bridge temperature observation test, analyzed the sunshine temperature field and temperature effect of the CSW composite box girder bridge carried out a series of studies found that the finite element model can simulate the sunshine temperature field more accurately, the vertical temperature difference of the steel web is positively correlated with the height of the box girder, air temperature, and the absorption coefficient of solar radiation of the steel material, and negatively correlated with the length of the wing edge cantilever plate, the ambient wind speed, and the geographic latitude.
In summary, the temperature field of bridge structure sunshine has typical periodic time distribution characteristics and uneven spatial distribution characteristics, mainly affected by three types of factors, such as bridge structure, climatic environment, and geographic environment, resulting in the existence of very obvious differences in the temperature field of the bridge structure between the bridge type and geographical differences. Existing scholars mainly use numerical simulation and experimental testing to study the temperature distribution of bridge structures, and the analytical calculation method for solving the temperature effect of combined beams is gradually becoming more accurate, but the establishment of a theoretical model for solving the temperature effect of combined beams with arbitrary boundaries should be strengthened.

5. Conclusions and Prospects

In this study, a CSW box girder bridge was reviewed. The static properties in terms of shear buckling, bending, torsion, and distortion and the dynamic properties in terms of the self-oscillation characteristics and dynamic response are reviewed. In addition, the effects of fatigue and creep on long-term mechanical properties are reviewed. Based on the results obtained by scholars in recent decades, the following conclusions can be drawn.
(1) Research methods on the shear buckling performance of CSW have been gradually improved through theory, experiments, and finite element simulations, and scholars have proposed expressions for the shear buckling strength under different conditions based on various research aspects, including the local, integral, interaction, and shear buckling strengths of box girders from the perspectives of linear and nonlinear considerations. The majority of the research has been focused on the shear buckling coefficient, and various analyses have been conducted to verify the coefficients of shear buckling based on their influencing factors.
(2) The bending performance is mainly based on the assumption that the proposed flat cross-section is generally safe, while ignoring the contribution of the CSW to the bending resistance. Meanwhile, in terms of improving the bending performance, the current main factors for improving the bending performance are the shear connection degree and shear slip of the shear connection key.
(3) Research on the CSW box girder torsion and distortion effects needs to be further strengthened based on in-depth experimental research to establish a more accurate calculation method for the torsional load capacity. The coefficient of increase in the internal force owing to torsion and distortion effects is an important component of the specification-wave CSW box girder; therefore, its value is also key to the accurate design of bridges. At present, the structural parameters of CSW box girder torsional performance research mainly include the top and bottom plate thicknesses, box girder height-to-span ratio, width-to-span ratio, cross-sectional form, plate thickness of CSWs, inclination angle, horizontal section length, angle, number of diaphragm plates, and arrangement of other aspects. Nowadays, most of the studies on the torsional performance of corrugated steel web girders are based on the finite element method and the theoretical method, which have a certain reference value, but the calculation results obtained by these two methods cannot truly reflect the structural stress state and the damage form. Therefore, in order to understand the actual damage characteristics of the combined box girder, it is necessary to carry out a torsion test to analyze.
(4) For the study of the CSW box girder dynamic characteristics, the shear and shear hysteresis effects of this type of box girder under load must be considered, and the frequency of these box girders will be reduced after due consideration. In addition, the box girder is composed of different materials, each part of the damping mechanism and vibration characteristics is different, and the resulting contribution to the vibration response is also different; therefore, in the analysis, the use of the equivalent damping ratio is reasonable and simple. Factors such as the diaphragm, cross-sectional form, pier type, steel web geometry, and internal and external prestressing have different degrees of influence on the self-vibration characteristics of CSW box girders. Therefore, the rational selection of various structural parameters is particularly important.
(5) Compared with the traditional PC box girder bridge, the CSW box girder bridge has a significant advantage in terms of seismic performance, and its seismic calculation method can be generally referred to as the former. The structural response under seismic action is also complex, and its magnitude is often affected by various structural parameters such as the height-to-span ratio of the box girder and the geometric parameters of the CSW. Studies on vehicle-induced vibrations have been mainly focused on vehicle-induced vibrations. Research on vehicle vibration has been mainly focused on the impact coefficient and the analysis of the effects of various factors. There is little research on wind vibration at present, most of which comprises the characterization of its own features as well as the comparative analysis with the features of traditional PC box girder bridges, and the means of research mainly comprise wind tunnel experiments, theoretical analysis and on-site observation, and CFD numerical simulations.
(6) The fatigue life of the CSW box girder is based on the proposed typical prediction equation. For box girders with flange-type connectors, fatigue cracks tend to sprout and expand at the weld toes near the joints, and the fatigue performance can be improved by rationally designing the geometrical parameters of the CSW. Further research is needed to evaluate the fatigue life of this type of box girder.
(7) The creep effect is currently being analyzed using theoretical experiments and finite-element simulations. The main factors affecting creep are the bridge operation time, high-grade concrete, and age of concrete curing. There is no prediction model that can be applied to all concretes. The general research method is to carry out shrinkage and creep tests on specific concretes for specific engineering structures, compare the test results with the existing prediction models and select the appropriate prediction model, and then modify the prediction model with the experimental data in order to improve the prediction accuracy.
(8) At present, there are fewer studies on the temperature field of CSW combined box girder in China, especially the lack of long-term real bridge test data on the temperature field of CSW combined box girder. At the same time, to obtain the temperature effect of this kind of box girder, the temperature field must be described realistically, and at present there are relatively few researches on describing the temperature field based on the temperature of the real bridge test, while the real bridge test needs to pay attention to the arrangement of the measurement points in order to fully respond to the spatial nonlinear distribution law of the bridge temperature, and the calculation of the temperature effect based on the temperature field can be roughly referred to the traditional box girder, including the temperature self-stress, the vertical temperature difference stress, and the transverse temperature difference stress, and so on.

6. Outlook for Future Research

In the domestic research on CSW box girder bridges, Chinese researchers have a deep understanding of their mechanical properties and long-term behavior. However, while summarizing the literature, the following relevant problems to be solved or studied in depth were also found:
(1) The steel web portion at the concrete flange and embedded in the concrete flange is also subjected to shear. Therefore, the characteristics of the shear connectors may affect the shear strength of the box beam. Therefore, this aspect must be considered in this study. Different values of CSW parameters will have a greater impact on the shear buckling state, and the overall stability of the beam can be improved by investigating reasonable parameter values to harmonize the relationship between local and overall shear buckling.
(2) The CSW can withstand some of the bending moments described in this section. Neglecting its contribution to the bending stiffness and strength is an approximation of the actual conditions. However, further studies are needed to confirm this hypothesis. Meanwhile, it is possible to optimize the shear slip by using push-out tests and beam tests.
(3) Previous studies on the torsion and distortion performance of box beams were primarily based on experimental or numerical simulations under pure torsion. Numerical simulations can be used to simulate the accordion effect; however, they are inefficient. Therefore, further research is necessary. The majority of studies on the torsional performance of CSW box girder bridges are on equal cross-sections, and the torsional performance of other box girder bridges is required to be strengthened by experimental and theoretical studies. To study the ultimate torsional load capacity of the CSW box girder, the current calculation method requires the use of MATLAB to perform iterative calculations; therefore, more experimental research is required to improve the theoretical system and simplify the calculation. There is no consensus regarding the secondary effect of reinforcement and the parameters affecting its flexural capacity. Most of the existing literature carries out the tests for the scaled-down model of the CSW composite box girder, which is unable to respond to the size effect of the structure. The next step should be devoted to carrying out large-size model tests or original-scale segmental model tests to truly respond to the stress state of the structure.
(4) The location, thickness, and number of diaphragms may affect the torsional vibration of CSW box girders; however, the degree of improvement of the diaphragms on the torsional stiffness of such box girders requires further investigation.
(5) The evaluation indices used in the study of the vehicular vibration response of CSW girder bridges are relatively single and were mainly based on the impact coefficients of the bridges and lacked a unified calculation in the formula. Therefore, it is necessary to introduce different evaluation indices to evaluate the vibration response of the bridge and vehicle during the entire process of a vehicle driving over the bridge. The responses of large-span CSW girder bridges and other types of bridges to vehicular vibrations have not been extensively studied.
(6) Research has improved the understanding of wind vibration in bridge structures; however, more in-depth analysis and research is still required for understanding this type of bridge flutter, chirping, vortex vibration, weather vibration, and other forms of vibration, and the influencing factors are required to be analyzed to establish a precise and applicable analysis theory and the corresponding method for solving the problem. In determining the wind-induced response of bridges, existing theoretical analyses and wind tunnel model tests can usually be used. However, due to the complexity and variety of bridge section shapes, it is quite difficult to solve the air force and wind-induced vibration response acting on the bridge by purely theoretical analysis. Therefore, the wind tunnel model test is still the most effective and reliable means for wind design. Through various well-designed wind tunnel tests, it is possible to predict the aerostatic stability and dynamic stability of a real bridge, as well as whether there are any wind-induced vibration phenomena affecting the normal use of the bridge.
(7) Although studies have been conducted based on steel beam tests on CSW beam-welded connections for evaluating the stress concentration and fatigue damage to obtain a general description and analysis of the possible causes, in the case of the fatigue-crack initiation and development process, the fatigue-damage evolution law, and other aspects, further research is still required for evaluating the fatigue cracks caused by stress concentration and for the classification, assessment, and establishment of welded fatigue fracture analysis models and methods. Attention should also be focused on the fatigue failure process of a system under the influence of multiple factors.
(8) In an actual structure, the concrete creep characteristics often deviate from the prediction model; therefore, the results obtained from the calculation are different from the actual situation, and if the prediction model used is inaccurate, an incorrect conclusion may be reached. Therefore, obtaining the exact concrete creep curve is the key to accurately analyzing the shrinkage and creep of various actual bridges.
(9) The future development direction of the research on temperature of combined girder bridges should focus on the research on the temperature mode of combined girder based on the classification of effects, to strengthen the understanding of the autogenous and secondary effects of combined girder temperature in terms of mechanism; to strengthen the long-term temperature measurement of combined girder bridges to determine the representative value of combined girder temperature based on the statistical analysis; and to make full use of the historical data of the meteorological departments of various regions to carry out the research on geographical variability of the temperature effect of the combined girder.

Author Contributions

Conceptualization, P.G. and J.W.; methodology, P.G.; software, J.W.; validation, Y.Z. (Yuanxun Zheng), P.G. and J.W.; formal analysis, P.G.; investigation, Y.Z. (Yong Zhang); resources, Y.Z. (Yong Zhang); data curation, Y.Z. (Yong Zhang); writing—original draft preparation, J.W.; writing—review and editing, P.G.; visualization, Y.Z. (Yuanxun Zheng); funding acquisition, Y.Z. (Yuanxun Zheng). All authors have read and agreed to the published version of the manuscript.

Funding

Key scientific research projects of colleges and universities in Henan Province (Grant No. 23ZX014), Science Foundation Project for Outstanding Youth of Henan Province (Grant No. 232300421014), National Natural Science Foundation of China (Grant No. 51878623/52279144).

Data Availability Statement

Data will be made available on request.

Acknowledgments

The authors would like to acknowledge the financial support.

Conflicts of Interest

Author Yong Zhang was employed by the company China Construction Seventh Engineering Division Corp. Ltd. The remaining authors declare that the research was conducted in the absence of any commercial or financial relationships that could be construed as a potential conflict of interest.

References

  1. Alikhanifard, M.A.; Rahai, A.R.; Tehrani, P. A New Shear Strength Model for Steel Corrugated Web Girders. J. Constr. Steel Res. 2022, 197, 107457. [Google Scholar] [CrossRef]
  2. Editorial Board of the Chinese Journal of Highways. Review of Academic Research on Bridge Engineering in China—2021. China Highw. J. 2021, 34, 97. [Google Scholar]
  3. Editorial Board of the Chinese Journal of Highways. Overview of academic research on bridge engineering in China—2014. China J. Highw. 2014, 27, 96. [Google Scholar]
  4. Shimada, S. Shearing strength of steel plate girders with folded web plate (ripple web girders). Proc. Jpn. Soc. Civ. Eng. 2009, 1965, 1–10. [Google Scholar] [CrossRef] [PubMed]
  5. Bergfelt, A.; Leiva-Aravena, L. Shear Buckling of Trapezoidal Corrugated Girder Webs, Part 2; Chalmers University of Technology: Gothenburg, Sweden, 1984. [Google Scholar]
  6. Easley, J.T.; Mcfarland, D.E. Buckling of Light-Gage Corrugated Metal Shear Diaphragms. J. Struct. Div. 1969, 95, 1497–1516. [Google Scholar] [CrossRef]
  7. Lindner, J.; Aschinger, R. Grenzschubtragfähigkeitvon I-Tägern mit trapezförmig profilierten Stegen. Stahlbau 1988, 57, 377–380. (In German) [Google Scholar]
  8. Zhou, X.; Kong, X.; Hou, J.; Cheng, D.; Di, Z. Shear stress performance of corrugated steel web combined box girder. China Highw. J. 2007, 77–82. [Google Scholar] [CrossRef]
  9. Luo, R.; Edlund, B. Buckling analysis of trapezoidally corrugated panels using spline finite strip method. Thin-Walled Struct. 1994, 18, 209–224. [Google Scholar] [CrossRef]
  10. Luo, R.; Edlund, B. Shear capacity of plate girders with trapezoidally corrugated webs. Thin-Walled Struct. 1996, 26, 19–44. [Google Scholar] [CrossRef]
  11. Cheyrezy, M.; Combault, J. Composite Bridges with Corrugated Steel Webs-Achievements and Prospects. IABSE Rep. = Rep. AIPC = IVBH Rep. 1990, 60, 479–484. [Google Scholar]
  12. Hamilton, R.W. Behavior of Welded Girders with Corrugated Webs; The University of Maine: Orono, ME, USA, 1993. [Google Scholar]
  13. Driver, R.G.; Asce, M.; Abbas, H.H. Shear Behavior of Corrugated Web Bridge Girders. J. Struct. Eng. 2006, 132, 195–203. [Google Scholar] [CrossRef]
  14. Sause, R.; Braxtan, T.N. Shear strength of trapezoidal corrugated steel webs. J. Constr. Steel Res. 2011, 67, 223–236. [Google Scholar] [CrossRef]
  15. Elgaaly, M.; Hamilton, R.W.; Seshadri, A. Shear Strength of Beams with Corrugated Webs. J. Struct. Eng. 1996, 122, 390–398. [Google Scholar] [CrossRef]
  16. Eldib, A.H. Shear buckling strength and design of curved corrugated steel webs for bridges. J. Constr. Steel Res. 2009, 65, 2129–2139. [Google Scholar] [CrossRef]
  17. Elgaaly, M.; Seshadri, A. Depicting the behavior of girders with corrugated webs up to failure using non-linear finite element analysis. Adv. Eng. Softw. 1998, 29, 195–208. [Google Scholar] [CrossRef]
  18. Timoshenko, S.P. Theory of Elastic Stability; McGraw-Hill: New York, NY, USA, 1936. [Google Scholar]
  19. Zhang, B.; Chen, W.; Xu, J. Shear behavior of girders with trapezoidal corrugated steel webs—An experimental study. Stahlbau 2018, 87, 810–819. [Google Scholar] [CrossRef]
  20. Leblouba, M.; Junaid, M.T.; Barakat, S.; Altoubat, S.; Maalej, M. Shear buckling and stress distribution in trapezoidal web corrugated steel beams. Thin-Walled Struct. 2017, 113, 13–26. [Google Scholar]
  21. Nie, J.; Zhu, L.; Tang, L. Shear strength of corrugated steel web. J. Civ. Eng. 2013, 46, 97–109. [Google Scholar]
  22. Su, J.; Liu, Z. Calculation and distribution of shear stresses in box girders with variable cross-section of corrugated steel webs. Struct. Eng. 2010, 26, 32–36. [Google Scholar]
  23. Bulson, P.S. The Stability of Flat Plates; Chatte and Windus: London, UK, 1970. [Google Scholar]
  24. EN 1993-1-5; Eurocode 3-Design of Steel Structures—Part 1–5: Plated Structural Elements. European Union: Brussels, Belgium, 2006.
  25. Moon, J.; Yi, J.; Choi, B.H.; Lee, H.E. Shear Strength and Design of Trapezoidally Corrugated Steel Webs. J. Constr. Steel Res. 2009, 65, 1198–1205. [Google Scholar] [CrossRef]
  26. Guo, T.; Sause, R. Analysis of local elastic shear buckling of trapezoidal corrugated steel webs. J. Constr. Steel Res. 2014, 102, 59–71. [Google Scholar] [CrossRef]
  27. Wang, S.; Zhang, Y.; Luo, T.; Liu, Y. Elastic critical shear buckling stress of large-scale corrugated steel web used in bridge girders. Eng. Struct. 2021, 244, 112757. [Google Scholar] [CrossRef]
  28. Elgaaly, M.; Seshadri, A.; Hamilton, R.W. Bending Strength of Steel Beams with Corrugated Webs. J. Struct. Eng. 1997, 123, 772–782. [Google Scholar] [CrossRef]
  29. Wang, Y.; Zheng, L.; Guan, Y.; Wang, T. Elastic localized shear flexural strength of corrugated steel webs. J. Chongqing Jiaotong Univ. (Nat. Sci. Ed.) 2019, 38, 51–56. [Google Scholar]
  30. Wang, T.; Ma, J.; Wang, Y. Normalized shear strength of trapezoidal corrugated steel web dominated by local buckling. Eng. Struct. 2021, 233, 111909. [Google Scholar] [CrossRef]
  31. Aggarwal, K.; Wu, S.; Papangelis, J. Finite element analysis of local shear buckling in corrugated web beams. Eng. Struct. 2018, 162, 37–50. [Google Scholar] [CrossRef]
  32. Yi, J.; Gil, H.; Youm, K.; Lee, H. Interactive shear buckling behavior of trapezoidally corrugated steel webs. Eng. Struct. 2008, 30, 1659–1666. [Google Scholar] [CrossRef]
  33. Gil, H.; Lee, S.; Lee, J.; Lee, H. Shear Buckling Strength of Trapezoidally Corrugated Steel Webs for Bridges. J. Transp. Res. Rec. 2005, 11s, 473–480. [Google Scholar] [CrossRef]
  34. Jiang, R.J.; Kwong Au, F.T.; Xiao, Y.F. Prestressed Concrete Girder Bridges with Corrugated Steel Webs: Review. J. Struct. Eng. 2015, 141, 04014108. [Google Scholar] [CrossRef]
  35. Johnson, R.P.; Cafolla, J. Corrugated webs in plate girders for bridges. Struct. Build. 1997, 122, 157–164. [Google Scholar] [CrossRef]
  36. Nie, J.G.; Tang, L. Global shear buckling of corrugated steel plates with edges elastically restrained against rotation. Eng. Mech. 2008, 25, 1-007. [Google Scholar]
  37. Hassanein, M.F.; Kharoob, O.F. Behavior of bridge girders with corrugated webs: (I) Real boundary condition at the juncture of the web and flanges. Eng. Struct. 2013, 57, 554–564. [Google Scholar] [CrossRef]
  38. EI Metwally, A.S. Prestressed Composite Girders with Corrugated Steel Webs; University of Calgary: Calgary, AB, Canada, 1998. [Google Scholar]
  39. Sayed-Ahmed, E.Y. Plate girders with corrugated steel webs. AISC Eng. J. 2006, 42, 1–13. [Google Scholar] [CrossRef]
  40. Abbas, H.H.; Sause, R.; Driver, R.G. Shear strength and stability of high performance steel corrugated web girders. SSRC conference. 2002. Available online: https://www.researchgate.net/publication/283177310_Shear_strength_and_stability_of_high_performance_steel_corrugated_web_girders (accessed on 18 August 2024).
  41. Shiratani, H.; Ikeda, H.; Imai, Y.; Kano, K. Flexural shear behavior of composite bridge girder with corrugated steel webs around middle support. JSEC J. 2003, 724, 49–67. [Google Scholar] [CrossRef]
  42. Research Committee for Hybrid Structures with Corrugated Steel Web. Design Manual for PC Bridges with Corrugated Steel Web; Japan Society of Civil Engineers: Tokyo, Japan, 1998. [Google Scholar]
  43. Gill, H.B.; Lee, S.R.; Lee, H.E.; Yoon, T.Y. Shear Buckling Strength of Trapezoidally Corrugated Steel Webs for Bridges. J. Transp. Res. Board 2004, 24, 197–202. [Google Scholar] [CrossRef]
  44. Huang, L.; Hikosaka, H.; Komine, K. Simulation of accordion effect in corrugated steel web with concrete flanges. Comput. Struct. 2004, 82, 2061–2069. [Google Scholar] [CrossRef]
  45. Kim, K.S.; Lee, D.H.; Choi, S.M.; Choi, Y.H.; Jung, S.H. Flexural behavior of prestressed composite beams with corrugated web: Part I. Development and analysis. Compos. Part B Eng. 2011, 42, 1603–1616. [Google Scholar] [CrossRef]
  46. Fei, P. Accordion Effect of I-girder with Corrugated Steel Web. Railw. Eng. 2016, 7, 13–16. [Google Scholar]
  47. Shi, J.S.; Liu, S.Z. The Improvement of the Effect of the Box Girder with Corrugated Steel Web on the Prestress Efficiency. Sci. Technol. Eng. 2016, 16, 253–256. [Google Scholar]
  48. Zhao, P.; Han, H.; Rong, X.; Chen, W. Experimental study on flexural performance of continuous beams with variable cross-section corrugated steel web. J. Harbin Eng. Univ. 2023, 44, 425–433. [Google Scholar]
  49. Zhou, W.; Xu, T.; Tan, Z.; Zhong, T.; Liu, S.; Jiang, L. Analysis of flexural capacity of simply supported box girder with corrugated steel web steel-concrete. J. Railw. Sci. Eng. 2021, 18, 2089–2096. [Google Scholar]
  50. Feng, J.-X.; Lu, S.-Z.; Du, J.-S. Theoretical modeling of corrugated steel web beams considering web shear deformation and slip. J. Build. Struct. 2020, 41, 355–363. [Google Scholar]
  51. Hu, S.; Hu, H. Analysis of post-torsion bending performance of prestressed concrete composite box girders. J. Water Resour. Water Transp. Eng. 2011, 1–9. [Google Scholar] [CrossRef]
  52. Xu, Y.; Zhu, W.; Yang, Y. Calculation of bending capacity of PC composite box girder bridge with corrugated steel web. J. Chang. Univ. (Nat. Sci. Ed.) 2005, 25, 60–64. [Google Scholar]
  53. Wu, W.-Q.; Ye, J.-S.; Wan, S.; Hu, C. Quasi Plane Assumption and Its Application in Steel-Concrete Composite Box Girders With Corrugated Steel Webs. Eng. Mech. 2005, 22, 177–180. [Google Scholar]
  54. Cheng, D.L. Research on Bending Property of the Prestressed Concrete Box Girders with Corrugated Steel Webs. Master’s Thesis, Chang’an University, Xi’an, China, 2007. [Google Scholar]
  55. Yuan, S.L.; Li, L.; Wu, M.; Wang, Q.Y.; Peng, Z.W. Test of Quasi Plane Assumption and failure of box girders with corrugated steel web. J. Sichuan Univ. (Eng. Sci. Ed.) 2013, 45 (Supp. S1), 48–52. [Google Scholar]
  56. Liu, B.D.; Li, Z.S.; Xu, R. Experimental study on the Quasi Plane Assumption of variable cross-section continuous rigid frame bridge with corrugated steel webs. J. Beijing Jiaotong Univ. 2017, 41, 28–33. [Google Scholar]
  57. Li, L.; Liu, Z.; Wang, F. Research on elastic phase bending theory and model test of corrugated steel web combined box girder. Highw. Transp. Sci. Technol. 2008, 69–73+78. [Google Scholar]
  58. Ren, H.; Liu, B.; Li, P. Calculation of flexural capacity of corrugated steel web prestressed box girder considering shear slip. Highw. Transp. Sci. Technol. 2012, 29, 86–91. [Google Scholar]
  59. Li, L.; Liu, Z.; Wang, F. Theoretical and experimental study on flexural capacity of PC composite box girder with corrugated steel web. Eng. Mech. 2009, 26, 89–96. [Google Scholar]
  60. Zhu, J.; Zhang, Y.; Xin, G.; Zhuang, L.; Zhang, Z.; Wang, P. Experimental study on flexural performance of steel box composite beams with different degrees of shear connection. Eng. Mech. 2024, 1–13. [Google Scholar] [CrossRef]
  61. Huang, Q.; Zheng, X.; Li, W. Influence of shear connection degree on the force performance of combined beams. J. Tongji Univ. (Nat. Sci. Ed.) 2021, 49, 1070–1078. [Google Scholar]
  62. Li, W. Theoretical and Experimental Study of Steel-Concrete Composite Beams with Different Connection Degree; Southeast University: Nanjing, China, 2018. [Google Scholar]
  63. Li, H. Research progress on torsion and distortion of prestressed concrete composite box beams with corrugated steel web plates. J. Build. Struct. 2017, 38, 59–67. [Google Scholar]
  64. Zhou, X.; Di, Z.; Yu, J.; Zhang, X. Experimental study on torsional performance of prestressed concrete box girder with corrugated steel web. J. Harbin Inst. Technol. 2007, 39, 150–155. [Google Scholar]
  65. Zhou, Z.; Sun, Z.; Zhang, L. Analysis of partial load effect of double box single chamber waveform steel web prestressed combined box girder bridge. Highw. Transp. Sci. Technol. 2015, 11, 208–209. [Google Scholar]
  66. Chen, Y.; Chen, B.; Lin, S. Torsional performance test and finite element analysis of PC composite box girder with corrugated steel web. J. Build. Sci. Eng. 2011, 28. [Google Scholar] [CrossRef]
  67. Liu, B.; Feng, W.; Ren, H.; Li, P.; Mou, K. Experimental study on torsion and distortion of continuous rigid bridge with corrugated steel web. China Railw. Sci. 2015, 36, 40–46. [Google Scholar]
  68. Lindner, J. Lateral torsional buckling of beams with trapezoidally webs. In Proceedings of the International Colloquium of Stability of Steel Structures, Budapest, Hungary, 25–27 April 1990; pp. 79–86. [Google Scholar]
  69. Yoda, T.; Ohura, T. Torsional Behavior of Composite PC Box Girders with Corrugated Steel Webs. J. Struct. Eng.-ASCE 1994, 40A, 1381–1388. [Google Scholar]
  70. Yoda, T.; Shoda, T. Torsion and Distorsion of Composite PC Box Girders with Corrugated Steel Webs. J. Struct. Eng.-ASCE 1993, 39A, 1251–1258. [Google Scholar]
  71. Li, H.; Ye, J.; Wan, S.; Wu, W. Analytical and experimental study on torsion and distortion of corrugated web box girders. Bridge Constr. 2003, 33, 1–4. [Google Scholar]
  72. Di, J.; Zhou, X.; You, J.; Kong, X. Torsional performance of corrugated steel web prestressed concrete composite box girders. J. Chang. Univ. (Nat. Sci. Ed.) 2009, 29, 58–63. [Google Scholar]
  73. Xie, X.; Shi, P.; Huang, J. Torsional calculation theory of corrugated steel web box girders. In Proceedings of the 17th National Structural Engineering Symposium (Volume II), Beijing, China, 9–12 November 2008; pp. 545–550. [Google Scholar]
  74. Kamihira, K. A Study on Sennen Fracture and Negligible Properties of PC Box Joist Bridges with Corrugated Steel Plates. Press. Stress Concr. 1998, 40, 16–25. [Google Scholar]
  75. Li, H.; Ye, M.; Wan, S.; Qian, P.; Jiang, Z. Experimental study on prestressed concrete box girder with corrugated steel web. China Highw. J. 2004, 17, 31–36. [Google Scholar]
  76. Wang, S. Torsional performance test of PC composite box girder with corrugated steel web. Build. Struct. 2012, 42, 121–125. [Google Scholar]
  77. Wang, S. Mechanical properties of PC composite beams with corrugated steel webs under eccentric loading. China Highw. J. 2012, 25, 68–73. [Google Scholar]
  78. Liu, Y.Q. Combined Structure Bridges; People’s Transportation Press: Beijing, China, 2005; pp. 125–176. [Google Scholar]
  79. Mo, Y.L.; Jeng, C.H.; Chang, Y.S. Torsional behavior of prestressed concrete box-girder bridges with corrugated steel webs. ACI Struct. J. 2000, 97, 849–859. [Google Scholar]
  80. Mo, Y.L.; Jeng, C.H.; Krawinkler, H. Experimental land analytical studies of innovative prestressed concrete box-girder bridges. Mater. Struct. Mater. Struct. 2003, 36, 99–107. [Google Scholar] [CrossRef]
  81. Mo, Y.L.; Fan, Y.L. Torsional design of hybrid concrete box girders. J. Bridge Eng. ASCE 2006, 11, 329–339. [Google Scholar] [CrossRef]
  82. Nie, J.; Tang, L. Nonlinear analysis of pure torsional performance of PC composite box girder with corrugated steel web. China Highw. J. 2007, 5, 71–77. [Google Scholar] [CrossRef]
  83. Zhang, C.; An, Y.; An, L. Research on the calculation method of torsional ultimate load capacity of box girder of combined structure. J. Chongqing Jiao Tong Univ. (Nat. Sci. Ed.) 2011, 30, 369–371. [Google Scholar]
  84. Ding, Y.; Jiang, K.B.; Liu, Y.W. Nonlinear analysis for PC box-girder with corrugated steel webs under pure torsion. Thin-Walled Struct. 2012, 51, 167–173. [Google Scholar] [CrossRef]
  85. Ding, Y.; Jiang, K.; Zhou, Y.; Yang, J. Calculation model of torsional load capacity of PC composite box girder with corrugated steel web under pure torsion. J. Comput. Mech. 2013, 30, 137–142. [Google Scholar]
  86. Ding, Y.; Jiang, K.; Lin, Z.; Sun, Y.; Kuang, Q. Experimental study on torsional strength of PC composite box girder with corrugated steel web under bending-torsion composite action. In Proceedings of the 23rd National Structural Engineering Conference: Volume II, Beijing, China, 10–12 October 2014; pp. 17–21. [Google Scholar]
  87. Jiang, K.; Ding, Y.; Yang, J.; Zhou, Y. Experimental study on torsional load capacity of PC composite box girder with corrugated steel web under pure torsion. Eng. Mech. 2013, 30, 175–182. [Google Scholar]
  88. Rosignoli, M. Prestressed concrete box girder bridges with folded steel plate webs. Struct. Build. 1999, 134, 77–85. [Google Scholar] [CrossRef]
  89. Cheng, X.; Shang, C. A review on the formula of the coefficient of increase of internal force under live load for continuous beams with box-shaped cross-section. Highway 2000, 45, 17–19. [Google Scholar]
  90. Cheng, X. Calculation model of coefficient of increase of internal force for continuous box girder bridge. J. Chongqing Jiaotong Univ. (Nat. Sci. Ed.) 2006, 25, 8–11. [Google Scholar]
  91. Liu, B.; Ren, H.; Li, P.; Yang, M. Calculation method of eccentricity enlargement coefficient of corrugated steel web combined box girder. Highw. Transp. Sci. Technol. 2012, 29, 80–85. [Google Scholar]
  92. Cui, J. Analysis and Experimental Research on Shear Performance of PC Combination Beam with Corrugated Steel Web; Institute of Highway Science, Ministry of Transportation and Communications: Beijing, China, 2014.
  93. Cui, J. Finite element analysis of shear force sharing ratio for corrugated steel web plates. Highw. Transp. Technol. (Appl. Technol. Ed.) 2016, 12, 203–205. [Google Scholar]
  94. Wei, H.; Zhang, Y. Constrained torsion analysis of a variable cross-section three span continuous box girder bridge under live load. Highw. Transp. Technol. 2021, 38, 68–76. [Google Scholar]
  95. Yuan, B.; Li, G. Study on deflection coefficient of PC combined continuous girder bridge with extra large span waveform steel web. Manag. Eng. 2014, 19, 11–13. [Google Scholar] [CrossRef]
  96. Zhao, J.; Wei, D. Calculation of shear strain energy of diaphragm and diaphragm wall of single box double chamber box girder. J. South China Univ. Technol. (Nat. Sci. Ed.) 2010, 38, 47–53. [Google Scholar]
  97. Li, H.; Ye, M.; Wan, S.; Wu, W.; Qian, P. Research on the spacing of diaphragm of corrugated steel web box girder. Highw. Transp. Sci. Technol. 2004, 21, 51–54. [Google Scholar]
  98. Liu, B.; Chen, H.; Ren, H. Improvement of dynamic characteristics of corrugated steel web concrete box girder. China Railw. Sci. 2008, 29, 29–33. [Google Scholar]
  99. Di, J.; Zhou, X.; Kong, X.; Cheng, D.; Zhang, Q. Test of prestressed concrete box girder with corrugated steel web. J. Chang’an. Univ. 2009, 29, 64–70. [Google Scholar]
  100. Wei, Z.; Liang, Y. Analysis of dynamic and static force effects of cross-divider spacing on torsional performance of corrugated steel web bridges. J. North China Univ. Water Resour. Hydropower 2015, 36, 25–29. [Google Scholar]
  101. Chen, K.; Luo, J.; Wu, Q. Bending Performance of Steel Web Member PC Composite Beam Bridges. Eng. Sci. Technol. 2022, 54, 146–156. [Google Scholar]
  102. Chen, S.; Chen, Z. Analysis of the effect of transverse partition on dynamic characteristics of corrugated steel web box girder. Chin. Foreign Highw. 2015, 35, 77–79. [Google Scholar]
  103. Chen, S.; Liu, L.; Gui, S. Research progress and application of corrugated steel web PC composite box girder bridges in China. Highw. Eng. 2015, 40, 57–62. [Google Scholar]
  104. Hu, X.; Gu, A.; Xu, J. Influence of web inclination on the stress performance of corrugated steel web box girder. J. Chongqing Transp. Inst. 2006, 25, 1–3. [Google Scholar]
  105. Nie, X.; Zhang, Q. Research on key influencing factors of torsion and distortion effects of corrugated steel web combined box girders. Sichuan Res. Build. Sci. 2014, 40, 46–53. [Google Scholar]
  106. Gao, J.; Liu, S. Influence of structural parameters on torsional characteristics of corrugated steel web box girders. J. Shihezi Univ. 2014, 32, 766–770. [Google Scholar]
  107. Li, H.; Ye, J.; Wan, S.; Wu, W. Mechanical properties of corrugated steel web box girder under partial load. J. Transp. Eng. 2004, 4, 23–26. [Google Scholar]
  108. Liu, B.; Xu, R.; Li, Z.; Chen, H. Influence of lined concrete on torsional and distortion performance of corrugated steel web rigid bridge. China Railw. Sci. 2017, 38, 31–39. [Google Scholar]
  109. Editorial Board of the Chinese Journal of Highways. Review of Academic Research on Roadbed Engineering in China—2021. Chin. J. Highw. 2021, 34, 49. [Google Scholar]
  110. Chen, Z.; Hua, X.; Feng, Z.; Cui, B.; Zhang, J. A review of structural damping characteristics and identification methods for large bridges. Chin. J. Highw. 2023, 36, 1–30. [Google Scholar]
  111. Li, H.; Ye, J.; Wan, S.; Wu, W. Effect of shear deformation on deflection of corrugated steel web box girder. J. Transp. Eng. 2002, 2, 17–20. [Google Scholar]
  112. Li, H. A review of research on dynamic performance of PC composite box girder with corrugated steel web. Adv. Constr. Steel Struct. 2018, 20, 75–84. [Google Scholar] [CrossRef]
  113. Cao, L.; Liu, J.; Frank Chen, Y. Theoretical and Numerical Study on the Natural Frequencies of Bridges with Corrugated Steel Webs. Structures 2018, 15, 224–231. [Google Scholar] [CrossRef]
  114. Zhang, Y.; Huang, P.; Di, J.; Zhou, X. Self-oscillation characteristics and experimental study of corrugated steel web combined box girder. J. Transp. Eng. 2008, 8, 76–80. [Google Scholar]
  115. Kadotani, T.; Aoki, K.; Yamanobe, S. Vibration characteristics of corrugated steel web bridge: 1. Test. J. Prestress. Concr. 2003, 45, 90–99. [Google Scholar]
  116. Zheng, S.; Wan, S. Torsional vibration characteristics of PC composite box girder with corrugated steel web. J. South China Univ. Technol. (Nat. Sci. Ed.) 2015, 43, 67–73. [Google Scholar]
  117. Ji, W.; Liu, S. Vertical fundamental frequency analysis of simply supported box girder with corrugated steel web. J. Lanzhou Jiaotong Univ. 2012, 31, 17–20. [Google Scholar]
  118. Ji, W.; Liu, S. Analysis of factors affecting the vertical frequency of simply supported box girder with corrugated steel web. Vib. Test. Diagn. 2013, 33, 1039–1043+1097. [Google Scholar]
  119. Ji, W.; Liu, S.; Lin, P. Vibration frequency analysis and test of corrugated steel web combined box girder. China Highw. J. 2013, 26, 102–107. [Google Scholar]
  120. Wei, Z.-Y. Characterization of seismic response of corrugated steel web box girder bridge. Highway 2023, 68, 168–173. [Google Scholar]
  121. Chen, S.; Zhang, C.; Gui, S.; Liu, L.; Zhang, X. Research on dynamic characteristics of single box multi-chamber PC continuous waveform steel web model test bridge. Chin. Foreign Highw. 2016, 36, 74–77. [Google Scholar]
  122. Jiang, H.; Li, X.; Bai, X. Review on the development of bridge seismic structural system: From ductility to toughness. J. Jilin Univ. (Eng. Ed.) 2023, 53, 1550–1565. [Google Scholar]
  123. Li, B.; Liu, B.; Li, P.; Wang, Y. Study on stress-related damping characteristics of corrugated steel web combined box girder. Vib. Shock. 2012, 31, 68–71. [Google Scholar] [CrossRef]
  124. Ren, H.; Liu, B.; Li, B. Calculation of equivalent damping ratio of corrugated steel web combined box girder bridge based on complex frequency. Highw. Transp. Sci. Technol. 2012, 29, 73–76+119. [Google Scholar]
  125. Takaki, Y.; Fujita, M.; Mashiko, H. Vibration Characteristics of Extrodosed Brdiges with Corrugated Steel Webs; Research Report; Sumitomo Mitsui Construction Co., Ltd.: Tokyo, Japan, 2004; pp. 53–58. [Google Scholar]
  126. Matsui, T.; Tategami, H.; Ebina, T.; Tamura, S.; Ogawa, M. A vibration characteristic and a main girder rigidity evaluation method of PC box girder with a corrugated steel plate web. In Proceedings of the 2nd fib Congress, Naples, Italy, 5–8 June 2006; pp. 1–11. [Google Scholar]
  127. Li, P.; Liu, B.; Xiao, Y. Influence of cross-section form on dynamic characteristics of corrugated steel web bridges. J. Beijing Jiaotong Univ. 2010, 34, 122–125. [Google Scholar]
  128. Li, H. Review of Dynamic Performance Research on PC Composite Box Girders with Corrugated Steel Webs. Prog. Build. Steel Struct. 2018, 20, 75–84. [Google Scholar]
  129. Li, P.; Liu, B.; Xiao, Y. Influence of pier type on dynamic characteristics of corrugated steel web continuous rigid bridge. Bridge Constr. 2011, 41, 27–29. [Google Scholar]
  130. Chen, H.; Liu, B.; Ren, H. Research on dynamic characteristics of corrugated steel web concrete box girder. Highw. Transp. Sci. Technol. 2007, 24, 80–83. [Google Scholar] [CrossRef]
  131. He, X.F.; Jiang, R.J.; Gai, W.M.; Chen, Y. Preliminary study on seismic performance of prestressed concrete box-girder bridges with corrugated steel webs. In Proceedings of the 5th International Conference on New Dimensions in Bridges, Flyovers, Overpasses and Elevated Structures, Wuyinshan, China, 28–29 July 2012; pp. 215–222. [Google Scholar]
  132. Sun, L. Research on Structural Behavior of Short Tower Cable-Stayed Bridge with Corrugated Steel Web Box Girder; Southwest Jiaotong University: Chengdu, China, 2011. [Google Scholar]
  133. Zhang, J. Influence of web angle on dynamic characteristics of corrugated steel web box girder bridge. J. Liaoning Transp. Coll. 2012, 14, 5–8. [Google Scholar]
  134. Li, G. Analysis of Dynamic Characteristics and Seismic Performance of Continuous Rigid Frame Bridge with Corrugated Steel Web PC Composite Box Girder; Chongqing Jiaotong University: Chongqing, China, 2015. [Google Scholar]
  135. Chen, S.; Zhang, X.; Gui, S. Parameter analysis of dynamic characteristics of single box multi-compartment corrugated steel web combined box girder bridge. Bridge Constr. 2014, 44, 40–45. [Google Scholar]
  136. Saiidi, M.; Douglas, B.; Feng, S. Prestress Force Effect on Vibration Frequency of Concrete Bridges. J. Struct. Eng. 2015, 120, 2233–2241. [Google Scholar] [CrossRef]
  137. Miyamoto, A.; Tei, K.; Nakamura, H.; Bull, J.W. Behavior of Prestressed Beam Strengthened with External Tendons. J. Struct. Eng. 2000, 126, 1033–1044. [Google Scholar] [CrossRef]
  138. Zhang, Y.; Wang, X.; Li, R. Experimental study on the intrinsic frequency of prestressed beams. J. Huazhong Univ. Sci. Technol. (Nat. Sci. Ed.) 2007, 35, 12–15. [Google Scholar]
  139. Fang, D.; Wang, Q. Energy method analysis of dynamic characteristics of in vitro prestressed beams. Vib. Shock 2012, 31, 177–181. [Google Scholar] [CrossRef]
  140. Zheng, S.; Ma, L.; Wan, S. Analysis of the effect of extracorporeal prestressing on the self-oscillation frequency of corrugated steel web box girders. J. Southeast Univ. (Nat. Sci. Ed.) 2014, 44, 140–144. [Google Scholar]
  141. Ji, W.; Liu, S.; Lin, P. Parametric study on vertical fundamental frequency of continuous box girder with equal cross-section waveform steel web. J. Xi’an Univ. Archit. Technol. (Nat. Sci. Ed.) 2012, 44, 468–473. [Google Scholar] [CrossRef]
  142. Zhang, J.; Liu, B.; Ren, H. Analysis of the Effect of Prestressing on the Dynamic Characteristics of Corrugated Steel Web Box Girders; China Steel Structure Association, Steel-Concrete Combined Junction Branch. School of Civil and Architectural Engineering, Beijing Jiaotong University; School of Civil and Architectural Engineering, Beijing Jiaotong University; Institute of Highway Science, Ministry of Transportation: Hunan, China, 2007. [Google Scholar]
  143. Ren, H.; Liu, B.; Chen, H. Torsional vibration analysis of corrugated steel web concrete box girder. China Highw. J. 2008, 21, 64–68. [Google Scholar] [CrossRef]
  144. Wang, D.; Zhang, Q.; Wang, Y. Optimization design of Jancheng Yellow River Highway Bridge based on modal analysis. J. Zhengzhou Univ. (Eng.) 2010, 31, 1–5. [Google Scholar]
  145. Ji, W.; Liu, S.; Lin, P. Dynamic characteristics of continuous box girder with corrugated steel web. Highw. Transp. Sci. Technol. 2011, 28, 55–60. [Google Scholar]
  146. Chen, X.; Luo, K.; Ji, W.; Zhang, J.; Wu, Z. Dynamic characterization of improved corrugated steel web box girder considering temperature and shear deformation. J. Vib. Eng. 2024, 37, 601–611. [Google Scholar]
  147. Zheng, T. Research on Dynamic Characteristics and Seismic Response of PC Combined Continuous Girder Bridge with Corrugated Steel Web; Southeast University: Nanjing, China, 2019. [Google Scholar]
  148. Jiang, R.J.; Gai, W.M.; He, X.F.; Chen, Y.Y. Comparative Study on Seismic Performance of Prestressed Concrete Box-GirderBridges with Corrugated Steel Webs. Appl. Mech. Mater. 2012, 178–181, 2418–2423. [Google Scholar] [CrossRef]
  149. Ye, A. Seismic performance of high pier continuous rigid frame bridge with corrugated steel web box girder. Bridge Constr. 2023, 53, 104–110. [Google Scholar]
  150. Rong, X.; Ouyang, J.; Jiao, M.; Zhao, W.; Guo, F. Experimental study on the self-oscillation characteristics of continuous box girder with single box and double chambers with variable cross-section corrugated steel webs. Railw. Constr. 2022, 62, 123–128. [Google Scholar]
  151. JTGB02-2013; Seismic Code for Highway Engineering. People’s Transportation Press: Beijing, China, 2014.
  152. Li, Z.; Dang, P.; Li, J. Static nonlinear method for seismic performance analysis of bridge high piers. Civ. Constr. Environ. Eng. 2012, 34, 42–49. [Google Scholar]
  153. Liu, J.; Lin, M.; Ying, X. Dynamic characteristics and seismic response analysis of corrugated steel web continuous beam bridges. Hunan Transp. Technol. 2015, 41, 101–104. [Google Scholar]
  154. Xie, L. Analysis of Force Performance Parameters of Corrugated Steel Web Box Girder Bridge; Central South Forestry University of Science and Technology: Changsha, China, 2013. [Google Scholar]
  155. Wang, J.; Li, J. Response characteristics of corrugated steel web short tower cable-stayed bridge under earthquake. Low Temp. Constr. Technol. 2013, 35, 66–68. [Google Scholar]
  156. Wang, C.; Chen, H.; Wan, S. Seismic analysis of a composite overpass box-girder bridges with corrugated steel webs. Shanxi Archit. 2010, 35, 291–292. [Google Scholar]
  157. Li, D. Research on Dynamic Performance of Continuous Box-Girder Bridge with Variable Cross Section of Corrugated Steel Webs; Chang’an University: Xi’an, China, 2010; pp. 26–28. [Google Scholar]
  158. Mou, K. Research on Dynamic Characteristics and Seismic Behavior of Continuous Rigid Frame Box-Girder Bridges with Corrugated Steel Webs; Beijing Jiao Tong University: Beijing, China, 2013. [Google Scholar]
  159. Zhou, Y.; Xue, Y.; Li, R.; Zhan, J.; Zhao, Y. Progress of theoretical research and application of bridge impact coefficient. Chin. J. Highw. 2021, 34, 31–50. [Google Scholar] [CrossRef]
  160. JTG D60-2015; The General Specification for Highway Bridge and Culvert Design. Ministry of Transportation and Communications (MOTC): Beijing, China, 2015.
  161. Deng, L.; He, W.; Yu, Y.; Wang, W. Research progress on the theory and application of highway vehicle-bridge coupled vibration. China J. Highw. 2018, 31, 38–54. [Google Scholar]
  162. Chen, Z. Study on the Coupled Vibration Impact Coefficient of Waveform Steel Web Box Beam Bridge Vehicle Bridge. Shanxi Archit. 2014, 40, 176–178. [Google Scholar]
  163. Ji, W.; Deng, L.; He, W.; Lin, P. Calculation and analysis of impact coefficient of PC simply supported box girder bridge with corrugated steel web for highway. Bridge Constr. 2016, 46, 35–39. [Google Scholar]
  164. Ji, W.; Deng, L.; He, W. Vehicle-axle coupled vibration analysis and dynamic impact coefficient calculation of PC box girder bridge with corrugated steel web. J. Vib. Eng. 2016, 29, 1041–1047. [Google Scholar] [CrossRef]
  165. Ji, W.; Deng, L.; He, W.; Lin, P. Calculation and analysis of local and overall dynamic impact coefficients of PC simply supported box girder bridge with corrugated steel web. Vib. Shock. 2017, 36, 22–28. [Google Scholar] [CrossRef]
  166. Qi, W.; Zhou, Y. Finite element analysis of dynamic characteristics of a high pier curved variable cross-section corrugated steel web PC composite continuous box girder rigid frame bridge based on Midas/Civil. J. Lanzhou Inst. Technol. 2018, 25, 12–16. [Google Scholar]
  167. Xiao, Y.N. Study on the Dynamic Response of Corrugated Steel Web Box Girder Bridge under Automobile Loading; Beijing Jiaotong University: Beijing, China, 2010. [Google Scholar]
  168. Wang, Y. Vibration Analysis of Continuous Box Girder Bridge with Corrugated Steel Web Coupled with Vehicle and Bridge; Beijing Jiaotong University: Beijing, China, 2012. [Google Scholar]
  169. Xie, G. Study on Vehicular Vibration Response of Continuous Girder Bridge with Corrugated Steel Web Combination; Southeast University: Nanjing, China, 2020. [Google Scholar]
  170. Chen, S.; Ge, S.; Gui, S.; Zhao, H. Analysis of driving comfort of highway beam bridges based on vehicle bridge coupling vibration. J. East China Jiaotong Univ. 2023, 40, 1–9. [Google Scholar]
  171. Tategami, H.; Sugou, T.; Ebina, T. Vibration of five span continuous PC box girder bridge with corrugated steel webs. J. Struct. Eng. 1999, 45A, 649–658. (In Japanese) [Google Scholar]
  172. Gao, Q.; Wang, Z.; Guo, B.; Chen, C. Dynamic responses of simply supported girder bridges to moving vehicular loads based on mathematical methods. Math. Probl. Eng. 2014, 2014, 514872. [Google Scholar] [CrossRef]
  173. Hua, X.; Wang, S.; Tang, Y.; Chen, Z. Study on Flutter Characteristics of Long Span Suspension Bridges. Chin. J. Highw. 2021, 34, 57–65. [Google Scholar]
  174. Davenport, A.G. Buffeting of a suspension bridge by storm winds. J. Struct. Div. ASCE 1962, 88, 233–270. [Google Scholar] [CrossRef]
  175. Scanlan, R.H. The action of flexible bridges under wind, II: Buffeting theory. J. Sound Vib. 1978, 60, 201–211. [Google Scholar] [CrossRef]
  176. Lin, Y.K. Stochastic Analysis of Bridge Motion in Large-Scale Turbulent Winds. Wind. Eng. 1980, 2, 887–897. [Google Scholar]
  177. Chen, W. Study on Vibration Response Spectra of Large-Span Bridges; Tongji University: Shanghai, China, 1993. [Google Scholar]
  178. Jain, A.; Jones, N.P.; Scanlan, R.H. Coupled Flutter and Buffeting Analysis of Long-Span Bridges. J. Struct. Eng. 1996, 122, 716–725. [Google Scholar] [CrossRef]
  179. Ding, Q.; Chen, A.; Xiang, H. Frequency domain analysis of coupled vibration response of large-span bridge structures. J. Civ. Eng. 2003, 36, 86–93. [Google Scholar]
  180. Zhu, L.; Zhou, Q.; Guo, Z.; Meng, X. The influence of aerodynamic interference effects on flutter and vortex vibration of box shaped double amplitude bridges. J. Tongji Univ. (Nat. Sci. Ed.) 2010, 38, 632–638. [Google Scholar]
  181. Guo, C.; Bai, H.; Hong, G. Research on aerodynamic interference effect of static force coefficient of double bridge. J. Chongqing Jiaotong Univ. (Nat. Sci. Ed.) 2011, 30, 899–902+942. [Google Scholar]
  182. Liu, Z.; Chen, Y.; Chen, Z. Numerical simulation of critical wind speed for typical main beam section flutter at high angles of attack. J. Hunan Univ. (Nat. Sci. Ed.) 2021, 48, 82–91. [Google Scholar] [CrossRef]
  183. Chen, Z.; Liu, X.; Liu, Z. Study on the aerodynamic interference effect of three-part force coefficients for double-span bridges. Eng. Mech. 2008, 25, 87–93. [Google Scholar]
  184. Taylor, I.J.; Vezza, M. A Numerical Investigation into the Aerodynamic Characteristics and Aeroelastic Stability of a footbridge. J. Fluids Struct. 2009, 25, 155–177. [Google Scholar] [CrossRef]
  185. Harrison, J.D. Exploratory Fatigue Tests on Two Girders with Corrugated Webs. Br. Weld. J. 1965, 12, 121–125. [Google Scholar]
  186. Anami, K.; Sause, R.; Abbas, H.H. Fatigue of web-flange weld of corrugated web girders: 1. Influence of web corrugation geometry and flange geometry on web-flange weld toe stresses. Int. J. Fatigue 2005, 27, 373–381. [Google Scholar] [CrossRef]
  187. Sause, R.; Abbas, H.H.; Driver, R.G.; Anami, K.; Fisher, J.W. Fatigue life of girders with trapezoidal corrugated webs. J. Struct. Eng. 2006, 132, 1070–1078. [Google Scholar] [CrossRef]
  188. Ibrahim, S.A.E.B. Fatigue Analysis and Instability Problems of Plate Girders with Corrugated Webs; Drexel University: Philadelphia, PA, USA, 2001. [Google Scholar]
  189. Wang, C.; Jai, M.; Wang, Y. Progress of fatigue research on steel bridges. J. Transp. Eng. 2024, 24, 9–42. [Google Scholar]
  190. St NC Aashto∙LRFD Bridge Design Specification, 3rd ed.; American Association of State Highway and Transportation Officials: Washington, DC, USA, 2004.
  191. European Committee for Standardization (CEN). prEN-1993-1-9 Eurocode 3: Design of Steel Structures-Part 1–9: Fatigue; European Committee for Standardization: Brussels, Belgium, 2005. [Google Scholar]
  192. TB10002∙2-2005; Code for Design on Steel Structure of Railway Bridges. China Railway Press: Beijing, China, 2005.
  193. Ibrahim, S.A.; El-Dakhakhni, W.W.; Elgaaly, M. Behavior of bridge girders with corrugated webs under monotonic and cyclic loading. Eng. Struct. 2006, 28, 1941–1955. [Google Scholar] [CrossRef]
  194. Yamada, K.; Ishikawa, T.; Kakiichi, T. Rehabilitation and improvement of fatigue life of welded joints by icr treatment. Adv. Steel Constr. Int. J. 2015, 11, 294–304. [Google Scholar]
  195. Takeshita, A.; Yoda, T.; Sato, K.; Sakurada, M.; Shiga, H.; Nakasu, K. Fatigue tests of a composite girder with corrugated web. Doboku Gakkai Ronbunshu 2001, 2001, 55–64. [Google Scholar] [CrossRef]
  196. Wang, Z.; Wang, Q.; Chen, Y.; Shi, X.; OuYang, W. Research progress on fatigue characteristics of corrugated steel web girders. Highw. Transp. Sci. Technol. 2010, 27, 64–71. [Google Scholar]
  197. Yamada, K.; Miki, C. Recent research on fatigue of bridge structures in Japan. J. Constr. Steel Res. 1989, 13, 211–222. [Google Scholar] [CrossRef]
  198. Keita, N.; Teruhiko, Y.; Kouichi, S.; Michihiro, S. Study on out-of-plane bending of concrete dowels in a composite girder with corrugated steel web. Doboku Gakkai Ronbunshu 2010, 647, 267–279. [Google Scholar]
  199. Keiji, T.; Masato, T.; Hiroyuki, S.; Yosuke, N.; Takeru, M.; Masayuki, K. Stress Property and Fatigue Property of the Welded Steel Joint of Corrugated Steel Web PC Box Girder Bridge; Japan Bridge Association: Tokyo, Japan, 2005. [Google Scholar]
  200. Wang, C.; Liu, X.; Xu, Y. Fatigue performance of corrugated steel web beams. Steel Struct. 2006, 18, 350–355. [Google Scholar]
  201. Tong, L.; Zhao, Z.; Zuo, G.; Wang, H.; Pan, C.; Li, Y. Current status and future development of fatigue performance research on corrugated web steel beams. J. Build. Struct. 2023, 44, 124–134. [Google Scholar]
  202. Liu, W. Experimental Research on Fatigue Damage of Corrugated Steel Web Combined Box Girder; Lanzhou Jiaotong University: Lanzhou, China, 2018. [Google Scholar]
  203. Ibrahim, S.; Ael-Dakhakhni, W.; Welgaaly, M. Fatigue of Corrugated-web Plate Girders: Analytical Study. J. Struct. Eng. ASCE 2006, 132, 1381–1392. [Google Scholar] [CrossRef]
  204. Lindner, J.; Huang, B. Plate buckling coefficients for trapezoidally corrugated panels under shear stresses. Stahlbau 1995, 64, 370–374. [Google Scholar]
  205. Ibrahim, S.A.; El-Dakhakhni, W.W.; Elgaaly, M. Fatigue of Corrugated-Web Plate Girders: Experimental Study. J. Struct. Eng. 2006, 132, 1371–1380. [Google Scholar] [CrossRef]
  206. Peng, K.; Li, L.; Xiao, X.; Pei, B.; Hou, J. Fatigue performance test and theoretical analysis of corrugated steel web combined box girder. China Highw. J. 2013, 26, 94–101. [Google Scholar]
  207. Liu, X. Study on Fatigue Performance Parameters of Corrugated Steel Web Girder Bridge; Chang’an University: Xi’an, China, 2006. [Google Scholar]
  208. Li, H. Research progress on several special problems of corrugated steel web PC composite box beams. J. Appl. Fundam. Eng. Sci. 2018, 26, 440–454. [Google Scholar]
  209. Yuan, S.; Dong, J.; Wang, Q. Experimental study on normal amplitude fatigue performance of corrugated steel web combined box girder. Eng. Sci. Technol. 2017, 49, 78–84. [Google Scholar]
  210. Huang, J.; Wang, M.; Yang, H.; Li, L. Fatigue analysis of corrugated steel web structures based on notched stress. J. Railw. Sci. Eng. 2021, 18, 425–431. [Google Scholar] [CrossRef]
  211. Peng, K.; Li, L.; Pei, B. Fatigue analysis of corrugated steel web beams based on hot spot stress. J. Hunan Univ. (Nat. Sci. Ed.) 2018, 45, 74–82. [Google Scholar] [CrossRef]
  212. Liu, Y.; Ma, W.; Zhang, H.; Deng, Y. Study on fatigue reliability of key details of PC beams with corrugated steel web considering welding residual stresses. J. Comput. Mech. 2023, 40, 146–152. [Google Scholar]
  213. Li, L.; Wang, F.; Liu, Z. Study on the creep performance of extracorporeal prestressed corrugated steel web combined box girder. J. Hunan Univ. (Nat. Sci. Ed.) 2008, 35, 1–5. [Google Scholar]
  214. Liao, Y. Research on Several special Mechanical Performance Problems of PC Composite Box Girder Bridge with Corrugated Steel Web; Beijing Jiaotong University: Beijing, China, 2011. [Google Scholar]
  215. Song, C.; Xu, W. Prediction of creep of pumped high-strength concrete by modified B3 model. J. Constr. Mater. 2007, 10, 101–104. [Google Scholar]
  216. Xiong, X.; Wang, L.; Wang, M. Analysis of shrinkage creep of pumped concrete and its effect in National Convention and Exhibition Center. Build. Struct. 2018, 48, 70–76+97. [Google Scholar] [CrossRef]
  217. Goel, R.; Kumar, R.; Paul, D.K. Comparative study of various creep and shrinkage prediction models for concrete. J. Mater. Civ. Eng. 2007, 19, 249–260. [Google Scholar] [CrossRef]
  218. ACI. Prediction of Creep, Shrinkage, and Temperature Effects in Concrete Structures (Reapproved 2008); ACI: Farmington Hills, MI, USA, 2002. [Google Scholar]
  219. Walraven, J.C.; Vliet, A.B.V. The 2010 fib Model Code for Structural Concrete: A new approach to structural engineering. Struct. Concr. 2011, 12, 139–147. [Google Scholar] [CrossRef]
  220. JTG 3362-2018; Design Code for Highway Reinforced Concrete and Prestressed Concrete Bridges and Culverts. People’s Transportation Press: Beijing, China, 2018.
  221. RILEM Technical Committee TC-242-MDC. RILEM draft recommendation: TC-242-MDC multi-decade creep and shrinkage of concrete: Material model and structural analysis. Mater. Struct. 2015, 48, 753–770. [Google Scholar] [CrossRef]
  222. Bazant, Z.-P.; Yu, Q.; Lig, H. Excessive longtime deflections. of prestressed box girders, ll: Numerical analysis and lessons learned. J. Struct. Eng. 2012, 138, 687–696. [Google Scholar] [CrossRef]
  223. Gardner, N.J.; Zhao, J.W. Creep and shrinkage revisited. ACL Mater. J. 1993, 90, 236–246. [Google Scholar]
  224. Gardner, N.J.; Lockman, M.J. Design provisions for drying shrinkage and creep of normal strength concrete. ACI Mater. J. 2001, 98, 159–167. [Google Scholar]
  225. Vandermeer, D.; Ahn, I.S. In situ measurement of concrete shrinkage in ambient subarctic weather. Int. J. Civ. Eng. 2022, 20, 475–485. [Google Scholar] [CrossRef]
  226. AS 3600:2018; Australian Standard for Structures. Concrete Standards Australia: Sydney, Australia, 2018.
  227. Zhou, C.; Chen, Y.C. Shrinkage Creep; China Railway Press: Beijing, China, 1994. [Google Scholar]
  228. Zhang, S.; Chen, X.; Zhou, D.; Chen, S.; Wang, F. Modeling analysis of creep coefficient of fib 2010. Sichuan Build. Sci. Res. 2017, 43, 9–13. [Google Scholar]
  229. Dara, A.; Bahubalendruni MA, R.; Mertens, A.J.; Balamurali, G. Numerical and Experimental Investigations of Novel Nature Inspired Open Lattice Cellular Structures for Enhanced Stiffness and Specific Energy Absorption. Mater. Today Commun. 2022, 31, 103286. [Google Scholar] [CrossRef]
  230. Dara, A.; Mertens, A.J.; Bahubalendruni, M.V.R. Characterization of penetrate and interpenetrate tessellated cellular lattice structures for energy absorption. Proc. Inst. Mech. Eng. Part L J. Mater. Des. Appl. 2023, 237, 906–913. [Google Scholar] [CrossRef]
  231. Huang, D. Analysis on Bazant’s Solidification Theory for Concrete Creep. Jianzhu Cailiao Xuebao/J. Build. Mater. 2001, 4, 327–331. [Google Scholar]
  232. Xiao, L.; Wei, X.; Wen, Z.; Kang, Z. Research progress of steel-mixed composite structural bridges in 2019. J. Civ. Environ. Eng. (Chin. Engl.) 2020, 42, 168–182. [Google Scholar]
  233. Hu, Y. Shrinkage Creep Effect of Prestressed Concrete Box Girder with Corrugated Steel Web; Chang’an University: Xi’an, China, 2011. [Google Scholar]
  234. An, L.; Wang, H.; An, Y. Static characteristics analysis of continuous rigid frame bridges with corrugated steel web plates. J. Chongqing Jiaotong Univ. (Nat. Sci. Ed.) 2011, 30, 903–906+1026. [Google Scholar]
  235. Li, M.; Li, J.; Zhou, J.; Shi, P.; Song, J. The creep performance of corrugated steel web prestressed composite box girder. Highw. Transp. Sci. Technol. 2014, 31, 66–69. [Google Scholar]
  236. Hu, Y.; Wang, M.; Sun, Y.; Jin, G. Study on the creep effect of large-span waveform steel web continuous rigid bridge. Railw. Constr. Technol. 2021, 6–10. [Google Scholar]
  237. Yang, Y. Analysis of Creep of Corrugated Steel Web Box Girder; Beijing Jiaotong University: Beijing, China, 2013. [Google Scholar]
  238. Xiong, F.; Zheng, S. Influence of shear deformation on the creep effect in the construction of PC continuous girder bridges with corrugated steel webs. Highw. Eng. 2019, 44, 9–13+24. [Google Scholar]
  239. Peng, C. Research on shrinkage creep effect of continuous girder bridge with corrugated steel web. Eng. Constr. 2020, 52, 24–29. [Google Scholar]
  240. Tang, Y. Analysis of factors affecting shrinkage creep of large-span waveform steel web combined box girder bridge. Eng. Constr. 2019, 51, 12–16+39. [Google Scholar]
  241. Liu, X.; Long, Y. Research on the effect of concrete creep on prestressed combined box girders based on finite element simulation. Munic. Technol. 2022, 40, 49–53. [Google Scholar]
  242. Imbsen, R.A.; Vandershaf, D.E.; Schamber, R.A.; Nutt, R.V. Thermal Effects in Concrete Bridge Superstructures; National Research Council: Washington, DC, USA, 1984. [Google Scholar]
  243. Branco, F.A.; Mendes, P.A. Thermal Actions for Concrete Bridge Design. J. Struct. Eng. 1993, 119, 2313–2331. [Google Scholar] [CrossRef]
  244. Jiang, Z.; Gao, H.; Cao, H.; Zhang, F. Study on vertical temperature gradient in cross-section of large-span CSW box girder bridge. Chin. Foreign Highw. 2021, 41, 125–130. [Google Scholar]
  245. Tao, W.-Q. Heat Transfer, 5th ed.; Higher Education Press: Beijing, China, 2019. [Google Scholar]
  246. Ge, Y.J.; Zhai, D.; Zhang, G.Q. Experimental study on the temperature field of concrete cable-stayed bridges. China Highw. J. 1996, 2, 76–83. [Google Scholar]
  247. Sun, Q.; Fu, K. Analysis of temperature effect of Suifenhe Cable-stayed Bridge. Highw. Transp. Sci. Technol. 2006, 10, 55–59. [Google Scholar]
  248. Shao, X.; Chang, Y.; Zhang, Y. Exploratory study on prestressed waveform steel web combined picket girder structure. Chin. Foreign Highw. 2006, 3, 123–125. [Google Scholar]
  249. Li, D. Analysis on influences of the solar thermal load on shearing lag effect in steel box girder with CSW. East China Highw. 2014, 37, 62–63. [Google Scholar]
  250. Wang, L.; Niu, S.; Liu, S.; Ding, W.; Lu, H. Research on temperature effect of new waveform steel web combined box girder bridge. J. Railw. Sci. Eng. 2020, 17, 2021–2029. [Google Scholar]
  251. Dong, X.; Deng, Z.; Li, S.; Gu, S.; Zhang, F. Research on sunlight temperature field and temperature difference effect of large span waveform steel web box girder bridge. Eng. Mech. 2017, 34, 230–238. [Google Scholar]
  252. Ma, L.; Wan, S. Monitoring technology of continuous box-girder bridge with one-box and three-room CSW. Constr. Technol. 2012, 41, 11–14. [Google Scholar]
  253. Zhu, P. Research on temperature problems of special bridge structures. Master’s Thesis, Zhejiang University, Hangzhou, China, 2008. [Google Scholar]
  254. Guo, X. Research on Temperature Effect of Prestressed Concrete Box Girder with CSW; Chang’an University: Xi’an, China, 2011. [Google Scholar]
  255. Qiang, J.; Yao, C.; Zhang, F.; Liu, X. Study of temperature effect on the composed bridge with corrugated steelwebs. Highway 2016, 61, 54–57. [Google Scholar]
  256. Wang, X. Research on Some Theoretical Problems in Combined Box-Girder with CSW; Southwest Jiaotong University: Chengdu, China, 2012. [Google Scholar]
  257. Yang, J.; Wu, A.; Zhang, C.; Ding, Y.; Yu, F. Temperature effect analysis of large-span waveform steel web curved continuous rigid bridge. Eng. Constr. 2019, 33, 692–694. [Google Scholar]
  258. Shan, C.L.; Liu, W.F. Temperature stress analysis of prestressed concrete box girder with CSW. Trans. Tianjin Univ. 2012, 18, 97–103. [Google Scholar] [CrossRef]
  259. Chen, Z.; Huang, H. Calculation and analysis on transverse temperature stress of box-girder with corrugated steel. Constr. Des. Proj. 2013, 61, 133–136. [Google Scholar]
  260. Xu, X.; Zhang, F.; Liu, J. Temperature distribution of CSW box girder. J. Chongqing Jiaotong Univ. (Nat. Sci. Ed.) 2018, 37, 1–10. [Google Scholar]
  261. Yao, C.; Liu, G.; Zhang, F. Analysis of transverse temperature stress on top plate of CSW box girder. J. Shandong Transp. Inst. 2016, 24, 58–63. [Google Scholar]
  262. Zhang, F.; Liu, J.; Gao, L.; Han, F.; Gao, H. Research on temperature distribution of lined concrete part of composite box girder with CSW. J. Appl. Basic Eng. Sci. 2020, 28, 123–133. [Google Scholar]
  263. Ji, J. Temperature field analysis of paving layer of CSW box girder bridge under extreme temperature. Low Temp. Constr. Technol. 2019, 41, 92–94. [Google Scholar]
  264. Huang, S.; Cai, C.; Zou, Y.; He, X.; Yang, G. Study on non-uniform temperature field of CSW combined box girder with sunshine. Chin. J. Highw. 2024, 37, 239–251. [Google Scholar]
  265. Guan, H. Research on vertical temperature gradient effect of CSW box girder bridge. Highw. Mot. Transp. 2019, 2, 110–113. [Google Scholar]
  266. Officials American Association of State. AASHTO LRFD Bridge Design Specifications; SI Units; Highway and Transportation Officials: Washington, DC, USA, 2004. [Google Scholar]
  267. Wu, J.P. Research on Sunshine Temperature Field and Temperature Effect of Combined Box Girder Bridge with CSW; Southeast University: Nanjing, China, 2021. [Google Scholar]
Figure 1. CSW box girder bridge.
Figure 1. CSW box girder bridge.
Buildings 14 03056 g001
Figure 2. Typical CSW box girder bridge.
Figure 2. Typical CSW box girder bridge.
Buildings 14 03056 g002
Figure 3. Three buckling forms of CSW.
Figure 3. Three buckling forms of CSW.
Buildings 14 03056 g003
Figure 4. kL as w/hw varies.
Figure 4. kL as w/hw varies.
Buildings 14 03056 g004
Figure 5. kL as a varies.
Figure 5. kL as a varies.
Buildings 14 03056 g005
Figure 6. kL as tw varies.
Figure 6. kL as tw varies.
Buildings 14 03056 g006
Figure 7. kL as element size varies.
Figure 7. kL as element size varies.
Buildings 14 03056 g007
Figure 8. kL as tf/tw varies.
Figure 8. kL as tf/tw varies.
Buildings 14 03056 g008
Figure 9. kL as tf/tw varies and hw/b vary.
Figure 9. kL as tf/tw varies and hw/b vary.
Buildings 14 03056 g009
Figure 10. kG as d/tw varies.
Figure 10. kG as d/tw varies.
Buildings 14 03056 g010
Figure 11. kG as Lw varies.
Figure 11. kG as Lw varies.
Buildings 14 03056 g011
Figure 12. kG as L/hw and hw/Lw varies.
Figure 12. kG as L/hw and hw/Lw varies.
Buildings 14 03056 g012
Figure 13. τcr,Icr,L and τcr,Icr,G relationship [21].
Figure 13. τcr,Icr,L and τcr,Icr,G relationship [21].
Buildings 14 03056 g013
Figure 14. n versus tw/dw and hw/Lw.
Figure 14. n versus tw/dw and hw/Lw.
Buildings 14 03056 g014
Figure 15. kI versus as hw/Lw, tw/dw, L/h, and aw/hw.
Figure 15. kI versus as hw/Lw, tw/dw, L/h, and aw/hw.
Buildings 14 03056 g015
Figure 16. Calculated shear strength of the CSW according to the ρ–λs curve in the extant literature [14].
Figure 16. Calculated shear strength of the CSW according to the ρ–λs curve in the extant literature [14].
Buildings 14 03056 g016
Figure 17. Longitudinal view of CSW.
Figure 17. Longitudinal view of CSW.
Buildings 14 03056 g017
Figure 18. Typical flexural stress distribution in CSW cross-section.
Figure 18. Typical flexural stress distribution in CSW cross-section.
Buildings 14 03056 g018
Figure 19. Schematic of the “assumption of flat section” for CSW box girders in bending.
Figure 19. Schematic of the “assumption of flat section” for CSW box girders in bending.
Buildings 14 03056 g019
Figure 20. Calculated CSW box girder positive cross-section.
Figure 20. Calculated CSW box girder positive cross-section.
Buildings 14 03056 g020
Figure 21. Slip strain pattern at the interface of combined beams.
Figure 21. Slip strain pattern at the interface of combined beams.
Buildings 14 03056 g021
Figure 22. Vertical eccentric load decomposition for CSW box beam.
Figure 22. Vertical eccentric load decomposition for CSW box beam.
Buildings 14 03056 g022
Figure 23. Horizontal design acceleration response spectrum S.
Figure 23. Horizontal design acceleration response spectrum S.
Buildings 14 03056 g023
Figure 24. Simplified force diagram of wave web under out-of-plane loading. Where, P and M are the acting vertical eccentric load and eccentric bending moment, respectively, and H is the waveform height.
Figure 24. Simplified force diagram of wave web under out-of-plane loading. Where, P and M are the acting vertical eccentric load and eccentric bending moment, respectively, and H is the waveform height.
Buildings 14 03056 g024
Figure 25. AASHTO fatigue design S–N curve [190].
Figure 25. AASHTO fatigue design S–N curve [190].
Buildings 14 03056 g025
Figure 26. S–N curves.
Figure 26. S–N curves.
Buildings 14 03056 g026
Figure 27. Stress distribution at the weld joint surface.
Figure 27. Stress distribution at the weld joint surface.
Buildings 14 03056 g027
Figure 28. Sun radiation.
Figure 28. Sun radiation.
Buildings 14 03056 g028
Table 1. Interactive shear buckling strengths.
Table 1. Interactive shear buckling strengths.
Researcher/SourceExpressionRemarks
Hassanein and Kharoob [37] ( 1 τ c r , I ) 0.6 = ( 1 τ c r , L E ) 0.6 + ( 1 τ c r , G E ) 0.6 /
Bergfelt [5] ( 1 τ c r , I ) = ( 1 τ c r , L E ) + ( 1 τ c r , G E ) The material inelasticity and yielding are not considered.
El-Metwally [38] ( 1 τ c r , I ) 2 = ( 1 τ c r , L E ) 2 + ( 1 τ c r , G E ) 2 + ( 1 τ y ) 2 /
Sayed-Ahmed [39] ( 1 τ c r , I ) 3 = ( 1 τ c r , L E ) 3 + ( 1 τ c r , G E ) 3 + ( 1 τ y ) 3 /
Abbas [40] ( 1 τ c r , I ) 2 = ( 1 τ c r , L E ) 2 + ( 1 τ c r , G E ) 2 The yielding of material can be considered using inelastic buckling strength.
Heroshi [41] ( 1 τ c r , I ) 4 = ( 1 τ c r , L E ) 4 + ( 1 τ c r , G E ) 4 /
Eldib [16] ( 1 τ c r , I ) n = ( 1 τ c r , B E ) 4 + ( 1 τ c r , G E ) 4 n = 4 for the local buckling mode, and 1.5 for the global buckling mode.
Design manual [42]Corrugated web is designed to have no local and global buckling as well as interactive buckling failure.
where τcr,G is the overall buckling strength, and τy is the shear yield strength. τcr,B is the elastic shear buckling strength under the destabilizing damage load.
Table 2. Calculation formula for ρ–λs curve.
Table 2. Calculation formula for ρ–λs curve.
ResearcherInteractive Shear Buckling StrengthRemarks
Yi [32] ρ = { 1 λ s < 0.6   1 0.614 ( λ s 0.6 ) 0.6 λ s < 2   1 / λ s 2 λ s 2 /
Sause [14] ρ = ( 1 λ s 6 + 2 ) 1 3 /
Driver, Abbas [13] ρ = { 0.707 λ s 0.894   1 1 + 1.254 λ s 2   0.894 λ s < 1.118   1 1 + λ s 4   λ s > 1.118 τcr,G ≥ 1.39τy
Nie [21] ρ = { 1 0.312   λ s 2 λ s 0.73   2.1604 2.1764 λ s + 0.8417 λ s 2 0.1121 λ s 3 0.73 λ s 1.828   1 / ( 0.07 + 1.7 λ s + 0.03 λ s 2 )   λ s 1.828 /
Wang [30] ρ = ( λ s 2.5 + 1 ) 0.8 /
Alikhanifard [1] ρ = { 1 λ s 0.54   1.15 0.9 + λ s 0.54 < λ s 1.7   1.5 0.5 + λ s 2 λ s > 2 /
Wang [27] ρ = [ ( λ s 2.5 + 1.14 ) 0.8 ] /
Table 3. Experimental S–N curves and fracture mechanics.
Table 3. Experimental S–N curves and fracture mechanics.
PresentersExpressionsFeatures
Ibrahim [203]logN = 7.62 − 2.94logSTest S–N curve
Ibrahim [205]logN = 7.63 − 3.0logSFracture mechanics theory
Sause [187]logN = 7.63 − 3.0logSFracture mechanics theory
Peng [206]logN = 12.1585 − 3.0logSFracture mechanics theory
Disclaimer/Publisher’s Note: The statements, opinions and data contained in all publications are solely those of the individual author(s) and contributor(s) and not of MDPI and/or the editor(s). MDPI and/or the editor(s) disclaim responsibility for any injury to people or property resulting from any ideas, methods, instructions or products referred to in the content.

Share and Cite

MDPI and ACS Style

Zheng, Y.; Wang, J.; Guo, P.; Zhang, Y. A Review of the Mechanical Properties of and Long-Term Behavior Research on Box Girder Bridges with Corrugated Steel Webs. Buildings 2024, 14, 3056. https://doi.org/10.3390/buildings14103056

AMA Style

Zheng Y, Wang J, Guo P, Zhang Y. A Review of the Mechanical Properties of and Long-Term Behavior Research on Box Girder Bridges with Corrugated Steel Webs. Buildings. 2024; 14(10):3056. https://doi.org/10.3390/buildings14103056

Chicago/Turabian Style

Zheng, Yuanxun, Jiahao Wang, Pan Guo, and Yong Zhang. 2024. "A Review of the Mechanical Properties of and Long-Term Behavior Research on Box Girder Bridges with Corrugated Steel Webs" Buildings 14, no. 10: 3056. https://doi.org/10.3390/buildings14103056

APA Style

Zheng, Y., Wang, J., Guo, P., & Zhang, Y. (2024). A Review of the Mechanical Properties of and Long-Term Behavior Research on Box Girder Bridges with Corrugated Steel Webs. Buildings, 14(10), 3056. https://doi.org/10.3390/buildings14103056

Note that from the first issue of 2016, this journal uses article numbers instead of page numbers. See further details here.

Article Metrics

Back to TopTop