Simulation Analysis of the Fracture of Reinforcement Concrete Columns Using High-Voltage Pulse Discharge
Abstract
:1. Introduction
2. Basic Theory of Concrete Fracture Using HVPD in Liquid
2.1. Principle of Electric-Wire Explosion in Liquid
2.2. Shock Pressure from Electric-Wire Explosion
3. Finite Element Modeling
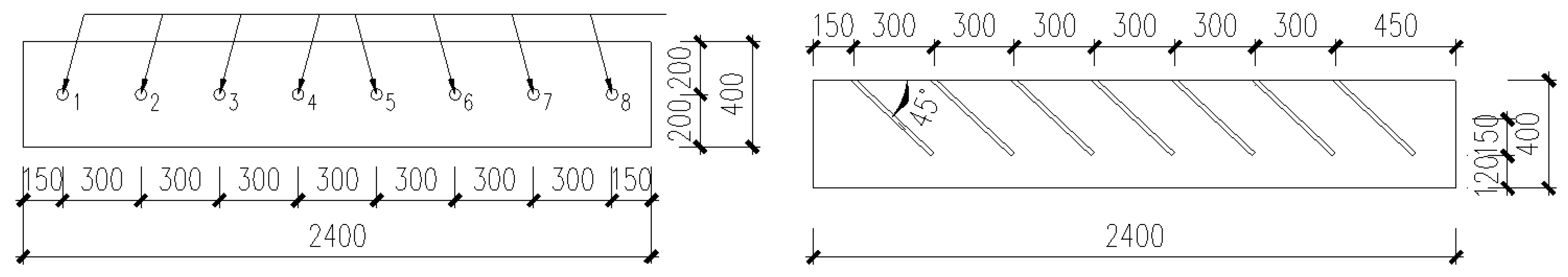
3.1. General Details
3.2. Material Principal Relationships
3.2.1. Concrete Principal Relationships
3.2.2. Reinforcement Principal Relationships
3.2.3. Determination of the Dynamic Increase Factor of the Material
3.3. Shock Load Simulation of HVPD in Liquid
3.3.1. Equivalent Simulation of HVPD in Liquid
3.3.2. Selection and Application of Explosion Loads
4. Simulation of Concrete Fracture Mechanics Based on the Cohesive Zone Model
4.1. Basic Theory of Concrete Fracture Mechanics
4.2. Cohesive Zone Model (CZM)
4.2.1. Fundamentals
4.2.2. Cohesive Element Principal Relationship
5. Comparative Analysis of Finite Element Simulation and Test Results
5.1. Introduction to the Experimental Study
5.2. Comparison of Damage Patterns
5.3. Comparative Analysis of the Effect of Concrete Strength on the Crack Width of Concrete Columns with a Single Row of Holes
6. Results and Discussion
6.1. Program Design
6.2. Analysis of the Whole Process of Reinforcement Concrete Column with a Single Row of Holes Force
6.3. Effect of Different Parameters on Crack Width of Reinforcement Concrete Columns with a Single Row of Holes
6.3.1. Effect of One-Side Longitudinal Reinforcement Ratio of the Column
6.3.2. Effect of Volume Hoop Ratio
6.3.3. Effect of Concrete Grade Strength
6.4. Mathematical Expression of the Effect of HVPD Demolition of Concrete Columns with a Single Row of Holes
7. Conclusions
Author Contributions
Funding
Data Availability Statement
Conflicts of Interest
References
- Han, R.; Wu, J.; Zhou, H.; Zhang, Y.; Qiu, A.; Yan, J.; Ding, W.; Li, C.; Zhang, C.; Ouyang, J. Experiments on the characteristics of underwater electrical wire explosions for reservoir stimulation. Matter Radiat. Extrem. 2020, 5, 047201. [Google Scholar] [CrossRef]
- Vishnyakov, V. Pulsed high-voltage electrical discharges in water: The resource for hydrogen production and water purification. Int. J. Hydrogen Energy 2022, 47, 12500–12505. [Google Scholar] [CrossRef]
- Kuşçu, Ö.; Eke, E. Oxidation of olive mill wastewater by a pulsed high-voltage discharge using oxygen or air. J. Environ. Chem. Eng. 2021, 9, 104701. [Google Scholar] [CrossRef]
- Yan, G.; Zhang, B.; Zhao, P.; Zhuang, S.; Zhou, E.; Zhao, Y. Investigating the influence of mineral characteristics on induced effect of high-voltage pulse discharge by synthetic minerals. Miner. Eng. 2020, 153, 106380. [Google Scholar] [CrossRef]
- Li, Q. Experimental Study on Crushing Concrete Beams by High-Voltage Pulse Discharge. Master’s Thesis, Harbin University of Science and Technology, Harbin, China, 2022. [Google Scholar]
- Weise, T.H.; Loffler, M.J. Experimental investigations on rock fractioning by replacing explosives with electrically generated. In Proceedings of the Ninth IEEE International Pulsed Power Conference, Albuquerque, NM, USA, 21–23 June 1993. [Google Scholar]
- Lisitsyn, I.V.; Inoue, H.; Katsuki, S.; Akiyama, H.; Nishizawa, I. Drilling and demolition of rocks by pulsed power. In Proceedings of the IEEE 12th International Pulsed Power Conference, Monterey, CA, USA, 27–30 June 1999. [Google Scholar]
- Kuznetsova, N.S.; Lopatin, V.V.; Yudin, A.S. Effect of electro-discharge circuit parameters on the destructive action of plasma channel in solid media. J. Phys. Conf. Ser. 2014, 552, 012029. [Google Scholar] [CrossRef]
- Uenishi, K.; Yamachi, H.; Yamagami, K.; Sakamoto, R. Dynamic fragmentation of concrete using electric discharge impulses. Constr. Build. Mater. 2014, 67, 170–179. [Google Scholar] [CrossRef]
- Yudin, A.S.; Kuznetsova, N.S.; Lopatin, V.V.; Voitenko, N.V. Multi-borehole electro-blast method for concrete monolith splitting off. J. Phys. Conf. Ser. 2014, 552, 012028. [Google Scholar] [CrossRef]
- Ma, N.; Xue, Q.; Jin, B.; Fan, X.; Gong, D.; Hong, J.; Zhang, N.; Ye, Y.; Wang, Y.; Sun, Y. Simulation study on high voltage discharge rock breaking based on COMSOL. Explor. Eng. 2022, 49, 62–70. [Google Scholar]
- Wang, X.; Li, N.; Du, J.; Wang, W. Concrete crushing based on the high-voltage pulse discharge technology. J. Build. Eng. 2021, 41, 102366. [Google Scholar] [CrossRef]
- Che, L.; Gu, X.; Li, H. Numerical analysis and experimental research on hard rock fragmentation by high voltage pulse discharge. Miner. Eng. 2021, 168, 106942. [Google Scholar] [CrossRef]
- Qin, Y.; Gao, P.; Yuan, S.; Zhang, N.-Y.; Han, L.-R. A novel technology of high-voltage pulse discharge for comminution of galena ore. Trans. Nonferrous Met. Soc. China 2021, 31, 2479–2492. [Google Scholar] [CrossRef]
- Wang, X.; Du, J.; Li, Q. Experimental study on crushing of concrete columns by high voltage pulse discharge. Case Stud. Constr. Mater. 2022, 16, e01090. [Google Scholar] [CrossRef]
- Smirnov, A.P.; Zhekul, V.G.; Taftai, E.I.; Khvoshchan, O.V.; Shvets, I.S. Experimental Study of Pressure Waves upon the Electrical Explosion of Wire under the Conditions of Elevated Hydrostatic Pressure. Surf. Eng. Appl. Electrochem. 2022, 56, 192–200. [Google Scholar] [CrossRef]
- Wang, T. Numerical Simulation of Damage of Rock Caused by Electrical Explosion of Wire. Master’s Thesis, China University of Petroleum, Beijing, China, 2018. [Google Scholar]
- Zolnikov, K.P.; Kryzhevich, D.S.; Shilko, E.V.; Korchuganov, A. Molecular Dynamics Simulation of Electric Pulse Explosion of Metal Wires. Procedia Struct. Integr. 2016, 2, 1421–1426. [Google Scholar] [CrossRef]
- Kozhevnikov, V.Y.; Kozyrev, A.V.; Semeniuk, N.S.; Kokovin, A.O. Theory of a High-Voltage Pulse Discharge in a High-Pressure Gas: Hydrodynamic and Kinetic Approaches. Russ. Phys. J. 2018, 61, 603–610. [Google Scholar] [CrossRef]
- Yan, G.; Fu, H.; Zhao, Y.; Sun, Z.; Zhang, B. A review on optimizing potentials of high voltage pulse breakage technology based on electrical breakdown in water. Powder Technol. 2022, 404, 117293. [Google Scholar] [CrossRef]
- Lee, S.H.; Abolmaali, A.; Shin, K.J.; Lee, H.-D. ABAQUS modeling for post-tensioned reinforced concrete beams. J. Build. Eng. 2020, 30, 101273. [Google Scholar] [CrossRef]
- GB 55008-2021; Code for Design of Architecture & Concrete Structures. China Architecture & Building Press: Beijing, China, 2010.
- Cao, X. Quasic-static Nonlinear Test Analysis of Reinforced Concrete Columns Based on ABAQUS. China Concr. Cem. Prod. 2023, 1, 60–65. [Google Scholar] [CrossRef]
- UFC 3-340-02; Structures to Resist the Effects of Accidental Explosions. US Army Corps of Engineers, Naval Facilities Engineering Command (Preparing Activity). Air Force Civil Engineer Support Agency: Washington, DC, USA, 2008.
- Zhang, Y.; Fu, F. Study on bond slip behavior and numerical simulation of CFRP bars and concrete under blast load. Concrete 2022, 11, 15–22. [Google Scholar]
- Bao, X.K.; Guo, J.Y.; Liu, Y.; Zhao, G.; Cao, J.; Wu, J.; Zhao, J. Damage characteristics and laws of micro-crack of underwater electric pulse fracturing coal-rock mass. Theor. Appl. Fract. Mech. 2021, 111, 102853. [Google Scholar] [CrossRef]
- Zhang, X. Simulation for Crushing of Concrete by High-Voltage Pulse Discharge in Liquid. Master’s Thesis, Harbin University of Science and Technology, Harbin, China, 2021. [Google Scholar]
- Niaki, M. Fracture mechanics of polymer concretes: A review. Theor. Appl. Fract. Mech. 2023, 125, 103922. [Google Scholar] [CrossRef]
- Zhang, J.Q.; Wang, S.H.; Dong, W. Three-dimensional numerical study on mode-I local crack propagation of concrete considering boundary effect. Theor. Appl. Fract. Mech. 2023, 125, 103856. [Google Scholar] [CrossRef]
- Lhonneur, J.; Jamin, F.; Monerie, Y.; Pélissou, C. Experimental Study of Concrete Normal Mode Cohesive behavior at the Centimeter Scale. Procedia Struct. Integr. 2022, 42, 513–521. [Google Scholar] [CrossRef]
- Li, Y.; Hao, Z.B.; Shen, Z.H.; Fu, P.; Zhang, J. Mesoscopic modeling and simulation of tensile properties of cracked concrete using cohesive model. Case Stud. Constr. Mater. 2023, 18, e02186. [Google Scholar] [CrossRef]
- Xu, Y.J.; Yuan, H. Applications of normal stress dominated cohesive zone models for mixed-mode crack simulation based on extended finite element methods. Eng. Fract. Mech. 2011, 78, 544–558. [Google Scholar] [CrossRef]
- Abbas, M.; Bary, B.; Jason, L. A 3D mesoscopic frictional cohesive zone model for the steel-concrete interface. Int. J. Mech. Sci. 2023, 237, 107819. [Google Scholar] [CrossRef]
- Li, L. Application of Cohesive Traction Crack Model in Crack Propagation in Concrete. Master’s Thesis, Wuhan University of Science and Technology, Wuhan, China, 2015. [Google Scholar]



















| Plasticity Property Values | ||||
|---|---|---|---|---|
| Expansion Angle (°) | Eccentricity | fb0 /fc0 | K | Coefficient of Viscosity |
| 30 | 0.1 | 1.16 | 0.6667 | 0.0005 |
| Elastic Property Values | ||||
| Concrete Grade Strength | Density (t/mm3) | E0 (MPa) | Poisson’s Ratio, ν | |
| C20 | 2.4 × 10−9 | 2.83 × 104 | 0.2 | |
| C30 | 2.4 × 10−9 | 3.14 × 104 | 0.2 | |
| C40 | 2.4 × 10−9 | 3.20 × 104 | 0.2 | |
| C50 | 2.4 × 10−9 | 3.55 × 104 | 0.2 | |
| Concrete Grade Strength | K (MPa/mm) | (MPa) | Gc (N/mm) |
|---|---|---|---|
| C20 | 2.83 × 104 | 1.9 | 0.00128 |
| C30 | 3.14 × 104 | 2.5 | 0.00199 |
| C40 | 3.20 × 104 | 2.7 | 0.00228 |
| C50 | 3.55 × 104 | 3.0 | 0.00254 |
| Concrete Strength Grade | μfcu/ (N/mm2) | μfc/ (N/mm2) | μft/ (N/mm2) | μEc × 104/ (N/mm2) | |
|---|---|---|---|---|---|
| C20 | 25.6 | 19.5 | 1.9 | 2.83 | |
| C30 | 34.6 | 26.1 | 2.5 | 3.14 | |
| C40 | 44.3 | 30.9 | 2.7 | 3.20 | |
| Types of Reinforcing | μfy/ (N/mm2) | μfu/ (N/mm2) | μEs × 105/ (N/mm2) | ||
| A6 | 336.7 | 523.3 | 2.37 | ||
| A8 | 331.9 | 510.6 | 2.43 | ||
| B12 | 376.4 | 563.1 | 2.23 | ||
| B14 | 412.1 | 564.3 | 2.31 | ||
| Spine | Section Size/ mm | Concrete Strength | Column Length/ m | Longitudinal Bar | Hoop | Aperture/ mm | Hole Spacing/ mm | Drilling Length/ mm |
|---|---|---|---|---|---|---|---|---|
| Z-1 | 400 × 400 | C20 | 2.4 | 4B12 | A6@200 (2) | 40 | 300 | 410 |
| Z-4 | 400 × 400 | C30 | 2.4 | 4B12 | A6@200 (2) | 40 | 300 | 410 |
| Z-7 | 400 × 400 | C40 | 2.4 | 4B12 | A6@200 (2) | 40 | 300 | 410 |
| Z-10 | 500 × 500 | C20 | 2.4 | 4B14 | A8@200 (2) | 40 | 300 | 495 |
| Z-13 | 500 × 500 | C30 | 2.4 | 4B14 | A8@200 (2) | 40 | 300 | 495 |
| Z-16 | 500 × 500 | C40 | 2.4 | 4B14 | A8@200 (2) | 40 | 300 | 495 |
| Drill Hole | Parameters | Z-1 | Z-4 | Z-7 | Z-10 | Z-13 | Z-16 |
|---|---|---|---|---|---|---|---|
| 1-1 | Voltage V (kV) | 60 | 60 | 100 | 100 | 80 | 60 |
| Number n | 60 | 40 | 40 | 60 | 50 | 60 | |
| 1-2 | Voltage V (kV) | 60 | 60 | 80 | 100 | 100 | 60 |
| Number n | 60 | 40 | 60 | 60 | 40 | 60 | |
| 1-3 | Voltage V (kV) | 80 | 60 | 80 | 100 | 100 | 100 |
| Number n | 50 | 40 | 60 | 60 | 40 | 50 | |
| 1-4 | Voltage V (kV) | 60 | 60 | 80 | 100 | 100 | 100 |
| Number n | 50 | 60 | 50 | 60 | 50 | 60 | |
| 1-5 | Voltage V(kV) | 60 | 60 | 80 | 100 | 80 | 100 |
| Number n | 40 | 50 | 50 | 40 | 60 | 40 | |
| 1-6 | Voltage V (kV) | 100 | 80 | 80 | 80 | 80 | 100 |
| Number n | 40 | 60 | 40 | 60 | 50 | 40 | |
| 1-7 | Voltage V (kV) | 60 | 100 | 80 | 80 | 80 | 80 |
| Number n | 40 | 50 | 40 | 50 | 40 | 40 | |
| 1-8 | Voltage V (kV) | 80 | 100 | 80 | 80 | 80 | 60 |
| Number n | 40 | 40 | 50 | 60 | 40 | 50 |
| Specimen Number | Concrete Strength | Section Size/ mm | Longitudinal Reinforcement | One Side Longitudinal Reinforcement Ratio | Hoop | Volume Hoop Ratio |
|---|---|---|---|---|---|---|
| C-1 | C30 | 500 × 500 | 2C25 | 0.39% | A10@200 | 0.34% |
| C-2 | C30 | 500 × 500 | 2C25 | 0.39% | A12@200 | 0.49% |
| C-3 | C30 | 400 × 400 | 2C20 | 0.39% | A10@200 | 0.63% |
| C-4 | C30 | 400 × 400 | 2C20 | 0.39% | A12@200 | 0.86% |
| C-5 | C30 | 500 × 500 | 4C20 | 0.50% | A10@200 | 0.34% |
| C-6 | C30 | 500 × 500 | 4C20 | 0.50% | A12@200 | 0.49% |
| C-7 | C30 | 400 × 400 | 4C16 | 0.50% | A10@200 | 0.63% |
| C-8 | C30 | 400 × 400 | 4C16 | 0.50% | A12@200 | 0.86% |
| C-9 | C30 | 500 × 500 | 4C22 | 0.61% | A10@200 | 0.34% |
| C-10 | C30 | 500 × 500 | 4C22 | 0.61% | A12@200 | 0.49% |
| C-11 | C30 | 400 × 400 | 2C25 | 0.61% | A10@200 | 0.63% |
| C-12 | C30 | 400 × 400 | 2C25 | 0.61% | A12@200 | 0.86% |
| C-13 | C30 | 500 × 500 | 4C25 | 0.79% | A10@200 | 0.34% |
| C-14 | C30 | 500 × 500 | 4C25 | 0.79% | A12@200 | 0.49% |
| C-15 | C30 | 400 × 400 | 4C20 | 0.79% | A10@200 | 0.63% |
| C-16 | C30 | 400 × 400 | 4C20 | 0.79% | A12@200 | 0.86% |
Disclaimer/Publisher’s Note: The statements, opinions and data contained in all publications are solely those of the individual author(s) and contributor(s) and not of MDPI and/or the editor(s). MDPI and/or the editor(s) disclaim responsibility for any injury to people or property resulting from any ideas, methods, instructions or products referred to in the content. |
© 2023 by the authors. Licensee MDPI, Basel, Switzerland. This article is an open access article distributed under the terms and conditions of the Creative Commons Attribution (CC BY) license (https://creativecommons.org/licenses/by/4.0/).
Share and Cite
Wang, X.; Sun, Y.; Wang, M. Simulation Analysis of the Fracture of Reinforcement Concrete Columns Using High-Voltage Pulse Discharge. Buildings 2023, 13, 2200. https://doi.org/10.3390/buildings13092200
Wang X, Sun Y, Wang M. Simulation Analysis of the Fracture of Reinforcement Concrete Columns Using High-Voltage Pulse Discharge. Buildings. 2023; 13(9):2200. https://doi.org/10.3390/buildings13092200
Chicago/Turabian StyleWang, Xiaodong, Yixuan Sun, and Miao Wang. 2023. "Simulation Analysis of the Fracture of Reinforcement Concrete Columns Using High-Voltage Pulse Discharge" Buildings 13, no. 9: 2200. https://doi.org/10.3390/buildings13092200
APA StyleWang, X., Sun, Y., & Wang, M. (2023). Simulation Analysis of the Fracture of Reinforcement Concrete Columns Using High-Voltage Pulse Discharge. Buildings, 13(9), 2200. https://doi.org/10.3390/buildings13092200

