Experimental Study on Seismic Behavior of Damaged Beam-Column Joints Retrofitted by Viscoelastic Steel-Enveloped Elements
Abstract
1. Introduction
2. Experimental Program
2.1. Specimen Information
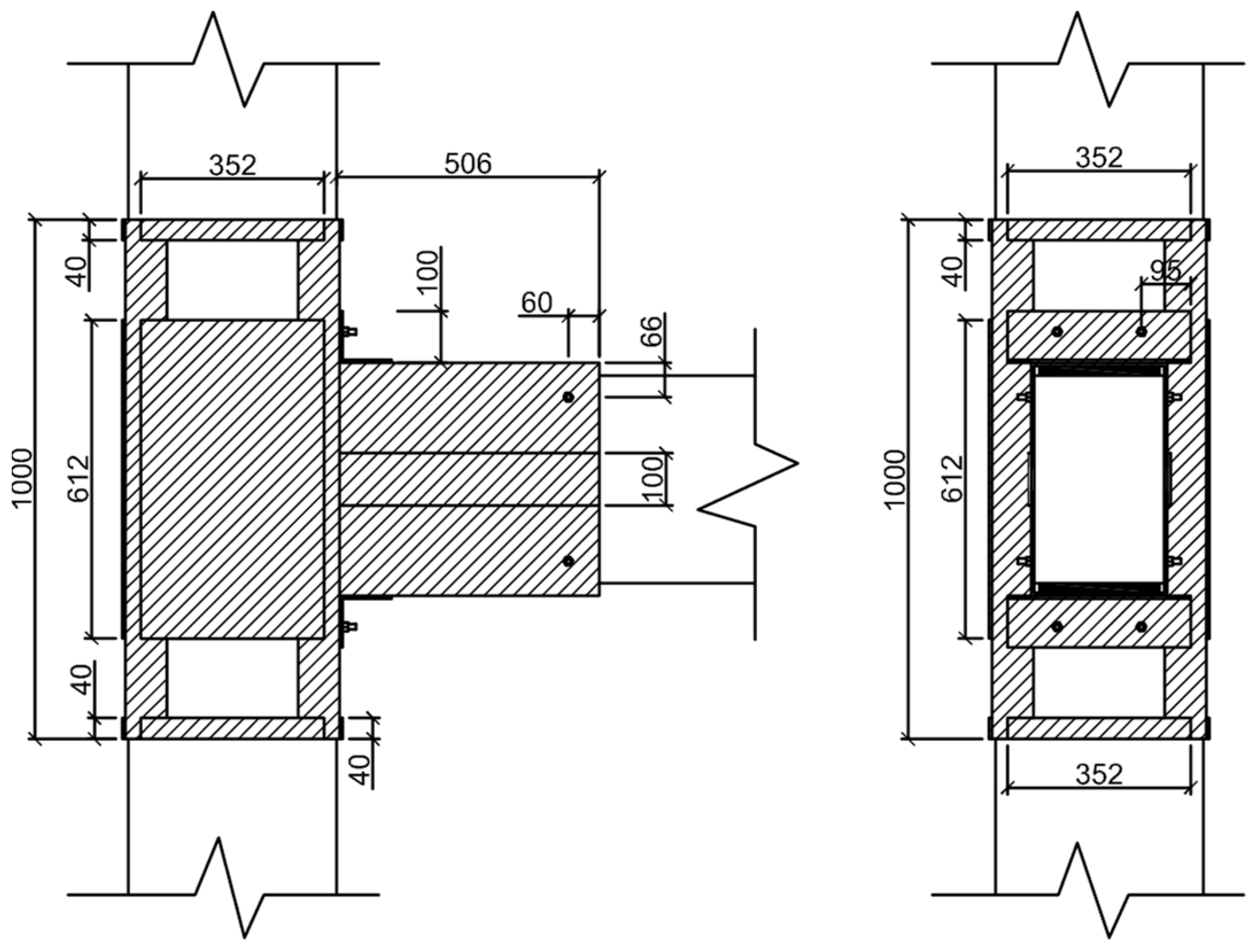
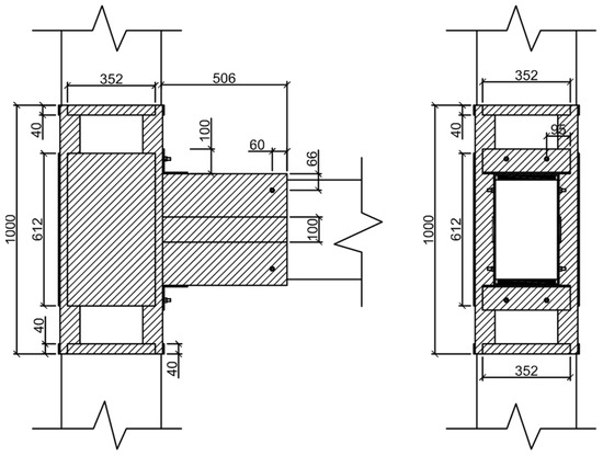
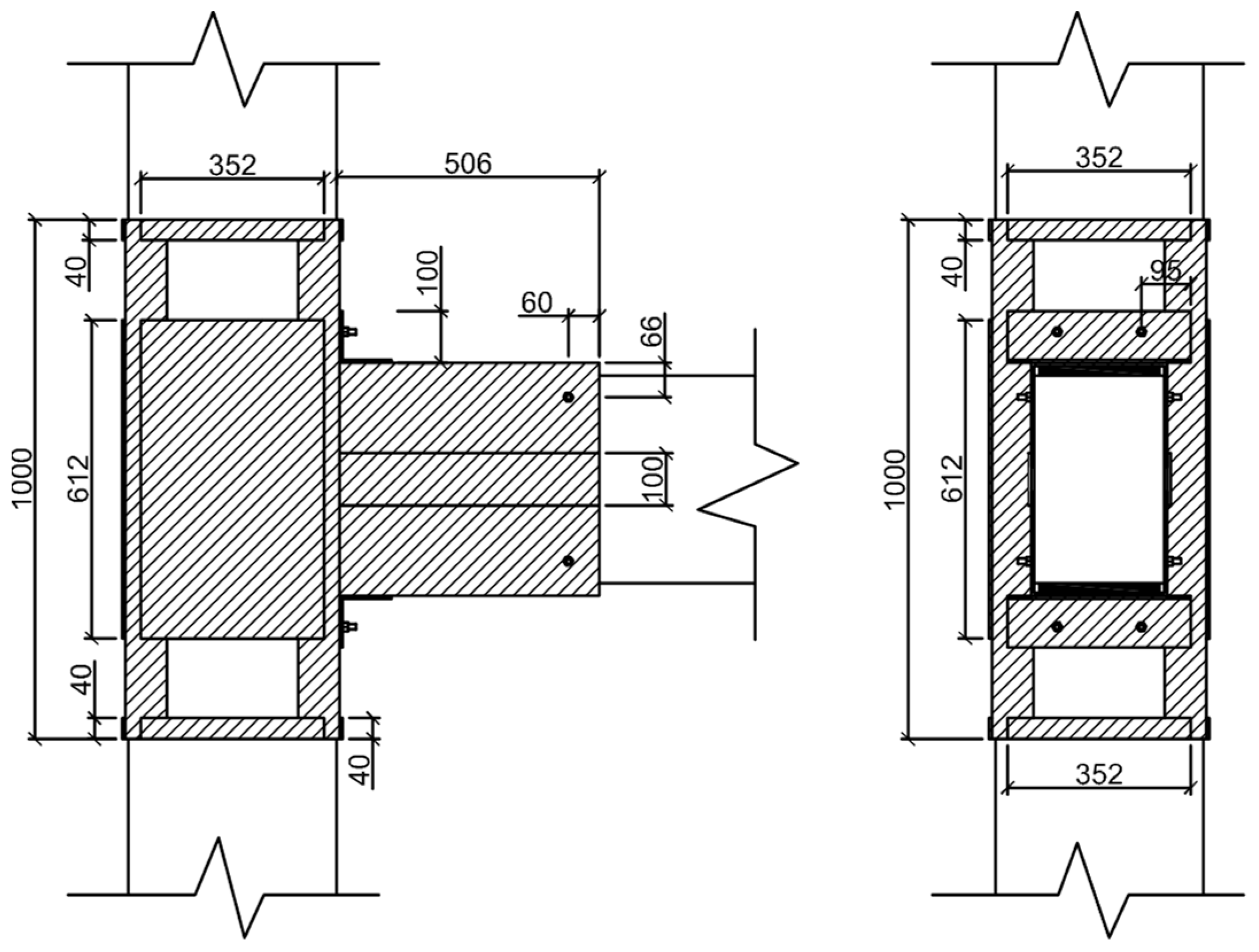
2.2. Viscoelastic Steel-Enveloped Rehabilitated Method
2.3. Test Setup, Loading Protocol, and Instrumentation
3. Results and Discussion
3.1. Experimental Phenomena and Damage Progression
3.2. Hysteresis Curves
3.3. Energy Dissipation Capacity
3.4. Skeleton Curves
3.5. Ductility Analysis
3.6. Stiffness Degradation
4. Conclusions
- (1)
- Regardless of the level of seismic damage of the specimen, the strength of the joints retrofitted with appropriate viscoelastic retrofitting methods increased significantly compared to that of the non-damaged joints. Specifically, the yield load and ultimate load of the joints increased by approximately 40%.
- (2)
- The ultimate deformation of the joint is greatly improved after retrofitting, and the greater the thickness of the viscoelastic pads, the greater the ultimate deformation of the retrofitted joints. The ductility factors of the retrofitted joints decrease, mainly because the yield displacement of the joints after retrofitting is larger than that of the non-damaged joints.
- (3)
- The initial stiffness of the joints retrofitted by the viscoelastic steel-enveloped method is lower, but the stiffness degrades more slowly, and the stiffness at the later stage of loading is higher.
- (4)
- The energy dissipation of the retrofitted joints increases. The thicker the viscoelastic pad is, the more the energy it dissipates.
- (5)
- In general, the strength of the joints retrofitted by the method proposed in this paper is greatly improved. The viscoelastic steel-enveloped retrofitting method exhibits similar effectiveness to the pure steel-enveloped retrofitting method in terms of strength improvement, but it shows better performance in regards to the ductility and energy dissipation of the retrofitted joints.
Author Contributions
Funding
Data Availability Statement
Conflicts of Interest
References
- Torabi, A.; Maheri, M.R. Seismic Repair and Retrofit of RC Beam–Column Joints Using Stiffened Steel Plates. Iran. J. Sci. Technol. Trans. Civ. Eng. 2016, 41, 13–26. [Google Scholar] [CrossRef]
- Pimanmas, A.; Chaimahawan, P. Shear strength of beam–column joint with enlarged joint area. Eng. Struct. 2010, 32, 2529–2545. [Google Scholar] [CrossRef]
- Del Vecchio, C.; Di Ludovico, M.; Balsamo, A.; Prota, A.; Manfredi, G.; Dolce, M. Experimental Investigation of Exterior RC Beam-Column Joints Retrofitted with FRP Systems. J. Compos. Constr. 2014, 18, 04014002. [Google Scholar] [CrossRef]
- Biddah, A.; Ghobarah, A.; Aziz, T.S. Upgrading of Nonductile Reinforced Concrete Frame Connections. J. Struct. Eng. 1997, 123, 1001–1010. [Google Scholar] [CrossRef]
- Lu, Z.D.; Liu, C.Q.; Zhang, K.C. Experimental Study on the Seismic Performance of Enveloped Steel Strengthened RC Frame Joint. Adv. Eng. Sci. 2010, 42, 56–62. [Google Scholar]
- Parvin, A.; Altay, S.; Yalcin, C.; Kaya, O. CFRP Rehabilitation of Concrete Frame Joints with Inadequate Shear and Anchorage Details. J. Compos. Constr. 2010, 14, 72–82. [Google Scholar] [CrossRef]
- Akguzel, U.; Pampanin, S. Effects of Variation of Axial Load and Bidirectional Loading on Seismic Performance of GFRP Retrofitted Reinforced Concrete Exterior Beam-Column Joints. J. Compos. Constr. 2010, 14, 94–104. [Google Scholar] [CrossRef]
- Yurdakul, O.; Avşar, O. Strengthening of substandard reinforced concrete beam-column joints by external post-tension rods. Eng. Struct. 2016, 107, 9–22. [Google Scholar] [CrossRef]
- Cao, Z.M.; Li, A.Q.; Wang, Y.Y.; Yao, Q.L. Experimental study on beam-column connections strengthened with high-strength steel wire mesh and polymer mortar. J. Build. Struct. 2006, 27, 10–15. [Google Scholar]
- Tsonos, A.G. Effectiveness of CFRP-jackets and RC-jackets in post-earthquake and pre-earthquake retrofitting of beam–column subassemblages. Eng. Struct. 2008, 30, 777–793. [Google Scholar] [CrossRef]
- Wong, D.G.; Zhang, C.; Xia, J.D. Experimental study on earthquake-damaged frame joints strengthened with steel-enveloped plates. China Civ. Eng. J. 2013, 46, 36–45. [Google Scholar]
- Faella, C.; Lima, C.; Martinelli, E.; Realfonzo, R. Steel bracing configurations for seismic retrofitting of a reinforced concrete frame. Proc. Inst. Civ. Eng. -Struct. Build. 2014, 167, 54–65. [Google Scholar] [CrossRef]
- Zhang, C.; Huang, W.; Zhou, Y.; Luo, W. Experimental and numerical investigation on seismic performance of retrofitted RC frame with sector lead viscoelastic damper. J. Build. Eng. 2021, 44, 103218. [Google Scholar] [CrossRef]
- Esmaeeli, E.; He, Y. Cast-in-situ vs prefabricated solution based on NSM-CFRP reinforced SHCC for seismic retrofitting of severely damaged substandard RC beam-column joints. J. Build. Eng. 2021, 43, 103132. [Google Scholar] [CrossRef]
- Cai, Z.; Liu, X.; Wu, R.; Li, L.; Lu, Z.; Yu, K. Seismic retrofit of large-scale interior RC beam-column-slab joints after standard fire using steel haunch system. Eng. Struct. 2021, 252, 113585. [Google Scholar] [CrossRef]
- Sharma, R.; Bansal, P.P. Behavior of RC exterior beam column joint retrofitted using UHP-HFRC. Constr. Build. Mater. 2019, 195, 376–389. [Google Scholar] [CrossRef]
- Zaferani, M.J.; Shariatmadar, H. Repair and retrofitting of external RC beam-to-column joints using the hybrid NSM plus EBR method. Eng. Struct. 2022, 263, 114370. [Google Scholar] [CrossRef]
- Dong, Y.-R.; Xu, Z.-D.; Shi, Q.; Li, Q.-Q.; He, Z.-H.; Cheng, Y. Seismic performance and material-level damage evolution of retrofitted RC framed structures by high-performance AVED under different shear-span ratio. J. Build. Eng. 2023, 63, 105495. [Google Scholar] [CrossRef]
- Liao, J.H.; Yu, J.T.; Zhang, K.C. Comparative Study on the Strengthening Approach of RC Column-beam Joints Damaged by Simulated Earthquake. Earthq. Resist. Eng. Retrofit. 2011, 33, 98–104. [Google Scholar]
- Ge, T.; Xu, Z.D.; Guo, Y.Q.; Huang, X.H.; He, Z.F. Experimental Investigation and Multiscale Modeling of VE Damper Con-sidering Chain Network and Ambient Temperature Influence. J. Eng. Mech. 2022, 148, 04021124. [Google Scholar]
- Li, Q.-Q.; Xu, Z.-D.; Dong, Y.-R.; He, Z.-H.; He, J.-X.; Yan, X. Hyperelastic Hybrid Molecular Chain Model of Thermal-Oxidative Aging Viscoelastic Damping Materials Based on Physical–Chemical Process. J. Eng. Mech. 2023, 149, 04022099. [Google Scholar] [CrossRef]
- Mahini, S.S.; Ronagh, H.R. Strength and ductility of FRP web-bonded RC beams for the assessment of retrofitted beam–column joints. Compos. Struct. 2010, 92, 1325–1332. [Google Scholar] [CrossRef]
- Hawkins, N.M.; Ghosh, S. Acceptance Criteria for Special Precast Concrete Structural Walls Based on Validation Testing. PCI J. 2004, 49, 78–92. [Google Scholar] [CrossRef]
- Wu, Z.; Xue, J.; Ke, X.; Sui, Y.; Dong, J. Dynamic experimental and numerical study of double beam–column joints in modern traditional-style steel buildings with viscous damper. Struct. Des. Tall Spéc. Build. 2019, 29, e1677. [Google Scholar] [CrossRef]
- Feng, H.; Zhou, F.; Ge, H.; Zhu, H.; Zhou, L. Seismic performance enhancement of buildings using multi-limb brace damper systems. Struct. Des. Tall Spéc. Build. 2020, 30, e1825. [Google Scholar] [CrossRef]













| Specimens | J0 | JR1 | JR2 | JR3 |
|---|---|---|---|---|
| Thickness of steel/mm | / | 6 | 6 | 6 |
| Thickness of viscoelastic pad/mm | / | / | 10 | 18 |
| Degree of damage (drift) | / | 1/50 | 1/50 | 1/50 |
| Grade of Concrete | 7-Day Compressive Strength/MPa | 28-Day Compressive Strength/MPa | Axial Compressive Strength/MPa | Young’s Modulus/MPa |
|---|---|---|---|---|
| Concrete C40 | 40.5 | 46.71 | 31.24 | 30,205 |
| Grade of Steel Bar | Diameter | Yield strength/MPa | Limited strength/MPa | Elongation after break |
| HRB400 | 8 | 548.63 | 615.73 | 0.0713 |
| HRB400 | 16 | 439.12 | 625.61 | 0.2658 |
| HRB400 | 18 | 423.33 | 623.51 | 0.2560 |
| Steel grade | thickness/mm | Yield strength/MPa | Limited strength/MPa | Young’s Modulus/MPa |
| Q335 | 6 | 362 | 523 | 227,249 |
| Level | Drift/% | Displacement/mm | Loading Frequency/Hz | Load Cycles |
|---|---|---|---|---|
| 1 | 0.2 | 3 | 2 | 5 |
| 2 | 0.25 | 3.75 | 2 | 5 |
| 3 | 0.35 | 5.25 | 2 | 5 |
| 4 | 0.5 | 7.5 | 2 | 5 |
| 5 | 0.75 | 11.25 | 2 | 5 |
| 6 | 1 | 15 | 2 | 5 |
| 7 | 1.4 | 21 | 2 | 5 |
| 8 | 1.75 | 26.25 | 2 | 5 |
| 9 | 2.2 | 33 | 2 | 5 |
| 10 | 2.75 | 41.25 | 2 | 5 |
| 11 | 3.5 | 52.5 | 2 | 5 |
| 12 | 4.2 | 63 | 2 | 5 |
| 13 | 4.9 | 73.5 | 2 | 5 |
| Specimens | Loading Direction | Yield Load/kN | Peak Load/kN | Ratio of Yield Load and Peak Load |
|---|---|---|---|---|
| J0 | Positive | 72.33 | 80.53 | 1.11 |
| Negative | −71.03 | −83.17 | 1.17 | |
| JR1 | Positive | 108.92 | 124.38 | 1.14 |
| Negative | −105.78 | −122.98 | 1.16 | |
| JR2 | Positive | 105.91 | 124.87 | 1.18 |
| Negative | −108.85 | −132.37 | 1.22 | |
| JR3 | Positive | 101.18 | 120.14 | 1.19 |
| Negative | −101.41 | −126.62 | 1.25 |
| Specimens | Loading Direction | Yield Displacement/mm | Ultimate Displacement/mm | Ratio of Ultimate Displacement to Comparison Specimen | Ductility Factor | Mean Ductility Factor |
|---|---|---|---|---|---|---|
| J0 | Positive | 7.47 | 52.5 | 1 | 7.03 | 6.99 |
| Negative | −7.53 | −52.5 | 6.97 | |||
| JR1 | Positive | 9.89 | 63 | 1.20 | 6.37 | 5.90 |
| Negative | −11.59 | −63 | 5.44 | |||
| JR2 | Positive | 12.93 | 73.5 | 1.40 | 5.68 | 5.29 |
| Negative | −14.99 | −73.5 | 4.90 | |||
| JR3 | Positive | 15.15 | 84 | 1.60 | 5.54 | 4.85 |
| Negative | −20.20 | −84 | 4.16 |
Disclaimer/Publisher’s Note: The statements, opinions and data contained in all publications are solely those of the individual author(s) and contributor(s) and not of MDPI and/or the editor(s). MDPI and/or the editor(s) disclaim responsibility for any injury to people or property resulting from any ideas, methods, instructions or products referred to in the content. |
© 2023 by the authors. Licensee MDPI, Basel, Switzerland. This article is an open access article distributed under the terms and conditions of the Creative Commons Attribution (CC BY) license (https://creativecommons.org/licenses/by/4.0/).
Share and Cite
Huang, X.-H.; Xu, Z.-D.; Xiao, H.-J. Experimental Study on Seismic Behavior of Damaged Beam-Column Joints Retrofitted by Viscoelastic Steel-Enveloped Elements. Buildings 2023, 13, 702. https://doi.org/10.3390/buildings13030702
Huang X-H, Xu Z-D, Xiao H-J. Experimental Study on Seismic Behavior of Damaged Beam-Column Joints Retrofitted by Viscoelastic Steel-Enveloped Elements. Buildings. 2023; 13(3):702. https://doi.org/10.3390/buildings13030702
Chicago/Turabian StyleHuang, Xing-Huai, Zhao-Dong Xu, and Han-Jie Xiao. 2023. "Experimental Study on Seismic Behavior of Damaged Beam-Column Joints Retrofitted by Viscoelastic Steel-Enveloped Elements" Buildings 13, no. 3: 702. https://doi.org/10.3390/buildings13030702
APA StyleHuang, X.-H., Xu, Z.-D., & Xiao, H.-J. (2023). Experimental Study on Seismic Behavior of Damaged Beam-Column Joints Retrofitted by Viscoelastic Steel-Enveloped Elements. Buildings, 13(3), 702. https://doi.org/10.3390/buildings13030702

