Theoretical Analysis of the Influence of Bearing Plate Position on the Bearing Performance of Soil around the CEP Antipull Force Double Pile
Abstract
:1. Introduction
- (1)
- Establish the finite element model of CEP double-pile buckling resistance under different pile plate locations, and apply the face load of vertical tension on the top surface of the pile.
- (2)
- The top displacement of the pile, the failure state of soil around the pile, and the shear stress of each node of the pile shaft under the action of vertical tension are recorded. The six groups of results obtained are compared and analyzed, and the corresponding parameters are determined.
- (3)
- The calculation mode of the antipull-force-bearing capacity of CEP double piles with different bearing plates is modified, thereby providing a reliable theoretical basis for the calculation and design application of the bearing capacity of CEP pile groups.
- (4)
- Propose the main design principles of CEP double-pile buckling resistance in actual projects.
2. ANSYS Finite Element Model Construction
- (1)
- Since the deformation and force state of the soil body around the pile are mainly studied rather than the damage of the CEP pile itself, it is assumed that only the soil body is damaged throughout the simulation analysis, and the CEP double pile always maintains the elastic working state before reaching the ultimate bearing capacity. The pile body is set as a linear elastic material.
- (2)
- In order to make the goal of simulation analysis more clear and mainly study the influence of plate position, the soil body around the fixed pile adopts a single soil layer; a clayey soil layer is used, and the soil layer is set as elastic–plastic material.
- (3)
- The simulation analysis does not consider the influence of time effect, and the load is continuously applied step by step; the pile and soil are regarded as ideal materials with isotropic and uniform material.
- (4)
- Since the modeled length and width of soil body are much larger than the disc diameter of concrete spreading pile in the simulation, the influence of boundary conditions on the simulation results is not considered.
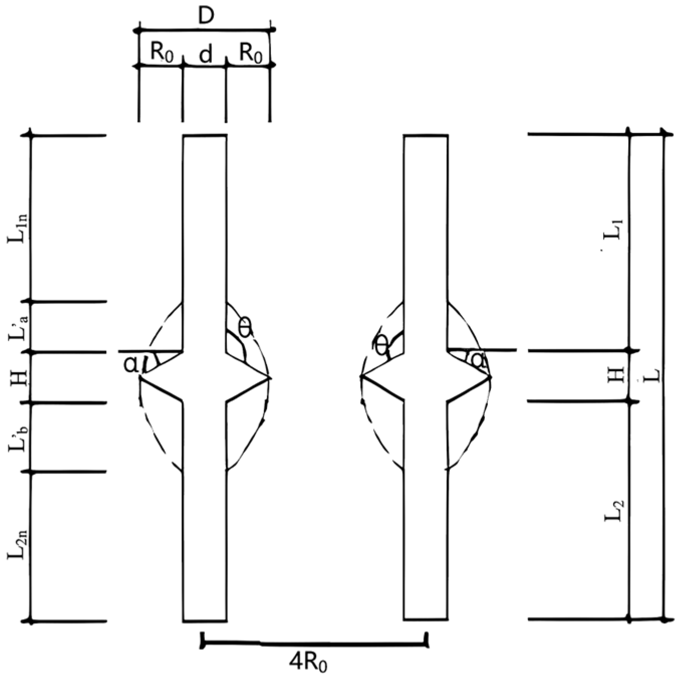
2.1. Model Size
2.2. Material Parameters
2.3. Establishment of Finite Element Model
2.4. Constraints and Load Methods
2.4.1. Setting of Constraints
2.4.2. Load Application
3. Displacement Nephogram Analysis of ANSYS Simulation Results
3.1. Displacement Nephogram Analysis during Loading
3.1.1. The CEP Double-Pile-Bearing Plates at the Same Position
3.1.2. The CEP Double-Pile-Bearing Plate at Different Positions
- (1)
- Displacement nephogram analysis of the MM5 group loading process
- (2)
- Displacement nephogram analysis of the MM6 group during loading process
3.2. Load Displacement Curve Analysis
- (1)
- At the initial simulation loading stage of the MM1–MM6 groups of double-pile models, the change trend of load displacement curve is the same, as shown in the red section of Figure 10. At this time, the displacement of the pile top increases linearly with the increase in load, mainly relying on the side friction of double piles and the local soil above the bearing plate to provide the bearing capacity. The bearing plate does not play a role in the bearing capacity of CEP double piles.
- (2)
- In the middle and late stages of loading (outside the red line), the farther the bearing plate is from the soil surface, the smaller the pile top displacement, the greater the load corresponding to failure, and the greater the bearing capacity of the pile with the pile length d1 above the bearing plate under the same load. However, the greater the distance between the bearing plate and the soil surface, the slower the growth rate of its bearing capacity. Under the same load, the pile top displacement of the MM6 group is remarkably smaller than that of the MM5 group. Thus, the antipull-force-bearing capacity of the MM6 group is remarkably greater than that of the MM5 group, and the bearing capacity of the bearing plate of the MM5 group is not fully utilized, and the soil has been damaged, so the antipull-force-bearing capacity mainly depends on the pile with a small pile length d1 above the bearing plate.
- (3)
- Under the same load, the antipull-force-bearing capacity of groups M2–M4 is larger, and that of group M4 is the largest. Therefore, the antipull-force-bearing capacity of double piles with the bearing plate at the same position is greater when the pile length d1 above the bearing plate is greater than 4R0.
4. Shear Stress Curve Analysis of ANSYS Simulation Results
4.1. The CEP Double-Pile-Bearing Plates at the Same Position
- (1)
- Compared with the six corresponding shear stress curves when loading on the same side, the position of the bearing plate from the beginning of loading bears approximately more than 80% of the antipull of the pile shaft, and the compressive pile is lower than this value, about 60%. This condition is because the soil mass at the bottom of the compression pile can provide most of the end-bearing capacity and bear down pressure together with the bearing plate. The antipull force pile only has the bearing plate to provide the end-bearing capacity, which causes excessive concentration of the shear stress of the bearing plate and the pile diameter near the bearing plate. Therefore, the antipull force CEP pile should be further densified with steel bars near the bearing plate compared with the compression pile during the design to ensure the safety of the project.
- (2)
- The maximum shear stress occurs at numbers 10 and 10’, that is, the junction of the bearing plate and the upper pile diameter. Extremely large sudden changes in shear stress are observed between points 9 and 10, and between points 9’ and 10’, approximately from zero to the maximum, which is prone to brittle failure. The main reason for this phenomenon is because the pile top transmits the vertical antipull force to the bearing plate through the upper pile diameter, and the bearing plate bears approximately 80% of the load, so an extremely large shear stress mutation occurs at the junction of the bearing plate and the upper pile diameter. Therefore, this position can be designed as a circular arc during antipull force resistance in actual projects. Although the engagement between the bearing plate and the soil around the plate is weakened, this condition will greatly reduce the shear stress mutation at the junction of the bearing plate and the upper pile diameter, and decrease the risk of damage.
- (3)
- The shear stress of the lower pile diameter is greater than that of the upper pile diameter, and the shear stress of the upper pile diameter is approximately zero when CEP piles are antipull-force-resistant by comparing numbers 1–9, 1’–9’ nodes and numbers 13–16, 13’–16’ nodes. This finding shows that the role of the upper pile diameter is mainly to transfer the antipull force load of the pile top to the bearing plate and then transfer the stress to the soil around the pile by the bearing plate and the lower pile diameter to provide the bearing capacity.
4.2. The CEP Double-Pile-Bearing Plate at Different Positions
5. Calculation Mode for Antipull-Force-Bearing Capacity of CEP Double Piles
5.1. Calculation Mode of CEP Single-Pile-Bearing Capacity


5.2. The Reduction Factor α and the Determination of the Calculation Formula
6. Conclusions
- (1)
- In this paper, the simulation study on the pull-out bearing capacity of CEP double piles mainly analyzes the influence of the bearing plate position on the bearing performance of CEP double piles, compared with the bearing performance of single piles. It can be learned that within a certain pile spacing, the bearing capacity of CEP double piles is not twice the bearing capacity of single piles, the interaction between the two bearing plates of CEP double piles results in the folding down of the bearing capacity, which is due to the fact that when CEP double piles are subjected to the vertical tensile force, the load is transferred to the bearing plate through the pile body; the bearing plate and the soil around the pile are in contact with each other, the bearing plate plays the main bearing role, the soil is extruded above the bearing plate, and the soil above the bearing plate generates slip; with the change of different bearing plate positions, the bearing capacity of the double pile is also changing.
- (2)
- When the pile spacing and bearing plate position of CEP double piles are set reasonably, the failure state of soil around each pile is the same as that of the single pile. When the bearing plates of double piles are at the same position, the greater the pile length d1 above the bearing plates, the greater the ultimate bearing capacity of CEP double piles. When the bearing plates of double piles are at different positions, the antipull-force-bearing capacity of double piles mainly depends on the pile with a smaller pile length d1 above the bearing plate. The pile length d1 above the bearing plate should be greater than 4R0 as much as possible to avoid punching failure.
- (3)
- The main design principles of CEP double-pile antipull force resistance in actual projects are proposed as follows:
- The position of the bearing plates of two piles should be the same as much as possible, and the pile length d1 above should be greater than 4R0.
- When the positions of the bearing plates of two piles are different, the pile length d1 above the bearing plates should be greater than 4R0, and the vertical distance between the bearing plates of two piles should meet the requirement of no mutual influence and does not need to be larger.
- At the time of design, tensile CEP piles should be rebar-encrypted near the load-bearing plate compared to antipressure CEP piles.
- During antipull force, the interface between the bearing plate and the main pile diameter can be designed as a circular arc.
- (4)
- The calculation formula of CEP double-pile pullout bearing capacity was established, which can effectively arrange the number of piles used in the actual project and reduce the waste of concrete.
7. Outlook
Author Contributions
Funding
Data Availability Statement
Conflicts of Interest
References
- Baohan, S. Special Lecture on New Technology of Pile Foundation Construction(thirty-one) Construction method of drilling-expanding-clearing integrated machine and its multi-section drilling and expanding pile. Eng. Mach. Maint. 2014, 106–108+110–114. [Google Scholar]
- Qian, Y.; Li, M.; Wang, R.; Jin, Y. Theoretical study on the load carrying capacity of concrete drilled and expanded piles with different stiffness under horizontal load. IOP Conf. Ser. Earth Environ. Sci. 2021, 760, 012002. [Google Scholar] [CrossRef]
- Zhang, M.; Xu, P.; Cui, W.; Gao, Y. Bearing behavior and failure mechanism of squeezed branch piles. J. Rock Mech. Geotech. Eng. 2018, 10, 935–946. [Google Scholar] [CrossRef]
- Ting, L.; Peng, X.; Yang, G. Investigation into bearing performance of concrete expanded-plates piles: Field test and numerical modelling. Eng. Struct. 2022, 271, 114954. [Google Scholar]
- Ma, H.; Wu, Y.; Tong, Y.; Jiang, X. Research on bearing theory of squeezed branch pile. Adv. Civ. Eng. 2020, 2020, 6637261. [Google Scholar] [CrossRef]
- Qian, Y.; Wang, J.; Wang, R. The analysis of the vertical uplift bearing capacity of single CEP pile. Open Civ. Eng. J. 2015, 9, 598–601. [Google Scholar] [CrossRef]
- Chen, Y.; Qian, Y.; Hong, G.; Jin, Y.; Wang, R. Study of undisturbed soil test about slope angle of the expanded-plate affecting the failure mechanism of the NT-CEP pile under vertical tension. J. Phys. Conf. Ser. 2022, 2202, 012023. [Google Scholar] [CrossRef]
- Tian, W.; Qian, Y.; Lang, S.; Wang, R. The Undisturbed-Soil Experimental Analysis of the Destructive-State Influence of the Plate Diameter under the Vertical Tension on the CEP Pile. Chem. Eng. Trans. 2018, 66, 445–450. [Google Scholar]
- Hadi, D.H.; Waheed, M.Q.; Fattah, M.Y. Effect of Pile’s Number on the Behavior of Piled Raft Foundation. Eng. Technol. J. 2021, 39, 1080–1091. [Google Scholar] [CrossRef]
- Fattah, M.Y.; Al-Obaydi, M.A.; Al-Jalabi, F.A. Effect of number of piles on load sharing in piled raft foundation system in saturated gypseous soil. Int. J. Civ. Eng. Technol. 2018, 9, 932–944. [Google Scholar]
- Al-Suhaily, A.S.; Abood, A.S.; Fattah, M.Y. Bearing capacity of uplift piles with end gates. In Proceedings of the China-Europe Conference on Geotechnical Engineering, Vienna, Austria, 13–16 August 2016; Springer International Publishing: Cham, Switzerland, 2018; Volume 2, pp. 893–897. [Google Scholar]
- Liang, F.; Yu, F.; Han, J. A simplified analytical method for response of an axially loaded pile group subjected to lateral soil movement. KSCE J. Civ. Eng. 2013, 17, 368–376. [Google Scholar] [CrossRef]
- Zhang, H.; Li, C.; Yao, W.; Long, J. A novel approach for determining pile spacing considering interactions among multilayered sliding masses in colluvial landslides. KSCE J. Civ. Eng. 2019, 23, 3935–3950. [Google Scholar] [CrossRef]
- Fan, Y.; Wang, J.; Feng, S. Effect of spudcan penetration on laterally loaded pile groups. Ocean. Eng. 2021, 221, 108505. [Google Scholar] [CrossRef]
- Qian, Y.; Chao, S.; Wang, R. Theoretical Analysis of Plate Location Effect on Soil Failure State under Horizontal Force of a Concrete Plate-Expanded Pile Used for Oceanographic Engineering. J. Coast. Res. 2020, 106, 655–659. [Google Scholar] [CrossRef]
- Dobrzycki, P.; Kongar-Syuryun, C.; Khairutdinov, A. Vibration reduction techniques for Rapid Impulse Compaction (RIC). J. Phys. Conf. Ser. 2019, 1425, 012202. [Google Scholar] [CrossRef]
- Herbut, A.; Khairutdinov, M.; Kongar-Syuryun, C.; Rybak, J. The surface wave attenuation as the effect of vibratory compaction of building embankments. IOP Conf. Ser. Earth Environ. Sci. 2019, 362, 012131. [Google Scholar] [CrossRef]
- Khayrutdinov, M.; Kongar-Syuryun, B.; Khayrutdinov, M.; Tyulyaeva, Y.S. Improving Safety when Extracting Water-soluble Ores by Optimizing the Parameters of the Backfill Mass. Occup. Saf. Ind. 2021, 1, 53–59. [Google Scholar] [CrossRef]
- Golik, I.; Kongar-Syuryun, B.; Michałek, A.; Pires, P. Ground transmitted vibrations in course of innovative vinyl sheet piles driving. J. Phys. Conf. Ser. 2021, 1921, 012083. [Google Scholar] [CrossRef]
- Baca, M. Numerical Modeling of Pile Installation Influence on Surrounding Soil. In Proceedings of the 17th International Multidisciplinary Scientific GeoConference, SGEM 2017, Albena, Bulgaria, 27 June–6 July 2017. [Google Scholar]
- Han, W.F.; Feng, B.B.; Zhou, J.; Lu, C.Y. The Study on the Engineering Properties of Squeezed Branch Piles under Combined Load. Appl. Mech. Mater. 2014, 580–583, 371–375. [Google Scholar] [CrossRef]
- Yin, L.; Fan, X.; Wang, S. A study on application of squeezed branch pile in clay soil foundation. IOP Conf. Ser. Earth Environ. Sci. 2017, 61, 012091. [Google Scholar] [CrossRef]
- Qian, Y.; Yang, Y.; Hong, G.; Tian, W.; Song, Y. Theoretical Analysis of the Influence of a Sectional Form of a Flexible NT-CEP Pile Disc on the Anti-tilting Loading Performance. KSCE J. Civ. Eng. 2022, 26, 4709–4716. [Google Scholar] [CrossRef]
- Baca, M.; Rybak, J. Pile Base and Shaft Capacity under Various Types of Loading. Appl. Sci. 2021, 11, 3396. [Google Scholar] [CrossRef]
- Kahyaoglu, M.R.; Imançli, G.; Önal, O.; Kayalar, A.S. Numerical analyses of piles subjected to lateral soil movement. KSCE J. Civ. Eng. 2012, 16, 562–570. [Google Scholar] [CrossRef]
- Qian, Y. Study on Damage Mechanism of Soil around Concrete Spread Plate Pile and Vertical Bearing Capacity of Single Pile; China Building Industry Press: Beijing, China, 2018; Volume 11. [Google Scholar]





















| Group | Double-Pile Length above Bearing Plate d1 (mm) | Pile Length L (mm) | Pile Diameter d (mm) | Pile Spacing S (mm) | Plate Diameter D (mm) | Plate Cantilever Path R0 (mm) | Plate Slope Angle (°) | Clearance between Plates p (mm) |
|---|---|---|---|---|---|---|---|---|
| MM1 | 3200/3200 | 8000 | 500 | 3200 (4R0) | 2100 | 800 | α = 36° β = 21° | 1100 (1.38R0) |
| MM2 | 4800/4800 | |||||||
| MM3 | 5360/5360 | |||||||
| MM4 | 6400/6400 | |||||||
| MM5 | 1400/6400 | |||||||
| MM6 | 3200/4800 |
| Material | Density (t/mm³) | Elastic Modulus (MPa) | Poisson Ratio | Cohesion (MPa) | Friction Angle (°) | Dilation Angle (°) |
|---|---|---|---|---|---|---|
| Pile | 2.25 × 10−9 | 3.465 × 104 | 0.2 | – | – | – |
| Clay | 1.488 × 10−9 | 25 | 0.35 | 0.04355 | 10.7 | 10.7 |
| — | MM1/M1 | MM2/M2 | MM3/M3 | MM4/M4 |
|---|---|---|---|---|
| Pile length above bearing plate (d1) | 4R0 | 6R0 | 6.7R0 | 8R0 |
| α | 1.8252 | 1.8400 | 1.8462 | 1.8480 |
Disclaimer/Publisher’s Note: The statements, opinions and data contained in all publications are solely those of the individual author(s) and contributor(s) and not of MDPI and/or the editor(s). MDPI and/or the editor(s) disclaim responsibility for any injury to people or property resulting from any ideas, methods, instructions or products referred to in the content. |
© 2023 by the authors. Licensee MDPI, Basel, Switzerland. This article is an open access article distributed under the terms and conditions of the Creative Commons Attribution (CC BY) license (https://creativecommons.org/licenses/by/4.0/).
Share and Cite
Qian, Y.; Sun, L.; Ai, L.; Zhou, Y.; Li, M. Theoretical Analysis of the Influence of Bearing Plate Position on the Bearing Performance of Soil around the CEP Antipull Force Double Pile. Buildings 2023, 13, 2613. https://doi.org/10.3390/buildings13102613
Qian Y, Sun L, Ai L, Zhou Y, Li M. Theoretical Analysis of the Influence of Bearing Plate Position on the Bearing Performance of Soil around the CEP Antipull Force Double Pile. Buildings. 2023; 13(10):2613. https://doi.org/10.3390/buildings13102613
Chicago/Turabian StyleQian, Yongmei, Lin Sun, Lishuang Ai, Ying Zhou, and Mingxiao Li. 2023. "Theoretical Analysis of the Influence of Bearing Plate Position on the Bearing Performance of Soil around the CEP Antipull Force Double Pile" Buildings 13, no. 10: 2613. https://doi.org/10.3390/buildings13102613
APA StyleQian, Y., Sun, L., Ai, L., Zhou, Y., & Li, M. (2023). Theoretical Analysis of the Influence of Bearing Plate Position on the Bearing Performance of Soil around the CEP Antipull Force Double Pile. Buildings, 13(10), 2613. https://doi.org/10.3390/buildings13102613

