Reinforced Concrete Columns with Local Prestressing Rebars: A Calculation Theory and an Experimental Study
Abstract
:1. Introduction
2. Materials and Methods
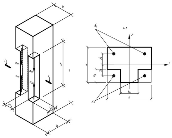
2.1. Deformation Model of Columns with Local Prestress at the Manufacturing Stage
- The plane section hypothesis;
- The absence in the pre-stressing stage of the influence of pre-stressing reinforcement on the stress–strain state of the support zones ( and , here l0 is the length of the local prestress zone, l is the length of the column);
- The stress concentration at the junction of the stressed and the non-stressed zone of the column, associated with a change in the dimensions of the cross section, is neglected;
- The joint of the hollows concrete with the main concrete in the stage of work under load is considered ideal.
2.2. Deformation Model of Columns with Local Prestress at the Stage of Work under Load
2.3. The Program of Experiments and the Design of Experimental Samples
3. Results
4. Discussion
5. Conclusions
- A new type of reinforced concrete columns with local prestressing of reinforcement is proposed. Resolving equations are obtained and algorithms for calculating the stress-strain state of columns at the stage of manufacture and work under load are developed;
- An experimental study of the stiffness, crack resistance, and bearing capacity of columns with local prestressing has been carried out. As a result, it was found that, compared with elements without prestressing, there was an increase in the bearing capacity from 12.5 to 30%. Crack resistance also noticeably increased: the load at which the first crack forms in the stretched zone increased by 1.3–2.5 times;
- The experimental results are in good agreement with the developed calculation model. The discrepancy in the value of the ultimate load was 6–10%;
- Theoretical calculations have shown that the bearing capacity of columns with local prestressing can be higher than that of columns with full length prestressing.
Author Contributions
Funding
Institutional Review Board Statement
Informed Consent Statement
Data Availability Statement
Acknowledgments
Conflicts of Interest
References
- Rodriguez-Gutierrez, J.A.; Aristizabal-Ochoa, J.D. Reinforced, partially, and fully prestressed slender concrete columns under biaxial bending and axial load. J. Struct. Eng. 2001, 127, 774–783. [Google Scholar] [CrossRef]
- Abdel-Jaber, H.; Glisic, B. Monitoring of prestressing forces in prestressed concrete structures–An overview. Struct. Control Health Monit. 2019, 26, e2374. [Google Scholar] [CrossRef] [Green Version]
- Ma, W. Behavior of Aged Reinforced Concrete Columns under High Sustained Concentric and Eccentric Loads. Ph.D. Thesis, University of Nevada, Las Vegas, NV, USA, 2021; p. 198. [Google Scholar]
- Ma, W. Simulate Initiation and Formation of Cracks and Potholes. Master’s Report, Northeastern University, Boston, MA, USA, 2016; p. 93. [Google Scholar]
- Shagin, A.L.; Rifai, M. Method for Manufacturing Prestressed Reinforced Concrete Elements. Patent RU 2056490 C1, 1996. [Google Scholar]
- Taoum, A.; Jiao, H.; Holloway, D. Flexural behaviour of locally post-tensioned reinforced concrete beams. Aust. J. Struct. Eng. 2015, 16, 180–186. [Google Scholar] [CrossRef]
- Tan, K.H.; Farooq, M.A.-A.; Ng, C.K. Behavior of simple-span reinforced concrete beams locally strengthened with external tendons. Struct. J. 2001, 98, 174–183. [Google Scholar]
- Taoum, A.; Jiao, H.; Holloway, D. Upgrading steel I-beams using local post-tensioning. J. Constr. Steel Res. 2015, 113, 127–134. [Google Scholar] [CrossRef]
- Taoum, A.; Jiao, H.; Holloway, D. Using locally pre-stressed reinforcing bars to restore the capacity of severely damaged steel beams. Int. J. Steel Struct. 2015, 15, 125–134. [Google Scholar] [CrossRef]
- Taoum, A. Application of Local Post-Tensioning to New and Existing Structures. Ph.D. Thesis, University of Tasmania, Hobart, Australia, 2016. [Google Scholar]
- Mailyan, D.R.; Mailyan, L.D. Environmentally friendly and cost-efficient reinforced concrete beams with re-arranged pre-tension. Vestn. Volgogr. Gos. Arhit. Stroit. Universiteta. Seriya Stroit. I Arhit. 2016, 44, 94–102. [Google Scholar]
- Mailyan, D.R.; Del Socorro, V.A.L. Effective reinforced concrete structures of monolithic frame buildings and structures. IOP Conf. Ser. Mater. Sci. Eng. 2020, 913, 032049. [Google Scholar] [CrossRef]
- Sung, M.; Andrawes, B. Innovative local prestressing system for concrete crossties using shape memory alloys. Eng. Struct. 2021, 247, 113048. [Google Scholar] [CrossRef]
- Zhao, H.; Andrawes, B. Innovative prestressing technique using curved shape memory alloy reinforcement. Constr. Build. Mater. 2020, 238, 117687. [Google Scholar] [CrossRef]
- Zhao, H.; Andrawes, B. Local strengthening and repair of concrete bridge girders using shape memory alloy precast prestressing plate. J. Intell. Mater. Syst. Struct. 2020, 31, 1343–1357. [Google Scholar] [CrossRef]
- Abouali, S.; Shahverdi, M.; Ghassemieh, M.; Motavalli, M. Nonlinear simulation of reinforced concrete beams retrofitted by near-surface mounted iron-based shape memory alloys. Eng. Struct. 2019, 187, 133–148. [Google Scholar] [CrossRef]
- Yeon, Y.M.; Lee, W.; Hong, K.N. Finite Element Analysis of Reinforced Concrete Beams Prestressed by Fe-Based Shape Memory Alloy Bars. Appl. Sci. 2022, 12, 3255. [Google Scholar] [CrossRef]
- Lee, H.Y.; Jung, W.T.; Chung, W. Flexural strengthening of reinforced concrete beams with pre-stressed near surface mounted CFRP systems. Compos. Struct. 2017, 163, 1–12. [Google Scholar] [CrossRef]
- Gao, P.; Gu, X.; Mosallam, A.S. Flexural behavior of preloaded reinforced concrete beams strengthened by prestressed CFRP laminates. Compos. Struct. 2016, 157, 33–50. [Google Scholar] [CrossRef] [Green Version]
- Mukherjee, A.; Rai, G.L. Performance of reinforced concrete beams externally prestressed with fiber composites. Constr. Build. Mater. 2009, 23, 822–828. [Google Scholar] [CrossRef]
- Shilov, A.V.; Beskopylny, A.N.; Meskhi, B.; Mailyan, D.; Shilov, D.; Polushkin, O.O. Ultimate Compressive Strains and Reserves of Bearing Capacity of Short RC Columns with Basalt Fiber. Appl. Sci. 2021, 11, 7634. [Google Scholar] [CrossRef]
- Stel’makh, S.A.; Shcherban’, E.M.; Beskopylny, A.; Mailyan, L.R.; Meskhi, B.; Dotsenko, N. Enchainment of the Coefficient of Structural Quality of Elements in Compression and Bending by Combined Reinforcement of Concrete with Polymer Composite Bars and Dispersed Fiber. Polymers 2021, 13, 4347. [Google Scholar] [CrossRef] [PubMed]
- Wang, X.; Zhou, C. Numerical investigation for the flexural strengthening of reinforced concrete beams with external prestressed HFRP sheets. Constr. Build. Mater. 2018, 189, 804–815. [Google Scholar] [CrossRef]
- Stel’makh, S.A.; Shcherban’, E.M.; Beskopylny, A.; Mailyan, L.R.; Meskhi, B.; Varavka, V. Quantitative and Qualitative Aspects of Composite Action of Concrete and Dispersion-Reinforcing Fiber. Polymers 2022, 14, 682. [Google Scholar] [CrossRef]
- Mailyan, L.R.; Beskopylny, A.N.; Meskhi, B.; Stel’makh, S.A.; Shcherban, E.M.; Ananova, O. Optimization of Composition and Technological Factors for the Lightweight Fiber-Reinforced Concrete Production on a Combined Aggregate with an Increased Coefficient of Structural Quality. Appl. Sci. 2021, 11, 7284. [Google Scholar] [CrossRef]
- Timoshenko, S.P. Strength of Materials: Part 1. Elementary Theory and Problems; Van Nostrand: New York, NY, USA, 1950. [Google Scholar]
- Timoshenko, S.P. Strength of Materials: Part 2. Advanced Theory and Problems; Van Nostrand: New York, NY, USA, 1956. [Google Scholar]
- Nesvetaev, G.V.; Koryanova, Y.I.; Chepurnenko, A.S.; Sukhin, D.P. On the issue of modeling thermal stresses during concreting of massive reinforced concrete slabs. Eng. J. Don 2022, 6, 7691. Available online: http://ivdon.ru/en/magazine/archive/n6y2022/7691 (accessed on 1 August 2022).
- Ishchenko, A.V.; Pogodin, D.A. Calculation of reinforced concrete arches on stability when creeping. IOP Conf. Ser. Mater. Sci. Eng. 2019, 698, 022086. [Google Scholar] [CrossRef]
- Yazyev, S.B.; Chepurnenko, V.S.; Chepurnenko, A.S.; Sabitov, L.S. Calculation of the stability of compressed wooden rods under nonlinear creep. Struct. Mech. Calc. Struct. 2020, 4, 67–71. Available online: https://elibrary.ru/item.asp?id=43977092 (accessed on 1 August 2022).
- Shuraim, A.B.M. Slenderness Effects in Prestressed Concrete Columns. Ph.D. Thesis, University of Michigan, Ann Arbor, MI, USA, 1990. [Google Scholar]
- Mahin, S.; Sakai, J.; Jeong, H. Use of partially prestressed reinforced concrete columns to reduce post-earthquake residual displacements of bridges. In Proceedings of the Fifth National Seismic Conference on Bridges & Highways, San Francisco, CA, USA, 18 September 2006. [Google Scholar]
- Zhang, B.; Yang, Y.; Wei, Y.F.; Liu, R.Y.; Ding, C.; Zhang, K.Q. Experimental study on seismic behavior of reinforced concrete column retrofitted with prestressed steel strips. Struct. Eng. Mech. Int. J. 2015, 55, 1139–1155. [Google Scholar] [CrossRef]
- Nikulin, A.I.; Zahidi, M.Z. Determination of the boundary eccentricity value when calculating the strength of prestressed reinforced concrete columns with rectangular cross-section. In Science and Innovation in Construction, Belgorod State Technological University Named after V.G. Shukhov (Belgorod); 2020; pp. 55–59. Available online: https://www.elibrary.ru/item.asp?id=44368243 (accessed on 1 August 2022).


















| Sample Number | Code | Prism Strength R, MPa | Sample Length l, cm | Longitudinal Force Eccentricity | |
|---|---|---|---|---|---|
| 1 | 180-2P | 46.4 | 180 | 2 | 400 |
| 2 | 180-2N | 46.4 | 180 | 2 | 0 |
| 3 | 180-4P | 36.6 | 180 | 4 | 400 |
| 4 | 180-4N | 36.6 | 180 | 4 | 0 |
| 5 | 240-2P | 39.2 | 240 | 2 | 400 |
| 6 | 240-2N | 39.2 | 240 | 2 | 0 |
| 7 | 240-4P | 28.7 | 240 | 4 | 400 |
| 8 | 240-4N | 28.7 | 240 | 4 | 0 |
| Sample | , mm | |||
|---|---|---|---|---|
| Experiment | Theory | Experiment | Theory | |
| 180-2P | 1.05 | 1.23 | 400 | 376 |
| 180-4P | 1.39 | 1.56 | 333 | 325 |
| 240-2P | 2.2 | 2.26 | 333 | 339 |
| 240-4P | 2.87 | 2.73 | 267 | 280 |
| Sample | ||||||
|---|---|---|---|---|---|---|
| Experiment | Theory | Experiment | Theory | |||
| 180-2P | 860 | 800 | 7.5 | 860 | 800 | 7.5 |
| 180-2N | 740 | 656 | 12.8 | 430 | 456 | 5.7 |
| 180-4P | 450 | 420 | 7.1 | 300 | 317 | 5.4 |
| 180-4N | 345 | 344 | 0.3 | 120 | 74.8 | - |
| 240-2P | 636 | 600 | 6 | 400 | 384 | 4.2 |
| 240-2N | 525 | 456 | 15.1 | 310 | 327 | 5.2 |
| 240-4P | 270 | 300 | 10 | 180 | 142 | 26.8 |
| 240-4N | 240 | 225 | 6.7 | 120 | 63 | - |
| Sample | Initial Deflection f, mm | Ultimate Load | ||
|---|---|---|---|---|
| Local Prestress | Full Length Prestress | Local Prestress | Full Length Prestress | |
| 180-2P | 1.23 | 0.838 | 800 | 745 |
| 180-4P | 1.56 | 0.931 | 420 | 403 |
| 240-2P | 2.26 | 1.60 | 600 | 588 |
| 240-4P | 2.73 | 1.86 | 300 | 310 |
Publisher’s Note: MDPI stays neutral with regard to jurisdictional claims in published maps and institutional affiliations. |
© 2022 by the authors. Licensee MDPI, Basel, Switzerland. This article is an open access article distributed under the terms and conditions of the Creative Commons Attribution (CC BY) license (https://creativecommons.org/licenses/by/4.0/).
Share and Cite
Chepurnenko, A.; Lipovich, A.; Beskopylny, A.N.; Meskhi, B. Reinforced Concrete Columns with Local Prestressing Rebars: A Calculation Theory and an Experimental Study. Buildings 2022, 12, 1152. https://doi.org/10.3390/buildings12081152
Chepurnenko A, Lipovich A, Beskopylny AN, Meskhi B. Reinforced Concrete Columns with Local Prestressing Rebars: A Calculation Theory and an Experimental Study. Buildings. 2022; 12(8):1152. https://doi.org/10.3390/buildings12081152
Chicago/Turabian StyleChepurnenko, Anton, Andrei Lipovich, Alexey N. Beskopylny, and Besarion Meskhi. 2022. "Reinforced Concrete Columns with Local Prestressing Rebars: A Calculation Theory and an Experimental Study" Buildings 12, no. 8: 1152. https://doi.org/10.3390/buildings12081152
APA StyleChepurnenko, A., Lipovich, A., Beskopylny, A. N., & Meskhi, B. (2022). Reinforced Concrete Columns with Local Prestressing Rebars: A Calculation Theory and an Experimental Study. Buildings, 12(8), 1152. https://doi.org/10.3390/buildings12081152

