Damage Assessment of Road Bridges Caused by Extreme Streamflow in Montenegro: Reconstruction and Structural Upgrading
Abstract
:1. Introduction
2. Materials and Methods
3. Damage Assessment of Niko Strugar Bridge (Bridge 1)
3.1. Description of Bridge Structure
3.2. Description of Bridge Damage
3.3. NonlinearAnalysis of the Bridge 1 Due to the Settlement of the River Pier S3
3.3.1. Element Forces during the Analysis
3.3.2. Element Deformation and Performance Check
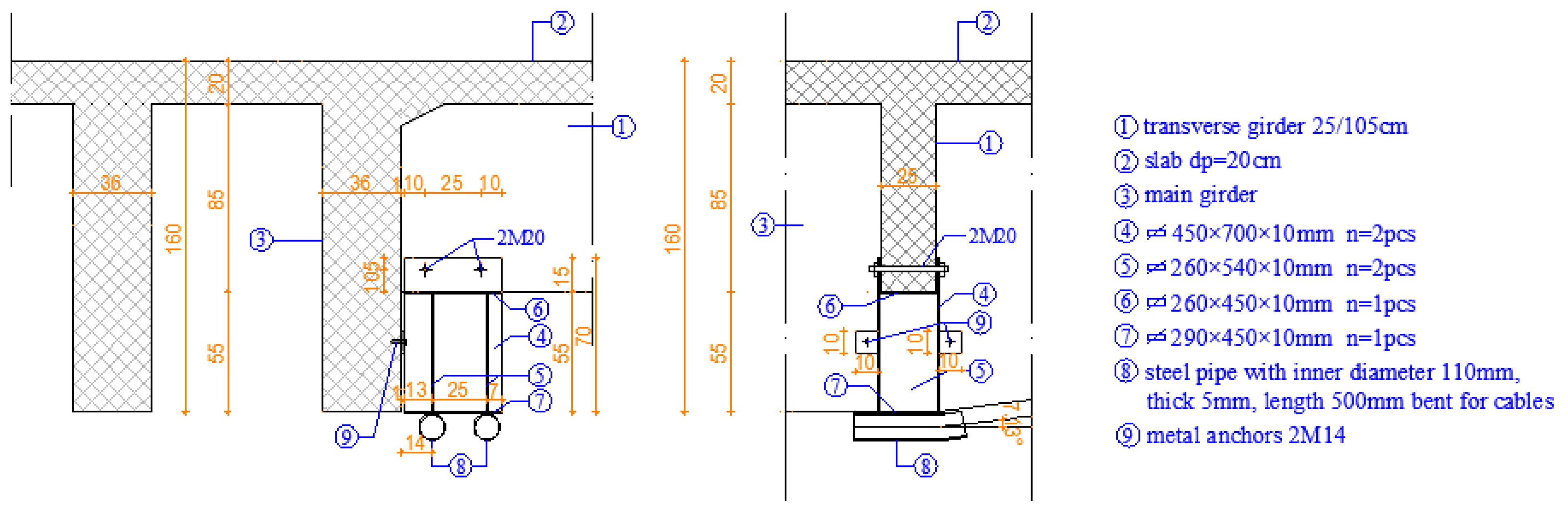
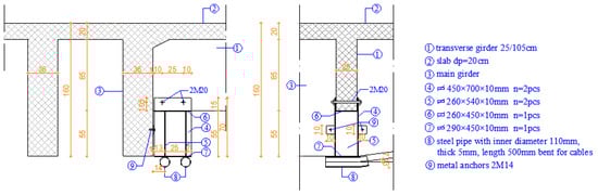
3.4. Structural Strengthening of the Bridge
3.4.1. Analysis of Action Effects in Damaged Bridge
3.4.2. Design of Structural Strengthening
4. Damage Assessment of Marsenic Bridge (Bridge 2)
4.1. Description of Bridge Structure
4.2. Description of Previous Bridge Damage State
4.3. Description of New Bridge Damage State
4.4. Nonlinear Analysis of the Bridge 2 Due to the Settlement of the River Pier S2
4.4.1. Element Forces during the Analysis
4.4.2. Element Deformation and Performance Check
4.5. Structural Strengthening of the Bridge 2
4.5.1. Element Deformation and Performance Check
4.5.2. Design of Structural Strengthening
5. Damage Assessment of Seoca Bridge (Bridge 3)
5.1. Description of Bridge Structure and Bridge Damage State
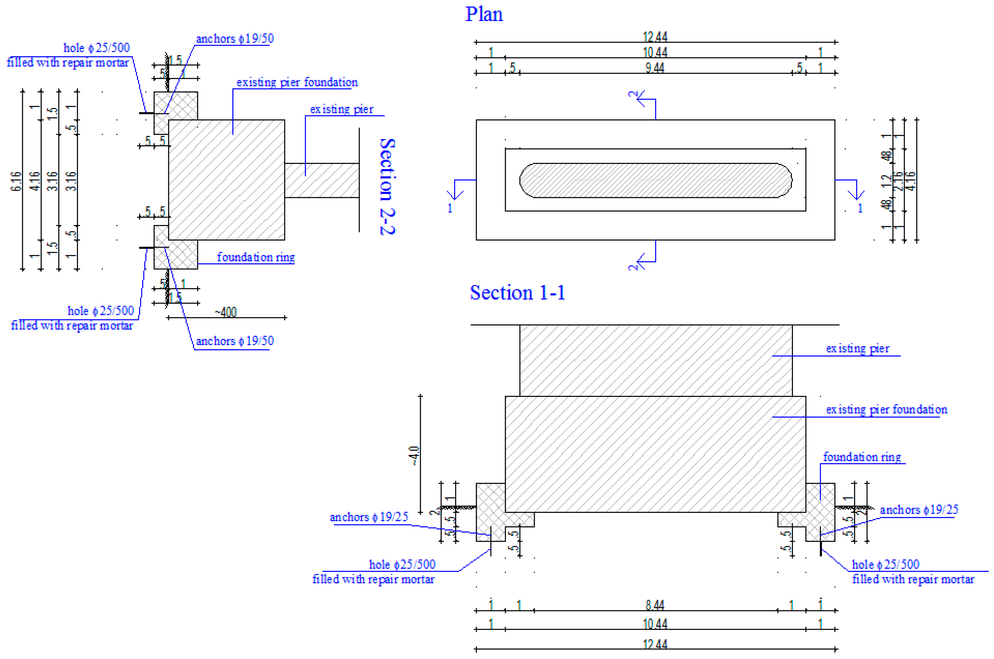
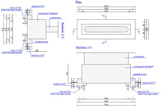
5.2. Designed Reconstruction of the Bridge
6. Damage Assessment of Novsici Bridge in the Municipality of Plav (Bridge 4)
6.1. Description of Bridge Structure and Bridge Damage State
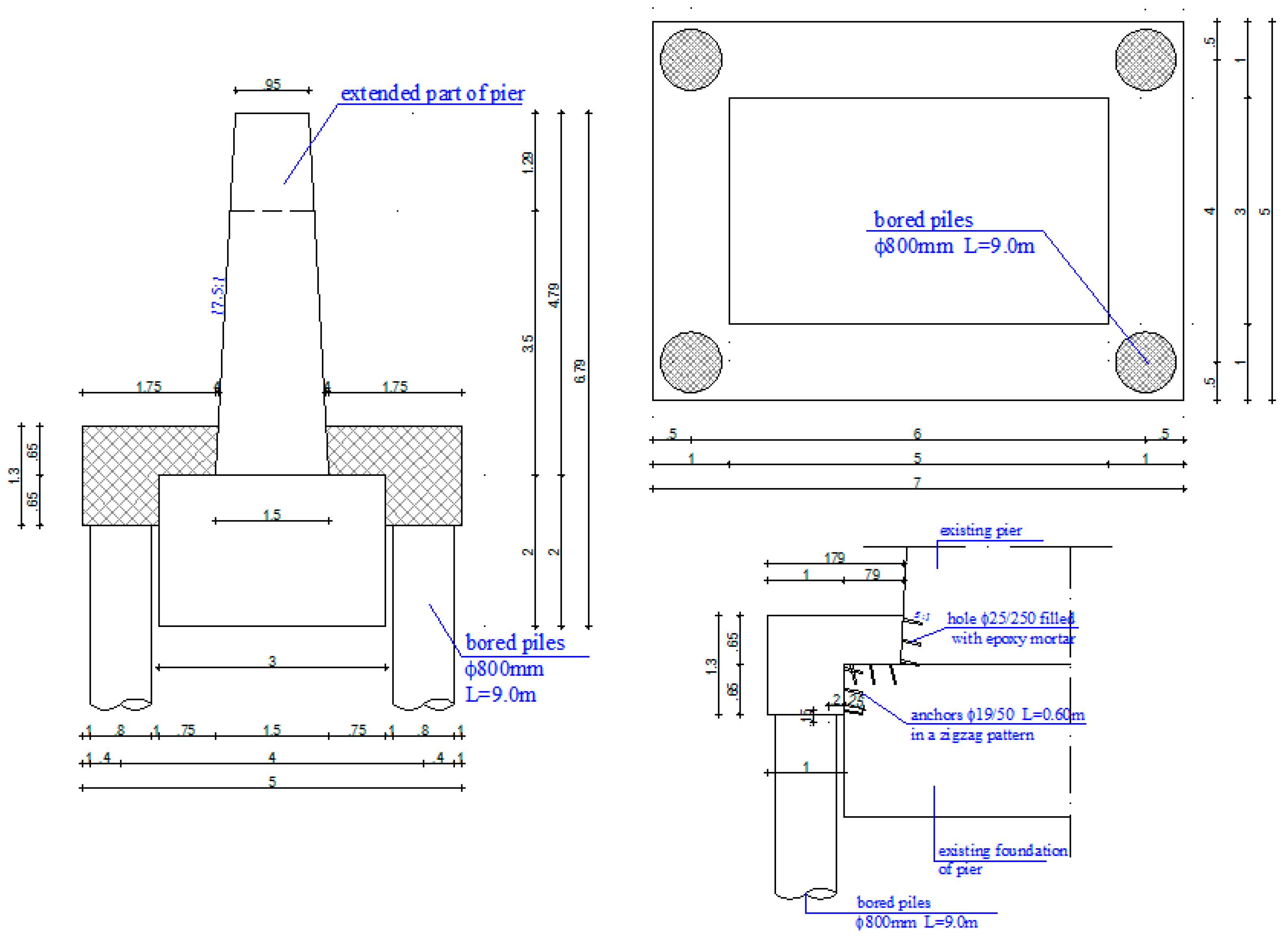
6.2. Designed Reconstruction of the Bridge
7. Discussion of the Results
8. Conclusions
Author Contributions
Funding
Conflicts of Interest
References
- Mitoulis, S.A.; Argyroudis, S.A.; Loli, M.; Imam, B. Restoration models for quantifying flood resilience of bridges. Eng. Struct. 2021, 238, 112180. [Google Scholar] [CrossRef]
- Kirby, A.M.; Roca, M.; Kitchen, A.; Escarameia, M.; Chesterton, O.J. Manual on Scour at Bridges and Other Hydraulic Structures, 2nd ed.; CIRIA Report C742; CIRIA: London, UK, 2015. [Google Scholar]
- Gidaris, I.; Padgett, J.E.; Barbosa, A.R.; Chen, S. Multiple-Hazard Fragility and Restoration Models of Highway Bridges for Regional Risk and Resilience Assessment in the United States: State-of-the-Art Review. J. Struct. Eng. 2017, 143, 04016188. [Google Scholar] [CrossRef]
- Alipour, A.; Shafei, B. Performance assessment of highway bridges under earthquake and scour effects. In Proceedings of the 15th World Conference on Earthquake Engineering, Lisbon, Portugal, 24–28 September 2012. [Google Scholar]
- Alipour, A.; Shafei, B.; Shinozuka, M. Reliability-based calibration of load and resistance factors for design of RC bridges under multiple extreme events: Scour and earthquake. J. Bridge Eng. 2013, 18, 362–371. [Google Scholar] [CrossRef]
- Banerjee, S.; Prasad, G.G. Seismic risk assessment of reinforced concrete bridges in flood-prone regions. Struct. Infrastruct. Eng. 2013, 9, 952–968. [Google Scholar] [CrossRef]
- Prasad, G.G.; Banerjee, S. The impact of flood-induced scour on seismic fragility characteristics of bridges. J. Earthq. Eng. 2013, 17, 803–828. [Google Scholar] [CrossRef]
- Wang, Z.; Dueñas-Osorio, L.; Padgett, J.E. Influence of scour effects on the seismic response of reinforced concrete bridges. Eng. Struct. 2014, 76, 202–214. [Google Scholar] [CrossRef]
- Wang, Z.; Padgett, J.E.; Dueñas-Osorio, L. Risk-consistent calibration of load factors for the design of reinforced concrete bridges under the combined effects of earthquake and scour hazards. Eng. Struct. 2014, 79, 86–95. [Google Scholar] [CrossRef]
- Yilmaz, T.; Banerjee, S.; Johnson, P.A. Performance of two real-life California bridges under regional natural hazards. J. Bridge Eng. 2016, 21, 04015063. [Google Scholar] [CrossRef]
- Gehl, P.; D’Ayala, D. Development of Bayesian networks for the multi-hazard fragility assessment of bridge systems. Struct. Saf. 2016, 60, 37–46. [Google Scholar] [CrossRef]
- Masjedi, A.; Bejestan, M.S.; Kazemi, H. Effects of Bridge Pier Position in a 180 Degree Flume Bend on Scour Hole Depth. J. Appl. Sci. 2010, 10, 670–675. [Google Scholar] [CrossRef]
- Diehl, T.H. Potential Drift Accumulation at Bridges; U.S. Department of Transportation, Federal Highway Administration: Richmond, VA, USA, 1997.
- Wardhana, K.; Hadipriono, F.C. Analysis of Recent Bridge Failures in the United States. J. Perform. Constr. Facil. 2003, 17, 144–150. [Google Scholar] [CrossRef]
- Cook, W.; Barr, P.J.; Halling, M.W. Bridge Failure Rate. J. Perform. Constr. Facil. 2015, 29, 04014080. [Google Scholar] [CrossRef]
- World Bank Group. Serbia Floods 2014. Available online: http://www.sepa.gov.rs/download/SerbiaRNAreport_2014.pdf (accessed on 1 December 2021).
- Ju, S.H. Determination of scoured bridge natural frequencies with soil–structure interaction. Soil Dyn. Earthq. Eng. 2013, 55, 247–254. [Google Scholar] [CrossRef]
- Prendergast, L.J.; Hester, D.; Gavin, K.; O’Sullivan, J.J. An investigation of the changes in the natural frequency of a pile affected by scour. J. Sound Vib. 2013, 332, 6685–6702. [Google Scholar] [CrossRef]
- Klinga, J.V.; Alipour, A. Assessment of structural integrity of bridges under extreme scour conditions. Eng. Struct. 2015, 82, 55–71. [Google Scholar] [CrossRef]
- Kim, H.; Sim, S.H.; Lee, J.; Lee, Y.J.; Kim, J.M. Flood fragility analysis for bridges with multiple failure modes. Adv. Mech. Eng. 2017, 9. [Google Scholar] [CrossRef]
- Prendergast, L.J.; Gavin, K. A review of bridge scour monitoring techniques. J. Rock Mech. Geotech. Eng. 2014, 6, 138–149. [Google Scholar] [CrossRef]
- Maroni, A.; Tubaldi, E.; Douglas, J.; Ferguson, N.; Val, D.; McDonald, H.; Lothian, S.; Chisholm, A.; Riches, O.; Walker, D.; et al. Managing Bridge Scour Risk Using Structural Health Monitoring. In International Conference on Smart Infrastructure and Construction (ICSIC); ICE Publishing: London, UK, 2019; pp. 77–84. [Google Scholar] [CrossRef]
- Boujia, N.; Schmidt, F.; Chevalier, C.; Siegert, D.; Pham van Bang, D. Effect of Scour on the Natural Frequency Responses of Bridge Piers: Development of a Scour Depth Sensor. Infrastructures 2019, 4, 21. [Google Scholar] [CrossRef]
- Pejovic, R.; Mijuskovic, O.; Kapor, V. Bridge repair over the river pčinja on the primary road podgorica–kolašin. In Sanacija Mosta Preko Rijeke Pčinje na Magistralnom Putu Podgorica–Kolašin, Proceedings of the 1st International Conference “Civil Engineering—Science & Practice” GNP 2006 (Book 2); Faculty of Civil Engineering, University of Montenegro: Žabljak, Montenegro, 2006; pp. 669–676. ISBN 86-82707-13-6. (In Montenegrin) [Google Scholar]
- Pejovic, R.; Blagojevic, J.; Blagojevic, R.; Matijasevic, S.; Prascevic, V. Reconstruction and rehabilitation of the bridge “mojkovac” over juškovića river. In Rekonstrukcija i Sanacija Mosta “Mojkovac“ Preko Juškovića Potoka, Proceedings of the 3rd International Conference “Civil Engineering—Science & Practice” GNP 2010 (Book 1); Faculty of Civil Engineering, University of Montenegro: Žabljak, Montenegro, 2010; pp. 365–370. ISBN 978-86-82707-18-9. (In Montenegrin) [Google Scholar]
- Pejovic, R.; Blagojevic, J.; Pejovic, J.; Serdar, N. Reconstruction of the Plav Bridge on the Regional Road R-9 Murino-Plav-Gusinje. Rekonstrukcija Plavskog Mosta na Regionalnom Putu R-9 Murino-Plav-Gusinje; Osmo Naučno Stručno Savjetovanje: Ocjena Stanja, Održavanje i Sanacija Građevinskih Objekata i Naselja; Savez Građevinskih Inženjera Srbije: Zlatibor, Serbia, 2013. (In Montenegrin) [Google Scholar]
- Pejovic, R.; Blagojevic, J.; Blagojevic, R.; Tasevski, D.; Pejovic, J.; Matijasevic, S.; Prascevic, V. Reconstruction of the Blažo Jovanović Bridge over the Morača River in Podgorica. Rekonstrukcija Mosta Blaža Jovanovića Preko Rijeke Morače u Podgorici; VI Naučno-Stručni skup, Savremena Teorija i Praksa u Graditeljstvu, Zbornik Radova; Ministarstvo za Prostorno Uređenje Građevinarstvo i Ekologiju Vlade Republike Srpske, Arhitektonsko-Građevinski Fakultet Banja Luka, Privredna Komora Republike Srpske i Zavod za Izgradnju A.D.: Banja Luka, Srpska; Bosnia, Srpska; Herzegovina, Srpska, 2010; pp. 343–352. ISBN 978-99955-630-5-9. (In Montenegrin)
- Pejovic, R.; Tasevski, D.; Mihailovska, J.; Blagojevic, J.; Blagojevi, R. Reasons of Damages and Durability of Concrete Bridges. Uzroci Oštećenja i Trajnost Betonskih Mostova; IX Naučno-Stručno Savjetovanje, Ocjena stanja, Održavanje i Sanacija Građevinskih Objekata i Naselja; Savez Građevinskih Inženjera Srbije: Zlatibor, Serbia, 2015. (In Montenegrin) [Google Scholar]
- Pejovic, R.; Kapor, V. Rehabilitation of the Bridge Marsenic over the River Lim. Sanacija Mosta Preko Rijeke Lim kod Rijeke Marsenića; V naučno-Stručno Savjetovanje, Ocena Stanja, Održavanje i Sanacija Građevinskih Objekata i Naselja, Zbornik Radova; IT–Savez Inženjera i Tehničara Srbije: Zlatibor, Serbia, 2007; pp. 91–96. ISBN 987-86-904089-3-1. (In Montenegrin) [Google Scholar]
- Privremeni Tehnički Propisi za Beton i Armirani Beton (Temporary Technical Regulations for Concrete and Reinforced Concrete); PTP-3; Ministarstvo Građevine FNRJ: Belgrade, Yugoslavia, 1947.
- Privremeni Tehnički Propisi za Određivanje Veličine Opterećenja na Mostovima (Temporary Technical Regulations for Determining the Load on Bridges); PTP-5; Ministarstvo Građevine FNRJ: Belgrade, Yugoslavia, 1947.
- Imperatore, S.; Rinaldi, Z.; Spagnuolo, S. Experimental investigations on the effects of the steel rebar corrosion at structural level. Struct. Concr. 2019, 20, 2230–2241. [Google Scholar] [CrossRef]
- Bossio, A.; Imperatore, S.; Kioumarsi, M. Ultimate Flexural Capacity of Reinforced Concrete Elements Damaged by Corrosion. Buildings 2019, 9, 160. [Google Scholar] [CrossRef]
- Castel, A.; Francois, R.; Arligue, G. Mechanical behavior of corroded reinforced concrete beams—Part 1: Experimental study of corroded beams. Mater. Struct. 2000, 33, 539–544. [Google Scholar] [CrossRef]
- Coronelli, D.; Gambarova, P. Structural assessment of corroded reinforced concrete beams: Modeling guidelines. J. Struct. Eng. 2004, 130, 1214–1224. [Google Scholar] [CrossRef]
- Carlo, F.D.; Meda, A.; Rinaldi, Z. Numerical evaluation of the corrosion influence on the cyclic behavior of RC columns. Eng. Struct. 2017, 153, 264–278. [Google Scholar] [CrossRef]
- Meda, A.; Mostosi, S.; Rinaldi, Z.; Riva, P. Experimental evaluation of the corrosion influence on the cyclic behavior of RC columns. Eng. Struct. 2014, 76, 112–123. [Google Scholar] [CrossRef]
- Rinaldi, Z.; Imperatore, S.; Valente, C. Experimental evaluation of the flexural behavior of corroded P/C beams. Constr. Build. Mater. 2010, 24, 2267–2278. [Google Scholar] [CrossRef]
- Rinaldi, Z.; Valente, C.; Pardi, L. A simplified methodology for the evaluation of the residual life of corroded elements. Struct. Infrastruct. Eng. 2008, 4, 139–152. [Google Scholar] [CrossRef]
- Rulebook on Technical Standards for Determining Bridge Loads; Official Gazette of the SFRJ, No. 1/91; Belgrade, Serbia, 1990; 20p. Available online: http://demo.paragraf.rs/demo/combined/Old/t/t2004_07/t07_0001.htm (accessed on 1 February 2011).
- EN1992-1-1; Design of Concrete Structures. Part 1: General Rules and Rules for Buildings. European Committee for Standardization: Brussels, Belgium, 2004.
- EN1998-2; Design of Structures for Earthquake Resistance Part 2: Bridges. European Committee for Standardization: Brussels, Belgium, 2005.
- EN1991-2; Actions on Structures—Part 2: Traffic Loads on Bridges. European Committee for Standardization: Brussels, Belgium, 2003.
- Brandimarte, L.; Paron, P.; Baldassarre, G.D. Bridge pier scour: A review of processes, measurements and estimates. Environ. Eng. Manag. J. 2012, 11, 975–989. [Google Scholar] [CrossRef]
- Kuspilić, N.; Gilja, G. Influence of watercourse flow on bridge safety. e-Zb. Elektron. Zb. Rad. Građevinskog Fak. 2018, 8, 24–38. [Google Scholar]
- Tmusic, L.; Perović, Z. Ministarstvo Unutrašnjih Poslova–Direktorat za Zaštitu i Spašavanje. Procjena Rizika od Katastrofa Crna Gora. 2021; ISBN 978-9940-8815-1-1. Available online: https://media.gov.me/media/gov/2021/mup/nacionalna-procjena-rizika-elektronska-publikacija.pdf (accessed on 1 December 2021).
- SeismoStruct v.7.0.3. Seismosoft, Softver for Static and Dynamic Structural Analysis. 2014. Available online: https://seismosoft.com (accessed on 1 December 2021).
- Hellesland, J.; Scordelis, A. Analysis of RC Bridge Columns under Imposed Deformations; IABSE Colloquium: Delft, The Netherlands, 1981; pp. 545–559. [Google Scholar]
- Mari, A.; Scordelis, A. Nonlinear Geometric Material and Time Dependent Analysis of Three Dimensional Reinforced and Prestressed Concrete Frames; SESM Report 82-12; Department of Civil Engineering, University of California: Berkeley, CA, USA, 1984. [Google Scholar]
- Mander, J.B.; Priestley, M.J.N.; Park, R. Theoretical stress-strain model for confined concrete. J. Struct. Eng. 1988, 114, 1804–1826. [Google Scholar] [CrossRef]
- Menegotto, M.; Pinto, P.E. Method of Analysis for Cyclically Loaded RC Plane Frames, Including Changes in Geometry and Non-Elastic Behavior of Elements Under Combined Normal Force and Bending. In Proceedings of the IABSE Symposium on Resistance and Ultimate Deformability of Structures Acted on by Well Defined Repeated Loads, Lisbon, Portugal, 1973. [Google Scholar]
- EN1998-3; Design of Structures for Earthquake Resistance—Part 3: Assessment and Retrofitting of Buildings. European Committee for Standardization: Brussels, Belgium, 2005.
- TOWER6. Software for Static and Dynamic Structural Analysis, Concrete, Steel and Timber Design; Radimpex: Belgrade, Serbia, 2010; Available online: https://mail.radimpex.rs/en/tower (accessed on 1 February 2011).
- BBR VT CONA CMI-Bonded PT System, BBR VT International Ltd. 2006. Available online: http://www.bbrnetwork.com/aboutus/news/singleview/article/bbr_vt_cona_cmi_bonded_pt_system.html (accessed on 1 December 2021).
- Pejovic, R. Glavni i Izvođački Projekat Sanacije Mosta Preko Rijeke Lim kod Rijeke Marsenića. Main Design of the Rehabilitation for the Bridge Marsenic over the River Lim; Faculty of Civil Engineering: Rijeka, Croatia, 2006. [Google Scholar]































| Section | Bending Moment Demands for the Relevant Load Combination (kN·m) | Bending Moment Capacities (kN·m) |
|---|---|---|
| At the support S1 | 18,089 | 16,000 |
| At the support S2 | 11,265 | 16,000 |
| At the support S3 | 16,617 | 16,000 |
| In span S01-S1 | 8025 | 9112 |
| In span S1-S2 | 6553 | 9112 |
| In span S2-S3 | 10,457 | 9112 |
| In span S3-S02 | 11,712 | 9112 |
| Section | Bending Moment Demands for the Relevant Load Combination (kN·m) | Bending Moment Capacities (kN·m) |
|---|---|---|
| At the support S1 | 11,884 | 16,000 |
| At the support S2 | 9847 | 16,000 |
| At the support S3 | 13,884 | 16,000 |
| In span S01-S1 | 5223 | 9112 |
| In span S1-S2 | 4974 | 9112 |
| In span S2-S3 | 8927 | 9112 |
| In span S3-S02 | 7726 | 9112 |
| Section | Bending Moment Demands for the Relevant Load Combination (kN·m) | Bending Moment Capacities (kN·m) |
|---|---|---|
| At the support S1 | 4857 | 6370 |
| At the support S2 | 1115 | 6370 |
| In span S01-S1 | 1362 | 4085 |
| In span S1-S2 | 3990 | 5960 |
| In span S2-S02 | 2268 | 4085 |
Publisher’s Note: MDPI stays neutral with regard to jurisdictional claims in published maps and institutional affiliations. |
© 2022 by the authors. Licensee MDPI, Basel, Switzerland. This article is an open access article distributed under the terms and conditions of the Creative Commons Attribution (CC BY) license (https://creativecommons.org/licenses/by/4.0/).
Share and Cite
Pejović, J.; Serdar, N.; Pejović, R. Damage Assessment of Road Bridges Caused by Extreme Streamflow in Montenegro: Reconstruction and Structural Upgrading. Buildings 2022, 12, 810. https://doi.org/10.3390/buildings12060810
Pejović J, Serdar N, Pejović R. Damage Assessment of Road Bridges Caused by Extreme Streamflow in Montenegro: Reconstruction and Structural Upgrading. Buildings. 2022; 12(6):810. https://doi.org/10.3390/buildings12060810
Chicago/Turabian StylePejović, Jelena, Nina Serdar, and Radenko Pejović. 2022. "Damage Assessment of Road Bridges Caused by Extreme Streamflow in Montenegro: Reconstruction and Structural Upgrading" Buildings 12, no. 6: 810. https://doi.org/10.3390/buildings12060810
APA StylePejović, J., Serdar, N., & Pejović, R. (2022). Damage Assessment of Road Bridges Caused by Extreme Streamflow in Montenegro: Reconstruction and Structural Upgrading. Buildings, 12(6), 810. https://doi.org/10.3390/buildings12060810

