Next Article in Journal
Quantitative and Qualitative Analysis on the Integration of Geographic Information Systems and Building Information Modeling for the Generation and Management of 3D Models
Next Article in Special Issue
Stochastic Semi-Physical Model for Nonstationary Spatially Variable Ground Motions in an Engineering Site
Previous Article in Journal
Validating and Applying the Mathematical Models for Predicting Corporate Social Responsibility Behavior in Construction Firms: A Roadmap
Previous Article in Special Issue
Uncertainty Analysis of Inverse Problem of Resistivity Model in Internal Defects Detection of Buildings
 
 
Font Type:
Arial Georgia Verdana
Font Size:
Aa Aa Aa
Line Spacing:
Column Width:
Background:
Article

Framework for Designing Virtual Water and Power Supply Networks with Interdependent Characteristics for Resilience Assessment

1
Key Laboratory of Urban Security and Disaster Engineering, Ministry of Education, Beijing University of Technology, Beijing 100124, China
2
Faculty of Architecture, Civil and Transportation Engineering, Beijing University of Technology, Beijing 100124, China
3
School of Civil Engineering & Mechanics, Yanshan University, Qinhuangdao 066004, China
4
Key Laboratory of Green Construction and Intelligent Maintenance for Civil Engineering of Hebei Province, Yanshan University, Qinhuangdao 066004, China
*
Author to whom correspondence should be addressed.
Buildings 2022, 12(10), 1670; https://doi.org/10.3390/buildings12101670
Submission received: 3 September 2022 / Revised: 8 October 2022 / Accepted: 11 October 2022 / Published: 12 October 2022
(This article belongs to the Special Issue Uncertainty Propagation of Complex Engineering Structures/Systems)

Abstract

Urban water and power supply networks with interdependent characteristics are essential components of urban infrastructures and play an important role in maintaining the daily operations and post-disaster recovery of cities. The aim of this study is to provide a method for researchers of resilient cities to build virtual water and power supply networks according to their basic physical mechanisms so that they can complete the risk or resilience evaluation of benchmark cities when some confidential infrastructure information is difficult to obtain. The innovation is that a new design framework for urban virtual water and power networks with interdependent characteristics combined with geographic information is suggested based on the perspective of practical engineering. After giving an overview of the framework, this paper presents the planning and design of the water and power supply networks as well as the interdependence between them in detail. Then the water and power supply networks of a virtual city called Virtual Shangcheng City are established, which verify the feasibility and practicality of the approach. This framework can establish virtual water and power supply networks with interdependent characteristics that conform to actual engineering and urban geographic information characteristics. Moreover, it can provide an effective modeling method for water and power supply networks in the absence of data for urban resilience and disaster risk studies.

1. Introduction

Resilience is the ability of a system to withstand, adapt to, and recover from disruptions [1]. With the deepening of research, the concept of resilience has been gradually refined. According to the research object, resilience can be subdivided into urban resilience [2], infrastructure resilience [3], water resilience [4], hospital system resilience [5], food system resilience [6], economic resilience [7], social resilience [8], etc. According to the type of disruption, resilience can be classified into seismic resilience [9], climate resilience [10], flood resilience [11], attack resilience [12], etc. The concept of resilience is evolving, and the understanding of urban-scale disasters and disaster prevention work is also growing. People are gradually realizing that in the space dimension, the modern city is indeed a highly interdependent and complex system [13]. The destruction of one part can destroy other parts of the same system or even some parts of other systems. Cascading failures have become a typical and familiar phenomenon [14,15,16,17], and their consequences are multifaceted. In addition to damaging the physical facilities, they affect the regional and even global economy, society, and other dimensions [18]. In the time dimension, people have begun to pay more attention to the recovery and reconstruction of cities after disasters rather than only focusing on the reliability or risk analysis of structures and infrastructures under different hazards [19]. Therefore, urban resilience and sustainability have gradually become a research hotspot [20,21,22]. A deepened understanding of urban disasters and urban systems in the spatial and temporal dimensions is essential in the research on interdependent infrastructures and resilient cities. Obviously, the research on these two topics is not separate. In the past two decades, the resilience of interdependent infrastructures has gradually attracted the attention of many researchers [23]. For this reason, a large amount of urban data, including buildings, population, transportation networks, water supply networks, power supply networks, and communication networks, have been collected. Owing to the availability of various satellite remote sensing maps (e.g., Google Maps, Baidu Maps, OpenStreetMap, and Nearmap), researchers can easily obtain the data of buildings and road networks. However, it is often difficult to find actual data for systems that require a high degree of confidentiality, such as water and power supply networks. Therefore, building a virtual city that conforms to actual engineering can be a feasible approach.
The current research on virtual cities mainly focuses on the digitization of real cities. Then the changes in urban forms, roads, drainage, and other systems because of economic development are studied. These virtual cities can be categorized as digital virtual cities. In recent years, with the development of smart cities, 3D digital virtual cities have become a new trend. Their key problems include the following two aspects. The first problem is how to quickly and accurately establish a virtual city. Many methods, software products, and standards have been suggested. The methods include semantic modeling, light detection and ranging, and oblique photogrammetry. The software products include CityBuilder, Unity3D, OpenSceneGraph, 3DsMax, AutoCAD, and SketchUp. The standards include VRML, OpenGL, CityGML, WebGL, X3D, and O3D. The second problem is how to study urban management, spatial planning, social networks, spatial knowledge, traffic flow, etc., based on a virtual urban environment. Agent-based modeling is probably the most popular method. For example, Lechner studied land use in cities using an agent-based model [24]. Zhuge et al. studied the social network by using agents to synthesize a population comprising individuals and households, as well as their attributes and locations [25]. Shafiee et al. suggested an agent-based modeling framework for assessing the public health protection of water advisories, in which agents are used to represent consumers, public health officials, and utility managers [26]. Urich et al. used an agent model to generate virtual sewer systems [27]. Other digital virtual environments are also popular. For example, Google Street View combined with the deep learning toolbox AlexNet has been used to access the risk of utility poles [28]. In addition, a virtual urban environment has been built using Utility3D to analyze the influence of GPS-guided navigation on people’s spatial knowledge by tracking eye movement [29].
Other research on virtual cities can be categorized as functional virtual cities or virtual benchmark cities. These virtual cities are established based on their engineering characteristics. They are used to study the effects of disasters and verify numerical programs for the analysis of urban functions, reliability, risks, resilience, and sustainability. The Memphis Testbed developed by the Mid-America Earthquake Center is probably the most famous. Similarly, some other benchmark cities have also been suggested by researchers in different countries. For example, Ellingwood et al. established a virtual city called Centerville [30]. Cimellaro et al. suggested a virtual city called Ideal City based on buildings in the city of Turin, Italy [31,32]. Shang et al. established a virtual benchmark city for seismic resilience assessment based on a geographic information system, including power, transportation, water, drainage, and natural gas distribution networks, as well as the locations of hospitals, emergency shelters, and schools [33]. Virtual infrastructure systems are also very common. For example, Brumbelow designed a virtual water distribution system in a virtual city named Mesopolis to study the effects of contamination events [26,34,35]. Möderl et al. suggested a method to systematically generate virtual networks for water supply based on the graph theory and developed the VIBe software [36]. Liu et al. designed a large-scale virtual power supply network for the research community [37]. Li et al. created a large-scale testbed as a virtual power supply network for closed-loop control in research and testing [38]. In addition, we can easily obtain many examples of virtual water and power supply networks away from specific urban geographic information, such as the water supply networks in the software package EPANET (e.g., the water supply networks of Anytown, D-town, EXNET, New York), and different IEEE bus systems and test feeders [39,40] (e.g., the WSCC 9-bus system, IEEE 14-bus, 24-bus systems, and the 200-bus synthetic grid of central Illinois).
However, researchers in different countries and regions using virtual benchmark cities often find that some fundamental physical information of infrastructures in the aforementioned cities is insufficient. For example, there is no information on how to determine a reasonable topology or estimate the amount of commodity consumed by some nodes. Thus, researchers need to build a virtual city with infrastructure in accordance with the characteristics of the cities in some specific areas. In particular, for water and power supply networks, research based on real-world data is very difficult to perform, owing to data confidentiality. Although there are some virtual water and power supply network cases as mentioned above, they cannot be integrated with existing geographic information such as buildings, roads, and communication systems. Furthermore, independent water and power supply networks cannot reflect the fact that the two are interdependent in engineering practice.
Therefore, we study the planning and design of the water and power supply networks in engineering practice and the interdependent relationship between the two networks during the planning and design process. A new framework for designing these networks with interdependent characteristics is proposed. First, this framework can establish virtual water and power networks with interdependent characteristics that conform to actual engineering and urban geographic information characteristics. Second, it can provide an effective modeling method for water and power networks in the absence of data for urban resilience and disaster risk studies. To verify the feasibility and practicality of this approach, the water and power supply networks of a virtual city called Virtual Shangcheng City (VSC) are established.
The remainder of this paper proceeds as follows. Section 2 provides an overview of the proposed framework and the basic data required for the design of virtual water and power supply networks. Section 3 and Section 4 describe the procedure for the planning and design of the water and power supply networks, respectively. Section 5 discusses the design interdependence between the two networks. Section 6 details the establishment of the virtual water and power supply networks of VSC to prove the feasibility and practicality of the proposed approach. Finally, the conclusions are presented in Section 7.

2. Overview of the Framework

A detailed flowchart of the framework for designing the virtual water and power supply networks with interdependent characteristics is shown in Figure 1. This framework can be summarized in five steps.
(1) Step 1: Collect the basic data of the city selected as a blueprint. Usually, the virtual water and power supply networks are created based on a reference. A certain city or region is selected as the blueprint for designing a virtual city. Sometimes, the information of other systems, such as buildings and roads, and even economic data, such as per capita GDP (gross domestic product) and GDP growth rate, are already known. However, in some cases, only the name of the city is available. Therefore, we have to collect the basic data of the city selected as a blueprint to build the virtual water and power supply networks.
(2) Step 2: Plan and design the water supply network. The design of the water supply network is relatively simpler than that of the power supply network. Therefore, this framework prioritizes the planning and design of the water supply network. The main work includes determining the water sources, water demand in different regions, and pipeline networks. However, if the designers are more familiar with the power supply network, they can plan and design it first. The most important indicators for water supply networks are water pressure and flow. Consumers do not only want to get enough water but also hope the water head can maintain a certain range (for example, not less than 10 m).
(3) Step 3: Plan and design the power supply network. Similarly, the planning and design of the power supply network mainly include the determination of the power source, power consumption of different regions, and network structure. For power supply networks, the most important indicators are power and voltage. The designed network has to keep the voltage variation within a small range while providing sufficient power for consumers. For example, it is usually required that the voltage at both ends of the line does not vary by more than 5% from the rated voltage.
(4) Step 4: Design and verify the interdependence between the water supply network and power supply network. The most important process is to determine the interdependent point locations between the two networks, as well as the physical form of the connection between them. Interdependencies should be established according to the actual situation of the two networks. For example, a water plant in the water supply network has to need the power supplied by some node in the power supply network or a power plant in the power supply network sometimes needs the water supplied by a node in the water supply network. The establishment of interdependencies is discussed in detail in Section 6.
(5) Step 5: Summarize and write the report. The report should contain the topology of both networks and physical information of different lines and nodes. In the case of a water supply network, for example, the line information should contain the material and diameter of different pipelines; the information of the water plant should contain water supply flow and pressure; and customer nodes should contain water flow and pressure requirement. Of course, how the different nodes or lines between the two networks are interdependent with each other should also be described in detail.
Before the formal design begins, some important data still need to be collected. The data will be collected primarily for the target city (which may be a real city or a virtual city). Typically, these data are the current state of physical quantities, but some historical data, such as economic growth rates over the past few years, may also be needed to predict future growth in water demand. Four types of information are required. The first is population distribution because it determines the actual requirements of different systems. The second is the urban administrative division. This is because the population census and the different infrastructures are generally managed by the administrative regions, especially in China. The level of administrative divisions can be determined according to the scale of the virtual network, such as residential areas, communities, and streets. The third is an electronic map containing geographic information, including buildings, roads, rivers, and land. Open-source electronic maps, such as Google Maps and Baidu Maps, can be used. The fourth requirement is economic data. This is because the economic condition and development can affect the water and power requirements.

3. Planning and Design of the Water Supply Network

3.1. District Meter Area of the Water Supply Network

Currently, water supply networks are generally managed according to different district meter areas. This concept is also used in designing the water supply network to facilitate subsequent system management [41]. During the network design, the network can be divided into many areas according to the administrative boundaries, roads, and rivers. A typical area includes approximately 500–3000 households. Nonresidential areas may contain fewer than 500 households, while in densely populated areas, there may be more than 3000 households. According to the number of households, the areas can be roughly classified into Classes I, II, and III. Class I contains fewer than 1000 households, Class II comprises 1000–3000 households, whereas Class III contains 3000–5000 households [42].

3.2. Water Demand Estimation

The water demand estimation is mainly used to determine the city’s maximum hourly demand for the maximum day. There are many different methods for estimating the required water flow, such as the methods based on (a) the comprehensive water consumption norm, (b) the comprehensive water consumption norm for domestic and public use, and (c) the water consumption norm for different development lands. In this study, the method based on the comprehensive water consumption norm is used [43].
The required water flow of the network is calculated as follows:
Q s = q s 1 P ,
where Qs (×104 m3/day) is the maximum daily water flow demand; qs1 (×104 m3/day per person) is the urban comprehensive water consumption index, which is listed in Table 1; and P is the number of urban people (104).
Then, the maximum hourly demand of the maximum day is
Q R = K s Q s 24 ,
where QR (m3/h) is the maximum hourly demand of the maximum day, and Ks is the time-varying coefficient of the water flow in the network.
The required water flow of the different nodes in the network is the basis for the hydraulic analysis of the entire network. For different district meter areas, attention should be paid to the units that consume more water, such as factories, hospitals, schools, and public bathrooms. The estimated required water flow for one area should be larger than the sum of the required water flow of the major water consumers in the same area. Then, the total required flow for the area should be assigned to different nodes around the area. It should be noted that the total flow and sum of the flows of each node are conserved.

3.3. Determination of the Water Source and Water Plant

The location of the water source should be determined according to the city’s hydrogeological conditions, climate, natural ecology, economic development, and other factors. For the city selected as the blueprint, the location of the water plant can be generally obtained from the internet, news, or statistical data. Once the location of the water plant is known, the source node of the entire water supply network is determined.

3.4. Arrangement of Pipelines

Usually, pipelines are distributed along roads, especially the main pipelines. They can be installed on one or two sides of the road. The diameter of pipelines for firefighting should not be less than 150 mm [44]. In addition, the pipeline network should be arranged in a ring shape as much as possible.
The diameter of the pipelines must be determined initially according to the flow distribution in the network, which is estimated based on the flow requirements of different nodes. The initial water flow of different pipelines can be expressed as follows:
q i = Q i 1 + Q i 2 ,
where qi (m3/s) is the water flow in the i-th pipeline, whereas Qi1 (m3/s) and Qi2 (m3/s) are the node flows of the two nodes of the pipeline.
It is necessary to refer to the table that indicates the relationship between the economic flow and pipeline diameter. In addition, for the convenience of construction, the diameter of the pipelines in a certain range of areas should be uniform.
Subsequent adjustments on the diameter of different pipelines are required based on the hydraulic analysis. Therefore, the determination of the topology and diameter of pipelines is generally a process of repeated optimization and cannot be conducted all at once.

3.5. Determination of Water Pumps

Water pumps should meet the requirements of water flow and pressure head. The design water flow of the water pumps should be equal to the maximum hourly demand of the maximum day. The design pressure head of the pump can be calculated as
H R = H 1 + H 2 + H 3 + h 1 + h 2 ,
where HR (m) is the design pressure head of the pump, H1 (m) is the geometric height between the lowest suction water level and the reference plane of the pump, H2 (m) is the geometric height between the reference plane of the pump and the pressure control node of the entire pipeline network, H3 (m) is the free head of the pressure control point, h1 (m) is the head loss in the suction pipeline, and h2 (m) is the head loss in the transmission pipeline.
In addition, it is necessary to pay attention to the design of water volume adjustment facilities in the network, such as water towers and high-level pools. The key parameters of the two facilities are the same, namely, the water storage volume and water level.

3.6. Design of Pipeline Networks and Hydraulic Analysis of the Water Supply Network

The water in the water supply network must follow the law of conservation of mass and energy. The two constraints for the water in the network can be expressed as [45]
A R A T H 0.5400 Q N = 0 ,
where A is the connection matrix between the pipelines and nodes, which can be defined as follows:
A = a ij ,
where aij is the relationship between node i and pipeline j. When the water flows from node i to pipeline j, aij takes a value of 1; when the water from pipeline j flows into node i, aij takes a value of −1; otherwise, aij takes a value of 0. AT is the transposed matrix of A. R = (r1, r2, …, rm)T is a vector determined by the physical properties of different pipelines. H = (h1, h2, …, hn)T is the nodal head vector. QN is an n × 1 vector that represents the flow rate at each node. m and n are the total number of pipelines and nodes, respectively.
We can use some hydraulic analysis software, such as EPANET, PIPENET, WaterCAD, InfoWorksWS, MIKENET, and WNW [46], to obtain the water flow information, such as the flow rate in different pipelines and water pressure at different nodes. Then, we can adjust the topology of the pipeline network and pipeline diameters according to the node heads of some control nodes.

3.7. Verification of Firefighting Performance of the Water Supply Network

Another important function of the water supply network is to provide water for firefighting. Therefore, its design should also meet certain fire protection requirements. Usually, the requirements for firefighting water include flow and pressure. We should first determine the number of fires and the simultaneous water flow demands for these fires.
For towns and residential areas, the number of fires and the required water flow for one fire to design the water supply network are presented in Table 2 [45]. For industrial or business districts, we should consider fires occurring indoors and outdoors simultaneously in various buildings.
We should assume that fires occur in the area of the pipeline network with the lowest water pressure. Then, the water pressure should be checked to meet the hydrant pressure standard. When a high-pressure or temporary high-pressure water supply system is used for outdoor firefighting, the pressure should be sufficient to ensure that the water column in the pipeline is not less than 10 m when the total amount of water used reaches the maximum and the water gun is at the highest point of any building. When a low-pressure water supply system is adopted, the water pressure of the outdoor fire hydrant should not be less than 0.1 MPa from the outdoor ground elevation [47].

3.8. Optimal Design of the Pipeline Network

Usually, the design of pipe diameters or network topological structures is optimized. The overall purpose is to reduce the investment and disaster losses [48,49]. For simplicity, this study neglects this aspect.

4. Planning and Design of the Power Supply Network

The planning and design of power supply networks are similar to those of water supply networks. However, there are three main differences. First, the current in the power supply network follows different physical laws. Second, the source of the power supply network is different from that of the water supply network. It can be an independent power plant or a high-level substation. Third, attention should be paid to some special power demand nodes, such as substations that supply power to water plants or water pumps. The main design process is described in the following.

4.1. Planning of Power Supply Areas

The first step is to plan the power supply areas according to the current urban status. At present, most large Chinese cities have built 500 kV ring power supply networks along the urban periphery. Inside these cities, power supply networks with different voltage reduction levels, such as 220/110/10/0.38 kV, 220/63/10/0.38 kV, or 220/35/10/0.38 kV are constructed [50]. Therefore, the voltage level of the virtual grid can be arranged using one of the above-mentioned voltage reduction levels in combination with specific information. In addition, the transmission distances for different voltage levels are different. The planned power supply area distance should meet the preset voltage level. The typical transmission power and distance of overhead lines and buried cables with different voltage levels are listed in Table 3 [51,52].
The Chinese guidelines divide power demand areas into six categories: A+, A, B, C, D, and E [50]. The classification standard is based on factors such as the level of administrative districts, annual load density of planning areas, and importance of grid loads, as displayed in Table 4.
The basic steps of planning the power supply areas include (1) determining the basic areas according to the administrative boundaries, roads, rivers, substation locations, and interval resources; (2) calculating the load density of different areas in the planned year; (3) determining the type of power supply area according to Table 4; and (4) checking the planning rationality and adjusting the areas.

4.2. Determination of the Power Supply Network Load

The grid load consists of two main parts. One is the spatial load of the power supply network, and the other is the grid load at different levels. When there are no historical and social data but only population data, the spatial load of the power supply network can be estimated by the load density of different types of areas. The grid load in the planning year in an area can be calculated using the following equation:
W i = E i · N i ,
where Wi is the grid load in the planning year of node i (kWh), Ni is the population in the planning year of the area corresponding to node i, and Ei is the electricity consumption per capita (kWh/(person·year)) of node i. Ei can be obtained from Table 5 or from the data of other cities at home or abroad, which are at the same development level.
Then, we can determine the maximum load of the entire society of different nodes as follows:
P i = W i T max i ,
where Pi (kW) is the maximum load of the entire society of node i, and Tmaxi (h) is the annual maximum load utilization hours, whose value should be 1500–2000 h for rural areas and 4000–6000 h for industrial areas. For Shangcheng City, Tmaxi can take a value of 5000 h.
The power load density can be calculated as
σ i = P i A i ,
where σi is the power load density of the area corresponding to node i, and Ai is the area of node i. Table 6 and Table 7 can be used as reference to verify the value of σi.
The calculation of the grid load with different voltage levels is performed according to the following methods [53]:
(1) Grid load of 110 (66) kV power supply network
P 1 = P Σ P plant P supply 1 P reduce 1 P generate 1 ,
where PΣ (MW) is the maximum electricity load of the entire society; Pplant (MW) is the electricity load of the power plant; Psupply1 (MW) is the grid load supplied directly by the 110 (66) kV substations or substations higher than 110 (66) kV; Preduce1 (MW) is the grid load supplied by the 35 and 10 kV power supply networks, which is transformed directly from the 220 kV power supply network; and Pgenerate1 (MW) is the grid load to maintain the grid balance supplied by the 35 kV side of the 110 (66) kV public substations.
(2) Grid load of 35 kV power supply network
P 2 = P Σ P plant P supply 2 P reduce 2 P generate 2 ,
where Psupply2 (MW) is the grid load supplied directly by the 35 kV substations or substations higher than 35 kV; Preduce2 (MW) is the grid load supplied by the 10 kV power supply network, which is transformed directly from the 220 kV and 110 (66) kV power supply networks; and Pgenerate2 (MW) is the grid load to maintain the grid balance supplied by the 10 kV side of the 35 kV public substations.
(3) Grid load of 10 kV power supply network
P 3 = P total P specific P generate 3 ,
where Ptotal (MW) is the total grid load of 10 kV, Pspecific (MW) is the grid load of 10 kV supplied by some specific lines, and Pgenerate3 (MW) is the power source of 0.38 kV. In addition, the total grid load of 10 kV is obtained as follows:
P total = P 220 d + P 110 d + P 35 d + P 10 g ,
where P220d (MW) is the grid load of 10 kV supplied by the 220 kV substations, P110d (MW) is the grid load of 10 kV supplied by the 110 (66) kV substations, P35d (MW) is the grid load of 10 kV supplied by the 35 kV substations, and P10g (MW) is the grid load of 10 kV supplied directly by 10 kV power sources.

4.3. Number and Location of Substations

After determining the grid load at different voltage levels, the capacity load ratio Rs should be determined. Generally, Rs depends on the annual load growth rate, as presented in Table 8.
The total capacity of the substations is calculated by
P t = P t 0 · R s ,
where Pt is the total demand capacity of the substations (MW), and Pt0 is the maximal grid load of the power supply network at a certain voltage level (MW).
The selection of transformers is based on their capacities (i.e., the apparent power of the transformers). The relationship between the apparent power and active power is
S t = P t cos φ ,
where St (MVA) is the apparent power of the transformer, and cosφ is the power factor, which can take a value of 0.8 for the design of power distribution networks (MW/MVA).
Then, the number of substations with different voltage levels is obtained by
n s = S t S N ,
where ns is the number of substations with different voltage levels. The number inside the symbol “[ ]” is rounded up. SN is the capacity of a typical substation, as displayed in Table 9.
Locating the substation is a comprehensive planning process that needs to be implemented one by one according to the specific geographic location and planning scheme.

4.4. Layout of Power Lines

In urban areas, buried cables are often used as transmission lines to transport electric power among different substations. They are often laid along one or both sides of roads; therefore, the road network map is indispensable for power supply network line planning.
The structure of power supply network lines is complex and diverse and includes three main types: radial, loop, and mesh structures. Their advantages and disadvantages as well as other additional details can be found in [54].

4.5. Power Flow Analysis and N-1 Criterion of Power Networks

Power flow analysis is the basis of power system function analysis and power supply network design. The calculation parameters are listed in Table 10.
For power supply networks with n nodes, the complex power balance equation is given by [55]
P i J = Q i U ˙ i = j = 1 n Y i j U ˙ j ,
where Pi and Qi are the active and reactive powers injected to node i, respectively; U ˙ i and U ˙ j are the conjugate values of the complex voltages of nodes i and j, respectively; Yij is the mutual admittance between nodes i and j; and J = is an imaginary unit. By solving the above equation, we can obtain the power distribution in the grid, as well as the voltage and current of each node and line.
The designed power supply network also needs to meet the N−1 criterion [56]. This criterion means that for a power supply network consisting of N elements, no line will trip accidentally due to overload. Moreover, the stability of the system will not be disrupted, or the voltage of the system will not collapse when one of the elements fails. In the early stage of power supply network planning, the most important principle is that no overload should occur, that is, the network can meet the requirements of safe power transmission. For this reason, an overload verification when one of the lines is damaged should be performed. When failure of one line causes an overload of other lines or system breakdown, it means that the network does not meet the N-1 criterion. In this case, the network should be adjusted until such a criterion is met.

5. Design Interdependence between the Water Supply and Power Supply Networks

5.1. Dependence of the Water Supply Network on the Power Supply Network

The dependence of the water supply network on the power supply network is mainly because the water plants and booster pump stations need electric energy. Under normal circumstances, the water plants and large booster pump stations should be powered by two sources. When this is difficult, a dedicated overhead line can be used. If buried cables are used to transmit power, the cables should include at least two separate cables, and each of them should be able to bear the full load of the water sources or stations. For ordinary pumping stations, there are no special requirements for the power supply.
The power load of a typical water plant mainly originates from three components: (1) pump rooms to obtain water from wells, rivers, reservoirs, or lakes; (2) water treatment units to improve water quality, including sedimentation tanks, filter equipment, and water quality testing laboratories; and (3) water delivery pump rooms to pressurize the water and supply it to water towers, reservoirs, and customers. The detailed power load calculation of a typical water source can be found in [57]. For a water source with a daily water supply of 30,000 tons powered by a 10 kV power source, the final power load is as follows: active power is 279.8 kW, reactive power is 87.7 kvar, and apparent power is 293.2 kVA. The power load of a pump room can be obtained as follows:
P wp = K wp N wp H R ,
where Pwp is the power load of the pump room (kW); Kwp is the empirical load index, as indicated in Table 11 (kW·d/(km3·m)); and Nwp is the supply capacity of the water source (km3/d).

5.2. Dependence of the Power Supply Network on the Water Supply Network

The dependence of the power supply network on the water supply network is mainly because part or all of its water requirement comes from the water supply network. For the power supply networks of small- and medium-scale cities, there are usually no power plants for the grid. The power source is usually a high-level substation. Thus, the dependence of grids on the water supply network is mainly because the substation requires water for firefighting and subsistence of its workers. The number of simultaneous fires in a substation should be at least one [58]. The water flow for outdoor firefighting can be determined according to Table 12. However, if fire hydrants are installed in buildings, the water flow for firefighting should be determined according to Table 13. The total water flow for firefighting should be the sum of the water flow for outdoor and indoor fire protection.
The word “virtual” means the designed engineering systems are different from the real engineering systems. However, from a practical point of view, the former can completely replace the latter to meet the needs of urban residents. This would effectively avoid the difficulties of research caused by insufficient data.

6. Case Study

6.1. Overview of the City

In this study, the Shangcheng District in Hangzhou City, Zhejiang Province is selected as the blueprint for building a virtual city. The virtual city is named Virtual Shangcheng City (VSC). This city has four administrative streets divided into 54 communities. The street and community are administrative units in China. Usually, streets have many different communities. The population is approximately 394,000. A map of the streets and communities is depicted in Figure 2. The numbers of houses and population, as well as the areas of different communities, are listed in Table 14.

6.2. Virtual Water Supply Network

According to the method introduced in this study, we arrange the location of the water source, all demand nodes, and pipelines of the water supply network, as shown in Figure 3. In this network, there is 1 water source node, 87 demand nodes, and 140 pipelines. The EPANET software can be used to analyze the water flow in the network and verify the functions of different nodes. Therefore, we can determine the diameters of different pipelines and obtain the pressure heads of different nodes.
It should be noted that the fire protection performance of the water supply network should be verified. Generally, the minimal operational pressure head of a water supply network can reach 28 m. This is equivalent to the height of a six-story building. In this network, node 24 has the minimum node head. Then, we can suppose that there are two simultaneous fires in the service area corresponding to node 24, and the water demand flow for one fire should not be less than 35 L/s. The node head of node 24 is 17.33 m, which is larger than 10 m. The other node heads in the network are all larger than 23 m. This result satisfies the design guidelines for water supply networks [47].

6.3. Virtual Power Supply Network

Because Shangcheng District is in the central area of Hangzhou City, there is no independent power plant to supply electricity to the grid. Therefore, a 220 kV substation is selected as the source node of the virtual power supply network. Below 220 kV, there are five 110 kV substations. For 54 communities, we assume that each community has a virtual 10 kV substation representing the power requirement of the entire community. In the real world, a community may have multiple different 10 kV pole-mounted transformers or box-type substations distributed in different housing estates, commercial buildings, schools, or factories. It is a common method to group many transformers together for simplicity [59]. The locations of these substations can be determined based on the satellite map, as illustrated in Figure 4. The 220, 110, and 10 kV substations are labeled as Y1, K1–K5, and B1–B54, respectively.
The 110 and 10 kV power lines are all buried cables and arranged according to the road map, as also indicated in Figure 4. These power lines are marked as LK1–LK8 and LB1–LB96, respectively. Among them, the lines with lengths of less than 50 m can be neglected in the functional analysis of the power supply network because their lengths are extremely short. However, we should pay attention to the conditions of the lines with different voltage levels because they often have different compositions and different fragility curves, which are very important in disaster research.
When determining the transformers in different substations, we first need to determine the transformers of the 10 kV substations. Then, according to the topological relationship between the 110 kV and 10 kV substations, the transformers of the 110 kV substations are determined. The calculation results are presented in Table 15.
After the transformers are determined, it is necessary to conduct a power flow analysis. Herein, only the part with a voltage of 110 kV is analyzed as an example.
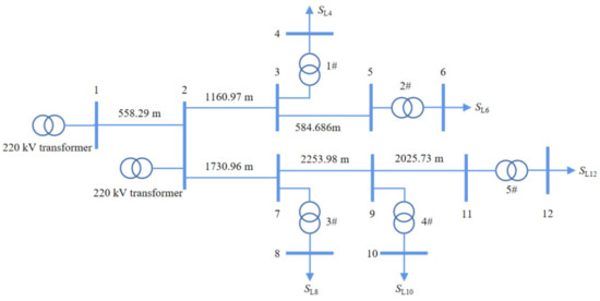
A one-line diagram of the power supply network with 110 kV is depicted in Figure 5. The 220 kV substation is supposed to be a generator, which can be considered as a PV node. Another 220 kV transformer is supposed to link the power supply network as the balanced node, that is, the PQ node, which is also represented by a generator. The parameters of the different elements of the power supply network with 110 kV are obtained as follows.
(1)
Per-unit system
The base power SB is 100 MVA, and the base voltage UB is 0.11 MV. Then, we can obtain the base current, impedance, and admittance as follows:
I B = S B 3 U B ,
Z B = U B 3 I B ,
Y B = 1 Z B ,
where IB (A), ZB (Ω), and YB (S) are the base current, impedance, and admittance, respectively. Using the above equations, the values of IB, ZB, and YB are 524.88 A, 121.00 Ω, and 0.008264 S, respectively.
(2)
Transformer parameters
For transformers, the most important parameter is the impedance. For a two-winding transformer, the actual value of its reactance is
X T = U k % U N 2 100 S N ,
where XT (Ω) is the total reactance of the high- and low-voltage windings, Uk is the percentage of the short-circuit voltage of the transformer, UN (kV) is the rated voltage of the transformer, and SN (MVA) is the rated capacity of the transformer.
The actual value of the resistance of the transformer is calculated as
R T = P k U N 2 1000 S N ,
where RT (Ω) is the total resistance of the high- and low-voltage windings, and Pk (kW) is the short-circuit loss of the transformer.
The specifications of a two-winding oil-immersed transformer with a rated capacity of 63 MVA are indicated in Table 16.
Using Equations (22) and (23), as well as Table 16, we can obtain the reactance and resistance of the transformer as 20.17 Ω and 0.1268 Ω, respectively. Accordingly, the per-unit value of the impedance should be 0.001048 + 0.166667j.
(3)
Parameters for buried cables
The type of the 110 kV buried cables used in the power supply network is FY-YJLW02-Z. Its specifications are listed in Table 17. For buried cables, the most important parameters for power flow analysis are the resistance, reactance, and susceptance. The parameters of the different lines are presented in Table 18.
Then, we can build the computational model according to the wiring diagram and parameters of the different elements. The calculation results of the different nodes and lines are indicated in Table 19 and Table 20, respectively.
Based on the power distribution, we can determine whether the line power loss is reasonable and whether the node power demand and node voltage quality are satisfied. Because the solution of the network can be obtained, it can be considered that the node demand is satisfied. In addition, we assume that the loss of the line is also satisfied, and no iterative optimization for line selection is required.

6.4. Interdependence between the Virtual Water Supply Network and Virtual Power Supply Network

We investigate the relationship between the population and water demand every day in different cities, as shown in Figure 6. Accordingly, the linear relationship can be determined as follows:
Q D = p 1 P D + p 2
where QD (m3/d) is the daily water demand of a city, PD (104) represents the population of the city, and p1 and p2 are two parameters. Herein, p1 is 0.3343 and p2 is 2.8110. The coefficient of determination R-square is 0.8976. Therefore, according to the linear relationship, for Shangcheng City, when the population is 39.2 × 104, the water demand can be estimated as 15.92 × 104 m3/d.
Thus, the active, reactive, and apparent power of the water source can be estimated as 1484.9 kW, 465.5 kvar, and 1556.1 kVA, respectively. As there are no booster pump stations in the virtual water supply network, the power consumption of such stations is not considered.
Because the source of the virtual power supply network is a 220 kV substation rather than a power plant, the dependence of the power supply network on the water supply network is mainly due to the water for firefighting. Herein, we suppose that the fire occurs in the area with the lowest water pressure, namely, the service area corresponding to node 24, as shown in Figure 7. In this area, there are three 10 kV substations, that is, B38, B39, and B44. If fires occur indoors and outdoors simultaneously, the water consumptions for outdoor and indoor firefighting are 20 and 10 L/s, respectively. Therefore, the total water consumption of node 24 of the water supply network should be 84.17 L/s. The water supply pressure of node 24 analyzed by EPANET is 25.58 m, which is larger than 10 m. Thus, it can be concluded that the fire protection requirements are satisfied.
In addition, it should be noted that in order to study the infrastructure resilience, many state-dependent recovery models have been suggested. For example, Burton et al. [60] presented a framework for incorporating probabilistic building performance limit states in the assessment of community resilience to earthquakes. Similar work can also be referred to in literature [61,62]. In addition, some research on water-related infrastructure systems is also very impressive [63,64,65,66].
Wang et al. also suggested a method to generate synthetic systems of interdependent critical infrastructure networks [67]. However, it should be noted that the network flow theory does not characterize the movement of substances in different systems. For example, the motion equations of water flow in a water supply network are different from the motion equations of electric current in a power supply network. At this time, it is difficult to use a unified optimization equation to describe the motion laws of two different substances.

7. Conclusions

This paper proposes a framework for designing virtual water and power supply networks with interdependent characteristics based on the physical mechanisms of the two networks. Using this framework, we were able to establish the water and power supply networks of a virtual city. The main conclusions are as follows:
(1) Geographical maps, road maps, and population distributions are indispensable materials for designing the virtual water and power supply networks.
(2) The functional interdependence between the water and power supply networks is complicated, especially after earthquakes. The water supply network provides water for power plants (especially thermal power plants) and firefighting. The power supply network provides energy for water plants, some booster pump stations, and other electrical equipment, such as monitors, electric valves, and electric instruments in the water supply network.
(3) The virtual networks must satisfy the actual basic system engineering. More importantly, the coupling function between the virtual networks should be verified.
(4) The technical details or parameters that need to be focused on when designing the system are also important points that should be considered when simplifying real networks. Such parameters include the supply pressure of the water source, voltage of the grid source, and water consumption of power substations for firefighting.

Author Contributions

Conceptualization, H.M. and D.W.; methodology, H.M.; software, H.M.; validation, H.M.; formal analysis, H.M.; investigation, H.M.; resources, H.M.; data curation, H.M.; writing—original draft preparation, H.M.; writing—review and editing, H.M., S.G. and D.W.; visualization, H.M.; supervision, H.M.; project administration, H.M.; funding acquisition, H.M. All authors have read and agreed to the published version of the manuscript.

Funding

This research was funded by the National Natural Science Foundation of China, grant number 52108427, the Beijing Natural Science Foundation, grant number 8222008, and the China Postdoctoral Science Foundation, grant number 2021M690278.

Institutional Review Board Statement

Not applicable.

Informed Consent Statement

Not applicable.

Data Availability Statement

Not applicable.

Acknowledgments

The support of the National Natural Science Foundation of China (Grant No. 52108427), the Beijing Natural Science Foundation (Grant No. 8222008), and the China Postdoctoral Science Foundation (Grant No. 2021M690278) is highly appreciated.

Conflicts of Interest

The authors declare no conflict of interest.

References

  1. Almoghathawi, Y.; Barker, K.; Albert, L.A. Resilience-driven restoration model for interdependent infrastructure networks. Reliab. Eng. Syst. Saf. 2019, 185, 12–23. [Google Scholar] [CrossRef]
  2. Campanella, T.J. Urban resilience and the recovery of New Orleans. J. Am. Plan. Assoc. 2006, 72, 141–146. [Google Scholar] [CrossRef]
  3. Liu, W.; Song, Z. Review of studies on the resilience of urban critical infrastructure networks. Reliab. Eng. Syst. Saf. 2020, 193, 106617. [Google Scholar] [CrossRef]
  4. Falkenmark, M.; Rockström, J. Building water resilience in the face of global change: From a blue-only to a green-blue water approach to land-water management. J. Water Resour. Plan. Manag. 2010, 136, 606–610. [Google Scholar] [CrossRef]
  5. Cimellaro, G.P.; Reinhorn, A.M.; Bruneau, M. Seismic resilience of a hospital system. Struct. Infrastruct. Eng. 2010, 6, 127–144. [Google Scholar] [CrossRef]
  6. Tendall, D.; Joerin, J.; Kopainsky, B.; Edwards, P.; Shreck, A.; Le, Q.; Kruetli, P.; Grant, M.; Six, J. Food system resilience: Defining the concept. Glob. Food Secur. 2015, 6, 17–23. [Google Scholar] [CrossRef]
  7. Rose, A.; Krausmann, E. An economic framework for the development of a resilience index for business recovery. Int. J. Disaster Risk Reduct. 2013, 5, 73–83. [Google Scholar] [CrossRef]
  8. Adger, W.N. Social and ecological resilience: Are they related? Prog. Hum. Geogr. 2000, 24, 347–364. [Google Scholar] [CrossRef]
  9. Bruneau, M.; Chang, S.E.; Eguchi, R.T.; Lee, G.C.; O’Rourke, T.D.; Reinhorn, A.M.; Shinozuka, M.; Tierney, K.; Wallace, W.A.; Von Winterfeldt, D. A framework to quantitatively assess and enhance the seismic resilience of communities. Earthq. Spectra 2003, 19, 733–752. [Google Scholar] [CrossRef]
  10. Tyler, S.; Moench, M. A framework for urban climate resilience. Clim. Dev. 2012, 4, 311–326. [Google Scholar] [CrossRef]
  11. Aerts, J.C.J.H.; Botzen, W.J.W.; Emanuel, K.; Lin, N.; de Moel, H.; Michel-Kerjan, E.O. Evaluating flood resilience strategies for coastal megacities. Science 2014, 344, 473–475. [Google Scholar] [CrossRef] [PubMed]
  12. Gupta, R.; Tanwar, S.; Kumar, N.; Tyagi, S. Blockchain-based security attack resilience schemes for autonomous vehicles in industry 4.0: A systematic review. Comput. Electr. Eng. 2020, 86, 106717. [Google Scholar] [CrossRef]
  13. Amaral, L.A.N.; Ottino, J.M. Complex networks: Augmenting the framework for the study of complex systems. Eur. Phys. J. B 2004, 38, 147–162. [Google Scholar] [CrossRef]
  14. Buldyrev, S.V.; Parshani, R.; Paul, G.; Stanley, H.; Havlin, S. Catastrophic cascade of failures in interdependent networks. Nature 2010, 464, 1025–1028. [Google Scholar] [CrossRef] [PubMed]
  15. Ash, J.; Newth, D. Optimizing complex networks for resilience against cascading failure. Phys. A Stat. Mech. Appl. 2007, 380, 673–683. [Google Scholar] [CrossRef]
  16. Little, R.G. Controlling cascading failure: Understanding the vulnerabilities of interconnected infrastructures. J. Urban Technol. 2002, 9, 109–123. [Google Scholar] [CrossRef]
  17. Dueñas-Osorio, L.; Vemuru, S.M. Cascading failures in complex infrastructure systems. Struct. Saf. 2009, 31, 157–167. [Google Scholar] [CrossRef]
  18. Shughrue, C.; Werner, B.; Seto, K.C. Global spread of local cyclone damages through urban trade networks. Nat. Sustain. 2020, 3, 606–613. [Google Scholar] [CrossRef]
  19. Bosetti, L.; Munshey, M.; Ivanovic, A. Fragility, Risk, and Resilience: A Review of Existing Frameworks. UN University Centre for Policy Research, Background Paper. 2016, pp. 1–12. Available online: https://i.unu.edu/media/cpr.unu.edu/attachment/2232/Assessing-Fragility-Risk-and-Resilience-Frameworks.pdf (accessed on 8 May 2021).
  20. Dube, E. The build-back-better concept as a disaster risk reduction strategy for positive reconstruction and sustainable development in Zimbabwe: A literature study. Int. J. Disaster Risk Reduct. 2020, 43, 101401. [Google Scholar] [CrossRef]
  21. Wang, Y.; Wang, N.; Lin, P.; Ellingwood, B.; Mahmoud, H. Life-cycle analysis (LCA) to restore community building portfolios by building back better I: Building portfolio LCA. Struct. Saf. 2020, 84, 101919. [Google Scholar] [CrossRef]
  22. Kim, K.; Olshansky, R.B. The theory and practice of building back better. J. Am. Plan. Assoc. 2014, 80, 289–292. [Google Scholar] [CrossRef]
  23. Ouyang, M. Review on modeling and simulation of interdependent critical infrastructure systems. Reliab. Eng. Syst. Saf. 2014, 121, 43–60. [Google Scholar] [CrossRef]
  24. Lechner, T.; Watson, B.; Ren, P.; Wilensky, U.; Tisue, S.; Felsen, M. Procedural Modeling of Land Use in Cities. 2013. Available online: https://ccl.northwestern.edu/rp/cities/papers/cities.tr.pdf (accessed on 10 October 2022).
  25. Zhuge, C.; Shao, C.; Wei, B. An agent-based spatial urban social network generator: A case study of Beijing, China. J. Comput. Sci. 2018, 29, 46–58. [Google Scholar] [CrossRef]
  26. Shafiee, M.E.; Berglund, E.Z.; Lindell, M.K. An agent-based modeling framework for assessing the public health protection of water advisories. Water Resour. Manag. 2018, 32, 2033–2059. [Google Scholar] [CrossRef]
  27. Urich, C.; Sitzenfrei, R.; Möderl, M.; Rauch, W. An agent-based approach for generating virtual sewer systems. Water Sci. Technol. 2010, 62, 1090–1097. [Google Scholar] [CrossRef]
  28. Kim, J.; Kamari, M.; Lee, S.; Ham, Y. Large-scale visual data–driven probabilistic risk assessment of utility poles regarding the vulnerability of power distribution infrastructure systems. J. Constr. Eng. Manag. 2021, 147, 04021121. [Google Scholar] [CrossRef]
  29. Hejtmánek, L.; Oravcová, I.; Motýl, J.; Horacek, J.; Fajnerová, I. Spatial knowledge impairment after GPS guided navigation: Eye-tracking study in a virtual town. Int. J. Human-Computer Stud. 2018, 116, 15–24. [Google Scholar] [CrossRef]
  30. Ellingwood, B.R.; Cutler, H.; Gardoni, P.; Peacock, W.G.; Van De Lindt, J.W.; Wang, N. The Centerville virtual community: A fully integrated decision model of interacting physical and social infrastructure systems. Sustain. Resil. Infrastruct. 2016, 1, 95–107. [Google Scholar] [CrossRef]
  31. Cimellaro, G.P.; Noori, A.Z.; Marasco, S.; Kammouh, O.; Domaneschi, M.; Mahin, S. Smart cities to improve resilience of communities. In Proceedings of the 2nd International Workshop on Modeling of Physical, Economic and Social Systems for Resilience Assessment, Ispra, Italy, 14–16 December 2017; Available online: https://iris.polito.it/retrieve/handle/11583/2724254/231441 (accessed on 11 October 2022).
  32. Cardoni, A.; Cimellaro, G.; Domaneschi, M.; Sordo, S.; Mazza, A. Modeling the interdependency between buildings and the electrical distribution system for seismic resilience assessment. Int. J. Disaster Risk Reduct. 2019, 42, 101315. [Google Scholar] [CrossRef]
  33. Shang, Q.; Guo, X.; Li, Q.; Xu, Z.; Xie, L.; Liu, C.; Li, J.; Wang, T. A benchmark city for seismic resilience assessment. Earthq. Eng. Eng. Vib. 2020, 19, 811–826. [Google Scholar] [CrossRef]
  34. Brumbelow, K.; Torres, J.; Guikema, S.; Bristow, E.; Kanta, L. Virtual cities for water distribution and infrastructure system research. In Proceedings of the World Environmental and Water Resources Congress 2007: Restoring Our Natural Habitat, Tampa, FL, USA, 15–19 May 2007. [Google Scholar] [CrossRef]
  35. Torres, J.M.; Brumbelow, K.; Guikema, S.D. Risk classification and uncertainty propagation for virtual water distribution systems. Reliab. Eng. Syst. Saf. 2009, 94, 1259–1273. [Google Scholar] [CrossRef]
  36. Möderl, M.; Sitzenfrei, R.; Fetz, T.; Fleischhacker, E.; Rauch, W. Systematic generation of virtual networks for water supply. Water Resour. Res. 2011, 47, 1–10. [Google Scholar] [CrossRef]
  37. Liu, Y.; Kou, G.; Liu, Y.; Gracia, J.R.; King, T.J. Design of a large-scale virtual power grid for research community. In Proceedings of the 2015 IEEE Power & Energy Society General Meeting, Denver, CO, USA, 26–30 July 2015; pp. 1–5. [Google Scholar] [CrossRef]
  38. Li, F.; Tomsovic, K.; Cui, H. A Large-scale testbed as a virtual power grid: For closed-loop controls in research and testing. IEEE Power Energy Mag. 2020, 18, 60–68. [Google Scholar] [CrossRef]
  39. Information Trust Institute; Illinois Center for a Smarter Electric Grid (ICSEG). 2021. Available online: https://icseg.iti.illinois.edu/power-cases/ (accessed on 21 October 2021).
  40. Texas A&M University’s Energy and Power Group. Electric Grid Test Case Repository. 2021. Available online: https://electricgrids.engr.tamu.edu/electric-grid-test-cases/ (accessed on 22 October 2021).
  41. Di Nardo, A.; Di Natale, M. A heuristic design support methodology based on graph theory for district metering of water supply networks. Eng. Optim. 2011, 43, 193–211. [Google Scholar] [CrossRef]
  42. Di Nardo, A.; Di Natale, M.; Di Mauro, A. Water Supply Network District Metering; Theory and Case Study; Springer: Berlin/Heidelberg, Germany, 2013. [Google Scholar] [CrossRef]
  43. MOHURD; AQSIQ. Code for Urban Water Supply Engineering Planning (GB50282-2016); China Planning Press: Beijing, China, 2016. (In Chinese)
  44. Ministry of Housing and Urban-Rural Development PRC, The State Bureau of Quality and Technical Supervision PRC. Technical Code for Fire Protection Water Supply and Hydrant Systems; Ministry of Housing and Urban-Rural Development PRC, The State Bureau of Quality and Technical Supervision PRC: Beijing, China, 2014. (In Chinese)
  45. Miao, H.; Liu, W.; Li, J. Seismic reliability analysis of water distribution networks on the basis of the probability density evolution method. Struct. Saf. 2020, 86, 101960. [Google Scholar] [CrossRef]
  46. Gallen, S. Review of Modelling Software for Piped Distribution Networks. 2002, pp. 1–18. Available online: http://water-simulation.com/wsp/wp-content/wss2002.pdf (accessed on 19 September 2020).
  47. Ministry of Housing and Urban-Rural Development PRC, The State Bureau of Quality and Technical Supervision PRC. Code for Fire Protection Design of Buildings; Ministry of Housing and Urban-Rural Development PRC, The State Bureau of Quality and Technical Supervision PRC: Beijing, China, 2014. (In Chinese)
  48. Jayaram, N.; Srinivasan, K. Performance-based optimal design and rehabilitation of water distribution networks using life cycle costing. Water Resour. Res. 2008, 44, 1–15. [Google Scholar] [CrossRef]
  49. Kapelan, Z.S.; Savic, D.; Walters, G.A. Multiobjective design of water distribution systems under uncertainty. Water Resour. Res. 2005, 41, 1–15. [Google Scholar] [CrossRef]
  50. National Energy Administration. The Guide for Planning and Design of Distribution Network (DL/T5729-2016); China Electric Power Press: Beijing, China, 2016. (In Chinese)
  51. Han, Z. Power System Analysis; Zhejiang University Press: Hangzhou, China, 2013. (In Chinese) [Google Scholar]
  52. China Aviation Industry Planning and Design Institute. Industrial and Civil Power Distribution Design Manual, 3rd ed.; China Electric Power Press: Beijing, China, 2005. (In Chinese) [Google Scholar]
  53. Shu, Y. Distribution Network Planning and Design; China Electric Power Press: Beijing, China, 2018. (In Chinese) [Google Scholar]
  54. Schlabbach, J.; Rofalski, K.H. Power System Engineering: Planning, Design, and Operation of Power Systems and Equipment; WILEY-VCH: KGaA: Weinheim, Germany, 2008. [Google Scholar]
  55. Prabha, K. Power System Stability and Control; McGraw-Hill Companies, Inc.: New York, NY, USA, 1994. [Google Scholar]
  56. Gönen, T. Electrical Power Transmission System Engineering: Analysis and Design, 3rd ed.; CRC Press: Boca Raton, FL, USA, 2014. [Google Scholar] [CrossRef]
  57. Shanghai Municipal Engineering Design Institute (Group) Co., Ltd. Water Supply and Drainage Design Manual: Urban Water Supply, 3rd ed.; China Construction Industry Press: Beijing, China, 2016. (In Chinese) [Google Scholar]
  58. Ministry of Housing and Urban-Rural Development PRC, The State Bureau of Quality and Technical Supervision PRC. Code for Fire Protection Design of Thermal Power Plants and Substations; Ministry of Housing and Urban-Rural Development PRC, The State Bureau of Quality and Technical Supervision PRC: Beijing, China, 2019. (In Chinese)
  59. Zhang, W.; Lin, P.; Wang, N.; Nicholson, C.; Xue, X. Probabilistic prediction of postdisaster functionality loss of community building portfolios considering utility disruptions. J. Struct. Eng. 2018, 144, 04018015. [Google Scholar] [CrossRef]
  60. Burton, H.V.; Deierlein, G.; Lallemant, D.; Lin, T. Framework for incorporating probabilistic building performance in the assessment of community seismic resilience. J. Struct. Eng. 2016, 142, 1–11. [Google Scholar] [CrossRef]
  61. Dhulipala, S.L.; Burton, H.V.; Baroud, H. A Markov framework for generalized post-event systems recovery modeling: From single to multihazards. Struct. Saf. 2021, 91, 102091. [Google Scholar] [CrossRef]
  62. Lin, P.; Wang, N. Stochastic post-disaster functionality recovery of community building portfolios I: Modeling. Struct. Saf. 2017, 69, 96–105. [Google Scholar] [CrossRef]
  63. Gabbar, H.A. Resiliency analysis of hybrid energy systems within interconnected infrastructures. Energies 2021, 14, 7499. [Google Scholar] [CrossRef]
  64. Ignjatović, L.; Stojković, M.; Ivetić, D.; Milašinović, M.; Milivojević, N. Quantifying multi-parameter dynamic resilience for complex reservoir systems using failure simulations: Case study of the pirot reservoir system. Water 2021, 13, 3157. [Google Scholar] [CrossRef]
  65. Joshi, G.; Mohagheghi, S. Optimal operation of combined energy and water systems for community resilience against natural disasters. Energies 2021, 14, 6132. [Google Scholar] [CrossRef]
  66. Yodo, N.; Arfin, T. A resilience assessment of an interdependent multi-energy system with microgrids. Sustain. Resilient Infrastruct. 2021, 6, 42–55. [Google Scholar] [CrossRef]
  67. Wang, Y.; Yu, J.-Z.; Baroud, H. Generating synthetic systems of interdependent critical infrastructure networks. IEEE Syst. J. 2022, 16, 3191–3202. [Google Scholar] [CrossRef]
Figure 1. Framework for designing virtual water and power supply networks with interdependent characteristics.
Figure 1. Framework for designing virtual water and power supply networks with interdependent characteristics.
Buildings 12 01670 g001
Figure 2. Streets and communities of Virtual Shangcheng City: (a) streets; (b) communities.
Figure 2. Streets and communities of Virtual Shangcheng City: (a) streets; (b) communities.
Buildings 12 01670 g002
Figure 3. Water supply network and service area of different demand nodes: (a) plan of the water supply network; (b) service areas of different demand nodes.
Figure 3. Water supply network and service area of different demand nodes: (a) plan of the water supply network; (b) service areas of different demand nodes.
Buildings 12 01670 g003
Figure 4. Plan of the virtual power supply network.
Figure 4. Plan of the virtual power supply network.
Buildings 12 01670 g004
Figure 5. One-line diagram of the power supply network with 110 kV.
Figure 5. One-line diagram of the power supply network with 110 kV.
Buildings 12 01670 g005
Figure 6. Relationship between the population and water demand.
Figure 6. Relationship between the population and water demand.
Buildings 12 01670 g006
Figure 7. Substations in the service area with the lowest water pressure.
Figure 7. Substations in the service area with the lowest water pressure.
Buildings 12 01670 g007
Table 1. Urban comprehensive water consumption index (×104 m3/day per person) [43].
Table 1. Urban comprehensive water consumption index (×104 m3/day per person) [43].
DistrictUrban Scale
Megacity (p ≥ 1000)Megacity
(500 ≤ p < 1000)
Big CityMedium-Sized City
(50 ≤ p < 100)
Small City
I
(300 ≤ p < 500)
II
(100 ≤ p < 300)
I
(20 ≤ p < 50)
II
(p < 20)
First0.50–0.800.50–0.750.45–0.750.40–0.700.35–0.650.30–0.600.25–0.55
Second0.40–0.600.40–0.600.35–0.550.30–0.550.25–0.600.20–0.450.15–0.40
Third——————0.30–0.500.25–0.450.20–0.400.15–0.35
Notes: (1) The first type of district consists of Hubei, Hunan, Jiangxi, Zhejiang, Fujian, Guangdong, Guangxi, Hainan, Shanghai, Jiangsu, and Anhui. The second type is composed of Chongqing, Sichuan, Guizhou, Yunnan, Heilongjiang, Jilin, Liaoning, Beijing, Tianjin, Hebei, Shanxi, Henan, Shandong, Ningxia, Shaanxi, the east of Hetao in Inner Mongolia, and the east of the Yellow River in Gansu. The third type comprises Xinjiang, Qinghai, Tibet, the west of Hetao in Inner Mongolia, and the west of the Yellow River in Gansu. (2) This index already includes the water leakage of the water supply network in daily operation. (3) P is the population in the urban area (×10,000). (4) For other countries and regions, the standards can refer to the relevant standards in their own countries.
Table 2. Number of simultaneous fires and design water flow for fire extinguishing in towns and residential areas [45].
Table 2. Number of simultaneous fires and design water flow for fire extinguishing in towns and residential areas [45].
Population (104)Number of Fires (Times)Design Water Flow of a Fire Extinguisher (L/s)
p ≤ 1.0115
1.0 < p ≤ 2.530
2.5 < p ≤ 5.03
5.0 < p ≤ 20.045
20.0 < p ≤ 30.060
30.0 < p ≤ 40.075
40.0 < p ≤ 50.03
50.0 < p ≤ 70.090
70.0 < p100
Table 3. Transmission power and distance of lines with different voltage levels [51,52].
Table 3. Transmission power and distance of lines with different voltage levels [51,52].
LineLine Voltage (kV)Transmission Power (MW)Transmission Distance (km)
Overhead line30.1–1.01–3
60.1–1.24–15
100.2–2.06–20
352.0–10.020–50
11010.0–50.050–150
220100–500100–300
330200–800200–600
5001000–1500150–850
7502000–2500>500
Buried cable63<3
105<6
3515<20
Table 4. Classification of power supply areas [50].
Table 4. Classification of power supply areas [50].
AreaA+ABCDE
Administrative district levelMunicipalities directly under the central governmentCity central area or σ ≥ 30Urban area or 15 ≤ σ < 30Urban area or 6 ≤ σ < 15Town or 1 ≤ σ < 6Rural area or 0.1 ≤ σ < 1--
Provincial capital cities and cities under separate state planningσ ≥ 30City central area or 15 ≤ σ < 30Urban area or 6 ≤ σ < 15Town or 1 ≤ σ < 6Rural area or 0.1 ≤ σ < 1--
Prefectural-level cities (Autonomous prefectures)--σ ≥ 15City central area or 6 ≤ σ < 15Urban area, town, or 1 ≤ σ < 6Rural area or 0.1 ≤ σ < 1Pastoral area
Counties (County-level cities)----σ ≥ 6Town or 1 ≤ σ < 6Rural area or 0.1 ≤ σ < 1
Notes: (1) σ is the load density of the power supply area. (2) The power supply area should not be less than 5 km2. (3) When calculating the load density, the power load supplied by special lines equaling to or larger than 110 (66) kV, and power load of the areas including mountains, neighboring walls, deserts, water bodies, and forests, should be deducted. (4) Areas A+ and A correspond to central cities (districts), B and C correspond to urban areas, and D and E correspond to rural areas. (5) The division standard of the power supply area can be adjusted appropriately according to regional characteristics.
Table 5. Annual electricity consumption per capita (kWh/(person·year)) [53].
Table 5. Annual electricity consumption per capita (kWh/(person·year)) [53].
Electricity Consumption LevelStatus QuoPlanning
High level4501–60008000–10,000
Upper middle level3001–45005000–8000
Middle level1501–30003000–5000
Low level701–15001500–3000
Table 6. Power load density for different types of buildings [53].
Table 6. Power load density for different types of buildings [53].
Building TypePower Load Density
Residential 30–70
Public 40–150
Industrial 40–120
Warehouse and logistics 15–50
Municipal construction20–50
Table 7. Electricity consumption level of some countries and regions [53].
Table 7. Electricity consumption level of some countries and regions [53].
AreaArea (km2)Population (×104)Maximum LoadLoad Density
Tokyo in 201539,575450345,9701.25
Tokyo Metropolis in 2015219193214,2506.5
New York City Center in 200078580010,51013.39
Taiwan in 200225,788225227,1200.76
Shanghai in 20166340241831,3854.95
Shanghai within the inner ring line in 2016 (all A+ areas)123-503740.95
Table 8. Capacity load ratio Rs (110–10 kV).
Table 8. Capacity load ratio Rs (110–10 kV).
Load GrowthSlow GrowthMedium GrowthFast Growth
Annual load growth rate KpKp ≤ 7%7% < Kp ≤ 12%12% < Kp
Rs1.8–2.01.9–2.12.0–2.2
Table 9. Capacity of typical substations [50].
Table 9. Capacity of typical substations [50].
Voltage Level (kV)AreaNumber of TransformersCapacity per Transformer (MVA)
110A+, A3–480, 63, 50
B2–363, 50, 40
C2–350, 40, 31.5
D2–350, 40, 31.5, 20
E1–220, 12.5, 6.3
66A+, A3–450, 40
B2–350, 40, 31.5
C2–340, 31.5, 20
D2–320, 10, 6.3
E1–26.3, 3.15
10A+, A2–331.5, 20
B2–331.5, 20, 10
C2–320, 10, 6.3
D2–310, 6.3, 3.15
E1–23.15, 2
Notes: (1) The low-voltage side of the transformer is 10 kV. (2) For the power supply area where the load is determined, a small-capacity transformer can be appropriately used. (3) In the A+, A, and B areas, the 35 kV 31.5 MVA transformer is suitable for the power supply from a 220 kV substation.
Table 10. Parameters for power flow analysis.
Table 10. Parameters for power flow analysis.
ElementParametersUnitConstraint ParametersData Sources
Power sourceActive powerkWMaximum and minimumActual situation
Reactive powerkvarMaximum and minimum
TransformerResistance/reactanceΩNoneTransformer nameplate or software design parameters
Conductance/susceptanceSNone
Transformer ratio1Variable ratio of adjustable transformer
BusbarVoltage amplitudekVMaximum and minimumActual situation
Voltage phase angle°None
LineResistance/reactanceΩNoneSpecification sheet
Conductance/susceptanceSNone
CurrentkANone
LoadActive powerkWNoneActual situation
Reactive powerkvarNone
Reactive power compensationReactive power capacitykvarNoneConverted to reactive load according to rated voltage
Table 11. Empirical load index of pump rooms in water sources [57].
Table 11. Empirical load index of pump rooms in water sources [57].
NameKwp (kW·d/(km3·m))
Pump rooms for raw water0.15–0.20
Pump rooms for potable water0.20–0.25
Table 12. Required water flow for outdoor fire protection (L/s) [58].
Table 12. Required water flow for outdoor fire protection (L/s) [58].
Building Fire Resistance RatingBuilding TypeBuilding Volume (m3)
Level 1 and level 2Category C plantV ≤ 15001500 < V ≤ 30003000 < V ≤ 50005000 < V ≤ 20,00020000 < V ≤ 50,000
Category D and E plants15
Category D and E warehouses15
Table 13. Required water flow for indoor fire protection [58].
Table 13. Required water flow for indoor fire protection [58].
Building TypeBuilding Height H (m)Fire HazardVolume (m3)Required Water Flow (L/s)Number of Firefighting Water Guns Used SimultaneouslyMinimum Flow in Each Vertical Pipeline (L/s)
Control building, power distribution equipment building, and other production buildings.H ≤ 24Category D and E--10210
Category DV ≤ 500010210
V > 500020415
24 < H ≤ 50Category D and E--25515
Category D--30615
Spare warehouseH ≤ 24Category D and E--10210
Table 14. Information of different communities.
Table 14. Information of different communities.
No.CommunityStreetNo. of HousesPopulationArea (m2)
1Qingbomen Qingbo 27888000572,791.96
2Liucuijingxiang Qingbo 15113811130,631.16
3Qinghefang Qingbo 20726216556,647.13
4Andinglu Qingbo 35307412226,392.75
5Laodonglu Qingbo 37049615351,526.62
6Caixialing Ziyang 36428934261,017.80
7Shangyangshi Ziyang 34597363238,333.76
8Muchangxiang Ziyang 32746704158,636.67
9Houchao Ziyang 22615670264,182.55
10Fenghuang Ziyang 20335396404,318.57
11Shiwukui Ziyang 21265447206,102.49
12Beiluoma Ziyang 12723460255,546.38
13Taimiao Ziyang 30947510675,186.75
14Xingong Ziyang 30157959290,228.31
15Chunjiang Ziyang 26406620295,424.75
16Yongjiang Ziyang 37665540980,531.16
17Haichao Ziyang 20154697777,915.02
18Dongpingxiang Hubin 20045865128,855.63
19Yuewanglu Hubin 22276329230,554.89
20Qingnianlu Hubin 20065984159,668.93
21Yongjinmen Hubin 21245714262,152.52
22Dongpolu Hubin 20365246376,997.06
23Wushanlu Hubin 20006029312,867.81
24Meihuabei Xiaoying 32429727296,988.00
25Changmingsixiang Xiaoying 23917723457,873.78
26Mashijie Xiaoying 27438289210,255.80
27Laozheda Xiaoying 38908400178,647.88
28Daxuelu Xiaoying 272026,283230,077.99
29Jinqianxiang Xiaoying 21836837154,349.36
30Maolangqiao Xiaoying 26107702201,289.57
31Zijin Xiaoying 22688450155,487.29
32Guixiang Xiaoying 31688553289,234.76
33Xiaoyingxiang Xiaoying 366110,750263,183.67
34Xipailou Xiaoying 16104006153,790.09
35Yaoyuansixiang Xiaoying 23617083424,245.26
36Fuxingjie Nanxing 3890840024,1243.27
37Meizhengqiao Nanxing 25056543141,803.21
38Mantoushan Nanxing 280069002,178,410.91
39Baitaling Nanxing 15662534773,704.89
40Zihuabu Nanxing 19894500597,996.09
41Haiyueqiao Nanxing 19265394290,496.02
42Yuhuangshan Nanxing 243753041,863,483.63
43Shuidengqiao Nanxing 23426123324,894.20
44Zaishuiyifang Wangjiang 538915,000319,375.80
45Moxietang Wangjiang 24697914190,127.70
46Jinjiangxiyuan Wangjiang 24145242413,625.32
47Qingtaimen Wangjiang 30008322358,661.03
48Yaohua Wangjiang 29607785208,106.30
49Shibanqiao Wangjiang 22636023345,914.85
50Xujiabu Wangjiang 406710,140432,034.26
51Datongqiao Wangjiang 41609767475,277.36
52Xinglong Wangjiang 13703430185,638.20
53Jinjiangdongyuan Wangjiang 18004390551,125.38
54Wujiang Wangjiang 378211,000376,140.37
Table 15. Determination of 110 kV transformers.
Table 15. Determination of 110 kV transformers.
No.Subordinate SubstationsPower Load Density (W/m2)Apparent Power (MVA)Transformer Rated Capacity Limit (MVA)Considering the Capacity Ratio (MVA)Transformer
127–30, 34, 3551.4764.3480.42160.843 × 63 MVA
231–3339.5149.3961.73123.472 × 63 MVA
337–53121.78152.23190.28380.576 × 63 MVA
411–26, 36, 54147.05183.81229.76459.538 × 63 MVA
51–10113.03141.29176.61353.236 × 63 MVA
Table 16. Specifications of a two-winding oil-immersed transformer.
Table 16. Specifications of a two-winding oil-immersed transformer.
TypeRated Capacity (MVA)Voltage (kV)No-Load Loss (kW)Load Loss (kW)No-Load Current (%)Short-Circuit Impedance (%)
163110/10.541.62080.3810.5
Table 17. Specifications of buried cables with 110 kV.
Table 17. Specifications of buried cables with 110 kV.
No.TypeResistance (Ω/km)Reactance (Ω/km)Susceptance (S/km)90 °C Ampacity (A)
1FY-YJLW02-Z0.210.402.85 × 10−06800
Table 18. Parameters of different power supply network lines with 110 kV.
Table 18. Parameters of different power supply network lines with 110 kV.
NumberLength (m)Resistance (p.u.)Reactance (p.u.)Susceptance (p.u.)
1–2558.290.0009690.0018460.000193
2–31160.970.0020150.0038380.000400
3–5584.6860.0010150.0019330.000202
2–71730.960.0030040.0057220.000597
7–92253.980.0039120.0074510.000777
9–112025.730.0035160.0066970.000699
Table 19. Calculation results of the different nodes in the power supply network.
Table 19. Calculation results of the different nodes in the power supply network.
No.VoltageGeneratorLoad
Amplitude (p.u.)Phase (°)P (MW)Q (Mvar)P (MW)Q (Mvar)
11.2100.460500−259.96--
21.2100.000−12.03767.23--
31.206−0.077----
41.214−3.254--51.5038.60
51.205−0.095----
61.227−2.508--39.5129.63
71.180−0.391----
81.087−8.996--121.7891.33
91.153−0.746----
101.005−12.289--147.05110.29
111.143−0.901----
121.055−9.401--113.0384.77
Total--487.97507.27472.87354.62
Table 20. Calculation results of the different lines in the power supply network.
Table 20. Calculation results of the different lines in the power supply network.
No.StartEndStartEndLoss
P (MW)Q (Mvar)P (MW)Q (Mvar)P (MW)Q (Mvar)
112500−259.96−497.9263.932.1024
22391.2775.93−91.07−75.620.1940.37
33539.5532.34−39.53−32.330.0180.03
427394.6427.36−387.65−414.226.94313.23
579265.67290.2−261.32−282.024.358.29
6911113.92115.93−113.22−114.690.6991.33
73451.5343.28−51.5−38.60.0294.68
85639.5332.33−39.51−29.630.0172.7
978121.99124.02−121.78−91.330.20632.69
10910147.4166.1−147.05−110.290.35155.81
111112113.22114.69−113.03−84.770.18829.92
Total------15.097153.05
Publisher’s Note: MDPI stays neutral with regard to jurisdictional claims in published maps and institutional affiliations.

Share and Cite

MDPI and ACS Style

Miao, H.; Gao, S.; Wang, D. Framework for Designing Virtual Water and Power Supply Networks with Interdependent Characteristics for Resilience Assessment. Buildings 2022, 12, 1670. https://doi.org/10.3390/buildings12101670

AMA Style

Miao H, Gao S, Wang D. Framework for Designing Virtual Water and Power Supply Networks with Interdependent Characteristics for Resilience Assessment. Buildings. 2022; 12(10):1670. https://doi.org/10.3390/buildings12101670

Chicago/Turabian Style

Miao, Huiquan, Siyuan Gao, and Ding Wang. 2022. "Framework for Designing Virtual Water and Power Supply Networks with Interdependent Characteristics for Resilience Assessment" Buildings 12, no. 10: 1670. https://doi.org/10.3390/buildings12101670

APA Style

Miao, H., Gao, S., & Wang, D. (2022). Framework for Designing Virtual Water and Power Supply Networks with Interdependent Characteristics for Resilience Assessment. Buildings, 12(10), 1670. https://doi.org/10.3390/buildings12101670

Note that from the first issue of 2016, this journal uses article numbers instead of page numbers. See further details here.

Article Metrics

Back to TopTop