Environmentally Assisted Cracking Behavior of S420 and X80 Steels Containing U-notches at Two Different Cathodic Polarization Levels: An Approach from the Theory of Critical Distances
Abstract
:1. Introduction
2. Theoretical Overview
2.1. The Theory of Critical Distaces
2.1.1. The Point Method (PM)
2.1.2. The Line Method (LM)
2.2. Environmentally Assisted Cracking and Hydrogen Embrittlement
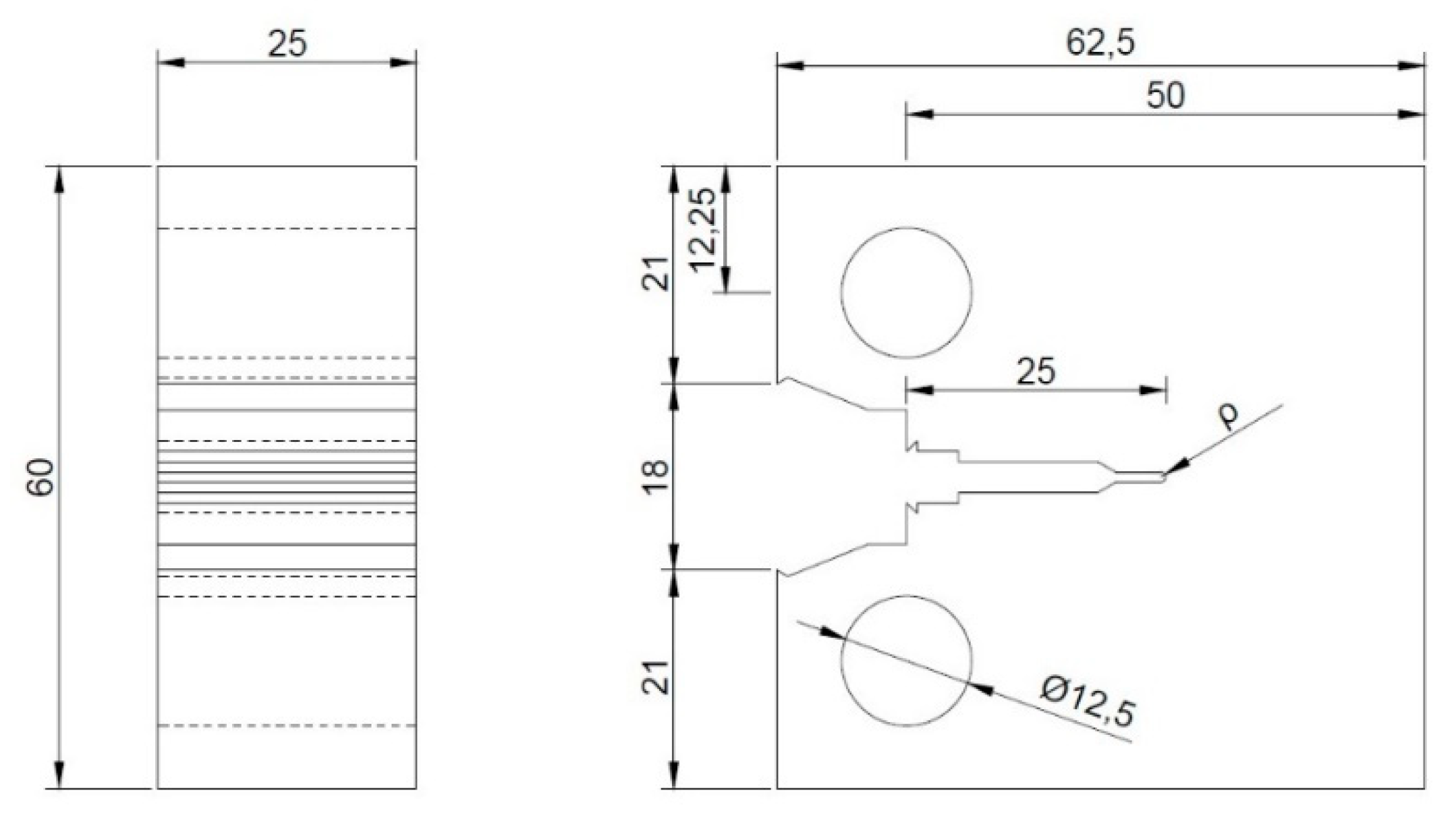
3. Materials and Methods
3.1. Materials
3.2. Simulation of Hydrogen Embrittlement
3.3. Analysis of Environmental Assisted Cracking: An Approach from the Theory of Critical Distances
3.4. Experimental Methods
4. Results
5. Discussion
6. Conclusions
Author Contributions
Funding
Acknowledgments
Conflicts of Interest
References
- International Energy Outlook 2016; U.S. Energy Information Administration: Washington, DC, USA, 2016; ISBN 9781613241431.
- Wolski, K. Environmentally assisted cracking (EAC) in nuclear reactor systems and components. In Nuclear Corrosion Science and Engineering; Woodhead Publishing Series in Energy; Woodhead Publishing Limited: Sawston, UK, 2012. [Google Scholar]
- Lynch, S.P. Failures of structures and components by metal-induced embrittlement. In Stress Corrosion Cracking; Raja, V.S., Shoji, T., Eds.; Woodhead Publishing Series in Metals and Surface Engineering; Woodhead Publishing: Sawston, UK, 2011; pp. 714–748. ISBN 978-1-84569-673-3. [Google Scholar]
- Gangloff, R.P. Hydrogen Assisted Cracking of High Strenght Alloys; Aluminum co of America Alcoa Center PA Alcoa Technical Center: Charlotesville, VA, USA, 2003. [Google Scholar]
- Brown, B.F. Stress Corrosion Cracking Control Measures; National Bureau of Standards Monograph 156; American University Washington DC Department of Chemistry: Washington, DC, USA, 1977. [Google Scholar]
- Iannuzzi, M. Environmentally assisted cracking (EAC) in oil and gas production. In Stress Corrosion Cracking; Raja, V.S., Shoji, T., Eds.; Woodhead Publishing Series in Metals and Surface Engineering; Woodhead Publishing: Sawston, UK, 2011; pp. 570–607. ISBN 978-1-84569-673-3. [Google Scholar]
- Koch, G. Cost of corrosion. In Trends in Oil and Gas Corrosion Research and Technologies; Woodhead Publishing: Sawston, UK, 2017; pp. 3–30. [Google Scholar] [CrossRef]
- Jones, D.A. Principles and Prevention of Corrosion; Prentice-Hall, Inc. Simon & Schuster: Upper Saddle River, NJ, USA, 1996; ISBN 0-13-359 993-0. [Google Scholar]
- Elboujdaini, M. Hydrogen-Induced Cracking and Sulfide Stress Cracking. In Uhlig’s Corrosion Handbook, 3rd ed.; John Wiley & Sons, Inc.: Hoboken, NJ, USA, 2011; pp. 183–194. ISBN 9780470080320. [Google Scholar]
- Atzori, B.; Lazzarin, P.; Filippi, S. Cracks and notches: Analogies and differences of the relevant stress distributions and practical consequences in fatigue limit predictions. Int. J. Fatigue 2001, 23, 355–362. [Google Scholar] [CrossRef]
- Fenghui, W. Prediction of intrinsic fracture toughness for brittle materials from the apparent toughness of notched-crack specimen. J. Mater. Sci. 2000, 35, 2543–2546. [Google Scholar] [CrossRef]
- Pluvinage, G. Fatigue and fracture emanating from notch; the use of the notch stress intensity factor. Nucl. Eng. Des. 1998, 185, 173–184. [Google Scholar] [CrossRef]
- Nui, L.S.; Chehimi, C.; Pluvinage, G. Stress field near a large blunted tip V-notch and application of the concept of the critical notch stress intensity factor (NSIF) to the fracture toughness of very brittle materials. Eng. Fract. Mech. 1994, 49, 325–335. [Google Scholar] [CrossRef]
- Taylor, D. The Theory of Critical Distances: A New Perspective in Fracture Mechanics; Elsevier: Oxford, UK, 2007; ISBN 9780080444789. [Google Scholar]
- Taylor, D.; Kasiri, S.; Brazel, E. The theory of critical distances applied to problems in fracture and fatigue of bone. Frat. Integrità Strutt. 2009, 3. [Google Scholar] [CrossRef]
- Susmel, L. The theory of critical distances: A review of its applications in fatigue. Eng. Fract. Mech. 2008, 75, 1706–1724. [Google Scholar] [CrossRef]
- Cicero, S.; Madrazo, V.; Carrascal, I.; García, T. The use of the theory of critical distances in fracture and structural integrity assessments. In Research and Applications in Structural Engineering, Mechanics and Computation, Proceedings of the 5th International Conference on Structural Engineering, Mechanics and Computation (SEMC 2013), Cape Town, South Africa, 2–4 September 2013; CRC Press: Boca Raton, FL, USA; pp. 573–578.
- Ibáñez-Gutiérrez, F.T.; Cicero, S.; Carrascal, I.A. Analysis of notch effect in short glass fibre reinforced polyamide 6. In Proceedings of the 17th European Conference on Composite Materials (ECCM 2016), Munich, Germany, 26–30 June 2016. [Google Scholar]
- Cicero, S.; Madrazo, V.; Carrascal, I.A.; Cicero, R. Assessment of notched structural components using Failure Assessment Diagrams and the Theory of Critical Distances. Eng. Fract. Mech. 2011, 78, 2809–2825. [Google Scholar] [CrossRef]
- González, P.; Cicero, S.; Arroyo, B.; Álvarez, J.A. A Theory of Critical Distances based methodology for the analysis of environmentally assisted cracking in steels. Eng. Fract. Mech. 2019. [Google Scholar] [CrossRef]
- Neuber, H. Theory of Notch Stresses: Principles for Exact Calculation of Strength with Reference to Structural form and Material; Springer Verlag: Berlin, Germany, 1958; Volume 4547. [Google Scholar]
- Peterson, R.E. Notch sensitivity. In Metal Fatigue; McGraw Hill: New York, NY, USA, 1959; pp. 293–306. [Google Scholar]
- Cicero, S.; Fuentes, J.D.; Procopio, I.; Madrazo, V.; González, P. Critical distance default values for structural steels and a simple formulation to estimate the apparent fracture toughness in u-notched conditions. Metals 2018, 8. [Google Scholar] [CrossRef]
- Creager, M.; Paris, P.C. Elastic field equations for blunt cracks with reference to stress corrosion cracking. Int. J. Fract. Mech. 1967, 3, 247–252. [Google Scholar] [CrossRef]
- Gangloff, R.P. Hydrogen-assisted Cracking. Compr. Struct. Integr. 2003, 6, 31–101. [Google Scholar] [CrossRef]
- Hamilton, J.M. The challenges of deep-water arctic development. Int. J. Offshore Polar Eng. 2011, 21, 241–247. [Google Scholar]
- Shipilov, S.; Jones, R.; Olive, J.-M.; Rebak, R. Environment-Induced Cracking of Materials; Shipilov, S.A., Jones, R.H., Olive, J.-M., Rebak, R.B., Eds.; Elsevier: Amsterdam, The Netherlands, 2008; ISBN 9780080446356. [Google Scholar]
- BS EN 10225:2009, Weldable Structural Steels for Fixed Offshore Structures Technical Delivery Conditions; BSI: London, UK, 2009; ISBN 9780580646232.
- Specification, A.P.I. 5LD-2009: Specification for CRA Clad or Lined Steel Pipe; American Petroleum Institute: Washington, DC, USA, 2009. [Google Scholar]
- Bernstein, I.M.; Pressouyre, G.M. Role of Traps in the Microstructural Control of Hydrogen Embrittlement of Steels; Noyes Publ: Park Ridge, NJ, USA; Pittsburgh, PA, USA, 1988; ISBN 0815510276. [Google Scholar]
- Arroyo, B.; Álvarez, J.A.; Lacalle, R.; Uribe, C.; García, T.E.; Rodríguez, C. Analysis of key factors of hydrogen environmental assisted cracking evaluation by small punch test on medium and high strength steels. Mater. Sci. Eng. A 2017, 691, 180–194. [Google Scholar] [CrossRef]
- Alvarez, J.A.; Gutiérrez-Solana, F. Elastic-plastic fracture mechanics based methodology to characterize cracking behavior and its application to environmental assisted processes. Nucl. Eng. Des. 1999, 188, 185–202. [Google Scholar] [CrossRef]
- ISO 7539 Corrosion of Metals and Alloys. Stress Corrosion Testing. Parts 1 to 11; ISO: Geneva, Switzerland, 2015.
- Dietzel, W.; Srinivasan, P.B.; Atrens, A. Testing and evaluation methods for stress corrosion cracking (SCC) in metals. In Stress Corrosion Cracking; Raja, V.S., Shoji, T., Eds.; Woodhead Publishing Series in Metals and Surface Engineering; Woodhead Publishing: Sawston, UK, 2011; pp. 133–166. ISBN 978-1-84569-673-3. [Google Scholar]
- Turnbull, A. Test methods for environment assisted cracking. Br. Corros. J. 1992, 27, 271–289. [Google Scholar] [CrossRef]
- Susmel, L.; Taylor, D. An Elasto-Plastic Reformulation of the Theory of Critical Distances to Estimate Lifetime of Notched Components Failing in the Low/Medium-Cycle Fatigue Regime. J. Eng. Mater. Technol. 2010, 132, 021002. [Google Scholar] [CrossRef]















| Material | E (GPa) | σy (MPa) | σu (MPa) | eu (%) |
|---|---|---|---|---|
| S420 | 206.4 | 447.7 | 547.1 | 21.7 |
| 0 | 209.9 | 621.3 | 692.9 | 29.6 |
| Material | C | Si | S | P | Mn | Ni | Cr | Mo | Cu | Al | V | Ti | Nb |
|---|---|---|---|---|---|---|---|---|---|---|---|---|---|
| S420 | 0.08 | 0.28 | 0.001 | 0.012 | 1.44 | 0.03 | 0.02 | 0.003 | 0.015 | 0.036 | 0.005 | 0.015 | 0.031 |
| X80 | 0.07 | 0.18 | <0.005 | <0.005 | 1.83 | 0.03 | - | 0.15 | 0.02 | 0.03 | - | - | 0.03 |
| Material | Displacement Rate (m/s) | Cathodic Polarization (mA/cm2) | ρ (mm) | Number of Tests |
|---|---|---|---|---|
| X80 | 6·10−8 | 5 [20] | 0.00 | 2 |
| 0.25 | 2 | |||
| 0.50 | 2 | |||
| 1.00 | 2 | |||
| 2.00 | 2 | |||
| 1 | 0.00 | 2 | ||
| 0.25 | 2 | |||
| 0.50 | 2 | |||
| 1.00 | 2 | |||
| 2.00 | 2 | |||
| S420 | 6·10−8 | 5 [20] | 0.00 | 2 |
| 0.25 | 2 | |||
| 0.50 | 2 | |||
| 1.00 | 2 | |||
| 2.00 | 2 | |||
| 1 | 0.00 | 2 | ||
| 0.25 | 2 | |||
| 0.50 | 2 | |||
| 1.00 | 2 | |||
| 2.00 | 2 |
| Material | Specimen | Cathodic Polarization (mA/cm2) | ρ (mm) | PQ (kN) | KNIEAC (MPa·m0.5) |
|---|---|---|---|---|---|
| X80 | X80-5-1 | 5 [20] | 0.00 | 27.86 | 67.42 |
| X80-5-2 | 23.12 | 53.16 | |||
| X80-5-3 | 0.25 | 34.41 | 63.21 | ||
| X80-5-4 | 34.85 | 64.01 | |||
| X80-5-5 | 0.50 | 38.26 | 70.28 | ||
| X80-5-6 | 42.75 | 78.52 | |||
| X80-5-7 | 1.00 | 44.50 | 81.74 | ||
| X80-5-8 | 42.93 | 78.87 | |||
| X80-5-9 | 2.00 | 56.24 | 103.31 | ||
| X80-5-10 | 54.20 | 99.59 | |||
| X80-1-1 | 1 | 0.00 | 24.30 | 60.00 | |
| X80-1-2 | 24.32 | 54.40 | |||
| X80-1-3 | 0.25 | 30.70 | 56.40 | ||
| X80-1-4 | 33.93 | 62.33 | |||
| X80-1-5 | 0.50 | 33.53 | 61.58 | ||
| X80-1-6 | 36.25 | 66.59 | |||
| X80-1-7 | 1.00 | 37.90 | 69.62 | ||
| X80-1-8 | 41.49 | 76.21 | |||
| X80-1-9 | 2.00 | 51.24 | 94.12 | ||
| X80-1-10 | 48.48 | 89.05 | |||
| S420 | S420-5-1 | 5 [20] | 0.00 | 28.76 | 67.58 |
| S420-5-2 | 24.01 | 61.25 | |||
| S420-5-3 | 0.25 | 34.70 | 63.74 | ||
| S420-5-4 | 33.94 | 62.34 | |||
| S420-5-5 | 0.50 | 37.09 | 68.13 | ||
| S420-5-6 | 34.21 | 62.84 | |||
| S420-5-7 | 1.00 | 41.09 | 75.48 | ||
| S420-5-8 | 40.49 | 74.37 | |||
| S420-5-9 | 2.00 | 45.45 | 83.49 | ||
| S420-5-10 | 45.67 | 83.89 | |||
| S420-1-1 | 1 | 0.00 | 24.89 | 62.17 | |
| S420-1-2 | 24.65 | 61.61 | |||
| S420-1-3 | 0.25 | 39.36 | 72.31 | ||
| S420-1-4 | 36.57 | 67.17 | |||
| S420-1-5 | 0.50 | 41.21 | 75.70 | ||
| S420-1-6 | 39.68 | 72.90 | |||
| S420-1-7 | 1.00 | 44.94 | 82.54 | ||
| S420-1-8 | 43.86 | 80.58 | |||
| S420-1-9 | 2.00 | 47.13 | 86.57 | ||
| S420-1-10 | 46.60 | 85.60 |
| Material | Cathodic Polarization (mA/cm2) | KIEAC (MPa·m0.5) | LEAC (mm) | PM LEAC-BF (mm) | LM LEAC-BF (mm) |
|---|---|---|---|---|---|
| X80 | 5 [20] | 60.29 | 0.286 | 0.194 | 0.276 |
| 1 | 58.37 | 0.318 | 0.208 | 0.303 | |
| S420 | 5 [20] | 64.42 | 0.462 | 0.386 | 0.776 |
| 1 | 61.89 | 0.499 | 0.273 | 0.441 |
© 2019 by the authors. Licensee MDPI, Basel, Switzerland. This article is an open access article distributed under the terms and conditions of the Creative Commons Attribution (CC BY) license (http://creativecommons.org/licenses/by/4.0/).
Share and Cite
González, P.; Cicero, S.; Arroyo, B.; Álvarez, J.A. Environmentally Assisted Cracking Behavior of S420 and X80 Steels Containing U-notches at Two Different Cathodic Polarization Levels: An Approach from the Theory of Critical Distances. Metals 2019, 9, 570. https://doi.org/10.3390/met9050570
González P, Cicero S, Arroyo B, Álvarez JA. Environmentally Assisted Cracking Behavior of S420 and X80 Steels Containing U-notches at Two Different Cathodic Polarization Levels: An Approach from the Theory of Critical Distances. Metals. 2019; 9(5):570. https://doi.org/10.3390/met9050570
Chicago/Turabian StyleGonzález, Pablo, Sergio Cicero, Borja Arroyo, and José Alberto Álvarez. 2019. "Environmentally Assisted Cracking Behavior of S420 and X80 Steels Containing U-notches at Two Different Cathodic Polarization Levels: An Approach from the Theory of Critical Distances" Metals 9, no. 5: 570. https://doi.org/10.3390/met9050570
APA StyleGonzález, P., Cicero, S., Arroyo, B., & Álvarez, J. A. (2019). Environmentally Assisted Cracking Behavior of S420 and X80 Steels Containing U-notches at Two Different Cathodic Polarization Levels: An Approach from the Theory of Critical Distances. Metals, 9(5), 570. https://doi.org/10.3390/met9050570

