Theoretical Modeling and Mechanical Characterization at Increasing Temperatures under Compressive Loads of Al Core and Honeycomb Sandwich
Abstract
1. Introduction
2. Materials and Methods
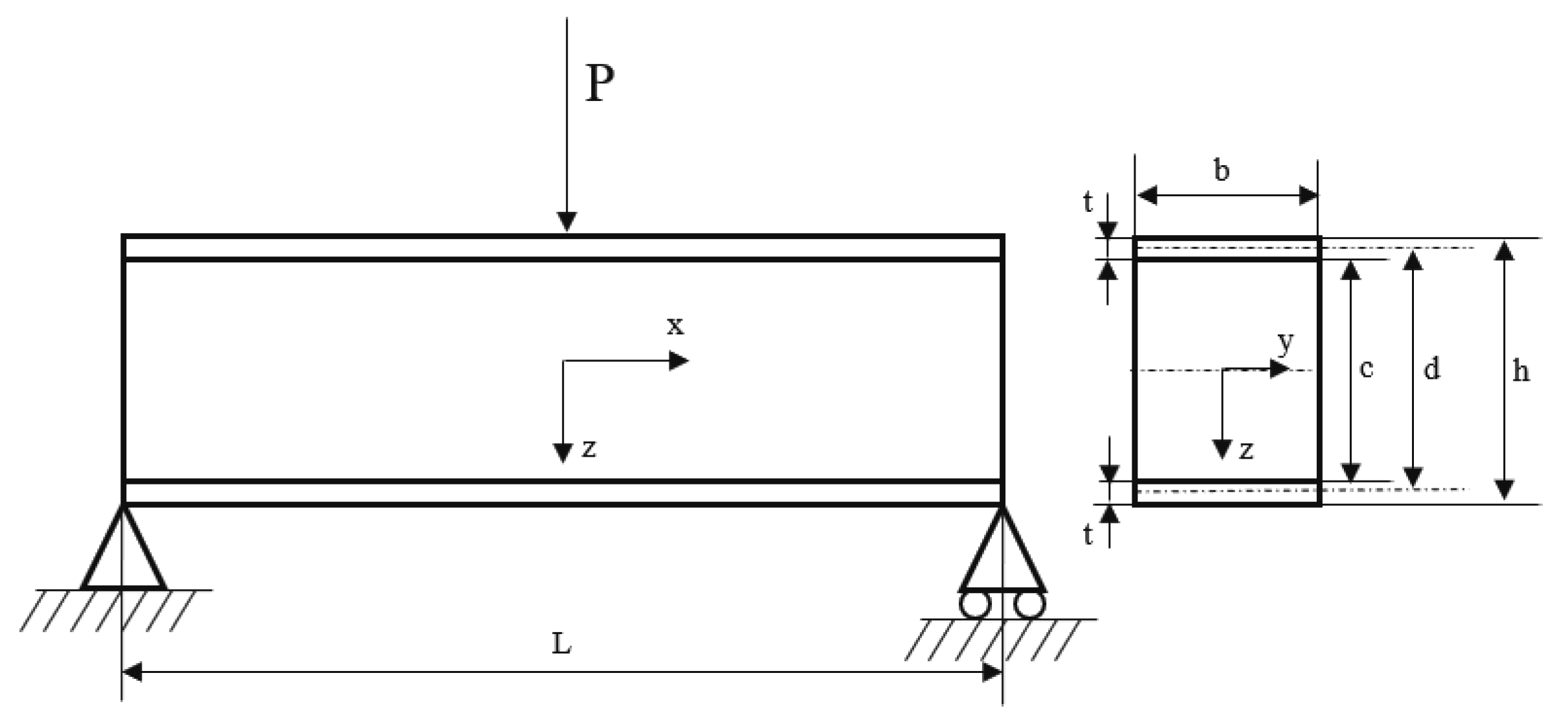
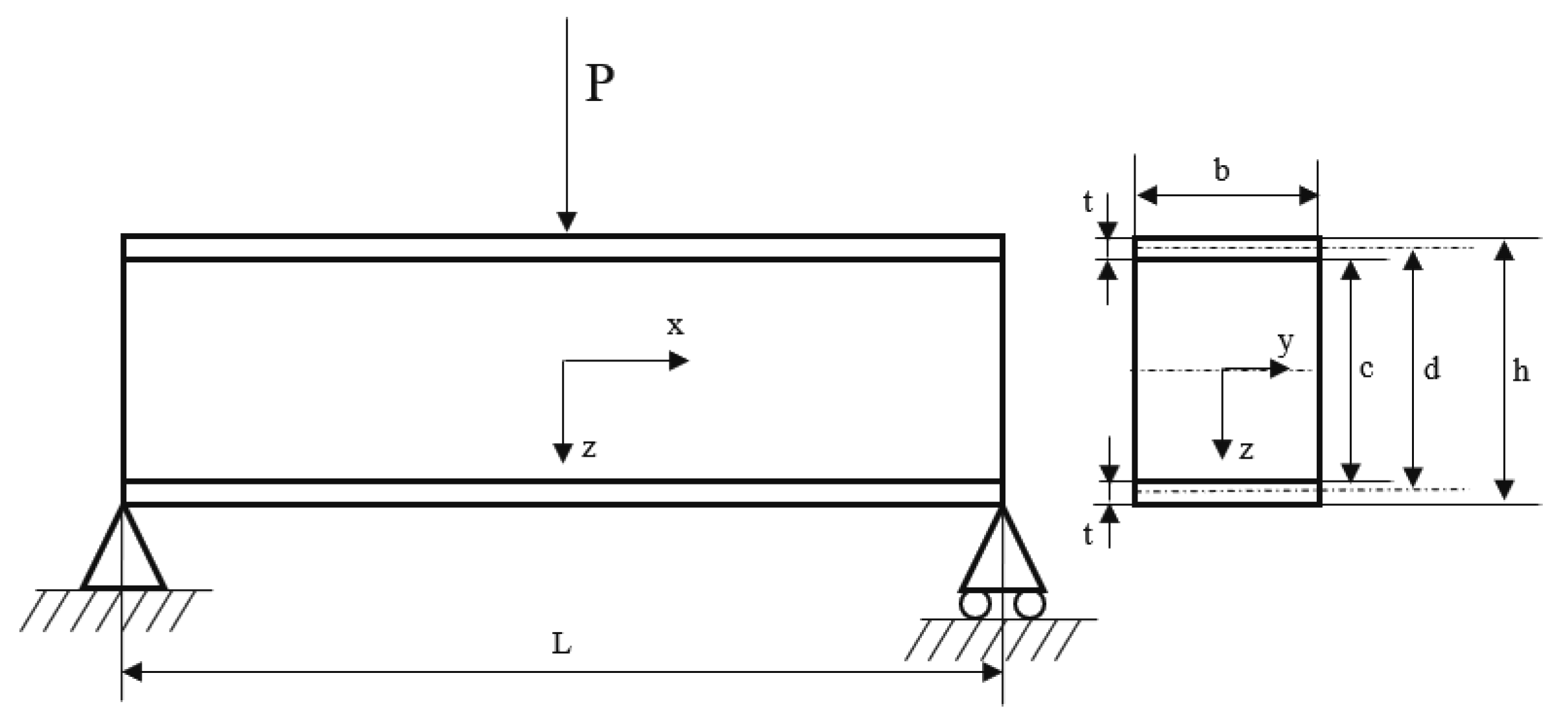
2.1. Sample Preparation and Geometrical Characterization
2.2. Experimental Apparatus
3. Theoretical Modeling
3.1. Out-of-the Plane Compression Behavior of Hexagonal Metallic Core
3.2. Energy Absorption
4. Experimental Results and Discussion
4.1. Al Core Compression Tests
- (1)
- The peak stress reduces as the temperature increases;
- (2)
- The plateau stress reduces as the temperature increases;
- (3)
- The specific absorbed energy (the area below the curve) decreases as the temperature increases;
- (4)
- The final densification occurs always at the same strain level (around 80%).
4.2. Honeycomb Sandwich Compression Tests
- (1)
- The peak stress reduces as the temperature increases;
- (2)
- The plateau stress reduces as the temperature increases;
- (3)
- The specific absorbed energy (the area below the curve) decreases as the temperature increases;
- (4)
- The final densification occurs always at the same strain level (around 75%);
- (5)
- At increasing temperatures, a higher strain of the sandwich can be achieved mainly due to the softening in the behavior of the Al core. This phenomenon is more evident for the honeycomb sandwich compared to the pure Al core.
5. Conclusions and Future Work
- The peak stress, the plateau stress, and the specific energy absorption gradually decrease as the test temperature increases;
- The densification strain moderately decreases with increasing test temperature;
- The final densification occurs always at the same strain level: around 75% for the Al core and around 65% for the honeycomb sandwich;
- At increasing temperatures, a higher strain of the sandwich can be achieved mainly as a result of the softening in the behavior of the Al core. This phenomenon is more evident for the honeycomb sandwich than for the pure Al core;
- The aluminum honeycomb sandwich cannot be used at temperatures higher than 200 °C due to the presence of the glue between the core and the panel.
Author Contributions
Funding
Data Availability Statement
Acknowledgments
Conflicts of Interest
References
- Du Plessis, A.; Razavi, N.; Benedetti, M.; Murchio, S.; Leary, M.; Watson, M.; Bhate, D.; Berto, F. Properties and applications of additively manufactured metallic cellular materials. Prog. Mat. Sci. 2022, 125, 100918. [Google Scholar] [CrossRef]
- Banhart, J. Manufacture, characterization and application of cellular metals and metal foams. Prog. Mat. Sci. 2001, 46, 559–632. [Google Scholar] [CrossRef]
- Costanza, G.; Tata, M.E. Mechanical behavior of PCMT and SDP al foams: A review. Proc. Struct. Int. 2020, 25, 161742. [Google Scholar] [CrossRef]
- Zhang, Q.; Yang, X.; Li, P.; Huang, G.; Feng, S.; Shen, C.; Han, B.; Zhang, X.; Jin, F.; Xu, F.; et al. Bioinspired engineering of honeycomb structure- Using nature to inspire human innovation. Prog. Mat. Sci. 2015, 74, 332–400. [Google Scholar] [CrossRef]
- Costanza, G.; Ferrigno, S.; Tata, M.E. Static compression study of honeycomb panel. Met. It. 2021, 113, 13–21. [Google Scholar]
- Arquilla, G.; Ceci, A.; Costanza, G.; Tata, M.E. Effect of the load application angle on the compressive behavior of Al honeycomb under combined normal-shear stress. Materials 2023, 16, 5462. [Google Scholar] [CrossRef] [PubMed]
- Yu, X.; Zhou, J.; Liang, H.; Jiang, Z.; Wu, L. Mechanical metamaterials associated with stiffness, rigidity and compressibility: A brief review. Prog. Mat. Sci. 2018, 94, 114–173. [Google Scholar] [CrossRef]
- Ge, L.; Zheng, H.; Li, H.; Lu, B.; Su, H.; Fang, D. Compression behavior of a novel sandwich structure with bi-directional corrugated core. Thin-Wall. Struct. 2021, 161, 107413. [Google Scholar] [CrossRef]
- Mani, M.; Thiyagu, M.; Krishnan, P.K. Flexural and compression behavior analysis of hybrid sandwich composites with nano silicon particles in low-velocity impact analysis. Mater. Today Proc. 2023. [Google Scholar] [CrossRef]
- Xia, M.; Takayanagi, H.; Kemmochi, K. Bending behavior of filament-wound fiber-reinforced sandwich pipes. Compos. Struct. 2002, 56, 201–210. [Google Scholar] [CrossRef]
- Mostafa, A.; Shankar, K.; Morozov, E.V. Insight into the shear behavior of composite sandwich panels with foam core. Mater. Des. 2013, 50, 92–101. [Google Scholar] [CrossRef]
- Manalo, A.; Aravinthan, T.; Karunasena, W. Shear behavior of glue-laminated composite sandwich beams. In Advances in FRP Composites in Civil Engineering: Proceedings of the 5th International Conference on FRP Composites in Civil Engineering (CICE 2010), Beijing, China, 27–29 September 2010; Springer: Berlin, Germany, 2011. [Google Scholar] [CrossRef]
- Cong, L.; Sun, Y. Study on transverse shear behavior of CFRP sandwich structure with M-pattern folded core. Appl. Mech. Mater. 2014, 670–671, 173–176. [Google Scholar] [CrossRef]
- Han, T.S.; Ural, A.; Chen, C.S.; Zehnder, A.T.; Ingraffea, A.R.; Billington, S.L. Delamination buckling and propagation analysis of honeycomb panels using a cohesive element approach. Int. J. Fract. 2002, 115, 101–123. [Google Scholar] [CrossRef]
- Stanzack, M.; Fras, T.; Blanc, L.; Pawlowski, P.; Rusinek, A. Blast-induced compression of a thin-walled aluminum honeycomb structure-experiment and modeling. Metals 2019, 9, 1350. [Google Scholar] [CrossRef]
- Wilbert, A.; Yang, W.Y.; Kyriakides, S.; Flocari, J.F. Buckling and progressive crushing of laterally loaded honeycomb. Int. J. Sol. Struct. 2011, 48, 803–816. [Google Scholar] [CrossRef]
- Quoc, P.M.; Krzikall, D.; Mesicek, J.; Petru, J.; Smiraus, J.; Sliva, A.; Poruba, Z. On Aluminum Honeycomb Impact Attenuator Designs for Formula Student Competitions. Symmetry 2020, 12, 1647. [Google Scholar] [CrossRef]
- Shi, G.; Wu, X.; Jiang, R.; Li, S. A particle reinforced gradient honeycomb sandwich panel for broadband insulation. Mathematics 2023, 11, 502. [Google Scholar] [CrossRef]
- Wu, W.; Xia, R.; Qian, G.; Liu, Z.; Razavi, N.; Berto, F.; Gao, H. Mechanostructures; rational mechanical design, fabrication, performance evaluation and industrial application of advanced structures. Prog. Mat. Sci. 2023, 131, 101021. [Google Scholar] [CrossRef]
- Putz, M.; Lafont, U.; Wittlich, M.; Markestein, E.; Herrmann, C.; Fischer, H. 3D Honeycomb for advanced manufacturing for space application. CEAS Space J. 2023, 15, 203–211. [Google Scholar] [CrossRef]
- Schmitt, O. Some interesting and useful biomimetic transforms. In Proceeding, Third International Biophysics Congress, Boston, MA, USA, 29 August–3 September 1969; National Institutes of Health (NIH): Boston, MA, USA, 1969. [Google Scholar]
- Hwang, J.; Jeong, Y.; Park, J.M.; Lee, K.H.; Hong, J.W.; Choi, J. Biomimetics: Forecasting the future of science, engineering and medicine. Int. J. Nanomed. 2015, 10, 5701–5713. [Google Scholar] [CrossRef]
- Geng, X.; Liu, Y.; Zheng, W.; Wang, Y.; Li, M. Prediction of crushing response for metal hexagonal honeycomb under quasi-static loading. Shock Vibr. 2018, 2018, 8043410. [Google Scholar] [CrossRef]
- Timoshenko, S.P.; Gere, J. Theory of Elastic Stability; Dover Publications: New York, NY, USA, 1961. [Google Scholar]
- Zhang, J.; Ashby, M.F. The out-of-the-plane properties of honeycombs. Int. J. Mech. Sci. 1992, 34, 475–489. [Google Scholar] [CrossRef]
- Wierzbicki, T.; Abramowicz, W. On the crushing mechanics of thin-walled structures. J. Appl. Mech. 1983, 50, 727–734. [Google Scholar] [CrossRef]
- Chen, W.; Wierzbicki, T. Relative merits of single-cell, multi-cell and foam-filled thin walled structures in energy absorption. Thin-Wall. Struct. 2001, 39, 287–306. [Google Scholar] [CrossRef]
- Wang, S.; Li, W.; Tao, Y.; Zhang, X.; Zhang, X.; Li, Y.; Deng, Y.; Shen, Z.; Zhang, X.; Xu, J.; et al. Investigation on the temperature dependent out-of-plane quasi-static compressive behavior of metallic honeycombs. Thin-Wall. Struct. 2020, 149, 106625. [Google Scholar] [CrossRef]
- Wierzbicki, T. Crushing analysis of metal honeycombs. Int. J. Imp. Eng. 1983, 1, 157–174. [Google Scholar] [CrossRef]
- Abramowicz, W.; Wierzbicki, T. Axial crushing of multicorner sheet metal columns. J. Appl. Mech. 1989, 56, 113–120. [Google Scholar] [CrossRef]











| Test Temperature (°C) | (MPa) | (MPa) | (%) | (J/cm3) |
|---|---|---|---|---|
| 20 | 1.4 | 1.0 | 80 | 0.8 |
| 100 | 1.2 | 0.7 | 77 | 0.6 |
| 200 | 1.1 | 0.6 | 75 | 0.4 |
| 300 | 0.9 | 0.4 | 73 | 0.2 |
| Test Temperature (°C) | (MPa) | (MPa) | (%) | (J/cm3) |
|---|---|---|---|---|
| 20 | 2.7 | 0.41 | n.a. | 0.4 |
| 100 | 2.2 | 0.33 | n.a. | 0.3 |
| 200 | 1.8 | 0.27 | n.a. | 0.25 |
| 300 | 1.3 | 0.21 | n.a. | 0.20 |
| Test Temperature (°C) | (MPa) | (MPa) | (%) | (J/cm3) |
|---|---|---|---|---|
| 20 | 2.0 | 1.1 | 67 | 0.65 |
| 100 | 1.4 | 0.7 | 66 | 0.47 |
| 200 | 1.0 | 0.5 | 64 | 0.36 |
Disclaimer/Publisher’s Note: The statements, opinions and data contained in all publications are solely those of the individual author(s) and contributor(s) and not of MDPI and/or the editor(s). MDPI and/or the editor(s) disclaim responsibility for any injury to people or property resulting from any ideas, methods, instructions or products referred to in the content. |
© 2024 by the authors. Licensee MDPI, Basel, Switzerland. This article is an open access article distributed under the terms and conditions of the Creative Commons Attribution (CC BY) license (https://creativecommons.org/licenses/by/4.0/).
Share and Cite
Ceci, A.; Costanza, G.; Tata, M.E. Theoretical Modeling and Mechanical Characterization at Increasing Temperatures under Compressive Loads of Al Core and Honeycomb Sandwich. Metals 2024, 14, 544. https://doi.org/10.3390/met14050544
Ceci A, Costanza G, Tata ME. Theoretical Modeling and Mechanical Characterization at Increasing Temperatures under Compressive Loads of Al Core and Honeycomb Sandwich. Metals. 2024; 14(5):544. https://doi.org/10.3390/met14050544
Chicago/Turabian StyleCeci, Alessandra, Girolamo Costanza, and Maria Elisa Tata. 2024. "Theoretical Modeling and Mechanical Characterization at Increasing Temperatures under Compressive Loads of Al Core and Honeycomb Sandwich" Metals 14, no. 5: 544. https://doi.org/10.3390/met14050544
APA StyleCeci, A., Costanza, G., & Tata, M. E. (2024). Theoretical Modeling and Mechanical Characterization at Increasing Temperatures under Compressive Loads of Al Core and Honeycomb Sandwich. Metals, 14(5), 544. https://doi.org/10.3390/met14050544

