Abstract
The technology of casting with crystallization under pressure-squeeze casting belongs to unconventional pressure-casting methods. The melt or material in a semi-solid state is pressed under pressure until the casting solidifies completely. The input parameter, whose influence was mainly observed in this paper, is the state of the material entering the filling process. The alloys were in a molten and semi-solid state. The influence of casting thickness from 3.15 mm to 8 mm was also observed. Alloy AlSi7Mg0.3 was used because of the wide solidification interval and the significant influence of pressure during solidification. Consequently, alloy AlSi12 was subjected to experimental work because processing in the semi-solid state is not sufficiently examined for this material. A significant influence of the cooling rate in different cross-sections on the structure and mechanical properties of castings made using squeeze casting technology was confirmed. The difference in mechanical properties was approximately 35% for both eutectic and hypoeutectic alloys. When processed in a semi-solid state, it was confirmed that the network of dendrites has a significant influence on the filling of the mold cavity. The paper also focuses on the effect of input material morphology on the final product properties. The change in morphology was achieved by metallurgical intervention, thermal and technological processing.
1. Introduction
One of the advanced production procedures is the squeeze casting (SC) technology, i.e., casting with crystallization under pressure. It enables the production of castings with various complex shapes and very high integrity [1,2].
The principle of casting technology with crystallization under pressure is the compression of the melt under high pressure, which acts until the entire volume of the melt in the casting is completely solidified. The so-called squeeze effect is utilized here, which can act locally only in certain regions of the solidifying casting, or pressure is applied through the gating system to the casting as a whole. This is about squeezing liquid metal in the last phase of casting at a temperature just above the temperature of the liquid (approximately 5 to 55 °C above). Thanks to the pressure acting in this way, it is possible to reduce or even eliminate the defect rate of castings caused by gases. It is also possible to reduce the shrinkage rate and increase the cooling rate, which will cause softening of the resulting structure and, thus, improve the mechanical properties [3,4,5,6].
Since it is a relatively new technology, further scientific investigation is ongoing, either from the point of view of changes in the technological parameters of this process or the possibility of using different materials. Currently, it seems advantageous to process materials using the technology of casting with crystallization under pressure at lower casting temperatures when crystallization processes are already underway, and the material in question is in the so-called semi-solid state [7,8,9,10].
Squeeze casting is a technology that combines the advantages of casting and forging processes to produce high-quality products. Squeeze casting technology can achieve better mechanical properties by more than 140% compared to classic casting methods. Changing the process parameters, including the temperature of the cast material, the mould temperature, and the filling speed, can influence the alloys and composites behavior during filling and solidification. Processing the alloy in a semi-solid state reduces energy requirements for material preparation by up to 40%. By reducing the thermal shock when filling the mold, the lifespan of the mold is also doubled. The waste produced in semi-solid casting is significantly lower than in other casting methods. With the direct method of squeeze casting, it is possible to achieve up to 100% utilization of the metal [11,12,13].
In semi-solid casting processes, the material flows as a slurry into the mold cavity, as in conventional pressure casting. In semi-solid processes, materials with a non-dendritic structure are used. Conventional squeeze casting in a semi-solid state was combined by Ghomashchi and Vikhrov in the semi-solid squeeze casting technology (SSSC) [14]. The SSSC technology uses a material with a dendritic structure in contrast to material processing in semi-solid processes. Recently, the SSSC technology of aluminum alloys has been relatively widespread. Lee et al. studied the microstructures and mechanical properties of non-deutectic Al-Si alloys [15]. They found that Al and Si phases can be refined by applying pressure. Jahangiri et al. found that the dendrite arm spacing and the porosity of aluminum alloys can be reduced by increasing the pressure and decreasing the proportion of the liquid phase. At a pressure of 140 MPa and 700 °C, an ultra-fine grain structure with an average grain size of 80 nm was observed [16]. Youn et al. found that the mechanical properties depend on the velocity of filling and the time of application of pressure after filling. The porosity was reduced, and the mechanical properties of engine mount castings were increased [17]. Lü et al. cast aluminium alloy A356 modified by indirect ultrasonic vibration in a semi-solid state using the direct SC method. The ultimate strength and elongation of the reo-HPDC samples were 14.8% and 75.5% higher than those of the conventional HPDC samples. [18]. Guan et al. also proposed a similar method in which the molten A356 alloy was first vibration treated to achieve a uniform primary structure and then SSSC processed. The mechanical properties of the castings were better compared to the castings prepared by conventional SC. Ultimate strength was 12% higher, and ductility increased to 7% [19]. Jiang et al. proposed a combined method called double forging, which consists of the fact that the molten alloy is first processed by pressure casting and then by SSSC technology. Higher mechanical properties were achieved, including ultimate tensile strength of 246 MPa and elongation of 9.5% [20].
To achieve reliable results in material processing using SC and SSSC technologies, research is still needed in input materials and process conditions. The processing of metals with the effect of increased forces during crystallization causes problems, e.g., inhomogeneity of the casting [3,13,21,22].
Even small amounts of most elements affect the formation of chemical inhomogeneity. The occurrence of any type of chemical inhomogeneity worsens the resulting properties and especially the reliability of the casting. Based on the mechanism of formation and the conditions for the formation of chemical inhomogeneity, it is necessary to ensure the limitation of their harmful effect. The formation of branched structures of the cellular and dendritic types is typical in aluminium alloys. Deviations from a planar phase interface depend on impurity concentrations, solidification rates and temperature gradients in front of the phase interface. The size of the sub-cooled melt region causes crystallization instability. The result of cellular and especially dendritic growth is the formation of inhomogeneities in the chemical composition [23,24,25,26,27].
Technologies for processing material in a semi-solid state are based on specific material preparation. In technical practice, the processing of semi-solid material prepared directly from the melt has a more significant position. Practically all research tasks are oriented in this direction [28,29].
The paper deals with processing semi-finished products from ordinary heated alloys to a semi-solid state, Similar to thixocasting technology. Unlike thixocasting technology, the material will not be specially prepared into a globulitic shape.
2. Materials and Methods
2.1. Experimental Material
The AlS7Mg0.3 alloy (EN AC 42100) was chosen for the experimental tests. The alloy has universal usage and widespread application in practice. It is used in various industries to produce castings with high-quality requirements. This alloy is characterized by excellent resistance to corrosion, the possibility of heat treatment, weldability, and good machinability with very good casting and mechanical properties. The chemical composition of the AlSi7Mg0.3 alloy is shown in Table 1. The alloy was also chosen due to the wide solidification interval and the significant influence of pressure during solidification.
Table 1.
The chemical compositions of the AlSi7Mg0.3 alloy (in wt%).
The AlSi12 (EN AC 44100) alloy was also chosen as an experimental material for comparison purposes. It is an alloy with a eutectic composition characterized by excellent rolling properties. In practice, it is used to produce castings of complex shapes or thin-walled castings, primarily by casting in permanent molds or high-pressure casting with a cold chamber. The chemical composition of this alloy is shown in Table 2. The use of this type of alloy for non-conventional die-casting pressure methods is, to say at least, non-standard in current scientific works, especially when applied to semi-solid processing methods.
Table 2.
The chemical compositions of the AlSi12 alloy (in wt%).
One of the biggest problems during the casting process of aluminum alloys to permanent molds is the interaction between the mold and the melt. The so-called gluing/welding of castings to the metal mold occurs. This can be prevented by deliberately adding a certain amount (0.3–0.5%) of iron to the aluminium alloy. However, with higher iron content in the aluminum alloy, there is a high risk of forming undesirable hard and brittle intermetallic phases (Al5FeSi or Al15(FeMn)3Si2).
For the structure not to be affected by unwanted phases, used alloys do not have increased iron content. Despite the application of pressure during crystallization, no welds appear on the surface of the mold. The filling of the mold cavity is slow. Oxides on the surface of the melt are pushed onto the surface of the mold as the melt rises, thus protecting the mold from direct contact with the metal.
2.2. Experimentálny Casting
For a more comprehensive evaluation of the behavior of the used alloys processed by squeeze casting technology, a casting shape was proposed consisting of two opposite parts of a step-like shape, which is composed of five segments of different thicknesses (Figure 1). Individual element thicknesses (3.15 mm; 4 mm; 5 mm; 6.3 mm, and 8 mm) were chosen based on the geometric series R10 according to STN ISO 17. The width of the element was 15 mm, with a length of 60 mm.
Figure 1.
Experimental casting (a) gravity casting; (b) semi-solid squeeze casting.
The chosen geometry allows, in addition to monitoring the influence of different thicknesses of the casting, the assessment of fluidity due to the gradual deterioration of the conditions for the flow of liquid metal. The geometry of the casting was also chosen concerning the evaluation of mechanical properties (Rm, A5). The rectangular shape of the individual segments of this casting enables easy preparation of samples in the assessment of mechanical properties. After casting, the individual parts of the casting were processed into the shape of samples with cross-sections of 8 × 8, 6.3 × 10, 5 × 10, 4 × 12 and 3.15 × 12 mm.
2.3. Experimental Device
Experimental works were performed on a device designed and constructed at our laboratory. Due to the required usability of the equipment for squeeze casting technology with input material in a completely molten and semisolid state, it was necessary to solve the repeatable method for preparing the batch material. Commonly, equipment for squeeze casting technology uses resistance furnaces for the preparation of the melt, which are located in close proximity to the equipment or is made as a connected workplace with automatic dosing of the melt, for example, by using preheated channels. Semisolid squeeze casting technology from fully melted material could only be achieved by controlled cooling during melt dosing. From the current knowledge of the semisolid squeeze casting technology, it appears to be a more suitable way of achieving the semi-solid state by heating and partially melting batch material from the solid state. Another important factor is the rapid course of crystallization processes. The influence is even more significant when casting from a semi-solid state. Therefore, it is necessary to influence the crystallization in a very short time. Based on the assessment of all these factors, induction heating of the material located directly in the device in front of the filling chamber was chosen. Figure 2 is an arrangement of the device using induction heating of the input material. The device parameters are described in Table 3.
Figure 2.
Scheme of filling the chamber with integrated induction heating.
Table 3.
Operating Parameters for squeeze casting device.
2.4. Methodology of Heating to a Semi-Solid State and Preparation of Input Semi-Finished Products
To determine the semi-solid state with a defined proportion of the solid phase, a thermal analysis of the material was performed. Thermal analysis was performed using a K-type thermocouple. The temperature curve was recorded using Labview NXG 5.0 software and a National Instruments 9211 measuring card.
Based on the thermal analysis, a curve of the solid-state proportion was determined as a function of temperature (Figure 3). For the AlSi7Mg0.3 alloy, the temperature at 50% of the solid phase was determined to be 578 °C (Figure 4).
Figure 3.
Thermal analysis of AlSi7Mg0.3 alloy.
Figure 4.
Fraction solid versus temperature of the AlSi7Mg0.3 alloy.
Determination of the 50% solid state for the AlSi12 alloy is affected by eutectic composition, which means that this alloy is at the temperature of the eutectic transformation during the entire crystallization interval (Figure 5). For this reason, it is impossible to determine the proportion of the solid phase concerning the heating temperature. Therefore dependence curve was based on the proportion of the solid phase in time for a given amount of material and heating/cooling conditions. Observing the change in the temperature derivative with time during heating made it possible to determine 50% of the thermal energy consumption. The fixed point for controlling the heating process was the solidus and liquidus temperature of the eutectic alloy. The time required for a 50% share of the solid phase was learned from the thermal analysis. A 50% share of the solid phase is reached after 173.6 s, corresponding to 43% of the total time of 403.4 s (Figure 6). Based on this information minimum heating time of the alloy to reach the semi-solid state was determined to be 57% of the total heating time of the sample. The heating time between the solid and liquid temperatures was 202 ± 1 s in 10 reference measurements (Figure 7). This small deviation was due to the precise dimensions and constant volume of the samples prepared by machining. The heating time of the used semi-finished product was determined to be 115 s.
Figure 5.
Thermal analysis of AlSi12 alloy.
Figure 6.
Fraction solid versus time of the AlSi12 alloy.
Figure 7.
The heating process of AlSi12 alloy.
Flow in a semi-solid state is not supported by the thixotropic properties of a material with a globular structure. The AlSi7Mg0.3 alloy is heated to a temperature corresponding to 50% of the thermal energy consumption. For this reason, the network of dendrites has a significant influence on the filling of the mold cavity. The modification of the input alloy was an effort to achieve a different morphology of the material entering the filling process. For this purpose, the morphology of the material was changed using metallurgical intervention, thermal and technological processing. The input samples were cast by gravity casting in a sand mold. Some of the samples were refined with 0.2 wt% AlTi5B1 to change the primary α-phase of aluminum. Part of the samples were heat treated by solution annealing (annealing temperature 540 °C, holding time 6 h, cooling in water at a temperature of 60 °C) to change the morphology of eutectic silicon without significantly affecting the dendrite network. The last group of samples was prepared by direct SC technology. The samples were cast into a cylindrical metal mold at 700 °C heated to 250 °C under a pressure of 100 MPa. To maintain constant conditions of induction heating, the samples were machined into a specific shape. The shape of the samples for SSSC processing was Ø 60 × 70 mm.
In the case of eutectic alloy AlSi12, the material was modified only by changing the cooling rate to achieve a change in the size of the dendrites. No effect of the eutectic silicon morphology on the material properties of the processed SSSC was confirmed for the AlSi7Mg0.3 alloy. The samples were cast in a green sand mold and a metal mold. The casts were identical to the reference gravity cast samples. The casting temperature was 710 ± 5 °C. The temperature of the metal mold was 250 ± 5 °C, as in the previous case, the samples were machined to a size Ø 60 × 70 mm.
To compare the influence of squeeze casting technology on the properties of the investigated aluminum alloys, castings were made by gravity casting technology. Casting parameters were the same for both used alloys. The casting temperature was 710 ± 5 °C and mold temperature was 250 ± 5 °C.
2.5. Evaluation of Structure and Mechanical Properties
Four casts were made for each group of experiments. From three castings, test samples were made by chip machining to evaluate the mechanical properties of 6 samples. One cast was intended for structural evaluation.
Observation of the microstructure was performed on a NEOPHOT 32 light microscope. The microstructure was observed at 50× to 500× magnification.
The tensile tests were performed on a WDW 20 machine with an extensometer. The test took place at ambient temperature, and the samples were drawn at a 2 mm/min speed. The measurement was performed according to STN EN ISO 6506-1, under HBW conditions 5/250/15, on samples taken from the front surfaces of the torn bars. The morphological evaluation was performed using a TESCAN LMU II-line electron microscope.
3. Results and Discussion
3.1. Processing by Gravity Casting
3.1.1. Processing of AlSi7Mg0.3 Alloy by Gravity Casting
To compare the influence of squeeze casting technology on the properties of the studied aluminum alloys, castings were first made by gravity casting technology.
Figure 8 shows the microstructure of the AlSi7Mg0.3 alloy with the presence of general microstructural components. The structure consists of a basic matrix α-phase and eutectic (a mechanical mixture of α-phase and eutectic Si). The α-phase matrix is excluded in the form of dendrites with the length of secondary arms up to 27 μm. Eutectic silicon is excluded in lamellar form.
Figure 8.
Microstructure of AlSi7Mg0.3 alloy casting, element thickness 8 mm.
The mechanical properties of the elements located at the stair-shaped casting are listed in Table 4. The ultimate strength increases with decreasing material thickness. This is due to a shorter crystallization time. On the contrary, the ductility increases with the increasing thickness of the element due to the better deposition of the melt during solidification, as a result of which fewer pores were observed in thicker cross-sections. The hardness of the individual elements did not change with the different thicknesses.
Table 4.
Mechanical properties of the elements of the gravity-cast casting from the AlSi7Mg0.3 alloy.
3.1.2. Processing of AlSi12 Alloy by Gravity Casting
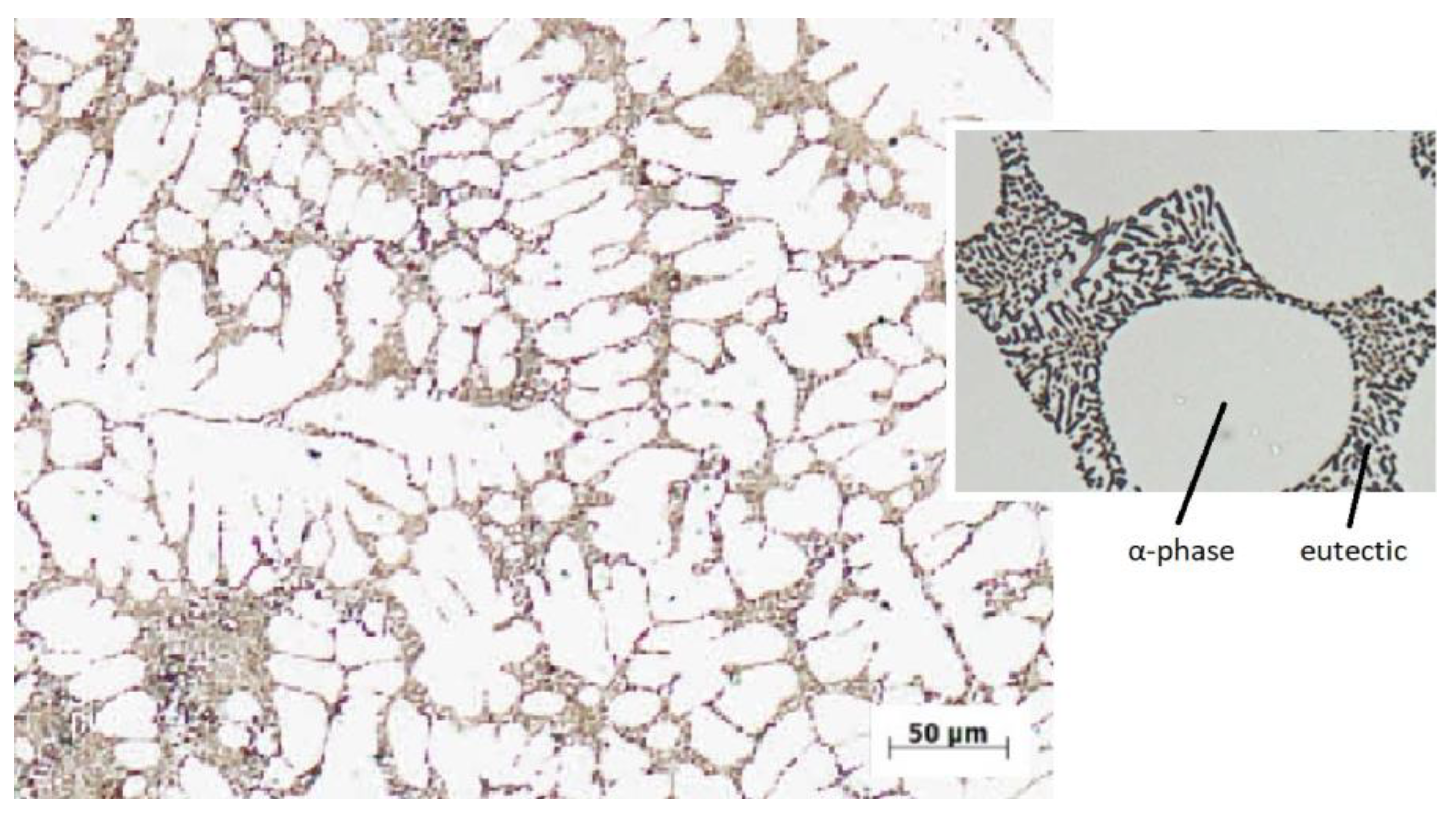
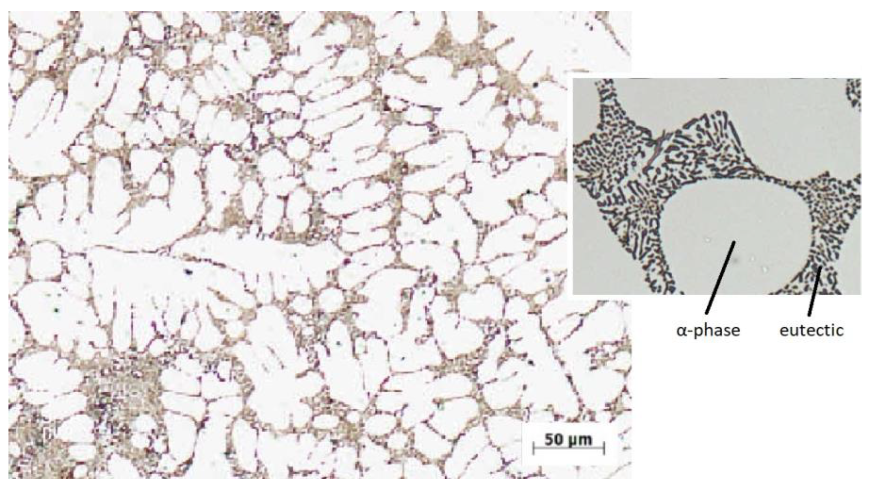
Figure 9 is the microstructure of the AlSi12 eutectic alloy. The structure is composed mainly of eutectic with a small proportion of α-phase in dendrites. Eutectic silicon is excluded in lamellar form.
Figure 9.
Microstructure of AlSi12 alloy casting, element thickness 8 mm.
The mechanical properties of the individual elements located at the stair casting from the AlSi12 alloy are listed in Table 5. The ultimate strength of the material increases similarly to the AlSi7Mg0.3 alloy due to a higher cooling rate. The ductility of the material increases with decreasing element thickness. Due to the progressing solidification, the filling of the mold is problem-free. A finer structure and a larger area of the grain boundaries have a positive effect on the increase of ductility. Pores in the structure were not observed.
Table 5.
Mechanical properties of the elements of the gravity-cast casting from the AlSi12 alloy.
3.2. Processing by Squeeze Casting (SC)
3.2.1. Processing of AlSi7Mg0.3 Alloy by Squeeze Casting
The input material for gravity castings was also used for squeeze casting technology. The effect of pressure during crystallization on the microstructure (Figure 10) and mechanical properties of the stair-shaped casting was observed.
Figure 10.
Microstructure of SC cast from AlSi7Mg0.3 alloy, element thickness 5 mm.
Due to the influence of the applied pressure, the morphology of the α-phase changed from a dendritic form to an irregular globulitic and rosette form. Eutectic silicon is excluded in fine lamellar form. There was no change in the morphology of eutectic silicon compared to gravity casting.
The mechanical properties of the elements located at the stair casting are listed in Table 6. The ultimate strength increases with decreasing material thickness. Due to the effect of intensive heat removal (absence of a gap between the casting and the mold), the thinner parts of the casting are quickly cooled, and a fine-grained structure is formed. Due to the effect of the applied pressure, the lamellae of eutectic silicon also shortened, which positively influenced the increase in ductility with the decreasing cross-section of the elements. Despite the positive effects in ultimate strength and ductility, the effect on the hardness of individual elements was not observed.
Table 6.
Mechanical properties of the elements prepared SC technology, AlSi7Mg0.3 alloy.
A significant influence on the structure and properties of the material during crystallization under pressure from the liquid state was confirmed. In addition to the applied pressure, the cooling rate of the casting has a significant influence. By reducing the thickness of the casting and softening the structure, the ultimate strength increases from 167 MPa for the cross-section of 8 mm to 224 MPa for the cross-section of 3.15 mm. This trend was also manifested in the material’s ductility, which rose with a decreasing cross-section from 3.8% to 7.8%.
3.2.2. Processing of AlSi12 Alloy by Squeeze Casting
The influence of AlSi12 melt processing by squeeze casting technology is documented by the microstructure in Figure 11. and mechanical properties listed in Table 7. During the crystallization of the eutectic alloy, a significant change in the microstructure occurs due to the effect of the applied pressure. The structure contains a larger proportion of α-phase dendrites oriented toward heat removal. For this reason, there is a larger proportion of eutectic silicon in the eutectic. This eutectic silicon is precipitated in the form of very fine rods. In this case, compared to gravity casting, the morphology of the eutectic silicon also changed.
Figure 11.
Microstructure of SC cast from AlSi12 alloy, element thickness 5 mm.
Table 7.
Mechanical properties of the elements prepared SC technology, AlSi12 alloy.
Positive changes in the microstructure of the casting were also manifested by a significant increase in mechanical properties (Table 7). The ultimate strength limit increases with decreasing material thickness, similar to the AlSi7Mg0.3 alloy, due to intense heat dissipation. Eutectic acts as a strengthening component in aluminum alloys. As a result of the change in the morphology of eutectic silicon, there is not only a significant increase in ultimate strength but also an increase in ductility with a decreasing cross-section of the elements. As in the previous case, the impact on the hardness of individual elements did not manifest itself.
In the case of the AlSi12 eutectic alloy processed from the liquid state, the results confirmed a significant influence on the cooling rate. In the cross-section of 3.15 mm, this phenomenon was manifested by a refinement of the structure and a significant increase in ultimate strength to 269. The ductility of the material increased even more significantly, from 2% for an 8 mm element to 7.1% for an element thickness of 3.15 mm.
3.3. Processing of AlSi7Mg0.3 Alloy by Semi-Solid Squeeze Casting (SSSC)
To observe the changes during the solidification of the semi-solid material on microstructure and mechanical properties, input materials with different morphologies were chosen. Samples were taken from the variously prepared input material to observe the initial state of the microstructure. Subsequently, the prepared semi-finished products were heated to a temperature of 580 °C using an inductor and pressed into the mold cavity. The mold temperature was 200 ± 3 °C. Piston movement speed 20 mm/s. The pressure applied during crystallization was 50 MPa. The duration of the pressure was 60 s. The structure after processing was observed, and the mechanical properties of the individual elements of the stair castings were evaluated.
3.3.1. Semi-Solid Squeeze Casting—Gravity Cast Structure into a Permanent Mold
The basis of semi-solid squeeze casting technology is the use of alloys with a dendritic structure. Figure 12 shows the material’s structure, which was prepared by remelting the primary alloy and cast into a permanent mold (material A). The structure is formed by an α-phase matrix (SDAS 25 μm) and eutectic. Eutectic silicon is excluded in lamellar form with an average length of lamellae of 10 μm.
Figure 12.
Microstructure of input material prepared by gravity casting.
The structure after processing in the semi-solid state is shown in Figure 13. As a result of heating above the temperature of the eutectic reaction, not only the melting of the eutectic occurred, but also the melting of the dendrites of the α-phase. During crystallization, individual dendrites were joined into larger units. The molten eutectic was partially trapped in these formations and subsequently solidified in the form of globulitic formations. The remaining volume of the eutectic solidified along the boundaries of the α-phase formations. There was a change in the morphology of the eutectic silicon, which was excluded in the form of fine rods.
Figure 13.
Microstructure after processing of semi-solid squeeze casting from material A.
The very similar nature of the microstructure in the individual elements was also reflected in the resulting mechanical properties (Table 8). The ultimate strength does not change significantly with a change in cross-section. The biggest difference in the observed cross-sections was only 10%. A more significant change was not observed, even in the ductility of the material and hardness. The higher ductility of the element with a thickness of 3.15 mm can be explained by the partial reduction of the α-phase formations caused by the fragmentation of these formations during the mould cavity filling. There was no effect on the hardness of the individual elements.
Table 8.
Mechanical properties of casting elements after processing SSSC from material A.
3.3.2. Semi Solid Squeeze Casting with Refined Structure Casted into a Permanent Mold
The effect of changing the size of α-phase dendrites was observed on semi-finished products prepared by refining a melt of 0.2 wt% AlTi5B1 (material B). As a result of the refining effect, the secondary branches of the SDAS dendrites were shortened to 14 μm. Similar to the previous case, the microstructure consists of dendrites of the α-phase and eutectic (Figure 14). Eutectic silicon is excluded in the same lamellar form as in the unrefined alloy with an average lamellae length of 10 μm.
Figure 14.
Microstructure of input material prepared by refined alloy casted.
The microstructure has a similar character as in the previous case. Melting of the α-phase dendrites led to their joining into units in the form of irregular globulitic formations (Figure 15). These formations have smaller dimensions than in the unrefined alloy. There are fewer closed eutectic globules in the structure. The majority of the eutectic is excluded along the boundaries of the α-phase formations. In closed globulitic formations, eutectic silicon is excluded in the form of very fine rods. In the interstices, eutectic silicon is excluded in practically unchanged form compared to the origin state.
Figure 15.
Microstructure after processing of semi-solid squeeze casting from material B.
The mechanical properties (Table 9) increased compared to the unrefined alloy. Due to the influence of smaller formations of the α-phase (which dimensions decreases as the cross-section of the casting decreases), the ultimate strength of the individual elements of the stair casting was increased. The increase in ductility is more pronounced in the thinner parts of the casting, where the eutectic silicon is excluded in a finer form than in the thicker parts. There was no effect on the hardness of the individual elements.
Table 9.
Mechanical properties of casting elements after processing SSSC from material B.
3.3.3. Semisolid Squeeze Casting of a Heat-Treated Alloy Cast into Permanent Mold
To monitor the influence of the morphology change of eutectic silicon, the semi-finished products were made by gravity casting and consequently heat-treated by using the T6 process (material C). As a result of heat treatment, the microstructure changed, according to Figure 16. The structure is formed by dendrites of α-phase with an SDAS size of 17 μm. Eutectic silicon is excluded in the globular formations with an average size of 5 μm.
Figure 16.
Microstructure of input material prepared by gravity casting and consequently heat-treated T6.
The microstructure after extrusion of the heat-treated semi-finished product (Figure 17) is similar to the microstructure of the semi-finished product of refined alloy. The shape of the α-phase formations is regularly but also irregularly globular. Most eutectic silicon volume is excluded in globulitic formations closed in the α-phase. In these formations, silicon is excluded in a very fine rod form. A smaller volume of eutectic silicon is excluded along the boundaries of the α-phase formations of shorter rods.
Figure 17.
Microstructure after processing of semi-solid squeeze casting from material C.
By comparing the mechanical properties in different cross-sections of the stair-shaped casting (Table 10), it is possible to observe the minimal influence of the thickness in the cross-section dimensions 5, 6 and 8 mm on the ultimate strength and ductility. The ultimate strength is relatively low and corresponds approximately to the ultimate strength of the untreated alloy. The ductility is higher than the untreated alloy due to the larger amount of closed eutectic silicon in the α-phase formations. In cross-sections 3.15 and 4 mm, ultimate strength and ductility increase is observed due to a finer structure with the same morphology as in thicker parts. There was no effect on the hardness of the individual elements.
Table 10.
Mechanical properties of casting elements after processing SSSC from material C.
3.3.4. Semisolid Squeeze Casting Structure Influenced by Crystallization under Pressure
The effect of changing the size and morphology of the α-phase and the eutectic was observed for the semi-finished product prepared by pressing 250 cm3 of the AlSi7Mg0.3 alloy melt poured into the mold cavity (material D). The temperature of the melt was 720 ± 5 °C, the temperature of the mold was 200 ± 5 °C. The operating pressure was 100 MPa for an estimated time of 150 s. The structure of the prepared semi-finished product is shown in Figure 18. As a result of the applied pressure, the dendrites of the α-phase were partially globulized. Eutectic silicon is excluded in lamellar form. There was no intended change in morphology from lamellae to rods.
Figure 18.
Microstructure of input material prepared by crystallization under pressure.
As a result of repeated application of pressure during crystallization, the eutectic melt did not close in α-phase formations as in previous cases. Coalescence of the α-phase into larger formations is also not observed. Rather, there was an increase in the volume of the original α-phase globules (Figure 19). For this reason, the eutectic is located in the interstices between the irregular formations of the α-phase. Eutectic silicon is excluded in the form of lamellae or rods.
Figure 19.
Microstructure after processing of semi-solid squeeze casting from material D.
Mechanical properties of the material with double crystallization under pressure (Table 11) caused an increase in mechanical properties. The ultimate strength of the material increased by approximately 15 to 20%, and ductility by approximately 40%. This increase in properties can be explained by the different morphology of the structure. The distribution of the eutectic is more uniform, and the formations of the α-phase are significantly smaller than in the previous cases. There was no effect on the hardness results.
Table 11.
Mechanical properties of casting elements after processing SSSC from material D.
When processing semi-finished products with different structure morphology from the AlSi7Mg0.3 alloy, the influence of the initial condition on the final properties of the castings was confirmed. When heated to a temperature of 580 °C, dendrites join into compact formations. The size of the formations is directly dependent on the size of the original dendrites. In the formations of the α-phase, a certain proportion of the eutectic is enclosed in a liquid state, which solidifies in globules. The ratio of the closed eutectic and the eutectic excluded along the boundaries of the α-phase formations depends on the size of the dendrites and the morphology. Refining the dendrites of the α-phase decreases the amount of closed eutectic. With a partially globulated structure, there is no closing of the eutectic. The initial morphology of the eutectic does not influence the resulting structure and properties of the casting.
3.4. Processing by Semi-Solid Squeeze Casting Technology of AlSi12 Alloy
AlSi12 alloy was also used for processing by semi-solid squeeze casting technology. This material is not typical for semi-solid products. Based on the previous results and because the structure of this alloy is mainly formed by eutectic, the morphology of the initial structure was changed only because of changes in the cooling rate. To monitor the influence of the initial structure, the semi-finished products were cast in a permanent mold and a sand mold.
3.4.1. Semisolid Squeeze Casting Structure Gravity Cast into a Sand Mold
The microstructure of the alloy casted in a sand mold (material E) is formed by a eutectic with a small proportion of uniformly distributed α-phase formations of dendrites (Figure 20). Eutectic silicon is excluded in the form of thicker lamellae and longer needles. The distribution of thicker silicon lamellae is not regular.
Figure 20.
Microstructure of input material prepared by gravity cast into a sand mold.
The microstructure after processing with the semi-solid squeeze casting technology significantly changed compared to the initial state. There was a change in the morphology of the silicon to an irregular globular form (Figure 21).
Figure 21.
Microstructure after processing of semi-solid squeeze casting from material E.
There were also anomalies in the structure. Due to the uneven distribution and morphology of the eutectic in the volume, after processing with semisolid squeeze casting technology, large compact silicon particles were formed (Figure 22).
Figure 22.
Anomalies in the structure after the processing of an SSSC from material E.
In the cross-sections of the individual elements, except for the element with a thickness of 8 mm, significant porosity was observed in the structure. This porosity significantly affected the ultimate strength and ductility (Table 12). In addition to the porosity, the excluded silicon in a non-standard form also had a significant impact on the properties. The effect on the hardness of individual elements was also not confirmed.
Table 12.
Mechanical properties of casting elements after processing SSSC from material E.
3.4.2. Semisolid Squeeze Casting Structure Gravity Cast into a Permanent Mold
The eutectic alloy semi-finished product prepared by gravity casting to a permanent mold (material F) is characterized by a uniform arrangement of the eutectic in the entire cross-section without the occurrence of α-phase dendrites (Figure 23). Eutectic silicon is excluded in lamellar form.
Figure 23.
Microstructure of input material prepared by gravity cast into a permanent mold.
By observing the microstructure after processing in the semi-solid state, it can be concluded that the structure has preserved the original distribution of silicon. There was a change in the morphology of the silicon to an irregular globular form (Figure 24). The structure resembles a structure modified by heat treatment. The only difference is that the silicon particles are not perfectly round.
Figure 24.
Microstructure after processing of semi-solid squeeze casting from material F.
The nature of the structure was also reflected by the mechanical properties (Table 13). The ultimate strength of the material increases as the thickness of the elements decreases. A higher cooling rate in the thinner parts of the casting affects a more even distribution of silicon particles. Smaller silicon parts in thinner elements can also be caused by the fragmentation of these particles in filling. In the thicker parts, which are adjacent to the inlet, the signs of the original structure can be observed. The effect on the hardness of individual elements has not been confirmed.
Table 13.
Mechanical properties of casting elements after processing SSSC from material F.
3.5. Evaluation of Eutectic Silicon Morphology
The morphology of eutectic silicon in AlSi7Mg alloy cast by gravity method is shown in Figure 25a. The gravity-casted eutectic silicon was mainly in the form of thickened lamellae. By applying pressure during crystallization, many rounded rods of eutectic silicon are arranged in clusters, which can be observed in Figure 25b. The size of the rods was significantly smaller due to the applied pressure. Eutectic silicon precipitated in the form of lamellae was not observed.
Figure 25.
Morphology of eutectic Si in AlSi7Mg0.3 alloy (a) gravity casting, (b) squeeze casting.
In the gravity-casted samples of AlSi12 alloy, typical large facets of unmodified eutectic silicon (lamellas) can be observed, which are sharp-edged and branched Figure 26a. These facets can be observed as needles on the plane of the metallographic surface. It can be concluded that the applied pressure during crystallization in the AlSi12 alloy did not have a sufficient effect on the change of the morphology for the eutectic silicon, as in the case of the AlSi7Mg alloy. Due to the influence of pressure, however, it is possible to observe a significant reduction in the dimensions of lamellas. The terminations are no longer sharp-edged and branched compared to gravity casting (Figure 26b).
Figure 26.
Morphology of eutectic Si in AlSi12 alloy (a) gravity casting, (b) squeeze casting.
4. Conclusions
The article dealt with the influence of input parameters on the properties of castings during crystallization under pressure. Two different types of aluminum alloys were chosen. The alloys were processed from the molten state and in the semi-solid state with different initial structure morphologies.
- -
- With the squeeze casting technology, a significant influence of the cooling rate on the properties and structure of castings from both alloys was confirmed.
- -
- The increase in ultimate strength was between elements from thickness 8 to 3.15 mm by approximately 35%. The ductility increased from 3.8% to 7.8% for the AlSi7Mg0.3 alloy, and for the AlSi12 alloy, this increase was from 2.0% to 7.1%
- -
- When processing the AlSi7Mg0.3 alloy by semi-solid squeeze casting technology, the influence of the cooling rate is less significant. In the structure, we can observe the inheritance of the original structure. The increase in ultimate strength with decreasing cross-section was 10% for different morphologies of the alpha phase. The change in the morphology of eutectic silicon led to an increase in ultimate strength by 22%. The most significant increase in ductility was observed for the modified alloy and represented 315%.
- -
- The AlSi12 alloy processed by semi-solid squeeze casting technology achieved a 9% increase in strength between the thickness of the casting from 8 to 3.15 mm. The evaluation of the structure confirmed the significant influence of the initial state of the material on the final properties. All results correspond with the results of several authors [21,22,23,24,25,26].
In the next investigation of the AlSi7 Mg0.3 alloy, the methodology will be tested at a fraction solid 55 or 60%. It is assumed that the effects observed so far with a fraction solid fraction lower than 50% would only be accentuated. Their impact on the structure and properties would be rather negative. For the AlSi12 eutectic-type alloy, further research will focus on determining the boundary of the initial structure to achieve an improvement in the properties of the castings. Another factor for further research is the change of process parameters, e.g., filling speed, mold temperature, and applied pressure.
Author Contributions
Conceptualization, R.P. and D.B.; methodology, R.P.; software, R.P. and M.M.; validation, R.P., M.B. and M.M.; formal analysis, M.B.; investigation, R.P., M.B. and M.M.; resources, M.B.; data curation, R.P. and M.M.; writing—original draft preparation, R.P.; writing—review and editing, M.B.; visualization, R.P.; supervision, D.B.; project administration, R.P.; funding acquisition, M.B. and D.B. All authors have read and agreed to the published version of the manuscript.
Funding
The article was created as part of the grant agency project: VEGA 1/0241/23 and VEGA 1/0160/22. The authors thank the agency for the support.
Data Availability Statement
Data are available on request. The data presented in this study are available on request from the corresponding author.
Conflicts of Interest
The authors declare no conflict of interest.
References
- Natrayan, L.; Kumar, M.S. Study on Squeeze Casting of Aluminum Matrix Composites—A Review. In Advanced Manufacturing and Materials Science, 1st ed.; Springer Nature: Berlin/Heidelberg, Germany, 2018; pp. 75–83. [Google Scholar]
- Srivastava, N.; Anas, M. An investigative review of squeeze casting: Processing effects & impact on properties. Mater. Today Proc. 2020, 26, 1914–1920. [Google Scholar]
- Flemings, M.C. Behavior of metal alloys in the semisolid state. Metall. Trans. B 1991, 22, 269–293. [Google Scholar] [CrossRef]
- Pan, Q.Y.; Apelian, D.; Jorstad, J. Semisolid Casting—Introduction and Fundamentals. ASM Handb. 2008, 15, 761–763. [Google Scholar]
- Cagala, M.; Bruska, M.; Lichy, P.; Beno, J.; Spirutova, N. Influence of Aluminium-Alloy Remelting on the Structure and Mechanical Properties. Mater. Technol. 2013, 47, 239–243. [Google Scholar]
- Hrubovcakova, M.; Vaskova, I.; Benkova, M.; Conev, M. Opening Material as the Possibility of Elimination Veining in Foundries. Arch. Foundry Eng. 2016, 16, 157–161. [Google Scholar] [CrossRef]
- Konar, R.; Mician, M. Ultrasonic Inspection Techniques Possibilities for Centrifugal Cast Copper Alloy. Arch. Foundry Eng. 2017, 17, 35–38. [Google Scholar] [CrossRef][Green Version]
- Lichy, P.; Bajerova, M.; Kroupova, I.; Obzina, T. Refining Aluminium-Alloy Melts with Graphite Rotors. Mater. Technol. 2020, 54, 263–265. [Google Scholar] [CrossRef]
- Blatnicky, M.; Dizo, J.; Saga, M.; Gerlici, J.; Kuba, E. Design of a Mechanical Part of an Automated Platform for Oblique Manipulation. Appl. Sci. 2020, 10, 8467. [Google Scholar] [CrossRef]
- Kucharikova, L.; Tillova, E.; Matvija, M.; Belan, J.; Chalupova, M. Study of the Precipitation Hardening Process in Recycled Al-Si-Cu Cast Alloys. Arch. Metall. Mater. 2017, 62, 397–403. [Google Scholar] [CrossRef]
- Tirth, V.; Arabi, A. Effect of Liquid Forging Pressure on Solubility and Freezing Coefficients of Cast Aluminum 2124, 2218 and 6063 Alloys. Arch. Metall. Mater. 2020, 65, 357–366. [Google Scholar]
- Tillova, E.; Chalupova, M.; Borko, K.; Kucharikova, L. Changes of fracture surface in recycled A356 cast alloy. Mater. Today Proc. 2016, 3, 1183–1188. [Google Scholar] [CrossRef]
- Jarfors Anders, E.W. Semisolid Casting of Metallic Parts and Structures. Encycl. Mater. Met. Alloy. 2022, 4, 100–116. [Google Scholar]
- Ghomashchi, M.R.; Vikhrov, A. Squeeze casting: An Overview. J. Mater. Process. Technol. 2000, 101, 1–9. [Google Scholar] [CrossRef]
- Lee, J.H.; Kim, H.S.; Won, C.W.; Cantor, B. Effect of the gap distance on the cooling behavior and the microstructure of indirect squeeze cast and gravity die cast 5083 wrought Al alloy. Mater. Sci. Eng. A 2002, 338, 182–190. [Google Scholar] [CrossRef]
- Jahangiri, A.; Marashi, S.P.H.; Mohammadaliha, M.; Ashofte, V. The effect of pressure and pouring temperature on the porosity, microstructure, hardness and yield stress of AA2024 aluminum alloy during the squeeze casting process. J. Mater. Process. Technol. 2017, 245, 1–6. [Google Scholar] [CrossRef]
- Youn, S.W.; Kang, C.G.; Seo, P.K. Thermal fluid/solidification analysis of automobile part by horizontal squeeze casting process and experimental evaluation. J. Mater. Process. Technol. 2004, 146, 294–302. [Google Scholar] [CrossRef]
- Lü, S.; Wu, S.; Zhu, Z.; An, P.; Mao, Y. Effect of semi-solid processing on microstructure and mechanical properties of 5052 aluminum alloy. Trans. Nonferrous Met. Soc. China 2010, 20, 758–762. [Google Scholar] [CrossRef]
- Guan, R.G.; Zhao, Z.Y.; Li, Y.D.; Chen, T.J.; Xu, S.X.; Qi, P.X. Microstructure and properties of squeeze cast A356 alloy processed with a vibrating slope. J. Mater. Process. Technol. 2016, 229, 514–519. [Google Scholar] [CrossRef]
- Jiang, J.; Wang, Y.; Chen, G.; Liu, I.; Li, Y.; Luo, S. Comparison of mechanical properties and microstructure of AZ91D alloy motorcycle wheels formed by die casting and double control forming. Mater. Des. 2012, 40, 541–549. [Google Scholar] [CrossRef]
- Pragathi, P.; Elansezhian, R. Mechanical and microstructure behaviour of aluminum nanocomposite fabricated by squeeze casting and ultrasonic aided squeeze casting: A comparative study. J. Alloys Compd. 2023, 956, 170203. [Google Scholar] [CrossRef]
- Vijian, P.; Arunachalam, V.P. Optimization of squeeze casting process parameters using Taguchi analysis. Int. J. Adv. Manuf. Technol. 2007, 33, 1122–1127. [Google Scholar] [CrossRef]
- Gao, W.J.; Xing, S.M.; Yan, G.Y.; Zhao, B.W. Effect of oscillation frequency on microstructure of A356 slurry prepared by semi-solid metal forming with flow. J. Mater. Process. Technol. 2023, 311, 13. [Google Scholar] [CrossRef]
- Jiang, J.; Yan, J.; Liu, Y.; Hu, G.; Wang, Y.; Ding, C.; Zou, D. Numerical Simulation and Experimental Validation of Squeeze Casting of AlSi9Mg Aluminum Alloy Component with a Large Size. Materials 2022, 15, 4334. [Google Scholar] [CrossRef] [PubMed]
- Yulong, Z.; Schwam, D.; Wallace, J.F. Microstructure & Mechanical Properties of Squeeze cast & Permanent Mold Cast A356 Aluminium alloy-A comparative Study. Cast. Eng. 2006, 49, 18–20. [Google Scholar]
- Guo, Y.; Wang, Y.; Zhao, S. Experimental Investigation and Optimization of the Semisolid Multicavity Squeeze Casting Process for Wrought Aluminum Alloy Scroll. Materials 2020, 13, 5278. [Google Scholar] [CrossRef]
- Alizadeh, A.; Khayami, A.; Karamouz, M.; Hajizamani, M. Mechanical properties and wear behavior of Al5083 matrix composites reinforced with high amounts of SiC particles fabricated by combined stir casting and squeeze casting; A comparative study. Ceram. Int. 2022, 48, 179–189. [Google Scholar] [CrossRef]
- Lin, C.; Chen, H.; Zeng, L.; Wu, S.; Fang, X. Microstructures and properties of v-modified a380 aluminum alloy produced by high pressure rheo-squeeze casting with compound field treatment. Metals 2021, 11, 587. [Google Scholar] [CrossRef]
- Jiang, H.; Zhang, L.; Zhao, B.; Sun, M.; He, M. Microstructure and Mechanical Properties of ZL205A Aluminum Alloy Produced by Squeeze Casting after Heat Treatment. Metals 2022, 12, 2037. [Google Scholar] [CrossRef]
Disclaimer/Publisher’s Note: The statements, opinions and data contained in all publications are solely those of the individual author(s) and contributor(s) and not of MDPI and/or the editor(s). MDPI and/or the editor(s) disclaim responsibility for any injury to people or property resulting from any ideas, methods, instructions or products referred to in the content. |
© 2023 by the authors. Licensee MDPI, Basel, Switzerland. This article is an open access article distributed under the terms and conditions of the Creative Commons Attribution (CC BY) license (https://creativecommons.org/licenses/by/4.0/).

























