Friction Torque in Miniature Ball Bearings †
Abstract
1. Introduction
2. Theoretical Model for Friction Torque
3. Comparison Between Houpert IVR Model and Catalogues Relations
3.1. The SKF Relations for the 7000C ACBB
3.2. The Schaeffler Relations for the 7000C ACBB
4. Experimental Equipment and Procedure
4.1. Experimental Equipment
4.2. Lubricant Characteristics
4.3. Experimental Procedure
- (1)
- In the first phase, both the rotating table and the inner race are rotated at an imposed rotational speed. As a result of the friction on the rolling bearing, the outer race and the loading disc start to rotate until it reaches the speed of the inner race;
- (2)
- In the second phase, the rotating table is suddenly stopped, and the outer race and the disc continue to rotate until the kinetic energy is depleted. All the deceleration process is monitored by a video camera, and finally, the video recording has been processed to establish the total rotating angle and corresponding time.
4.4. Evaluation of the Friction Torque Based on the Tests
4.5. Comparison of the Experimental Friction Torque with Houpert IVR Model, SKF and Schaeffler Simulated Friction Torque
5. Conclusions
- (1)
- The dominant component of the Houpert IVR friction torque for the 7000C ACBB in the given conditions included in the experiments is generated by the hydrodynamic rolling resistances, and all the other friction components can be neglected;
- (2)
- The experimental results of the friction torque both for greases and oils tests are in good correlation with the friction torque generated by the hydrodynamic rolling resistance developed between the balls and races, described using the Houpert IVR methodology;
- (3)
- Both the experimental friction torque results and the Houpert IVR friction torque values are higher than the friction torque values obtained with the SKF relations, both for greases and for low or high oil viscosity;
- (4)
- For high lubricant viscosity, the experimental friction torque results are very close to the friction torque values obtained with the Schaeffler relations. The results obtained so far show us that in the case of the low-loaded miniature ball bearings, the Schaeffler relations for the friction torque can be used instead of the Houpert IVR model with good approximation, both for greases and for oils with a high viscosity;
- (5)
- In the absence of the lubricant in the miniature ball bearing, the lowest values were obtained for the total friction torque;
- (6)
- As a general recommendation, to evaluate the friction torque in the miniature ball bearings, operating at moderate rotational speed and under low loads, we propose the calculation of the friction torque with the Houpert IVR model, although it involves a complex calculation;
- (7)
- Finally, more research must be made with various types of greases and oils viscosities to obtain a more simplified relationship.
Author Contributions
Funding
Data Availability Statement
Acknowledgments
Conflicts of Interest
Appendix A
References
- Harris, T.; Kotzalas, M. Esential Concepts of Bearing Technology; CRC Press: Boca Raton, FL, USA; Taylor & Francis Group: Abingdon, UK, 2007. [Google Scholar]
- Houpert, L. Numerical and Analytical Calculations in Ball Bearings. In Proceedings of the 8th European Space Mechanisms And Tribology Symposium, Toulouse, France, 29 October 1999. [Google Scholar]
- Houpert, L. Ball Bearing and Tapered Roller Bearing Torque: Analytical, Numerical and Experimental Results. STLE Trib. Trans. 2002, 45, 345–353. [Google Scholar] [CrossRef]
- Wu, P.L.; He, C.L.; Chang, Z.; Li, X.L.; Ren, Z.Y.; Li1, D.Y.; Ren, C.Z. Theoretical calculation models and measurement of friction torque for rolling bearings: State of the art. J. Braz. Soc. Mech. Sci. Eng. 2022, 44, 435. [Google Scholar] [CrossRef]
- www.skf.com. Available online: https://www.skf.com/binaries/pub12/Images/0901d1968065e9e7-The-SKF-model-for-calculating-the-frictional-moment_tcm_12-299767.pdf (accessed on 15 October 2024).
- Schaeffler Rolling Bearings Catalogue; Schaeffler Technologies, & KO: Belrose, Australia, 2018.
- Biboulet, N.; Houpert, L. Hydrodynamic force and moment in pure rolling lubricated contacts: Part II, point contacts. Proc. Inst. Mech. Eng. Part J.-J. Eng. Tribol. 2010, 224, 777–787. [Google Scholar] [CrossRef]
- Zhang, X.; Glovnea, R. Grease film thickness measurement in rolling bearing contacts. Proc. Inst. Mech. Eng. Part J.-J. Eng. Tribol. 2021, 235, 1430–1439. [Google Scholar] [CrossRef]
- De Laurentis, N.; Kadiric, A.; Lugt, P.; Cann, P. The influence of bearing grease composition on friction in rolling/sliding concentrated contacts. Tribol. Int. 2016, 94, 624–632. [Google Scholar] [CrossRef]
- Vengudusamy, B.; Enekes, C.; Spallek, R. On the film forming and friction behaviour of greases in rolling/sliding contacts. Tribol. Int. 2019, 129, 323–337. [Google Scholar] [CrossRef]
- Cousseau, T.; Graça, B.; Campos, A.; Seabra, J. Friction torque in grease lubricated thrust ball bearings. Tribol. Int. 2011, 44, 523–531. [Google Scholar] [CrossRef]
- Kanazawa, Y.; De Laurentis, N.; Kadiric, A. Studies of Friction in Grease Lubricated Rolling Bearings Using Ball-on-Disc and Full Bearing Tests. Tribol. Trans. 2020, 63, 77–89. [Google Scholar] [CrossRef]
- Fischer, D.; Jacobs, G.; Stratmann, A.; Burghardt, G. Effect of Base Oil Type in Grease Composition on the Lubricating Film Formation in EHD Contacts. Lubricants 2018, 6, 32. [Google Scholar] [CrossRef]
- Ianuş, G.; Cojocaru, D.; Cârlescu, V.; Tufescu, A.; Olaru, D.N. Grease lubrication of miniature ball bearings. IOP Conf.Ser. Mater. Sci. Eng. 1235, 2022, 012052. [Google Scholar] [CrossRef]
- Popescu, A.; Houpert, L.; Olaru, D.N. Four approaches for calculating power losses in an angular contact ball bearing. Mech. Mach. Theory 2020, 144, 103669. [Google Scholar] [CrossRef]
- www.skf.com. Available online: https://www.skf.com/binaries/pub12/Images/0901d19680495562-Super-precision-bearings-catalogue---13383_2-EN_tcm_12-129877.pdf (accessed on 15 October 2024).








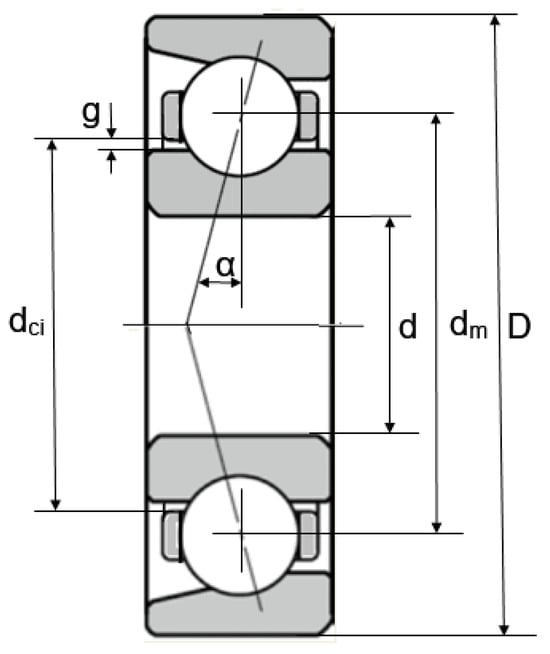
| Dimensions of 7000C ACBB | Value | Unit Measurement |
|---|---|---|
| D—external diameter | 26 | mm |
| d—internal diameter | 10 | mm |
| dm—pitch diameter dm = (D + d)/2 | 18 | mm |
| db—ball diameter | 4.762 | mm |
| α—contact angle | 30 | degrees |
| Z—number of balls | 8 | - |
| fi, fo—inner and outer races conformities | fi = fo = 0.525 | - |
| g—the gap between phenolic resin cage and inner ring | g = 0.15 | mm |
| Properties | SKF LGHP 2/0.4 | SHELL Gadus S2 V100 2 |
|---|---|---|
| NLGI consistency | 2–3 | 2 |
| Soap type | Di-urea complex | Lithium Hydroxy stearate |
| Base oil type | Mineral | Mineral |
| Kinematic viscosity @40 °C (mm2/s) | 96 | 100 |
| Kinematic viscosity @100 °C (mm2/s) | 10.5 | 11 |
| Dropping point (°C) | 240 | 180 |
| Properties | Shell HELIX HX8 (SAE 5W-30) | SAE 90 EP2 |
|---|---|---|
| Density at 15.6 °C (kg/m3) | 859 | 889 |
| Kinematic viscosity @40 °C (mm2/s) | 75 | 225 |
| Kinematic viscosity @100 °C (mm2/s) | 11 | 18 |
Disclaimer/Publisher’s Note: The statements, opinions and data contained in all publications are solely those of the individual author(s) and contributor(s) and not of MDPI and/or the editor(s). MDPI and/or the editor(s) disclaim responsibility for any injury to people or property resulting from any ideas, methods, instructions or products referred to in the content. |
© 2025 by the authors. Licensee MDPI, Basel, Switzerland. This article is an open access article distributed under the terms and conditions of the Creative Commons Attribution (CC BY) license (https://creativecommons.org/licenses/by/4.0/).
Share and Cite
Cojocaru, D.; Ianuș, G.; Cârlescu, V.; Chiriac, B.; Olaru, D. Friction Torque in Miniature Ball Bearings. Lubricants 2025, 13, 12. https://doi.org/10.3390/lubricants13010012
Cojocaru D, Ianuș G, Cârlescu V, Chiriac B, Olaru D. Friction Torque in Miniature Ball Bearings. Lubricants. 2025; 13(1):12. https://doi.org/10.3390/lubricants13010012
Chicago/Turabian StyleCojocaru, Denis, Gelu Ianuș, Vlad Cârlescu, Bogdan Chiriac, and Dumitru Olaru. 2025. "Friction Torque in Miniature Ball Bearings" Lubricants 13, no. 1: 12. https://doi.org/10.3390/lubricants13010012
APA StyleCojocaru, D., Ianuș, G., Cârlescu, V., Chiriac, B., & Olaru, D. (2025). Friction Torque in Miniature Ball Bearings. Lubricants, 13(1), 12. https://doi.org/10.3390/lubricants13010012

