Abstract
This article points out some of the forces acting on the components of a hydraulic system. These forces can lead to changes in the spectrum of pressure pulsations under certain conditions. These forces can originate from outside the hydraulic valve and can be the result of vibrations in the machine frame or the movement of the machine over uneven ground. In addition, an immanent feature of an operating hydraulic system is the pressure pulsation resulting from the pulsation of the output. This is caused by the kinematics of the pump’s displacement components and the impedance of the hydraulic system. A method of determining the amplitude of the pressure pulsation created by the pulsation of the pump performance is presented. It was pointed out that the frequency of the resulting pressure pulsation can vary depending on the type of forcing. Often, the frequency range of pressure pulsation is wide. This study presents the concept of a pressure pulsation damper operating over a wide frequency range. By reducing the amplitudes of pressure pulsations, a reduction in the operating noise of the hydraulic system is also achieved.
1. Introduction
Noise level is an important criterion for evaluating the quality of machinery and equipment. In terms of noise protection, the European Union Machinery Directive 2006/42/EC [1] has established that the machine must be designed and constructed in such a way that the hazards of emitted noise are reduced to the lowest level, in accordance with technical progress and taking into account the available means of reducing noise, especially at the sources of its generation.
This can be confirmed by the requirement set forth in Directive 2000/14/EC [2] on the permissible sound power level of machinery emitting noise into the environment. An example here is a wheel loader with a power of up to 55 kW. The level of this power, until 3 January 2002, was 104 dB, while as of 3 January 2006, the permissible sound power level of this type of machine has already been reduced to 101 dB.
Hydrostatic drives have displaced previously used mechanical or electric drives in many areas. This is dictated, among other things, by the fact that these systems are relatively easy to automate, especially with the use of proportional or servo valves in microprocessor-controlled or regulated systems [3,4]. Hydrostatic drives are commonly used in mobile machinery, marine vessels and aircraft [5,6,7]. Drive and work-executive systems are most often built based on the principle of hydrostatic systems (refer to Figure 1); each working machine can be treated both as a source and receiver of vibrations. Hydraulic systems in machines and devices often generate mechanical vibrations across a broad frequency spectrum [8,9]. These vibrations impact the components of the hydraulic system itself. Frequently, contamination of hydraulic fluids with solid or gaseous particles disrupts the smooth functioning of these components. The issue of oscillations in hydraulic systems is complex and can be viewed from two points. First, hydraulic systems can produce mechanical oscillations at various frequencies, which can impact nearby equipment and personnel. Second, hydraulic systems can also absorb external mechanical oscillations, meaning the system’s components are affected by vibrations originating from outside sources [10].
Figure 1.
Mobile machine (wheel loader) as a source and receiver of mechanical vibrations.
An important advantage of the hydrostatic drive is the possibility of obtaining an extremely high stream density of transmitted power in the drive system. Values of working pressures of 35 ÷ 40 MPa are now quite normal. Power of 1 kW, at these pressures, can be obtained from a stream of working fluid with a volumetric flow rate of only 30 ÷ 25 cm3/s (1.8 ÷ 1.5 dm3/min). Thus, the elements of the hydrostatic propulsion system have a compactness that is unattainable for other types of propulsion systems, namely a low mass per unit of generated or transmitted power.
Trends in the development of hydrostatic propulsion systems go toward minimizing energy losses and mass as well as increasing the transmitted power and thus still increasing the power-to-weight ratio [11]. Vibration introduces various negative impacts, often triggering oscillations in the control elements of hydraulic components [12]. For example, when components like the spool or poppet begin to vibrate in the hydraulic valve, the gap’s surface area fluctuates [13]. This fluctuation leads to efficiency pulsations within the hydraulic system, which, in turn, result in pressure pulsations and increased noise. One of the limitations of increasing this ratio is the increasing noisiness of hydrostatic systems and components as the generated or transmitted power increases. It is often the case that nuisance noise levels cannot be sufficiently eliminated in the design phase, and this is the reason for abandoning this type of drive in a particular device due to exceeding noise limits.
The issue of vibration in the hydraulic drive has been widely discussed in the literature over time. Many studies, however, concentrate on the self-excited vibrations of hydraulic control elements. For instance, the authors of study [14] theoretically and experimentally explore the mechanism of self-excited vibrations in a pressure relief valve within a basic vessel-valve-pipe setup. In another study [15], researchers examine leaking spherical valves subjected to periodic vibrations, which result in notable pressure pulsation amplitudes and noise problems. Paper [16] presents an innovative device for reducing the pressure pulsation generated by a compressor. The main parts of the device are a spring supporting a specially shaped nozzle. This solution, although it suppresses pressure pulsation, works for a specific, single frequency of pressure pulsation. The frequency of pressure pulsations that is reduced by the solution presented in this paper is due to the stiffness of the spring and the mass of the nozzle. The selection of the nozzle shape and dimensions is carried out on the basis of a theoretical method based on the transmittance method [17]. There are also interventions made in the design of the source of the performance pulsation in order to reduce it and thus the pressure pulsation. Such an approach is presented in the paper [18], in which the authors presented a specially constructed rectangular damping groove in the end plate of a rotary energy recovery device. Paper [19] proposes an adaptive damper based on a combination of cone-slide valve control, specifically designed to mitigate pulsations in the fluid power system. By developing a mathematical model of the damper, the parameters affecting its pulsation absorption rate and response characteristics were investigated. The paper presents experimental results showing that increasing the volume of the gas chamber and reducing the stiffness of the bellows significantly increases the pulsation absorption rate of the damper. However, despite this, the damper under consideration performs selectively. In contrast, the presented damper shows good pulsation damping performance with varying system pressure and input flow rate. The issue of pressure pulsation reduction is also analysed using active pressure pulsation methods. Paper [20] presents an active pressure pulsation damping method. Active pressure pulsation suppression uses active vibration eliminators to generate secondary pressure pulsations of equal amplitude and opposite phase to the initial pressure pulsations, which overlap to suppress the pulsations. Among other things, the paper presents the concept of a distributed pulsation damping method. A branch line is derived from the main hydraulic pipeline and an active pulsation damping valve is installed, which is basically the equivalent of a controlled-opening relief valve. Through a specific control method, the active vibration damping valve generates secondary pulsation sources of the same amplitude and opposite phase to the initial pulsation source. These two sources are superimposed and damped.
Excessive noise and vibration of machinery and equipment equipped with hydrostatic systems adversely affect the environment, including humans. For the human body, the particularly unfavourable frequency range of vibration and noise is in the low frequencies, below 100 Hz. In particular, infrasound noise causes adverse effects on human health and is poorly damped by matter propagating over considerable distances. From a review of the available literature [21,22,23] and our own experience, one of the important causes of excessive noise in hydraulic systems is pressure pulsation resulting from fluctuations in the flow rate of the hydraulic system.
This article presents the concept and experimental results of the effectiveness of a pressure pulsation damper, both in the low-frequency range (below 100 Hz) and at higher frequencies (above 200 Hz), in the process of reducing pressure fluctuations and, consequently, the noise of the hydrostatic drive system of a mobile machine.
2. Sources of Pressure Pulsation in a Hydraulic System
The phenomenon of pressure pulsation is a consequence of two factors. The first is the periodic variation of the flow rate of the working medium, which is due to the cyclic nature of the work of the displacement elements of the pumps, and the second is the result of external forcing in the form of mechanical vibrations acting on the elements of the hydraulic system attached to various types of supporting structures, such as the frame of the loader. These vibrations are not without influence on the hydraulic parameters of the systems under consideration. From this point of view, it seems expedient to analyse and identify the mechanical vibrations of machines and equipment with hydraulic systems. An example of vibration of the frame of a wheel loader during operational work is shown in Figure 2.
Figure 2.
Acceleration of vibrations of the frame of a construction loader for middle frequencies in terciles (spectrum is limited to a frequency of 80 Hz).
In order to confirm the influence of vibrations of the foundation on which the hydraulic component is mounted on the changes in the pressure pulsation spectrum, an experimental study was carried out in a specially set up test stand. As an example, the results of the pressure pulsation spectrum analysis of a hydraulic system in which the relief valve was placed on the table of a hydraulic simulator and subjected to vibrations with parameters similar to those occurring in real working machinery are shown (Figure 3). The tests consisted of mounting a single-stage relief valve in the holder of a Hydropax ZY25 (Bosch Rexroth AG, Lohr am Main, Germany) hydraulic simulator. This simulator provided a source of external mechanical vibrations acting on the hydraulic valve. The simulator generated mechanical vibrations of a fixed amplitude and frequency. At the same time, the pressure pulsation in the hydraulic system in which the vibrating relief valve was operating was measured with a piezoelectric sensor [24]. The most important component of the Hydropax simulator is the servo valve, which controls the operation of the vibration-generating cylinder. Attached to the piston rod of the vibration-generating cylinder is a table (6) of the simulator moving along the bed, equipped with a handle in which a relief valve (3) was installed.
Figure 3.
Example results of the pressure pulsation spectrum analysis of a hydraulic system in which the relief valve was placed on the table of a hydraulic simulator: (a) Arrangement of measurement points in the relief valve test system: 1—the pump supplying the test system of the component under consideration; 2—the safety valve; 3—the Mannesmann-Rexroth DBDH 6 G18/100 relief valve under test placed on the simulator table; 4—the oil tank; 5—the point where the change in pressure value is measured with the Piezotronics M101A04 piezoelectric sensor; 6—the table of the HYDROPAX ZY25 hydraulic simulator constituting a kinematic forcing with a harmonic function for the component under test at the point of measuring the table position; (b) Amplitude–frequency spectrum of pressure pulsation in a hydraulic system with a relief valve forced from a frequency of f = 20 Hz.
As shown in experimental studies, there are frequencies (in the range of up to 100 Hz) of external forcing at which an increase in the amplitude of pressure pulsations in the hydraulic system is observed and, consequently, an increase in noise in the analysed frequency range. The reasons for this phenomenon are to be found in the value of the natural frequency of the control elements of hydraulic valves.
The second source of pressure pulsation is the performance pulsation caused by the drive kinematics of the displacement elements of hydraulic pumps. The external gear pump was used in the experimental research, so the performance pulsation of this type of pump was determined analytically.
Based on source materials [25], the instantaneous capacity of an external gear pump can be represented as:
where: b—width of the wheels; ω1 = (dφ1)/d—angular velocity of the gear; rw1—the radius of the vertex circle of the active wheel; rw2—radius of the vertex circle of the passive wheel; rt1—rolling circle radius of the active wheel; rt2—rolling circle radius of the passive wheel; u = rz∙φz—instantaneous distance of the contact point of the teeth moving along the engagement line from the mesh pole; rz—radius of the base wheel; φz—rotation angle of the gears.
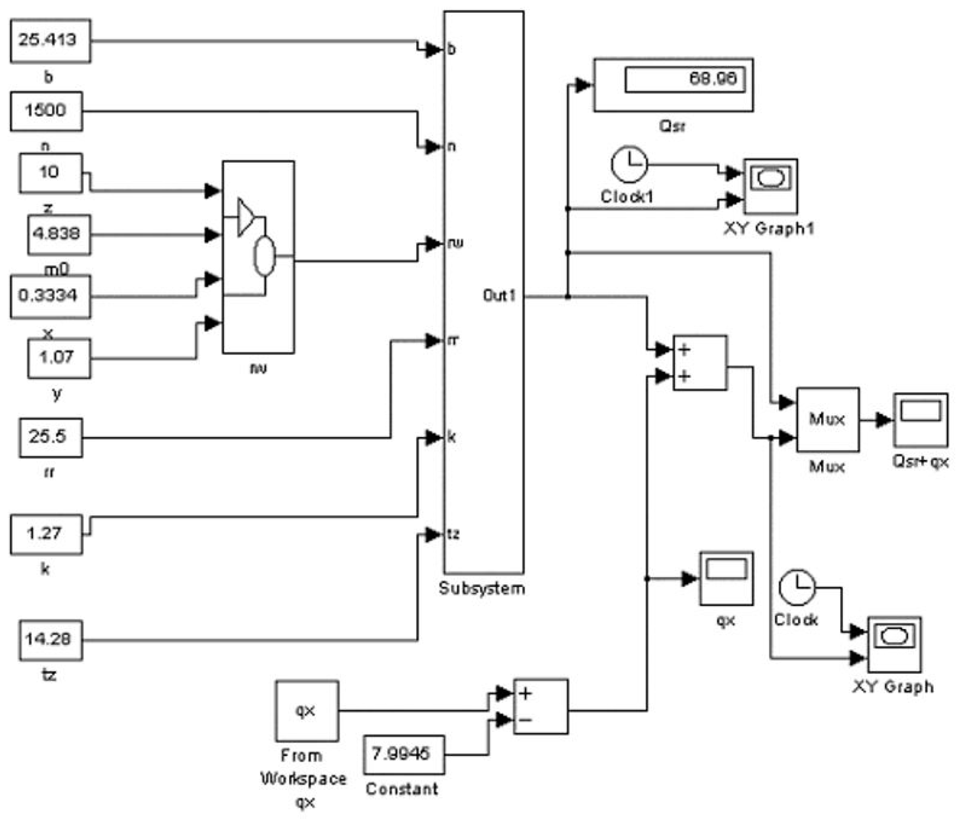
The theoretical model reflecting Equation (1) was implemented in Matlab R2022b using the Simulink package. The technical documentation for the external gear pump was used for the computer simulation of the instantaneous capacity of the pump. A diagram of the specially developed interface that allows the user to enter the necessary design and operating data and the MATLAB Simulink blocks representing Equation (1) are shown in Table 1 and Figure 4, respectively.
Table 1.
The gear pump construction and operation data entry interface for simulation.
Figure 4.
Block model of the performance pulsation of the external gear pump, presented using the Simulink package.
The time course of the instantaneous performance of the external gear pump was then obtained (Figure 5). The waveform shown in Figure 5 was obtained after the parameterization of Equation (1).
Figure 5.
Theoretical course of instantaneous output as a function of time for pump (rotational speed 1500 rpm).
For discrete analysis of the amplitude–frequency spectrum, the Origin 7.5pro program was used. The amplitude–frequency spectrum of the pump’s performance pulsation is shown in Figure 6. The dominant frequency is calculated according to:
Figure 6.
Amplitude–frequency spectrum of the instantaneous output of considered external gear pump.
In this case f1 = 250 Hz, since the number of teeth in the considered external gear pump is z = 10, and the pump shaft speed is n = 1500 rpm. With K being the number of the next harmonic component of the spectrum.
In the spectrum in Figure 6, the first component is dominant. Higher harmonics have a smaller amplitude. The pulsation of the working fluid flow and the impedance of the hydraulic system result in pressure pulsations in the hydraulic system. The analytical determination of the components of the pressure pulsation spectrum caused by capacity pulsation has four steps:
Step 1. Decomposition of the function Q = Q(t) into harmonic components of a Fourier series;
Step 2. Determination of the complex hydraulic impedance of the system for successive harmonics;
Step 3. Determination of the amplitudes of the individual pressure harmonics as products of the performance amplitudes and hydraulic impedances;
Step 4. Representation of the pressure pulsations as the sum of the expressions of the Fourier series.
On the basis of the previous analyses of the displacement pump performance pulsations, the distribution of the performance pulsations into a Fourier series can be given in general form written by the equation:
or
where:
The relationship between harmonic variations in capacity and pressure is determined by the hydraulic impedance ZK defined according to the relationship:
where: i —the instantaneous value of pressure and flow rate respectively; K—the subsequent harmonic.
The hydraulic impedance ZK is a complex quantity that depends on the structure of the hydraulic system. Assuming a harmonic forcing at the beginning of the pipe in the form of a sinusoidal change in capacity, the relationship between the complex amplitudes of the harmonic changes in capacity and pressure at the beginning and end of the pipe can be written [26]:
where: —the harmonic component of the complex performance at the beginning of the system (at the pump discharge port); —harmonic component of the complex pressure at the beginning of the system; pk—pressure at the end of the pipe; Qk—flow rate at the end of the pipe; l—pipe length; A—cross-sectional area of the pipe; v0—speed of propagation of the pressure wave; Bz—equivalent bulk modulus of elasticity; ρ—the density of the working liquid; K—successive harmonic component.
Transforming Equation (12) yields a hydraulic impedance of the form:
By transforming the above equation, a relationship containing the load impedance can be obtained:
In the above equation, R is the load impedance, which, when linearised, is defined by the expression [27]:
where: Δpstr—pressure drop across the load (throttling) valve; Qz—the flow rate through the load (throttling) valve.
The hydraulic impedance defined by relation of Equation (14) is a complex quantity whose modulus and argument can be defined by the relations:
The complex amplitudes of the individual harmonic pressure pulsation waveforms can be determined from the relationships presented:
where: —modulus of the K-th harmonic component of the performance pulsation; —modulus of the K-th harmonic component of hydraulic impedance.
Once the parameters of the hydraulic system have been taken as given in Table 2, the amplitude of the pressure pulsation resulting from the pulsation of the displacement pump performance can be determined.
Table 2.
Numerical values of the coefficients of the model Equation (13).
Given the numerical values (Table 2) in Equation (13), the value of the first component of the pressure pulsation spectrum will be |pK| ≈ 0.024 MPa (Figure 7).
Figure 7.
Amplitude–frequency spectrum of the pressure pulsation caused by the pulsation of the pump performance.
The frequencies of the pressure pulsation created in this way are higher than the frequencies of the pressure pulsation created by the excitation of the control elements of the hydraulic valves. Typically, the first harmonic component of the pressure pulsation spectrum originating from the performance pulsation is in the range 175–350 Hz. The subsequent, higher components of the spectrum of such pulsation are multiples of the fundamental component.
3. The Base of Calculation of Pressure Pulsion Damper in the Low and High Frequency Range
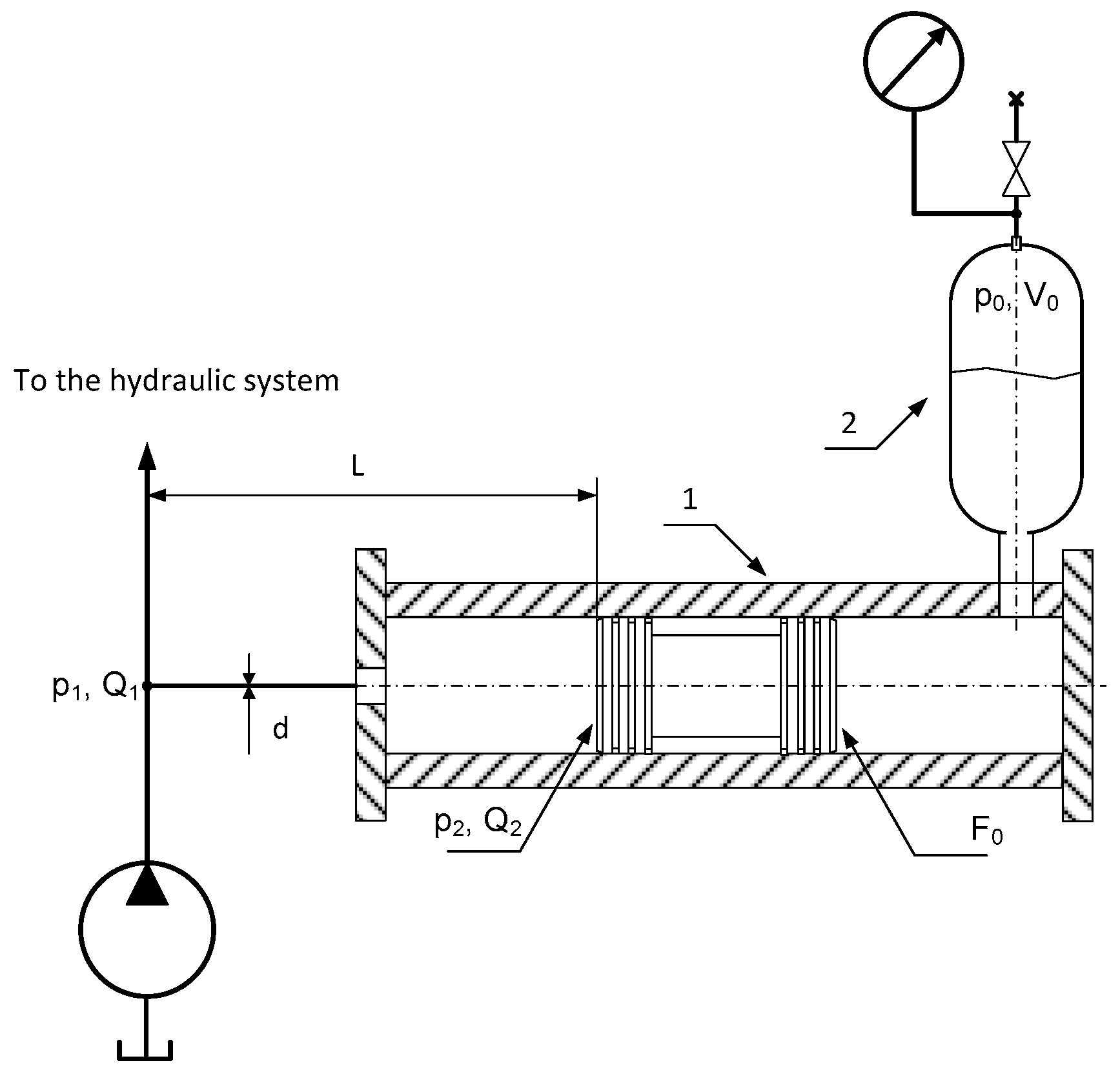
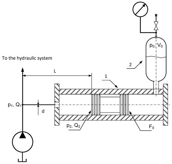
In order to reduce pressure fluctuations, it is proposed to use a pressure pulsation damper that is effective, as assumed, both in the low-frequency range (below 100 Hz) as well as in the range resulting from the pulsation of displacement pump performance, that is, several hundred Hz and more. The solution concept for this type of damper is shown in Figure 8.
Figure 8.
Concept of the design solution for an effective pressure pulsation damper in the low and high frequency range: 1—active damper; 2—hydropneumatics accumulator.
The idea of the proposed solution is to combine a branch-type passive damper [28] and an active damper [29]. The branch-type damper is a conduit of sufficient length, inserted perpendicular to the main conduit and capped at the end [30].
In the proposed solution, the branch damper is a connection of a certain length L, plugged with the piston of the active damper. The calculation of the branch damper is reduced to the determination of its length L, providing the maximum damping as a function of the forcing frequency and the parameters of the fluid and the pipe. The mathematical model of the branch damper uses the relationships for the hydraulic transmission line.
The matrix transition function in operator form, which relates the pressure p and flow rate Q at the two ends of the hydraulic transmission line (the beginning and end of the damper), has the form [16,28,31,32]:
where: p1, p2, Q1, Q2—pressures and flow rates at the entrance and end of the silencer, respectively; L—length of the damper; Since the damper pipe is blinded at the end—so Q2 = 0; Γ—propagation operator and Zc—wave impedance:
The listed quantities form longitudinal parameters:
- -
- Resistance R0 (active resistance), which takes into account the effect of fluid viscosity;
- -
- Inertance M0 (passive resistance), which takes into account the effect of fluid inertia, and the transverse parameter;
- -
- Capacitance C0, which characterizes the influence of the compressibility of the fluid and the elasticity of the pipe material;
- -
- Determining the input impedance ZD = p1/Q1 of the branch damper in the operator form after a series of transformations was obtained:
Due to the relatively complex form of Equation (27), the minimum of the initial impedance of the damper was not sought in analytical form, and the course of this function, with harmonic forcing (s = iω) as a function of length L at a fixed value of forcing frequency ω is presented graphically. The results are shown in Figure 9 a flexible pipe was adopted, and the propagation speed of the pressure wave was determined experimentally [29]. The pump shaft speed is n = 1000 rpm. Figure 9 shows graphically the course of the ZD function described by Equation (20).
Figure 9.
Impedance of a flexible hydraulic line as a function of its length for different oil viscosities, flow with losses according to Equation (11): 1: μ = 1000 × 10−3 Ns/m2; 2: μ = 500 × 10−3 Ns/m2; 3: μ = 200 × 10−3 Ns/m2; 4: μ = 30 × 10−3 Ns/m2 (propagation speed of the pressure wave c = 800 m/s).
The choice of parameters for the active damper boils down to ensuring that the resonant frequency of the piston-hydropneumatics spring system is equal to the frequency of the pressure pulsation fw that is to be suppressed. Using pneumomechanical analogies, the stiffness of a hydropneumatics spring can be expressed:
The relationship describing the CA capacitance of a hydropneumatics accumulator follows from the definition of the isentropic coefficient (for constant entropy S = const.):
where: Vg—volume of gas in the accumulator.
The stiffness of the hydropneumatics spring should depend on the design parameters of the damper F0, p0, V0. On the other hand, changes in pressure and gas volume in a hydropneumatics accumulator are bound by the polytropic equation:
where: p0 and V0 are the initial gas pressure and the initial gas volume respectively, p1 and V1 are the final gas pressure and the final gas volume respectively, and n is the polytropic exponent.
Changes in the ΔV volume of the gas are related to the x displacement of the piston:
It is therefore possible to write:
Based on Equations (30) and (32), the final pressure p1 can be determined as a function of the initial pressure p0, the initial volume V0 and the piston displacement x:
When both sides of Equation (33) are multiplied by the active area of the piston F0, the dependence of the hydropneumatics spring force Psh as a function of displacement x is obtained:
After linearizing Equation (34), using the MacLaurin series expansion and taking into account the first two expressions, the result was obtained:
Using the defining relationship for the stiffness of the system according to Equation (36), an expression describing the stiffness of the hydropneumatics spring can be obtained Equation (37).
where, ∂Psh is the increment of hydropneumatics spring force, ∂x increment of piston displacement
After taking into account the determined stiffness Ks and assuming a system pressure value corresponding to the accumulator gas pressure pk, the resonant frequency of the active damper is described by the relation [31]:
where: n—the polytropic exponent; F0—the active surface area of the piston; pk—the value of the pressure in the system; p0—the value of the initial pressure of the gas in the accumulator; V0—the initial volume of the gas in the accumulator; mzr—the reduced mass of the oscillating system.
The effectiveness of the attenuator at high pulsation frequencies comes down to the selection of the appropriate length of the branch line, while the effectiveness of the attenuator at low pulsation frequencies comes down to the selection of the reduced mass and the dimensions of the piston (diameter). Equation (38) can also be used to evaluate the effect of gas charge pressure or volume on the natural frequency of the active muffler. An increase in p0 and v0 results in a decrease in ω.
4. Experimental Verification
Experimental verification of the effectiveness of the proposed solution of the pressure pulsation damper was carried out on a real object, which was the lifting mechanism of the boom of the loader. For this purpose, the system was placed in a diffusion acoustic chamber, and pressure pulsation and acoustic tests were carried out twice—the first time without the damper and then under the same conditions but after installation of the pressure pulsation damper. The length of the branch damper was assumed to be 0.118 m, and the parameters of the active damper were chosen so that its resonant frequency was 15 Hz.
The test rig consists of three integrally related parts: the acoustic chamber, the drive system and the hydraulic feed system (to eliminate the occurrence of cavitation in the pump suction port). The test conditions were as follows: working fluid HL68 hydraulic oil; working fluid temperature T = 323 ± 2 K; delivery pressure pt = 0…16.0 MPa; suction pressure ps = 0.01 MPa; rotational speed n = 1000 rpm.
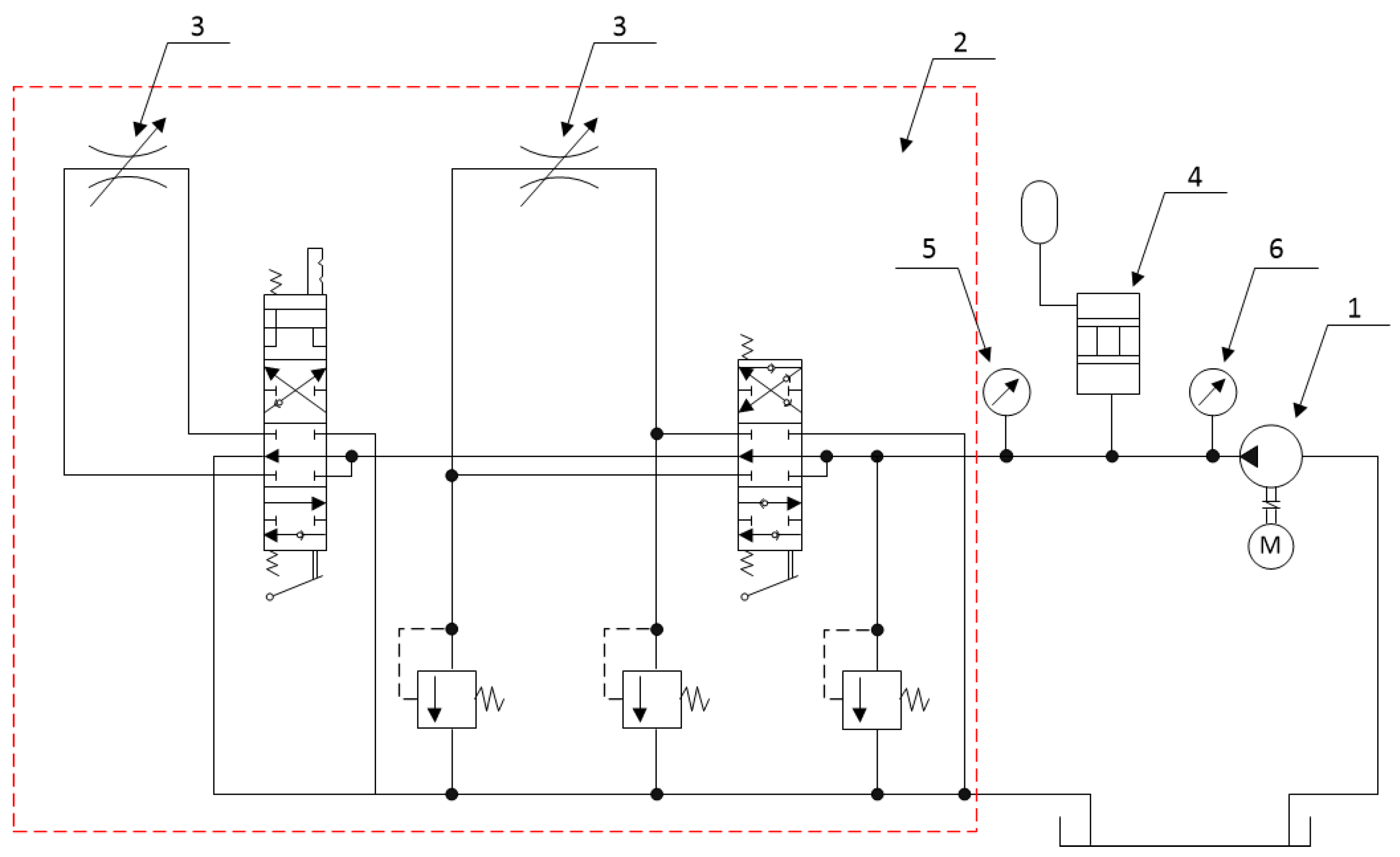
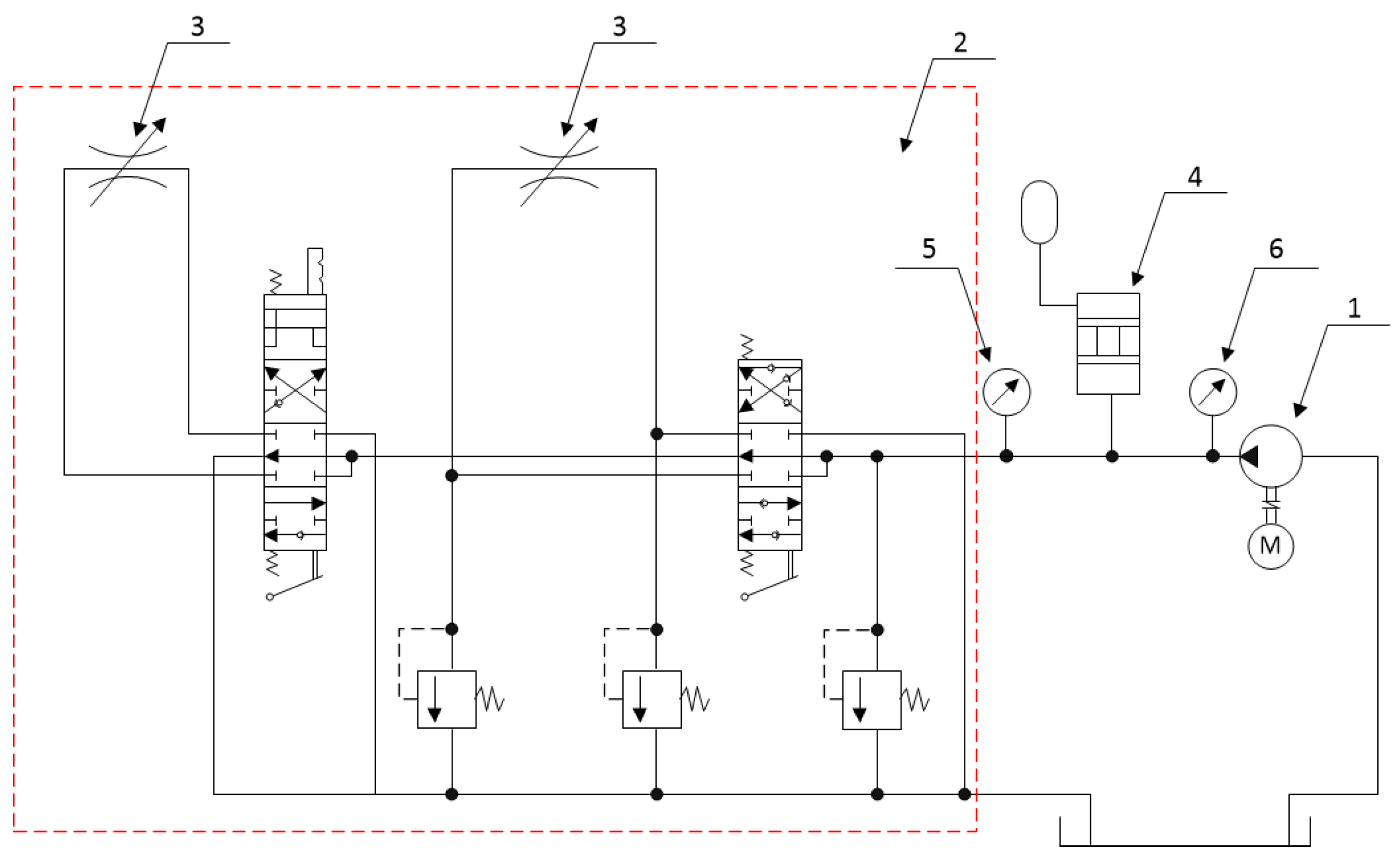
Acoustic tests were carried out with gear pump type P2C2110C5B26A (Waryński Origin, Żelichów, Poland—such a pump is used in the factory version). A schematic diagram of the hydraulic system for lifting the loader boom, which was placed in an acoustic chamber (the drive motor as well as the power supply system are outside the chamber, whose isolation is defined as 50 dB in the frequency range 20–20,000 Hz) is shown in Figure 10.
Figure 10.
Diagram of the hydraulic system for lifting the loader boom with throttle valves and damper: 1—pump; 2—directional control valve R1011VF1V; 3—throttle valve; 4—broad-band damper; 5 and 6—pressure sensors.
The acoustic tests were preceded by an examination of the pressure pulsation spectrum shown in Figure 11 of the considered external gear pump fitted to the system. The tests were carried out for cases both with and without a broadband damper.
Figure 11.
Pressure pulsation amplitude spectrum of the loader boom hydraulic lifting system without damper and after fitting a broadband pressure pulsation damper (discharge pressure pt = 14 MPa; p1—amplitude of pressure pulsations in the system; p0—amplitude of reference pressure).
Figure 12 shows a schematic of the noise measurement and the analysis system. The study includes only sample acoustic results of Figure 13 and Figure 14.
Figure 12.
Block diagram of the system for noise measurement and analysis (THS—tested hydraulic system; MP—resistive measurement microphone type 4165 from Brüel-Kjaer (Virum, Denmark); MX—multiplexer 8-channel type 2811 from Brüel-Kjaer; AMP—universal measurement amplifier type 2607 from Brüel-Kjaer; FA—two-channel frequency analyzer type 2144 from Brüel-Kjaer); PC—personal computer; PR—printer.
Figure 13.
The course of the noise characteristics LA = f(pt) of the hydraulic lifting system of the loader boom (pump speed n = 1000 rpm).
Figure 14.
Comparison of the tertial noise spectrum of the hydraulic system for lifting the loader boom (pump speed n = 1000 rpm).
Results show that the effectiveness of the proposed damper in the process of noise reduction depends on the value of the average pressure in the system. The greatest noise reduction of the tested hydraulic system was recorded for lower values of the average pressure, which is about 3 MPa (see Table 3). The effectiveness of the reduction of the corrected sound pressure level LA is understood as the ratio of the amplitude LAd for the system with the damper related to the amplitude LAw for the system without the damper for a given value of the average pressure in the hydraulic system.
Table 3.
Effectiveness of reduction of the corrected sound pressure level LA [dB] depending on the value of the average pressure in the system.
Subsequently, the effectiveness of the reduction in the corrected sound pressure level decreases, but still remains at about 1.5 dB for an average hydraulic pressure value of 16 MPa. It can be seen that as the average system pressure increases (pump load increases), the effectiveness of the silencer’s noise reduction decreases. This is related to the fact that as the load on the pump increases, the noisiness of the working of the pump increases.
5. Conclusions
This study presents the concept of a pressure pulsation damper that is effective in the low- and high-frequency ranges of pressure pulsations. This damper is a combination of a branch-type passive damper and an active damper. The principle of operation of the passive damper (effective for higher forcing frequencies) is the interference of the current pressure wave with the reflected wave, while the active damper (which reduces the amplitudes of pressure fluctuations in the lower frequency range) is for the absorption of the energy of the pressure wave. This damper constitutes an acoustic filter of hydrostatic systems. This was confirmed in experimental studies by obtaining a reduction in the corrected sound pressure level in the actual system of lifting the boom of a wheel loader from 2–3 dB(A).
It was indicated that the effectiveness of the presented damper depends on the value of the average pressure, with higher effectiveness observed for lower values of the average pressure in the hydraulic system. At the same time, a reduction in operating noise was achieved over the entire range of the tested average pressures in the hydraulic system. This effect was achieved by reducing the amplitudes of pressure pulsations over a wide range of forcing frequencies from the displacement pump and external influences. This is also manifested in the noise spectrum. Reduction in the value of pressure pulsation amplitudes results in a reduction in the adverse effects of the hydraulic system on the environment.
Author Contributions
Conceptualization, M.S. and M.K.; methodology, M.S. and I.Y.; software, M.S., O.P. and I.Y.; validation, M.S. and O.P.; formal analysis, M.S. and M.K.; investigation, M.S. and M.K.; resources, M.S. and O.P.; data curation, I.Y. and O.P.; writing—original draft preparation, M.S., M.K., I.Y. and O.P.; writing—review and editing, M.S. and M.K.; visualization, O.P. and I.Y.; supervision, M.S.; project administration, M.S.; funding acquisition, M.S., I.Y., O.P. and M.K. All authors have read and agreed to the published version of the manuscript.
Funding
This research received no external funding.
Data Availability Statement
All data included in this research are available upon request from the corresponding author.
Acknowledgments
The paper is the result of a scientific internship carried out at the Transport and Telecommunication Institute (Riga, Latvia).
Conflicts of Interest
The authors declare no conflict of interest.
Nomenclature
| b | width of the wheels |
| ω1 = (dφ1)/dt | angular velocity of the gear |
| rw1 | the radius of the vertex circle of the active wheel |
| rw2 | radius of the vertex circle of the passive wheel |
| rt1 | rolling circle radius of the active wheel |
| rt2 | rolling circle radius of the passive wheel |
| u = rz∙φz | instantaneous distance of the contact point of the teeth moving along the engagement line from the mesh pole |
| rz | radius of the base wheel |
| φz | rotation angle of the gears |
| n | pump shaft speed |
| z | number of teeth |
| m0 | module |
| x | tooth aspect ratio |
| y | tooth height ratio |
| rr | radius of the circle |
| tz | length of the buttress section |
| instantaneous value of pressure | |
| instantaneous value of flow rate | |
| K | subsequent harmonic |
| harmonic component of the complex performance at the beginning of the system (at the pump discharge port) | |
| harmonic component of the complex pressure at the beginning of the system | |
| pk | pressure at the end of the pipe |
| Qk | flow rate at the end of the pipe |
| l | pipe length |
| A | cross-sectional area of the pipe |
| v0 | speed of propagation of the pressure wave |
| Bz | equivalent bulk modulus of elasticity |
| ρ | the density of the working liquid |
| Δpstr | pressure drop across the load (throttling) valve |
| Qz | flow rate through the load (throttling) valve |
| modulus of the K-th harmonic component of the performance pulsation | |
| modulus of the K-th harmonic component of hydraulic impedance | |
| p1 | pressure at the entrance of the damper |
| p2 | pressure at the end of the damper |
| Q1 | flow rate at the entrance of the damper |
| Q2 | flow rate at the end of the damper |
| L | length of the damper |
| Γ | propagation operator |
| Zc | wave impedance |
| s | Laplace transform operator |
| r | inner radius of the pipe |
| Bz | equivalent value of the volume modulus of elasticity of the fluid and the pipe |
| μ | dynamic viscosity coefficient |
| Vg | volume of gas in the accumulator |
| p1 | final gas pressure |
| V1 | final gas volume |
| n | polytropic exponent |
| ∂Psh | increment of hydropneumatics spring force |
| ∂x | increment of piston displacement |
| F0 | active surface area of the piston |
| pk | value of the pressure in the system |
| p0 | value of the initial pressure of the gas in the accumulator |
| V0 | initial volume of the gas in the accumulator |
| mzr | reduced mass of the oscillating system |
| a0, aK, bK | coefficients of the Fourier series |
References
- Directive 2006/42/EC of the European Parliament and of the Council of 17 May 2006 on Machinery, and Amending Directive 95/16/EC. 2006. 63p. Available online: https://eur-lex.europa.eu/legal-content/EN/TXT/PDF/?uri=CELEX:32006L0042 (accessed on 28 October 2024).
- Directive 2000/14/EC of the European Parliament and of the Council of 8 May 2000 on the Approximation of the Laws of the Member States Relating to the Noise Emission in the Environment by Equipment for Use Outdoors. 2000. 78p. Available online: https://eur-lex.europa.eu/legal-content/EN/TXT/PDF/?uri=CELEX:32000L0014 (accessed on 28 October 2024).
- Kumari, N.; Ganesh, U.; Bharat, P.; Swapnil, C.; Vijaya, R. A tractor hydraulic assisted embedded microprocessor-based penetrometer for soil compaction measurement. J. Terramech. 2023, 110, 1–12. [Google Scholar] [CrossRef]
- Fang, L.; Zhang, J.; Zong, H.; Wang, X.; Zhang, K.; Shen, J.; Lu, Z. Open-source lower controller for twelve degrees of freedom hydraulic quadruped robot with distributed control scheme. HardwareX 2023, 13, e00393. [Google Scholar] [CrossRef]
- Wang, F.; Wu, J.; Lin, Z.; Zhang, H.; Xu, B. A power-sharing electro-hydraulic actuator system to downsize electric motors for electric mobile machines. Energy 2023, 284, 129343. [Google Scholar] [CrossRef]
- Parvaresh, A.; Mardani, M. Model predictive control of a hydraulic actuator in torque applying system of a mechanically closed-loop test rig for the helicopter gearbox. Aviation 2018, 23, 143–153. [Google Scholar] [CrossRef]
- Du, Z.; Chen, X.; Zhang, Q.; Yang, Y. An extended state observer-based sliding mode control method for hydraulic servo system of marine stabilized platforms. Ocean Eng. 2023, 279, 114386. [Google Scholar] [CrossRef]
- Zhao, G.; Sun, L.; Niu, N.; Wang, X.; Xing, Z. Analysis of Vibration Characteristics of Stators of Electrical Machines under Actual Boundary. Mech. Syst. Signal Process. 2023, 185, 109778. [Google Scholar] [CrossRef]
- Pavan Kumar, B.K.; Basavaraj, Y.; Keerthi Kumar, N.; Sandeep, M.J. Vibration Based Condition Monitoring of Rotating Part Using Spectrum Analysis: A Case Study on Milling Machine. Mater. Today Proc. 2022, 49, 744–747. [Google Scholar] [CrossRef]
- Shi, Y.; Shen, J.; Guo, W.; Li, C.; Zheng, Y.; Zhao, Z.; Zhou, J.; Zhang, Y. The nonlinear dynamic characteristics analysis and vibration reduction control of the shafting system of a hydropower unit. Int. J. Non-Linear Mech. 2022, 146, 104166. [Google Scholar] [CrossRef]
- Manring, N.; Fales, R. Hydraulic Control Systems, 2nd ed.; John Wiley & Sons Inc.: Hoboken, NJ, USA, 2019; 389p, ISBN 9781119416470. [Google Scholar]
- Wang, Y.; Yin, Y. Performance reliability of jet pipe servo valve under random vibration environment. Mechatronics 2019, 64, 102286. [Google Scholar] [CrossRef]
- Stosiak, M.; Karpenko, M.; Skačkauskas, P.; Deptuła, A. Identification of pressure pulsation spectrum in a hydraulic system with a vibrating proportional valve. J. Vib. Control 2024, 30, 4917–4930. [Google Scholar] [CrossRef]
- Kadar, F.; Hos, C.; Stepan, G. Delayed oscillator model of pressure relief valves with outlet piping. J. Sound Vib. 2022, 534, 117016. [Google Scholar] [CrossRef]
- Awad, H.; Parrondo, J. Hydrodynamic self-excited vibrations in leaking spherical valves with annular seal. Alex. Eng. J. 2020, 59, 1515–1524. [Google Scholar] [CrossRef]
- Młynarczyk, P.; Cyklis, P.; Ryncarz, T. Innovative hybrid device for the simultaneous damping of pressure pulsations and vibrations in positive displacement compressor manifolds. Int. J. Refrig. 2021, 132, 109–118. [Google Scholar] [CrossRef]
- Młynarczyk, P.; Cyklis, P. The application of nozzles for the attenuation of volumetric compressor pressure pulsation. Int. J. Refrig. 2018, 90, 108–118. [Google Scholar] [CrossRef]
- Xu, E.; Jiang, X.; Duan, Z.; Xie, L.; Wang, S. Effect of rectangular damping groove on flow fluctuation and pressure pulsation for rotary energy recovery device through CFD simulation. Desalin. Water Treat. 2018, 115, 97–105. [Google Scholar] [CrossRef]
- Xue, F.; Yuan, S.; Shen, Y.; Su, R.; Fu, X.; Xu, N. Research on adaptive damper based on cone-slide valve combination regulation principle. Flow Meas. Instrum. 2024, 100, 102722. [Google Scholar] [CrossRef]
- Yan, W.; Shen, T.; Tan, C.; Fu, J.; Guo, S. Research status, critical technologies, and development trends of hydraulic pressure pulsation attenuator. Chin. J. Mech. Eng. 2021, 34, 14. [Google Scholar] [CrossRef]
- Gorman, D.; Reese, J.; Zhang, Y. Vibration of a flexible pipe conveying viscous pulsating fluid flow. J. Sound Vib. 2000, 230, 379–392. [Google Scholar] [CrossRef]
- Shi, F.; Zhao, G.; Tang, Y.; Zhan, H.; Wang, P. Numerical study of the effect of splitter blades on the flow-induced noise of hydraulic turbine. Sound Vib. 2024, 58, 101–117. [Google Scholar] [CrossRef]
- Bach, D.; Masselter, T.; Speck, T. Damping of pressure pulsations in mobile hydraulic applications by the use of closed cell cellular rubbers integrated into a vane pump. J. Bionic Eng. 2017, 14, 791–803. [Google Scholar] [CrossRef]
- Stosiak, M.; Karpenko, M. Dynamics of machines and hydraulic systems: Mechanical vibrations and pressure pulsations. In Synthesis Lectures on Mechanical Engineering; Springer Nature: Berlin/Heidelberg, Germany, 2024; 179p. [Google Scholar] [CrossRef]
- Vacca, A.; Franzoni, G. Hydraulic Fluid Power: Fundamentals, Applications, and Circuit Design; Wiley: Hoboken, NJ, USA, 2021; 704p, ISBN 9781119569114. [Google Scholar]
- Hu, J.; Yang, J.; Zeng, W.; Zhao, Z.; Yang, J. Hydraulic interaction of two parallel pump-turbines in constant-speed oscillation: Measurement, simulation, and sensitivity analysis. Renew. Energy 2021, 176, 269–279. [Google Scholar] [CrossRef]
- Yan, J.; Zhang, H.; Wang, Y.; Zhu, Z.; Bai, H.; Li, Q.; Zheng, L.; Gao, X.; You, S. Difference analysis and recognition of hydraulic os-cillation by two types of sudden faults on long-distance district heating pipeline. Energy 2023, 284, 128696. [Google Scholar] [CrossRef]
- Kudźma, S.; Kudźma, Z. Refined model of passive branch damper of pressure fluctuations. J. Theor. Appl. Mech. 2015, 53, 557–567. [Google Scholar] [CrossRef]
- Kudźma, Z.; Kollek, W.; Rutański, J. Czynny Tłumik Pulsacji Ciśnienia. Poland Patent PL165398, 12 February 1991. 4p. (In Polish). [Google Scholar]
- Kudźma, Z.; Stosiak, M. Szerokopasmowy Tłumik Pulsacji Ciśnienia. Poland Patent PL226524, 31 August 2017. 6p. (In Polish). [Google Scholar]
- Kudźma, Z. Pressure Fluctuation and Noise Damping in Hydraulic Systems in Transient and Steady States; Oficyna Wydawnicza Politechniki Wrocławskiej: Wrocław, Poland, 2012; 261p, ISBN 978-83-7493-681-1. (In Polish) [Google Scholar]
- Stosiak, M.; Karpenko, M.; Prentkovskis, O.; Deptuła, A.; Skačkauskas, P. Research of vibrations effect on hydraulic valves in military vehicles. Def. Technol. 2023, 30, 111–125. [Google Scholar] [CrossRef]
Disclaimer/Publisher’s Note: The statements, opinions and data contained in all publications are solely those of the individual author(s) and contributor(s) and not of MDPI and/or the editor(s). MDPI and/or the editor(s) disclaim responsibility for any injury to people or property resulting from any ideas, methods, instructions or products referred to in the content. |
© 2025 by the authors. Licensee MDPI, Basel, Switzerland. This article is an open access article distributed under the terms and conditions of the Creative Commons Attribution (CC BY) license (https://creativecommons.org/licenses/by/4.0/).













