Next Article in Journal
Experimental Study on Vibration and Noise Reduction of Gear Transmission System Based on ISFD
Next Article in Special Issue
UNC Charlotte Autonomous Shuttle Pilot Study: An Assessment of Operational Performance, Reliability, and Challenges
Previous Article in Journal
Exhaustive Enumeration of Spatial Prime Structures
Previous Article in Special Issue
Optimization of Occupant Restraint System Using Machine Learning for THOR-M50 and Euro NCAP
 
 
Font Type:
Arial Georgia Verdana
Font Size:
Aa Aa Aa
Line Spacing:
Column Width:
Background:
Article

Semiactive Car-Seat System for Rear-End Collisions

by
Ali Gunes Kaya
1 and
Selcuk Himmetoglu
2,*
1
Institute of Science, Hacettepe University, Beytepe, Ankara 06800, Türkiye
2
Mechanical Engineering Department, Hacettepe University, Beytepe, Ankara 06800, Türkiye
*
Author to whom correspondence should be addressed.
Machines 2024, 12(8), 530; https://doi.org/10.3390/machines12080530
Submission received: 29 June 2024 / Revised: 31 July 2024 / Accepted: 2 August 2024 / Published: 3 August 2024
(This article belongs to the Special Issue Recent Analysis and Research in the Field of Vehicle Traffic Safety)

Abstract

This study proposes and simulates a smart system that can be used in production car seats to decrease whiplash risk in rear-end crashes. A sliding seat incorporating a semiactively controlled magnetorheological (MR) damper model positioned under the seat-pan is simulated with a validated biofidelic human body model. Since this is the first study that demonstrates a computer controlled anti-whiplash car seat system to the best of the authors’ knowledge, a benchmark analysis is carried out to compare the proposed semiactive seat with a state-of-the-art passive anti-whiplash car seat using 23 different crash pulses, including the moderate and high severity crash pulses within the European New Car Assessment Program (EuroNCAP) whiplash risk assessment framework. The proposed semiactive design outperforms the passive seat design by further reducing the values of the critical EuroNCAP whiplash criteria, such as NIC and N k m , together with the loads acting on the upper neck. The semiactive seat lowers the upper-neck shear force by an amount of 4 kg and 7 kg while lessening the NIC by 10% and 21% and N k m by 9% and 56% for the EuroNCAP crash pulses, having a delta-V of 16 km/h and 24 km/h, respectively. The findings presented in this paper can aid in the design of car seats to further mitigate whiplash risk in rear-end crashes.

1. Introduction

During a typical rear-end car crash, a huge amount of force is applied on the human body by the sudden acceleration of the struck car. Crash pulse is the acceleration-time history that is experienced by the car during the impact; delta-V (∆V) is the area under the acceleration-time history that corresponds to the change in car velocity as a result of the impact. Both the delta-V and the amount of acceleration of the crash pulse are typically specified to indicate crash pulse severity.
Whiplash is a frequent disorder in rear impacts and is characterized by head and neck pain as a result of strain and stress in the corresponding soft tissues. During a rear-end collision, the motion of the torso is resisted by the seatback and seatbelt (lap belt in particular), but the head continues to move backward relative to car interior until it hits the head restraint. This sudden displacement within the neck may cause discomfort and pain in the head and neck system, called whiplash. Although properly designed and positioned head restraint can reduce the risk of whiplash, it has been shown that solely relying on head restraint may not be sufficient to prevent the risk. The head restraint should operate together with other seat components (i.e., seatback and seatpan) to limit the motion in the neck and absorb the impact energy more effectively [1,2].
Whiplash mitigating seats began to emerge in the market towards the end of the 1990’s. The foremost anti-whiplash seats are Saab’s Self-Aligning Head Restraint (SAHR) and Volvo’s Whiplash Protection System (WHIPS) [3]. Many other anti-whiplash seats have utilized the injury protection techniques applied in SAHR and WHIPS. To the best of the authors’ knowledge, neither semiactive nor active anti-whiplash seat designs have been proposed so far. In the last decade, a passive anti-whiplash car-seat design was proposed [1,4] that claims to provide balanced protection against whiplash for an average male occupant at different crash severities by distributing crash energy between energy absorbers installed at the recliner, seat-pan, and seatback. The forward-facing seat in [4] is considered to be one of the most optimal passive anti-whiplash car seats published in the literature for low, medium, and high severity rear impacts as defined by the EuroNCAP; thus, it is selected as the benchmark seat in this paper.
Passive designs are conventionally preferred in the automotive industry for their cost-effectiveness, ease of manufacture, and high reliability; however, since passive systems have fixed stiffness and damping characteristics, they need to be designed for a median occupant weight and a most probable crash scenario. Passive energy absorbers in car seats can work sufficiently well at their design points as safety elements but measure of performance shrinks as the operation point shifts during a crash. Given a heavier occupant and/or a crash pulse with larger total impulse, a passive energy absorber designed for a moderate weight and moderate crash pulse would be too soft and the system could come to a hard stop easily. Given a lighter occupant and/or a crash pulse with lower total impulse, the passive energy-absorber would be very stiff, leading to undesired amounts of accelerations to be experienced by the torso.
An adaptation scheme is clearly required to effectively reduce the risk of soft tissue injury with a proper management of crash energy. Adaptation capability helps the system to cope with the variation in the weight of the occupant and the level of crash severity. A possible solution to bring the adaptation capability into the system is using active or semiactive elements, where the level and duration of the reaction force of the energy absorber can be adjusted.
An energy absorber with fast dynamics is needed to mitigate crash energy during an accident. Active energy absorbers with low time constants require actuation with a high force range, which will necessitate massive actuators and enormous power. Therefore, they are not a viable option in crash safety systems [5]. The introduction of external energy into the system via active elements gives rise to a further concern about the stability of the system. Any unstable response of the active energy absorber, which may be caused by unmodelled dynamics or an out-of-bounds disturbance, has the potential to inflict greater harm on the occupant than the crash pulse would. System availability and reliability of these active elements are also inferior to those of their passive counterparts.
Semiactive energy absorbers, on the other hand, seem to be a promising solution considering their reliability, availability, and simplicity. Since they work reactively to dissipate the excess energy in the system, power consumption of semiactive elements is significantly lower, whereas they can still supply a high range of force [6]. One particularly attractive semiactive energy absorber is the magnetorheological (MR) damper. MR dampers contain magnetic fluid inside a chamber around which a coil is installed. The rheological properties of the magnetic fluid can be altered via the magnetic field generated by the current through the coil as a result of the applied voltage on the damper. The volume of magnetic particles in the fluid is around 10%, but since the total surface area of the particles is large, MR dampers can lead to an extensive amount of force [7]. The damping properties of MR dampers can be adjusted by tuning the voltage (hence the current through the coil) so that the desired reaction force can be obtained in real time [8]. The power needed to adjust the damping constant is very low, and, since the semiactive element works in a reactive manner, the system is inherently stable [6,9,10]. This stability characteristic of MR dampers is particularly vital for safety system designs since it prevents any unstable response. It is also noteworthy that MR dampers can continue to operate on battery in the event of a potential power outage [11]. In addition, as the magnetic fluid in the MR damper exhibits Newtonian fluid behaviour in the absence of an applied magnetic field, the MR damper functions as a conventional passive absorber element even when the battery is inoperable [12]. Thus, the level of system reliability and availability of MR dampers are comparable to those of passive absorbers. As the most important technology enabler, the time constant of MR fluid is less than 10 milliseconds and this qualifies MR dampers to be used in systems with fast response time requirements [10,13,14,15].
MR dampers have been utilized in various industrial systems, mainly for vibration and oscillation suppression, as well as for shock absorption purposes. They have been used in primary and secondary suspensions, clutches, engine mounts, and brakes for vibration reduction in automotive industry [12,16]. They have been benefitted in civil engineering to dampen the oscillations induced by earthquakes and storms in bridges and skyscrapers [17]. It was shown that MR dampers can also be used in shock absorption applications such as helicopter seats and jet landing gears, where they help to absorb the energy of the impact, protecting the occupants and mechanical parts in the case of a crash or hard landing [18,19].
With a suitable control technique, MR dampers can be as reliable as passive systems and as adaptable as their active counterparts. Sliding mode control [5,20], Lyapunov based control [21], On-Off control, and Sky-Hook control [18,22,23] are some of the control strategies that have been shown to be applied on MR dampers to obtain desired damping characteristics in vibration and oscillation suppression systems.
It is stated in [22] that the MR damper system control techniques utilized for shock absorption do not provide satisfactory performance, and further study is required for improvement. Controllers used for shock mitigation such as On-Off control and Sky-Hook control in the literature [18,22] apply either maximum or optimum, yet fixed, damping constant irrespective of the crash pulse; this may cause inefficiency since the load on the system varies during and after the shock. In addition, some of the shock absorbing studies [18,22] use a simple Bingham approach for MR damper modelling, which may not perform well under fast dynamic requirements [13].
There are various mathematical models to describe MR damper behavior in the literature. One of the most well-known models is the Bingham model, which includes an element for Coulomb friction and a Newtonian viscous damper. Although quasi-static force versus displacement characteristics can be sufficiently captured, it is not possible to represent hysteresis behavior of force versus velocity using this model. Therefore, the Bingham model is not suitable for a real time controller design [13]. The Bouc-Wen model has been shown to have the ability to depict hysteresis behaviour [24]. An evolutionary variable is used in this model with a first order differential equation for hysteresis capability. Bouc-Wen model can show nonlinear force-velocity behaviour most of the time but when the signs of acceleration and velocity are opposite, the model starts to diverge from the experimental results [24]. Modified Bouc-Wen model demonstrates superior to experimental data due to the inclusion of an internal fictitious variable with an additional degree of freedom [13].
It is deemed that the main reason of the inferior performance of MR damper designs on shock absorbing applications, as stated in [22], is the fixed damping characteristics of the control output. For proper shock mitigation, a correspondingly varying reaction force should be supplied by the damper, which necessitates the utilization of continuous feedback control on MR damper force output. Another cause might be the selection of the Bingham model, which is reportedly not satisfactory for a control design [13]. These issues are also addressed in this paper by selecting a proper continuous feedback control technique and an MR damper model appropriate for the controller design.
This study proposes and simulates a smart system where a sliding seat incorporating an MR damper is utilized to mitigate the risk of whiplash during rear-end car crashes. To obtain the most realistic results possible with regard to the damper behaviour, a Modified Bouc-Wen approach is employed for the MR damper model considering its accurate hysteresis response characteristics along with the experimentally validated damper parameters available in the literature [14]. The whiplash mitigation capability of the proposed semiactive seat is assessed by utilizing the experimentally validated seat-occupant model given in [25]. EuroNCAP whiplash assessment criteria, such as maximum upper-neck shear force, N k m , and NIC, are evaluated to determine the whiplash mitigation capability of the proposed design in comparison to the benchmark anti-whiplash seat. Maximum displacements for the seat-pan and seat-back upper edge are also taken into consideration to ensure that the seat design fits into a constrained volume inside the car.
A total of three controllers are designed, which form the higher-level System Controllers (comprising two sub-controllers) and the lower-level Damper Controller in the proposed system architecture. Figure 1 depicts the block diagram of the proposed semiactive seat for whiplash mitigation.
In a typical rear-end collision, a huge amount of force is applied on the occupant. As the crash pulse is transmitted through the frame of the car, the seat is pushed forward while the occupant’s torso starts to sink into the seatback foam in a conventional forward-facing seat. Since the foam is relatively soft, the torso does not feel much resistance until the seatback foam and suspension bottom out. The torso is then pushed forward abruptly. Meanwhile, the body starts to ramp up on the seatback and the spine of the occupant starts to straighten. Simultaneously, the occupant’s head retracts relative to the upper torso considerably if the head restraint is not close to the head and the seat does not cushion the impact properly. Head retraction relative to the upper torso results in an unnatural configuration of the neck where the upper part of the cervical spine is in flexion and the lower part of the cervical spine is in extension. This unnatural configuration of the neck (cervical spine) is called s-shape-like deformation. In the subsequent phase of the crash, the head continues to rotate backward and hits the head restraint. Once the head compresses the head restraint maximally, the rebound phase begins during which the head and torso rebound from the seat and the head moves in the forward direction relative to the car frame. The proposed anti-whiplash seat system aims to reduce the risk of the possible trauma by minimizing the differential movement within the spine of the occupant.
The proposed system in this study measures the instantaneous kinematics of the seat-pan along with the amount of inclination of the seatback during a crash. The system sub-controller, which is called the Adaptive Kinematics Profile Controller (shown by the grey curved box in Figure 1), compares the measured kinematics data with respect to a predefined rule-set by checking the position of the seat-pan and seatback and the rate of change of the recliner angle. The recliner angle corresponds to the angle (or inclination) of the seatback. The controller then automatically calculates the optimal acceleration, velocity, and displacement profiles for the seat-pan by taking into account the human tolerance to injury. Subsequently, the other system sub-controller (shown by the green curved box in Figure 1) computes the desired damping force that the MR damper needs to apply on the seat-pan for the seat-pan to track the desired kinematics profile. The controller incorporates an adaptation scheme, which accounts for any alteration in the effective weight of the occupant and/or crash severity by utilizing the sensor data; this involves the force applied by the occupant’s torso on the seatback. Finally, the Damper Controller, illustrated by the blue curved box in Figure 1, regulates the voltage across the damper in a manner that enables the commanded damping force from the System Controllers to be achieved by the MR damper.
The proposed system effectively manages the load on the occupant, ensuring that the kinematics of the seat-pan remain within the desired limits. Additionally, the seatback rotation is indirectly manipulated, thereby providing effective energy absorption of the torso and limiting the relative motion of the head and neck with respect to the upper torso. It can therefore be concluded that the risk of whiplash is adaptively reduced in the event of a rear-end collision.
It should be noted that the current study aims to reduce whiplash risk by not only absorbing the crash energy but also by managing the level of accumulated energy on the occupant neck. Hence, this requires effective adjustment of the load on the torso such that a proper posture of the occupant is maintained throughout the crash. This is accomplished automatically and adaptively by the control system architecture illustrated in Figure 1, which checks the recliner angle and crash loads on the occupant’s torso simultaneously in real time and regulates the force applied to the seat-pan. In the scope of this study, the 50th percentile male human body model is employed, and it is demonstrated that the proposed semiactive seat shows a more adaptive and robust behaviour with respect to variations in crash pulse severity and shape in comparison to a state-of-the-art passive anti-whiplash car-seat.
To the best of the authors’ knowledge, this is the first study in the literature that elaborately designs and extensively analyses a feedback-controlled seat other than a passive design in order to manage the shock of the crash load to reduce whiplash risk. For this purpose, an experimentally validated biodynamic human model and accurate damper model are used to ensure accurate seat-occupant interaction and true MR damper behaviour. The seat-occupant model was already validated using volunteer test data and confirmed to exhibit true behaviour of the interaction between the seat and the human body. Moreover, the MR damper model and model parameters are validated by experiments; therefore, the fidelity of the current analysis for the semiactive seat design presented in this paper is supposed to be sufficiently high. Injury biomechanics and human-body modelling is one of the branches of science that depends heavily on simulations to estimate injury risk. The reason is that humans cannot be used in higher severity crash tests and dummies are only passive devices with biofidelity problems; hence, dummies should not be relied on completely. Therefore, virtual testing is a necessity and a valuable tool in crash safety studies.
This study is part of an ongoing project aimed at creating efficient multi-body human and seat models to design control systems to provide adaptive protection for occupants, and this paper is an output from the Ph.D. thesis of the first author. The multi-body modelling approach is particularly suited for long simulations involving the pre-crash phase of accidents, which must be considered in the design of restraint systems for automated vehicles. The fast computation times provided by the multi-body modelling approach helps to optimize controller gains efficiently and quickly introduce new designs into the market. The controllers require efficient multi-body models for prompt real-time response of the system in crashes, which occur in milliseconds.

2. Human Body Model

The human body model employed in this paper is the 50th percentile male human model with a stature of 175 cm and a body mass index of 24 kg/m2. It has a typical automotive posture before the impact, as depicted in Figure 1, where the seatback angle is 20 degrees from the vertical. The pre-impact posture and the initial positioning of the human body model is described in detail in an open access paper [4] and it is in agreement with the EuroNCAP dynamic whiplash test protocol. The human body model is developed using the software MSC VisualNastran 4D and validated successfully against volunteer test data [25]; as such, the human body model is biofidelic. The biomechanical response of the model is realized by using nonlinear rotational dampers-and-springs at the joints. The human body model is an efficient model that utilizes time varying viscous damping coefficients at the joints to simulate active muscle contraction and the dynamic stiffening response of the soft tissues. The stiffness properties of the joints are in line with those of the Biofidelic Rear Impact Dummy (BioRID II dummy) used primarily in crash tests. Details about the contact model that define the interaction between the human body and seat models are given in [25]. Different human models (including dummies) can show some variations in responses under the same test conditions [26] but the validated biofidelic human body model in Figure 1 can be reliably used to compare the performances of different seats. The human body model in this study is aimed at designing seats for occupant safety; hence, the occupants will not be exposed to loadings higher than those of the volunteer tests when a seat is properly designed. Consequently, the human body model employed in this paper can be used at severities higher than those of the volunteer tests.

3. Seat Model

In this part, the benchmark seat model and the proposed semiactive seat model are presented. Section 3.1 describes the passive seat design, which is used as the benchmark seat, whereas Section 3.2 introduces the proposed semiactive seat, which is integrated with an MR damper.

3.1. Passive Anti-Whiplash Seat Model

The car seat model shown on the right-hand side of Figure 1 contains the basic components of a typical car seat, which are the head restraint, seatback, recliner mechanism, seat-pan, and a 3-point seatbelt. All these components are passive elements. The energy absorber (K) under the seat-pan is a passive energy absorber in this passive benchmark seat, which is a reusable nonlinear Kelvin element whose mechanical properties are given in Figure 2. The passive anti-whiplash seat in this study is the benchmark seat, which employs the state-of-the-art passive safety technology. The details of this passive seat can be found in the open access paper [4] and it is referred to as the forward-facing anti-whiplash seat in [4]. In the proposed semiactive seat, the energy absorber (K) under the seat-pan is replaced by a semiactive magnetorheological energy absorber; however, the same schematics is used for demonstration purposes.
The recliner mechanism that forms the joint between the seat-pan and the seatback is also a major energy-absorbing element. The recliner absorbs crash energy by plastic deformation, the quasi-static stiffness properties of which are shown in Figure 2. The high stiffness values after 21 degrees of recliner rotation represents the bottoming-out of the recliner mechanism. Structural damping at the recliner during backward and forward rotation of the seatback is simulated by using viscous damping such that the overall dynamic behaviour of the recliner mechanism is representative of some production seats [4]. The same recliner mechanism model is also used in the proposed semiactive seat. The deformation of the head-restraint foam is, at most, 8 cm until it bottoms-out. The combined deformation of seatback foam and suspension is, at most, 5 cm. The seat-pan foam deforms by 4 cm until it bottoms-out. In comparison to an average car-seat in the market, the head restraint and seatback foam is softer allowing the occupant to sink easily into the structure of the seatback, providing early support of the head. As shown in Figure 2, the breakaway force and torque at the Kelvin element and recliner mechanism, respectively, prevent the activation of these energy absorbers during normal use. In the characteristics of the recliner, the breakaway torque helps to couple the torso of the occupant to the seatback early in the impact. The crash energy is mainly distributed between the energy absorbers at the Kelvin element and recliner so that improved protection is provided from low to high severity rear impacts for the 50th percentile male occupant.

3.2. Proposed Semiactive Seat Integrated with MR Damper

The energy absorbing Kelvin element (K) in Figure 1 at the bottom of the seat-pan is replaced by an MR damper to transform the passive anti-whiplash benchmark seat into a semiactive seat design. All other elements of the benchmark seat, including the breakaway elements, are preserved. To simulate the MR damper, the Modified Bouc-Wen model is utilized, which is shown in Figure 3.
The Modified Bouc-Wen model is a widely used mathematical tool with good experimental fit, which predicts hysteretic damper behaviour well in most of the working region of the damper [13].
Governing equations regarding the MR damper model in Figure 3 are as follows [5,13,27],
y ˙ = 1 c 0 + c 1 α z + k 0 x s p y + c 0 x ˙ s p
where x s p is seat-pan displacement. z is the evolutionary variable that is given by,
z ˙ = γ x ˙ s p y ˙ z z n 1 x ˙ s p y ˙ β z n δ .
In (1) and (2), α is the scaling factor for the hysteresis behaviour, c 0 and c 1 are viscous damping constants for high and low velocity, respectively, whereas β, δ, γ, and n are parameters used to shape the hysteresis loop during pre-yield to post-yield transition. Force applied by the MR damper model can be calculated as,
F M R = c 1 y ˙ x ˙ c f + k 1 x s p x c f
where x c f is car floor displacement.
Damping properties of the MR damper can be tuned by varying the voltage across the damper. Model parameters are adapted to voltage setting by using the linear relations below [13],
α V = α a + α b V
c 0 V = c 0 a + c 0 b V           c 1 V = c 1 a + c 1 b V
where V is the actual voltage through the damper.
Experimentally validated parameter sets obtained from [14] are used in order to capture accurate behavior for the MR damper. Table 1 presents the corresponding parameters.
As the control voltage u is applied across the damper, magnetic particles in the chamber are aligned along the magnetic field within a finite time so that the rheological characteristics of the fluid and the MR damper’s effective damping constant are altered. A first order filter element with τ = 0.01   s is used to represent the response dynamics of the MR damper [14,22,27].
V ˙ = 1 τ ( V u )
where u is the applied voltage (which is the control voltage) and V is the effective actual voltage across the damper. τ is the time constant.

4. Controller Design

The control system allows the kinematics of the seat-pan to be adaptively manipulated in order to manage the excessive crash load on the human neck and thereby reduce the risk of whiplash regardless of the severity of the crash pulse and/or the weight of the seat and the occupant.
The control architecture comprises the system controllers, illustrated in grey and green curved boxes in Figure 1, which compute and command the desired damping force that the MR damper should apply. Additionally, the control architecture encompasses the damper controller, depicted in blue curved box in Figure 1, which regulates the voltage for the MR damper to track the force commanded by the system controllers.

4.1. System Controllers

4.1.1. Adaptive Kinematics Profile Controller

The experimentally validated biodynamic human body model allows us to comprehend the complex interactions between the seat and the human body parts in fast dynamic events such as crashes. During the simulations in this study, it has been observed that when the head is in contact with the head restraint, the shear force acting on the upper neck (i.e., base of the skull) tends to increase when the recliner rotation increases inefficiently. Once the recliner rotation reaches its peak value, the head bounces back off the head restraint and the shear force starts to decrease rapidly [1,28]. A rule-based control algorithm is developed, utilizing the observation between the shear force and the recliner motion.
Controller rules are as follows,
a d = g l i m , i f                 θ ˙ r < 0           o r         x s p x   a i         , e l s e i f θ r > θ i     a n d     x s p < x   g l i m , e l s e          
where i = 1 , , 5 , a d is the desired seat-pan acceleration, a i is kinematics profile controller acceleration set-point, θ ˙ r is the rate of change of the recliner angle, θ r is the instantaneous value of the recliner angle, θ i is kinematics profile controller recliner design point, x s p is the instantaneous seat-pan displacement, and x is the intermediate limit for the displacement of the seat-pan.
This controller (shown by the grey curved box in Figure 1) computes the desired acceleration, velocity, and position profiles for the seat-pan based on the sensor data regarding the instantaneous values of the angular velocity and angular position of the recliner, as indicated in Figure 1. The control logic is defined in such a way that the desired seat-pan acceleration is gradually reduced ( a 1 ~ a 5 ) in direct correlation with the increase in the recliner angle to prevent aggressive ramping up of the body and to reduce shear loads on the occupant’s neck. As the recliner angle begins to decrease during the rebound motion of the seatback, or in the event that the displacement of the seat pan reaches the prescribed limit x , the controller allows the acceleration of the seat-pan to increase and sets a maximum permissible acceleration limit of g l i m to limit the rearward displacement of the seat-pan relative to the car floor. g l i m is the maximum sustained gravitational acceleration value that is considered to be safe for the human body for a duration of less than 1 s [29]. The displacement of the seat is a factor to consider to ensure that the seat fits within the available space in the vehicle. The desired velocity and position profiles for the seat-pan are obtained subsequently with respect to the desired acceleration profile.
A flow chart regarding the control logic of the Adaptive Kinematics Profile Controller is illustrated in Figure 4. This control logic enables the automatic formation of all kinematic profiles based on the recliner angle, thereby facilitating the adaptive control of the seat-pan motion and eliminating the necessity for adjustments in response to variations in crash severity and/or weight of the seat and the occupant.
Adaptive Kinematics Profile Controller is operational unless the seat-pan hits the final stopper, which causes the seat-pan to bottom-out at the maximum working displacement of around 12 cm.
All the parameters used in the Adaptive Kinematics Profile Controller are stated in Table 2.

4.1.2. System Sub-Controller with Effective Mass Estimation

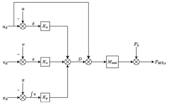
The system sub-controller (shown by the green curved box in Figure 1) calculates the desired (or required) damping force the MR damper should apply to the sliding seat so that the seat-pan can track the computed kinematics profile by the Adaptive Kinematics Profile Controller (shown by the grey box in Figure 1). A computed torque control approach is used to design the system sub-controller since it provides precise motion control ability for well-known non-linear plant dynamics, whereas it serves adequate control capabilities for lower fidelity models under disturbances with the help of error feedback.
The structure of the controller is modified to introduce an adaptation capability against the largely varying dynamics of the system. A force sensor, which is placed on the upper seatback structure, is additionally integrated into the control algorithm to enable the system controllers cope adaptively with the variation in occupant weight and/or crash severity.
The controller synthesis is worked out by using a general single degree of freedom seat/occupant lumped mass model to make the controller independent of a particular car seat design or human body mass composition. The selected controller scheme permits the utilization of a higher fidelity model specifically tailored to a particular seat to further enhance the transient controller performance. However, this single degree of freedom model can facilitate a rapid controller response, which is imperative for online real-time computations that necessitate millisecond precision in such crash scenarios.
The regarding controller can simply be stated as,
F M R _ c = M T X ¨           X ¨ = X ¨ d + D
where F M R _ c is the commanded damping force and M T is the total lumped mass of the occupant and the seat, and X ¨ and X ¨ d are the actual and desired acceleration of the lumped mass, respectively. D denotes the divergence between the desired and true acceleration. The desired acceleration X ¨ d is provided by the Adaptive Kinematics Profile Controller, as depicted in Figure 1.
Error is defined as the difference between desired and actual seat-pan velocity as follows.
e = X ˙ d X ˙           e ˙ = X ¨ d X ¨           e ˙ + D = 0
D can be formulized to depict error dynamics such that
D = K v e + K a e ˙ + K p e d t
where error feedback is carried out in three input channels with controller gains of K a , K v , and K p , which are applied on desired acceleration, velocity, and position profiles, respectively.
Using (9) and (10),
1 + K a e ˙ + K v e + K p e d t = 0
After taking Laplace transform of (11) with necessary arrangements,
s 2 + K v 1 + K a s + K p 1 + K a = 0 .
Since the mass of the seat and occupant is always positive, the controlled system is stable as long as the controller gains are selected to be positive.
To limit any oscillations, controller gains should be selected such that the controlled system is not underdamped. From (12),
K v 2 4 1 + K a K p
Due to the compliance of the seatback and the variation in the system dynamics under diverse crash pulses with different occupants, there is a need to define an effective mass that is different from the combined mass of the seat and occupant. There is a complex interaction between the seat and the human body since the seat-occupant system is a multi-body system involving elements with nonlinear behavior such as seat foam and deformable recliner mechanism. The nonlinear load that the human body exerts on the seat frame should be estimated for a superior and chatter free controller performance. A force sensor placed on the upper half of the seatback is utilized to estimate the real time approximate effective load that the human torso exerts on the seatback during the crash. The output of this sensor is scaled with a proper gain K s b , as shown in Figure 1. Therefore, (8) must be modified and written this time for the seat as,
F M R _ c = F L + M s e a t X ¨ = M T E X ¨
where F L is the estimated effective load on the seat-back, M s e a t is the mass of the seat, X ¨ is the actual acceleration of the sliding seat-pan, and M T E is the effective mass of the seat. It should be noted that (14) is still a simple and approximate equation but it provides improved control performance compared to (8). It can be shown that the parameter M T E , which is computed in real time, increases as the human body loads and rotates the seat-back backwards, and it decreases as the human body unloads the seat-back. Equation (14) is a powerful equation since it can adapt to different occupant weights and crash pulses. Furthermore, it is assured that M T E in (14) is always equal or smaller than M T in (8) so that the boundedness and the stability of the system are preserved. Consequently, as the controller actuator is semiactive and dissipative, it is inherently stable, thereby ensuring that the controlled system will remain stable under unmodelled dynamics and disturbances. The desired MR damper force output F M R _ c can now be calculated by utilizing the effective mass M T E as shown in (15).
F M R _ c = M T E X ¨ d + K v e + K a e ˙ + K p e d t
The block diagram of this system sub-controller is given in Figure 5.
In Figure 5, the desired acceleration, velocity, and displacement of the seat-pan are indicated by a d , v d , and x d , respectively. The desired acceleration, velocity, and displacement of the lumped seat-occupant mass in the controller are shown by X ¨ d , X ˙ d , and X d in Equations (9) and (10), respectively. Hence, the desired kinematics of the seat-pan are set to be equal to the desired kinematics of the lumped seat-occupant mass in the controller. In Figure 5, a ,   v , and x are the measured (or actual) acceleration, velocity, and displacement of the seat-pan, respectively, which are set to be equal to the measured (or actual) acceleration X ¨ , velocity X ˙ , and displacement X of the lumped seat-occupant mass, respectively. The desired kinematics data in Figure 5 are received from the Adaptive Kinematics Profile Controller as illustrated in Figure 1. Estimated effective load F L in Figure 5, is approximated by multiplying the load data received from the force sensor with the gain K s b , as illustrated in Figure 1. The corresponding controller gains and system parameters can be seen in Table 3.

4.2. MR Damper Controller

As illustrated in Figure 1, the MR damper controller (depicted by the blue curved box) is responsible for regulating the voltage applied to the MR damper, thereby enabling the damper to track the force commanded by the system controllers. A continuous state controller is employed to determine the level and duration of the voltage to be applied [5]. The necessary voltage is determined by multiplying the error, which is the difference between the desired (or required) force F M R _ c and the actual MR damper model force output F M R by a continuous state control gain K m r . If the calculated voltage is higher than the operational voltage u m a x of the damper, voltage is limited to u m a x . The interaction between the MR damper controller and the system controllers can be observed in Figure 1.
To guarantee that no additional energy is generated within the system, the control voltage u is applied only when the signs of the error and the actual force are identical. The corresponding algorithm can be stated as [5],
u = u m a x ,   i f   K m r F M R _ c F M R s g n F M R u m a x u m i n ,   i f   K m r F M R _ c F M R s g n F M R u m i n K m r F M R , c F M R s g n F M R ,   e l s e                                        
where u m a x and u m i n are the maximum voltage and minimum voltage applied on the MR damper, respectively. The corresponding values of the parameters used in (16) are given in Table 4.
The block diagram of the damper controller can be seen in Figure 6.

5. Simulation Methods and Assessment Criteria

The proposed system architecture is co-simulated in MATLAB/SIMULINK R13 environment with MSC VisualNastran 4D 2001 R2 software. The biomechanical response of the human body model is calculated together with the contact forces in VisualNastran, while the crash pulse and MR damper force are applied on the seat-pan. Seat kinematics and sensor data are fed into SIMULINK v5.0, where control algorithms are run, so as to obtain the required MR damper force to absorb crash energy effectively while reducing the whiplash risk for the occupant. This MR damper force is fed back to VisualNastran for the necessary calculations in the next time step.

5.1. Applied Crash Pulses in the Simulations

Severity of the crash can be identified with the amount of acceleration and delta-V ( V ) of the crash pulse. It is a well-known fact that when a heavier car and a lighter car collide, the lighter car experiences both larger accelerations and a larger delta-V. Previous studies indicate that apart from V , the shape and the peak moving average acceleration of the crash pulse are influential in the severity of the impact [4,28,30,31,32]. The proposed system is evaluated by applying several crash pulses to the car floor with V s varying from as low as 9 km/h up to 24 km/h and with varying pulse shapes. The acceleration profiles of these crash pulses are plotted in Figure 7. The names of the crash pulses are given on the upper right-hand sides of the sub-plots and the numbers next to the names state the V of the pulse.
In the official EuroNCAP whiplash test protocol, two distinct pulses are employed: the moderate severity crash pulse (SN16), which has a sinusoidal shape with a V of 16 km/h (4.44 m/s), and the high severity crash pulse (TR24), which has a trapezoidal shape with a V of 24 km/h (6.66 m/s) [33]. In Table A1, the peak moving average acceleration ( a m 50 ) (with a time window of 50 ms), the peak acceleration ( a p e a k ), and the V of the crash pulses are presented. For the crash pulses with the same V , the parameter a m 50 is also an indication of the differences in pulse shape. It should also be noted that most of the rear-end accidents happen to be at severities lower than the moderate regime, while only 7% of the rear-end accidents are classified in the severe regime with a V higher than 25 km/h [4,34]. The crash pulses labelled as SN represent pulses that are approximately both unimodal and sinusoidal in shape. The crash pulses labelled as TR are trapezoidal in shape. TR16 is the former low severity crash pulse of EuroNCAP and the pulses SN9, SN13, and SN20 are obtained from [1]. The pulse labelled as EPBM is a bimodal pulse with an early peak and it is obtained from [35]. The pulse labelled as BMHL has a sinusoidal and biomodal shape, having a high peak preceding a lower peak, whereas BMLH has a bimodal sinusoidal shape with a lower peak preceding a higher peak [36].
The crash pulses labelled as WPM are characterized by a wide peak at the middle and are obtained from [37]. The crash pulse labelled as HPLL has a substantially high peak preceding lower levels of acceleration and it is obtained from [38]. The crash pulses labelled as TALH16 and ISOSC16 are generic pulses. The rear loaded triangular pulse is TALH, whereas ISOSC has the form of an isosceles triangle. The pulses ISOSC24, BMLH24, and BMHL24 are obtained from [37]. TBS24 is a trapezoidal pulse with bi-slope [39] and obtained from [37]. BMLHE24, BMHLE24, ISOSCE24, RLT24, and SN24 are the scaled versions of BMLH16, BMHL16, ISOSC16, TALH16, and SN16, respectively, such that they have a V of 24 km/h. Therefore, the crash pulses given in Figure 7 are either generic pulses or obtained (derived) from staged rear-end collisions [4,35,36,37,38].

5.2. Performance Assessment Criteria

The performance of the proposed semiactive seat is assessed based on the EuroNCAP criteria [33] given in Table 5. EuroNCAP grades seats for whiplash risk based on sliding scales of points between the high-performance limit (HPL) and the low-performance limit (LPL). As indicated in Table 5, HPL is a more demanding limit than LPL. For a given seat, if the value of any criterion is lower than the corresponding HPL, the seat receives maximum points from that criterion. For a given seat, if the value of any criterion is higher than the corresponding LPL, the seat receives zero points from that criterion. If the value of any criterion is between HPL and LPL, the score for that criterion is obtained by linear interpolation. For the criteria that have both HPL and LPL, a maximum point of 1 can be earned at most for each criterion. Since there are three such criteria, a maximum of three points can be earned by a seat for a given test.
A capping limit (CL) is also applied. In case the CL is exceeded, a score of zero point is given for the whole test. The capping limit is used to encourage better-off overall designs and to discourage a possible trade-off between gaining outstanding points from some criteria by sacrificing the others. For the high severity crash pulse TR24, if the seatback rotation exceeds 32 degrees, three points are deducted.
Upper-neck shear force ( F s h ), upper-neck tension force ( F t n ), and neck injury criterion NIC all have LPL, HPL, and CL. F s h and F t n act at the interface between the skull and the neck, respectively. NIC is related to the development of an s-shape-like deformation within the neck and is calculated by measuring the relative velocity and acceleration between the occipital condyles (OC) and the first thoracic vertebra (T1). OC refers to the bony connection between the first cervical vertebra (C1) and the skull [40].
N k m is an injury criterion that considers the moment and the shear force acting on the upper neck [40]. v r is the head rebound velocity. Upper neck shear force is further represented as the largest positive and the largest negative shear forces at the upper neck, which are shown by F s h + and F s h , respectively. The largest moment on the upper neck is M y U and the largest shear force on the lower neck is F s h L . M y L means the largest moment on the lower neck whereas T1a corresponds to the largest acceleration of T1, which is the first thoracic vertebra. Lower neck corresponds to the region between the seventh cervical vertebrae (C7) and T1. HrCt corresponds to head-restraint contact time.
EuroNCAP utilizes the BioRID dummy for the assessment of automotive seats. This is accomplished through sled tests, wherein the data obtained from the sensors in the dummy are then subjected to a comparative analysis with the established assessment criteria. The size of the BioRID dummy is equivalent to the size of the 50th percentile male. The human body model employed in this paper is the 50th percentile male and it is more biofidelic than the BioRID dummy, as studied in [25]. It is important to note that the underlying mechanisms responsible for the development of whiplash-associated disorders remain poorly understood. This is because it is often not accomplishable to objectively find any structural injury in the neck. Consequently, the EuroNCAP rating is only an indication of relative injury risk. It is important to recognize that different human body models may demonstrate disparate responses when subjected to identical testing conditions. Nevertheless, the validated human body model employed in this paper can be utilized with confidence for the purpose of facilitating comparisons and optimization of the performances of different seats. EuroNCAP’s whiplash assessment criteria [33] represent the sole set of reference values to evaluate the performance of seats. Using the human body model described in this paper, this set of the EuroNCAP criteria given in Table 5 is also employed in the design and comparison of the seats.
EuroNCAP stipulates the assessment criteria solely for the two crash pulses, namely SN16 and TR24. Nevertheless, the performances of the seats for other levels of crash severity given in Figure 7 are still evaluated in accordance with the criteria set out in Table 5. These criteria can differentiate possible whiplash risk between the seat designs.
The operational distance of the proposed system should be feasible considering the limited volume of the car interior. Therefore, seat-pan displacement ( x s p ) and seatback upper-edge horizontal displacement ( x s b ) are also measured and compared to those of the passive seat. A maximum seat-pan displacement of 12 cm is considered as a limit for the backward translation of the seat. It should be noted that x s b represents the total displacement of the seat due to seatback rotation and seat-pan displacement. Thus x s b might be a better comparison element for the required operational space between the semiactive and passive seats.
To obtain a complete evaluation of whiplash, neck deformation should also be monitored in addition to the criteria established by EuroNCAP. For this purpose, neck distortion index NDI is used as a measure [2]. NDI indicates the amount of retraction and protraction type deformations in the neck that occur in a typical rear impact. Retraction and protraction are the posterior and anterior translation-like motions of the head relative to T1 (i.e., the upper torso), respectively. NDI is given in (17) where θ O C / C 1 represents the intervertebral rotation at the upper neck between OC and C1 and θ C 7 / T 1 is the intervertebral rotation at the lower neck between the seventh cervical vertebrae (C7) and T1. NDI is only a design tool for seats; hence, it is not an injury criterion; it does not have any specific threshold value but can be utilized to compare the performances of seats. Lower values of NDI are sought to limit head motion with respect to T1. Positive NDI values (i.e., NDI(+)) indicate retraction type deformation whereas negative NDI values (i.e., NDI(−)) correspond to protraction type deformation. The largest values of NDI(+) and NDI(−) are reported. Further details about NDI can be found in the open access papers [2,4].
N D I = θ O C / C 1 + θ C 7 / T 1

6. Results and Discussion

In the simulations, the human body model simulates an occupant who is relaxed at the start of the collision. The results of the simulations demonstrate that the proposed semiactive seat is an improvement over the passive seat. The semiactive seat performance against the benchmark passive seat, with respect to the whiplash assessment criteria of EuroNCAP (given in Table 5), is illustrated in Figure 8. Individual simulation results of the semiactive and passive seats regarding the assessment criteria for each crash pulse can be viewed in Table A2. Figure 8 presents the plot for each criterion as they correspond to the responses of both seats to 23 different crash pulses given in Figure 7.
The very first observation from Figure 8 is that both the semiactive and passive seats provide proper protection for whiplash risk since no criterion is above the capping limit in any case. Nevertheless, the semiactive seat shows a superior performance when compared to the passive seat. First, the median values of the critical criteria, such as the negative shear force on the upper neck F s h , NIC, and N k m , are much lower for the semiactive seat. The semiactive seat shows a very slight increase in median positive-shear force and tension force on the upper neck. For the semiactive seat, these two median forces are only 9% and 19% of the capping limit, respectively, whereas for the passive seat these two median forces are 7% and 18% of the capping limit, respectively. Hence, positive-shear force and tension force values are still considerably lower than HPL (high performance limit) values and the two seats will probably behave indifferently in real life conditions regarding the positive-shear force and tension force. A similar argument applies to the criteria regarding the lower neck and the upper torso of the occupant, which are the first thoracic vertebra acceleration T1a, moment M y L , and shear force F s h L of the lower neck. There are slight increases in those criteria for the semiactive seat, but they are still much lower than their capping limit. The reason for this uncritical increase in the peak values of the lower neck loads and T1a is that the semiactive seat limits seatback rearward rotation more than that of the passive seat in the first 100 ms of the impact to achieve a better overall performance over the passive seat. It should also be noted that vertebrae dimensions increase from the upper neck to the lower neck and that upper neck injuries are considered to be more serious and life-threatening when compared with injuries to the lower neck [40]. It is also shown in a study [41] that lower-neck shear force F s h L and upper-neck tension force F t n , which are smaller than 250 N and 500 N, respectively, were found to have very low risk of whiplash associated disorder. The corresponding median values of the lower neck shear force F s h L and upper neck tension force F t n for the semiactive and passive seats are less than 200 N.
The results in Table A2 show that the assessment criteria for both the semiactive and passive seats are safely below the corresponding capping limits. Furthermore, a close look at the criteria (NIC, F s h + , F t n ) that have higher performance (HPL) and lower performance (LPL) limits indicate that for all crash pulses F t n values are all lower than the corresponding HPL; NIC and F s h + values are lower or very close to the HPLs for both the semiactive and passive seats. Hence, both seats have the potential to receive maximum score from the EuroNCAP whiplash assessment protocol using sled tests.
Figure 8 indicates that apart from NIC, the rectangular box and dotted-whisker widths of all assessment criteria for the semiactive seat are smaller than or almost the same as those for the passive seat, which should mean that the semiactive seat is more robust and more adaptive with regard to variations in crash pulse shape and severity as investigated in this study.
SN16 and TR24 pulses are the sole crash pulses used in the official EuroNCAP dynamic assessment protocol. Thus, the performance of the semiactive seat is presented in more detail using both SN16 and TR24 pulses. Upper neck shear force is one of the critical criteria used by the EuroNCAP. Figure 9 and Figure 10 show the variation of the upper neck shear force of the occupant seated on both the semiactive and passive seats for SN16 and TR24 crash pulses, respectively.
As shown in Table A2 and depicted individually in Figure 9 and Figure 10, the semiactive seat reduces the maximum upper-neck shear force by 45% (around 40 N) for the medium severity crash pulse SN16 and by 47% (around 70 N) for the high severity crash pulse TR24 in comparison to the results observed for the passive seat. The substantial decline in the maximum values of the upper-neck shear force indicates that the semiactive seat performs well. Furthermore, a detailed examination of these plots reveals that the duration of the sustained shear forces and thus the mean value of the shear forces applied on the upper neck are significantly lower for the occupant seated on the semiactive seat.
It is important to acknowledge that the displacement induced by loads with very short durations would be comparatively minimal. Consequently, forces with longer durations could potentially result in an increase in injury severity [40,42]. Thus, it is more likely for the semiactive seat to have a lower injury risk in comparison to the injury risk posed by the passive seat for the given crash pulses. This trend of lower duration of the upper-neck shear force is observed for all the other crash pulses in Figure 7 during the simulations in this study. Similarly, the duration and the mean value of upper-neck moments are also lower for the semiactive seat; hence, the semiactive seat provides a considerable reduction of loads on the upper neck.
The semiactive seat reduces the bending moments at the upper neck substantially, as indicated by the lower N k m values. The maximum N k m values of the semiactive and passive seats for both SN16 and TR24 crash pulses are 0.19 and 0.43, respectively. The authors of [43] estimate that there is 50% risk of long-term whiplash associated symptoms for an N k m value of 0.5 ± 0.3 , and, according to the N k m risk curve [43], the corresponding risk of long-term whiplash symptoms is insignificant for an N k m value of 0.19
For both seats, the injury risk due to the typical s-shape-like deformation (i.e., the retraction of the head with respect to T1) is small, as indicated by the low NIC values. The maximum NIC values of the semiactive and passive seats under both SN16 and TR24 crash pulses vary between 8.9 and 11.4. Considering that the HPL values for the NIC criterion of the EuroNCAP protocol are 11 and 13 for the SN16 and TR24 pulses, respectively, both seats can receive almost maximum points from this criterion.
Neck distortion index (NDI) takes on a positive value when there is retraction type deformation in the neck. The retraction type deformation is indicated by NDI(+), and the largest value of NDI(+) is reported in Table A2. During head contact with the head restraint, NDI(+) values are similar for both seats, with a mean value of only 0.82 degrees. Hence, considering NDI(+) and NIC values, s-shape-like deformation is negligible since the neck is predominantly in flexion throughout the impact, which means both seats serve the purpose. Both seats are built to induce protraction and flexion in the cervical spine (neck) considering the fact that in comparison to retraction, a broader range of motion is available for protraction in the cervical spine; this is also evident from daily life experience [44]. NDI takes on negative values when there is protraction type deformation in the neck and this type of deformation is prevalent in the simulations where the flexion in the upper neck is less than the flexion in the lower neck. Therefore, the largest negative NDI values, denoted by NDI(−) in Table A2, indicate the largest amount of protraction type deformation in the neck. It is seen that although there is slightly less neck deformation in the passive seat for the crash pulse SN16, the semiactive seat provides a significant reduction in neck deformation at the higher severity crash pulse TR24. During head contact with the head restraint, NDI(−) values are greatly reduced by the semiactive seat compared with the passive seat, especially for higher severity crash pulses with a delta-V of 24 km/h.
Since the operational displacement of the proposed system should be physically feasible within a constrained area inside the car, the translational motion characteristics, which are seat-pan displacement and seatback upper-edge horizontal displacement, are also compared with those of the passive seat. In favor of the semiactive seat, seat-pan displacement x s p is reduced by more than 32% (around 1.5 cm) for the crash pulse SN16, while upper edge seatback displacement is kept at almost the same value for the crash pulse TR24. Minimum, maximum, mean, and standard deviation data regarding seat-pan and seatback displacement values for all simulations can be viewed in Table A3, Table A4 and Table A5.
The aforementioned performance of the proposed system can be attributed to the incorporation of the semiactive feedback control scheme. This control scheme allows for the implementation of a desired velocity profile for the seat-pan in real time, which enables a high degree of adaptation to the variability of the crash pulse for an anti-whiplash seat. The velocity profile and tracking performance of the semiactive seat for SN16 and TR24 crash pulses can be viewed in Figure 11 and Figure 12, respectively. The velocity profile of the passive seat is also plotted for completeness. It is important to note that the desired velocity profile has no effect on the passive seat velocity profile.
The control voltage u and the actual force applied on the seat-pan for the crash pulses SN16 and TR24 can be seen in Figure 13 and Figure 14.
The plotted desired velocity profiles in Figure 11 and Figure 12 are automatically calculated during the simulation by the Adaptive Velocity Profile Controller. Required control voltage u is computed based on the desired damper force commanded by the system controller with effective mass estimation, as shown in Figure 1 and Figure 6. This control voltage profile u , plotted in Figure 13 and Figure 14, is filtered by a first order transfer function to simulate the alignment of the magnetic fluid of the MR damper, as shown in the block diagram in Figure 6. The resulting effective voltage is the actual voltage V , which is the input to the MR damper model, and the actual force F M R to be applied on the seat-pan is computed as shown in Figure 6. The resulting effective actual voltage V and the MR damper actual force applied to the seat-pan can be seen in Figure 13 and Figure 14 for the crash pulses SN16 and TR24, respectively. There is a complex mathematical relationship between the actual voltage and actual force, as described in Section 3.2. Velocity profiles of the seat-pan for both crash pulses as the damper operates are plotted in Figure 11 and Figure 12. It should be noted that the seat-pan remains firmly attached to the vehicle floor until the breakaway element is plastically deformed and dislodged, which occurs at approximately 0.05 s after the onset of the impact. The semiactive control system is operational while the seat-pan is attached to the floor, but the MR damper does not apply considerable force unless the seat-pan begins to slide relative to the car floor. For purposes of clarity, the time axis on Figure 13 and Figure 14 is plotted from the moment of detachment of the seat pan.
The velocity profile tracking capability of the controlled system shows some occasional, but expected and bounded, overshoot and lagging. The reason is that the controlled system has a semiactive non-linear element (MR damper) that shows hysteresis behavior in force versus relative velocity, along with considerable time delay. Additionally, the seat-occupant model used in the controller is intentionally kept at a lower fidelity to ensure that the obtained performance is not specific to a particular seat and occupant model. These tracking degradations do not considerably deteriorate whiplash mitigation performance of the semiactive seat. Further enhancement of performance may be achieved by utilizing a highly specific seat model within the system controllers, which is capable of more accurately gauging the compliance of that particular seat. Nevertheless, the controllers still necessitate the utilization of elementary seat-occupant models for the expeditious computation of control output in the event of collisions that take place in a time-window in the order of milliseconds.
The MR damper exhibits hysteresis behavior as well as time delay, which can be observed from the plots of Figure 13 and Figure 14. The observed delay can be attributed to the time required for the magnetic particles within the chamber to align along the magnetic field. This phenomenon has been modelled in simulations, wherein a lag in actual voltage V through the damper is incorporated with respect to the desired voltage. As a consequence of hysteresis, the damper displays nonlinear variation in the force output with respect to the relative velocity between the seat pan and the car floor. Furthermore, the constrained control authority resulting from the semiactive nature of the system prevents the MR damper from applying the desired force unless the signs of the control error and the actual force are the same as stated in (16). As a result, a slight decline in the velocity profile tracking performance is evident in Figure 11 and Figure 12.
The initial range for the controller gains has been determined by considering the MR damper time constant for the alignment of the magnetic fluid and addressing stability issues such that the controlled system is not underdamped. Given the established behavior of the benchmark seat (i.e., state-of-the-art passive seat), a basis for the system parameters has already been established. Furthermore, the EuroNCAP performance criteria impose a constraint on the solution space parameters. The final values of the controller and system parameters have been selected through a process of fine-tuning with respect to the simulations that were conducted in series.
The seat-occupant responses of the proposed semiactive seat and the passive seat are also presented by instantaneous frames captured from the simulations of TR24 crash pulse, which can be viewed in Figure 15 and Figure 16, respectively. In these figures, the leftmost frame shows the onset of the impact; the second frame from the left shows the instant when the head touches the head-restraint for the first time (HrCt); the middle frame corresponds to the instant when the head-restraint foam deformation is maximum; the fourth frame from the left shows the instant when the backward rotation of the seatback becomes maximum; in the rightmost frame, the head is about to lose contact with the head restraint when the human body rebounds from the seat.
The human body model has a normal (typical) automotive posture before the impact. If the pre-impact occupant posture is out-of-position in cases such as emergency braking, it can be corrected in a timely manner by using pre-pre-tensioning of the seatbelt and the torso can be made to have normal contact with the seat as in a typical automotive posture; this would be the subject of another paper [45,46].
It is inevitable for a driver to lose control of the car when the seat displaces rearward to absorb crash energy during the rear impact. However, all whiplash-mitigating seats [1,3,4] require this rearward displacement of the seatback and/or seat-pan to reduce the loads on the neck of the occupant. The rear-end collisions start and end in only 300 ms and the driver can regain control of the car afterwards. The MR damper is reversible (reusable) but the recliner mechanism and breakaway elements that plastically deform during impact need to be replaced after the collision.
There are some limitations of this study, as follows. This study employs a 50th percentile male human body model and demonstrates that the proposed semiactive seat is crash-adaptive; this is the scope of this paper. The semiactive seat is called a crash-adaptive seat because it shows a more adaptive and robust behaviour with respect to variations in crash pulse severity and shape in comparison to the state-of-the-art passive seat. It should be noted that the proposed adaptation scheme still accounts for the variations in the mass of the occupant and seat as well because in a rear impact the loading on the seat increases both with the severity of the crash pulse and the mass of the occupant. The computed torque controller in the semiactive seat utilizes the mass of the seat and the effective load that the human torso applies on the seatback to provide the required damping force for the MR damper. This effective load on the seatback changes with both the mass of the occupant and the severity of the crash pulse, hence the controller for the semiactive seat can adapt to variations in seatback loading whether it is due to variations in occupant mass or crash pulse. Nevertheless, the semiactive seat in this study can be tested using human body models with different size and gender in the future, but such an investigation would be the subject of an extensive project due to the scarceness of rear impact volunteer test data to validate different human body models. To the best of the authors’ knowledge, rear impact volunteer test data are available only for the average male and female in the literature [47,48] and human body models must be verified or validated against volunteer test data before they are used in rear impact simulations. That is why a validated average male model is used in this study and a multi-body model for an average female is being developed to test the proposed semiactive seat in a future work. The proposed semiactive seat could be a promising candidate and a preliminary design for an adaptive seat [49,50,51,52,53] that could provide improved protection for occupants with diverse characteristics. As a future work, it can be manufactured to test its effectiveness using the recently introduced 50th percentile female dummy SET 50F [54].

7. Conclusions

The crash pulses that occur as a result of rear-end impacts can have various severities with different pulse shapes. In this study, a semiactive seat to reduce whiplash is proposed and its performance is compared to that of a passive seat with the state-of-the-art passive safety technology. For this purpose, 23 different crash pulses with various pulse shapes are applied covering the great majority of severities that cars can statistically be exposed to in real-world rear-end collisions. Although both the semiactive and passive seats can receive full points from the EuroNCAP whiplash assessment protocol, the semiactive seat shows higher overall performance than the passive seat by reacting more robustly to variations in crash pulse shape and severity. This is achieved by designing a controller employing an adaptation scheme regarding occupant mass and crash severity. The smart controller algorithm utilizes a simple seat/occupant lumped mass model so that the rapid response of the controller is obtained. The seat/occupant lumped mass model in the controller is intentionally made generic so that a production seat can be retrofitted with the MR damper together with this controller. Therefore, this study is an investigation of what benefits a semiactive seat can bring in comparison to a passive seat.
In the EuroNCAP whiplash protocol, seats are rated according to the peak values of the assessment or injury criteria. The semiactive seat has the capability of reducing not only the peak upper-neck loads but also the duration of the sustained loads on the upper-neck. Hence, the semiactive seat also decreases the mean value of the upper neck loads in comparison to those of the passive seat, which is a notable improvement.
This study utilizes validated seat and human body models to perform simulations, which are indispensable tools to design protection systems and predict injury risk. Human beings cannot be tested at severities causing injuries and dummies are only passive devices with a specific posture and with some biofidelity issues.
To the best of the authors’ knowledge, no active or semiactive seat designs for whiplash mitigation have been published in the literature. The presented study can contribute to the design of future adaptive seat systems. The proposed semiactive architecture and methodology can also aid in the design of seats for autonomous vehicles in which the seats can be exposed to varying crash severities in different seating positions.

Author Contributions

Conceptualization, A.G.K. and S.H.; methodology, A.G.K. and S.H.; software, A.G.K. and S.H.; validation, A.G.K. and S.H.; formal analysis, A.G.K. and S.H.; investigation, A.G.K. and S.H.; resources, A.G.K. and S.H.; data curation, A.G.K. and S.H.; writing—original draft preparation, A.G.K. and S.H.; writing—review and editing, A.G.K. and S.H.; visualization, A.G.K. and S.H.; supervision, A.G.K. and S.H.; project administration, S.H.; funding acquisition, A.G.K. and S.H. All authors have read and agreed to the published version of the manuscript.

Funding

This research received no external funding.

Data Availability Statement

Data are contained within the article.

Conflicts of Interest

The authors declare no conflicts of interest.

Appendix A

Table A1. Characteristics of the crash pulses applied in the simulations where a m 50 is the peak moving average acceleration with a time window of 50 ms, a p e a k is the peak acceleration and V (delta-V) is the velocity change.
Table A1. Characteristics of the crash pulses applied in the simulations where a m 50 is the peak moving average acceleration with a time window of 50 ms, a p e a k is the peak acceleration and V (delta-V) is the velocity change.
Pulse #Pulse Type a m 50 g a p e a k g V k m / h
1SN94.7211.709
2TR165.005.0016
3SN135.9711.2013
4EPBM166.0815.5616
5BMLH166.4110.0016
6BMHL166.4210.0016
7WPM166.5410.9216
8HPLL166.9917.9016
9TALH167.2310.0016
10SN167.3010.0016
11ISOSC167.4110.0016
12TR247.507.5024
13SN207.6910.6320
14ISOSC247.8511.8424
15BMLH249.3217.5024
16BMLHE249.6115.0024
17BMHLE249.6315.0024
18WPM249.7414.4324
19TBS2410.5417.2324
20RLT2410.8515.0024
21SN2410.9515.0024
22ISOSCE2411.1115.0024
23BMHL2411.2519.9424
Table A2. Performance of the semiactive and passive seat. The letter s and p after the crash pulse number designates semiactive and passive seat respectively in the ‘Pulse’ column (i.e., 1s designates the crash pulse #1 performance of the semiactive seat).
Table A2. Performance of the semiactive and passive seat. The letter s and p after the crash pulse number designates semiactive and passive seat respectively in the ‘Pulse’ column (i.e., 1s designates the crash pulse #1 performance of the semiactive seat).
PulseNIC N k m v r F s h + F s h F t n M y U F s h L M y L T1aHrCtNDI(−)NDI(+)
1s9.210.121.3618581276.411505.216.38610.311.81
1p8.140.111.3516491106.571435.206.21620.321.58
2s7.450.141.3928752105.611553.808.70580.370.92
2p8.190.291.28281091319.091593.657.11590.421.13
3s8.280.111.5629491367.731484.727.96460.671.89
3p8.890.261.2332981128.561614.177.44470.632.18
4s6.750.151.3029511609.561856.948.51490.931.65
4p9.760.201.2721951536.951524.248.16500.591.53
5s8.480.141.3324601229.801866.588.27660.661.14
5p9.650.171.2510861777.951375.166.62670.310.68
6s11.550.141.3041461908.601777.278.33501.101.67
6p11.700.261.28271071767.951635.397.82511.041.63
7s9.500.141.2712451498.961777.808.54690.790.77
7p10.900.311.284211919113.101717.288.21710.630.75
8s9.060.161.32294915010.891896.258.27581.181.23
8p11.000.201.2920961868.181545.557.99590.841.14
9s9.270.151.3323581379.381928.178.11710.740.85
9p11.500.181.2520881839.671486.937.31730.510.53
10s10.280.171.31365313710.382047.068.00541.721.40
10p11.400.201.2724941927.851616.318.32561.221.44
11s10.400.171.31365515111.562058.198.51621.591.00
11p11.500.171.3130851888.781587.078.81641.081.04
12s8.900.191.3021832028.201896.578.23501.950.28
12p11.300.431.171915110111.701045.717.64513.370.30
13s8.260.141.3034521938.641987.058.51561.650.93
13p11.970.321.35141341787.101266.288.32581.130.31
14s8.630.181.2224761958.942028.118.92631.320.32
14p12.400.311.06101282556.901235.817.51641.391.00
15s9.620.231.1531832169.502219.008.51611.940.52
15p13.800.451.111916025511.70965.937.94613.370.35
16s9.600.321.022211221810.002087.299.34561.700.67
16p11.800.421.49181771709.64957.088.42563.930.36
17s14.230.331.07221342759.022087.108.62462.400.28
17p14.100.531.311718215214.701366.367.16495.460.31
18s7.370.241.3215962098.191949.907.96691.150.33
18p13.700.501.191717829312.901106.388.04703.600.35
19s15.020.371.08321242729.862178.129.27482.720.31
19p13.100.521.252018123414.101126.498.00504.780.33
20s11.240.331.08191292389.782189.749.26642.220.35
20p13.300.551.341620027314.701296.977.86655.280.36
21s14.530.301.07271112659.792117.588.67502.360.33
21p14.200.511.371716926114.501417.157.69535.130.35
22s13.560.381.162712825310.292189.069.07572.460.33
22p11.600.631.481622429616.801508.568.97586.210.35
23s14.320.481.062814123713.912127.448.85492.330.34
23p13.700.621.351619725217.901316.717.18525.500.35
Table A3. Minimum and maximum displacements of the seat-pan (SP) and the top edge of the seatback (SB) along with their mean and standard deviation values for low to medium severity crash pulses (pulse #1 to pulse #11).
Table A3. Minimum and maximum displacements of the seat-pan (SP) and the top edge of the seatback (SB) along with their mean and standard deviation values for low to medium severity crash pulses (pulse #1 to pulse #11).
SeatSP Min/Max (cm)SP Mean/Std. DevSB Min/Max (cm)SB Mean/Std. Dev.
Semiactive0/3.82.72/1.377.3/17.515.31/3.06
Passive0/5.14.51/1.517.3/18.216.01/3.29
Table A4. Minimum and maximum displacements of the seat-pan and the top edge of the seatback along with their mean and standard deviation values for higher severity crash pulses (pulse #12 to pulse #23).
Table A4. Minimum and maximum displacements of the seat-pan and the top edge of the seatback along with their mean and standard deviation values for higher severity crash pulses (pulse #12 to pulse #23).
SeatSP Min/Max (cm)SP Mean/Std. DevSB Min/Max (cm)SB Mean/Std. Dev.
Semiactive7.1/12.611.45/1.5923.8/37.233.68/3.99
Passive5.6/6.16.01/0.2824.2/33.931.87/4.68
Table A5. Minimum and maximum displacements of the seat-pan and the top edge of the seatback along with their mean and standard deviation values for all of the crash pulses (pulse #1 to pulse #23).
Table A5. Minimum and maximum displacements of the seat-pan and the top edge of the seatback along with their mean and standard deviation values for all of the crash pulses (pulse #1 to pulse #23).
SeatSP Min/Max (cm)SP Mean/Std. DevSB Min/Max (cm)SB Mean/Std. Dev.
Semiactive0/12.57.27/4.697.3/37.224.89/10.01
Passive0/6.15.29/1.287.3/33.924.28/8.64

References

  1. Himmetoglu, S.; Acar, M.; Bouazza-Marouf, K.; Taylor, A.J. Car-seat design to improve rear-impact protection. Proc. Inst. Mech. Eng. Part D J. Automob. Eng. 2011, 225, 441–459. [Google Scholar] [CrossRef]
  2. Himmetoglu, S. An Evaluation of Passive Head-Restraints with Different Stiffness and Energy Dissipation Properties for Whiplash Mitigation. In Proceedings of the 7th International Expert Symposium on Accident Research (ESAR 2016), Hannover, Germany, 9–10 June 2016. [Google Scholar]
  3. Mang, D.W.H.; Siegmund, G.P.; Blouin, J.-S. A comparison of anti-whiplash seats during low/moderate speed rear-end collisions. Traffic Inj. Prev. 2020, 21, 195–200. [Google Scholar] [CrossRef] [PubMed]
  4. Yavuz, S.; Himmetoglu, S. Development of a restraint system for rear-facing car seats. Machines 2023, 11, 1076. [Google Scholar] [CrossRef]
  5. Lam, H.F.; Liao, W.H. Semi-active control of automotive suspension systems with magnetorheological dampers. In Proceedings of the Smart Structures and Materials 2001: Smart Structures and Integrated Systems, Newport Beach, CA, USA, 4–8 March 2001; pp. 125–136. [Google Scholar] [CrossRef]
  6. Dyke, S.J.; Spencer, B.F.; Sain, M.K.; Carlson, J.D. Seismic response reduction using magnetorheological dampers. IFAC Proc. Vol. 1996, 29, 5530–5535. [Google Scholar] [CrossRef]
  7. Hua, D.; Liu, X.; Sun, S.; Sotelo, M.A.; Li, Z.; Li, W. A magnetorheological fluid-filled soft crawling robot with magnetic actuation. IEEE/ASME Trans. Mechatron. 2020, 25, 2700–2710. [Google Scholar] [CrossRef]
  8. Yang, G.; Spencer, B.F.; Carlson, J.D.; Sain, M.K. Large-scale MR fluid dampers: Modeling and dynamic performance considerations. Eng. Struct. 2002, 24, 309–323. [Google Scholar] [CrossRef]
  9. Peng, G.R.; Li, W.H.; Du, H.; Deng, H.X.; Alici, G. Modelling and identifying the parameters of a magneto-rheological damper with a force-lag phenomenon. Appl. Math. Modell. 2014, 38, 3763–3773. [Google Scholar] [CrossRef]
  10. Wellborn, P.S.; Mitchell, J.E.; Pieper, N.J.; Webster, R.J. Design and analysis of a small-scale magnetorheological brake. IEEE/ASME Trans. Mechatron. 2022, 27, 3099–3109. [Google Scholar] [CrossRef]
  11. Hiemenz, G.J. Semi-active Magnetorehological Seat Suspensions for Enhanced Crashworthiness and Vibration Isolation of Rotorcraft Seats. Ph.D. Thesis, University of Maryland, College Park, ML, USA, 2007. [Google Scholar]
  12. Choi, S.; Han, Y. Magnetorheological Fluid Technology; CRC Press: Boca Raton, FL, USA, 2013. [Google Scholar]
  13. Spencer, B.; Dyke, S.; Sain, M.; Carlson, J. Phenomenological model for magnetorheological dampers. J. Eng. Mech. 1997, 123, 230–238. [Google Scholar] [CrossRef]
  14. Lai, C.Y.; Liao, W.H. Vibration control of a suspension system via a magnetorheological fluid damper. J. Vib. Control 2002, 8, 527–547. [Google Scholar] [CrossRef]
  15. Jain, S.; Saboo, S.; Pruncu, C.I.; Unune, D.R. Performance investigation of integrated model of quarter car semi-active seat suspension with human model. Appl. Sci. 2020, 10, 3185–3203. [Google Scholar] [CrossRef]
  16. Sosthene, K.; Josee, M.; Hui, X. Fuzzy logic controller for semi active suspension based on magneto-rheological damper. Int. J. Automot. Eng. Technol. 2018, 7, 38–47. [Google Scholar] [CrossRef]
  17. Xu, Z.; Guo, Y.; Zhu, J.; Xu, F. Intelligent Vibration Control in Civil Engineering Structures; Academic Press: Nanjing, China, 2016. [Google Scholar]
  18. Hiemenz, G.J.; Choi, Y.T.; Wereley, N.M. Semi-active control of vertical stroking helicopter crew seat for enhanced crashworthiness. J. Aircr. 2007, 44, 1031–1034. [Google Scholar] [CrossRef]
  19. Choi, Y.T.; Werely, N.M. Vibration control of a landing gear system featuring ER/MR fluids. J. Aircr. 2003, 40, 432–439. [Google Scholar] [CrossRef]
  20. Choi, S.B.; Nam, M.H.; Lee, B.K. Vibration control of MR seat damper for commercial vehicles. J. Intell. Mater. Syst. Struct. 2000, 11, 936–944. [Google Scholar] [CrossRef]
  21. Park, C.; Jeon, D. Semiactive vibration control of a smart seat with an MR fluid damper considering its time delay. J. Intell. Mater. Syst. Struct. 2002, 13, 521–524. [Google Scholar] [CrossRef]
  22. Bai, X.; Werely, N.M.; Wang, D. Control and analysis of a magnetorheological energy absorber for both shock and vibration. Int. J. Acoust. Vib. 2017, 22, 104–110. [Google Scholar] [CrossRef]
  23. Wu, X.; Griffin, M.J. A semi-active control policy to reduce the occurance and severity of end-stop impacts in a suspension seat with an electrorheological fluid damper. J. Sound Vib. 1997, 203, 781–793. [Google Scholar] [CrossRef]
  24. Wen, Y.K. Method for random vibration of hysteretic systems. J. Eng. Mech. 1976, 102, 249–263. [Google Scholar] [CrossRef]
  25. Himmetoglu, S.; Acar, M.; Bouazza-Marouf, K.; Taylor, A.J. A multibody human model for rear-impact simulation. Proc. Inst. Mech. Eng. Part D J. Automob. Eng. 2009, 223, 623–638. [Google Scholar] [CrossRef]
  26. Soni, A.; Schilling, S.; Faust, J.; Eickhoff, B. Responses of HIII, THOR and SAFER-HBM Occupant Models in Rearward-Facing Seat Configuration for High Severity Frontal Impact. In Proceedings of the 2020 IRCOBI Conference, Munich, Germany, 8–10 September 2020. Paper IRC-20-75. [Google Scholar]
  27. El-Kafafy, M.; El-Demerdash, S.M.; Rabeih, A.-A.M. Automotive ride comfort control using MR fluid damper. Engineering 2021, 4, 179–187. [Google Scholar] [CrossRef][Green Version]
  28. Himmetoglu, S. The influence of crash pulse shape on seat occupant response in rear impacts. In Proceedings of the 4th International Expert Symposium on Accident Research (ESAR 2010), Hannover, Germany, 16–18 September 2010. Paper 22. [Google Scholar]
  29. Bughheim, R.W. Space Handbook: Astronautics and Its Applications, 2nd ed.; RAND Corporation: New York, NY, USA, 2007; pp. 139–141. [Google Scholar]
  30. Gabauer, D.J.; Gabler, H.C. Can Delta-V be Adjusted with Structural and Occupant Restraint Performance to Improve Prediction of Chest Acceleration? In Proceedings of the Annals of Advances in Automotive Medicine, 52nd Annual Scientific Conference, San Diego, CA, USA, 6–8 October 2008.
  31. Zuby, D.S.; Farmer, C.M.; Avery, M. The Influence of Crash Pulse Shape on BioRID Response. In Proceedings of the 2003 IRCOBI Conference, Lisbon, Portugal, 25–26 September 2003; pp. 327–341. [Google Scholar]
  32. Wood, D.P.; Adamson, D.; Ydenius, A. Car frontal collisions: Occupant compartment forces, interface forces and stiffnesses. Int. J. Crashworthiness 2004, 9, 311–325. [Google Scholar] [CrossRef]
  33. EuroNCAP. European New Car Assessment Programme–Assessment Protocol–Adult Occupant Protection; Version 9.1.3; EuroNCAP: Leuven, Belgium, 2021; 49p. [Google Scholar]
  34. Eis, V.; Fay, P.; Sferco, R. A Detailed Analysis of the Characteristics of European Rear Impacts. In Proceedings of the 19th ESV Conference, Washington, DC, USA, 6–9 June 2005. Paper 05-0385. [Google Scholar]
  35. Linder, A.; Avery, M.; Krafft, M.; Kullgren, A. Change of Velocity and Crash Pulse Characteristics in Rear Impacts: Real-World Data and Vehicle Tests. In Proceedings of the 18th ESV Conference, Nagoya, Japan, 19–22 May 2003. Paper 285. [Google Scholar]
  36. Zuby, D.S.; Avery, M. BioRID Responses and the Effect of Crash Pulse Characteristics. In Proceedings of the IMechE Vehicle Safety International Conference, London, UK, 28–29 May 2002. [Google Scholar]
  37. Arbeitsgruppe für Unfallmechanik (AGU). Available online: www.agu.ch (accessed on 6 April 2022).
  38. Heitplatz, F.; Sferco, R.; Fay, P.A.; Reim, J.; Vogel, D. Development of a Generic Low Speed Rear Impact Pulse for Assessing Soft Tissue Neck Injury Risk. In Proceedings of the 2002 IRCOBI Conference, Munich, Germany, 18–20 September 2002. [Google Scholar]
  39. Huang, M. Vehicle Crash Mechanics; CRC Press: Boca Raton, FL, USA, 2002; 481p. [Google Scholar]
  40. Schmitt, K.U.; Niederer, P.F.; Cronin, D.S.; Morrison III, B.; Muser, M.H.; Walz, F. Trauma Biomechanics, 5th ed.; Springer Nature: Cham, Switzerland, 2019. [Google Scholar]
  41. Ikari, T.; Kaito, K.; Nakajima, T.; Yamazaki, K.; Ono, K. Japan New Car Assessment Program for Minor Neck Injury Protection in Rear-End Collisions. In Proceedings of the 21st ESV Conference, Stuttgart, Germany, 15–18 June 2009. [Google Scholar]
  42. Occupant Protection and Egress in Rail Systems (OPERAS): Injury Mechanisms and Injury Criteria. Available online: http://www.eurailsafe.net/subsites/operas/HTML/Section3/Section3.3frm.htm (accessed on 18 March 2024).
  43. Eriksson, L.; Kullgren, A. Influence of seat geometry and seating posture on NICmax long term AIS 1 neck injury predictability. Traffic Inj. Prev. 2006, 7, 61–69. [Google Scholar] [CrossRef] [PubMed]
  44. Severinsson, Y.; Elisson, L.; Bunketorp, O. Reliability of measuring the cervical sagittal translation mobility with a simple method in a clinical setting. Rehab. Res. Prac. 2012, 2012, 629104. [Google Scholar] [CrossRef] [PubMed]
  45. Graci, V.; Griffith, M.; Seacrist, T.; Brase, D.; Mishra, E.; Pipkorn, B.; Lubbe, N.; Arbogast, K.B. Repositioning forward-leaning vehicle occupants with a pre-pretensioner belt and a startle-based warning in pre-crash scenarios. Traffic Inj. Prev. 2022, 23, 32–37. [Google Scholar] [CrossRef] [PubMed]
  46. Mishra, E.; Mroz, K.; Lubbe, N. Repositioning forward-leaning passengers by seatbelt pre-pretensioning. Traffic Inj. Prev. 2023, 24, 716–721. [Google Scholar] [CrossRef] [PubMed]
  47. Davidsson, J.; Ono, K.; Inami, S.; Svensson, M.Y.; Lövsund, P. A Comparison between Volunteer BioRID P3 and Hybrid III Performance in Rear Impacts. In Proceedings of the 1999 IRCOBI Conference, Sitges, Spain, 23–24 September 1999; pp. 165–178. [Google Scholar]
  48. Sato, F.; Nakajima, T.; Ono, K.; Svensson, M.Y.; Brolin, K.; Kaneoka, K. Dynamic Cervical Vertebral Motion of Female and Male Volunteers and Analysis of its Interaction with Head/neck/torso Behavior During Low Speed Rear Impact. In Proceedings of the 2014 IRCOBI Conference, Berlin, Germany, 10–12 September 2014; pp. 227–249. [Google Scholar]
  49. Linder, A.; Schick, S.; Hell, W.; Svensson, M.; Carlsson, A.; Lemmen, P.; Schmitt, K.-U.; Gutsche, A.; Tomasch, E. Adaptive seat to reduce neck injuries for female and male occupants. Accid. Anal. Prev. 2013, 60, 334–343. [Google Scholar] [CrossRef] [PubMed]
  50. Linder, A.; Holmqvist, K.; Svensson, M.Y. Average male and female virtual dummy model (BioRID and EvaRID) simulations with two seat concepts in the Euro NCAP low severity rear impact test configuration. Accid. Anal. Prev. 2018, 114, 62–70. [Google Scholar] [CrossRef]
  51. Sato, F.; Holmqvist, K.; Linder, A.; Svensson, M.; Kullgren, A.; Tanabe, J.; Yamazaki, K. Average-sized Male and Female Rear-impact Dummy Models in Simulations of Real World Cases Addressing Sensitivity in Whiplash Associated Disorder Assessment. In Proceedings of the 2017 IRCOBI Conference, Antwerp, Belgium, 13–15 September 2017; pp. 623–641. [Google Scholar]
  52. Lemmen, P.; Gupta, A.; Lakshminarayana, A.; Carlsson, A.; Svensson, M.; Schmitt, K.-U.; Levallois, I.; Linder, A.; Tomasch, E. Seat Optimisation Considering Reduction of Neck Injuries for Female and Male Occupants—Applications of the EvaRID Model and a Loading Device Representing a 50th Percentile Female. In Proceedings of the 23rd ESV Conference, Seoul, Republic of Korea, 27–30 May 2013. Paper 13-0220. [Google Scholar]
  53. Carlsson, A.; Chang, F.; Lemmen, P.; Kullgren, A.; Schmitt, K.U.; Linder, A.; Svensson, M.Y. Anthropometric specifications, development, and evaluation of EvaRID—A 50th percentile female rear impact finite element dummy model. Traffic Inj. Prev. 2014, 15, 855–865. [Google Scholar] [CrossRef]
  54. Karemyr, M.; Pettersson, T.; Svensson, M.; Linder, A. Development of Prototype Concepts of the SETs of an Average Female and Male for Low Severity Rear Impact Crash Testing; VTI Report 1147A; Swedish National Road and Transport Research Institute (VTI): Linköping, Sweden, 2022. [Google Scholar]
Figure 1. Semiactive whiplash mitigation system architecture, including labelled data flow through the interface between MATLAB SIMULINK and VISUAL NASTRAN. Grey and green colored curved boxes represent System Controllers, blue colored curved box represents MR damper controller. Effective mass adaptation is highlighted with pink colored curved box in the System Controller block.
Figure 1. Semiactive whiplash mitigation system architecture, including labelled data flow through the interface between MATLAB SIMULINK and VISUAL NASTRAN. Grey and green colored curved boxes represent System Controllers, blue colored curved box represents MR damper controller. Effective mass adaptation is highlighted with pink colored curved box in the System Controller block.
Machines 12 00530 g001
Figure 2. Mechanical properties of (a) Recliner and (b) Kelvin element in the passive anti-whiplash car seat.
Figure 2. Mechanical properties of (a) Recliner and (b) Kelvin element in the passive anti-whiplash car seat.
Machines 12 00530 g002
Figure 3. Sketch of the Modified Bouc-Wen MR damper model.
Figure 3. Sketch of the Modified Bouc-Wen MR damper model.
Machines 12 00530 g003
Figure 4. Control flow chart for the Adaptive Kinematics Profile Controller.
Figure 4. Control flow chart for the Adaptive Kinematics Profile Controller.
Machines 12 00530 g004
Figure 5. Block diagram for the system sub-controller with effective mass.
Figure 5. Block diagram for the system sub-controller with effective mass.
Machines 12 00530 g005
Figure 6. Block diagram for the damper controller.
Figure 6. Block diagram for the damper controller.
Machines 12 00530 g006
Figure 7. The crash pulses applied in the simulations. The name of the crash pulse is given on the upper right-hand side, whereas the corresponding crash pulse number is given on the lower right-hand side of the sub-plots.
Figure 7. The crash pulses applied in the simulations. The name of the crash pulse is given on the upper right-hand side, whereas the corresponding crash pulse number is given on the lower right-hand side of the sub-plots.
Machines 12 00530 g007
Figure 8. Cumulative performance of the semiactive and passive seats against all of the crash pulses considered (pulse #1 to pulse #23) based on the EuroNCAP whiplash assessment criteria. Results are presented as percentages of the capping limit of the corresponding criterion stated in Table 5. Median performance of the seats for each criterion is sketched with a vertical thick line inside the rectangular boxes. Left and right edges of these boxes represent the lower and upper quartiles respectively. Endpoints of the dotted lines correspond to the lowest and highest values obtained for all crash pulses.
Figure 8. Cumulative performance of the semiactive and passive seats against all of the crash pulses considered (pulse #1 to pulse #23) based on the EuroNCAP whiplash assessment criteria. Results are presented as percentages of the capping limit of the corresponding criterion stated in Table 5. Median performance of the seats for each criterion is sketched with a vertical thick line inside the rectangular boxes. Left and right edges of these boxes represent the lower and upper quartiles respectively. Endpoints of the dotted lines correspond to the lowest and highest values obtained for all crash pulses.
Machines 12 00530 g008
Figure 9. Upper neck shear force for the crash pulse SN16.
Figure 9. Upper neck shear force for the crash pulse SN16.
Machines 12 00530 g009
Figure 10. Upper neck shear force for the crash pulse TR24.
Figure 10. Upper neck shear force for the crash pulse TR24.
Machines 12 00530 g010
Figure 11. Velocity profiles after crash pulse SN16 is applied on the car floor.
Figure 11. Velocity profiles after crash pulse SN16 is applied on the car floor.
Machines 12 00530 g011
Figure 12. Velocity profiles after crash pulse TR24 is applied on the car floor.
Figure 12. Velocity profiles after crash pulse TR24 is applied on the car floor.
Machines 12 00530 g012
Figure 13. Control voltage (u), actual voltage V , and the applied actual force after crash pulse SN16 is applied on the car floor.
Figure 13. Control voltage (u), actual voltage V , and the applied actual force after crash pulse SN16 is applied on the car floor.
Machines 12 00530 g013
Figure 14. Control voltage (u), actual voltage V , and the applied actual force after crash pulse TR24 is applied on the car floor.
Figure 14. Control voltage (u), actual voltage V , and the applied actual force after crash pulse TR24 is applied on the car floor.
Machines 12 00530 g014
Figure 15. The motion of the semiactive seat and occupant for the crash pulse TR24.
Figure 15. The motion of the semiactive seat and occupant for the crash pulse TR24.
Machines 12 00530 g015
Figure 16. The motion of the passive seat and occupant for the crash pulse TR24.
Figure 16. The motion of the passive seat and occupant for the crash pulse TR24.
Machines 12 00530 g016
Table 1. The parameters for the MR damper model [14].
Table 1. The parameters for the MR damper model [14].
Modified Bouc-Wen Model Parameters
SymbolParameterValue
c0ahigh-velocity viscous damping784 N·s/m
c0bhigh-velocity viscous damping1803 N·s/(V·m)
k0High-velocity stiffness3610 N/m
c1alow-velocity viscous damping14,649 N·s/m
c1blow-velocity viscous damping34,622 N·s/(V·m)
k1accumulator stiffness840 N/m
αamodel scaling value12,441 N/m
αbmodel scaling value38,430 N/(V·m)
γmodel constant 136,320 m−2
βmodel constant2,059,020 m−2
δmodel constant58
nmodel constant 2
Table 2. Parameters used in the Adaptive Kinematics Profile Controller.
Table 2. Parameters used in the Adaptive Kinematics Profile Controller.
Controller Parameters
SymbolParameterValue
glimprofile controller acceleration90 m/s2
a1profile controller acceleration72 m/s2
a2profile controller acceleration54 m/s2
a3profile controller acceleration36 m/s2
a4profile controller acceleration18 m/s2
a5profile controller acceleration−10 m/s2
θ1profile controller recliner angle5.0°
θ2profile controller recliner angle5.5°
θ3profile controller recliner angle6.0°
θ4profile controller recliner angle6.5°
θ5profile controller recliner angle7.0°
xlimit seat-pan displacement 6.5 cm
Table 3. Computed torque controller gains and system parameters used in the simulations.
Table 3. Computed torque controller gains and system parameters used in the simulations.
Controller Parameters
SymbolParameterValue
KpCTC gain for position2000
KvCTC gain for velocity250
KaCTC gain for acceleration0.3
KMRMR damper controller gain0.005
KsbCTC adaptive mass gain0.15
MTtotal lumped mass90 kg
Mseatseat mass15 kg
Table 4. Parameters used in the damper controller.
Table 4. Parameters used in the damper controller.
Controller Parameters
SymbolParameterValue
KMRMR damper controller gain0.005
uminminimum applied voltage0 V
umaxmaximum applied voltage9 V
Table 5. EuroNCAP whiplash assessment criteria [30].
Table 5. EuroNCAP whiplash assessment criteria [30].
Medium Severity Crash Pulse SN16High Severity Crash Pulse TR24
CriterionUnitHPLLPLCLHPLLPLCL
NICm2/s2112427132325.5
N k m ---0.69--0.75
v r m/s--5.2--6
F s h + N 3019029030210364
F s h N--360--360
F t n N3607509004707701024
M y U Nm--30--30
F s h L N--360--360
M y L Nm--30--30
T1ag--15.55--17.8
HrCtms--92--92
Disclaimer/Publisher’s Note: The statements, opinions and data contained in all publications are solely those of the individual author(s) and contributor(s) and not of MDPI and/or the editor(s). MDPI and/or the editor(s) disclaim responsibility for any injury to people or property resulting from any ideas, methods, instructions or products referred to in the content.

Share and Cite

MDPI and ACS Style

Kaya, A.G.; Himmetoglu, S. Semiactive Car-Seat System for Rear-End Collisions. Machines 2024, 12, 530. https://doi.org/10.3390/machines12080530

AMA Style

Kaya AG, Himmetoglu S. Semiactive Car-Seat System for Rear-End Collisions. Machines. 2024; 12(8):530. https://doi.org/10.3390/machines12080530

Chicago/Turabian Style

Kaya, Ali Gunes, and Selcuk Himmetoglu. 2024. "Semiactive Car-Seat System for Rear-End Collisions" Machines 12, no. 8: 530. https://doi.org/10.3390/machines12080530

APA Style

Kaya, A. G., & Himmetoglu, S. (2024). Semiactive Car-Seat System for Rear-End Collisions. Machines, 12(8), 530. https://doi.org/10.3390/machines12080530

Note that from the first issue of 2016, this journal uses article numbers instead of page numbers. See further details here.

Article Metrics

Back to TopTop