Geochemical Characteristics of Late Ordovician Shales in the Upper Yangtze Platform, South China: Implications for Redox Environmental Evolution
Abstract
:1. Introduction
2. Geologic Setting
3. Materials and Analytical Methodology
3.1. Samples and Experimental Methods
3.2. Background: Proxies Used in this Study
3.2.1. Paleoredox Proxies
3.2.2. Paleoproductivity Proxies
3.2.3. Paleoclimate Proxies
4. Results
4.1. Paleoredox Data
4.2. Productivity Data
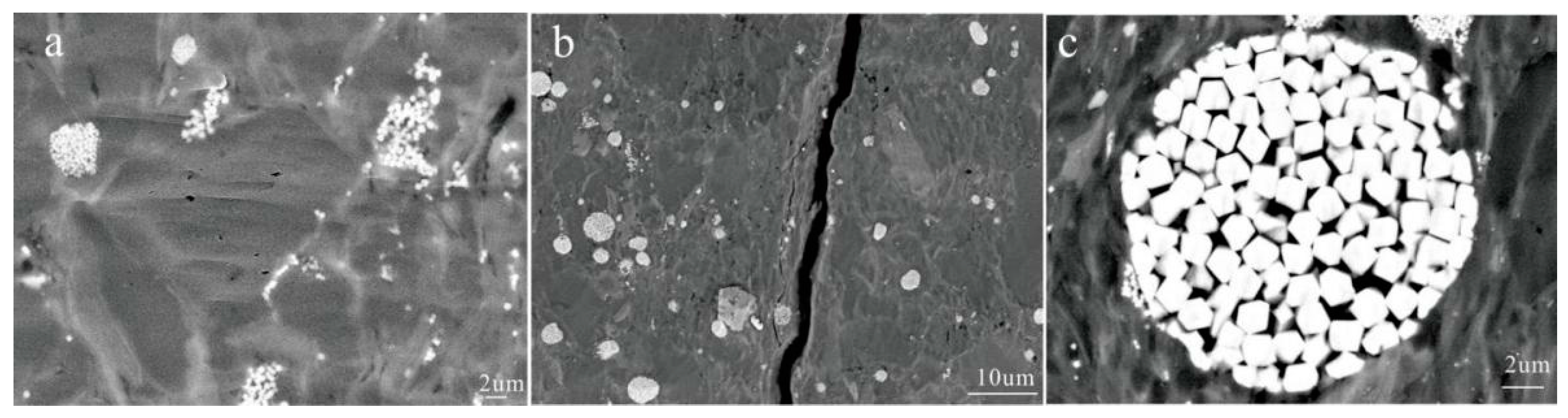
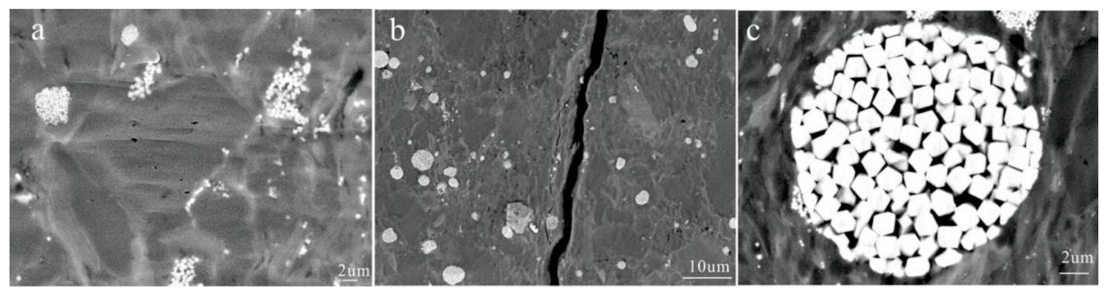
4.3. Sulfur Content and δ34Spy and Framboidal Pyrite Size Distribution
4.4. Paleoclimatic Data
5. Discussion
5.1. Reconstruction of Redox Environments at Well ZY5 during the Late Ordovician
5.2. Mechanisms Controlling the Paleoredox Environment
5.2.1. Paleoproductivity
5.2.2. Provenance Composition of Shale and Paleoclimate Characteristics
5.3. Regional Comparison of Redox Environments
5.3.1. The P. pacificus Zone
5.3.2. The M. extraordinarius Zone
6. Conclusions
Supplementary Materials
Author Contributions
Funding
Data Availability Statement
Conflicts of Interest
References
- Chen, X.; Rong, J.; Li, Y.; Boucot, A.J. Facies patterns and geography of the Yangtze region, south China, through the Ordovician and silurian transition. Palaeogeogr. Palaeoclimatol. Palaeoecol. 2004, 204, 353–372. [Google Scholar]
- Zhou, L.; Algeo, T.J.; Shen, J.; Hu, Z.; Gong, H.; Xie, S.; Huang, J.; Gao, S. Changes in marine productivity and redox conditions during the Late Ordovician Hirnantian glaciation. Palaeogeogr. Palaeoclimatol. Palaeoecol. 2015, 420, 223–234. [Google Scholar] [CrossRef]
- Zou, C.; Qiu, Z.; Poulton, S.W.; Dong, D.; Wang, H.; Chen, D.; Lu, B.; Shi, Z.; Tao, H. Ocean euxinia and climate change “double whammy” drove the Late Ordovician mass extinction. Geology 2018, 46, 535–538. [Google Scholar] [CrossRef]
- Zou, C.; Zhu, R.; Chen, Z.-Q.; Ogg, J.G.; Wu, S.; Dong, D.; Qiu, Z.; Wang, Y.; Wang, L.; Lin, S.; et al. Organic-matter-rich shales of China. Earth Sci. Rev. 2019, 189, 51–78. [Google Scholar] [CrossRef]
- Li, Y.; Zhang, T.; Ellis, G.S.; Shao, D. Depositional environment and organic matter accumulation of Upper Ordovician-Lower Silurian marine shale in the Upper Yangtze Platform, South China. Palaeogeogr. Palaeoclimatol. Palaeoecol. 2017, 466, 252–264. [Google Scholar] [CrossRef]
- Wu, J.J.; Liang, C.; Hu, Z.Q.; Yang, R.C.; Xie, J.; Wang, R.Y.; Zhao, J.H. Sedimentation mechanisms and enrichment of organic matter in the Ordovician Wufeng Formation-Silurian Longmaxi Formation in the Sichuan Basin. Mar. Petrol. Geol. 2019, 101, 556–565. [Google Scholar] [CrossRef]
- Jin, C.S.; Liao, Z.W.; Tang, Y.J. Sea-level changes control organic matter accumulation in the Longmaxi shales of southeastern Chongqing, China. Mar. Pet. Geol. 2020, 119, 104478. [Google Scholar] [CrossRef]
- Liu, Y.; Li, C.; Algeo, T.J.; Fan, J.; Peng, P. Global and regional controls on marine redox changes across the Ordovician-Silurian boundary in South China. Palaeogeogr. Palaeoclimatol. Palaeoecol. 2016, 463, 180–191. [Google Scholar] [CrossRef] [Green Version]
- Ahm, A.-S.C.; Bjerrum, C.J.; Hammarlund, E.U. Disentangling the record of diagenesis, local redox conditions, and global seawater chemistry during the latest Ordovician glaciation. Earth Planet. Sci. Lett. 2017, 459, 145–156. [Google Scholar] [CrossRef]
- Li, N.; Li, C.; Fan, J.; Algeo, T.J.; Yan, D.; Zhu, G.; Wu, S.; Tang, S.; Cheng, M.; Jin, C. Sulfate-controlled marine euxinia in the semi-restricted inner Yangtze Sea (South China) during the Ordovician-Silurian transition. Palaeogeogr. Palaeoclimatol. Palaeoecol. 2019, 534, 109281. [Google Scholar] [CrossRef]
- Shang, F.; Zhu, Y.; Hu, Q.; Wang, Y.; Li, Y.; Li, W.; Liu, R.; Gao, H. Factors controlling organic-matter accumulation in the Upper Ordovician-Lower Silurian organic~rich shale on the northeast margin of the Upper Yangtze platform: Evidence from petrographic and geochemical proxies. Mar. Pet. Geol. 2020, 121, 104597. [Google Scholar] [CrossRef]
- Wang, H.; Zhang, Z.; Li, C.; Algeo, T.J.; Cheng, M.; Wang, W. Spatiotemporal redox heterogeneity and transient marine shelf oxygenation in the Mesoproterozoic ocean. Geochim. Cosmochim. Acta 2020, 270, 201–217. [Google Scholar] [CrossRef]
- Tribovillard, N.; Algeo, T.J.; Lyons, T.; Riboulleau, A. Traceemetals as paleoredox and paleoproductivity proxies: An update. Chem. Geol. 2006, 232, 12–32. [Google Scholar] [CrossRef]
- Algeo, T.J.; Maynard, J.B. Trace—Element behavior and Redox Facies in Core shales of Upper Pennsylvanian Kansas-type cyclothems. Chem. Geol. 2004, 206, 289–318. [Google Scholar] [CrossRef]
- Poulton, S.W.; Canfield, D.E. Ferruginous conditions: A dominant feature of the ocean through Earth’s history. Elements 2011, 7, 107–112. [Google Scholar] [CrossRef] [Green Version]
- Wilkin, R.T.; Arthur, M.A.; Dean, W.E. History of water-column anoxia in the Black Sea indicated by pyrite framboid size distributions. Earth Planet. Sci. Lett. 1997, 148, 517–525. [Google Scholar] [CrossRef]
- Metcalfe, I. Late Palaeozoic and Mesozoic palaeogeography of eastern Pangaea and Tethys. Glob. Environ. Resour. Mem. 1994, 17, 97–111. [Google Scholar]
- Chen, X. Onset of the Kwangsian Orogeny as evidenced by biofacies and lithofacies. Sci. China Earth Sci. 2012, 55, 1592–1600. [Google Scholar] [CrossRef]
- Chen, X. Influence of the Late Ordovician glaciation on basin configuration of the Yangtze Platform in China. Lethaia 1984, 17, 51–59. [Google Scholar]
- Liu, Y.; Li, C.; Fan, J.; Peng, P.; Algeo, T.J. Elevated marine productivity triggered nitrogen limitation on the Yangtze Platform (South China) during the Ordovician-Silurian transition. Palaeogeogr. Palaeoclimatol. Palaeoecol. 2020, 554, 109833. [Google Scholar] [CrossRef]
- Chen, X.; Fan, J.; Chen, Q.; Tang, L.; Hou, X. Toward a stepwise Kwangsian orogeny. Sci. China Earth Sci. 2014, 57, 379–387. [Google Scholar] [CrossRef]
- Chen, X.; Rong, J.; Fan, J. A global correlation of zones across the Ordovician–Silurian boundary. Acta Palaeont. Sin. 2000, 39, 100–114. [Google Scholar]
- Xi, Z.; Tang, S.; Lash, G.G.; Zhang, B.; Lin, D. Geochemical characteristics of organic carbon and pyrite sulfur in Ordovician-Silurian transition shales in the Yangtze Platform, South China: Implications for the depositional environment. Palaeogeogr. Palaeoclimatol. Palaeoecol. 2020, 563, 110173. [Google Scholar] [CrossRef]
- Xi, Z.D.; Tang, S.H.; Li, J.; Zhang, Z.; Xiao, H. Pore characterization and the controls of organic matter and quartz on pore structure: Case study of the Niutitang Formation of northern Guizhou Province, South China. J. Nat. Gas Sci. Eng. 2019, 61, 18–31. [Google Scholar] [CrossRef]
- Xi, Z.D.; Tang, S.H.; Zhang, S.H.; Ye, Y.P. Factors controlling organic matter accumulation in the Wufeng-Longmaxi Formations in northwestern Hunan Province: Insights from major/trace elements and shale composition. Energy Fuel 2020, 34, 4139–4152. [Google Scholar] [CrossRef]
- Canfield, D.E.; Raiswell, R.; Westrich, J.T.; Reaves, C.M.; Berner, R.A. The use of chromium reduction in the analysis of reduced inorganic sulfur in sediments and shales. Chem. Geol. 1986, 54, 149–155. [Google Scholar] [CrossRef]
- Poulton, S.W.; Canfield, D. Development of a sequential extraction procedure foriron: Implications for iron partitioning in continentally derived particulates. Chem. Geol. 2005, 214, 209–221. [Google Scholar] [CrossRef]
- Helz, G.R.; Bura-Nakić, E.; Mikac, N.; Ciglenečki, I. New model for molybdenum behavior in euxinic waters. Chem. Geol. 2011, 284, 323–332. [Google Scholar] [CrossRef]
- Scott, C.; Lyons, T.W. Contrasting molybdenum cycling and isotopic properties in euxinic versus non-euxinic sediments and sedimentary rocks: Refining the paleoproxies. Chem. Geol. 2012, 324, 19–27. [Google Scholar] [CrossRef]
- Bryn, J.; David, A. Manning, Comparison of geochemical indices used for the interpretation of palaeoredox conditions in ancient mudstones. Chem. Geol. 1994, 111, 111–129. [Google Scholar]
- Algeo, T.J.; Ingall, E. Sedimentary Corg:P ratios, paleocean ventilation, and Phanerozoic atmospheric pO2. Palaeogeogr. Palaeoclimatol. Palaeoecol. 2007, 256, 130–155. [Google Scholar] [CrossRef]
- Wilkin, R.T.; Barnes, H.L.; Brantley, S.L. The size distribution of framboidal pyrite in modern sediments: An indicator of redox conditions. Geochim. Cosmochim. Acta 1996, 60, 3897–3912. [Google Scholar] [CrossRef]
- Khan, M.Z.; Feng, Q.; Zhang, K.; Guo, W. Biogenic silica and organic carbon fluxes provide evidence of enhanced marine productivity in the upper Ordovician-lower silurian of South China. Palaeogeogr. Palaeoclimatol. Palaeoecol. 2019, 534, 109278. [Google Scholar] [CrossRef]
- Morford, J.L.; Emerson, S. The geochemistry of redox sensitive trace metals in sediments. Geochim. Cosmochim. Acta 1999, 63, 1735–1750. [Google Scholar] [CrossRef]
- Chen, H.; Xie, X.; Li, H.; Su, P.; Peng, W.; Hu, C. Permian Marine source rocks in Shangsi section of Sichuan Province were evaluated by using alternative indices of palaeo-oxygen facies and palaeo-productivity. J. Palaeogeogr. 2010, 12, 324–333. [Google Scholar]
- Michalopoulos, P.; Aller, R.C. Early diagenesis of biogenic silica in the Amazondelta: Alteration, authigenic clay formation, and storage. Geochim. Cosmochim. Acta 2004, 68, 1061–1085. [Google Scholar] [CrossRef]
- Nesbitt, H.W.; Young, G.M. Early Proterozoic climates and plate motions inferred from major element chemistry of lutites. Nature 1982, 299, 715–717. [Google Scholar] [CrossRef]
- Nesbitt, H.W.; Young, G.M. Prediction of some weathering trends of plutonic and volcanic rocks based on thermodynamic and kinetic considerations. Geochim. Cosmochim. Acta 1984, 48, 1523–1534. [Google Scholar] [CrossRef]
- Young, G.M.; Nesbitt, H.W. Paleoclimatology and provenance of the glaciogenic Gowganda Formation (Paleoproterozoic), Ontario, Canada: A chemostratigraphic approach. GSA Bull. 1999, 111, 264–274. [Google Scholar] [CrossRef]
- Fedo, C.M.; Nesbitt, H.W.; Young, G.M. Unraveling the effects of potassium metasomatism in sedimentary rocks and paleosols, with implications for paleo-weathering conditions and provenance. Geology 1995, 23, 921–924. [Google Scholar] [CrossRef]
- Mclennan, S.M. Weathering and global denudation. J. Geol. 1993, 101, 295–303. [Google Scholar] [CrossRef]
- Panahi, A.; Young, G.M.; Rainbird, R.H. Behavior of major and trace elements (including REE) during Paleoproterozoic pedogenesis and diagenetic alteration of an Archean granite near Ville Marie, Québec, Canada. Geochim. Cosmochim. Acta 2000, 64, 2199–2220. [Google Scholar] [CrossRef]
- Reinhard, C.T.; Planavsky, N.J.; Olson, S.L.; Lyons, T.W.; Erwin, D.H. Earth’s oxygen cycle and the evolution of animal life. Proc. Natl. Acad. Sci. USA 2016, 113, 8933–8938. [Google Scholar] [CrossRef] [PubMed] [Green Version]
- Saltzman, M.R.; Young, S.A. Long-lived glaciation in the Late Ordovician? Isotopic and sequence-stratigraphic evidence from western Laurentia. Geology 2005, 33, 109–112. [Google Scholar] [CrossRef]
- Wang, K.; Orth, C.J.; Attrep, M.; Chatterton, B.; Wang, X.; Li, J. The great latest Ordovician extinction on the South China Plate: Chemostratigraphic studies of the Ordovician-Silurian boundary interval on the Yangtze Platform. Palaeogeogr. Palaeoclimatol. Palaeoecol. 1993, 104, 61–79. [Google Scholar] [CrossRef]
- Wang, Y.; Rong, J.; Zhan, R.; Huang, B.; Wu, R.; Wang, G. On the Ordovician-Silurian boundary strata in southwestern Hubei, and the Yichang Uplift. J. Stratigr. 2013, 37, 264–274. [Google Scholar]
- McLennan, S.M.; Hemming, S.R.; Taylor, S.R.; Eriksson, K.A. Early Proterozoic crustal evolution: Geochemical and Nd-Pb isotopic evidence from metasedimentary rocks, southwestern North America. Geochim. Cosmochim. Acta 1995, 59, 1153–1177. [Google Scholar] [CrossRef]
- Cullers, R.L.; Podkovyrov, V.N. Geochemistry of the Mesoproterozoic Lakhanda shales in southeastern Yakutia, Russia: Implications for mineralogical and provenance control, and recycling. Precambrian Res. 2000, 104, 77–93. [Google Scholar] [CrossRef]
- Hayashi, K.; Fujisawa, H.; Holland, H.D.; Ohmoto, H. Geochemistry of 1.9 ~ Ga sedimentary rocks from northeastern Labrador, Canada. Geochim. Cosmochim. Acta 1997, 61, 4115–4137. [Google Scholar] [CrossRef]
- Gu, X.X.; Liu, J.M.; Zheng, M.H.; Tang, J.X.; Qi, L. Provenance and Tectonic Setting of the Proterozoic Turbidites in Hunan, South China: Geochemical Evidence. J. Sediment. Res. 2002, 72, 393–407. [Google Scholar] [CrossRef]
- Johnston, D.T.; Poulton, S.W.; Dehler, C.; Porter, S.; Husson, J.; Canfield, D.E.; Knoll, A.H. An emerging picture of Neoproterozoic ocean chemistry: Insights from the Chuar Group, Grand Canyon, USA. Earth Planet Sci. Lett. 2010, 290, 64–73. [Google Scholar] [CrossRef]
- Li, C.; Love, G.D.; Lyons, T.W.; Scott, C.T.; Feng, L.; Huang, J.; Chang, H.; Zhang, Q.; Chu, X. Evidence for a redox stratified Cryogenian marine basin, Datangpo Formation, South China. Earth Planet Sci. Lett. 2012, 331–332, 246–256. [Google Scholar] [CrossRef]
- Feng, L.; Li, C.; Huang, J.; Chang, H.; Chu, X. A sulfate control on marine mid-depth euxinia on the early Cambrian(ca. 529–521 Ma) Yangtze platform, South China. Precambrian Res. 2014, 246, 123–133. [Google Scholar] [CrossRef]
- McKenzie, N.R.; Horton, B.K.; Loomis, S.E.; Stockli, D.F.; Planavsky, N.J.; Lee, C.T.A. Continental arc volcanism as the principal driver of icehouse-greenhouse variability. Science 2016, 352, 444–447. [Google Scholar] [CrossRef] [PubMed] [Green Version]
- Bond David, P.G.; Grasby Stephen, E. Late Ordovician mass extinction caused by volcanism, warming, and anoxia, not cooling and glaciation. Geology 2020, 48, 777–781. [Google Scholar] [CrossRef]
- Jones, D.S.; Martini, A.M.; Fike, D.A.; Kaiho, K. A volcanic trigger for the Late Ordovician mass extinction? Mercury data from south China and Laurentia. Geology 2017, 45, 631–634. [Google Scholar] [CrossRef] [Green Version]
- Wu, L.; Lu, Y.; Jiang, S.; Liu, X.; Liu, Z.; Lu, Y. Relationship between the origin of organic-rich shale and geological events of the Upper Ordovician-Lower Silurian in the Upper Yangtze area. Mar. Pet. Geol. 2019, 102, 74–85. [Google Scholar] [CrossRef]
- Smolarek-Lach, J.; Marynowski, L.; Trela, W.; Wignall, P.B. Mercury Spikes Indicate a Volcanic Trigger for the Late Ordovician Mass Extinction Event: An Example from a Deep Shelf of the Peri-Baltic Region. Sci. Rep. 2019, 9, 3139. [Google Scholar] [CrossRef]
- Raiswell, R.; Canfield, D.E. The iron biogeochemical cycle past and present. Geochem. Perspect. 2012, 1, 1–220. [Google Scholar] [CrossRef] [Green Version]
- Lei, L.; Shen, J.; Li, C.; Algeo, T.J.; Chen, Z.; Feng, Q.; Cheng, M.; Jin, C.; Huang, J. Controls on regional marine redox evolution during Permian-Triassic transition in South China. Palaeogeogr. Palaeoclimatol. Palaeoecol. 2017, 486, 17–32. [Google Scholar] [CrossRef]
- Smolarek, J.; Marynowski, L.; Trela, W.; Kujawski, P.; Bernd, R.T. Simoneit, Redox conditions and marine microbial community changes during the end-Ordovician mass extinction event. Glob. Planet. Chang. 2017, 149, 105–122. [Google Scholar] [CrossRef]
- Melchin, M.M.; Mitchell, C.E.; Holmden, C.; Štorch, P. Environmental changes in the Late Ordovician–early Silurian: Review and new insights from black shales and nitrogen isotopes. Geol. Soc. Am. Bull. 2013, 125, 1635–1670. [Google Scholar] [CrossRef]
- Leavitt, W.D.; Halevy, I.; Bradley, A.S.; Johnston, D.T. Influence of sulfate reduction rates on the Phanerozoic sulfur isotope record. Proc. Natl. Acad. Sci. USA 2013, 110, 11244–11249. [Google Scholar] [CrossRef] [PubMed] [Green Version]
- Habicht, K.S.; Gade, M.; Thamdrup, B.; Berg, P.; Canfield, D.E. Calibration of sulfate levels in the Archean ocean. Science 2002, 298, 2372–2374. [Google Scholar] [CrossRef] [PubMed] [Green Version]
- Wang, X.; Zhang, S.; Wang, H.; Bjerrum, C.J.; Hammarlund, E.U.; Haxen, E.R.; Su, J.; Wang, Y.; Canfield, D.E. Oxygen, climate and the chemical evolution of a 1400 million year old tropical marine setting. Am. J. Sci. 2017, 317, 861–900. [Google Scholar] [CrossRef]
- Libes, S.M. Introduction to Marine Biogeochemistry; Elsevier: Amsterdam, The Netherlands, 2009. [Google Scholar]
- Anbar, A.D.; Knoll, A.H. Proterozoic ocean chemistry and evolution: A bioinorganic bridge. Science 2002, 297, 1137–1142. [Google Scholar] [CrossRef] [Green Version]
- Lyons, T.W.; Reinhard, C.T.; Planavsky, N.J. The rise of oxygen in Earth’s early ocean and atmosphere. Nature 2014, 506, 307–315. [Google Scholar] [CrossRef] [PubMed]









Publisher’s Note: MDPI stays neutral with regard to jurisdictional claims in published maps and institutional affiliations. |
© 2021 by the authors. Licensee MDPI, Basel, Switzerland. This article is an open access article distributed under the terms and conditions of the Creative Commons Attribution (CC BY) license (https://creativecommons.org/licenses/by/4.0/).
Share and Cite
Lin, D.; Tang, S.; Xi, Z.; Zhang, B.; Ye, Y. Geochemical Characteristics of Late Ordovician Shales in the Upper Yangtze Platform, South China: Implications for Redox Environmental Evolution. Minerals 2021, 11, 710. https://doi.org/10.3390/min11070710
Lin D, Tang S, Xi Z, Zhang B, Ye Y. Geochemical Characteristics of Late Ordovician Shales in the Upper Yangtze Platform, South China: Implications for Redox Environmental Evolution. Minerals. 2021; 11(7):710. https://doi.org/10.3390/min11070710
Chicago/Turabian StyleLin, Donglin, Shuheng Tang, Zhaodong Xi, Bing Zhang, and Yapei Ye. 2021. "Geochemical Characteristics of Late Ordovician Shales in the Upper Yangtze Platform, South China: Implications for Redox Environmental Evolution" Minerals 11, no. 7: 710. https://doi.org/10.3390/min11070710
APA StyleLin, D., Tang, S., Xi, Z., Zhang, B., & Ye, Y. (2021). Geochemical Characteristics of Late Ordovician Shales in the Upper Yangtze Platform, South China: Implications for Redox Environmental Evolution. Minerals, 11(7), 710. https://doi.org/10.3390/min11070710

