Modeling, Analysis, and Classification of Asymmetrical DC Faults in a Bipolar Hybrid Cascaded Multi-Terminal HVDC System
Abstract
1. Introduction
- A bipolar hybrid cascaded MTDC system topology is simulated, incorporating both LCCs and MMCs configured with series and parallel connections. DC filters are integrated at both positive and negative poles to ensure stable operation.
- This paper provides a comprehensive analysis of asymmetrical DC faults by systematically categorizing them according to their respective sections, modes, and distinct physical locations, thereby elucidating their characteristic behavioral patterns through rigorous investigation.
- This research uniquely examines the features of pole–pole asymmetrical DC faults, line-to-ground asymmetrical DC faults, pole–pole ground asymmetrical DC faults, single line asymmetrical DC faults, multipoint asymmetrical DC faults, and midpoint asymmetrical DC faults, all occurring simultaneously in a bipolar hybrid cascaded HVDC system.
- A comprehensive analysis of major asymmetrical DC faults is presented, leading to a proposed new classification of asymmetrical DC faults, where each category’s corresponding control demands are analyzed to ensure system stability, thereby providing critical insights for protection scheme design.
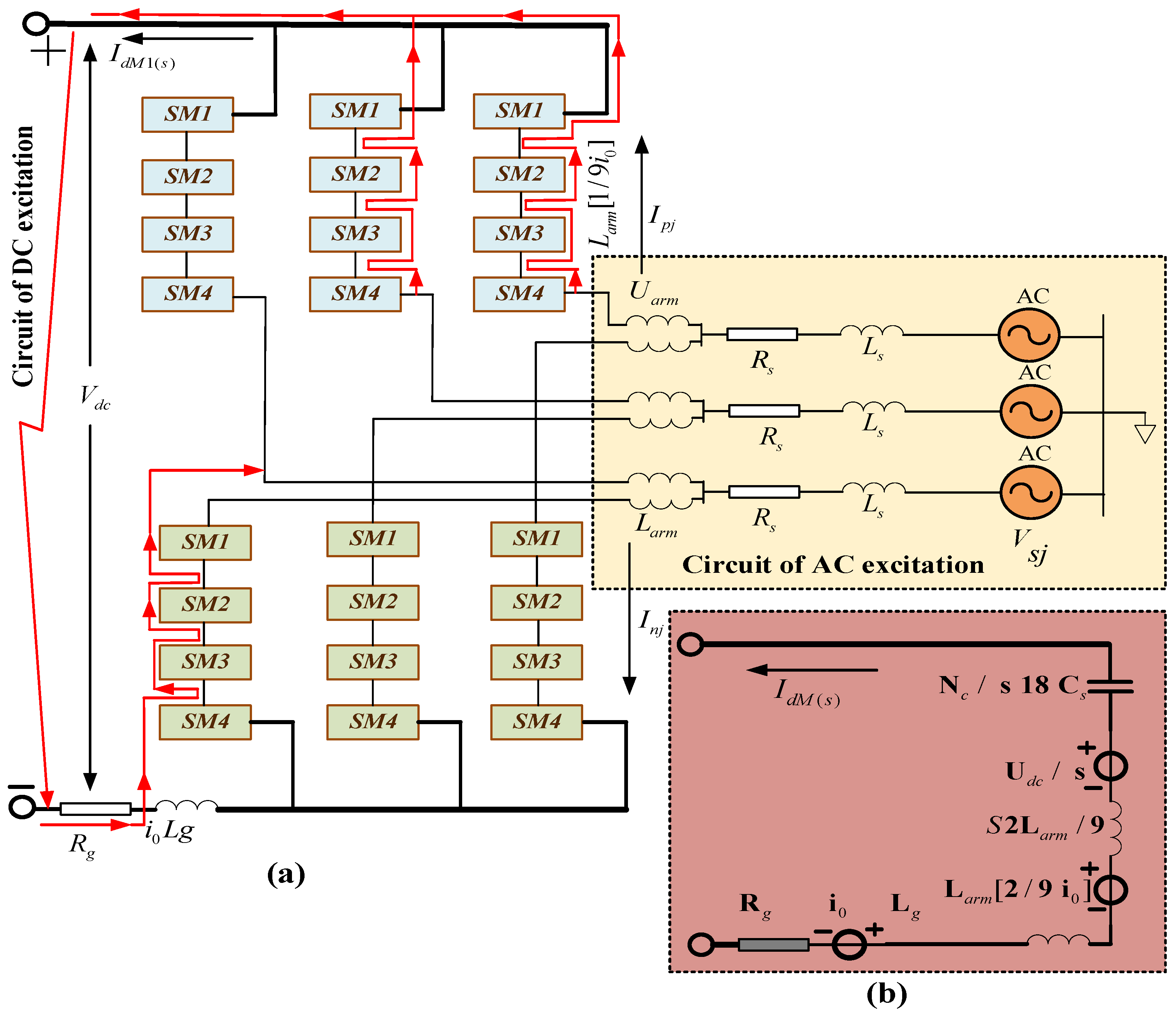
2. Classification and Characteristics of Asymmetrical DC Faults of Bipolar Hybrid Cascaded MTDC System
2.1. Topology of the Bipolar Hybrid Cascaded MTDC System
2.2. Principles and Control of the Bipolar Hybrid Cascaded MTDC System
- In a hybrid cascaded system, where the receiving LCCs and MMCs are connected in series and two voltage levels exist within the transmission line, stable operation requires the presence of two converter stations dedicated to voltage control. Additionally, due to the series configuration of system converters, at least one converter station must function as a power control unit to regulate system power flow effectively.
- The operating status of the hybrid cascaded MTDC system can be determined using Equation (1), as shown below:
2.3. Fault Current Theory Analysis Under Asymmetrical DC Faults
2.3.1. Fault Current Contribution of MMCs
- (a)
- DC-Side Contribution
- Pole–ground DC fault
- Pole–pole DC fault
- Pole–pole-to-ground fault
- (b)
- AC-Side Contribution
- (c)
- Superposition of DC- and AC-Side Excitations
2.3.2. LCC Contribution Under Different Asymmetrical DC Faults
2.4. Asymmetrical DC Faults Classifications of the Bipolar Hybrid Cascaded MTDC System
2.4.1. Category 1: Asymmetrical DC Faults in the Series Part of the Bipolar Hybrid Cascaded MTDC System
- DC fault 1: This asymmetrical DC fault is an internal fault occurring between the two LCCs. DC fault 1 is a line-to-line fault. In a line–line fault, one end is connected to the positive terminal of both LCCs, while the other end is connected to the negative terminal of both LCCs. This line-to-line DC fault is ungrounded. Figure 4 illustrates that, during an asymmetrical DC internal line-to-line short-circuit fault between the two LCCs, LCC1 and LCC2 direct the fault current towards the fault site at both extremities of the DC line. At this moment, the instantaneous increase in current and the direction of the abrupt current change align with the direction of current flow. At this fault location, the direction of the fault current is positive.
- DC fault 2: This asymmetrical DC fault is the internal fault occurring between the two LCCs. This DC fault 2 is a line-to-line DC fault with grounding. Figure 4 demonstrates that, during an asymmetrical DC internal line-to-line short-circuit fault, the impact on the ground is similar, with little difference, as confirmed by the subsequent simulation results. A minimal disparity in the increase in current is observed when comparing this fault with line-to-line DC faults with the ground.
- DC fault 3: This asymmetrical DC fault is an internal fault occurring between the two LCCs. The third asymmetrical DC fault depicted in Figure 5 is identified as the line-to-ground DC fault. An asymmetrical DC internal line-to-ground fault on a positive line can cause an abrupt change in current and voltage.
- DC fault 4: This asymmetrical DC fault is also an internal fault occurring between the two LCCs. The fourth DC fault in the LCC section is a same-line DC fault, occurring on the same line as the positive terminal. The first end is connected to the LCC2, while the second end is connected to the LCC2.
2.4.2. Category 2: Asymmetrical DC Faults on the Hybrid Part of the Bipolar Hybrid Cascaded MTDC System
- DC fault 5: This asymmetrical DC internal fault occurs between the two LCCs and the MMCs. DC fault 5 refers to a line-to-line DC fault. In this DC fault, one end is linked to the positive terminal of the LCC2 and MMCs, while the other end is connected to the negative terminal of the LCC2 and MMCs.
- DC fault 6: This asymmetrical DC internal fault occurs between the two LCCs and the MMCs. This DC asymmetrical fault is a line-to-line DC fault involving the ground. DC fault 6’s first end is connected to the positive terminal of the LCC2 and MMCs.
- DC fault 7: DC fault 7’s first end is connected to the positive terminal of the LCC2 and MMCs, and its second end is connected to the ground. This is a line-to-ground DC fault.
2.4.3. Category 3: Asymmetrical DC Faults in the MMC Part of the Bipolar Hybrid Cascaded MTDC System
- DC fault 8: This asymmetrical DC fault is internal to the MMCs. DC fault 8 refers to the line-to-ground fault at MMC2. DC fault 8’s first end is connected to the positive terminal of MMC2 and its second end is connected to the ground. This DC fault occurs within the boundaries of the modular multilevel converters (MMCs), and this particular fault is also referred to as a midpoint DC fault.
- DC fault 9: DC fault 9 is associated with the same-line fault. This DC fault is located on the MMC1. This is sometimes referred to as a midpoint DC fault as well.
- DC fault 10: The first end of this fault is attached to the MMC2, while the second end is connected to the MMC3. This problem is also referred to as a line–line DC fault with ground. All these DC flaws are plainly illustrated in Figure 7.
2.4.4. Category 4: Multipoint Asymmetrical DC Faults in the Bipolar Hybrid Cascaded MTDC System
3. New Classification of DC Faults and Corresponding Control Demand Analysis
3.1. Simulations of the Asymmetrical DC Faults of the Bipolar Hybrid Cascaded MTDC System
- In Case A, four types of DC faults were examined; the faults were classified under category 1, pertaining to the LCC segment. Independent simulations were conducted for each fault, identifying their characteristics, assessing similarities, and drawing conclusions. The results were scrutinized, and those with similar characteristics were categorized separately. This led to the establishment of a new classification of characterization groups, which are detailed in Section 3.2.1. The simulations and characteristics of these faults were then used to classify them.
- In Case B, three DC faults, falling under category 2, were examined and their simulations conducted. These faults were related to the hybrid segment of the system and were challenging to simulate. Similarly to Case 1, all simulation outcomes were scrutinized and characterizations were deduced, leading to the identification of a new classification of DC fault characterizations, as presented in Section 3.2.2.
- In Case C, we analyzed three DC faults classified under category 3, which is associated with MMCs. Simulations and outcomes were scrutinized, leading to a new characterization classification, which is presented in Section 3.2.3.
- In Case D, multipoint DC faults were addressed. These DC faults belong to category 4. The combinations of these DC faults are numerous. A selection of combinations of DC faults was considered in this paper, and simulations of these DC faults were executed. The combinations of these DC faults include (a) DC fault 1 and DC fault 2 and (b) DC fault 1 and DC fault 3. Following the completion of the simulations, the characteristics of these DC faults were identified, leading to the creation of a new classification of these DC faults, which is illustrated in Section 3.2.4.
3.2. New Classification of Characterization of Asymmetrical DC Faults of Bipolar Hybrid Cascaded MTDC System
3.2.1. Characterization of DC Faults in Category 1
3.2.2. Characterization of DC Faults in Category 2
3.2.3. Characterization of DC Faults in Category 3
3.2.4. Characterization of DC Fault Category 4
3.2.5. Characterization of DC Fault Category 5
3.3. Control Demand of the DC Faults
3.3.1. Control Demand of Category 1 DC Faults
- Following a DC fault, the current can experience a sudden surge, making it imperative to promptly reduce the DC voltage to limit fault currents. The LCC reverse blocking feature should be immediately engaged to restrict the erroneous current. Under normal conditions, the LCC operates within a current range of 2 kA to 5.5 kA, but a fault can cause the current to rise significantly, posing a risk to the entire LCC assembly and potentially destabilizing the system. Similarly, MMCs, which typically withstand currents between 1.5 kA and 3 kA, may be exposed to currents exceeding their capacity during a DC fault, necessitating protective measures to mitigate the impact of these excessive currents and preserve system stability.
- During this DC fault, the current rises to approximately 13 kA while the voltage drops from 400 kV to 285 kV. To maintain system stability, it is necessary to adjust the MMCs’ DC voltages and retard the firing angle to limit the fault current. There is no immediate need to trip the DC circuit breaker, as the fault may self-clear without causing significant current escalation over time. Maintaining the system’s impedance is also crucial, since the fault creates a short-circuit path that reduces impedance and induces a sudden current spike, which could potentially damage converters such as MMCs.
- MMCs and LCCs are designed to rapidly adjust their output voltage in real time to respond to disturbances. To mitigate DC fault currents, the firing angle at the rectifier side should be increased, while the MMC provides reactive power support to stabilize voltages. The pole unaffected by the fault must be maintained to enable partial power delivery, and dynamic adjustments to the extinction angle on the inverter side help minimize commutation overlap. Additionally, effective integration of the voltage control error ensures a seamless transition between the system’s control modes, maintaining overall stability during fault conditions.
3.3.2. Control Demand of Category 2 DC Faults
- For this moderate DC fault, it is not necessary to trigger the protection mechanisms of the DC or AC circuit breakers, as both LCC and MMC units can effectively manage the disturbance, and the resulting current increase is not critically severe. The LCC reverse blocking function should be promptly activated to limit the fault current, while the MMC must adjust the DC voltage reference to quickly reduce the positive terminal voltage. Additionally, the capacitors within the converters remain largely unaffected, as the short-duration nature of this fault allows it to be adequately mitigated by the LCCs and MMCs.
- To mitigate the fault current flowing through both ends of a significant DC fault, it is necessary to adjust the DC voltage across the entire positive pole and modify the LCC to manage commutation, thereby preventing rectifier overload. Simultaneously, the MMC on the inverter side must inject reactive power to stabilize the associated AC grid, providing essential support to maintain overall system stability during the disturbance.
- Subsequent to this fault, the voltages at the positive pole experience a fast decline, rendering the management of the negative voltage a significant challenge due to the system’s instability.
3.3.3. Control Demand of Category 3 DC Faults
- During this severe fault condition, the current may escalate to extraordinary levels of up to 500 kA, far exceeding the tolerance limits of both the LCCs and MMCs. Simultaneously, the voltage shifts from 400 kV to −300 kV, indicating a polarity inversion that represents a critical fault. Under such circumstances, it is imperative to promptly disengage the DC circuit breaker and activate the AC circuit breaker, as the excessive current poses serious risks to both the AC and DC segments of the system. The abrupt discharge of capacitors further amplifies the fault current, threatening system stability, while the inductors contribute to the escalation by releasing stored energy, which may ultimately lead to overheating and potential damage.
- To protect the IGBTs and other sensitive components, it is essential to block all MMCs during a DC fault. Retarding the firing angle helps limit the fault current, while maintaining the system’s impedance is critical to prevent excessive current escalation. The occurrence of a DC fault creates a short-circuit pathway, reducing system impedance and inducing a sudden surge in current, which can potentially damage converters such as MMCs. Both MMCs and LCCs are designed to rapidly adjust their output voltage in real time, providing additional support to mitigate the fault impact and maintain system stability.
- To mitigate the DC fault current, it is advisable to increase the firing angle at the rectifier side. Additionally, MMCs should be utilized for reactive power support to maintain voltage stability, while the pole unaffected by the fault must be reinforced to enable partial power delivery and ensure continued system operation.
- Dynamic adjustment of the extinction angle on the inverter side is necessary to diminish commutation overlap. To ensure a seamless transition between the various control modes of the system, it is crucial to effectively integrate the voltage control error.
3.3.4. Control Demand of Category 4 DC Faults
- In this type of catastrophic DC fault, the current can surge to levels as high as 350 kA while the corresponding voltage collapses to zero, making it imperative to promptly activate the DC circuit breakers to mitigate the fault condition.
- During such faults, the AC circuit breakers must also be activated, as the instantaneous voltage drop to zero causes the capacitors to discharge, making it essential to recharge them once the fault has been cleared.
- To alleviate the DC fault current, it is necessary to retard the firing angle at the rectifier terminal, thereby increasing the effective system impedance following the fault. Both MMCs and LCCs are designed to rapidly adjust their output voltage in real time, which further supports the suppression of the fault current and contributes to maintaining system stability.
- In the event of a DC fault, the MMC can be employed to provide reactive power support, thereby ensuring voltage stabilization. At the same time, it is crucial to stabilize the pole unaffected by the fault to enable partial power delivery, while dynamic adjustments to the extinction angle further contribute to maintaining system stability during the disturbance.
3.3.5. Control Demand of Category 5 DC Faults
- The occurrence of multipoint DC faults significantly alters the operational characteristics of the modular multilevel converters, as the current rises sharply while the voltage drops to negligible levels. To mitigate this condition, it becomes imperative to promptly trip both the DC and AC circuit breakers.
- The capacitors undergo a rapid discharge as a consequence of this DC fault.
- To mitigate the DC fault current, it is essential to retard the firing angle. Preserving the system’s impedance following the occurrence of a DC fault is critical. The initiation of this DC fault creates a short circuit pathway, leading to a decrease in system impedance, which in turn results in an abrupt increase in current. The resultant surge in current of exceedingly high magnitude poses a risk of damage to the converters, including MMCs.
- MMCs and LCCs adjust the output voltage in real-time scenarios. In order to attenuate the DC fault current, it is advisable to augment the firing angle on the rectifier side and to employ the MMC for reactive power compensation to ensure voltage stabilization.
4. Conclusions
- Developed a comprehensive simulation of a bipolar hybrid cascaded multi-terminal HVDC system and executed simulations of principal categories of DC faults. The effects of failures on HVDC bipolar systems were comprehensively analyzed, including a meticulous assessment of the main DC fault characteristics.
- Classified the DC faults based on their distinctive characteristics and delineated them into an innovative categorization of DC faults. The characteristics of current, voltage, active power, and reactive power were analyzed in relation to the effects of a DC fault.
- The requisite control demand for the mitigation of DC faults was proposed based on the newly established classification of DC fault characteristics.
- Line–line DC faults, line-to-ground DC faults, same-pole DC faults, and multipoint DC faults were examined comprehensively, with the control requirements for each type of DC fault provided sequentially to ensure system security.
Author Contributions
Funding
Data Availability Statement
Conflicts of Interest
Abbreviations
| DC | Direct current | t | Time |
| AC | Alternating current | P | Active power |
| MMC | Modular multilevel converter | Q | Reactive power |
| HVDC | High voltage direct current | DC voltages of rectifier | |
| MTDC | Multiterminal high voltage direct current | DC voltages of inverter | |
| LCC | Line commutated converter | High-end DC voltages | |
| DCCB | DC circuit breaker | R | Resistance |
| V | Voltage | Reactance | |
| I | Current | F | Sub-modules capacitor unit |
| KA | Unit of voltage kilovolt | p.u | Transformer leakage reactance in per unit |
| KV | Unit of voltage kilovolt | H | Arm inductor |
| Firing angle of the thyristor | Change in current | ||
| Extinction angle or commutation margin | Change in voltages |
References
- Zafari, L.; Liu, Y.; Ukil, A.; Nair, N.K.C. Advances in HVDC Systems: Aspects, Principles, and a Comprehensive Review of Signal Processing techniques for Fault Detection. Energies 2025, 18, 3106. [Google Scholar] [CrossRef]
- Yousaf, M.Z.; Khalid, S.; Tahir, M.F.; Tzes, A.; Raza, A. A novel dc fault protection scheme based on intelligent network for meshed dc grids. Int. J. Electr. Power Energy Syst. 2023, 154, 109423. [Google Scholar] [CrossRef]
- Rana, K.; Biswal, M.; Kishor, N.; Negi, R. A Secure Fault Identification Approach for MMC--HVDC Network. Int. Trans. Electr. Energy Syst. 2024, 2024, 7639847. [Google Scholar] [CrossRef]
- Panda, A.K.; Patnaik, N. Management of reactive power sharing & power quality improvement with SRF-PAC based UPQC under unbalanced source voltage condition. Int. J. Electr. Power Energy Syst. 2017, 84, 182–194. [Google Scholar] [CrossRef]
- Qamar, H.G.M.; Guo, X.; Ahmad, F. Intelligent energy management system of hydrogen based microgrid empowered by AI optimization technique. Renew. Energy 2024, 237, 121738. [Google Scholar] [CrossRef]
- Pragati, A.; Mishra, M.; Rout, P.K.; Gadanayak, D.A.; Hasan, S.; Prusty, B.R. A comprehensive survey of HVDC protection system: Fault analysis, methodology, issues, challenges, and future perspective. Energies 2023, 16, 4413. [Google Scholar] [CrossRef]
- Mishra, A.K.; Tripathi, S.M.; Singh, O.; Srivastava, A.K.; Venkatraman, T.; Vijayaraghavan, R.R.; Kumar, S.; Elavarasan, R.M.; Mihet-Popa, L. Performance assessment of VSC-based HVDC system in asynchronous grid interconnection: Offline and real-time validation of control design with symmetric optimum PI tuning. Heliyon 2024, 10, e35624. [Google Scholar] [CrossRef]
- Velayati, M.H.; Amjady, N.; Khajevandi, I. Prediction of dynamic voltage stability status based on Hopf and limit induced bifurcations using extreme learning machine. Int. J. Electr. Power Energy Syst. 2015, 69, 150–159. [Google Scholar] [CrossRef]
- Qamar, H.G.M.; Guo, X.; Ghith, E.; Tlija, M. A Novel Approach to Energy Management with Power QualityEnhancement in Hydrogen Based Microgrids through Numerical Simulation. Appl. Sci. 2024, 14, 7607. [Google Scholar] [CrossRef]
- Leterme, W.; Tielens, P.; De Boeck, S.; Van Hertem, D. Overview of grounding and configuration options for meshed HVDC grids. IEEE Trans. Power Deliv. 2014, 29, 2467–2475. [Google Scholar] [CrossRef]
- Li, G.; An, T.; Liang, J.; Liu, W.; Joseph, T.; Lu, J.; Szechtman, M.; Andersen, B.R.; Lan, Y. Power reversal strategies for hybrid LCC/MMC HVDC systems. CSEE J. Power Energy Syst. 2020, 6, 203–212. [Google Scholar] [CrossRef]
- Mirsaeidi, S.; Muttaqi, K.M.; He, J.; Dong, X. A coordinated power flow control strategy to enhance the reliability of hybrid ac/dc power grids during cascading faults. Int. J. Electr. Power Energy Syst. 2024, 155, 109651. [Google Scholar] [CrossRef]
- Li, Z.; Wei, Z.; Zhan, R.; Li, Y.; Zhang, X.-P. System operational dispatching and scheduling strategy for hybrid cascaded multi-terminal HVDC. Int. J. Electr. Power Energy Syst. 2020, 122, 106195. [Google Scholar] [CrossRef]
- Guo, C.; Zheng, A.; Yin, Z.; Zhao, C. Small-signal stability of hybrid multi-terminal HVDC system. Int. J. Electr. Power Energy Syst. 2019, 109, 434–443. [Google Scholar] [CrossRef]
- Lv, Z.; Wang, B.; Guo, Q.; Sun, H.; Zhao, H.; Jiang, M. Coordinated optimization for multi-infeed LCC-HVDCs transient control considering short-term voltage stability of receiving-end grid. IEEE Trans. Power Syst. 2022, 38, 5512–5525. [Google Scholar] [CrossRef]
- Wang, Y.; Liao, S.; Xu, Q.; Wang, L.; Guerrero, J.M. Coordinated design of control parameters for improving interactive and internal stability of MMC-HVDC. Int. J. Electr. Power Energy Syst. 2022, 140, 108065. [Google Scholar] [CrossRef]
- Guo, C.; Wu, Z.; Yang, S.; Hu, J. Overcurrent suppression control for hybrid LCC/VSC cascaded HVDC system based on fuzzy clustering and identification approach. IEEE Trans. Power Deliv. 2021, 37, 1745–1753. [Google Scholar] [CrossRef]
- Niu, C.; Yang, M.; Xue, R.; Zhu, L.; Wang, X.; Wu, J. Research on inverter side AC fault ride-through strategy for hybrid cascaded multi-terminal HVDC system. In Proceedings of the 2020 IEEE 4th Conference on Energy Internet and Energy System Integration (EI2), Wuhan, China, 30 October–1 November 2020; pp. 800–805. [Google Scholar]
- Kang, Z.; Zhang, Z.; Wang, S.; Yin, R. A new adaptive DC voltage droop control for hybrid cascaded HVDC transmission system. In Proceedings of the 2022 4th Asia Energy and Electrical Engineering Symposium (AEEES), Chengdu, China, 25–28 March 2022; pp. 536–540. [Google Scholar]
- Ye, H.; Cao, W.; Chen, W.; Wu, H.; He, G.; Li, G.; Xi, Y.; Liu, Q. An AC fault ride through method for MMC-HVDC system in offshore applications including DC current-limiting inductors. IEEE Trans. Power Deliv. 2021, 37, 2818–2830. [Google Scholar] [CrossRef]
- Muniappan, M. A comprehensive review of DC fault protection methods in HVDC transmission systems. Prot. Control Mod. Power Syst. 2021, 6, 1–20. [Google Scholar] [CrossRef]
- Yousaf, M.Z.; Singh, A.R.; Khalid, S.; Bajaj, M.; Kumar, B.H.; Zaitsev, I. Enhancing HVDC transmission line fault detection using disjoint bagging and bayesian optimization with artificial neural networks and scientometric insights. Sci. Rep. 2024, 14, 23610. [Google Scholar] [CrossRef]
- Khomfoi, S.; Tolbert, L.M. Fault diagnostic system for a multilevel inverter using a neural network. IEEE Trans. Power Electron. 2007, 22, 1062–1069. [Google Scholar] [CrossRef]
- Li, B.; Li, Y.; He, J. A DC fault handling method of the MMC-based DC system. Int. J. Electr. Power Energy Syst. 2017, 93, 39–50. [Google Scholar] [CrossRef]
- Barker, C.; Nilsson, S. HVDC Line Commutated Converters (LCC) and Their Application for Power Transmission. In High Voltage DC Transmission Systems: HVDC; Springer: Berlin/Heidelberg, Germany, 2024; pp. 1–47. [Google Scholar]
- Malik, J.A.; Amir, M.; Haque, A.; Bakhsh, F.I. A Comprehensive Review of Fault Detection and Diagnosis Techniques for DC-DC Converter in Smart Grid Applications. In Proceedings of the 2024 IEEE Third International Conference on Power Electronics, Intelligent Control and Energy Systems (ICPEICES), Delhi, India, 26–28 April 2024; IEEE: New York, NY, USA, 2024. [Google Scholar]
- Lin, Q.; Zheng, L.; Huang, R.; Lin, C.M.; Wang, F. Parametric Fault Diagnosis Using Transfer Cerebellar Model Neural Network for Power Electronic Converter. IEEE Trans. Instrum. Meas. 2025, 74, 3549913. [Google Scholar] [CrossRef]
- Xu, C.-X.; Xiao, J.-W.; Wang, Y.-W. A Nonparametric Balanced Diffusion Based Fault Diagnosis Scheme for Electric Vehicle DC Charging Piles Under Imbalanced Samples. IEEE Trans. Ind. Inform. 2025, 1–11. [Google Scholar] [CrossRef]
- Düllmann, P.; Klein, C.; Winter, P.; Köhler, H.; Steglich, M.; Teuwsen, J.; Leterme, W. Preventive DC--side decoupling: A system integrity protection scheme to limit the impact of DC faults in offshore multi--terminal HVDC systems. IET Gener. Transm. Distrib. 2024, 18, 3801–3816. [Google Scholar] [CrossRef]
- Ren, Y.; Sun, H.; Wang, S.; Zhao, B.; Xu, S.; Liu, M.; Lian, P. Study on the characteristic of the grounding fault on the cascaded midpoint side of the hybrid cascaded HVDC system. Front. Energy Res. 2023, 11, 1187620. [Google Scholar] [CrossRef]















| Fault Name | Line–Line Fault | Line–Ground Fault | Line–Line Fault with Ground | Fault Between the LCCs | Fault Between LCC2 and MMCs | Same-Line Fault |
|---|---|---|---|---|---|---|
| DC Fault 1 | ✓ | ✓ | ||||
| DC Fault 2 | ✓ | ✓ | ||||
| DC Fault 3 | ✓ | ✓ | ||||
| DC Fault 4 | ✓ | ✓ | ✓ |
| Fault Name | Line–Line Fault | Line–Ground Fault | Line–Line Fault at Positive Terminal | Line–Line Fault with Ground | Fault Between the LCCs | Fault Between LCC2 and MMCs |
|---|---|---|---|---|---|---|
| DC Fault 5 | ✓ | ✓ | ||||
| DC Fault 6 | ✓ | ✓ | ||||
| DC Fault 7 | ✓ | ✓ |
| Fault Name | Line–Line Fault | Line–Ground Fault | Line–Line Fault with Ground | Fault Between MMCs | Same-Line Fault |
|---|---|---|---|---|---|
| DC Fault 8 | ✓ | ✓ | |||
| DC Fault 9 | ✓ | ✓ | |||
| DC Fault 10 | ✓ | ✓ |
| Entity | Parameters | Initial Value |
|---|---|---|
| MTDC bipolar System | V/KV (Bipolar) | 800 |
| I/KA (Bipolar) | 5 | |
| P/MW (Bipolar) | 4000 | |
| (Bipolar) | 15 | |
| (Bipolar) | 17 | |
| +Ve sequence (p.u) | 0.18 | |
| LCC transformer on the rectifier side | Variable ratio/KV | 345/347.67 |
| Nominal capacity/MVA | 2448 | |
| LCC transformer on the Inverter side | Variable ratio/KV | 1000/165.5 |
| Nominal capacity/MVA | 1204.498 | |
| MMCs on the inverter side | Number of MMCs (Bipolar) | 3 |
| MMCs transformer on the inverter side | Variable ratio/KV | 500/200 |
| Nominal capacity/MVA | 1200 | |
| Transformer leakage reactance | p.u | 0.18 |
| Sub-module capacitor | F | 0.011 |
| Arm inductor | H | 0.0505 |
| Category | Faults | I-MMC1 +Ve Peak, −Ve Peak | I-MMC2 +Ve Peak, −Ve Peak | I-MMC3 +Ve Peak, −Ve Peak | V-MMC1 +Ve Peak, −Ve Peak | V-MMC2 +Ve Peak, −Ve Peak | V-MMC3 +Ve Peak, −Ve Peak |
|---|---|---|---|---|---|---|---|
| Fault 1 | 13.0, −13.0 | 10.8, −6.9 | 7.5, −8.0 | 418, −261 | 418, −261 | 418, −261 | |
| Category 1 | Fault 2 | 13.0, −13.0 | 10.8, −6.9 | 7.5, −8.0 | 418, −261 | 418, −261 | 418, −261 |
| Fault 3 | 13.0, −13.0 | 10.8, −6.9 | 7.5, −8.0 | 418, −261 | 418, −261 | 418, −261 | |
| Category 2 | Fault 4 | −0.7, −6.7 | 4.5, −0.6 | 4.3, −0.2 | 456, −345 | 456, −345 | 456, −345 |
| Fault 5 | 550, −3.5 | 1.7, −550 | 1.5, −45 | 400, −300 | 400, −300 | 400, −300 | |
| Category 3 | Fault 6 | 550, −3.5 | 1.7, −550 | 1.5, −45 | 400, −300 | 400, −300 | 400, −300 |
| Fault 7 | 550, −3.5 | 1.7, −550 | 1.5, −45 | 400, −300 | 400, −300 | 400, −300 | |
| Fault 8 | 350, −3.2 | 1.7, −350 | 1.7, −42 | 400, 0 | 400, 0 | 400, 0 | |
| Category 4 | Fault 9 | 350, −3.2 | 1.7, −350 | 1.7, −42 | 400, 0 | 400, 0 | 400, 0 |
| Fault 10 | 350, −3.2 | 1.7, −350 | 1.7, −42 | 400, 0 | 400, 0 | 400, 0 | |
| Category 5 | Multipoint Fault | 3.2, −350 | −350, 1.7 | 1.7, −42 | 400, 0 | 400, 0 | 400, 0 |
| Action | Category 1 | Category 2 | Category 3 | Category 4 | Category 5 |
|---|---|---|---|---|---|
| Huge amount of current increase | ✓ | ✓ | ✓ | ||
| Moderate level of current increase | ✓ | ✓ | ✓ | ✓ | ✓ |
| Decrease in voltage | ✓ | ✓ | ✓ | ✓ | ✓ |
| Capacitors discharge abruptly | ✓ | ✓ | ✓ | ||
| Capacitors discharge moderately | ✓ | ||||
| Capacitors need to charge after clearance of DC fault | ✓ | ✓ | ✓ | ✓ | |
| AC CBs trip | ✓ | ✓ | ✓ | ||
| DC CBs trip | ✓ | ✓ | ✓ | ✓ | |
| Voltage drops to zero | ✓ | ✓ | |||
| Voltage reversal polarity | ✓ | ||||
| MMC blockage | ✓ | ✓ | ✓ | ✓ | ✓ |
| Firing angle adjustment | ✓ | ✓ | ✓ | ✓ | |
| Extinction angle adjustment | ✓ | ✓ | ✓ | ✓ |
Disclaimer/Publisher’s Note: The statements, opinions and data contained in all publications are solely those of the individual author(s) and contributor(s) and not of MDPI and/or the editor(s). MDPI and/or the editor(s) disclaim responsibility for any injury to people or property resulting from any ideas, methods, instructions or products referred to in the content. |
© 2025 by the authors. Licensee MDPI, Basel, Switzerland. This article is an open access article distributed under the terms and conditions of the Creative Commons Attribution (CC BY) license (https://creativecommons.org/licenses/by/4.0/).
Share and Cite
Mond, M.A.; Li, Z.; Mei, W. Modeling, Analysis, and Classification of Asymmetrical DC Faults in a Bipolar Hybrid Cascaded Multi-Terminal HVDC System. Symmetry 2025, 17, 1671. https://doi.org/10.3390/sym17101671
Mond MA, Li Z, Mei W. Modeling, Analysis, and Classification of Asymmetrical DC Faults in a Bipolar Hybrid Cascaded Multi-Terminal HVDC System. Symmetry. 2025; 17(10):1671. https://doi.org/10.3390/sym17101671
Chicago/Turabian StyleMond, Muhammad Asim, Zhou Li, and Wenwen Mei. 2025. "Modeling, Analysis, and Classification of Asymmetrical DC Faults in a Bipolar Hybrid Cascaded Multi-Terminal HVDC System" Symmetry 17, no. 10: 1671. https://doi.org/10.3390/sym17101671
APA StyleMond, M. A., Li, Z., & Mei, W. (2025). Modeling, Analysis, and Classification of Asymmetrical DC Faults in a Bipolar Hybrid Cascaded Multi-Terminal HVDC System. Symmetry, 17(10), 1671. https://doi.org/10.3390/sym17101671

