Next Article in Journal
Collision Forgery Attack on the AES-OTR Algorithm under Quantum Computing
Next Article in Special Issue
UIO-Based Practical Fixed-Time Fault Estimation Observer Design of Nonlinear Systems
Previous Article in Journal
On the Dragomir Extension of Furuta’s Inequality and Numerical Radius Inequalities
Previous Article in Special Issue
Quadratic Stabilization of Linear Uncertain Positive Discrete-Time Systems
 
 
Font Type:
Arial Georgia Verdana
Font Size:
Aa Aa Aa
Line Spacing:
Column Width:
Background:
Article

Models of Dynamic Systems in Diagnostic Tasks

State Research Center of the Russian Federation Concern CSRI Elektropribor, JSC, Saint Petersburg 197046, Russia
*
Authors to whom correspondence should be addressed.
Symmetry 2022, 14(7), 1433; https://doi.org/10.3390/sym14071433
Submission received: 14 June 2022 / Revised: 4 July 2022 / Accepted: 8 July 2022 / Published: 12 July 2022
(This article belongs to the Special Issue Symmetry in Dynamic Systems)

Abstract

:
Models of dynamic systems are considered with regard to the tasks of diagnosing real-time complex information processing and control systems. The problem of diagnosing is one of the most important in the practice of development technical systems. It is important to note that symmetry principles are used in this work, in particular, to formulate the basic approach to diagnosing complex systems. This approach assumes that the components of a system are allocated to the levels based on inclusion relations. In this case, level-based diagnostic tools with their own models can be synthesized, and the relations between them are characterized by the symmetry feature. Problems of both functional and test-based diagnostic methods are discussed. Particular diagnostic methods may also involve symmetry principles since, in a certain sense, they operate with symmetric notions of observability and controllability of a dynamic system. The implementation of the proposed methods is illustrated by an example of their application to a navigation system of an autonomous underwater vehicle.

1. Introduction

Problems of diagnostics and fault tolerance remain high on an important place in the development of real-time complex information processing and control systems. The methods of functional and test-based diagnostics are a basis of the solutions applied in practice to synthesize DT. It is important to note that the diagnostic methods considered in this work operate with symmetric notions of observability and controllability of dynamic systems. Most interesting among researchers, however, seemed the technique of functional diagnostics. Numerous approaches are described in [1], including based on dynamic model. The technique of test-based diagnostics is less popular, but more significant in practical applications. A good overview of this area can be found in [2].
Although the research in both fields have been conducted for several decades and the results obtained are presented in numerous publications, practice brings forward new challenges that require in-depth study. Indeed, any of the known methods is characterized by some limitations, for example, applicability only to linear objects [3] or insufficient efficiency under model uncertainties [4]. In our opinion, one of the most significant factors that motivates new research is the increasing complexity and model uncertainty of diagnosed systems, multiplicity of causes of hardware and software faults and failures, as well as errors in the organization of computations.
A solution to the problem of diagnosing such complex systems is made possible due to a hierarchical approach [2], such that the components of the systems are allocated to different levels of complexity, and the DT are developed individually for each level, for example, the levels of distributed systems, local systems, dynamic units, inertialess converters. Further, DT are synthesized for each level with the aim to detect failures in information exchanges between the components. The relation between models of different levels is characterized by symmetry features that simplify the implementation of this approach.
Problems of functional and test-based diagnostics are discussed below. The main contribution of this article is characterized by two components. First, the algorithm for synthesizing a top-level diagnostic model for a complex information processing system. Secondly, analysis of the effectiveness of various diagnostic models for control systems under conditions of model uncertainty. It is important that in most cases a dynamic system is used as these diagnostic models.
The proposed methods are applied to the navigation system of an autonomous underwater vehicle (AUV), as a component of a real-time complex information processing and control system [5]. The functional and test-based diagnostic techniques are used for the levels of dynamic units and distributed computing systems, respectively.
The article contains the following sections: Section 2 is devoted to the methodology for diagnosing the level of a distributed computing system within the test-based approach; Section 3 considers the level of dynamic units within the framework of the functional approach to diagnostic systems with model uncertainties, and Section 4 is the conclusion.

2. Test-Based Diagnostics of a Real-Time Distributed Computing System

The object of diagnostics in this section is a real-time distributed information processing system, or rather, a distributed computing system as its main component. A distinctive feature of such systems is a periodic flow of input data. The discussion focuses on the formation of top-level diagnostic models. This level presents a distributed computing system as a composition of software modules (SM) which are located on different processors. SMs exchange necessary data with each other asynchronously, i.e., when ready. In this case, the class of faults includes all possible failures in addressing the exchanges between the SMs of the system.
Within the context of the present topic, we should mention an important direction in the simulation of complex systems, which has become widespread recent years. This approach assumes the use of discrete event system [6] as a model of diagnosed system. In this case, the behavior of the diagnosed system is described as a sequence of events. This models is quite often used in solving diagnostic problems [7,8]. The model considered below can also be attributed to the class of discrete event models because the system behavior is represented as a sequence of exchange events between local systems or SM. A feature of the considered approach is that a diagnostic dynamic model is built into the system software, executed in parallel with the main functional algorithms, and is intended to make test-based diagnostics simpler.
An approach for complex distributed computing system diagnosis based on dynamic finite-state-machine models is also known [9]. However, in this case, the asymptotic complexity of the test design algorithm is characterized by the exponential dependence on the model dimension. When the proposed dynamic model is used, the researchers choose the algorithms for processing test sequences in each SM, and they do so in such a way as to simplify both the algorithm for constructing the test and the test itself. In particular, the researcher selects a linear model that allows using the algorithms for constructing the tests with asymptotic complexity, characterized by the polynomial dependence on the model dimension. Reducing the complexity of the algorithms used for constructing the tests becomes especially important in the case of real-time distributed computing systems.

2.1. Synthesis of a Periodically Non-Stationary Model of a Distributed System: Problem Statement of Test-Based Diagnostics

The process of the synthesis of the proposed dynamic model (co-called parallel model) involves two stages. At the first stage, the model structure is formed, which is a set of computational paths (routes) that cover all the edges of the graph of intermodule links of the initial system. At the same time, the computational path is a sequence of triggered SMs connecting a certain input to the output. Then, each of the obtained paths is compared to the chain l j = { v i } i = 1 n j in which the number of dynamic links v i is equal to the number of SMs through which the given path passes; n j is the total number of links in the j -th chain. Thus, the model structure is a set of independent chains { l j } j = 1 m , where m is the total number of independent chains in the model. At the second stage of the model construction, the type of dynamic links is determined. Here, we take into account the facts that the desired dynamic model of the system is used further to design the tests and that the procedure for designing the tests is simplified if the system model is, first, linear, and second, controllable and observable [1].
Let the dynamic link be described by a discrete linear dynamic system defined in the binary field F = { 0 , 1 } :
x i , j ( k + 1 ) = f i , j x i , j ( k ) + g i , j u i , j ( k ) , y i , j ( k ) = h i , j x i , j ( k ) , i = 1 , n j ¯ , j = 1 , m ¯ ,
where x i , j ( k ) F n , u i , j ( k ) F q , y i , j ( k ) F p are the vectors of state, input, and output, respectively, for the i -th link of the model of the j -th chain; n is the state vector dimension, q is the input vector dimension, p is the output vector dimension, f i , j F n × n , g i , j F n × q , h i , j F p × n are the matrices of dynamics, input, and output, respectively, and n j , m are the number of links in the j - chain and the number of chains in the system model, respectively. It is important that the links must be such that the system model becomes observable and controllable. Since the information is transmitted sequentially from link to link, we assume that y i , j ( k ) = u i + 1 , j ( k + 1 ) , except for the first link in the chain because the test from the DT arrives at its input.
The dynamic description of a chain is obtained by the following rules. Assume that only one exchange takes place in the system at each time point. In practice, this assumption is not always true; however, there are works that show that this does not prevent the use of such models when constructing tests. Taking into account the above assumption, the general state vector x j ( k ) of the chain is formed from the state vectors of the links (1) x i , j ( k ) , i = 1 , n j ¯ . Information transfer between the SMs and DTs is described using block matrices F j ( j ( k ) ) , G j ( j ( k ) ) , H j ( j ( k ) ) made up of the matrices, input and output of the links described by model (1). For ease of description, let us relate each sequence of matrices in an interval, equal to the period of processing of regular data in the original system, with a sequence of indices, the set of which will be denoted by Γ j = γ s s = 1 N j , where N j = n j + 1 is the number of exchange sessions. The values of index sequences are obtained as a result of a cyclic shift of the initial sequence in an interval equal to N j . For example, for N = 3 , we have a set Γ = { γ 1 , γ 2 , γ 3 } = { 1 , 2 , 3 ; 2 , 3 , 1 ; 3 , 1 , 2 } consisting of three sequences. Then
x j ( k + 1 ) = F j ( γ s ( j ( k ) ) ) x j ( k ) + G j ( γ s ( j ( k ) ) ) u j ( k ) , y j ( k ) = H j ( γ s ( j ( k ) ) ) x j ( k ) ,
where x j ( k ) F N n ,   u j ( k ) F N q ,   y j ( k ) F N p are the vectors of state, input, and output, respectively, F j ( γ s ( j ( k ) ) ) F N n × N n ,   G j ( γ s ( j ( k ) ) ) F N n × N q , H j ( γ s ( j ( k ) ) ) F N p × N n are the matrices of dynamics, input, and output, respectively; j ( k ) = 1 , N ¯ is information exchange counter. In these equations the matrices depend on the current value of the information exchange counter, i.e., the model is non-stationary. Moreover, it is periodically non-stationary since the data processing sequence in the system is periodic due to the periodicity of the input data flow.
In terms of model (2), the class of faults considered here is defined as all possible distortions of the model matrices. Based on the assumptions made, it is necessary to develop a test that detects the specified class of faults.

2.2. Application Results

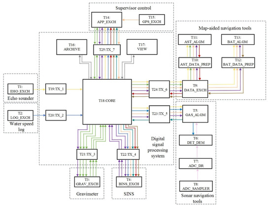
The main task of the AUV navigation system is to generate navigation parameters (local coordinates, speed, and under keel clearance) and orientation parameters (yaw, pitch, and roll) to ensure safe motion on the route. The structure of the navigation system under consideration is shown in Figure 1. The core of any modern navigation system is a strapdown inertial navigation system (SINS) [10]. The SINS is of vital importance because it is able to generate all the necessary navigation and orientation parameters independently, except under keel clearance, which is measured by the echo sounder. The navigation system also uses a water speed log.
To eliminate the SINS errors that grow with time, it is necessary to have coordinate correction tools. Preferably, there should be several tools based on different principles of operation. The most accurate coordinate correction is provided by using data from a global navigation satellite system (GNSS). However, GNSS signals are unavailable for AUVs in submerged position. Therefore, at the moment, such promising methods of correction as map-aided navigation (with the use of geophysical fields) [11] and sonar navigation [12] are most appropriate in this case. An important part of the navigation system is a digital signal processing (DSP) system. The DSP system collects and processes the data from different parts of the AUV navigation system, transmits them to consumers, diagnoses, and records all data.
When developing the DT, the navigation system can be considered both as an independent system, and as a part of the AUV’s complex distributed information processing and control system. The first case is considered in this paper.
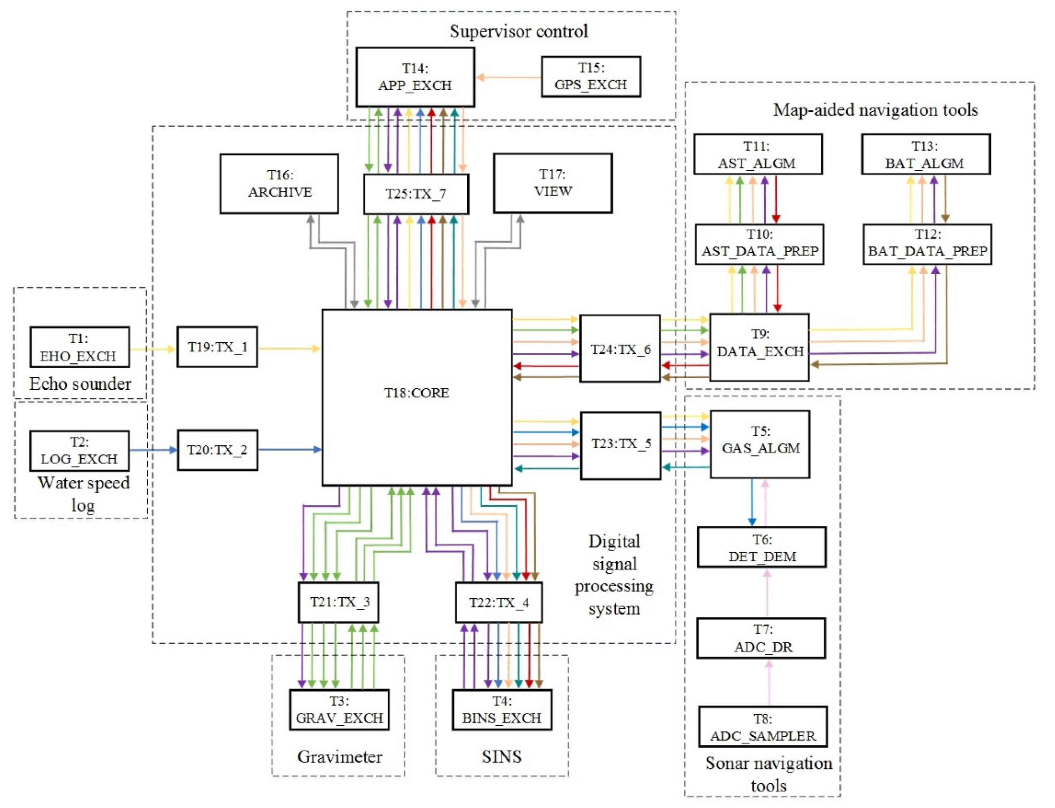
The initial information for synthesizing a parallel model and tests for the computing system of AUV navigation system is the information graph of the software presented in Figure 2. Software modules responsible for the implementation of a specific functional task are at the graph vertices. Computational flows/paths that carry data from a particular member of information exchange are highlighted in different colors. Fault detection in the addressing of intermodule exchanges is the main task of the test-based diagnosis method within the problem statement under consideration.
At the first stage of the parallel model synthesis based on the information graph of software, a set of independent computational paths was found that provided 100% coverage of its edges. For the considered graph, which consists of 25 SM, the number of computational paths is 36, while the path with a minimum length consists of two SM, and that, with the maximum length of eight SM. The number of computational paths corresponds to the number of independent chains in the resulting parallel model. Every independent chain is described by dynamic system (2). The dimension of the state vector of the resulting parallel model is 192, which directly depends on the lengths of the computational paths, and so does the test lengths.
At the second stage, synthesis of the input test actions and reference responses of the model to these actions is performed according with the algorithm in [13].
The resulting number of test and reference sequences is 684 for a complete check of the graph for the absence of failures in the addressing of intermodule exchanges. This fact was confirmed by practical experiments.

3. Functional Diagnostics of Dynamic Systems with Model Uncertainties

This section is devoted to functional diagnostics of systems with model uncertainty. We consider the level of dynamical units in terms of the hierarchical approach.
The approach focuses on the use of so-called state observers. In scientific literature, much attention is paid to the problem of constructing state observers [14], primarily as an integral part of any control system that solves the problem of estimating the object’s state vector. Then, based on this estimation, the required control is formed. The purpose of the observers discussed below is different, namely, detection and isolation of faults in control systems hardware, and in sensors or in an object under control itself. The problems researchers face in both cases have much in common. The most acute among them is the problem of adequacy of the used model of the system being diagnosed or an object under control. Unfortunately, in most cases, the system model is not fully known to the researcher, which significantly complicates the fulfillment of diagnostics and estimation tasks. The classical approach is to use Luenberger observers, where the basic assumption is the fact that the model of the system being diagnosed is completely known. Compared to the classical approach, interval observers [15,16] use additional knowledge about the disturbance, measurement noise, as well as the uncertainties of the system model parameters. The facts of the use of interval observers in diagnostic tasks are also known [17].
Further discussion is devoted to the application of interval observer theory in developing DT for the AUV navigation system. The development included an analysis of technical solutions based on a bank of Luenberger observers and a bank of interval observers in order to solve the problem of fault detection and isolation in dynamic components with model uncertainties.

3.1. Functional Diagnostic Tools Based on State Observers: Problem Statement in the Case of Model Uncertainties

Assume that there is a continuous linear stationary dynamic system with one input and output, which can be defined on the set of real numbers :
x ˙ ( t ) = F ( Θ ) x ( t ) + G u ( t ) + d ( t ) , y ( t ) = H x ( t ) + υ ( t ) ,
where x ( t ) n is the state vector, F ( Θ ) n × n is the dynamics matrix, Θ is the diagnosis parameter vector, G n × 1 is the input matrix, u ( t ) is the input signal (control), d ( t ) n × 1 is the vector of disturbances, y ( t ) is the output signal, H 1 × n is the output matrix, υ ( t ) is the measurement noise. Besides the example of an indirect stabilization system considered below, such a dynamic system can describe an autopilot, various engines, sensors, etc.
Assume that the vectors d ( t ) and υ ( t ) are not defined, but they have guaranteed intervals of values for d _ ( t ) d ( t ) d ¯ ( t ) , where d _ ( t ) n × 1 , d ¯ ( t ) n × 1 are bounding vectors of appropriate dimension, and | υ ( t ) | V for t 0 . In addition, the initial conditions x ( 0 ) are unknown and belong to the guaranteed interval x _ 0 x ( 0 ) x ¯ 0 for t 0 .
The class of faults being considered includes parametric faults [2] that can be described as deviations of the diagnosed parameters’ vector Θ i = ( Θ + Δ Θ i ) from the nominal values, where Δ Θ i is the fault magnitude, i = 1 , k ¯ , k is the number of considered faults in the system.
The task of fault isolation based on state observers consists in synthesizing a bank of observers, each of which is tuned to a corresponding fault. In other words, its dynamics matrix corresponds to F ( Θ i ) . Therefore, if a fault with vector Θ i occurs in the system, the residual between the output signal of the system being diagnosed and the output signal of the observer with the dynamics matrix F ( Θ i ) will tend to zero at d ( t ) = 0 , in contrast to the residuals formed by the rest of the observers in the bank. Thus, faults can be isolated in the system being diagnosed by estimating the values of the residuals’ vector.
It is intuitively clear that with an increase in the level of uncertainty in the model of a system under diagnostics (initial conditions, disturbances, measurement noise) or a decrease in the fault level, the efficiency of diagnostics will reduce. The reason is that it is difficult to notice minor deviations in the operation of the system, especially in the presence of disturbances. However, it is interesting to quantify the reduction in efficiency. For this purpose, it is necessary for system (3) to synthesize a bank of Luenberger observers, as well as a bank of interval observers. The next step is to obtain a quantitative estimation of the efficiency of performing the fault isolation task (probability of incorrect determination of the system technical state) in the presence of uncertainties (initial conditions, disturbances, measurement noise) in the models of the system being diagnosed.

3.2. Application Results

As an example, we consider a dynamic model of a gearless tracking system of an indirectly stabilized gravimeter platform, because it is sensitive to external disturbances in the form of sea heaving. The system is described by the fourth-order differential equations [18]:
d d t α 2 ( t ) α ˙ 2 ( t ) β ( t ) β ˙ ( t ) = 0 1 0 0 K m n J ( K m p + S ) J 0 K J 0 0 0 1 0 0 1 T M T e 1 T e α 2 ( t ) α ˙ 2 ( t ) β ( t ) β ˙ ( t ) + 0 0 0 K y T M T e u ( t ) + d 1 ( t ) 0 d 2 ( t ) 0 ,
y ( t ) = 1 0 0 0 α 2 ( t ) α ˙ 2 ( t ) β ( t ) β ˙ ( t ) T + υ ( t ) ,
where α 2 ( t ) = θ k ( t ) α ( t ) is the angle of the platform rotation relative to the horizon, θ k ( t ) is the roll angle, α ( t ) is the stabilization error, β ( t ) is the torque motor rotor angle, J is the platform’s moment of inertia, K d f is the coefficient of dry friction on the stabilization axis, K e is the motor torque coefficient, S v f is the coefficient of viscous friction on the axis of rotation of the motor, T m —motor electromechanical time constant, T e —electromagnetic time constant of the torque motor control winding, K g is the voltage gain, u is the motor control voltage, d ( t ) = d 1 ( t ) 0 d 2 ( t ) 0 is the vector of disturbances the components of which are presented as a superposition of harmonic signals of different frequencies, υ ( t ) is the additive Gaussian white noise in a limited band. For the disturbances, the lower d _ ( t ) = [ d _ 1 ( t ) d _ 2 ( t ) ] T and the upper d ¯ ( t ) = [ d ¯ 1 ( t ) d ¯ 2 ( t ) ] T intervals of values are defined in the form of constrains on the amplitudes of the harmonic components.
In the process of simulation, the amplitudes of harmonics of the disturbance vector components increased on a scale: 10%, 50%, and 100% from the initial values. A periodic abrupt change in the motor torque coefficient Θ 1 = K e + Δ K e , 1 was considered as a fault. The fault level value Δ K e , 1 increased on a scale: 10%, 50%, and 100% from the nominal values K e during simulation. The solution of the fault isolation task based on the bank of interval observers is compared to the solution based on the use of the classical bank of Luenberger observers to demonstrate its effectiveness. In both cases, the banks include two observers: one with the parameters Θ of system (4) being diagnosed, and the other one with the vector of parameters Θ 1 .
As a result, after a series of model experiments with different values of fault and disturbance levels, an estimate of the probability of incorrect determination of the system technical state was obtained for the synthesized banks of observers (Figure 3).
An increase of the fault values results in a decrease in the probability of incorrect determination of the system technical state, and an increase in the disturbance level leads to its increase for both the bank of Luenberger observers and the bank of interval observers. However, under the worst conditions, at low fault levels (10% deviation) and the maximum level of disturbances (100% deviation), the bank of interval observers correctly determined the system technical state (error probability of about 25%). Under the same conditions, the bank of Luenberger observers worked with the error probability of about 50%, which makes it impossible to carry out the fault isolation task.

4. Conclusions

The article presents the results of a study in the field of diagnostics of complex technical systems based on functional and test-based diagnostic methods. The described approaches are characterized by symmetry features, which make it possible to simplify the analysis of systems being diagnosed, as well as the synthesis of diagnostic tools. It is important to note that a dynamic system model was used as a diagnostic model in all of the considered cases.
The methods of functional and test-based diagnostics have been applied to the navigation system of an autonomous underwater vehicle. The results obtained have confirmed their effectiveness in practice.
Further research is supposed to be continued in the direction of improving the technique of functional diagnostics based on the use of bank of interacting interval observers. We assume that this structure of the bank of observers will help with sensitivity in case of detection of small value failure.

Author Contributions

N.K. has been responsible for the overall management of the project, determined the research strategy; A.G. proposed a methodology of test-based diagnosis for distributed real-time computing systems; E.L. elaborated the principles of functional diagnostics based on state observers in the case of diagnostic object model uncertainties; M.T. was engaged in approbation and data acquisition for practical results. All authors have read and agreed to the published version of the manuscript.

Funding

This work was supported by the Russian Science Foundation, project no. 22-29-00339.

Institutional Review Board Statement

Not applicable.

Informed Consent Statement

Not applicable.

Data Availability Statement

Not applicable.

Conflicts of Interest

Authors declare that there is no conflict of interests regarding the publication of this paper.

References

  1. Patton, R.J.; Frank, P.M.; Clark, R.N. Issues of Fault Diagnosis for Dynamic Systems; Springer: London, UK, 2013. [Google Scholar]
  2. Kolesov, N.V.; Tolmacheva, M.V.; Yukhta, P.V. Real-Time Systems. Planning, Analysis, Diagnostics; Concern CSRI Elektropribor: St. Petersburg, Russia, 2014. (In Russian) [Google Scholar]
  3. Zhirabok, A.N.; Shumsky, A.E.; Zuev, A.V. Fault diagnosis in linear systems via sliding mode observers. Int. J. Control 2021, 94, 327–335. [Google Scholar] [CrossRef]
  4. Puig, V.; Fuente, M.J.; Armengol, J. Fault Diagnosis of Dynamic Systems; Springer: Cham, Switzerland, 2019. [Google Scholar]
  5. Inzartsev, A.V.; Kiselev, L.V.; Kostenko, V.V.; Matvienko, Y.V.; Pavin, A.M.; Shcherbatyuk, A.F. Underwater Robotic Systems: Systems, Technologies, Applications; Institute of Marine Technology Problems, Far Eastern Branch of the Russian Academy of Sciences: Vladivostok, Russia, 2018. (In Russian) [Google Scholar]
  6. Cassandras, C.G.; Lafortune, S. Introduction to Discrete Event Systems; Springer: Boston, MA, USA, 2008. [Google Scholar]
  7. Lafortune, S.; Teneketzis, D.; Sampath, M.; Sengupta, R.; Sinnamohideen, K. Failure diagnosis of dynamic systems: An approach based on discrete event systems. In Proceedings of the 2001 American Control Conference, Arlington, VA, USA, 25–27 June 2001. [Google Scholar]
  8. Zaytoon, J.; Lafortune, S. Overview of Fault Diagnosis Methods for Discrete Event Systems. Annu. Rev. Control 2013, 37, 308–320. [Google Scholar] [CrossRef]
  9. Burdonov, I.B.; Kosachev, A.S.; Kulyamin, V.V. Application of Finite Automatons for Program Testing. Program. Comput. Softw. 2000, 26, 61–73. [Google Scholar] [CrossRef]
  10. Peshekhonov, V.G. The author of precision gyroscope. Gyroscopy Navig. 2020, 11, 188–192. [Google Scholar] [CrossRef]
  11. Stepanov, O.A.; Nosov, A.S. Algorithm for Planning an Informative Route for Map-Aided Navigation. In Proceedings of the 28th Saint Petersburg International Conference on Integrated Navigation Systems (ICINS 2021), St. Petersburg, Russia, 31 May–1 June 2021. [Google Scholar]
  12. Vaulin, Y.V.; Scherbatyuk, A.F.; Dubrovin, F.S. Some algorithms for determining an unknown initial position of AUV using information from a single beacon navigation system. Gyroscopy Navig. 2017, 8, 198–216. [Google Scholar] [CrossRef]
  13. Gruzlikov, A.M.; Kolesov, N.V.; Lukoyanov, E.V.; Tolmacheva, M.V. Test-based diagnosis of distributed computer system using a time-varying model. IFAC Pap. 2018, 51, 1075–1082. [Google Scholar] [CrossRef]
  14. Kvakernaak, H.; Sivan, R. Linear Optimal Control Systems; Mir: Moscow, Russia, 1977. [Google Scholar]
  15. Mazenc, F.; Bernard, O. Interval Observers for Linear Time-Invariant Systems with Disturbances. Automatica 2011, 47, 140–147. [Google Scholar] [CrossRef] [Green Version]
  16. Efimov, D.V.; Raissi, T. Design of Interval Observers for Uncertain Dynamical Systems. Autom. Remote Control 2016, 77, 191–225. [Google Scholar] [CrossRef]
  17. Kolesov, N.V.; Gruzlikov, A.M.; Lukoyanov, E.V. Using Fuzzy Interacting Observers for Fault Diagnosis in Systems with Parametric Uncertainty. Procedia Comput. Sci. 2017, 103, 499–504. [Google Scholar] [CrossRef]
  18. Olsson, G.; Piani, G. Digital Automation and Control Systems; Nevsky Dialect: St. Petersburg, Russia, 2001. [Google Scholar]
Figure 1. Structure of the AUV navigation system.
Figure 1. Structure of the AUV navigation system.
Symmetry 14 01433 g001
Figure 2. Information graph of the computing system of AUV navigation system (T(i) is the SM index, where i is the number of SM).
Figure 2. Information graph of the computing system of AUV navigation system (T(i) is the SM index, where i is the number of SM).
Symmetry 14 01433 g002
Figure 3. Plot of probability of incorrect determination of the system technical state versus the fault magnitudes and the magnitudes of disturbances. The solid lines correspond to the bank of interval observers; the dashed lines, to the bank of Luenberger observers.
Figure 3. Plot of probability of incorrect determination of the system technical state versus the fault magnitudes and the magnitudes of disturbances. The solid lines correspond to the bank of interval observers; the dashed lines, to the bank of Luenberger observers.
Symmetry 14 01433 g003
Publisher’s Note: MDPI stays neutral with regard to jurisdictional claims in published maps and institutional affiliations.

Share and Cite

MDPI and ACS Style

Lukoyanov, E.; Kolesov, N.; Gruzlikov, A.; Tolmacheva, M. Models of Dynamic Systems in Diagnostic Tasks. Symmetry 2022, 14, 1433. https://doi.org/10.3390/sym14071433

AMA Style

Lukoyanov E, Kolesov N, Gruzlikov A, Tolmacheva M. Models of Dynamic Systems in Diagnostic Tasks. Symmetry. 2022; 14(7):1433. https://doi.org/10.3390/sym14071433

Chicago/Turabian Style

Lukoyanov, Egor, Nikolai Kolesov, Alexander Gruzlikov, and Marina Tolmacheva. 2022. "Models of Dynamic Systems in Diagnostic Tasks" Symmetry 14, no. 7: 1433. https://doi.org/10.3390/sym14071433

APA Style

Lukoyanov, E., Kolesov, N., Gruzlikov, A., & Tolmacheva, M. (2022). Models of Dynamic Systems in Diagnostic Tasks. Symmetry, 14(7), 1433. https://doi.org/10.3390/sym14071433

Note that from the first issue of 2016, this journal uses article numbers instead of page numbers. See further details here.

Article Metrics

Back to TopTop