Abstract
The slotless self-bearing motor (SSBM) is a motor with its self-bearing function. The mechanical structure of the motor is six symmetrical hexagonal shapes. The main control problem for this motor is disturbance and uncertainty rejection. Therefore, this paper proposes a new disturbance observer (DOB) based on an optimal fixed-time state observer (OFTSOB) and adaptive sliding mode control (SMC) for the motor. Firstly, the optimal state observer was used to construct to obtain the information of the states of the bearing-less motor system. Second, a new disturbance observer base on the fast speed reaching law is proposed for estimating the unknown dynamics and unpredicted uncertainty of the motor system. Third, the adaptive fast-reaching law-sliding mode control is designed to control the positions and rotational speed. Fourth, the proposed control system is proved via the Lyapunov theorem. Finally, the corrections of proposed method once again tested by using MATLAB simulation. The obtained results figured out that the proposed method is good at rejection disturbance and uncertainty and precision in control the movement and rotation. The novelties of the proposed method are that the gains of fixed-time observer were met by the support of optimal pole placement method, the disturbances were mostly rejected by a new reaching law of unknown input observer.
1. Introduction
The magnetic interaction between the electrical current and the ferrite material has been taken advantage of in order to create intelligent devices with the aim of softening the operation costs and reduce the maintenance process. There are the objects of no abrasion, no friction loss, no lubrication, and high-speed devices can be obtained easily with the active magnetic bearing (AMB) devices. The conventional theory of magnetic bearing system can be found in [1]. The modeling of AMB systems can be found in [2,3]. To obtain an AMB system, the balance force of the stator is usually controller to stabilize the rotor in the center of the rotor. In [4], the position and velocity controllers were discussed. Furthermore, the AMB is highly nonlinear with strongly effect of disturbance and uncertainty. The DOB for AMB system is highly recommended. The discussion of the DOB for AMB system can be found in [5,6,7,8]. The discussion of the AMB system with the presence of uncertainty variation can be found [9]. The development of the AMB system has been lasting until recent years with the highly advanced control techniques such as in [10,11,12,13,14]. This paper presents the control design for the new kind of ABM system, which is named slotless self-bearing motor. The proposed motor can be found in [15]. Otherwise, the basic concept of SSBM can also be found in [16,17,18,19]. In [20], the supper-twisting DOB was proposed for SSBM. However, the quality of the previous paper still needs to be improved. To do this task, this paper proposed a new DOB for overcoming the disadvantages of the previous paper with the aims of reducing the reaching time and chattering values.
DOB is well known as the unknown input estimation method. The compensation control value is added by the mathematical calculation. The nonlinear DOB concept can be found in [21]. The application of nonlinear DOB for overhead cranes can be found in [22]. The nonlinear DOB in [21,22,23,24] needs the condition of the first derivative is zero. However, in the real work environment, the disturbance and its frequency are unknown. The development of nonlinear DOB can be found in [25,26,27]. Otherwise, the DOB for a fixed disturbance format can be found in [28,29,30]. In fact, the format and frequency of unknown disturbances cannot be predefined. Therefore, a DOB can estimate the complicated disturbances and high frequency is a precious work. In particular, the concept of a newly opened worldwide for DOB design with the predefined reaching law is proposed in this work. Therefore, the limitation of the work from [21,22,23,24,25,26,27,28,29,30] is solved here. Because of that, this paper proposed a new DOB without this conjunction of the disturbance format and its derivation. To obtain the information for DOB, the FTSOB is designed to estimate the states of the system. The FTSOB in [31] was used to obtain the goal. To meet the gains of the state observer, the LMI method in [32] was used. After all, the estimated state was used to design the controllers. The SMC was designed to control the movements and rotation.
SMC concept can be found in [33]. The SMC consists the equivalent and switching control with the purpose of stabilize and force the system states stable and converge onto the predefined surface. This paper designed an improved of the fast convergent speed based on the SMC of [34], which is used to design the controllers for movement and rotation with the adaptive gains. The application of the fast reaching law SMC can be found in [35]. To overcome the chattering, the adaptive SMC was designed for controlling movements and operation of SSBM.
The main contributions of this study are as follows:
- The unmeasurable and costly measured states of the SSBM such as the velocities and accelerations of movements and on and axes, respectively, were easily obtained by an OFTSOB with the basic concept of homogenous stability. The acceleration of rotational operation was obtained by the fast-reaching law state observer. This is also a new type of state observer.
- After obtained the states of the SSBM, a new disturbance observer was proposed to meet the desired goal of softening the effects of disturbance and uncertainty of SSBM system. All factors of distortion winding, thermal changing, outside effects on the rotor and stator was cancelled by a new reaching law DOB. This is a new contribution of the DOB design topics.
- The adaptive fast reaching law (AFRL) SMC was designed to control the position and rotation of SSBM. Finally, the proposed methods were corrected via the Lyapunov condition and the verification of the correction was met by using MATLAB simulation.
This paper is divided as follows: In the second section, the mathematical model of SSBM is written together with some preliminary mathematics. Third, the proposed methods for the SSBM with the detail analysis of stability are given subsequently. Fourth, an illustrative example is given to verify the correction of the proposed theory. Finally, the conclusion together with the introduction of future research direction are given.
2. Mathematical Mode of SSBM and Preliminary Mathematics
This section is used to place the mathematical model of SSBM, preliminary mathematic of AFRL-SMC, FTSOB, and the proposed DOB.
2.1. Mathematical Model of SSBM
Herein, the mathematical model of proposed motor in [15] is slightly written. The structure of bearing-less motor system and the analysis of the disturbance and uncertainty of the motor can be referred to the previous papers [20]. The proposed bearing motor consists six hexagonal wires, a rotor with the permanent magnet block, a back yoke, a shaft. The plastic frame was used for the purpose of stator winding. The detail analysis of structure and mathematical of SSBM can be found [15]. The structure is redrawn as Figure 1 below.
Figure 1.
Structure of SSBM.
In this paper, the mathematical model of SSBM is adopted from previously published paper with the torques and forces are calculated as follows:
where is used to present the torque of the motor, and are the force on x-axis, and y-axis. and are the uncertainties force axes. is rotor angular, is angular of a-phase. and are the control values on x- and y-axes, respectively. The coefficients are calculated as follows:
where and are parallel and projection length. r is the radius winding. and are the uncertainties. The torque and forces are now calculated as follows:
Equation (3) can be simplified as follows:
where are disturbances on x- and y-axes, which caused by the forces and uncertainties. is torque load. is moment of inertia, is mass of the rotor, Equation (4) can be simply as follows:
The disturbance and uncertainty of SSBM need to be bounded as the Assumption 1 below.
Assumption 1.
The perturbations must be bounded as follows: and where and are positively constant defined.
2.2. Preliminary FTSOB
Herein, the states of movements of - and -axes were obtained by using the fixed-time observer in [31] with the optimal gain selection. The general bearingless motor model on movement axis is as below.
where are the position and velocity of movement, respectively, is control input, and is disturbance. By applying the FTSOB in [31], the state observer for movement axis of the motor is as below.
where and are positively defined. and small enough, and are selected such that and are Hurwitz. Subtracting Equation (6) for Equation (7) yields
Remark 1.
Similar to the calculation of SMC, the is considered equal zero to design the state observer gains.
The stability of the FTSOB is proof in [31] and rewritten as follows:
Theorem 1.
The errors and converges to origin in predefined time
where where and are satisfied.
First, consider the term of
The matrix K is Hurwitz leads to is asymptotically stale. The Lyapunov candidate is selected as we have
with The condition of also leads The is homogeneous of degree l = 1 > max(−m, 0) if is suitably chosen. With We have
Integrating both sides of Equation (13) yields
or
or
When the second term is activated yields
Equation (17) is homogeneous with degree of The Lyapunov of Equation (17) should be with Therefore,
Equation (18) can be written by
or
Equation (21) can be
or
When the FTSOB in Equation (8) is designed for estimating the states of SSBM system, the convergent time is calculated by Equation (9). The observer gains in Equations (11) and (17) were obtained by using the LMI method. The analysis of LMI can be found in [32]. This section briefly presents the concept of LMI as below. First, the system
is considered. is an approximated matrix of the system. is the system state. The eigenvalues of Equation (23) are located in the LMI region if there is existed a matrix and satisfies
and the area of poles is selected as the vertical area, which is represented as follows:
where
In order to obtain the eigenvalues of (23) located in the V area, the eigenvalues of A need to be located in which is satisfied
In [31] the FTSOB in Equations (11) and (17) can be stably archived if
and
are stable. The gains of Equations (28) and (29) are select by the same method. The LMI is used to look for the gain of Equation (29) is as follows:
Remark 2.
The observer gain should be
By applying the Lemma 2 and Remark 2 to solve Equation (33) yields
where
where
2.3. Proposed DOB
This paper proposed a new disturbance observer such as follows:
Taking derivative for both sides of Equation (33) yields
where
and
where Using the to subtract for both sides of Equation (34) yields
The stability of DOB is obtained via the Lyapunov-based condition as follows:
Remark 3.
The stability of the proposed DOB is based on the fast reaching law in [34]. The convergence speed of proposed DOB is defined as follows:
Taking the first derivative for both sides of Equation (38) yields
This completes the proof of stability of DOB. □
2.4. Adaptive Fast Reaching Law SMC
The proposed reaching law of SMC is as follows:
The Lyapunov for SMC can be selected as Then
Case 1.
Equation (41) is then became
As shown in [34], the settling time is calculated as
Case 2.
Equation (41) is then became
By integrating both sides of Equation (44) from initial condition to convergent time yields
or
Remark 4.
The setting time for DOB can be found in Equations (43) or (46) depends on the initial of initial disturbance error.
The proposed adaptive SMC is as follows:
where
The expected gains of SMC are and The derivative error gains is
The proposed method for SSBM system is shown below.
3. Proposed Approach
3.1. The State Observer for SSBM
3.1.1. SOB of -Axis
This paper used the fast reaching law to design the state observer for speed coordinate
where and Using the speed equation of Equation (5) to subtract both sides of Equation (50) yields
3.1.2. SOB of x-Axis
First, the movement on -axis is represented by
The designed SOB is
Using Equation (52) subtract to Equation (53) leads to
and small enough, and are selected such that and are Hurwitz. Where
where
where The gain is selected to satisfy
where
where
3.1.3. SOB of y-Axis
First, the movement on -axis is represented by
The designed SOB is
Using Equation (52) subtract to Equation (53) leads to
and small enough, and are selected such that and are Hurwitz. Where
where
where The gain is selected to satisfy
where
where
3.2. The DOB for SSBM System
3.2.1. DOB for Speed Coordinate
Proposed DOB for speed axis is as follows:
Taking derivative for both sides of Equation (66) yields
Using the to subtract for both sides of Equation (67) yields
The stability of DOB is obtain via the Lyapunov-based condition as follows:
Taking the first derivative for both sides of Equation (38) yields
3.2.2. DOB for Movement of x-Axis
The proposed DOB such as below.
Taking derivative for both sides of Equation (71) yields
Using the to subtract for both sides of Equation (72) yields
The stability of DOB is obtained via the Lyapunov-based condition as follows:
Taking the first derivative for both sides of Equation (74) yields
3.2.3. DOB for Movement of y-Axis
The proposed DOB such as below.
Taking derivative for both sides of Equation (33) yields
Using the to subtract for both sides of Equation (34) yields
The stability of DOB is obtain via the Lyapunov-based condition as follows:
Taking the first derivative for both sides of Equation (38) yields
This completes the proof of proposed DOB for whole SSBM system. □
3.3. AFRL-SMC for SSBM System
3.3.1. FTSMC for Speed Axis
The surface of SMC for speed control is
where We have
Using Equation (50) to solve Equation (82) yields
By considering the disturbance error and yields
The switching control is
The Lyapunov condition is selected by
Taking derivatives for both sides of Equation (86) yields
The adaptive law is chosen as below.
3.3.2. FTSMC for x-Axis
The surface of SMC is selected as follows:
Taking the derivative for Equation (88) yields
where Using Equation (53) to solve Equation (90) yields
By considering disturbance error and yields
The switching control is designed by
The Lyapunov condition is selected by
Taking derivative for both sides of Equation (86) yields
The adaptive law is as follows:
3.3.3. FTSMC for y-Axis
The surface of SMC is selected as follows:
Taking the derivative for Equation (97) yields
where Using Equation (60) to solve Equation (98) yields
By considering disturbance error and yields
The switching control is designed by
The Lyapunov condition is selected by
Taking derivative for both sides of Equation (86) yields
The adaptive law is as follows:
3.3.4. Stability Analysis
The Lyapunov of the control system should be
Taking the first derivative for Equation (105) yields
By using Equations (51), (55–58), (62–65), (70), (75), (80), (87–88), (95–96), and (103–104) to solve Equation (106) leads to
This completes the proof of stability of the proposed method. □
4. An Illustrative Example
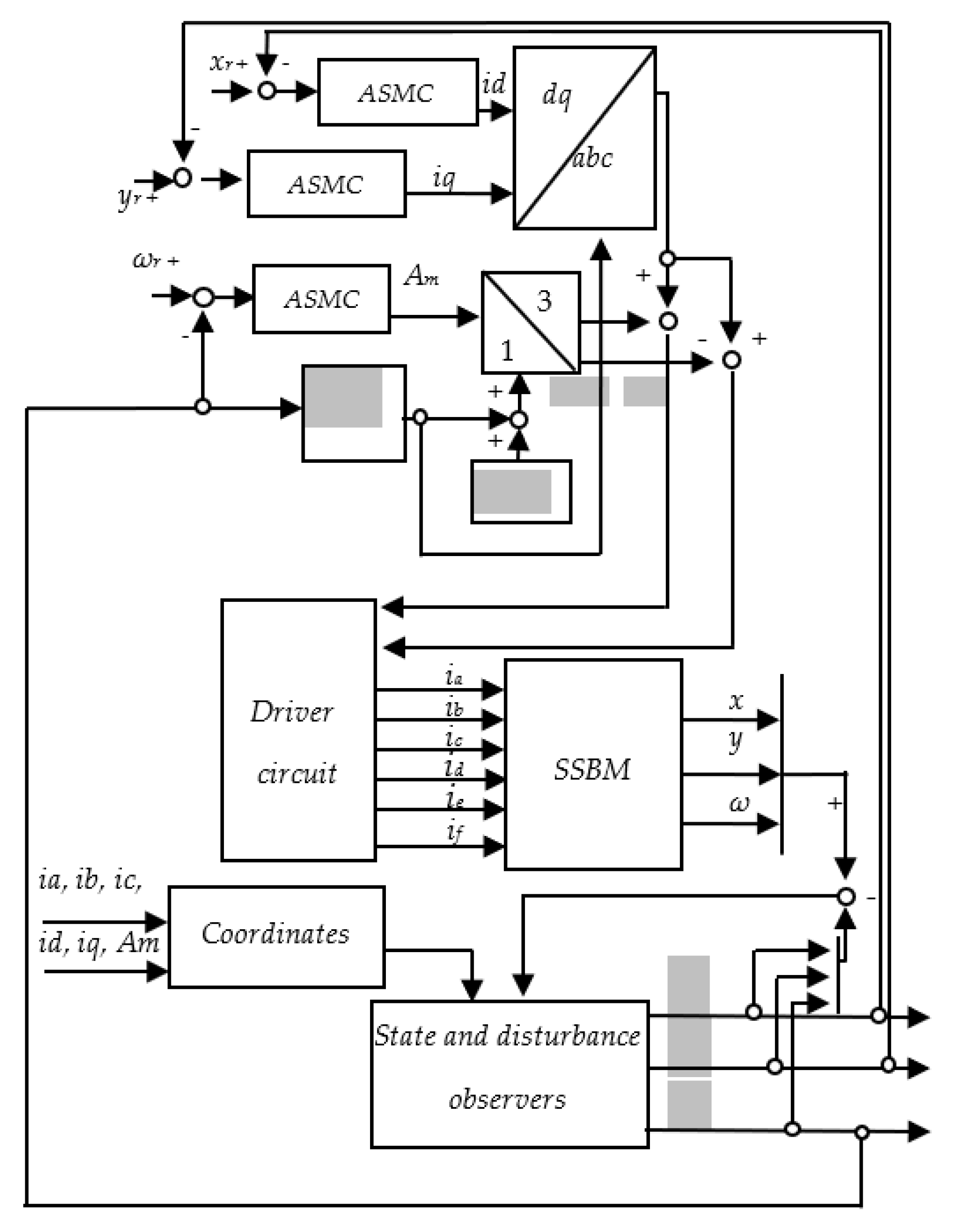
This section presents the simulation results of proposed method for SSBM system. The mass of the rotor is kg, the diameter of the copper wire is 27 mm, rotor dimension mm, T, length of the parallel edge is 8 mm and length of the serial edge is 6 mm, respectively. The control gains of the proposed controller are as follows: state observer for speed axis and State observer for x-axis and are selected such that and . State observer for y-axis and are selected and . The gains of DOB on speed axis and The gains of DOB on x-axis and The gains of DOB on y-axis and The control gains of speed axis are and The control gains of x-axis are and The control gains of y-axis are and The structure of control system is as Figure 2 below.
Figure 2.
Control system of SSBM.
As shown in Figure 2 above, the adaptive SMC was designed to control the movements on x- and y-axis and the rotational operation on speed axis, respectively. The estimated states were used to design the SMC. To obtain the states of SSBM, the fixed-time observer concept was used with the support of the pole placement technique. After obtained the information of states of SSBM, a new DOB was designed to reject the changing of inner parameter variations and outer effect on the rotor of SSBM system. The proposed method was simulated by using the MATLAB software. The performance of the proposed method is shown in Figure 3, Figure 4, Figure 5 and Figure 6 below.

Figure 3.
The error of movements and rotation.

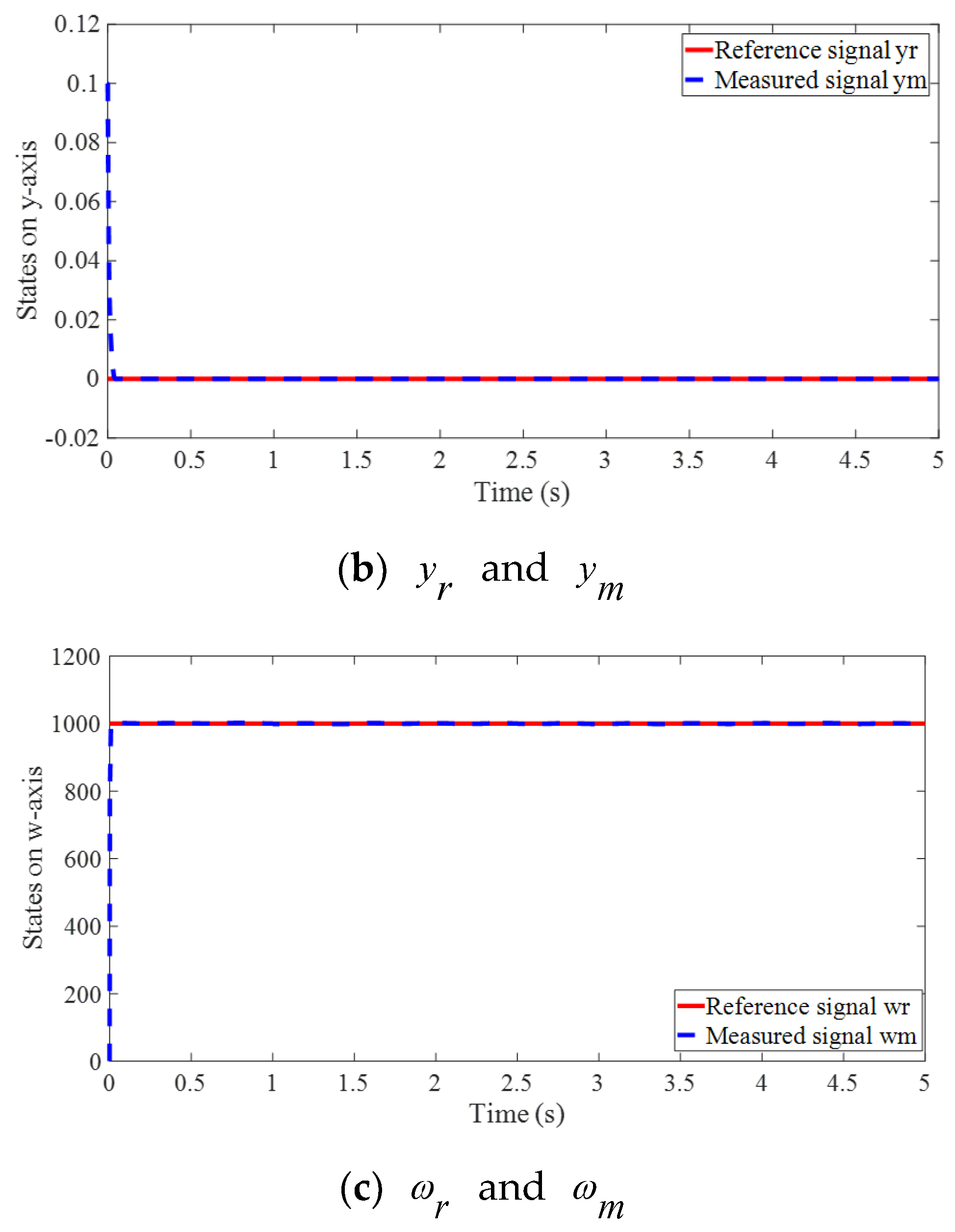
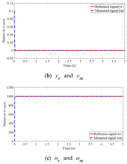
Figure 4.
Referenced and measured signals.

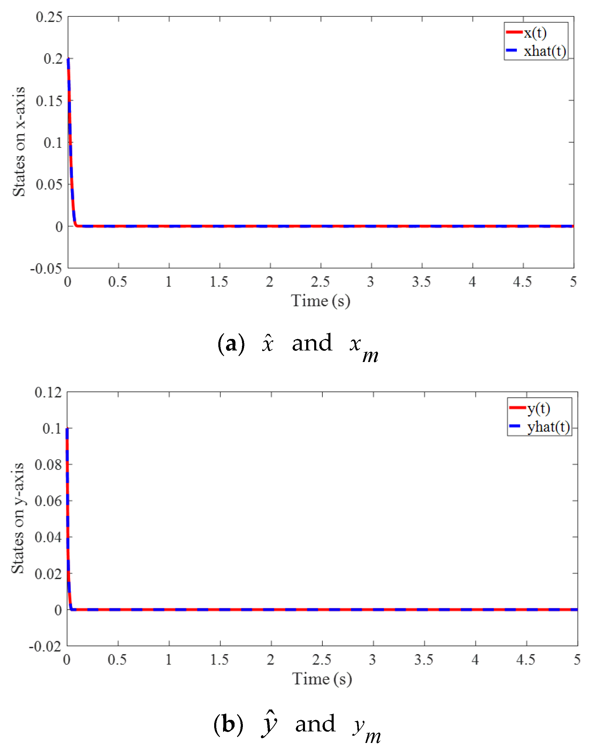
Figure 5.
Estimated and measured signals.
Figure 6.
Tested and estimated disturbances.
The steady states of errors of movements and rotation are ranged in (mm), (mm), and (V). The overshoots of movements are mostly zero and overshoot of speed control is (V). Settling times of movements and speed are (s), (s), and (s). The measured and referenced signals are shown in Figure 4 below.
The referenced and measured signals have precisely tracked each other. These are used to figure out whether the proposed control method is good for controlling the movements and rotation of SSBM system. The effectiveness of the proposed SOB is shown in Figure 5 below.
The estimated and measured signal are mostly identical. Which in Figure 5 are shown that the designed state observer is good for estimating the costly measured state of SSBM system. The effectiveness of the proposed DOB is shown in Figure 6.
The imprecision of control outcomes was affected by the disturbance and uncertainty. These perturbations were mostly rejected by the proposed DOB. As shown in Figure 6, the tested disturbances were mostly compensated by the proposed DOB. To superiorly show the advance of the proposed DOB, the same DOB can be tested into the previous method of the same SSBM in paper [15]. The tested disturbances are and The performances of the proposed method of this paper and performance of previous method in [15] are shown in Figure 7 below.
Figure 7.
Tested and estimated disturbances on SSBM of this paper and previous one [15].
The tested disturbance for this work and paper [15] affected on the performances of tracking error on movements and rotation. Figure 7 shown that the proposed method in this paper is better than the previous one.
5. Conclusions
This paper proposed a new DOB for a second-order system of the SSBM system. The proposed DOB can be obtained based on the information of states of SSBM, which was provided by using an optimal FTSOB. The proposed DOB obtained the information of disturbance in the fast reaching time. Furthermore, the proposed method also solved the problem of the first derivative conjunction of the recent works. The proposed DOB is also opened the gate of the new DOB design based the inversion of system model. Final, the desired positions and speed were obtained by an adaptive fast reaching law. Which helps the outcome of state responses overcome the unwanted chattering values. The complicated disturbances were added on the control input channels and these values were mostly compensated by the proposed DOB. The settling times, overshoots, and gaps of steady-states are acceptably small. The novel disturbance and uncertainty will be rejected by a neural network estimator in the future work.
Author Contributions
Conceptualization of motor, Q.D.N.; Control methodology V.N.G. and S.-C.H.; software, Q.D.N. and V.N.G.; Supervision, Q.D.N. and S.-C.H. All authors have read and agreed to the published version of the manuscript.
Funding
This work was supported by the Ministry of Science and Technology, Republic of China, under Contract MOST 110-2221-E-992-062.
Institutional Review Board Statement
Not applicable.
Informed Consent Statement
Not applicable.
Data Availability Statement
Not applicable.
Conflicts of Interest
The authors declare no conflict of interest.
References
- Maslen, E.H.; Schweitzer, G. Magnetic Bearings: Theory, Design, and Application to Rotating Machinery; Springer: Berlin/Heidelberg, Germany,, 2009. [Google Scholar]
- Nguyen, Q.D.; Ueno, S. Analysis and control of non-salient permanent magnet axial-gap self-bearing motor. IEEE Trans. Ind. Electron. 2011, 58, 2644–2652. [Google Scholar] [CrossRef]
- Nguyen, Q.D.; Ueno, S. Modeling and control of salient-pole permanent magnet axial gap self-bearing motor. IEEE ASME Trans. Mechatron. 2011, 16, 518–526. [Google Scholar] [CrossRef]
- El-Shourbagy, S.M.; Saeed, N.A.; Kamel, M.; Raslan, K.R.; Nasr, E.A.; Awrejcewicz, J. On the Performance of a Nonlinear Position-Velocity Controller to Stabilize Rotor-Active Magnetic-Bearings System. Symmetry 2021, 13, 2069. [Google Scholar] [CrossRef]
- Giap, V.N.; Huang, S.-C. Generalized proportional integral disturbance observer-based fuzzy sliding mode control for active magnetic bearing system. IOP Conf. Ser. Mat. Sci. Eng. 2021, 1113, 012006. [Google Scholar] [CrossRef]
- Giap, V.N.; Huang, S.-C. Effectiveness of fuzzy sliding mode control boundary layer based on uncertainty and disturbance compensator on suspension active magnetic bearing system. Meas. Control 2020, 53, 934–942. [Google Scholar] [CrossRef]
- Giap, V.N.; Huang, S.-C.; Nguyen, Q.D.; Trinh, X.T. Time varying disturbance observer based on sliding mode control for active magnetic bearing system. In Proceedings of the 2nd Annual International Conference on Material, Machines and Methods for Sustainable Development (MMMS2020), Nha Trang, Vietnam, 12–15 November 2020; pp. 929–935. [Google Scholar]
- Tsai, J.S.H.; Su, T.-J.; Cheng, J.C.; Lin, Y.Y.; Giap, V.N.; Guo, S.M.; Shieh, L.S. Robust observer-based optimal linear quadratic tracker for five-degree-of-freedom sampled-data active magnetic bearing system. Int. J. Syst. Sci. 2018, 49, 1273–1299. [Google Scholar] [CrossRef]
- Yang, D.; Gao, X.; Cui, E.; Ma, Z. State-Constraints Adaptive Backstepping Control for Active Magnetic Bearings With Parameters Nonstationarities and Uncertainties. IEEE Trans. Ind. Electron. 2021, 68, 9822–9831. [Google Scholar] [CrossRef]
- Gong, L.; Zhu, C. Vibration Suppression for Magnetically Levitated High-Speed Motors Based on Polarity Switching Tracking Filter and Disturbance Observer. IEEE Trans. Ind. Electron. 2021, 68, 4667–4678. [Google Scholar] [CrossRef]
- Han, X.; Liu, G.; Chen, B.; Zheng, S. Surge Disturbance Suppression of AMB-Rotor Systems in Magnetically Suspension Centrifugal Compressors. IEEE Trans. Contr. Syst. Technol. 2021, 1–11. [Google Scholar] [CrossRef]
- Sun, M.; Zhou, J.; Dong, B.; Le, Y.; Zheng, S. Disturbance Force Self-Sensing and Suppression Method for AMB-Rotor System Based on Disturbance Observer. IEEE Sens. J. 2020, 20, 9245–9252. [Google Scholar] [CrossRef]
- Liu, C.; Liu, G.; Fang, J. Feedback Linearization and Extended State Observer-Based Control for Rotor-AMBs System with Mismatched Uncertainties. IEEE Trans. Ind. Electron. 2017, 64, 1313–1322. [Google Scholar] [CrossRef]
- Peng, C.; Fang, J.; Xu, X. Mismatched Disturbance Rejection Control for Voltage-Controlled Active Magnetic Bearing via State-Space Disturbance Observer. IEEE Trans. Power Electron. 2015, 30, 2753–2762. [Google Scholar] [CrossRef]
- Nguyen, H.P.; Nguyen, X.B.; Bui, T.T.; Ueno, S.; Nguyen, Q.D. Analysis and control of slotless self-bearing motor. Actuators 2019, 8, 57. [Google Scholar] [CrossRef]
- Steinert, D.; Nussbaumer, T.; Kolar, J. Slotless bearingless disk drive for high-speed and high-purity applications. IEEE Trans. Ind. Electron. 2014, 61, 5974–5986. [Google Scholar] [CrossRef]
- Steinert, D.; Nussbaumer, T.; Kolar, J. Evaluation of One- and Two-Pole-Pair Slotless Bearingless Motors with Toroidal Windings. IEEE Trans. Ind. Appl. 2016, 52, 172–180. [Google Scholar] [CrossRef]
- Ueno, S.; Uematsu, K. Development of a Lorentz-Force-Type Slotless Self-Bearing Motor. J. Syst. Des. Dyn. 2009, 3, 462–470. [Google Scholar] [CrossRef][Green Version]
- Ueno, S.; Kato, T. A Novel Design of a Lorentz-Force-Type Small Self Bearing Motor. In Proceedings of the 8th International Conference on Power Electronics and Drive Systems, Taipei, Taiwan, 2–5 November 2009; pp. 926–931. [Google Scholar]
- Nguyen, Q.D.; Nguyen, H.P.; Vo, D.N.; Nguyen, X.B.; Ueno, S.; Huang, S.-C.; Giap, V.N. Robust Sliding Mode Control-Based a Novel Super-Twisting Disturbance Observer and Fixed-Time State Observer for Slotless-Self Bearing Motor System. IEEE Access 2022, 10, 23980–23994. [Google Scholar] [CrossRef]
- Chen, W.-H.; Ballance, D.J.; Gawthrop, P.J.; O’Reilly, J. A nonlinear disturbance observer for robotic manipulators. IEEE Trans. Ind. Electron. 2000, 47, 932–938. [Google Scholar] [CrossRef]
- Wu, X.; Xu, K.; Lei, M.; He, X. Disturbance-compensation-based continuous sliding mode control for overhead cranes with disturbances. IEEE Trans. Autom. Sci. Eng. 2020, 17, 2182–2189. [Google Scholar] [CrossRef]
- Li, X.; Zhu, Z.; Shen, G.; Tang, Y. Wire Tension Coordination Control of Electro-Hydraulic Servo Driven Double-Rope Winding Hoisting Systems Using a Hybrid Controller Combining the Flatness-Based Control and a Disturbance Observer. Symmetry 2021, 13, 716. [Google Scholar] [CrossRef]
- Hong, Q.; Shi, Y.; Chen, Z. Adaptive sliding mode control based on disturbance observer for placement pressure control system. Symmetry 2020, 12, 1057. [Google Scholar] [CrossRef]
- Giap, V.N.; Huang, S.-C.; Nguyen, Q.D.; Su, T.-J. Disturbance observer-based linear matrix inequality for the synchronization of Takagi–Sugeno fuzzy chaotic systems. IEEE Access 2020, 8, 225805–225821. [Google Scholar] [CrossRef]
- Giap, V.N.; Nguyen, Q.D.; Huang, S.-C. Synthetic adaptive fuzzy disturbance observer and sliding-mode control for chaos-based secure communication systems. IEEE Access 2021, 9, 23907–23928. [Google Scholar] [CrossRef]
- Giap, V.N.; Vu, H.-S.; Nguyen, Q.D.; Huang, S.-C. Disturbance and uncertainty rejection-based on fixed-time sliding-mode control for the secure communication of chaotic systems. IEEE Access 2021, 9, 133663–133685. [Google Scholar] [CrossRef]
- Giap, V.-N.; Huang, S.-C.; Nguyen, Q.D.; Su, T.-J. Robust controlbased disturbance observer and optimal states feedback for T–S fuzzy systems. J. Low Freq. Noise Vib. Act. Control 2020, 40, 1509–1525. [Google Scholar] [CrossRef]
- Giap, V.N.; Vu, H.-S.; Nguyen, Q.D.; Huang, S.-C. Robust observer based on fixed-time sliding mode control of position/velocity for a T–S fuzzy MEMS gyroscope. IEEE Access 2021, 9, 96390–96403. [Google Scholar] [CrossRef]
- Hwang, S.; Kim, H.S. Extended disturbance observer-based integral sliding mode control for nonlinear system via T–S fuzzy model. IEEE Access 2020, 8, 116090–116105. [Google Scholar] [CrossRef]
- Basin, M.; Yu, P.; Shtessel, Y. Finite- and fixed-time differentiators utilising HOSM techniques. IET Control Theory Appl. 2017, 11, 1144–1152. [Google Scholar] [CrossRef]
- Chilali, M.; Gahinet, P.; Apkarian, P. Robust pole placement in LMI regions. IEEE Trans. Autom. Control 1999, 44, 2257–2270. [Google Scholar] [CrossRef]
- Utkin, V. Variable structure systems with sliding modes. IEEE Trans. Autom. Control 1977, 22, 212–222. [Google Scholar] [CrossRef]
- Xiu, C.; Guo, P. Global terminal sliding mode control with the quick reaching law and its application. IEEE Access 2018, 6, 49793–49800. [Google Scholar] [CrossRef]
- Li, T.; Liu, X. Model-Free Non-Cascade Integral Sliding Mode Control of Permanent Magnet Synchronous Motor Drive with a Fast Reaching Law. Symmetry 2021, 13, 1680. [Google Scholar] [CrossRef]
Publisher’s Note: MDPI stays neutral with regard to jurisdictional claims in published maps and institutional affiliations. |
© 2022 by the authors. Licensee MDPI, Basel, Switzerland. This article is an open access article distributed under the terms and conditions of the Creative Commons Attribution (CC BY) license (https://creativecommons.org/licenses/by/4.0/).









