A Novel Closed-Loop Control Method for Li-Ion Batteries Connected in Series Power Supply Based on the Time Sequences Recalculation Algorithm
Abstract
:1. Introduction
2. Modeling and Closed-Loop Control Method
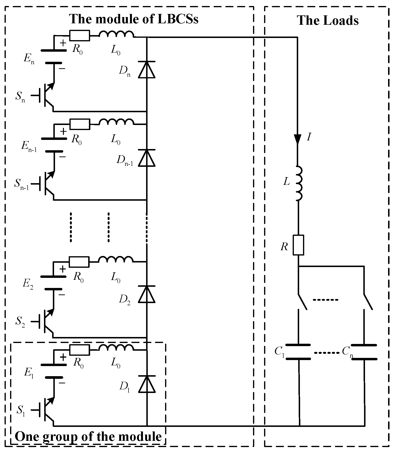
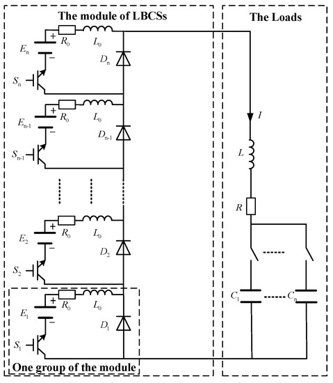
2.1. Modeling of the Circuit
2.2. Closed-Loop Control Method Based on the Time Sequences Recalculation Algorithm
3. Simulation
3.1. Simulation Model
3.2. Simulation Analyses
4. Experiment
4.1. Experimental Design Introduction
4.2. Experimental Analyses
5. Conclusions
Author Contributions
Funding
Institutional Review Board Statement
Informed Consent Statement
Data Availability Statement
Conflicts of Interest
References
- Zhao, Q.; Li, S.; Cao, R.; Wang, D.; Yuan, J. Design of Pulse Power Supply for High-Power Semiconductor Laser Diode Arrays. IEEE Access 2019, 7, 92805–92812. [Google Scholar] [CrossRef]
- He, Y.; Guan, Y.; Song, S. Design of a Multi-Turn Railgun for Accelerating Massive Load to High Speed. IEEE Trans. Plasma Sci. 2019, 47, 4181–4183. [Google Scholar] [CrossRef]
- Toshihiko, N.; Hafidz, E.; Ryota, K.; Kazuki, S. Development of High-speed and High-Voltage Pulse Generator for NOX Decomposition Plasma Reactor. In Proceedings of the 2017 IEEE 12th International Conference on Power Electronics and Drive Systems, Honolulu, HI, USA, 12–15 December 2017; pp. 1080–1085. [Google Scholar]
- Brett, M.H.; Jesse, N. Investigations into the Design of a Compact Battery-Powered Rep-Rate Capacitor Charger. IEEE Trans. Plasma Sci. 2013, 41, 2659–2665. [Google Scholar] [CrossRef]
- Masatoshi, U.; Koji, T. Single-Switch Multioutput Charger Using Voltage Multiplier for Series-Connected Lithium-Ion Battery/Supercapacitor Equalization. IEEE Trans. Ind. Electron. 2013, 60, 3227–3239. [Google Scholar] [CrossRef]
- Zhou, R.; Lu, J.; Long, X.; Zhang, X.; Li, C. Discharging equalizer optimization study of power batteries for hybrid energy storage. J. Nav. Univ. Eng. 2016, 28, 105–109. [Google Scholar] [CrossRef]
- Li, C.; Lu, J.; Jiang, H.; Long, X.; Zheng, Y. Comparison of charging methods of multilevel hybrid energy storage for electromagnetic launch. High Power Laser Part. Beams 2015, 27, 075005. [Google Scholar] [CrossRef]
- Wu, Y.; Lu, J.; Long, X.; Zhou, R.; Liu, Y. Optimization of energy transfer rate of hybrid energy storage system in electromagnetic launch. High Voltage Eng. 2019, 45, 3715–3720. [Google Scholar] [CrossRef]
- Li, C.; Lu, J.; Ma, W.; Jiang, H.; Long, X. Charging strategy amelioration of multilevel hybrid energy storage for electromagnetic launch. Trans. China Electrotech. Soc. 2017, 32, 118–124. [Google Scholar] [CrossRef]
- Liu, K.; Sun, Y.; Gao, Y.; Yan, P.; Fu, R. High-voltage high-frequency charging power supply based on voltage feedback and phase-shift control. IEEE Trans. Plasma Sci. 2013, 41, 1358–1363. [Google Scholar] [CrossRef]
- Liu, K.; Gao, Y.; Fu, R.; Sun, Y.; Yan, P. Design of Control System for Battery Cascade Charging Power Supply. IEEE Trans. Plasma Sci. 2017, 45, 1245–1250. [Google Scholar] [CrossRef]
- Long, X.; Lu, J.; Zhou, R.; Wei, J.; Liu, Y. Research on the influence of stray parameters in the circuit of the hybrid energy. In Proceedings of the 2018 10th International Conference on Measuring Technology and Mechatronics Automation, Changsha, China, 10–11 February 2018; pp. 69–73. [Google Scholar]
- Long, X.; Lu, J.; Zhang, X.; Zhou, R.; Xiong, Y. Double loop control for hybrid energy storage system. J. Nav. Univ. Eng. 2016, 28, 13–16. [Google Scholar] [CrossRef]
- Li, C.; Lu, J.; Jiang, H.; Long, X.; Wu, H. Study of capacitor voltage precise-control strategy of multilevel hybrid energy storage. High Voltage Eng. 2015, 41, 2231–2235. [Google Scholar] [CrossRef]
- Tan, Q.; Gao, Y.; Liu, K.; Han, J.; Sun, Y.; Yan, P. Research on current control method of high-voltage and constant current charging power supply based on battery packs connected in series. Adv. Tech. Elec. Eng. Energy 2020, 39, 48–55. [Google Scholar] [CrossRef]












| Parameter | Value |
|---|---|
| Total number of Li-ion batteries N | 10 |
| Voltage of each Li-ion battery e | 550 V |
| Resistance of each Li-ion battery R0 | 0.06 Ω |
| Inductance of each Li-ion battery L0 | 30 μH |
| Saturation voltage of IGBT UIGBT | 2.25 V |
| Forward voltage of diode UD | 2.1 V |
| Current setting value Ipeak | 1000 A |
| Voltage setting value Vpeak | 2000 V |
| Inductance of the circuit L | 40 mH |
| Resistance of the circuit R | 0.42 Ω |
| Capacitance of the circuit C | 0.765 F |
| Parameter | Constant Voltage Mode | Capacity Loss Mode | Time Sequences Recalculation Mode |
|---|---|---|---|
| Time sequences | 0 s~0.479 s~0.971 s ~1.453 s~1.926 s | 0 s~0.479 s~0.971 s ~1.453 s~1.926 s | 0 s~0.443 s~0.905 s ~1.355 s~1.796 s |
| The charging time | 2.035 s | 2.202 s | 2.089 s |
| Maximum current | 1000 A | 909 A | 947 A |
| Average current | 751.9 A | 694.9 A | 732.6 A |
| Average power | 739.0 kW | 631.2 kW | 701.4 kW |
| Parameter | Constant Voltage Mode | Capacity Loss Mode | Time Sequences Recalculation Mode |
|---|---|---|---|
| Time sequences | 0 s~0.479 s~0.971 s ~1.453 s~1.926 s ~2.392 s~2.853 s | 0 s~0.479 s~0.971 s ~1.453 s~1.926 s ~2.392 s~2.853 s | 0 s~0.356 s~0.751 s ~1.130 s~1.499 s ~1.860 s~2.213 s |
| The charging time | 2.035 s | 2.727 s | 2.258 s |
| Maximum current | 1000 A | 727 A | 852 A |
| Average current | 751.9 A | 561.1 A | 677.8 A |
| Average power | 739.0 kW | 411.5 kW | 600.4 kW |
| Parameter | Constant Voltage Mode | Capacity Loss Mode | Time Sequences Recalculation Mode |
|---|---|---|---|
| Time sequences | 0 s~0.479 s~0.971 s ~1.453 s~1.926 s | 0 s~0.479 s~0.971 s ~1.453 s~1.926 s | 0 s~0.398 s~0.892 s ~1.303 s~1.720 s |
| The charging time | 2.112 s | 2.200 s | 2.102 s |
| Maximum current | 880 A | 832 A | 872 A |
| Average current | 692.1 A | 668.0 A | 700.0 A |
| Average power | 655.4 kW | 607.3 kW | 660.0 kW |
Publisher’s Note: MDPI stays neutral with regard to jurisdictional claims in published maps and institutional affiliations. |
© 2021 by the authors. Licensee MDPI, Basel, Switzerland. This article is an open access article distributed under the terms and conditions of the Creative Commons Attribution (CC BY) license (https://creativecommons.org/licenses/by/4.0/).
Share and Cite
Tan, Q.; Gao, Y.; Liu, K.; Xu, X.; Sun, Y.; Yan, P. A Novel Closed-Loop Control Method for Li-Ion Batteries Connected in Series Power Supply Based on the Time Sequences Recalculation Algorithm. Symmetry 2021, 13, 1463. https://doi.org/10.3390/sym13081463
Tan Q, Gao Y, Liu K, Xu X, Sun Y, Yan P. A Novel Closed-Loop Control Method for Li-Ion Batteries Connected in Series Power Supply Based on the Time Sequences Recalculation Algorithm. Symmetry. 2021; 13(8):1463. https://doi.org/10.3390/sym13081463
Chicago/Turabian StyleTan, Qiang, Yinghui Gao, Kun Liu, Xuzhe Xu, Yaohong Sun, and Ping Yan. 2021. "A Novel Closed-Loop Control Method for Li-Ion Batteries Connected in Series Power Supply Based on the Time Sequences Recalculation Algorithm" Symmetry 13, no. 8: 1463. https://doi.org/10.3390/sym13081463
APA StyleTan, Q., Gao, Y., Liu, K., Xu, X., Sun, Y., & Yan, P. (2021). A Novel Closed-Loop Control Method for Li-Ion Batteries Connected in Series Power Supply Based on the Time Sequences Recalculation Algorithm. Symmetry, 13(8), 1463. https://doi.org/10.3390/sym13081463
