FPGA Realization of the Parameter-Switching Method in the Chen Oscillator and Application in Image Transmission
Abstract
1. Introduction
- (i)
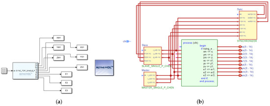
- FPGA realization of the parameter-switching scheme to approximate the stable cycles of the Chen oscillator, using VHDL as the implementation language with a word length of 24 bits, on the Xilinx’s Artix-7 AC701 board. The VHDL implementation on the FPGA board agreed completely with the numerical simulations done in MATLAB;
- (ii)
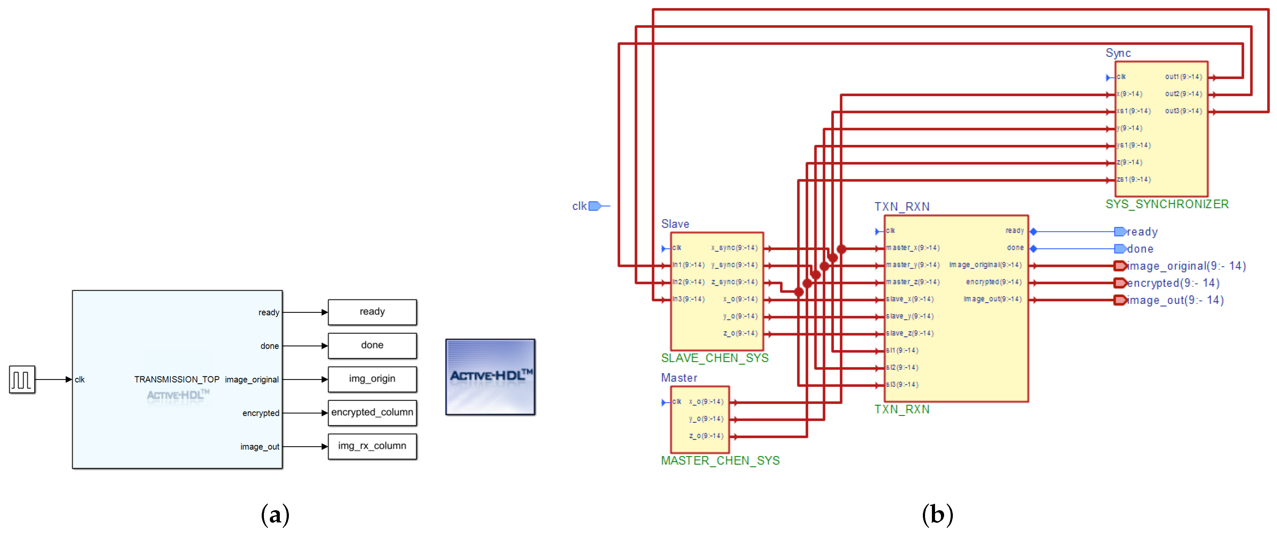
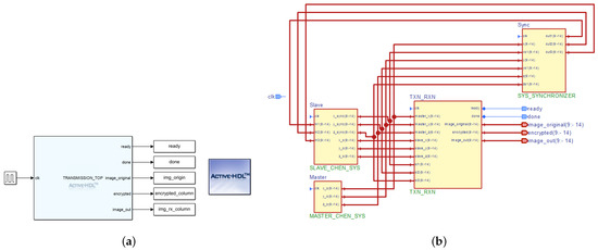
- FPGA realization of a secure chaos-based image transmission system on the Xilinx’s Artix-7 AC701 board, using VHDL with a 24 bit word length, whereby the parameter-switching scheme was applied as a decryption mechanism to recover chaos-encrypted RGB and grayscale images. The backbone of the secure image transmission system was a synchronized master and slave Chen system, in which the state observer was the slave system that approximated the master system. The VHDL implementation and MATLAB numerical simulations of the image transmission were in complete agreement.
2. Theoretical Framework
2.1. Parameter-Switching Method
2.2. Synchronization of Two Chen Oscillators
3. VHDL Implementation and System Co-Simulation
3.1. Parameter Switching Implementation
3.2. Master–Slave Synchronization
4. Application in Image Transmission
5. Discussion
6. Conclusions
Author Contributions
Funding
Institutional Review Board Statement
Informed Consent Statement
Data Availability Statement
Conflicts of Interest
Abbreviations
| DSP | Digital signal processor |
| FPGA | Field programmable gate Array |
| HDL | Hardware design language |
| I/O | Input/output |
| IVP | Initial value problem |
| LUT | Lookup table |
| OGY | Ott, Grebogi, and Yorke |
| PS | Parameter switching |
| RAM | Random access memory |
| RGB | Red, green and blue |
| TRNG | True random number generator |
| UPO | Unstable periodic orbit |
| VHDL | Very high-speed integrated circuit Hardware Design Language |
References
- Nicolis, G. Chapter 1—The many facets of complexity. In Complexity Science: An Introduction; Peletier, M.A., van Santen, R.A., Steur, E., Eds.; World Scientific Publishing Co.: Singapore, 2019; pp. 3–30. ISBN 978-981323960-9. [Google Scholar]
- Hu, M.; Li, F. A new method to solve numeric solution of nonlinear dynamic system. Math. Probl. Eng. 2016, 2016, 1485759. [Google Scholar] [CrossRef]
- Li, X.; Liao, S. Clean numerical simulation: A new strategy to obtain reliable solutions of chaotic dynamics. Appl. Math. Mech. Engl. Ed. 2018, 39, 1529–1546. [Google Scholar] [CrossRef]
- Lozi, R.; Pchelinstev, A.N. A new reliable numerical method for computing chaotic solutions of dynamical systems: The Chen attractor case. Int. J. Bifurc. Chaos 2015, 25, 1550187. [Google Scholar] [CrossRef]
- Haq, B.U.; Naeem, I. First integrals and analytical solutions of some dynamical systems. Nonlinear Dyn. 2019, 95, 1747–1765. [Google Scholar] [CrossRef]
- Mellodge, P. Chapter 4—Characteristics of Nonlinear Systems. In A Practical Approach to Dynamical Systems for Engineers; Mellodge, P., Ed.; Woodhead Publishing: Cambridge, UK, 2016; pp. 215–250. ISBN 9780081002025. [Google Scholar]
- Ling, W.K. Nonlinear Digital Filters: Analysis and Applications; Academic Press: New York, NY, USA, 2010; ISBN 9780080550015. [Google Scholar]
- Puy, A.; Daza, A.; Wagemakers, A.; Sanjuán, M.A.F. A test for fractal boundaries based on the basin entropy. Commun. Nonlinear Sci. Numer. Simul. 2021, 95, 105588. [Google Scholar] [CrossRef]
- Goufo, E.F.D.; Khan, Y. A new auto-replication in systems of attractors with two and three merged basins of attraction via control. Commun. Nonlinear Sci. Numer. Simul. 2021, 96, 105709. [Google Scholar] [CrossRef]
- Yan, Y.; Xu, J.; Wiercigroch, M.; Guo, Q. Statistical basin of attraction in time-delayed cutting dynamics: Modelling and computation. Phys. D Nonlinear Phenom. 2021, 416, 132779. [Google Scholar] [CrossRef]
- Lee, M.Y.; Kim, Y.I. Development of a Family of Jarratt-Like Sixth-Order Iterative Methods for Solving Nonlinear Systems with their basins of attraction. Algorithms 2020, 13, 303. [Google Scholar] [CrossRef]
- Rabenimananaa, T.; Walter, V.; Kacem, N.; Le Moal, P.; Bourbon, G.; Lardiès, J. Functionalization of electrostatic nonlinearities to overcome mode aliasing limitations in the sensitivity of mass microsensors based on energy localization editors-pick. Appl. Phys. Lett. 2020, 117, 033502. [Google Scholar] [CrossRef]
- Ngo, G.Q.; George, A.; Schock, R.T.K.; Tuniz, A.; Najafidehaghani, E.; Gan, Z.; Geib, N.C.; Bucher, T.; Knopf, H.; Saravi, S.; et al. Scalable functionalization of optical fibers using atomically thin semiconductors. Adv. Mater. 2020, 32, e2003826. [Google Scholar] [CrossRef]
- Rajagopal, K.; Akgul, A.; Jafari, S.; Karthikeyan, A.; Cavusoglu, U.; Kacar, S. An exponential jerk system, its fractional-order form with dynamical analysis and engineering application. Soft Comput. 2020, 24, 7469–7479. [Google Scholar] [CrossRef]
- Quan, G.Z.; Ma, Y.Y.; Zhang, Y.Q.; Zhang, P.; Wang, W.Y. Separation of dynamic recrystallization parameter domains from a chaotic system for Ti–6Al–4V alloy and its application in parameter loading path design. Mater. Sci. Eng. A 2020, 772, 138745. [Google Scholar] [CrossRef]
- Changaival, B.; Rosalie, M.; Danoy, G.; Lavangnananda, K.; Bouvry, P. Chaotic Traversal (CHAT): Very Large Graphs Traversal Using Chaotic Dynamics. Int. J. Bifurc. Chaos 2017, 27, 1750215. [Google Scholar] [CrossRef]
- Li, C.T.; Lee, C.C.; Weng, C.Y.; Chen, S.J. A Secure Dynamic Identity and Chaotic Maps Based User Authentication and Key Agreement Scheme for e-Healthcare Systems. J. Med. Syst. 2016, 40, 233. [Google Scholar] [CrossRef]
- Zang, X.; Iqbal, S.; Zhu, Y.; Liu, X.; Zhao, J. Applications of Chaotic Dynamics in Robotics. Int. J. Adv. Robot. Syst. 2016, 13. [Google Scholar] [CrossRef]
- Akgul, A.; Moroz, I.; Pehlivan, I.; Vaidyanathan, S. A new four-scroll chaotic attractor and its engineering applications. Optik 2016, 127, 5491–5499. [Google Scholar] [CrossRef]
- Ott, E. Chaos in Dynamical Systems; Cambridge University Press: Cambridge, UK, 1993. [Google Scholar]
- Din, Q. Qualitative analysis and chaos control in a density-dependent host-parasitoid system. Int. J. Dyn. Control 2018, 6, 778–798. [Google Scholar] [CrossRef]
- Nobakhti, E.; Khaki-Sedigh, A.; Vasegh, N. Control of multichaotic systems using the extended OGY method. Int. J. Bifurc. Chaos 2015, 25, 1550096. [Google Scholar] [CrossRef]
- Din, Q.; Elsadany, A.A.; Ibrahim, S. Bifurcation analysis and chaos control in a second order rational difference equation. Int. J. Nonlinear Sci. Numer. Simul. 2018, 19, 53–68. [Google Scholar] [CrossRef]
- Leonov, G.A. Pyragas stabilizability via delayed feedback with periodic control gain. Syst. Control Lett. 2014, 69, 34–37. [Google Scholar] [CrossRef]
- Xu, C.; Zhang, Q. On the chaos control of the Qi system. J. Eng. Math. 2015, 90, 67–81. [Google Scholar] [CrossRef]
- Amster, P.; Alliera, C. Control of Pyragas applied to a coupled system with unstable periodic orbits. Bull. Math. Biol. 2018, 80, 2897–2916. [Google Scholar] [CrossRef] [PubMed]
- Schwartz, I.B.; Triandaf, I.; Meucci, R.; Carr, T.W. Open-loop sustained chaos and control: A manifold approach. Phys. Rev. E 2002, 66, 026213. [Google Scholar] [CrossRef] [PubMed]
- Li, Y.N.; Yang, Y.T.; Zhu, Z.M.; Zhang, C.L. Feed-forward slope compensated PFC for chaos control. J. Circuits Syst. Comput. 2015, 25, 1550065. [Google Scholar] [CrossRef]
- Danca, M.-F.; Chattopadhyay, J. Chaos control of Hastings-Powell model by combining chaotic motions. Chaos 2016, 26, 043106. [Google Scholar] [CrossRef] [PubMed]
- Danca, M.-F.; Garrappa, R.; Tang, W.K.S.; Chen, G. Sustaining stable dynamics of a fractional-order chaotic financial system by parameter switching. Comput. Math. Appl. 2013, 66, 702–716. [Google Scholar] [CrossRef]
- Danca, M.-F.; Lung, N. Parameter switching in a generalized Duffing system: Finding the stable attractors. Appl. Math. Comput. 2013, 223, 101–114. [Google Scholar] [CrossRef][Green Version]
- Núñez-Pérez, J.C.; Adeyemi, V.A.; Sandoval-Ibarra, Y.; Pérez-Pinal, F.J.; Tlelo-Cuautle, E. FPGA Realization of Spherical Chaotic System with Application in Image Transmission. Math. Probl. Eng. 2021, 2021, 5532106. [Google Scholar] [CrossRef]
- Tuna, M.; Alçın, M.; Koyuncu, I.; Fidan, C.B.; Pehlivan, I. High speed FPGA-based chaotic oscillator design. Microprocess. Microsystem. 2019, 66, 72–80. [Google Scholar] [CrossRef]
- Yang, C.H.; Huang, S.J. Secure color image encryption algorithm based on chaotic signals and its FPGA realization. Int. J. Circuit Theory Appl. 2018, 46, 2444–2461. [Google Scholar] [CrossRef]
- Alçin, M.; Koyuncu, I.; Tuna, M.; Varan, M.; Pehlivan, I. A novel high speed artifical neural network-based chaotic true random number generator on field programmable gate array. Int. J. Circuit Theory Appl. 2018, 47, 365–378. [Google Scholar] [CrossRef]
- Li, P.; Zhang, W.; Li, Z.; Liu, W.; Halang, W.A. FPGA implementation of a coupled-map-lattice-based cryptosystem. Int. J. Circuit Theory Appl. 2010, 38, 85–98. [Google Scholar] [CrossRef]
- Tlelo-Cuautle, E.; de la Fraga, L.G.; Viet-Thanh, P.; Volos, C.; Jafari, S. Quintas-Valles, A.J. Dynamics, FPGA realization and application of a chaotic system with an infinite number of equilibrium points. Nonlinear Dyn. 2017, 89, 1129–1139. [Google Scholar] [CrossRef]
- Yu, F.; Liu, L.; He, B.; Huang, Y.; Shi, C.; Cai, S.; Song, Y.; Du, S.; Wan, Q. Analysis and FPGA realization of a novel 5D hyperchaotic four-wing memristive system, active control synchronization, and secure communication application. Complexity 2019, 2019, 4047957. [Google Scholar] [CrossRef]
- Azzaz, M.S.; Tanougast, C.; Maali, A.; Benssalah, M. An efficient and lightweight multi-scroll chaos-based hardware solution for protecting fingerprint biometric templates. Int. J. Commun. Syst. 2019, 33, e4211. [Google Scholar] [CrossRef]
- Hagras, E.A.A.; Saber, M. Low power and high-speed FPGA implementation for 4D memristor chaotic system for image encryption. Multimed. Tools Appl. 2020, 79, 23203–23222. [Google Scholar] [CrossRef]
- Guillén-Fernández, O.; Meléndez-Cano, A.; Tlelo-Cuautle, E.; Núñez-Pérez, J.C.; Rangel-Magdaleno, J.J. On the synchronization techniques of chaotic oscillators and their FPGA-based implementation for secure image transmission. PLoS ONE 2019, 14, e0209618. [Google Scholar] [CrossRef]
- Tlelo-Cuautle, E.; Díaz-Muñoz, J.D.; González-Zapata, A.M.; Li, R.; León-Salas, W.D.; Fernández, F.V.; Guillén-Fernández, O.; Cruz-Vega, I. Chaotic Image Encryption Using Hopfield and Hindmarsh–Rose Neurons Implemented on FPGA. Sensors 2020, 20, 1326. [Google Scholar] [CrossRef] [PubMed]
- Tlelo-Cuautle, E.; Pano-Azucena, A.D.; Guillén-Fernández, O.; Silva-Juárez, A. Synchronization and Applications of Fractional-Order Chaotic Systems. In Analog/Digital Implementation of Fractional Order Chaotic Circuits and Applications; Springer: Cham, Switzerland, 2019. [Google Scholar]
- Sivaraman, R.; Rajagopalan, S.; Amirtharajan, R. FPGA based generic RO TRNG architecture for image confusion. Multimed. Tools Appl. 2020, 79, 13841–13868. [Google Scholar] [CrossRef]
- Zeng, J.; Wang, C. A Novel Hyperchaotic Image Encryption System Based on Particle Swarm Optimization Algorithm and Cellular Automata. Secur. Commun. Netw. 2021, 2021, 6675565. [Google Scholar] [CrossRef]
- Wang, X.; Li, Y.; Jin, J. A new one-dimensional chaotic system with applications in image encryption. Chaos Solitons Fractals 2020, 139, 110102. [Google Scholar] [CrossRef]
- Li, Z.; Peng, C.; Tan, W.; Li, L. An Efficient Plaintext-Related Chaotic Image Encryption Scheme Based on Compressive Sensing. Sensors 2021, 21, 758. [Google Scholar] [CrossRef] [PubMed]
- Mohamed, A.G.; Korany, N.O.; El-Khamy, S.E. New DNA Coded Fuzzy Based (DNAFZ) S-Boxes: Application to Robust Image Encryption Using Hyper Chaotic Maps. IEEE Access 2021, 9, 14284–14305. [Google Scholar] [CrossRef]
- Núñez Pérez, J.C.; Adeyemi, V.A.; Sandoval-Ibarra, Y.; Serrato-Andrade, R.Y.; Cárdenas, J.R.; Tlelo-Cuautle, E. Mathematical and numerical analysis of the dynamical behavior of Chen oscillator. Int. J. Dyn. Control 2020, 8, 386–395. [Google Scholar] [CrossRef]
- Barboza, R. On the Lorenz and Chen Systems. Int. J. Bifurc. Chaos 2018, 28, 1850018. [Google Scholar] [CrossRef]
- Chen, G.; Ueta, T. Yet another chaotic attractor. Int. J. Bifurc. Chaos 1999, 9, 1465–1466. [Google Scholar] [CrossRef]
- Wang, X.; Chen, G. Generating Lorenz-like and Chen-like attractors from a simple algebraic structure. Sci. China Inf. Sci. 2014, 57, 1–7. [Google Scholar] [CrossRef][Green Version]
- Danca, M.-F.; Feckan, M. Note on a parameter-switching method for nonlinear ODEs. Math. Slovaca 2016, 66, 439–448. [Google Scholar] [CrossRef][Green Version]
- Tang, W.K.S.; Danca, M.-F. Emulating “Chaos + Chaos = Order” in Chen’s circuit of fractional order by parameter switching. Int. J. Bifurc. Chaos 2016, 26, 1650096. [Google Scholar] [CrossRef]
- Danca, M.-F. Convergence of a parameter switching algorithm for a class of nonlinear continuous systems and a generalization of Parrondo’s paradox. Commun. Nonlinear Sci. Numer. Simul. 2013, 18, 500–510. [Google Scholar] [CrossRef]
- Sira-Ramirez, H.; Cruz-Hernandez, C. Synchronization of chaotic systems: A generalized Hamiltonian systems approach. Int. J. Bifurc. Chaos 2001, 11, 1381–1395. [Google Scholar] [CrossRef]
- Pei, L.J.; Liu, S.H. Application of generalized Hamiltonian systems to chaotic synchronization. Nonlinear Dyn. Syst. Theory 2009, 9, 415–432. [Google Scholar]
- Danca, M.-F.; Tang, W.K.S. Parrondo’s paradox for chaos control and anticontrol of fractional-order systems. Chin. Phys. B 2016, 25, 010505. [Google Scholar] [CrossRef]
- Harmer, G.P.; Abbott, D. A review of Parrondo’s paradox. Fluct. Noise Lett. 2002, 2, R71–R107. [Google Scholar] [CrossRef]
- Kumar, V.; Aggarwal, R.; Sharma, P.; Kaur, B. Fractal basins of attraction in a binary quasar model. New Astron. 2021, 84, 101543. [Google Scholar] [CrossRef]
- Saeed, T.; Chen, W.; Zotos, E.E. Convergence properties of equilibria in the restricted three-body problem with prolate primaries. Astron. Nachrichten 2020, 341, 887–898. [Google Scholar] [CrossRef]
- Koppu, S.; Viswanatham, V.M. A fast enhanced secure image chaotic cryptosystem based on hybrid chaotic magic transform. Model. Simul. Eng. 2017, 2017, 7470204. [Google Scholar] [CrossRef]
- Chang, D.; Li, Z.; Wang, M.; Zeng, Y. A novel digital programmable multi-scroll chaotic system and its application in FPGA-based audio secure communication. AEU Int. J. Electron. Commun. 2018, 88, 20–29. [Google Scholar] [CrossRef]
- Tlelo-Cuautle, E.; Carbajal-Gomez, V.H.; Obeso-Rodelo, P.J.; Rangel-Magdaleno, J.J.; Núñez-Pérez, J.C. FPGA realization of a chaotic communication system applied to image processing. Nonlinear Dyn. 2015, 82, 1879–1892. [Google Scholar] [CrossRef]
- Sadoudi, S.; Tanougast, C.; Azzaz, M.S.; Dandache, A. Design and FPGA implementation of a wireless hyperchaotic communication system for secure real-time image transmission. EURASIP J. Image Video Process. 2013, 43. [Google Scholar] [CrossRef]
- Belo, D.; Carvalho, N.B. An OOK chirp spread spectrum backscatter communication system for wireless power transfer applications. IEEE Trans. Microw. Theory Tech. 2021, 69, 1838–1845. [Google Scholar] [CrossRef]
- Liu, M.; Han, Y.; Chen, Y.; Song, H.; Yang, Z.; Gong, F. Modulation parameter estimation of LFM interference for direct sequence spread spectrum communication system in Alpha-Stable noise. IEEE Syst. J. 2021, 15, 881–892. [Google Scholar] [CrossRef]
- Sheikhpour, S.; Mahani, A.; Bagheri, N. Reliable advanced encryption standard hardware implementation: 32-bit and 64-bit data-paths. Microprocess. Microsystem. 2021, 81, 103740. [Google Scholar] [CrossRef]
- Ikhwan, A.; Rafikha Aliana, A.R.; Ehkan, P.; Yacob, Y.; Syaifuddin, M. Data Security Implementation using Data Encryption Standard Method for Student Values at the Faculty of Medicine, University of North Sumatra. J. Phys. Conf. Ser. 2021, 1755, 012022. [Google Scholar] [CrossRef]












| Transmission Variable | Correlation | RGB Image | Grayscale Image | ||
|---|---|---|---|---|---|
| Red | Green | Blue | |||
| x | Original and Encrypted | 0.0342 | 0.0543 | 0.0315 | 0.0352 |
| Encrypted and Received | 0.0342 | 0.0543 | 0.0315 | 0.0352 | |
| Original and Received | 1 | 1 | 1 | 1 | |
| y | Original and Encrypted | 0.0316 | 0.0498 | 0.0296 | 0.0362 |
| Encrypted and Received | 0.0316 | 0.0498 | 0.0296 | 0.0362 | |
| Original and Received | 1 | 1 | 1 | 1 | |
| z | Original and Encrypted | 0.0649 | 0.0747 | 0.0711 | 0.0672 |
| Encrypted and Received | 0.0649 | 0.0747 | 0.0711 | 0.0672 | |
| Original and Received | 1 | 1 | 1 | 1 | |
| Chen Oscillator | Parameter Switching | Synchronization | |||||
|---|---|---|---|---|---|---|---|
| Resources | Available | Used | Utilization (%) | Used | Utilization (%) | Used | Utilization (%) |
| Slice LUTs | 134,600 | 5615 | 4 | 5472 | 4 | 11,935 | 9 |
| Memory LUTs | 46,200 | 0 | 0 | 0 | 0 | 0 | 0 |
| Registers | 269,200 | 144 | <1 | 179 | <1 | 479 | <1 |
| I/O pins | 400 | 73 | 18 | 73 | 18 | 145 | 36 |
| Block RAMs | 13,140,000 | 0 | 0 | 0 | 0 | 0 | 0 |
| DSPs | 740 | 44 | 6 | 40 | 5 | 64 | 9 |
| Resources | Available | RGB Image | Grayscale Image | ||
|---|---|---|---|---|---|
| Used | Utilization (%) | Used | Utilization (%) | ||
| Slice LUTs | 134,600 | 73,157 | 54 | 83,810 | 62 |
| Memory LUTs | 46,200 | 0 | 0 | 0 | 0 |
| Registers | 269,200 | 885 | <1 | 948 | <1 |
| I/O pins | 400 | 75 | 19 | 75 | 19 |
| Block RAMs | 13,140,000 | 0 | 0 | 0 | 0 |
| DSPs | 740 | 104 | 14 | 104 | 14 |
| Parameter | This Work (RGB) | This Work (Grayscale) | Ref. [38] | Ref. [63] | Ref. [64] | Ref. [65] |
|---|---|---|---|---|---|---|
| FPGA | Artix-7 | Artix-7 | ZYNQ | Cyclone IV | Stratix IV | Virtex 5 |
| Slice LUTs | 54% | 62% | 43% | 33% | 27% | 24% |
| Registers | <1% | <1% | 25% | 27% | <1% | 5% |
| I/O pins | 19% | 19% | 24% | N/A | 22% | 32% |
| Block RAMs | 0% | 0% | N/A | 96% | 40% | N/A |
| DSPs | 14% | 14% | N/A | 24% | 7% | 62% |
| Algorithm | RK-4 | RK-4 | RK-4 | Euler | Euler | RK-4 |
| Language | VHDL | VHDL | Verilog | Verilog | VHDL | VHDL |
| Number | 24 bit | 24 bit | 32 bit | 32 bit | 19 bit | 32 bit |
Publisher’s Note: MDPI stays neutral with regard to jurisdictional claims in published maps and institutional affiliations. |
© 2021 by the authors. Licensee MDPI, Basel, Switzerland. This article is an open access article distributed under the terms and conditions of the Creative Commons Attribution (CC BY) license (https://creativecommons.org/licenses/by/4.0/).
Share and Cite
Adeyemi, V.-A.; Nuñez-Perez, J.-C.; Sandoval Ibarra, Y.; Perez-Pinal, F.-J.; Tlelo-Cuautle, E. FPGA Realization of the Parameter-Switching Method in the Chen Oscillator and Application in Image Transmission. Symmetry 2021, 13, 923. https://doi.org/10.3390/sym13060923
Adeyemi V-A, Nuñez-Perez J-C, Sandoval Ibarra Y, Perez-Pinal F-J, Tlelo-Cuautle E. FPGA Realization of the Parameter-Switching Method in the Chen Oscillator and Application in Image Transmission. Symmetry. 2021; 13(6):923. https://doi.org/10.3390/sym13060923
Chicago/Turabian StyleAdeyemi, Vincent-Ademola, Jose-Cruz Nuñez-Perez, Yuma Sandoval Ibarra, Francisco-Javier Perez-Pinal, and Esteban Tlelo-Cuautle. 2021. "FPGA Realization of the Parameter-Switching Method in the Chen Oscillator and Application in Image Transmission" Symmetry 13, no. 6: 923. https://doi.org/10.3390/sym13060923
APA StyleAdeyemi, V.-A., Nuñez-Perez, J.-C., Sandoval Ibarra, Y., Perez-Pinal, F.-J., & Tlelo-Cuautle, E. (2021). FPGA Realization of the Parameter-Switching Method in the Chen Oscillator and Application in Image Transmission. Symmetry, 13(6), 923. https://doi.org/10.3390/sym13060923

