The Effect of Hydraulic Conditions in Barbotage Reactors on Aeration Efficiency
Abstract
1. Introduction
2. Review of Literature
2.1. Aeration Parameters
2.2. Bubble Column Reactors
2.3. Airlift Reactors
2.4. Influence of Moving Bed on System Aeration
3. Materials and Methods
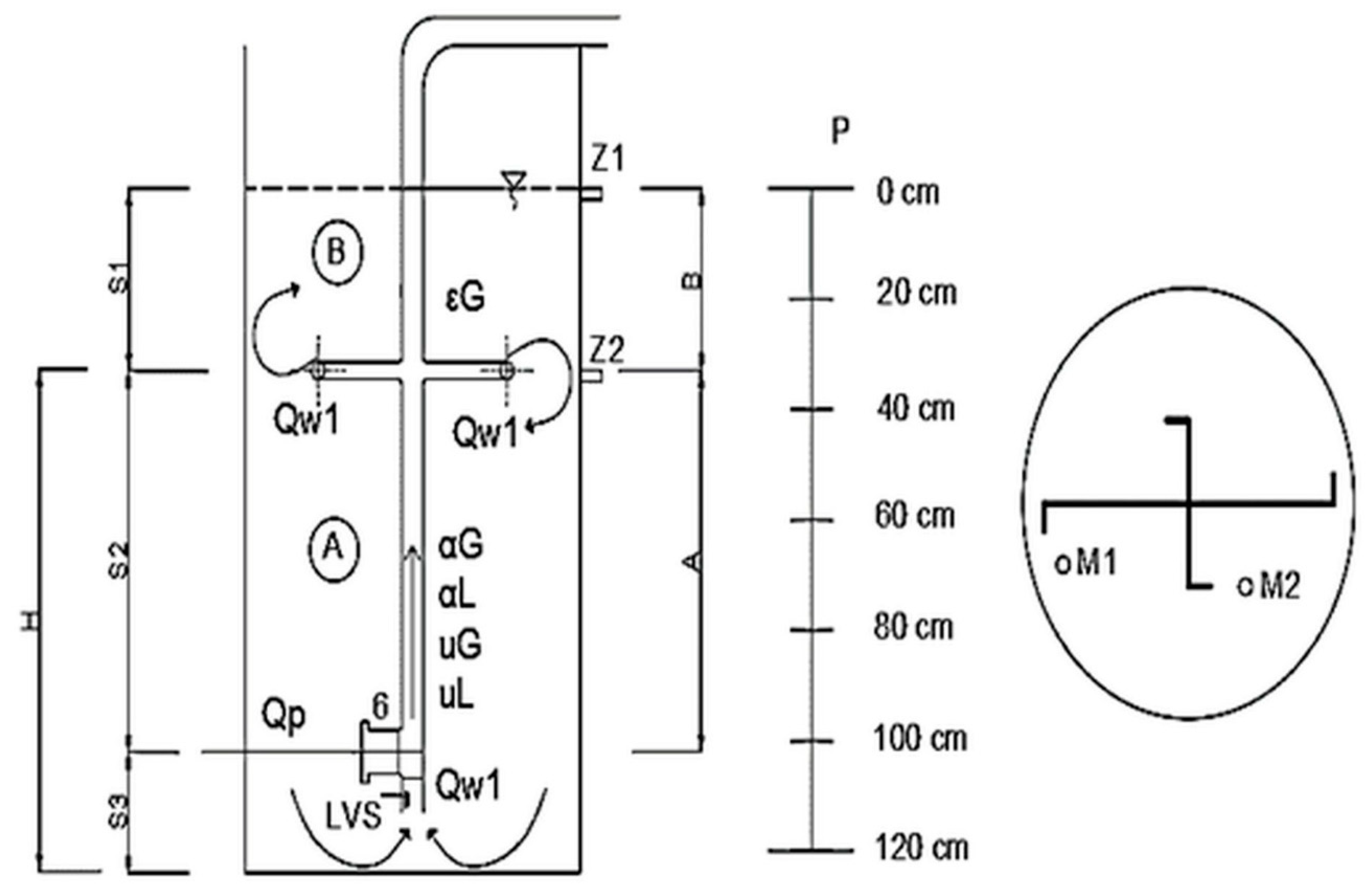
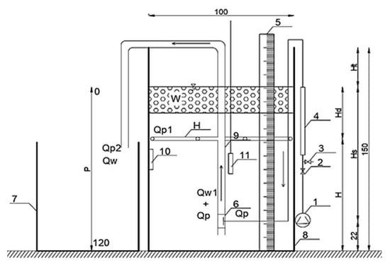
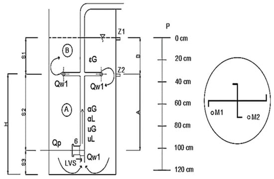
3.1. Description of the Testing Station
3.2. Calculation of Mixture Parameters in the Reactor
3.3. Calculation of Aeration Parameters
4. Results and Discussion
4.1. Parameters Describing Hydraulic Conditions
4.2. Parameters Describing the Aeration Process
4.3. Statistical Analysis of Research Results
4.4. Concluding Remarks
5. Conclusions
- A specially designed additional nozzle H, installed at the pumping segment of the airlift behind diffuser (6), influences circulation and mixing of the water–air mixture in the reactor;
- Due to the variation in the two-phase structure in the pumping segment of the airlift and decompression of air bubbles, in structural design variant H84, flows Qw1 and Qp1 were much greater than for the H34 design variant;
- The analysis of aeration in a hybrid reactor showed that, in each of the six structural design variants, part A (airlift reactor) affected aeration efficiency to a greater extent than part B (bubble column reactor), which was mostly influenced by the internal circulation in part A;
- The use of a moving bed may improve aeration efficiency in the reactor, provided that conditions for free circulation inside the reactor are maintained.
Supplementary Materials
Author Contributions
Funding
Acknowledgments
Conflicts of Interest
References
- Zheng, Z.; Chen, Y.; Zhan, X.; Gao, M.; Wang, Z. Mass transfer intensification in a novel airlift reactor assembly with helical sieve plates. Chem. Eng. J. 2018, 342, 61–70. [Google Scholar] [CrossRef]
- Ziegenhein, T.; Lucas, D.; Besagni, G.; Inzoli, F. The Bubble Shape in Contaminated Bubbly Flows: Results for Different NaCl Concentrations in Purified Water. ChemEngineering 2018, 2, 18. [Google Scholar] [CrossRef]
- Li, D.; Guo, K.; Li, J.; Huang, Y.; Zhou, J.; Liu, H.; Liu, C. Hydrodynamics and bubble behaviour in a three-phase two-stage internal loop airlift reactor. Chin. J. Chem. Eng. 2018, 26, 1359–1369. [Google Scholar] [CrossRef]
- Karimi, A.; Golbabaei, F.; Mehrnia, M.R.; Neghab, M.; Mohammad, K.; Nikpey, A.; Pourmand, M.R. Oxygen mass transfer in a stirred tank bioreactor using different impeller configurations for environmental purposes. Iran. J. Environ. Health Sci. Eng. 2013, 10, 6. [Google Scholar] [CrossRef]
- Collivignarelli, M.C.; Abbà, A.; Bertanza, G. Oxygen transfer improvement in MBBR process. Environ. Sci. Pollut. Res. 2019, 26, 10727–10737. [Google Scholar] [CrossRef]
- Chmielowski, K.; Mazur, R.; Nowak, A.; Bedla, D.; Mazurkiewicz, J.; Spychała, M. Efficiency of Nutrient Removal from Household Wastewater in Nonwoven Bioreactors. Pol. J. Environ. Stud. 2019, 28, 2099–2108. [Google Scholar] [CrossRef]
- Chmielowski, K.; Dacewicz, E.; Bedla, D.; Mazur, R. The Use of Plastic Waste in Biofilters for Domestic Sewage Treatment. Przem. Chem. 2018, 1, 46–49. [Google Scholar] [CrossRef]
- Mazur, R.; Chmielowski, K.; Bedla, D.; Nowak, A.; Mazurkiewicz, J. The effect of oxygen condition on effectiveness of sewage treatment in submersible technology of nonwoven filters. Przem. Chem. 2016, 1, 91–95. [Google Scholar] [CrossRef]
- Yao, D.; Lee, K.; Ha, M.; Cheong, C.; Lee, I. Development of Hybrid Airlift-Jet Pump with Its Performance Analysis. Appl. Sci. 2018, 8, 1413. [Google Scholar] [CrossRef]
- Loyless, J.C.; Malone, R.F. Evaluation of air-lift pump capabilities for water delivery, aeration, and degasification for application to recirculating aquaculture systems. Aquac. Eng. 1998, 18, 117–133. [Google Scholar] [CrossRef]
- Ziegenhein, T.; Zalucky, J.; Rzehak, R.; Lucas, D. On the hydrodynamics of airlift reactors, Part I: Experiments. Chem. Eng. Sci. 2016, 150, 54–65. [Google Scholar] [CrossRef]
- Ziegenhein, T.; Lucas, D. Observations on bubble shapes in bubble columns under different flow conditions. Exp. Therm. Fluid Sci. 2017, 85, 248–256. [Google Scholar] [CrossRef]
- Deng, Z.; Wang, T.; Zhang, N.; Wang, Z. Gas holdup, bubble behavior and mass transfer in a 5m high internal-loop airlift reactor with non-Newtonian fluid. Chem. Eng. J. 2010, 160, 729–737. [Google Scholar] [CrossRef]
- Shaikh, A.; Al-Dahhan, M. Scale-up of Bubble Column Reactors: A Review of Current State-of-the-Art. Ind. Eng. Chem. Res. 2013, 52, 8091–8108. [Google Scholar] [CrossRef]
- Luo, K.H.; Xia, J.; Monaco, E. Multiscale modeling of multiphase flow with complex interactions. J. Multiscale Model. 2009, 1, 125–156. [Google Scholar] [CrossRef]
- Wagner, C.; Shishkin, A.; Shishkina, O. The use of Direct Numerical Simulations for solving industrial flow problems. In Proceedings of the Direct and Large-Eddy Simulation VIII; Kuerten, H., Geurts, B., Armenio, V., Fröhlich, J., Eds.; Springer: Dordrecht, The Netherlands, 2011; pp. 397–404. [Google Scholar] [CrossRef]
- Joshi, J.B.; Nandakumar, K.; Evans, G.M.; Pareek, V.K.; Gumulya, M.M.; Sathe, M.J.; Khanwale, M.A. Bubble generated turbulence and direct numerical simulations. Chem. Eng. Sci. 2017, 157, 26–75. [Google Scholar] [CrossRef]
- Pope, S.B. Turbulent Flows by Stephen B. Pope. Available online: https://www.cambridge.org/core/books/turbulent-flows/C58EFF59AF9B81AE6CFAC9ED16486B3A (accessed on 11 October 2019).
- Medjiade, W.T.; Alvaro, A.R.; Schumpe, A. Flow regime transitions in a bubble column. Chem. Eng. Sci. 2017, 170, 263–269. [Google Scholar] [CrossRef]
- Andersson, M.; Yuan, J.; Sundén, B. Review on modeling development for multiscale chemical reactions coupled transport phenomena in solid oxide fuel cells. Appl. Energy 2010, 87, 1461–1476. [Google Scholar] [CrossRef]
- Grew, K.N.; Chiu, W.K.S. A review of modeling and simulation techniques across the length scales for the solid oxide fuel cell. J. Power Sources 2012, 199, 1–13. [Google Scholar] [CrossRef]
- Jaworski, Z.; Zakrzewska, B. Towards multiscale modelling in product engineering. Comput. Chem. Eng. 2011, 35, 434–445. [Google Scholar] [CrossRef]
- The Role of Computational Fluid Dynamics in Process Industries. Available online: https://nae.edu/7564/TheRoleofComputationalFluidDynamicsinProcessIndustries (accessed on 11 October 2019).
- Stefan, K.; Gunther, R. CFD-Simulations in the Early Product Development. Procedia CIRP 2016, 40, 443–448. [Google Scholar] [CrossRef]
- Pöpel, H.J. Aeration and Gas Transfer. Available online: https://www.ircwash.org/resources/aeration-and-gas-transfer. (accessed on 11 October 2019).
- Dang, N.D.P.; Karrer, D.A.; Dunn, I.J. Oxygen transfer coefficients by dynamic model moment analysis. Biotechnol. Bioeng. 1977, 19, 853–865. [Google Scholar] [CrossRef]
- Linek, V.; Benes, P.; Vacek, V. Dynamic pressure method for kla measurement in large-scale bioreactors. Biotechnol. Bioeng. 1989, 33, 1406–1412. [Google Scholar] [CrossRef] [PubMed]
- Linek, V.; Moucha, T.; Doušová, M.; Sinkule, J. Measurement of kLa by dynamic pressure method in pilot-plant fermentor. Biotechnol. Bioeng. 1994, 43, 477–482. [Google Scholar] [CrossRef] [PubMed]
- Bandyopadhyay, B.; Humphrey, A.E.; Taguchi, H.; Rao, G. Dynamic measurement of the volumetric oxygen transfer coefficient in fermentation systems. Biotechnol. Bioeng. 2009, 104, 841–853. [Google Scholar] [CrossRef]
- He, Z.; Petiraksakul, A.; Meesapya, W. Oxygen-Transfer Measurement in Clean Water—PDF. Available online: https://docplayer.net/23826942-Oxygen-transfer-measurement-in-clean-water.html (accessed on 30 October 2019).
- Capela, S.; Gillot, S.; Héduit, A. Comparison of Oxygen-Transfer Measurement Methods under Process Conditions. Water Environ. Res. 2004, 76, 183–188. [Google Scholar] [CrossRef]
- Kujawiak, S.; Makowska, M.; Matz, R.; Gawrońska, A. The Efficiency of the Aeration Process in Airlift Reactors with Moving Beds. Tech. Trans. 2017, 2017, 167–172. [Google Scholar] [CrossRef]
- Prakash, A.; Margaritis, A.; Li, H.; Bergougnou, M.A. Hydrodynamics and local heat transfer measurements in a bubble column with suspension of yeast. Biochem. Eng. J. 2001, 9, 155–163. [Google Scholar] [CrossRef]
- Gholamzadehdevin, M.; Pakzad, L. Hydrodynamic characteristics of an activated sludge bubble column through computational fluid dynamics (CFD) and response surface methodology (RSM). Can. J. Chem. Eng. 2019, 97, 967–982. [Google Scholar] [CrossRef]
- Paździor, K.; Wrębiak, J.; Klepacz-Smółka, A.; Gmurek, M.; Bilińska, L.; Kos, L.; Sójka-Ledakowicz, J.; Ledakowicz, S. Influence of ozonation and biodegradation on toxicity of industrial textile wastewater. J. Environ. Manag. 2017, 195, 166–173. [Google Scholar] [CrossRef]
- Kantarci, N.; Borak, F.; Ulgen, K.O. Bubble column reactors. Process Biochem. 2005, 40, 2263–2283. [Google Scholar] [CrossRef]
- Shu, S.; Vidal, D.; Bertrand, F.; Chaouki, J. Multiscale multiphase phenomena in bubble column reactors: A review. Renew. Energy 2019, 141, 613–631. [Google Scholar] [CrossRef]
- Pino, L.Z.; Solari, R.B.; Siquier, S.; Yépez, M.M.; SáEZ, A.E.; Estevez, L.A. Effect of Operating Conditions on Gas Holdup in Slurry Bubble Columns with A Foaming Liquid. Chem. Eng. Commun. 1992, 117, 367–382. [Google Scholar] [CrossRef]
- Identification of Flow Regime in A Bubble Column Reactor with A Combination of Optical Probe Data and Machine Learning Technique | Elsevier Enhanced Reader. Available online: https://reader.elsevier.com/reader/sd/pii/S2590140019300309?token=91CB26F2EC2E42B75C44BCC0E459C6277230581770BDBB3C225EC16B69C9FD1605ECA89BAD3911323176B735259AE471 (accessed on 11 October 2019).
- Hyndman, C.L.; Larachi, F.; Guy, C. Understanding gas-phase hydrodynamics in bubble columns: A convective model based on kinetic theory. Chem. Eng. Sci. 1997, 52, 63–77. [Google Scholar] [CrossRef]
- Krishna, R.; De Swart, J.W.A.; Ellenberger, J.; Martina, G.B.; Maretto, C. Gas Holdup in Slurry Bubble Columns: Effect of Column Diameter and Slurry Concentrations. AIChE J. 1997, 43, 311–316. [Google Scholar] [CrossRef]
- Besagni, G.; Inzoli, F.; Ziegenhein, T. Two-Phase Bubble Columns: A Comprehensive Review. ChemEngineering 2018, 2, 13. [Google Scholar] [CrossRef]
- Ruzicka, M.; Večeř, M.; Orvalho, S.; Drahos, J. Effect of surfactant on homogeneous regime stability in bubble column. Chem. Eng. Sci. 2008, 63, 951–967. [Google Scholar] [CrossRef]
- Besagni, G.; Inzoli, F.; Ziegenhein, T.; Lucas, D. Computational Fluid-Dynamic modeling of the pseudo-homogeneous flow regime in large-scale bubble columns. Chem. Eng. Sci. 2017, 160, 144–160. [Google Scholar] [CrossRef]
- Guédon, G.R.; Besagni, G.; Inzoli, F. Prediction of gas–liquid flow in an annular gap bubble column using a bi-dispersed Eulerian model. Chem. Eng. Sci. 2017, 161, 138–150. [Google Scholar] [CrossRef]
- Deshpande, S.S.; Kar, K.; Pressler, J.; Tebeka, I.; Martins, B.; Rosenfeld, D.; Biggs, J. Mass transfer estimation for bubble column scale up. Chem. Eng. Sci. 2019, 205, 350–357. [Google Scholar] [CrossRef]
- Besagni, G.; Gallazzini, L.; Inzoli, F. On the scale-up criteria for bubble columns. Petroleum 2019, 5, 114–122. [Google Scholar] [CrossRef]
- Sun, T.-Y.; Faeth, G.M. Structure of turbulent bubbly jets—I. Methods and centerline properties. Int. J. Multiph. Flow 1986, 12, 99–114. [Google Scholar] [CrossRef]
- Sun, T.-Y.; Faeth, G.M. Structure of turbulent bubbly jets—II. Phase property profiles. Int. J. Multiph. Flow 1986, 12, 115–126. [Google Scholar] [CrossRef]
- Iguchi, M.; Okita, K.; Nakatani, T.; Kasai, N. Structure of turbulent round bubbling jet generated by premixed gas and liquid injection. Int. J. Multiph. Flow 1997, 23, 249–262. [Google Scholar] [CrossRef]
- Lima, D.D.; Lima Neto, I.E. Effect of Nozzle Design on Bubbly Jet Entrainment and Oxygen Transfer Efficiency. J. Hydraul. Eng. 2018, 144. [Google Scholar] [CrossRef]
- Di Nunno, F.; Pereira, F.A.; de Marinis, G.; Di Felice, F.; Gargano, R.; Granata, F.; Miozzi, M. Two-Phase PIV-LIF Measurements in a Submerged Bubbly Water Jet. J. Hydraul. Eng. 2019, 145. [Google Scholar] [CrossRef]
- Peng, G.; Oguma, Y.; Shimizu, S. Numerical simulation of unsteady cavitating jet by a compressible bubbly mixture flow method. IOP Conf. Ser. Earth Environ. Sci. 2018, 163. [Google Scholar] [CrossRef]
- Nedeltchev, S.; Schumpe, A. A New Approach for the Prediction of Gas Holdup in Bubble Columns Operated under Various Pressures in the Homogeneous Regime. J. Chem. Eng. Jpn. 2008, 41, 744–755. [Google Scholar] [CrossRef]
- Guan, X.; Yang, N.; Li, Z.; Wang, L.; Cheng, Y.; Li, X. Experimental Investigation of Flow Development in Large-Scale Bubble Columns in the Churn-Turbulent Regime. Ind. Eng. Chem. Res. 2016, 55, 3125–3130. [Google Scholar] [CrossRef]
- Guan, X.; Gao, Y.; Tian, Z.; Wang, L.; Cheng, Y.; Li, X. Hydrodynamics in bubble columns with pin-fin tube internals. Chem. Eng. Res. Des. 2015, 102, 196–206. [Google Scholar] [CrossRef]
- Shah, Y.T.; Kelkar, B.G.; Godbole, S.P.; Deckwer, W.-D. Design parameters estimations for bubble column reactors. AIChE J. 1982, 28, 353–379. [Google Scholar] [CrossRef]
- Baird, M.H.I. Bubble column reactors. By W.-D. Deckwer, Wiley, New York, 1991. AIChE J. 1992, 38, 1305. [Google Scholar] [CrossRef]
- Fan, L.-S.; Matsuura, A.; Chern, S.-H. Hydrodynamic characteristics of a gas-liquid-solid fluidized bed containing a binary mixture of particles. AIChE J. 1985, 31, 1801–1810. [Google Scholar] [CrossRef]
- Lestinsky, P.; Vayrynen, P.; Vecer, M.; Wichterle, K. Hydrodynamics of Airlift Reactor with Internal Circulation Loop: Experiment vs. CFD Simulation. Procedia Eng. 2012, 42, 892–907. [Google Scholar] [CrossRef]
- Prończuk, M.; Bizon, K.; Grzywacz, R. Experimental investigations of hydrodynamic characteristics of a hybrid fluidized bed airlift reactor with external liquid circulation. Chem. Eng. Res. Des. 2017, 126, 188–198. [Google Scholar] [CrossRef]
- Benyahia, F.; Jones, L. Scale Effects on Hydrodynamic and Mass Transfer Characteristics of External Loop Airlift Reactors. J. Chem. Technol. Biotechnol. 1997, 69, 301–308. [Google Scholar] [CrossRef]
- Dursun, G.; Akosman, C. Gas–liquid interfacial area and mass transfer coefficient in a co-current down flow contacting column. J. Chem. Technol. Biotechnol. 2006, 81, 1859–1865. [Google Scholar] [CrossRef]
- Wilkinson, P.M.; Spek, A.P.; Dierendonck, L.L.V. Design parameters estimation for scale-up of high-pressure bubble columns. AIChE J. 1992. [Google Scholar] [CrossRef]
- Wang, T.; Wang, J.; Jin, Y. Slurry Reactors for Gas-to-Liquid Processes: A Review. Ind. Eng. Chem. Res. 2007, 46, 5824–5847. [Google Scholar] [CrossRef]
- Siegel, M.H.; Merchuk, J.C. Mass transfer in a rectangular air-lift reactor: effects of geometry and gas recirculation. Biotechnol. Bioeng. 1988, 32, 1128–1137. [Google Scholar] [CrossRef]
- Gouveia, E.R.; Hokka, C.O.; Badino, A.C., Jr. The effects of geometry and operational conditions on gas holdup, liquid circulation and mass transfer in an airlift reactor. Braz. J. Chem. Eng. 2003, 20, 363–374. [Google Scholar] [CrossRef]
- Mießner, U.; Kück, U.D.; Dujardin, V.; Heithoff, S.; Räbiger, N. Correlation for kLa Prediction of Airlift Loop Reactors Including the Gas Phase Residence Time Effect. Chem. Eng. Technol. 2015, 38, 2002–2010. [Google Scholar] [CrossRef]
- Zuber, N.; Findlay, J.A. Average Volumetric Concentration in Two-Phase Flow Systems. J. Heat Transf. 1965, 87, 453–468. [Google Scholar] [CrossRef]
- Hewitt, G.F. The Flow of Complex Mixtures in Pipes. By G.W. Govier and K. Aziz Van Nostrand Reinhold 1972. 792 pp. £17.65. J. Fluid Mech. 1974, 65, 825–827. [Google Scholar] [CrossRef]
- Hibiki, T.; Ishii, M. Distribution parameter and drift velocity of drift-flux model in bubbly flow. Int. J. Heat Mass Transf. 2002, 45, 707–721. [Google Scholar] [CrossRef]
- Kawanishi, K.; Hirao, Y.; Tsuge, A. An experimental study on drift flux parameters for two-phase flow in vertical round tubes. Nucl. Eng. Des. 1990, 120, 447–458. [Google Scholar] [CrossRef]
- Hibiki, T.; Ishii, M. One-dimensional drift-flux model and constitutive equations for relative motion between phases in various two-phase flow regimes. Int. J. Heat Mass Transf. 2003, 46, 4935–4948. [Google Scholar] [CrossRef]
- Ulbrich, R. Identyfikacja przepływu dwufazowego gaz-ciecz. In Studia i Monografie WSI w Opolu z.32; WSI: Opole, Poland, 1989. [Google Scholar]
- Chaali, M.; Naghdi, M.; Brar, S.K.; Avalos-Ramirez, A. A review on the advances in nitrifying biofilm reactors and their removal rates in wastewater treatment. J. Chem. Technol. Biotechnol. 2018, 93, 3113–3124. [Google Scholar] [CrossRef]
- Kalenik, M.; Wichowski, P.; Morawski, D. Skuteczność napowietrzania wody w aeratorze rurowym wypełnionym pierścieniami Białeckiego. Rynek Instal. 2016, 12. [Google Scholar] [CrossRef]
- Hosseiny, S.H. Modelling of organic removal in a moving bed biofilm reactor (MBBR). Sci. Iran. 2002, 9, 53–58. [Google Scholar]
- Andreottola, G.; Foladori, P.; Ragazzi, M.; Tatàno, F. Experimental comparison between MBBR and activated sludge system for the treatment of municipal wastewater. Water Sci. Technol. 2000, 41, 375–382. [Google Scholar] [CrossRef]
- Kruszelnicka, I.; Kramarczyk, D.G.; Poszwa, P.; Stręk, T. Influence of MBBR carriers’ geometry on its flow characteristics. Chem. Eng. Process. Process Intensif. 2018, 130, 134–139. [Google Scholar] [CrossRef]
- Deckwer, W.-D.; Louisi, Y.; Zaidi, A.; Ralek, M. Hydrodynamic Properties of the Fischer-Tropsch Slurry Process. Ind. Eng. Chem. Process Des. Dev. 1980, 19, 699–708. [Google Scholar] [CrossRef]
- Besagni, G.; Deen, N.G. Aspect ratio of bubbles in different liquid media: A novel correlation. Chem. Eng. Sci. 2019, 115383. [Google Scholar] [CrossRef]
- Mudde, R.F.; Groen, J.S.; Van Den Akker, H.E.A. Liquid velocity field in a bubble column: LDA experiments. Chem. Eng. Sci. 1997, 52, 4217–4224. [Google Scholar] [CrossRef]
- Libra, J.A.; Schuchardt, A.; Sahlmann, C.; Handschag, J.; Wiesmann, U.; Gnirss, R. Comparison of the efficiency of large-scale ceramic and membrane aeration systems with the dynamic off-gas method. Water Sci. Technol. J. Int. Assoc. Water Pollut. Res. 2002, 46, 317–324. [Google Scholar] [CrossRef]
- Öztürk, S.S.; Schumpe, A.; Deckwer, W.-D. Organic liquids in a bubble column: Holdups and mass transfer coefficients. AIChE J. 1987, 33, 1473–1480. [Google Scholar] [CrossRef]
- Letzel, H.M.; Schouten, J.C.; Krishna, R.; van den Bleek, C.M. Gas holdup and mass transfer in bubble column reactors operated at elevated pressure. Chem. Eng. Sci. 1999, 54, 2237–2246. [Google Scholar] [CrossRef]
- Kang, Y.; Cho, Y.J.; Woo, K.J.; Kim, S.D. Diagnosis of bubble distribution and mass transfer in pressurized bubble columns with viscous liquid medium. Chem. Eng. Sci. 1999, 54, 4887–4893. [Google Scholar] [CrossRef]
- Vandu, C.O.; Krishna, R. Volumetric mass transfer coefficients in slurry bubble columns operating in the churn-turbulent flow regime. Chem. Eng. Process. Process Intensif. 2004, 43, 987–995. [Google Scholar] [CrossRef]














| OC0 | |||||
|---|---|---|---|---|---|
| g O2/m3∙h | |||||
| H34 W0 | H34 W20 | H34 W40 | H84 W0 | H84 W20 | H84 W40 |
| 16.57 | 17.67 | 17.97 | 27.93 | 20.51 | 21.88 |
| Tukey’s HSD Test; α = 0.05 Approximated Probabilities for Post Hoc Tests Error: Intergroup MS = 16.965, df = 84.000 | ||||||
|---|---|---|---|---|---|---|
| Structural Design Variant | H34 W0 | H34 W20 | H34 W40 | H84 W0 | H84 W20 | H84 W40 |
| H34 W0 | No | No | Yes | Yes | Yes | |
| H34 W20 | No | No | Yes | Yes | Yes | |
| H34 W40 | No | No | Yes | Yes | Yes | |
| H84 W0 | Yes | Yes | Yes | No | Yes | |
| H84 W20 | Yes | Yes | Yes | No | Yes | |
| H84 W40 | Yes | Yes | Yes | Yes | Yes | |
© 2020 by the authors. Licensee MDPI, Basel, Switzerland. This article is an open access article distributed under the terms and conditions of the Creative Commons Attribution (CC BY) license (http://creativecommons.org/licenses/by/4.0/).
Share and Cite
Kujawiak, S.; Makowska, M.; Mazurkiewicz, J. The Effect of Hydraulic Conditions in Barbotage Reactors on Aeration Efficiency. Water 2020, 12, 724. https://doi.org/10.3390/w12030724
Kujawiak S, Makowska M, Mazurkiewicz J. The Effect of Hydraulic Conditions in Barbotage Reactors on Aeration Efficiency. Water. 2020; 12(3):724. https://doi.org/10.3390/w12030724
Chicago/Turabian StyleKujawiak, Sebastian, Małgorzata Makowska, and Jakub Mazurkiewicz. 2020. "The Effect of Hydraulic Conditions in Barbotage Reactors on Aeration Efficiency" Water 12, no. 3: 724. https://doi.org/10.3390/w12030724
APA StyleKujawiak, S., Makowska, M., & Mazurkiewicz, J. (2020). The Effect of Hydraulic Conditions in Barbotage Reactors on Aeration Efficiency. Water, 12(3), 724. https://doi.org/10.3390/w12030724

