ICOS Potenza (Italy) Atmospheric Station: A New Spot for the Observation of Greenhouse Gases in the Mediterranean Basin
Abstract
1. Introduction
2. The Measurement Site
3. The ICOS POT Station
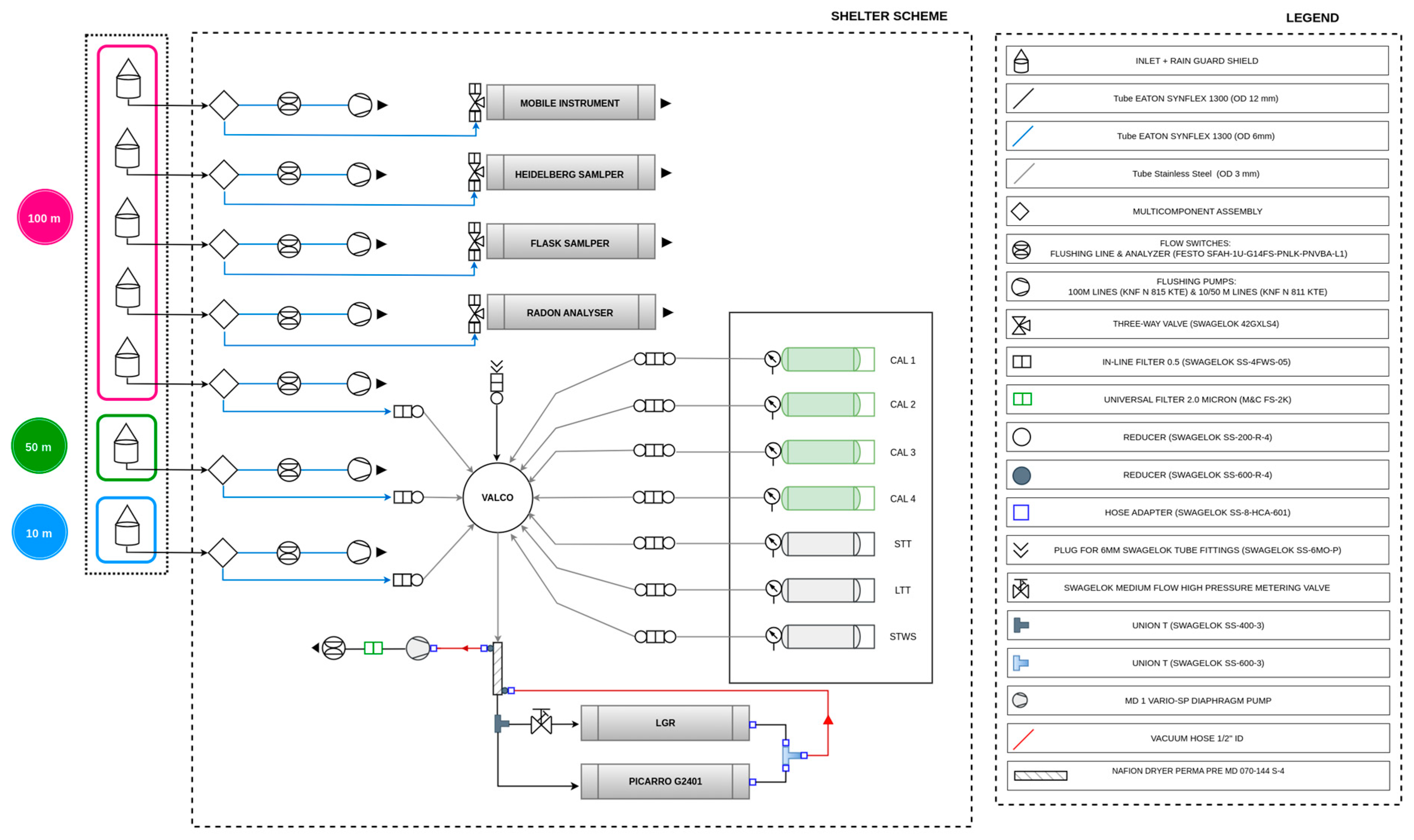
3.1. Overview and Sampling Lines
3.2. Setup of Components Inside the Shelter
3.3. The Tower and Instruments Used for Meteorological Measurements
4. Preliminary Data
5. Conclusions and Perspectives
Author Contributions
Funding
Institutional Review Board Statement
Informed Consent Statement
Data Availability Statement
Acknowledgments
Conflicts of Interest
References
- IPCC. IPCC: Climate Change 2014: Synthesis Report. Contribution of Working Groups I, II and III to the Fifth Assessment Report of the Intergovernmental Panel on Climate Change; (Core Writing Team). Pachauri, R.K., Meyer, L.A., Eds.; IPCC: Geneva, Switzerland, 2014; p. 151. Available online: https://www.ipcc.ch/report/ar5/syr/ (accessed on 28 November 2024).
- Bergamaschi, P.; Danila, A.; Weiss, R.F.; Ciais, P.; Thompson, R.L.; Brunner, D.; Levin, I.; Meijer, Y.; Chevallier, F.; Janssens-Maenhout, G.; et al. Atmospheric Monitoring and Inverse Modelling for Verification of Greenhouse Gas Inventories; Office of the European Union: Luxembourg, 2018. [Google Scholar] [CrossRef]
- IPCC. IPCC: Climate Change 2023: Synthesis Report. Contribution of Working Groups I, II and III to the Sixth Assessment Report of the Intergovernmental Panel on Climate Change; (Core Writing Team); Lee, H., Romero, J., Eds.; IPCC: Geneva, Switzerland, 2023; pp. 1–34. [Google Scholar] [CrossRef]
- Balsamo, G.; Engelen, R.; Thiemert, D.; Agusti-Panareda, A.; Bousserez, N.; Broquet, G.; Brunner, D.; Buchwitz, M.; Chevallier, F.; Choulga, M.; et al. The CO2 Human Emissions (CHE) Project: First Steps Towards a European Operational Capacity to Monitor Anthropogenic CO2 Emissions. Front. Remote Sens. 2021, 2, 707247. [Google Scholar] [CrossRef]
- Wu, F.; He, J.; Cai, L.; Du, M.; Huang, M. Accurate multi-objective prediction of CO2 emission performance indexes and industrial structure optimization using multihead attention-based convolutional neural network. J. Environ. Manag. 2023, 337, 117759. [Google Scholar] [CrossRef] [PubMed]
- Hu, C.; Griffis, T.J.; Lee, X.; Millet, D.B.; Chen, Z.; Baker, J.M.; Xiao, K. Top-Down Constraints on Anthropogenic CO2 Emissions Within an Agricultural-Urban Landscape. J. Geophys. Res.-Atmos. 2017, 123, 4674–4694. [Google Scholar] [CrossRef]
- Bergamaschi, P.; Karstens, U.; Manning, A.J.; Saunois, M.; Tsuruta, A.; Berchet, A.; Vermeulen, A.T.; Arnold, T.; Janssens-Maenhout, G.; Hammer, S.; et al. Inverse modelling of European CH4 emissions during 2006–2012 using different inverse models and reassessed atmospheric observations. Atmos. Chem. Phys. 2018, 18, 901–920. [Google Scholar] [CrossRef]
- Tans, P. Observational Strategy for Assessing the Role of Terrestrial Ecosystems in the Global Carbon Cycle: Scaling Down to Regional Levels. In Scaling Physiological Processes; Field, J.R.E.B., Ed.; Academic Press: San Diego, CA, USA, 1993; pp. 179–190. [Google Scholar] [CrossRef]
- Xia, L.; Zhang, G.; Liu, L.; Li, B.; Zhan, M.; Kong, P.; Wang, H. Atmospheric CO2 and CO at Jingdezhen station in central China: Understanding the regional transport and combustion efficiency. Atmos. Environ. 2019, 222, 117104. [Google Scholar] [CrossRef]
- Gloor, M.; Fan, S.-M.; Pacala, S.; Sarmiento, J. Optimal sampling of the atmosphere for purpose of inverse modeling: A model study. Glob. Biogeochem. Cycles 2000, 14, 407–428. [Google Scholar] [CrossRef]
- Heiskanen, J.; Brümmer, C.; Buchmann, N.; Calfapietra, C.; Chen, H.; Gielen, B.; Gkritzalis, T.; Hammer, S.; Hartman, S.; Herbst, M.; et al. The Integrated Carbon Observation System in Europe. Bull. Am. Meterol. Soc. 2022, 103, E855–E872. [Google Scholar] [CrossRef]
- Yver-Kwok, C.; Philippon, C.; Bergamaschi, P.; Biermann, T.; Calzolari, F.; Chen, H.; Conil, S.; Cristofanelli, P.; Delmotte, M.; Hatakka, J.; et al. Evaluation and optimization of ICOS atmosphere station data as part of the labeling process. Atmos. Meas. Tech. 2021, 14, 89–116. [Google Scholar] [CrossRef]
- ICOS RI: ICOS Atmosphere Release 2020-1 of Level 2 Greenhouse Gas Mole Fractions of CO2, CH4, CO, meteorology and 14CO2, data collection, ICOS ERIC—Carbon Portal, 2020. [CrossRef]
- Lelieveld, J.; Berresheim, H.; Borrmann, S.; Crutzen, P.J. Global Air Pollution Crossroads over the Mediterranean. Science 2002, 298, 794. [Google Scholar] [CrossRef]
- Duncan, B.N.; West, J.J.; Yoshida, Y.; Fiore, A.M.; Ziemke, J.R. The influence of European pollution on ozone in the Near East and northern Africa. Atmos. Chem. Phys. 2008, 8, 2267–2283. [Google Scholar] [CrossRef]
- Ricaud, P.; Sič, B.; El Amraoui, L.; Attié, J.-L.; Zbinden, R.; Huszar, P.; Szopa, S.; Parmentier, J.; Jaidan, N.; Michou, M.; et al. Impact of the Asian monsoon anticyclone on the variability of mid-to- upper tropospheric methane above the Mediterranean Basin. Atmos. Chem. Phys. 2014, 14, 11427–11446. [Google Scholar] [CrossRef]
- Kalabokas, P.D.; Mihalopoulos, N.; Ellul, R.; Kleanthous, S.; Repapis, C.C. An investigation of the meteorological and photochemical factors influencing the background rural and marine surface ozone levels in the Central and Eastern Mediterranean. Atmos. Environ. 2008, 42, 7894–7906. [Google Scholar] [CrossRef]
- Integrated Carbon Observation System. Available online: https://www.icos-cp.eu/station-map (accessed on 26 December 2024).
- ICOS RI. ICOS Atmosphere Station Specifications V2.0; Laurent, O., Ed.; ICOS ERIC: Helsinki, Finland, 2020. [Google Scholar] [CrossRef]
- Hazan, L.; Tarniewicz, J.; Ramonet, M.; Laurent, O.; Abbaris, A. Automatic processing of atmospheric CO2 and CH4 mole fractions at the ICOS Atmosphere Thematic Centre. Atmos. Meas. Tech. 2016, 9, 4719–4736. [Google Scholar] [CrossRef]
- National Research Council of Italy—Institute of Methodologies for Environmental Analysis. CNR-IMAA Atmospheric Observatory (CIAO). Available online: https://ciao.imaa.cnr.it (accessed on 2 December 2024).
- Madonna, F.; Amodeo, A.; Boselli, A.; Cornacchia, C.; Cuomo, V.; D’Amico, G.; Giunta, A.; Mona, L.; Pappalardo, G. CIAO: The CNR-IMAA advanced observatory for atmospheric research. Atmos. Meas. Tech. 2011, 4, 1191–1208. [Google Scholar] [CrossRef]
- Laurita, T.; Mauceri, A.; Cardellicchio, F.; Lapenna, E.; De Rosa, B.; Trippetta, S.; Mytilinaios, M.; Amodio, D.; Giunta, A.; Ripepi, E.; et al. CIAO observatory main upgrade: Building up an ACTRIS compliant aerosol in-situ laboratory. Atmos. Meas. Tech. Discuss. 2024. in review. [Google Scholar] [CrossRef]
- Dvorská, A.; Sedlák, P.; Schwarz, J.; Fusek, M.; Hanuš, V.; Vodička, P.; Trusina, J. Atmospheric station Křešín u Pacova, Czech Republic—A Central European research infrastructure for studying greenhouse gases, aerosols and air quality. Adv. Sci. Res. 2015, 12, 79–83. [Google Scholar] [CrossRef]
- Characterization of Natural Areas from Basilicata Region Available at Geoportal Under “Tutela del Territorio” Layer Powered by RSDI, a Basilicata Region Authority GIS Project. Available online: https://rsdi.regione.basilicata.it/ (accessed on 2 December 2024).
- EU ETS Italian Portal. Available online: https://www.ets.minambiente.it/ (accessed on 2 December 2024).
- Lin, J.C.; Gerbig, C.; Wofsy, S.C.; Andrews, A.E.; Daube, B.C.; Davis, K.J.; Grainger, C.A. A near-field tool for simulating the upstream influence of atmospheric observations: The Stochastic Time-Inverted Lagrangian Transport (STILT) model. J. Geophys. Res. 2003, 108, D16. [Google Scholar] [CrossRef]
- Storm, I.; Karstens, U.; D’Onofrio, C.; Vermeulen, A.; Peters, W. A view of the European carbon flux landscape through the lens of the ICOS atmospheric observation network. Atmos. Chem. Phys. 2023, 23, 4993–5008. [Google Scholar] [CrossRef]
- Integrated Carbon Observation System (ICOS): Jupiter Hub. Available online: https://exploredata.icos-cp.eu (accessed on 26 December 2024).
- Vermeulen, A.T.; Hensen, A.; Popa, M.E.; van den Bulk, W.C.M.; Jongejan, P.A.C. Greenhouse gas observations from Cabauw Tall Tower (1992–2010). Atmos. Meas. Tech. 2011, 4, 617–644. [Google Scholar] [CrossRef]
- Conil, S.; Helle, J.; Langrene, L.; Laurent, O.; Delmotte, M.; Ramonet, M. Continuous atmospheric CO2, CH4 and CO measurements at the Observatoire Pérenne de l’Environnement (OPE) station in France from 2011 to 2018. Atmos. Meas. Tech. 2019, 12, 6361–6383. [Google Scholar] [CrossRef]
- Lelandais, L.; Xueref-Remy, I.; Riandet, A.; Blanc, P.E.; Armengaud, A.; Oppo, S.; Yohia, C.; Ramonet, M.; Delmotte, M. Analysis of 5.5 years of atmospheric CO2, CH4, CO continuous observations (2014–2020) and their correlations, at the Observatoire de Haute Provence, a station of the ICOS-France national greenhouse gases observation network. Atmos. Environ. 2022, 277, 119020. [Google Scholar] [CrossRef]
- Geels, C.; Gloor, M.; Ciais, P.; Bousquet, P.; Peylin, P.; Vermeulen, A.T.; Dargaville, R.; Aalto, T.; Brandt, J.; Christensen, J.H.; et al. Comparing atmospheric transport models for future regional inversions over Europe—Part 1: Mapping the atmospheric CO2 signals. Atmos. Chem. Phys. 2007, 7, 3461–3479. [Google Scholar] [CrossRef]
- Gerbig, C.; Körner, S.; Lin, J.C. Vertical mixing in atmospheric tracer transport models: Error characterization and propagation. Atmos. Chem. Phys. 2008, 8, 591–602. [Google Scholar] [CrossRef]
- Italian Seismic Classification by Dipartimento della Protezione Civile. Available online: https://rischi.protezionecivile.gov.it/it/sismico/attivita/classificazione-sismica/ (accessed on 2 December 2024).
- Chu, P.M.; Hodges, J.T.; Rhoderick, G.C.; Lisak, D.; Travis, J.C. Methane-in-air standards measured using a 1.65 μm frequency-stabilized cavity ring-down spectrometer. In Proceedings of the Chemical and Biological Sensors for Industrial and Environmental Monitoring II, Boston, MA, USA, 3–4 October 2006; Volume 6378, p. 63780G. [Google Scholar] [CrossRef]
- D’Amico, F.; Ammoscato, I.; Gullì, D.; Avolio, E.; Lo Feudo, T.; De Pino, M.; Cristofanelli, P.; Malacaria, L.; Parise, D.; Sinopoli, S.; et al. Integrated Analysis of Methane Cycles and Trends at the WMO/GAW Station of Lamezia Terme (Calabria, Southern Italy). Atmosphere 2024, 15, 946. [Google Scholar] [CrossRef]
- Cristofanelli, P.; Fratticioli, C.; Hazan, L.; Chariot, M.; Couret, C.; Gazetas, O.; Kubistin, D.; Laitinen, A.; Leskinen, A.; Laurila, T.; et al. Identification of spikes in continuous ground-based in situ time series of CO2, CH4 and CO: An extended experiment within the European ICOS Atmosphere network. Atmos. Meas. Tech. 2023, 16, 5977–5994. [Google Scholar] [CrossRef]
- D’Amico, F.; Ammoscato, I.; Gullì, D.; Avolio, E.; Lo Feudo, T.; De Pino, M.; Cristofanelli, P.; Malacaria, L.; Parise, D.; Sinopoli, S.; et al. Anthropic-Induced Variability of Greenhouse Gasses and Aerosols at the WMO/GAW Coastal Site of Lamezia Terme (Calabria, Southern Italy): Towards a New Method to Assess the Weekly Distribution of Gathered Data. Sustainability 2024, 16, 8175. [Google Scholar] [CrossRef]
- De Rosa, B.; Amato, F.; Amodeo, A.; D’Amico, G.; Dema, C.; Falconieri, A.; Giunta, A.; Gumà-Claramunt, P.; Kampouri, A.; Solomos, S.; et al. Characterization of Extremely Fresh Biomass Burning Aerosol by Means of Lidar Observations. Remote Sens. 2022, 14, 4984. [Google Scholar] [CrossRef]
- Zazzeri, G.; Lowry, D.; Fisher, R.E.; France, J.L.; Lanoisellé, M.; Grimmond, C.S.B.; Nisbet, E.G. Evaluating methane inventories by isotopic analysis in the London region. Sci. Rep. 2017, 7, 4854. [Google Scholar] [CrossRef] [PubMed]
- Zazzeri, G.; Graven, H.; Xu, X.; Saboya, E.; Blyth, L.; Manning, A.J.; Chawner, H.; Wu, D.; Hammer, S. Radiocarbon Measurements Reveal Underestimated Fossil CH4 and CO2. Geophys. Res. Lett. 2023, 50, e2023GL103834. [Google Scholar] [CrossRef]
- Guérette, E.-A.; Paton-Walsh, C.; Desservettaz, M.; Smith, T.E.L.; Volkova, L.; Weston, C.J.; Meyer, C.P. Emissions of trace gases from Australian temperate forest fires: Emission factors and dependence on modified combustion efficiency. Atmos. Chem. Phys. 2018, 18, 3717–3735. [Google Scholar] [CrossRef]








| Item | Element | Type/Manufacturer | Description |
|---|---|---|---|
| 1 | Tubes | EATON Synflex 1300 OD 12 mm | Connect intake heads to multicomponent assembly |
| 2 | 12-position multiport valve | Vici EMT2CA-CE | Connected to sampling line (10, 50 and 100 m) through multicomponent node |
| 3 | 2-way valve | Swagelok SS-43GS8 | Protect inlet in cylindrical module |
| 4 | Flushing pumps | KNF N 815 KTE | Flush ambient air from 100 m lines, connect to multicomponent node |
| 5 | Flushing pumps | KNF N 811 KTE | Flush ambient air from 10/50 m lines, connect to multicomponent node |
| 6 | T union | Swagelok SS-400-3 | Connect multicomponent node and flushing pump |
| 7 | Universal filter 2 mm porosity | M&C F2 | Connected to multicomponent node |
| 8 | Gauge pressure | PGI-63B-BC1.5-LAQX | Connected to multicomponent node |
| 9 | Two-way valve | Swagelok SS-42GES4 | Connect multicomponent node to flushing pump |
| 10 | Three-way valve | Swagelok SS-42GXLS4 | Connect multicomponent node to quick-connect stem for shelter test |
| 11 | Quick-connect stem | Swagelok SS-QM2-D-200 | Connect multicomponent node to cylinders for shelter test |
| 12 | Tubes | EATON Synflex 1300 tube OD 6 mm | Connect: multicomponent node to flushing pumps and Valco valve, Valco to Nafion, Nafion to continuous instruments |
| 13 | Flow switch | SMC PF2M711S-02-D | Connected all multicomponent nodes to flushing pumps |
| 14 | In-line filter 0.5 mm | Swagelok SS-4FWS-05 | Connected to Valco and downstream to cylinders connections |
| 15 | Tubes | Stainless steel OD 3 mm | Connect cylinders to Valco and Valco to Nafion dryer |
| 16 | Reducer | Swagelok SS-200-R-4 | Connect Valco to inline filters through stainless steel tubing |
| 17 | Nafion dryer | Perma Pure MD 070-144 S-4 | Drying system, connected to Valco and continuous analysers |
| 18 | Flow switch | FESTO SFAH-1U-G14FS-PNLK-PNVBA-L1 | Connected to upstream Picarro vacuum pump |
| Pressure After 24 h, Pump Off (bar) | Pressure After 20 min, Pump Off (bar) | Steady State Pressure (bar) | Sampling Line |
|---|---|---|---|
| −0.8 | −0.8 | −0.8 | 10 m |
| −0.8 | −0.8 | −0.8 | 50 m |
| −0.8 | −0.8 | −0.8 | 100 m |
| −0.7 | −0.7 | −0.8 | Flask sampler |
| −0.8 | −0.8 | −0.8 | Heidelberg sampler |
| −0.8 | −0.8 | −0.8 | Radon analyser |
| −0.8 | −0.8 | −0.8 | Mobile instrument |
| Resolution | Observation Range | Parameter | Sensor |
|---|---|---|---|
| 1% | 0–100% RH | Relative humidity (%) | HMP 155 |
| 0.1 °C | −80–+60 °C | Temperature (°C) | |
| 0.01 hPa | 500–1100 hPa | Pressure (hPa) | Baro-1 class A- |
| 1° | 0–360° | Wind direction (°N) | WMT700 |
| 0.5 m/s | 0 to 75 m/s | Wind speed (m/s) |
Disclaimer/Publisher’s Note: The statements, opinions and data contained in all publications are solely those of the individual author(s) and contributor(s) and not of MDPI and/or the editor(s). MDPI and/or the editor(s) disclaim responsibility for any injury to people or property resulting from any ideas, methods, instructions or products referred to in the content. |
© 2025 by the authors. Licensee MDPI, Basel, Switzerland. This article is an open access article distributed under the terms and conditions of the Creative Commons Attribution (CC BY) license (https://creativecommons.org/licenses/by/4.0/).
Share and Cite
Lapenna, E.; Buono, A.; Mauceri, A.; Zaccardo, I.; Cardellicchio, F.; D’Amico, F.; Laurita, T.; Amodio, D.; Colangelo, C.; Di Fiore, G.; et al. ICOS Potenza (Italy) Atmospheric Station: A New Spot for the Observation of Greenhouse Gases in the Mediterranean Basin. Atmosphere 2025, 16, 57. https://doi.org/10.3390/atmos16010057
Lapenna E, Buono A, Mauceri A, Zaccardo I, Cardellicchio F, D’Amico F, Laurita T, Amodio D, Colangelo C, Di Fiore G, et al. ICOS Potenza (Italy) Atmospheric Station: A New Spot for the Observation of Greenhouse Gases in the Mediterranean Basin. Atmosphere. 2025; 16(1):57. https://doi.org/10.3390/atmos16010057
Chicago/Turabian StyleLapenna, Emilio, Antonella Buono, Alessandro Mauceri, Isabella Zaccardo, Francesco Cardellicchio, Francesco D’Amico, Teresa Laurita, Davide Amodio, Canio Colangelo, Gianluca Di Fiore, and et al. 2025. "ICOS Potenza (Italy) Atmospheric Station: A New Spot for the Observation of Greenhouse Gases in the Mediterranean Basin" Atmosphere 16, no. 1: 57. https://doi.org/10.3390/atmos16010057
APA StyleLapenna, E., Buono, A., Mauceri, A., Zaccardo, I., Cardellicchio, F., D’Amico, F., Laurita, T., Amodio, D., Colangelo, C., Di Fiore, G., Gorga, A., Ripepi, E., De Benedictis, F., Pirelli, S., Capozzo, L., Lapenna, V., Pappalardo, G., Trippetta, S., & Mona, L. (2025). ICOS Potenza (Italy) Atmospheric Station: A New Spot for the Observation of Greenhouse Gases in the Mediterranean Basin. Atmosphere, 16(1), 57. https://doi.org/10.3390/atmos16010057

