LRNTRM-YOLO: Research on Real-Time Recognition of Non-Tobacco-Related Materials
Abstract
1. Introduction
- Utilizing a proprietary tobacco image acquisition platform to collect images of non-tobacco-related materials and established the NTRM dataset.
- Proposing a lightweight and real-time detection model for non-tobacco-related materials named LRNTRM-YOLO.
- A suite of meticulously crafted experiments was conducted to validate the efficacy of the LRNTRM-YOLO model, thereby offering an invaluable reference for the detection and identification of non-tobacco substances.
2. Related Work
2.1. The Application of YOLO in the Tobacco Industry
2.2. Non-Tobacco-Related Material Detection Methods
3. Materials and Methods
3.1. Construction of the NTRM Database
3.1.1. Data Acquisition
3.1.2. Processing of Similar Data
3.1.3. Data Annotation
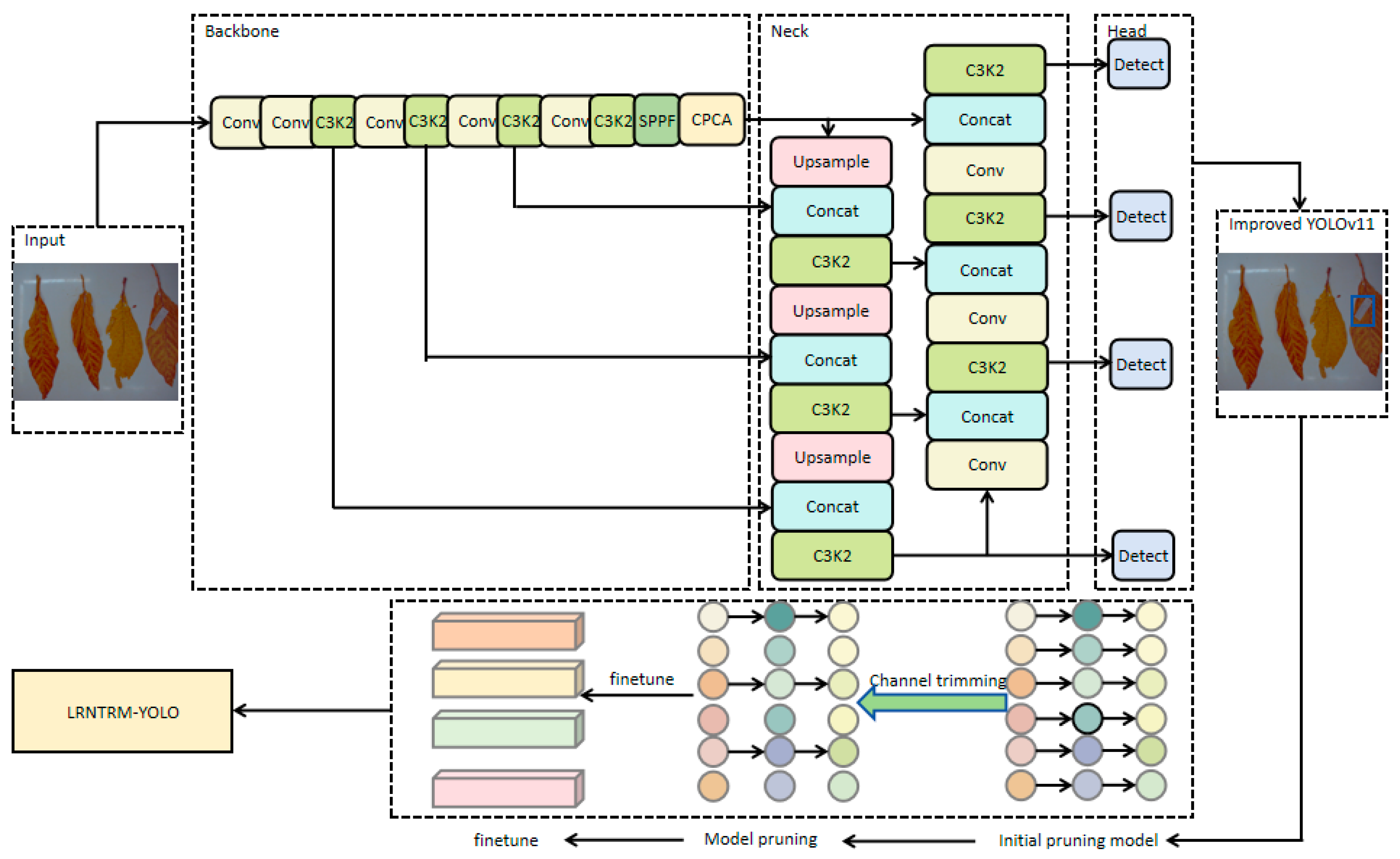
3.2. The Network Structure of LRNTRM-YOLO
3.2.1. Small Target Detection Layer
3.2.2. Attention Mechanism
3.2.3. Loss Function
3.2.4. Model Pruning
4. Experiments and Results
4.1. Experimental Environment
4.2. Evaluation Metrics
4.3. Experimental Results and Analysis
4.3.1. Ablation Experiments
4.3.2. Comparison of Model Pruning Experiments
4.3.3. Comparison of Object Detection Models
4.4. Visualization
4.5. Deployment
5. Conclusions
Author Contributions
Funding
Data Availability Statement
Conflicts of Interest
References
- Wang, S.L.; Qu, P.Z.; He, L.; Yang, C.; Xu, Z.P.; Chang, W.L.; Xiang, P.L. Control Measures and Effectiveness Analysis of Non-tabacco Related Materials in Flue-cured Tobacco. Anhui Agric. Sci. Bull. 2023, 29, 51–54. [Google Scholar]
- Zhang, C.H.; Zhao, H.F.; Hu, W.; Wang, J.; Luo, L.L.; Ye, H.; Zhang, X.L.; Chen, S.Q. Origin of Impurities in Tobacco Leaves. Chin. Tob. Sci. 2013, 1, 90–93. [Google Scholar]
- Gui, J.W. Non-tobacco material control in tobacco re drying enterprises. South China Agric. 2014, 8, 190–192. [Google Scholar] [CrossRef]
- Deng, Z.W.; Wang, T.; Zheng, Y.; Zhang, W.L.; Yun, Y.H. Deep learning in food authenticity: Recent advances and future trends. Trends Food Sci. Technol. 2024, 144, 104344. [Google Scholar] [CrossRef]
- Oza, P.; Sindagi, V.A.; Vibashan, V.S.; Patel, V.M. Unsupervised Domain Adaptation of Object Detectors: A Survey. IEEE Trans. Pattern Anal. Mach. Intell. 2024, 46, 4018–4040. [Google Scholar] [CrossRef]
- Ji, S.L.; Yang, X.Y.; Luo, J. A Survey on Deep Learning for Symbolic Music Generation: Representations, Algorithms, Evaluations, and Challenges. ACM Comput. Surv. 2024, 56, 7. [Google Scholar] [CrossRef]
- Zheng, C.; Wu, W.H.; Chen, C.; Yang, T.J.N.; Zhu, S.J.; Shen, J.; Kehtarnavaz, N.; Shah, M. Deep Learning-based Human Pose Estimation: A Survey. ACM Comput. Surv. 2023, 56, 11. [Google Scholar] [CrossRef]
- Gul, N.; Muzaffar, K.; Ahmad, S.Z.A.; Assad, A.; Makroo, H.A.; Dar, B.N. Deep learning hyperspectral imaging: A rapid and reliable alternative to conventional techniques in the testing of food quality and safety. Qual. Assur. Saf. Crops Foods 2024, 16, 78–97. [Google Scholar] [CrossRef]
- Xie, L.; Jing, J.; Wu, H.; Kang, Q.; Zhao, Y.; Ye, D. MPG-YOLO: Enoki Mushroom Precision Grasping with Segmentation and Pulse Mapping. Agronomy 2025, 15, 432. [Google Scholar] [CrossRef]
- Hussain, M. YOLO-v1 to YOLO-v8, the Rise of YOLO and Its Complementary Nature toward Digital Manufacturing and Industrial Defect Detection. Machines 2023, 11, 677. [Google Scholar] [CrossRef]
- Lawal, O.M.; Zhao, H.; Zhu, S.; Chuanli, L.; Cheng, K. Lightweight fruit detection algorithms for low-power computing devices. IET Image Process 2024, 18, 2318–2328. [Google Scholar] [CrossRef]
- Jiang, Y.; Wang, S.Q.; Valls, V.; Ko, B.J.; Lee, W.H.; Leung, K.K.; Tassiulas, L. Model Pruning Enables Efficient Federated Learning on Edge Devices. IEEE Trans. Neural Netw. Learn. Syst. 2023, 34, 10374–10386. [Google Scholar] [CrossRef]
- He, Y.; Xiao, L. Structured Pruning for Deep Convolutional Neural Networks: A Survey. IEEE Trans. Pattern Anal. Mach. Intell. 2024, 46, 2900–2919. [Google Scholar] [CrossRef]
- Goran, O. YOLO*C-Adding context improves YOLO performance. Neurocomputing 2023, 555, 126655. [Google Scholar] [CrossRef]
- Flores-Calero, M.; Astudillo, C.A.; Guevara, D.; Maza, J.; Lita, B.S.; Defaz, B.; Ante, J.S.; Zabala-Blanco, D.; Armingol Moreno, J.M. Traffic Sign Detection and Recognition Using YOLO Object Detection Algorithm: A Systematic Review. Mathematics 2024, 12, 297. [Google Scholar] [CrossRef]
- Yang, Y.H.; Miao, Z.L.; Zhang, H.; Wang, B.; Wu, L.X. Lightweight Attention-Guided YOLO With Level Set Layer for Landslide Detection from Optical Satellite Images. IEEE J. Sel. Top. Appl. Earth Obs. Remote Sens. 2024, 17, 3543–3559. [Google Scholar] [CrossRef]
- Yang, T.; Guo, Y.C.; Li, D.Y.; Wang, S. Vision-Based obstacle detection in dangerous region of coal mine driverless rail electric locomotives. Measurement 2025, 239, 115514. [Google Scholar] [CrossRef]
- Wang, Q.; Liu, Y.; Zheng, Q.; Tao, R.; Liu, Y. SMC-YOLO: A High-Precision Maize Insect Pest-Detection Method. Agronomy 2025, 15, 195. [Google Scholar] [CrossRef]
- Sirisha, U.; Praveen, S.P.; Srinivasu, P.N.; Barsocchi, P.; Bhoi, A.K. Statistical Analysis of Design Aspects of Various YOLO-Based Deep Learning Models for Object Detection. Int. J. Comput. Intell. Syst. 2023, 16, 126. [Google Scholar] [CrossRef]
- Zheng, S.; Jia, X.; He, M.; Zheng, Z.; Lin, T.; Weng, W. Tomato Recognition Method Based on the YOLOv8-Tomato Model in Complex Greenhouse Environments. Agronomy 2024, 14, 1764. [Google Scholar] [CrossRef]
- Zou, Z.X.; Chen, K.Y.; Shi, Z.W.; Guo, Y.H.; Ye, J.P. Object Detection in 20 Years: A Survey. Proc. IEEE 2023, 111, 257–276. [Google Scholar] [CrossRef]
- Guo, A.; Sun, K.Q.; Zhang, Z.Y. A lightweight YOLOv8 integrating FasterNet for real-time underwater object detection. J. Real-Time Image Process. 2024, 21, 49. [Google Scholar] [CrossRef]
- Zhang, Y.; Ye, M.; Zhu, G.Y.; Liu, Y.; Guo, P.Y.; Yan, J.H. FFCA-YOLO for Small Object Detection in Remote Sensing Images. IEEE Trans. Geosci. Remote Sens. 2024, 62, 5611215. [Google Scholar] [CrossRef]
- Wang, J.; Ma, S.; Wang, Z.; Ma, X.; Yang, C.; Chen, G.; Wang, Y. Improved Lightweight YOLOv8 Model for Rice Disease Detection in Multi-Scale Scenarios. Agronomy 2025, 15, 445. [Google Scholar] [CrossRef]
- Sun, W.; Xu, M.; Xu, K.; Chen, D.; Wang, J.; Yang, R.; Chen, Q.; Yang, S. CSGD-YOLO: A Corn Seed Germination Status Detection Model Based on YOLOv8n. Agronomy 2025, 15, 128. [Google Scholar] [CrossRef]
- Jia, K.M.; Niu, Q.F.; Wang, L.; Niu, Y.; Ma, W.T. A New Efficient Multi-Object Detection and Size Calculation for Blended Tobacco Shreds Using an Improved YOLOv7 Network and LWC Algorithm. Sensors 2023, 23, 8380. [Google Scholar] [CrossRef]
- Lin, J.W.; Yu, D.Z.; Pan, R.Y.; Cai, J.T.; Liu, J.M.; Zhang, L.C.; Wen, X.T.; Peng, X.S.; Cernava, T.; Oufensou, S.; et al. Improved YOLOX-Tiny network for detection of tobacco brown spot disease. Front. Plant Sci. 2023, 14, 1135105. [Google Scholar] [CrossRef] [PubMed]
- Zhang, L.; Ding, X.Q.; Hou, R.C. Classification Modeling Method for Near-Infrared Spectroscopy of Tobacco Based on Multimodal Convolution Neural Networks. J. Anal. Methods Chem. 2020, 2020, 9652470. [Google Scholar] [CrossRef]
- Nasir, F.E.; Tufail, M.; Haris, M.; Iqbal, J.; Khan, S.; Khan, M.T. Precision agricultural robotic sprayer with real-time Tobacco recognition and spraying system based on deep learning. PLoS ONE 2023, 18, e0283801. [Google Scholar] [CrossRef]
- Park, H.M.; Park, J.H. YOLO Network Optimization with a Single Circular Bounding Box for Detecting Defective Cigarettes. IEEE Access 2023, 11, 142951–142963. [Google Scholar] [CrossRef]
- Huang, Z.J.; Chen, J.; Tan, G.; Fu, Z.D.; Liu, B.L.; Chen, S.; Xu, W.W.; Liu, C.J. Multi-convolution fusion based hyperspectral non-tobacco-leaf materials detection method. J. Image Signal Process. 2024, 13, 76–91. [Google Scholar] [CrossRef]
- Li, Z.H.; Mei, J.F.; Li, H.; Li, J.K.; Lu, M.R.; Wang, F.; Zhang, T.J.; Du, J.S.; Hong, W.L.; Xu, D.Y. Research on classification and recognition of non-tobacco related material (non-tobacco related materials) based on hyperspectral imaging technology. Acta Tabacaria Sin. 2022, 28, 81–88. [Google Scholar]
- Rahima, K.; Muhammad, H. Yolov11: An Overview Of The Key Architectural Enhancements. arXiv 2024, arXiv:2410.17725v1. [Google Scholar]
- Brauwers, G.; Frasincar, F. A General Survey on Attention Mechanisms in Deep Learning. IEEE Trans. Knowl. Data Eng. 2023, 35, 3279–3298. [Google Scholar] [CrossRef]
- Huang, H.J.; Chen, Z.G.; Zou, Y.; Lu, M.; Chen, C.Y. Channel prior convolutional attention for medical image segmentation. Comput. Biol. Med. 2024, 178, 108784. [Google Scholar] [CrossRef]
- Gevorgyan, Z. SIoU loss: More powerful learning for bounding box regression. arXiv 2022, arXiv:2205.12740. [Google Scholar]
- Zhong, C.H.; Wu, H.; Jiang, J.Z.; Zheng, C.W.; Song, H. YOLO-DLHS-P: A Lightweight Behavior Recognition Algorithm for Captive Pigs. IEEE Access 2024, 12, 104445–104462. [Google Scholar] [CrossRef]
- Jaeho, L.; Sejun, P.; Sangwoo, M.; Sungsoo, A.; Jinwoo, S. Layer-adaptive sparsity for the magnitude-based pruning. arXiv 2021, arXiv:2010.07611v2. [Google Scholar]
- Guo, J.; Potkonjak, M. Pruning ConvNets Online for Efficient Specialist Models. In Proceedings of the 2017 IEEE Conference on Computer Vision and Pattern Recognition Workshops, Honolulu, HI, USA, 21–26 July 2017; pp. 430–437. [Google Scholar] [CrossRef]
- Fang, G.F.; Ma, X.Y.; Song, M.L.; Michael, B.M.; Wang, X.C. DepGraph: Towards Any Structural Pruning. In Proceedings of the 2023 IEEE/CVF Conference on Computer Vision and Pattern Recognition (CVPR), Vancouver, BC, Canada, 18–22 June 2023. [Google Scholar]













| Category | Collection Location | ||
|---|---|---|---|
| Label paper | Front![]() | Back![]() | Partial occlusion ![]() |
| Rubber ring | On conveyor belt ![]() | On tobacco![]() | Partial occlusion![]() |
| Hemp rope | On conveyor belt![]() | Long and curly![]() | Partial occlusion![]() |
| Weed | On conveyor belt![]() | On tobacco ![]() | Partial occlusion![]() |
| Plastic | On conveyor belt![]() | On tobacco ![]() | Partial occlusion ![]() |
| Feather | On conveyor belt![]() | On tobacco ![]() | Partial occlusion ![]() |
| Options | Configuration |
|---|---|
| Operating system | Ubuntu 22.04.4 LTS |
| CPU | Intel(R) Xeon(R) Platinum 8383C CPU @ 2.70GHz (Intel, Santa Clara, CA, USA) |
| GPU | NVIDIA GeForce RTX 4090 (Wuhan Yousheng Meidian Technology Co., Ltd., Wuhan, China) |
| DL framework | Pytorch 2.4.1 |
| Language | Python 3.9 |
| CUDA | CUDA 12.2 |
| Module | mAP (%) | Params | FLOPs (G) | ||||
|---|---|---|---|---|---|---|---|
| Base | Prune | P2 | CPCA | SIoU | |||
| √ | 88.1 | 2,583,322 | 6.3 | ||||
| √ | √ | 87.9 (−0.2%) | 811,385 (−68.6%) | 3.1 (−3.2) | |||
| √ | √ | 91.8 (+3.7%) | 2,896,296 (+3.4%) | 10.6 (+4.1) | |||
| √ | √ | 92.8 (+4.7%) | 2,710,362 (+4.9%) | 6.5 (+0.2) | |||
| √ | √ | 89.1 (+1%) | 2,583,322 (+0%) | 6.3 (+0) | |||
| √ | √ | √ | 94.2 (+6.1) | 2,798,882 (+8.3%) | 10.7 (+4.4) | ||
| √ | √ | √ | √ | √ | 92.9 (+4.8%) | 817,931 (−68.3%) | 5.3 (−1.0) |
| Pruning Rates | mAP (%) | Params | FLOPs (G) |
|---|---|---|---|
| Improved YOLOv11n | 94.2 | 2,798,882 | 10.7 |
| 1.5 | 93.1 | 1,148,638 | 7.0 |
| 1.8 | 90.9 | 928,602 | 5.9 |
| 2.0 | 92.9 | 817,931 | 5.3 |
| 2.5 | 89 | 633,673 | 4.2 |
| 3.0 | 86.3 | 532,262 | 3.5 |
| 3.5 | 85.6 | 456,670 | 3.0 |
| 4.0 | 84.9 | 407,497 | 2.7 |
| Model | P (%) | R (%) | mAP (%) | Params (M) | FLOPs (G) |
|---|---|---|---|---|---|
| YOLOv6n | 99.2 | 77.1 | 86.7 | 4.2 | 11.8 |
| YOLOv7-tiny | 87.8 | 74.7 | 81.9 | 2.0 | 7.6 |
| YOLOv8n | 91.6 | 82.8 | 87.8 | 3.0 | 8.1 |
| YOLOv9t | 91.4 | 88.2 | 90.9 | 2.1 | 8.5 |
| YOLOv10n | 81.4 | 80.1 | 85.4 | 2.3 | 6.5 |
| YOLOv11n | 91.6 | 79.7 | 88.1 | 2.8 | 6.3 |
| LRNTRM-YOLO | 91 | 82.9 | 92.9 | 0.8 | 5.3 |
Disclaimer/Publisher’s Note: The statements, opinions and data contained in all publications are solely those of the individual author(s) and contributor(s) and not of MDPI and/or the editor(s). MDPI and/or the editor(s) disclaim responsibility for any injury to people or property resulting from any ideas, methods, instructions or products referred to in the content. |
© 2025 by the authors. Licensee MDPI, Basel, Switzerland. This article is an open access article distributed under the terms and conditions of the Creative Commons Attribution (CC BY) license (https://creativecommons.org/licenses/by/4.0/).
Share and Cite
Zhang, C.; Yun, L.; Yang, C.; Chen, Z.; Cheng, F. LRNTRM-YOLO: Research on Real-Time Recognition of Non-Tobacco-Related Materials. Agronomy 2025, 15, 489. https://doi.org/10.3390/agronomy15020489
Zhang C, Yun L, Yang C, Chen Z, Cheng F. LRNTRM-YOLO: Research on Real-Time Recognition of Non-Tobacco-Related Materials. Agronomy. 2025; 15(2):489. https://doi.org/10.3390/agronomy15020489
Chicago/Turabian StyleZhang, Chunjie, Lijun Yun, Chenggui Yang, Zaiqing Chen, and Feiyan Cheng. 2025. "LRNTRM-YOLO: Research on Real-Time Recognition of Non-Tobacco-Related Materials" Agronomy 15, no. 2: 489. https://doi.org/10.3390/agronomy15020489
APA StyleZhang, C., Yun, L., Yang, C., Chen, Z., & Cheng, F. (2025). LRNTRM-YOLO: Research on Real-Time Recognition of Non-Tobacco-Related Materials. Agronomy, 15(2), 489. https://doi.org/10.3390/agronomy15020489



















