Preliminary Study of Control and Biochemical Characteristics of Giant Hogweed (Heracleum sosnowskyi Manden.) Treated with Microwaves
Abstract
:1. Introduction
2. Materials and Methods
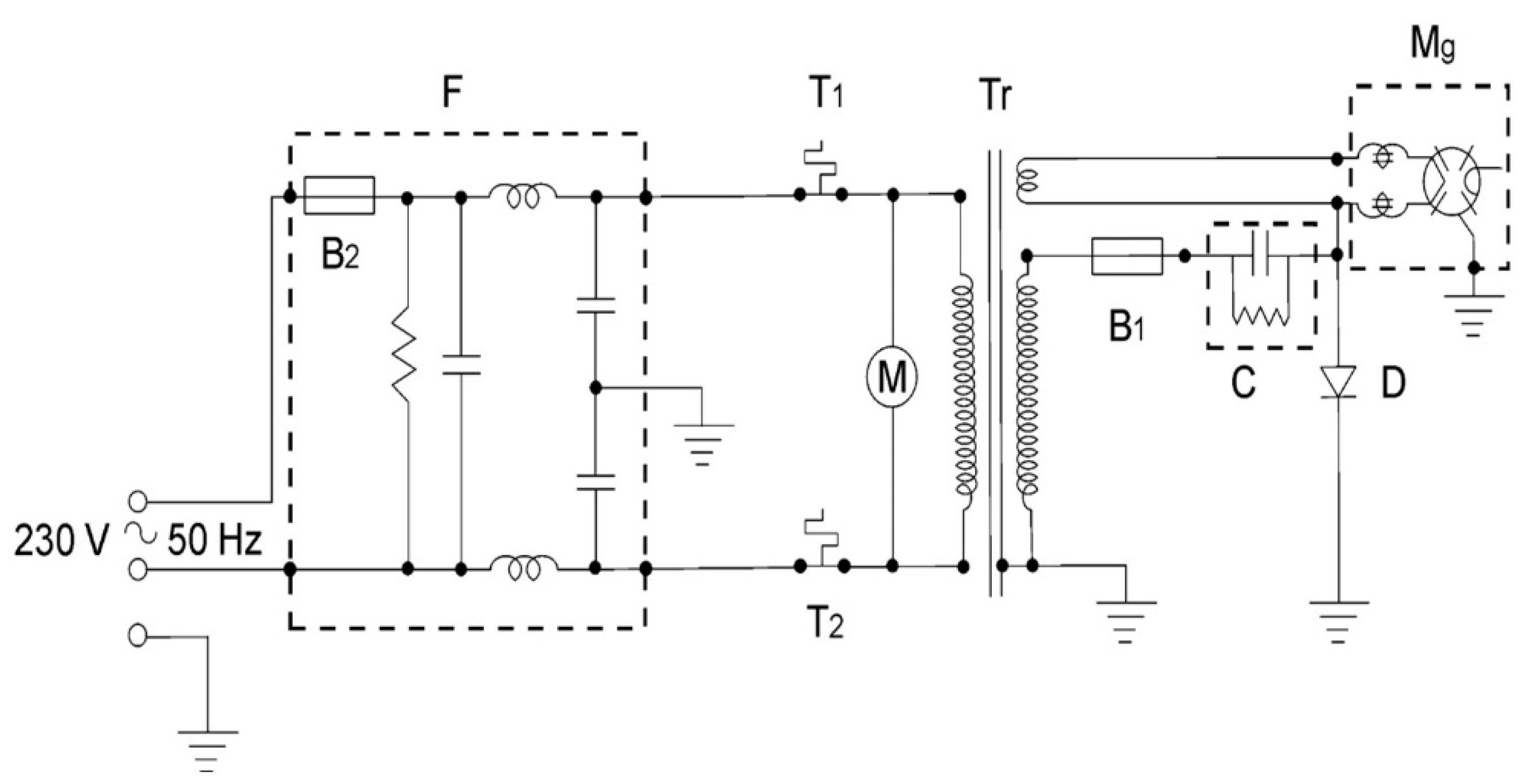
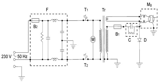
2.1. The Description of the Microwave Device for the Destruction of Heracleum sosnowskyi Plants
2.2. Microwave Treatment in the Rosette Phase of Heracleum sosnowskyi
2.3. Microwave Treatment in the Flowering Phase of Heracleum sosnowskyi
2.4. Soil Analyses
2.5. Assessment of the Heating Value of Microwaves and Plant Destruction of Heracleum sosnowskyi in Both Populations
2.6. A Sampling of Plant Material for the Metabolomic Analyses
2.6.1. Metabolite Extraction and Derivatization
2.6.2. GC-MS Analysis
2.6.3. GC/MS Data Analysis and Statistical Analyses
3. Results
3.1. The Effectiveness of Destroying Hogweed in the Leaf Rosette Phase
3.2. The Effectiveness of Destroying Hogweed in the Flowering Phase
3.3. GC-MS-Driven Untargeted Metabolomic Analysis of Stem Tissues of Hogweed Irradiated in the Flowering Phase
3.4. GC-MS-Driven Untargeted Metabolomic Analysis of Hogweed Sap
4. Discussion
5. Patents
Author Contributions
Funding
Data Availability Statement
Conflicts of Interest
References
- Visockienė, J.S.; Tumelienė, E.; Maliene, V. Identification of Heracleum sosnowskyi—Invaded Land Using Earth Remote Sensing Data. Sustainability 2020, 12, 759. [Google Scholar] [CrossRef] [Green Version]
- Bogdanov, D.; Ram, M.; Aghahosseini, A.; Gulagi, A.; Oyewo, A.S.; Child, M.; Caldera, U.; Sadovskaia, K.; Farfan, J.; De Souza, L.; et al. Low-cost renewable electricity as the key driver of the global energy transition towards sustainability. Energy 2021, 227, 120467. [Google Scholar] [CrossRef]
- Clements, D.R.; DiTommaso, A. Climate change and weed adaptation: Can evolution of invasive plants lead to greater range expansion than forecasted? Weed Res. 2011, 51, 227–240. [Google Scholar] [CrossRef]
- Page, N.A.; Wall, R.E.; Darbyshire, S.J.; Mulligan, G.A. The biology of invasive alien plants in Canada. 4. Heracleum mantegazzianum Sommier & Levier. Can. J. Plant Sci. 2006, 86, 569–589. [Google Scholar]
- Nielsen, C.; Ravn, H.P.; Nentwig, W.; Wade, M. The Giant Hogweed Best Practice Manual. Guidelines for the Management and Control of an Invasive Weed in Europe. For. Landsc. Den. 2005, 44, 44. [Google Scholar]
- Rafikova, O.; Kiseleva, O.; Veselkin, D. Seed germination of native plants in soil transformed by invasive plants Acer negundo and Heracleum sosnowskyi. E3S Web Conf. 2020, 176, 03002. [Google Scholar] [CrossRef]
- Lagey, K.; Duinslaeger, L.; Vanderkelen, A. Burns induced by plants. Burns 1995, 21, 542–543. [Google Scholar] [CrossRef]
- CABI. Invasive Species Compendium. Detailed Coverage of Invasive Species Threatening Livelihoods and the Environment Worldwide. 2019. Available online: https://www.cabi.org/isc/datasheet/26911#tosummaryOfInvasiveness (accessed on 24 February 2022).
- Jakubska-Busse, A.; Śliwiński, M.; Kobylka, M. Identification of bioactive components of essential oils in and Heracleum mantegazzianum (Apiaceae). Arch. Biol. Sci. 2013, 65, 877–883. [Google Scholar] [CrossRef]
- Sołtysiak, J.; Brej, T.; Tomczyk, M. Inwazja barszczu Sosnowskiego (Heracleum sosnowskyi Manden.) na terenie gminy Siechnice (dolnośląskie) i perspektywy jego zwalczania. Zeszyty Naukowe Uniwersytetu Przyrodniczego we Wrocławiu. Biol. Hod. Zwierząt 2015, 78, 73–86. [Google Scholar]
- Podgórska, M.; Wójcik, P. Barszcz Sosnowskiego (Heracleum sosnowskyi Manden., Apiaceae) u podnóża Góry Zelejowej w gminie Chęciny (Wyżyna Małopolska). Rocz. Świętokrzyski. Ser. B-Nauk. Przyr. 2011, 32, 67–78. [Google Scholar]
- Collingham, Y.C.; Wadsworth, R.A.; Huntley, B.; Hume, P.E. Predicting the spatial distribution of non-indigenous riparian weeds: Issues of spatial scale and extent. J. Appl. Ecol. 2000, 37, 13–27. [Google Scholar] [CrossRef]
- Nielsen, C.; Hartvig, P.; Kollmann, J. Predicting the distribution of the invasive alien Heracleum mantegazzianum at two different spatial scales. Divers. Distrib. 2008, 14, 307–317. [Google Scholar] [CrossRef]
- EU. Commission Implementing Regulation (EU) 2017/1263 of 12 2017 Updating the List of Invasive Alien Species of Union Concern Established by Implementing Regulation (EU) 2016/1141 Pursuant to Regulation (EU) No 1143/2014 of the European Parliament and of the Council. 2017. Available online: http://data.europa.eu/eli/reg_impl/2017/1263/oj (accessed on 10 February 2022).
- Semchuk, N.N.; Balun, O.V. Development of a biological method to control the poisonous weed plant Heracleum sosnowskyi Manden. IOP Conf. Ser. Earth Environ. Sci. 2020, 613, 012132. [Google Scholar] [CrossRef]
- Klima, K.; Synowiec, A. Field emergence and the long-term efficacy of control of Heracleum sosnowski plants of different ages in southern Poland. Weed Res. 2016, 56, 377–385. [Google Scholar] [CrossRef]
- Nicolopoulou-Stamati, P.; Sotirios, M.; Kotampasi, C.; Stamatis, P.; Hens, L. Chemical pesticides and human health: The urgent need for a new concept in agriculture. Front. Publ. Health 2016, 4, 148. [Google Scholar] [CrossRef] [Green Version]
- EC. Directive 2009/128/EC of the European Parliament and of the Council of October 21 2009 Establishing a Framework for Community Action to Achieve the Sustainable Use of Pesticides. ELI. 2009. Available online: https://data.europa.eu/eli/dir/2009/128/oj (accessed on 24 February 2022).
- EPRS. European Parliamentary Research Service, Farming without Plant Protection Products; Scientific Foresight Unit (STOA) PE 634.416; European Union: Brussels, Belgium, 2019; ISBN 978-92-846-3993-9. [Google Scholar] [CrossRef]
- Postnikov, A.; Partolina, A.; Egorov, A.; Pavlyuchenkova, L.; Bubnov, A. Selective herbicides to control Sosnowsky’s hogweed (Heracleum sosnowskyi Manden.) in pine and spruce plantations. IOP Conf. Ser. Earth Environ. Sci. 2021, 876, 012062. [Google Scholar] [CrossRef]
- Hagner, M.; Lindqvist, B.; Vepsäläinen, J.; Samorě, C.; Keskinen, R.; Rasa, K.; Hyvönen, T. Potential of pyrolysis liquids to control the environmental weed Heracleum mantegazzianum. Environ. Technol. Innov. 2020, 20, 101154. [Google Scholar] [CrossRef]
- van Wilgen, B.W.; Forsyth, G.G.; Le Maitre, D.C.; Wannenburgh, A.; Kotzé, J.D.; Van den Berg, E.; Henderson, L. An assessment of the effectiveness of a large, national-scale invasive alien plant control strategy in South Africa. Biol. Conserv. 2012, 148, 28–38. [Google Scholar] [CrossRef]
- Dadalı, G.; Apar, D.K.; Özbek, B. Estimation of effective moisture diffusivity of okra for microwave drying. Dry. Technol. 2007, 25, 1445–1450. [Google Scholar] [CrossRef]
- Vadivambal, R.; Jayas, D.S. Changes in quality of microwave-treated agricultural products-a review. Biosyst. Eng. 2007, 98, 1–16. [Google Scholar] [CrossRef]
- Adair, R.K. Biophysical limits on athermal effects of RF and microwave radiation. Bioelectromagn. J. 2003, 24, 39–48. [Google Scholar] [CrossRef] [PubMed]
- Román, L.; Martínez, M.M.; Rosell, C.M.; Gómez, M. Effect of microwave treatment on physicochemical properties of maize flour. Food Bioprocess Technol. 2015, 8, 1330–1335. [Google Scholar] [CrossRef] [Green Version]
- Al-Harahsheh, M.; Ala’a, H.; Magee, T.R.A. Microwave drying kinetics of tomato pomace: Effect of osmotic dehydration. Chem. Eng. Processing Process Intensif. 2009, 48, 524–531. [Google Scholar] [CrossRef]
- Contreras, C.; Martín-Esparza, M.E.; Chiralt, A.; Martínez-Navarrete, N. Influence of microwave application on convective drying: Effects on drying kinetics, and optical and mechanical properties of apple and strawberry. J. Food Eng. 2008, 88, 55–64. [Google Scholar] [CrossRef]
- Zhang, M.; Tang, J.; Mujumdar, A.S.; Wang, S. Trends in microwave-related drying of fruits and vegetables. Trends Food Sci. Technol. 2006, 17, 524–534. [Google Scholar] [CrossRef]
- Khraisheh, M.A.M.; McMinn, W.A.M.; Magee, T.R.A. Quality and structural changes in starchy foods during microwave and convective drying. Food Res. Int. 2004, 37, 497–503. [Google Scholar] [CrossRef]
- Soysal, Y. Microwave drying characteristics of parsley. Biosyst. Eng. 2004, 89, 167–173. [Google Scholar] [CrossRef]
- Kretova, Y.; Tsirulnichenko, L.; Naumemko, N.; Popova, N.; Kalinina, I. The application of micro-wave treatment to reduce barley contamination. Eest. Maaülikool Est. Univ. Life Sci. 2018, 16, 2079–2087. [Google Scholar]
- Mahdi, W.M.; Al-Badri, K.S.L.; Alqaisi, M.R.M. Effect of Microwave Radiation on Bacteria, Fungi and Some Growth Characteristics of Cowpea Vigna unguiculata L. Gesunde Pflanz. 2021, 73, 161–167. [Google Scholar] [CrossRef]
- Jakubowski, T. Evaluating of the impact of pre—Sowing microwave stimulation of bean seeds on the germination process. Agric. Eng. 2015, 2, 45–56. [Google Scholar]
- Słowiński, K. Wpływ promieniowania mikrofalowego wyemitowanego do nieodkażonego podłoża szkółkarskiego na przeżywalność i wybrane cechy jakościowe sadzonek sosny zwyczajnej (Pinus sylvestris L.). Zesz. Nauk. Uniw. Rol. Hugona Kołłątaja Krakowie Rozpr. 2013, 517, 1–122. [Google Scholar]
- Wang, X.; Chen, H.; Luo, K.; Shao, J.; Yang, H. The influence of microwave drying on biomass pyrolysis. Energy Fuels 2007, 22, 67–74. [Google Scholar] [CrossRef]
- Du, G.; Wang, S.; Cai, Z. Microwave drying of wood strands. Dry. Technol. 2005, 23, 2421–2436. [Google Scholar] [CrossRef]
- Hong-Hai, L.; Qing-Wen, W.; Lin, Y.; Tao, J.; Ying-Chun, C.A.I. Modification of larch wood by intensive microwave irradiation. J. For. Res. 2005, 16, 237–240. [Google Scholar] [CrossRef]
- Henin, J.M.; Charron, S.; Luypaert, P.J.; Jourez, B.; Hebert, J. Strategy to control the effectiveness of microwave treatment of wood in the framework of the implementation of ISPM 15. For. Prod. J. 2008, 58, 75–81. [Google Scholar]
- Diprose, M.F.; Benson, F.A.; Willis, A.J. The effect of externally applied electrostatic fields, microwave radiation and electric currents on plants and other organisms, with special reference to weed control. Bot. Rev. 1984, 50, 171–223. [Google Scholar] [CrossRef]
- Tripon, C.; Muntean, C.M.; Surducan, E.; Bratu, I.; Halmagyi, A.; Coste, A. Structural response of genomic DNA from grapevine (Vitis vinifera L.) varieties to microwaves irradiation: A Fourier transform infrared spectroscopy assessment. Biomed. Spectrosc. Imaging 2016, 5, 295–312. [Google Scholar] [CrossRef]
- Skiles, J.W. Plant response to microwaves at 2.45 GHz. Acta Astronaut. 2006, 58, 258–263. [Google Scholar] [CrossRef]
- Jayasanka, S.M.D.H.; Asaeda, T. The significance of microwaves in the environment and its effect on plants. Environ. Rev. 2014, 22, 220–228. [Google Scholar] [CrossRef]
- Kaur, S.; Vian, A.; Chandel, S.; Singh, H.P.; Batish, D.R.; Kohli, R.K. Sensitivity of plants to high frequency electromagnetic radiation: Cellular mechanisms and morphological changes. Rev. Environ. Sci. Bio Technol. 2021, 20, 55–74. [Google Scholar] [CrossRef]
- Balint, C.V.; Surducan, V.; Surducan, E.; Oroian, I.G. Plant irradiation device in microwave field with controlled environment. Comput. Electron. Agric. 2016, 121, 48–56. [Google Scholar] [CrossRef]
- Sahin, H. Effects of Microwaves on the Germination of Weed Seeds. J. Biosyst. Eng. 2014, 39, 304–309. [Google Scholar] [CrossRef] [Green Version]
- Komatsu, S.; Maruyama, J.; Furuya, T.; Yin, X.; Yamaguchi, H.; Hitachi, K.; Miyashita, N.; Tsuchida, K.; Tani, M. Proteomic and biological analyses reveal the effect on growth under flooding stress of chickpea irradiated with millimeter waves. J. Proteome Res. 2021, 20, 4718–4727. [Google Scholar] [CrossRef] [PubMed]
- Zhong, Z.; Furuya, T.; Ueno, K.; Yamaguchi, H.; Hitachi, K.; Tsuchida, K.; Tani, M.; Tian, J.; Komatsu, S. Proteomic Analysis of Irradiation with Millimeter Waves on Soybean Growth under Flooding Conditions. Int. J. Mol. Sci. 2020, 21, 486. [Google Scholar] [CrossRef] [PubMed] [Green Version]
- Lisec, J.; Schauer, N.; Kopka, J.; Willmitzer, L.; Fernie, A.R. Gas chromatography mass spectrometry-based metabolite profiling in plants. Nat. Protoc. 2006, 1, 387. [Google Scholar] [CrossRef]
- Misra, B.B.; Das, V.; Landi, M.; Abenavoli, M.; Araniti, F. Short-term effects of the allelochemical umbelliferone on Triticum durum L. metabolism through GC-MS based untargeted metabolomics. Plant Sci. 2020, 298, 110548. [Google Scholar] [CrossRef]
- Sansone, S.A.; Fan, T.; Goodacre, R.; Griffin, J.L.; Hardy, N.W.; Kaddurah-Daouk, R.; Kristal, B.S.; Lindon, J.; Mendes, P.; Morrison, N. The metabolomics standards initiative. Nat. Biotechnol. 2007, 25, 846. [Google Scholar]
- Pang, Z.; Chong, J.; Zhou, G.; de Lima Morais, D.A.; Chang, L.; Barrette, M.; Gauthier, C.; Jacques, P.É.; Li, S.; Xia, J. MetaboAnalyst 5.0: Narrowing the gap between raw spectra and functional insights. Nucleic Acids Res. 2021, 49, W388–W396. [Google Scholar] [CrossRef]
- Halmagyi, A.; Surducan, E.; Surducan, V. The effect of low-and high-power microwave irradiation on in vitro grown Sequoia plants and their recovery after cryostorage. J. Biol. Phys. 2017, 43, 367–379. [Google Scholar] [CrossRef]
- Senavirathna, M.D.H.J.; Asaeda, T. Microwaves affect Myriophyllum aquaticum plants differently depending on the wave polarization. Biol. Plant. 2017, 61, 378–384. [Google Scholar] [CrossRef]
- Surducan, V.; Surducan, E.; Neamtu, C.; Mot, A.C.; Ciorîță, A. Effects of Long-Term Exposure to Low-Power 915 MHz Unmodulated Radiation on Phaseolus vulgaris L. Bioelectromagnetics 2020, 41, 200–212. [Google Scholar] [CrossRef] [PubMed]
- Radzevičius, A.; Sakalauskienė, S.; Dagys, M.; Simniškis, R.; Karklelienė, R.; Juškevičienė, D.; Račkienė, R.; Brazaitytė, A. Differential Physiological Response and Antioxidant Activity Relative to High-Power Micro-Waves Irradiation and Temperature of Tomato Sprouts. Agriculture 2022, 12, 422. [Google Scholar] [CrossRef]
- Malenčić, Ð.; Malidža, G.; Rajković, M.; Kiprovski, B.; Đurić, S.; Petrović, K.; Krstić, J. Flame-weeding: Impact on soybean plants and soil microorganisms. Zb. Matice Srp. Za Prir. Nauk. 2020, 139, 51–60. [Google Scholar] [CrossRef]
- Korablev, R.A.; Belocurov, V.P.; Busarin, E.N. Effect mechanisms of ultrahigh-frequency radiation on biological objects. IOP Conf. Ser. Earth Environ. Sci. 2021, 875, 012017. [Google Scholar] [CrossRef]
- Upadhyaya, C.; Patel, I.; Upadhyaya, T.; Desai, A. Exposure Effect of 900 MHz Electromagnetic Field Radiation on Antioxidant Potential of Medicinal Plant Withania Somnifera. In Inventive Systems and Control; Suma, V., Chen, J.I.Z., Baig, Z., Wang, H., Eds.; Lecture Notes in Networks and Systems; Springer: Singapore, 2021; Volume 204. [Google Scholar] [CrossRef]
- Farid, M.; Ali, S.; Rizwan, M.; Saeed, R.; Tauqeer, H.M.; Sallah-Ud-Din, R.; Azam, A.; Raza, N. Microwave irradiation and citric acid assisted seed germination and phytoextraction of nickel (Ni) by Brassica napus L.: Morpho-physiological and biochemical alterations under Ni stress. Environ. Sci. Pollut. Res. 2017, 24, 21050–21064. [Google Scholar] [CrossRef]


















| Analysis | Garlica Murowana | Wielkie Błoto |
|---|---|---|
| Soil particles | sand: 23% | sand: 89% |
| coarse silt: 36% | coarse silt: 6% | |
| fine silt: 33% | fine silt: 5% | |
| clay: 8% | ||
| N total (g/kg d.m. soil) | 2.1 | 10.1 |
| pH KCl | 7.3 | 7.1 |
| Macronutrients (mg/100 g soil) | P2O5: 26.2 (very high) | P2O5: 6.7 mg (low) |
| K2O > 35.0 (very high) | K2O: 14.8 mg (high) | |
| Mg: 7.6 (high) | Mg > 15.0 (very high) | |
| Micronutrients (mg/100 g soil) | Mn: 247.3 (medium) | Mn: 535.7 (high) |
| Zn: 24.5 (high) | Zn > 50.0 (high) | |
| Cu: 4.5 (medium) | Cu: 6.3 (high) | |
| Fe: 2092.7 mg/kg soil (medium) | Fe: 3425.7 mg/kg soil (medium) | |
| B: < 0.3 mg/kg soil (low) | B: 0.9 mg/kg soil (low) | |
| Heavy metals (mg/kg soil) | Cd < 5.0 | Cd < 5.0 |
| Ni: 15.2 | Ni: 15.0 | |
| Soil humidity | 86% | 89% |
| Metabolic Pathways | Total Cmpd | Hits | Raw p | FDR | Impact |
|---|---|---|---|---|---|
| Glycine serine and threonine metabolism | 33 | 4 | 1.10 × 10−12 | 5.15 × 10−11 | 0.355 |
| Alanine aspartate and glutamate metabolism | 22 | 5 | 3.87 × 10−6 | 1.81 × 10−5 | 0.327 |
| Glyoxylate and dicarboxylate metabolism | 29 | 6 | 1.62 × 10−5 | 3.62 × 10−5 | 0.295 |
| Galactose metabolism | 27 | 7 | 3.00 × 10−6 | 1.81 × 10−5 | 0.249 |
| Carbon fixation in photosynthetic organisms | 21 | 3 | 1.02 × 10−7 | 1.97 × 10−6 | 0.149 |
| Citrate cycle (TCA cycle) | 20 | 3 | 0.00034 | 0.000533 | 0.146 |
| Pentose phosphate pathway | 19 | 3 | 1.25 × 10−7 | 1.97 × 10−6 | 0.144 |
| Butanoate metabolism | 17 | 3 | 0.000336 | 0.000533 | 0.136 |
| Pantothenate and CoA biosynthesis | 23 | 3 | 0.04018 | 0.047212 | 0.117 |
| Glycolysis/Gluconeogenesis | 26 | 3 | 0.004828 | 0.005971 | 0.103 |
| Inositol phosphate metabolism | 28 | 2 | 3.13 × 10−6 | 1.81 × 10−5 | 0.103 |
| Starch and sucrose metabolism | 22 | 2 | 0.00016 | 0.000279 | 0.099 |
| Fructose and mannose metabolism | 20 | 2 | 4.93 × 10−6 | 1.81 × 10−5 | 0.098 |
| Phenylalanine tyrosine and tryptophan biosynthesis | 22 | 1 | 7.26 × 10−6 | 1.81 × 10−5 | 0.080 |
| Arginine and proline metabolism | 34 | 2 | 0.000167 | 0.00028 | 0.075 |
| Glutathione metabolism | 26 | 2 | 0.040112 | 0.047212 | 0.071 |
| Sulfur metabolism | 15 | 1 | 6.04 × 10−6 | 1.81 × 10−5 | 0.033 |
| Phosphatidylinositol signaling system | 26 | 1 | 6.85 × 10−6 | 1.81 × 10−5 | 0.033 |
| Glycerolipid metabolism | 21 | 2 | 7.57 × 10−6 | 1.81 × 10−5 | 0.017 |
| Fatty acid biosynthesis | 56 | 2 | 0.00435 | 0.005526 | 0.011 |
| Glycerophospholipid metabolism | 37 | 1 | 1.90 × 10−5 | 3.88 × 10−5 | 0.009 |
| Purine metabolism | 63 | 1 | 6.98 × 10−5 | 0.000126 | 0.001 |
Publisher’s Note: MDPI stays neutral with regard to jurisdictional claims in published maps and institutional affiliations. |
© 2022 by the authors. Licensee MDPI, Basel, Switzerland. This article is an open access article distributed under the terms and conditions of the Creative Commons Attribution (CC BY) license (https://creativecommons.org/licenses/by/4.0/).
Share and Cite
Słowiński, K.; Grygierzec, B.; Synowiec, A.; Tabor, S.; Araniti, F. Preliminary Study of Control and Biochemical Characteristics of Giant Hogweed (Heracleum sosnowskyi Manden.) Treated with Microwaves. Agronomy 2022, 12, 1335. https://doi.org/10.3390/agronomy12061335
Słowiński K, Grygierzec B, Synowiec A, Tabor S, Araniti F. Preliminary Study of Control and Biochemical Characteristics of Giant Hogweed (Heracleum sosnowskyi Manden.) Treated with Microwaves. Agronomy. 2022; 12(6):1335. https://doi.org/10.3390/agronomy12061335
Chicago/Turabian StyleSłowiński, Krzysztof, Beata Grygierzec, Agnieszka Synowiec, Sylwester Tabor, and Fabrizio Araniti. 2022. "Preliminary Study of Control and Biochemical Characteristics of Giant Hogweed (Heracleum sosnowskyi Manden.) Treated with Microwaves" Agronomy 12, no. 6: 1335. https://doi.org/10.3390/agronomy12061335
APA StyleSłowiński, K., Grygierzec, B., Synowiec, A., Tabor, S., & Araniti, F. (2022). Preliminary Study of Control and Biochemical Characteristics of Giant Hogweed (Heracleum sosnowskyi Manden.) Treated with Microwaves. Agronomy, 12(6), 1335. https://doi.org/10.3390/agronomy12061335

