Spraying Fluorinated Silicon Oxide Nanoparticles on CuONPs@CF-PVDF Membrane: A Simple Method to Achieve Superhydrophobic Surfaces and High Flux in Direct Contact Membrane Distillation
Abstract
1. Introduction
2. Materials and Method
2.1. Materials
2.2. Preparation of SiO2NPs@CF Nanoparticles
2.3. Preparation and Surface Modification of PVDF Composited Membrane
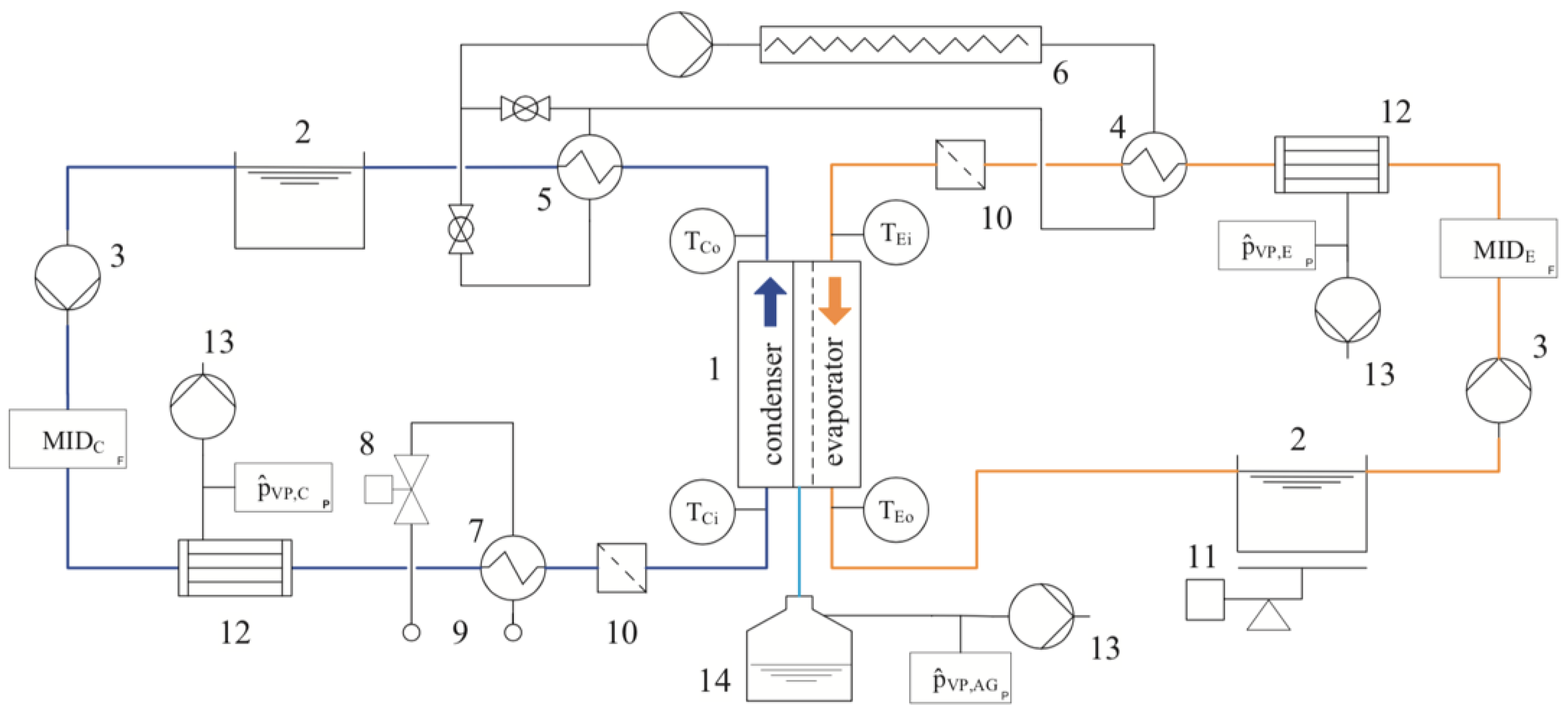
2.4. Instrumentation
2.5. Membrane Porosity Measurement
2.6. Membrane Performance
3. Results and Discussion
3.1. SiO2NPs@CF Synthesis and Characterization
3.2. Membrane Preparation and Characterization
3.3. DCMD Performance of the Modified Membrane
4. Conclusions
Author Contributions
Funding
Institutional Review Board Statement
Data Availability Statement
Acknowledgments
Conflicts of Interest
References
- Qasim, M.; Samad, I.U.; Darwish, N.A.; Hilal, N. Comprehensive review of membrane design and synthesis for membrane distillation. Desalination 2021, 518, 115168. [Google Scholar] [CrossRef]
- Siefan, A.; Rachid, E.; Elashwah, N.; AlMarzooqi, F.; Banat, F.; van der Merwe, R. Desalination via solar membrane distillation and conventional membrane distillation: Life cycle assessment case study in Jordan. Desalination 2022, 522, 115383. [Google Scholar] [CrossRef]
- Terraza, C.A.; Martin-Trasanco, R.; Saldías, C.; González, M.; Leiva, Á.; Tundidor-Camba, A. Preparation of CuONPs@PVDF/Non-Woven Polyester Composite Membrane: Structural Influence of Nanoparticle Addition. Polymers 2018, 10, 862. [Google Scholar] [CrossRef]
- Saldías, C.; Terraza, C.A.; Leiva, A.; Koschikowski, J.; Winter, D.; Tundidor-Camba, A.; Martin-Trasanco, R. PVDF Composite Membranes with Hydrophobically-Capped CuONPs for Direct-Contact Membrane Distillation. Nanomaterials 2021, 11, 1497. [Google Scholar] [CrossRef] [PubMed]
- Hubadillah, S.K.; Tai, Z.S.; Othman, M.H.D.; Harun, Z.; Jamalludin, M.R.; Rahman, M.A.; Jaafar, J.; Ismail, A.F. Hydrophobic ceramic membrane for membrane distillation: A mini review on preparation, characterization, and applications. Sep. Purif. Technol. 2019, 217, 71–84. [Google Scholar] [CrossRef]
- Tai, Z.S.; Abd Aziz, M.H.; Othman, M.H.D.; Mohamed Dzahir, M.I.H.; Hashim, N.A.; Koo, K.N.; Hubadillah, S.K.; Ismail, A.F.; A. Rahman, M.; Jaafar, J. Ceramic Membrane Distillation for Desalination. Sep. Purif. Rev. 2019, 49, 317–356. [Google Scholar] [CrossRef]
- Nthunya, L.N.; Gutierrez, L.; Nxumalo, E.N.; Verliefde, A.R.; Mhlanga, S.D.; Onyango, M.S. f-MWCNTs/AgNPs-coated superhydrophobic PVDF nanofibre membrane for organic, colloidal, and biofouling mitigation in direct contact membrane distillation. J. Environ. Chem. Eng. 2020, 8, 103654. [Google Scholar] [CrossRef]
- Politano, A.; Di Profio, G.; Fontananova, E.; Sanna, V.; Cupolillo, A.; Curcio, E. Overcoming temperature polarization in membrane distillation by thermoplasmonic effects activated by Ag nanofillers in polymeric membranes. Desalination 2018, 451, 192–199. [Google Scholar] [CrossRef]
- Deka, B.J.; Guo, J.; Khanzada, N.K.; An, A.K. Omniphobic re-entrant PVDF membrane with ZnO nanoparticles composite for desalination of low surface tension oily seawater. Water Res. 2019, 165, 114982. [Google Scholar] [CrossRef]
- Esfahani, M.R.; Aktij, S.A.; Dabaghian, Z.; Firouzjaei, M.D.; Rahimpour, A.; Eke, J.; Escobar, I.C.; Abolhassani, M.; Greenlee, L.F.; Esfahani, A.R.; et al. Nanocomposite membranes for water separation and purification: Fabrication, modification, and applications. Sep. Purif. Technol. 2019, 213, 465–499. [Google Scholar] [CrossRef]
- Ng, L.Y.; Mohammad, A.W.; Leo, C.P.; Hilal, N. Polymeric membranes incorporated with metal/metal oxide nanoparticles: A comprehensive review. Desalination 2013, 308, 15–33. [Google Scholar] [CrossRef]
- Murakami, D.; Jinnai, H.; Takahara, A. Wetting Transition from the Cassie–Baxter State to the Wenzel State on Textured Polymer Surfaces. Langmuir 2014, 30, 2061–2067. [Google Scholar] [CrossRef] [PubMed]
- Munirasu, S.; Banat, F.; Durrani, A.A.; Haija, M.A. Intrinsically superhydrophobic PVDF membrane by phase inversion for membrane distillation. Desalination 2017, 417, 77–86. [Google Scholar] [CrossRef]
- Wei, Z.; Jin, Y.; Li, J.; Jia, L.; Ma, Y.; Chen, M. Preparation of superhydrophobic PVDF composite membrane via catechol/polyamine co-deposition and Ag nanoparticles in-situ growth for membrane distillation. Desalination 2022, 529, 115649. [Google Scholar] [CrossRef]
- Kharraz, J.A.; Farid, M.U.; Khanzada, N.K.; Deka, B.J.; Arafat, H.A.; An, A.K. Macro-corrugated and nano-patterned hierarchically structured superomniphobic membrane for treatment of low surface tension oily wastewater by membrane distillation. Water Res. 2020, 174, 115600. [Google Scholar] [CrossRef] [PubMed]
- Zhang, W.; Li, Y.; Liu, J.; Li, B.; Wang, S. Fabrication of hierarchical poly (vinylidene fluoride) micro/nano-composite membrane with anti-fouling property for membrane distillation. J. Memb. Sci. 2017, 535, 258–267. [Google Scholar] [CrossRef]
- Lakshmi, R.V.; Bharathidasan, T.; Bera, P.; Basu, B.J. Fabrication of superhydrophobic and oleophobic sol-gel nanocomposite coating. Surf. Coatings Technol. 2012, 206, 3888–3894. [Google Scholar] [CrossRef]
- Boo, C.; Lee, J.; Elimelech, M. Omniphobic Polyvinylidene Fluoride (PVDF) Membrane for Desalination of Shale Gas Produced Water by Membrane Distillation. Environ. Sci. Technol. 2016, 50, 12275–12282. [Google Scholar] [CrossRef]
- Zhang, J.; Song, Z.; Li, B.; Wang, Q.; Wang, S. Fabrication and characterization of superhydrophobic poly (vinylidene fluoride) membrane for direct contact membrane distillation. Desalination 2013, 324, 1–9. [Google Scholar] [CrossRef]
- Wang, H.; Fang, J.; Cheng, T.; Ding, J.; Qu, L.; Dai, L.; Wang, X.; Lin, T. One-step coating of fluoro-containing silicananoparticles for universal generation of surface superhydrophobicity. Chem. Commun. 2008, 877–879. [Google Scholar] [CrossRef]
- Schneider, C.A.; Rasband, W.S.; Eliceiri, K.W. NIH Image to ImageJ: 25 years of image analysis. Nat. Methods 2012, 9, 671. [Google Scholar] [CrossRef] [PubMed]
- Winter, D. Membrane Distillation A Thermodynamic, Technological and Economic Analysis. Ph.D. Thesis, University of Kaiserslautern, Kaiserslautern, Germany, 2014. [Google Scholar]






| Membrane | TF–Tp °C | Porosity (%) | WCA (0) | J (kg(m2h)−1) | Ref. |
|---|---|---|---|---|---|
| PVDF-LiCl\SiO2NPs-PFOTS | 80–25 | 66.1 | 161.5 | 12.0 | [16] |
| PVDF\SiNPs | 60–20 | - | >150 | 13.6 | [18] |
| PVDF\SiO2NPs-fMWCN-AgNPs | 60–20 | - | 159.0 | 16.0 | [7] |
| CuONPs@CF-PVDF | 80–50 | 62.0 | 95.60 | 4.10 | t.w |
| CuONPs@CF-PVDF\SiO2NPs@CF | 80–50 | 63.0 | 164.6 | 14.3 | t.w |
Publisher’s Note: MDPI stays neutral with regard to jurisdictional claims in published maps and institutional affiliations. |
© 2022 by the authors. Licensee MDPI, Basel, Switzerland. This article is an open access article distributed under the terms and conditions of the Creative Commons Attribution (CC BY) license (https://creativecommons.org/licenses/by/4.0/).
Share and Cite
Lenac, Z.; Saldías, C.; Terraza, C.A.; Leiva, A.; Koschikowski, J.; Winter, D.; Tundidor-Camba, A.; Martin-Trasanco, R. Spraying Fluorinated Silicon Oxide Nanoparticles on CuONPs@CF-PVDF Membrane: A Simple Method to Achieve Superhydrophobic Surfaces and High Flux in Direct Contact Membrane Distillation. Polymers 2022, 14, 5164. https://doi.org/10.3390/polym14235164
Lenac Z, Saldías C, Terraza CA, Leiva A, Koschikowski J, Winter D, Tundidor-Camba A, Martin-Trasanco R. Spraying Fluorinated Silicon Oxide Nanoparticles on CuONPs@CF-PVDF Membrane: A Simple Method to Achieve Superhydrophobic Surfaces and High Flux in Direct Contact Membrane Distillation. Polymers. 2022; 14(23):5164. https://doi.org/10.3390/polym14235164
Chicago/Turabian StyleLenac, Zivka, César Saldías, Claudio A. Terraza, Angel Leiva, Joachim Koschikowski, Daniel Winter, Alain Tundidor-Camba, and Rudy Martin-Trasanco. 2022. "Spraying Fluorinated Silicon Oxide Nanoparticles on CuONPs@CF-PVDF Membrane: A Simple Method to Achieve Superhydrophobic Surfaces and High Flux in Direct Contact Membrane Distillation" Polymers 14, no. 23: 5164. https://doi.org/10.3390/polym14235164
APA StyleLenac, Z., Saldías, C., Terraza, C. A., Leiva, A., Koschikowski, J., Winter, D., Tundidor-Camba, A., & Martin-Trasanco, R. (2022). Spraying Fluorinated Silicon Oxide Nanoparticles on CuONPs@CF-PVDF Membrane: A Simple Method to Achieve Superhydrophobic Surfaces and High Flux in Direct Contact Membrane Distillation. Polymers, 14(23), 5164. https://doi.org/10.3390/polym14235164

