Next Article in Journal
Design and Processing of Metamaterials
Next Article in Special Issue
Influence of Cold Metal Transfer Parameters on Weld Bead Geometry, Mechanical Properties, and Corrosion Performance of Dissimilar Aluminium Alloys
Previous Article in Journal
Temperature-Dependent Optical Absorption and DLTS Study of As-Grown and Electron-Irradiated GaSe Crystals
Previous Article in Special Issue
Distortion and Residual Stress Reduction Using Asynchronous Heating Sources for Multi-Robot Coordinated Wire-Arc Directed Energy Deposition
 
 
Font Type:
Arial Georgia Verdana
Font Size:
Aa Aa Aa
Line Spacing:
Column Width:
Background:
Article

Electron Beam Welding of Dissimilar Ti6Al4V and Al6082-T6 Alloys Using Magnetron-Sputtered Cu Interlayers

1
Academician Emil Djakov Institute of Electronics, Bulgarian Academy of Sciences, 72 Tzarigradsko Chausse Blvd, 1784 Sofia, Bulgaria
2
Center of Competence “Smart Mechatronic, Eco-and Energy-Saving Systems and Technologies”, 5300 Gabrovo, Bulgaria
3
Department of Physics, Neofit Rilski South-West University, 66 Ivan Michailov Str., 2700 Blagoevgrad, Bulgaria
4
Department of Mathematics, Informatics and Natural Sciences, Technical University of Gabrovo, 4 H. Dimitar Str., 5300 Gabrovo, Bulgaria
5
Department of Material Science and Mechanics of Materials, Technical University of Gabrovo, 4 H. Dimitar Str., 5300 Gabrovo, Bulgaria
6
Department of Industrial Design and Textile Engineering, Technical University of Gabrovo, 4 H. Dimitar Str., 5300 Gabrovo, Bulgaria
*
Author to whom correspondence should be addressed.
Crystals 2025, 15(4), 373; https://doi.org/10.3390/cryst15040373
Submission received: 7 March 2025 / Revised: 10 April 2025 / Accepted: 17 April 2025 / Published: 18 April 2025
(This article belongs to the Special Issue Advanced Welding and Additive Manufacturing)

Abstract

In the present work, the influence of a magnetron-sputtered copper interlayer on the process of electron beam welding of Ti6Al4V and Al6082-T6 plates was investigated. A sample without a filler was also prepared as a control. The microstructure, microhardness, and tensile properties of both samples were determined. Applying a copper interlayer resulted in the formation of an additional CuAl2 intermetallic compound in the form of a eutectic structure along the boundary of the aluminum crystal grains. A noticeable shift in the preferred crystallographic orientation of the aluminum phase from the denser {111} family of crystallographic planes in the case of the sample prepared without a filler towards less-dense ones such as {110}, {100}, and {311} in the case of applying a copper filler was observed. This was most probably caused by the lower free surface energy of the crystals oriented towards the {111} family of crystal planes, which favored the chemical bonding between the aluminum solid solution and the CuAl2 intermetallics. As a result of applying the copper interlayer, a noticeable increase in the microhardness of the weld seam was observed from 78 ± 2 HV0.05 to 136 ± 3 HV0.05. Applying a copper interlayer also led to an improved energy absorption capacity of the weld seam, as suggested by the increase in the UTS/YS ratio from 1.03 to 1.44. This could be explained by the smooth transition between the highly dissimilar Ti6Al4V and Al6082-T6 alloys. The UTS of the sample with the copper filler reached 208 MPa, which was about 60% of that of the base Al6082-T6 alloy.

1. Introduction

In industrial production, materials such as aluminum and titanium are increasingly displacing heavy materials such as steel. This is related to the excellent strength-to-weight ratio of titanium and aluminum joints [1]. This is not only economically and practically efficient, but it is also associated with the currently high ecological norms. Titanium and its alloys have a distinguishingly high strength, comparable to steel’s, and excellent corrosion resistance [2]. Aluminum and its alloys have low density, high thermal and electrical conductivity, and good corrosion resistance [3]. Both materials have found applications in several industries, most notably aircraft, automotive, shipbuilding, and electrical engineering, electronics [4,5,6,7].
Obtaining a compound of titanium and aluminum is a difficult task due to several factors. They have different thermophysical characteristics [8]. Aluminum has a low melting point, high thermal conductivity, and high thermal expansion. Titanium, on the other hand, has a more than two and a half times higher melting temperature compared to aluminum. Additionally, titanium has a ten times lower thermal conductivity and a three times lower coefficient of linear thermal expansion. A major problem when welding titanium and aluminum (and their alloys) is the formation of intermetallic compounds (IMCs) of the TixAly type. The most commonly obtained IMCs during the welding process are Ti3Al, TiAl, TiAl3, TiAl2, Ti5Al11, and Ti9Al23 [1]. The most stable of these phases appears to be the TiAl3 one. It typically has a tetragonal crystal structure in its stable form; however, metastable variants of this phase also exist with cubic or orthorhombic crystal structures. The presence of these phases causes inhomogeneity in the structure of the weld seams and weak bonds between the separate crystals. As mentioned, titanium and aluminum and their alloys have vastly different thermophysical properties; however, the intermetallics formed between them also have different thermophysical properties, completely unlike those of the base materials. This can also cause cracking and the formation of defects such as pores in the structure of the weld seams [9]. This is also observed when welding other dissimilar metals that form intermetallic compounds such as copper and aluminum [10,11].
Welding titanium and aluminum can be carried out using various welding methods. Of the arc-based welding techniques, the most commonly used ones are gas metal arc welding (GMAW) and gas tungsten arc welding (GTAW) [12,13,14]. Other techniques have also been proposed such as friction stir welding (FSW), laser beam welding (LBW), and electron beam welding (EBW) [15,16,17,18]. Various technological conditions are commonly used to improve the structure of weld seams and reduce the formation of IMCs. The authors of [19] investigated different factors that affect laser-beam-formed butt joints between Al6061 and Ti6Al4V. They investigated the effect of both an offset of the laser beam and the welding speed and concluded that the technological conditions need to be carefully selected depending on the thickness of the studied materials. They also supported that the most common and stable phase obtained during the welding of those materials was the TiAl3 one, even when applying filler materials. The authors of [20] investigated TIG arc welding–brazing of dissimilar Ti/Al alloys with Al-based fillers. The application of pure Al fillers did not prevent the formation of the TiAl3 phase, but, when Al–Cu–La fillers were used, the Ti2Al20La phases appeared at the interface between the TiAl3 layer and the seam, which reduced the hardness of the interfacial layer by more than half. At the same time, the Al2Cu phase increased the hardness of the brazed seam. The tensile strength results of the produced joints reached 270 MPa. Wand et al. [21] studied the structure and properties of electron-beam-welded joints of pure Ti and Al2024. They studied two different methods of obtaining the joints: offsetting the beam towards the aluminum alloys and adding an Al-5Mg interlayer. The results showed that the interfacial morphology of the samples obtained with the applied filler was more uniform than that of those obtained with an offset. Zhang et al. [22] suggested that the formation of brittle Ti-Al intermetallics cannot be completely avoided by offsetting the heat source but can be reduced significantly by applying a filler layer. It has been reported that Al-12Si welding wires can be used as filler metals for the laser welding of TC4 Ti and 5056 Al alloys [23]. Al-10Si-Mg filler can also be applied during the laser beam welding of Ti and Al6061 [24], and previous studies have also investigated the possibility of using Al5Si during the electron beam welding of Al1060 and TA2 [25].
Amongst the different filler metals that can be used during electron beam welding, copper is of particular interest due to its high thermal conductivity, high stability, high electrical conductivity, and relatively low melting temperature (about 1090 °C), which is between those of aluminum and titanium. The use of copper as a filler metal has been the subject of several recent studies. An interlayer of copper was used during thelaser beam welding of Ti64 and the aluminum alloy AA7075 [26], which resulted in a reduction in the brittleness of the joint. In [27], the effect of a copper interlayer in dissimilar TA6V/AU4G rotary friction weld joints was investigated. As a result, the copper interlayer increased the ultimate tensile strength of the joint. The same was observed by the authors of [28], who welded Ti6Al4V and an aluminum alloy 6061-T6 using friction stir welding.
In previous works [29,30], multiple different technological conditions of electron beam welding were investigated. Two different approaches were used. In the first case, an offset of the electron beam was applied, and, in the second a preheating of the base materials was used. The second approach resulted in the formation of high -ductility and high-strength joints, whereas, in the case of using an offset, brittle joints were obtained, albeit witha relatively good strength.
Since the application of copper interlayers is a promising method for improving the joint strength between Ti and Al alloys, the same was investigated regarding the electron beam welding of Ti6Al4V and an aluminum alloy Al6082-T6. The interlayers were formed using magnetron sputtering. The effect of the interlayers on the microstructure and some mechanical properties such as microhardness and tensile strength was investigated.

2. Materials and Methods

The welded materials were titanium alloy Ti6Al4V and aluminum alloy Al6082-T6. The chemical composition of the used materials is shown in Table 1.
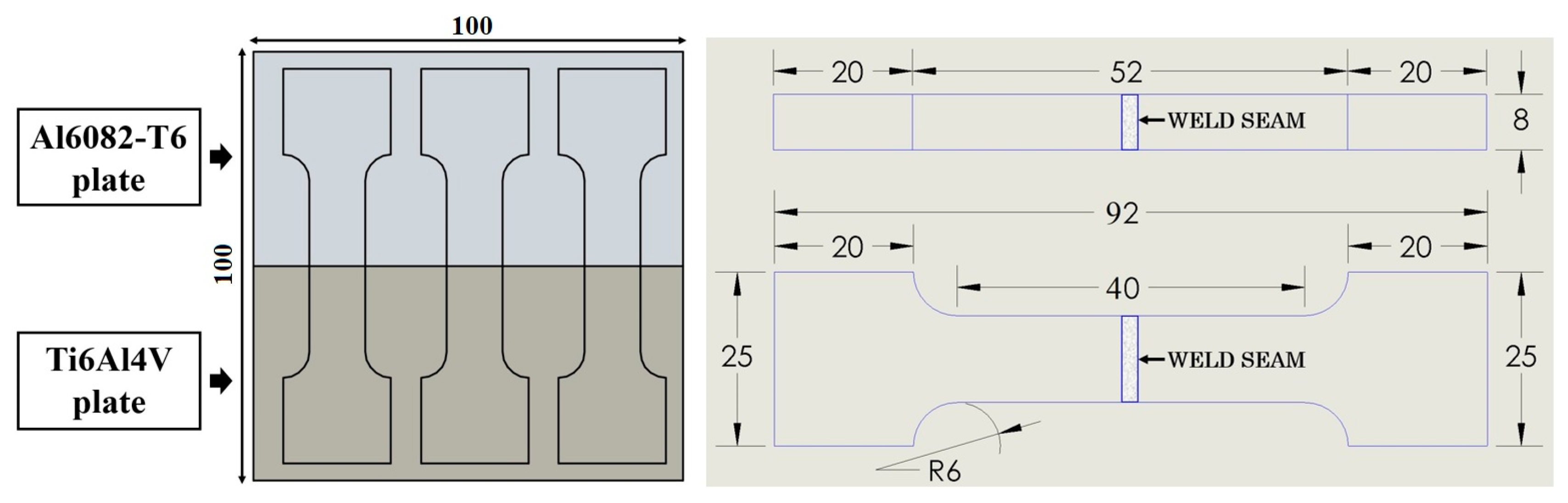
For the purposes of this research, 8 mm thick plates were used, with dimensions of 100 × 50 mm (as-received). In a previous study [29], the influence of the offset of the electron beam from the contact line (welding spot) was investigated [29]. Specimens were produced with a 0.5 mm offset to the Ti6Al4V plate and the Al6082-T6 plate. A specimen prepared without an offset was also investigated as a reference. The results showed that offsetting the electron beam towards the aluminum plate reduced the concentration of defects in the weld seam, thus improving its microhardness and tensile properties. Due to this, the same technological conditions were used in this current work. Additionally, a copper interlayer was added using magnetron sputtering.
The as-received Ti6Al4V and Al6082-T6 plates’ cross-sections were machined to reduce the gap between the plates. A total of 1 mm was removed from the side of the plates, which means the final dimensions of the samples were 100 × 49 × 8 mm. The cross-sections of the plates were cleaned using 99% isopropyl alcohol. A visual representation of the magnetron sputtering process is shown in Figure 1a. During the process, the working pressure was 7×10−2 Pa, the discharge current was 1 A, the voltage was 550 V, and the deposition time was 75 min. The target comprised 99.99% Cu. The thickness of the applied Cu films was about 10 μm and was determined using an optical profilometer, Zeta-20 (KLA Corp., Milpitas, CA, USA).
After the filler deposition, the plates were inserted into the vacuum chamber of the welding unit. The values of the selected technological conditions were summarized in Table 2. The working pressure was 4×10−2 Pa. The accelerating voltage was 60 kV, the current was 35 mA, the welding speed was 10 mm/s, and the offset was 0.5 mm towards the aluminum plate. The only difference between the two prepared samples was the presence (or absence) of a copper filler. Figure 1b shows the process of the EBW of the sample prepared without the copper filler, and Figure 1c shows the process of the EBW of that prepared with it.
The welded specimens were cut, and metallographic samples were prepared from their cross-sections. The samples were ground with abrasive paper from P250 to P4000 grit. The Ti6Al4V side of the samples was etched using a solution consisting of 2.0 mL HNO3 and 1.5 mL dH2O. The aluminum parts of the samples were etched using a 10% HF solution.
Scanning electron microscopy (SEM) investigations were also performed to access the obtained microstructure both in the secondary electrons (SE) and the back-scattered electron (BSE) modes. The SEM unit was equipped with an energy-dispersive X-ray spectroscopy (EDS) attachment, which was used to determine the chemical composition of the samples.
The formed weld seams were studied using X-ray diffraction (XRD) with CuKα radiation with a wavelength of 1.54 Å. The experiments were performed in the symmetrical Bragg–Brentano mode in a range from 30° to 80°.
The microhardness of the cross-sectional metallographic samples was determined following the ISO 6507-1:2018 Metallic materials–Vickers hardness test standard [31]. A constant load of 0.5 N was used in all cases with a dwell time of 10 s per measurement.
The tensile properties of the welded specimens were determined using a tensometer according to the ISO 6892–1:2019 Metallic materials–Tensile testing, Method B standard [32]. A constant stress–strain rate of 30 MPa/s was used in all cases. Three tensile test samples were made out of the welded plates, as shown in Figure 2. The samples had an hourglass-type shape with an overall length of 92 mm, a test length of 40 mm, a width of 12 mm, and a thickness of 8 mm. The samples’ shape and size were described in detail in a previous study [30].

3. Results

Scanning electron microscopy was performed to study the microstructure of the samples. Figure 3 shows the results obtained for sample 1, prepared without a filler. Figure 3a shows a macroscopic image of the weld seam taken using the secondary electron (SE) mode. A rectangular weld seam is visible, with an average width of 1.2 ± 0.07 mm. Figure 3b–d, taken in the back-scattered electron (BSE) mode, show the microstructure of the sample at different locations. Figure 3b shows the border between the Al6082-T6 plate and the molten zone. A noticeable increase in the size of the micropores in the molten zone can be observed compared to the base material. Figure 3c shows the middle of the molten zone, where a number of micropores are also noticeable. Figure 3d shows the area between the molten zone and the Ti6Al4V plate. A clearly visible border between the different zones was observed. No visible micropores or defects were detected while studying the Ti6Al4V plate. No cracks between the plates and the molten zone were detected. The observed areas were studied using energy-dispersive X-ray spectroscopy (EDS). The results are presented in Table 3. For the purpose of this study, the most important elements that defined the characteristics of the electron beam weld were aluminum, titanium, and, in the case of sample 2, copper. Due to this, the concentration of those elements was investigated. The investigated areas were numbered with Arabic numerals starting from “1”. Point 1 consisted of 99.61 ± 4.1 at.% Al and 0.18 ± 0.1 at.% Ti. This indicated that this area predominantly comprised aluminum, with some inclusions of Ti. The latter could be attributed either to the welding process itself or even the presence of contaminants that formed during the metallographic sample’s preparation. Point 2 consisted of 99.27 ± 4.2 at.% Al and 0.44 ± 0.1 at.% Ti and Point 3, 99.44 ± 4.4 at.% Al and 0.35 ± 0.1 at.% Ti. The same hypothesis was made for these investigated areas as for Point 1. Point 4 indicated that in the thin line formed at the border between the molten zone and the Ti6Al4V plate, the following elements were found: 10.66 ± 1.6 at.% Al and 88.97 ± 3.6 at.% Ti. According to the Ti-Al phase diagram [33], this indicated that this area comprised the TiAl3 intermetallic phase. Considering Point 5, its chemical composition was 11.38 ± 0.4 at.% Al and 85.97 ± 5.3 at.% Ti. The results showed a high concentration of aluminum in the structure of the Ti6Al4V plate, almost indicative of an intermetallic compound; however, it must be noted that the alloy itself had some concentration of aluminum within its structure. Additionally, the same contamination of the Ti6Al4V plate during the metallographic sample preparation also could have occurred.
Figure 4 shows the results gathered during the investigations of sample 2, with the copper filler. Figure 4a shows a macroscopic image of the electron beam weld taken in SE mode. The average width of the weld seam was 1.25 ± 0.05 mm. This indicated the application of a copper interlayer did not affect the width of the weld seam formed using the same technological conditions. Figure 4b–d show images of the microstructure of the sample at different locations, taken in BSE mode. Figure 4b shows the border between the Al6082-T6 plate and the molten zone. A visible difference between the microstructure of the two is visible. In the molten zone, what appears to be aluminum grains are visible, encompassed either by defects or a structure of a second order. The microstructure in the middle of the sample was also investigated, and the results are shown in Figure 4c. Once again, what appears to be aluminum particles are visible, encompassed by agglomerates with a different chemical composition, resembling a eutectic structure. Figure 4d shows the area between the molten zone and the Ti6Al4V plate. A clearly visible border between the two was present. No defects in the form of cracks were observed during the investigation of this sample. Considering this sample, EDS experiments were also performed, and the results are presented in Table 4. The area described by Point 6 unsurprisingly comprised 98.77 ± 3.7 at.% Al, 0.13 ± 0.1 at.% Ti, and 0.84 ± 0.1 at.% Cu. Much like in the case of sample 1, contaminants during the metallographic sample preparation might have been the reason for the small inclusions of Ti and Cu in this area. Points 7 and 8 comprised 98.36 ± 4.3 at.% and 96.99 ± 4.1 at.% Al. This indicated that the observed particles indeed comprised aluminum. A small concentration of <2 ± 0.1 at.% of Ti and Cu was noticed. In the case of Point 9, 94.3 ± 3.3 at.% Al, 0.78 ± 0.1 Ti, and 4.26 ± 0.3 at.% Cu were detected. This indicated that in the areas between the aluminum grains, a higher concentration of both titanium and copper was present. Point 10 comprised 89.98 ± 3.1 at.% Al, 1.28 ± 0.2 at.% Ti, and 8.1 ± 0.6 at.% Cu. The solubility of copper in aluminum is low (about 5.8% [34]). Due to this, copper particles are segregated from the solid solution and form clusters of intermetallic bonds. The lowest free energy of formation is that of the CuAl2 intermetallic compound [35]. According to the Cu-Al phase diagram, the concentration of copper detected at Point 10 was enough to conclude that the brighter second-phase structures were most probably CuAl2 ones. They formed and spread across the boundaries of the aluminum grains in the form of eutectic structures; however, their concentration was not too high due to the low amount of copper introduced into the structure, as proven by the EDS analysis of Point 9. The chemical composition of Point 11 included 95.7 ± 2.8 at.% of Al, which meant that this was part of the aluminum crystal structure. Point 12 comprised 92.46 ± 2.8 at.% Al, 1.36 ± 0.2 at.% Ti, and 5.71 ± 0.3 at.% Cu, which meant that it was possible that some CuAl2 intermetallics existed in that area. At the border between the Ti6Al4V plate and the molten zone (Point 13), the chemical composition was as follows: 15.47 ± 0.5 at.% Al; 80.71 ± 3.9 at.% Ti; 1.72 ± 0.2 at.% Cu. This suggested that, in that area, it was highly unlikely that any CuxAlx intermetallics were present; however, the presence of TixAlx intermetallics, such as TiAl3, was possible. However, no obvious TixAlx intermetallics were visible during the analysis in that area, so it was possible that the values were related to the measuring method and to the composition of the aluminum solid solution and the Ti6Al4V plate. At Point 14, the chemical composition of the Ti6Al4V plate included 8.79 ± 0.3 at.% Al, 87.8 ± 3.6 at.% Ti, and 0.7 ± 0.1 at.% Cu. The presence of aluminum in the composition of the Ti6Al4V alloy was expected. The presence of Cu was once again possibly caused by the method of preparing the samples.
As mentioned above, the chemical composition of the samples was investigated using EDS measurements. Based on them, EDS maps were also generated. The results for sample 1 are shown in Figure 5. The spread of aluminum, titanium, and vanadium across the molten zone and the Ti6Al4V plate is shown. The theory that the molten zone was composed of an aluminum solid solution with titanium, potentially TixAlx intermetallics, was supported by the obtained results. Small amounts of vanadium were also detected in the molten zone, probably introduced in that area during the relocation of titanium particles during the welding process.
Figure 6 shows the EDS map results for sample 2. The border between the molten zone and the Ti6Al4V plate was investigated. The results, similar to the ones presented previously, confirmed that the molten zone comprised four different elements, namely, aluminum, titanium, copper, and vanadium. The copper particles, as mentioned above, spread between the aluminum solid solution grains, potentially in the form of the CuAl2 intermetallic phase. A thin white line was visible between the Ti6Al4V plate and the molten zone; however, from the performed EDS map analysis, it was unclear whether this was an area with a high concentration of intermetallic phases such as TiAl3 or Ti3Al. The previously performed qualitative analysis of different zones, shown in Figure 4, Point 13, indicated that it was highly possible this area comprised the Ti3Al intermetallic phase, which was plausible since it was in the closest proximity to the Ti6Al4V plate.
Figure 7 shows the XRD diffraction pattern obtained for the sample prepared without a filler (sample 1). The results showed the presence of the two main phases that comprised the base materials—Al and Ti. The aluminum phase had its typical face-centered cubic (fcc) crystal structure belonging to the Fm3m (225) space group. The titanium phase had a hexagonal crystal structure belonging to the P63/mmc (194) space group. A TiAl3 intermetallic phase formed between the two main ones during the welding procedure. This intermetallic phase was characterized by a tetragonal crystal structure belonging to the I4/mmm (139) space group. This configuration of the crystal structure of sample 1 determined it as a polycrystalline multiphase. Figure 8 shows the XRD diffraction pattern of the sample prepared with a copper filler (sample 2). In this instance, diffraction maxima corresponding to the main phases, namely, Al and Ti, were also observed with their characteristic structures—fcc and hexagonal, correspondingly. The presence of the TiAl3 phase was also evident. During the experiment, no diffraction maxima corresponding to pure copper were noticed but only ones corresponding to the intermetallic CuAl2 phase, which has a tetragonal crystal structure belonging to the I4/mcm (140) space group. The structure of this sample was also described as polycrystalline multiphase. The presence of the Ti phase was attributed to the measuring method. The studied area encompassed not only the fusion zone but also a part of the Ti6Al4V plate. This hypothesis was supported by the SEM and EDS results, where no undissolved or unreacted titanium particles were found in the volume of the fusion zone.
Based on the theoretical understanding of the processes that occur during electron beam welding, particularly the distribution of the isotherms of the temperature fields, and based on the knowledge of the thermophysical properties of the used materials, a hypothesis was formed that applying a copper filler between the Ti6Al4V and the Al6082-T6 plates could result in a different thermodynamic of the process of melting, mixing of the materials, and solidification. These processes are mostly defined by the aluminum phase detected in the weld seams, since, as proven by the SEM and EDS experiments, their microstructure consists preferentially of an aluminum solid solution and intermetallic precipitates. Due to this, the pole density of the aluminum phase was calculated based on the equations proposed by Iordanova et al. [36]. The pole density P{hkl} [%] represents the possibility that a certain family of crystallographic planes is oriented parallel to the sample’s surface. The calculations were performed for both samples. In the case of sample 1, a specific texturing was noticed towards the {111} family of crystallographic planes, with a pole density of P{111} = 72.2 ± 0.2%. It is well known that the {111} family of crystallographic planes in the fcc system is the densest and has the highest number of slip planes. This indicates that, without the copper filler, the applied technological conditions are sufficient to form a dense structure during the solidification process perpendicular to the direction of the heat source. Applying a Cu interlayer resulted in a change in the texturing of the samples. The {111} family of crystallographic planes still had the highest partial percentage, at 46.7 ± 0.3%; however, a noticeable increase in the values of all the other families of planes was also observed. This indicates that the thermodynamics of the process of welding changes due to the application of a copper interlayer. The density of the aluminum phase decreases. Copper has the second highest thermal conductivity coefficient compared to other metals—401 W/(m.K), and about twice that of aluminum—237 W/(m.K). However, aluminum’s thermal conductivity coefficient is also high and much higher than that of titanium—6.7 W/(m.K). It is also important to note the specific heat capacity c [J/(kg.K)] of the different materials, which is as follows: Cu—385 J/(kg.K); Al—900 J/(kg.K); Ti—526 J/(kg.K). Considering these values, it can be concluded that copper heats up faster than the other materials, and, due to its high thermal conductivity, it rapidly transfers the accumulated heat to the other metals once the heat source is removed. Since aluminum also has high thermal conductivity and a much higher thermal capacity, it absorbs most of the generated heat. It is possible that this is the reason for the reorientation of the micro-volumes towards other families of crystallographic planes with lower densities. The {111} family of crystallographic planes in the fcc structure has the lowest free surface energy, which makes it more chemically active than the detected {110}, {100}, and {311} ones. It may be this family of crystallographic planes that forms chemical bonds with the formed CuAl2 intermetallic phase. As a result of this, a change in the micro-volumes towards a less dense structure might be possible.
According to the theory of X-ray diffraction, variations in the width of the diffraction maxima can be attributed to changes in the concentration of lattice imperfections such as vacancies, dislocations, and pores. The broadening of the peaks correlates to an increase in these imperfections. Due to this, the full width at half maximum (FWHM) for the {111} family of crystallographic planes of the aluminum phase was calculated. This was calculated using specialized software SciDAVis 2.7. The results, presented in Table 5, indicate that the FWHM of sample 1 was 0.255 ± 0.005 degrees, and, in the case of applying a copper interlayer, the value slightly increased to 0.278 ± 0.003 degrees. Figure 9a,b shows the performed fits and indicates that the obtained data were highly accurate. The obtained values indicate that applying a copper interlayer did not induce the formation of new lattice imperfections in the Al phase. Only a change in the micro-volumes and a potential rearrangement of the already existing nano-defects was noticed.
Considering the Al-Cu-Ti ternary system, it was suggested that during the interaction between aluminum, copper, and titanium, 30 types of intermetallic compounds can form [37]. During the present research, however, only binary phases were detected using both EDS and X-ray diffraction. The most probably cause of this was the low melting and low inclusions of Ti in the molten zone, where even the binary TixAlx phases were detected at the border between the Ti6Al4V plate and the molten zone. Due to this, during the molten stage, the Cu particles were rapidly introduced within the aluminum solid solution, and, due to the oversaturation of Al with Cu, CuAl2 intermetallics were segregated and formed in the border between the solid solution grains.
Figure 10 shows the distribution of the microhardness, measured perpendicular to the melted zone starting from the Al6082-T6 side and ending on the Ti6Al4V side. In the areas far from the weld seam, the same hardness values were measured for both samples—an average of 76 ± 2 HV0.05 for the aluminum alloy and around 390 ± 4 HV0.05 for the titanium alloy. These values are in agreement with those measured by other researchers [38,39]. It is important to note that the aluminum alloy was initially heat-treated, with a higher microhardness of about 100 ± 3 HV0.05. The microhardness of the as-delivered Al6082-T6 alloy was investigated in a previous study [40], where the application of heat of up to 300 °C was also investigated. The results indicated that the application of such a temperature resulted in a reversing of heat treatment process and a “softening” of the alloy to microhardness values of about 70 ± 2 HV0.05. The reduction in the microhardness as a result of post-heat treatment was also confirmed by Woelke et al. [41]. Considering the molten zones of both samples, it was evident that the microhardness in the case of sample 1 (Figure 10a), formed without a filler, was lower, with an average value of 78 ± 2 HV0.05 compared to sample 2 (Figure 10b), formed with a copper filler, with an average value of 136 ± 3 HV0.05. Evidently, in the case of sample 1, the microhardness of the molten zone was approximately the same as the microhardness of the Al6082-T6 plate. In both cases considering the Ti6Al4V plate in the zones closest to the weld seam, there was a slight increase in the microhardness, which indicate that a slight change in the microstructure in that area (potentially phase changes) might have occurred, however, no such change was observed in either the SEM or the XRD analysis. Since a zone at the border between the weld seam and the titanium alloy plate consisting of TiAl3 was detected using the EDS analysis, the increase in the microhardness could be attributed to the presence of this intermetallic phase. The noticeable increase in the microhardness in the molten zone in the case of sample 2 could be attributed to the presence of the CuAl2 intermetallic phase in the volume of the aluminum matrix. In it’ purest form, this intermetallic phase has the lowest microhardness amongst the stable CuxAlx phases [42], closer to that of the Ti6Al4V plate. As a eutectic formation was found in the aluminum matrix, the presence of this phase caused the increase in the microhardness of the molten zone by increasing its density and by strengthening the matrix by hindering the mobility of dislocations.
Tensile tests were performed to assess the ultimate tensile strength of the obtained samples. Control experiments were performed using untreated plates of the Al6082-T6 alloy and the Ti6Al4V alloy. The results indicated that the Al6082-T6 plate had a yield strength (YS) of 205 MPa and an ultimate tensile strength (UTS) of 345 MPa. The Ti6Al4V plate had a YS of 1011 MPa and a UTS of 1072 MPa. Tensile tests were performed on the welded samples as well. Some of the obtained engineering stress–strain diagrams during experiments are presented in Figure 11. Figure 11a shows a stress–strain diagram corresponding to a sample prepared without a filler. Figure 11b corresponds to a sample prepared with a copper filler. Evidently, both samples exhibited low levels of strain before fracture; however, the strain increased in the case of the sample prepared with a Cu interlayer.
The results were compared and are presented in Figure 12. Figure 12a compares the yield strength of the two different samples, and Figure 12b compares their ultimate tensile strength. The average yield strength and the average ultimate tensile strength of sample 1, welded without filler, were 152 MPa and 157 MPa, respectively. The results suggested that the UTS/YS ratio of this sample was about 1.03. Such weld joints are considered brittle and prone to sudden failure, without warning. This behavior of welded joints is highly undesirable, as many cases of accidents throughout history have reportedly been caused by brittle cracking from water tanks and boilers on ships and buildings [43]. The average YS and the average UTS of sample 2, formed with a Cu filler, were 144 MPa and 208 MPa, respectively. In this instance, the UTS/YS ratio was 1.44. Obviously, applying the copper filler led to a major increase in this ratio. When regarding stress-absorbent materials and dynamic stresses, the UTS/YS ratio must kept above 1.25 [44]. Since, in the present case, this requirement was fulfilled, sample 2 was regarded as more suitable for applications where momentary dynamic stresses can occur. In this case, a potential failure of the joint could be more easily noticed and predicted, as opposed to in the case of sample 1, where failure occurred instantaneously without a warning. The ultimate tensile strength of sample 2 was 37% higher than that of sample 1 (without a filler). The UTS value of sample 2 reached 60% of that of the untreated Al6082-T6 plate. Other authors have obtained a similar result by laser welding Ti6Al4V and A6061-UTS of 205 MPa [25] and by friction stir welding Ti6Al4V and AA2024-T3-UTS of 348 MPa [26].

4. Discussion

Electron beam welding is a type of welding characterized by using a concentrated energy source as a heat source. The process is accompanied by rapid melting and rapid solidification [45]. During the process, substantial thermal stresses are observed due to the high thermal gradients formed both during the melting and the solidifying stages [46]. Due to the low footprint of the electron beam, the residual stresses (mostly thermal stresses) are highly localized in the molten zone and the heat-affected zones [47].
Welding dissimilar metals and alloys using an electron beam approach is a complex task since the mechanisms of distribution of the thermal fields, the process of melting, the process of cooling (solidifying), the process of formation of defects, rearrangement of defects, the formation of chemical bonds, and others are completely different every time based on the used materials. Highly active materials such as titanium and aluminum tend to form intermetallic compounds of the TixAlx type during high-thermal processes such as welding [48]. The most commonly formed intermetallic compound is the TiAl3 one due to its lowest bonding energy. This intermetallic compound also has the highest density compared to the others and is characterized by the highest hardness [49,50]. Other IMCs of this type can also form such as TiAl, Ti3Al, TiAl2, and others depending on the development of the used process [51]. Some of these compounds such as TiAl2 are known as metastable, meaning that they can transform into a different phase at any moment in time, especially once the sample is further subjected to post-processing [51].
Copper and aluminum are highly sought-after materials with excellent thermal, electrical, and mechanical properties [6,52]. Due to this, the possibility of welding copper and aluminum alloys has been investigated by previous researchers using different methods, including electron beam welding [53]. The conducted studies show that intermetallic compounds of the type CuxAlx can easily form, especially since copper is highly insoluble in aluminum with, as mentioned above, a solubility of only about 5.8% [34]. The CuAl2 intermetallic compound has the lowest bonding energy; thus, its formation is the most favorable compared to other compounds such as CuAl, CuAl3, and Cu4Al9,. Some of these compounds, such as Cu4Al9, are metastable, much like some titanium-aluminum-based intermetallics [54].
Studying the obtained samples, a preferential melting of the aluminum plate was observed in both cases, with a minimal difference between the macro-characteristics of the weld seams. The rectangular shape of the latter is a typical occurrence during electron beam welding of aluminum with a dissimilar metal and is caused primarily by the applied offset [55]. Due to the latter, the weld seams predominantly comprise an aluminum matrix with inclusions of intermetallic phases. In the case of sample 1, that is, the TiAl3 one, it was found close to the border between the molten zone and the Ti6Al4V plate, and, in the case of sample 2, an additional inclusion of the CuAl2 phase was observed. The high thermal gradients during EBW result in the clustering of aluminum grains and lattice defects, such as vacancies and stacking faults. The clustering of lattice defects is probably one of the main mechanisms of pore formation [56] and distribution since thermodynamically this is most favorable for the crystal system and results in the reduction in its energy level. Regardless, the applied technological conditions in the case of sample 1 were sufficient for the formation of a dense crystal structure of the aluminum phase perpendicular to the direction of the welding source and parallel to the welding direction. Texturing towards the {111} family of crystallographic planes was observed, which, as mentioned, is known to be the densest one, with the highest amount of slip planes [57]. This makes complete sense and is efficient for the relocation of defects in the crystal system, observed while studying this sample. Studying sample 2 (with the copper filler), a noticeable increase in the density of the aluminum solid solution was observed. The influence of the {111} family of crystallographic planes was weakened. Since the technological conditions were the same, the last can only be explained by the lower free surface energy of the {111} family of crystallographic planes. The formed CuAl2 intermetallics most probably form chemical bonds preferentially with that specific family of planes. This explains the weakening of the formed {111} texture in favor of less-dense ones such as {100}, {110}, and {311}.
The formation of the CuAl2 eutectic structure (as a result of applying the copper interlayer) led to an increase in the density of the aluminum solid solution. The presence of intermetallic precipitates also hinders the mobility of defects such as dislocations. This is a known effect of eutectic structures, and it is typically used to strengthen alloys [58]. Due to the low amount of Cu applied as an interlayer, the CuAl2 eutectic structure was not well distributed along the edges of the aluminum crystals, reducing the maximum possible density of the system. Regardless, a highly noticeable change in the tensile properties was observed by applying a copper interlayer even of this thickness from a brittle weld with low energy absorption capacity, as in the case of sample 1, to one with a significantly improved energy absorption capacity (sample 2), and higher ultimate tensile strength. The latter was most probably caused by the smooth transition from the Al6082-T6 plate through the aluminum solid solution, containing CuAl2 intermetallics, towards the TiAl3 intermetallics, and finally the Ti6Al4V plate. This reduces the internal stresses of the system and improved the chemical bonding.

5. Conclusions

The present study showed the possibility of applying a copper interlayer in order to change the characteristics of the structure, microhardness, and tensile properties of electron beam welds between Al6082-T6 and Ti6Al4V plates. The following conclusions can be formed based on the obtained results:
  • Applying a 10 µm thick Cu layer was not sufficient to change the macro-structure (geometry) of the weld seams;
  • Electron beam welding of Al6082-T6 and Ti6Al4V without a filler using the present technological conditions led to the formation of a preferential texture of the aluminum solid solution towards the dense {111} family of crystallographic planes;
  • Applying a copper interlayer caused an increase in the density of the aluminum solid solution, increasing the microhardness;
  • Higher energy absorption potential of the weld joints was observed by applying a copper interlayer, and an overall increase in the UTS of that sample was also achieved, reaching 60% of that of the untreated Al6082-T6 plate;
  • The application of Cu interlayer sufficed for the smooth transition between the highly dissimilar Al6082-T6 and Ti6Al4V alloys.
Despite the current results, more is to be desired from the mechanical properties of the formed weld seams. Further studies are necessary to improve the ultimate tensile strength of the samples and reach values much closer to those (ultimately above those) of the untreated Al6082-T6 alloy.

Author Contributions

Conceptualization, D.K., G.K., and A.A.; methodology, D.K., A.A., S.V., V.D., M.A., G.K., B.S., and M.O.; formal analysis, D.K., A.A., S.V., V.D., G.K., M.A., B.S., and M.O.; investigation, D.K., A.A., S.V., V.D., M.A., G.K., B.S., and M.O.; writing—original draft preparation, D.K., and G.K.; writing—review and editing, D.K., G.K., and S.V.; visualization, D.K. and M.O.; project administration, D.K. and A.A. All authors have read and agreed to the published version of the manuscript.

Funding

This research received no external funding.

Data Availability Statement

Data are contained within this article.

Acknowledgments

This research was funded by the European Regional Development Fund within the OP “Research, Innovation and Digitalization Programme for Intelligent Transformation 2021–2027”, Project No. BG16RFPR002-1.014-0005 Center of competence “Smart Mechatronics, Eco- and Energy Saving Systems and Technologies”.

Conflicts of Interest

The authors declare no conflicts of interest.

References

  1. Gadakh, V.; Badheka, V.; Mulay, A. Solid-state joining of aluminum to titanium: A review. Proc. Inst. Mech. Eng. Part L J. Mater. Des. Appl. 2021, 235, 1757–1799. [Google Scholar] [CrossRef]
  2. Peters, M.; Hemptenmacher, J.; Kumpfert, J.; Leyens, C. Titanium and Titanium Alloys, Fundamental and Applications; Wiley-VCH: Wenheim, Germany, 2003. [Google Scholar]
  3. Kammer, C. Aluminum and aluminum alloys. In Springer Handbook of Materials Data, 2nd ed.; Warlimont, H., Martienssen, W., Eds.; Springer: Cham, Switzerland, 2018; pp. 161–197. [Google Scholar]
  4. Williams, J.; Boyer, R. Opportunities and issues in the application of titanium alloys for aerospace components. Metals 2020, 10, 705. [Google Scholar] [CrossRef]
  5. Kumar, V.; Gupta, R.; Prasad, M.; Murty, S. Recent advances in processing of titanium alloys and titanium aluminides for space applications: A review. J. Mater. Res. 2021, 36, 689–716. [Google Scholar] [CrossRef]
  6. Stojanovic, B.; Bukvic, M.; Epler, I. Application of aluminum and aluminum alloys in engineering. Appl. Eng. Lett. J. Eng. Appl. Sci. 2018, 3, 52–62. [Google Scholar] [CrossRef]
  7. Makai, M.; Eto, T. New aspect of development of high strength aluminum alloys for aerospace applications. Mater. Sci. Eng. A 2000, 285, 62–68. [Google Scholar]
  8. Cverna, F. ASM Ready Reference: Thermal Properties of Metals; ASM International: Materials Park, OH, USA, 2002. [Google Scholar]
  9. Chen, X.; Lei, Z.; Chen, Y.; Han, Y.; Jiang, M.; Tian, Z.; Bi, J.; Lin, S. Microstructure and tensile properties of Ti/Al dissimilar joint by laser welding-brazing at subatmospheric pressure. J. Manuf. Process. 2020, 56, 19–27. [Google Scholar] [CrossRef]
  10. Wang, P.; Chen, D.; Ran, Y.; Yan, Y.; She, X.; Peng, H.; Jiang, X. Electromagnetic pulse welding of Al/Cu dissimilar materials: Microstructure and tensile properties. Mater. Sci. Eng. A 2020, 792, 139842. [Google Scholar] [CrossRef]
  11. Mai, T.; Spwage, A. Characterization of dissimilar joints in laser welding of steel-kovar, copper-steel and copper-aluminum. Mat. Sci. Eng. A 2004, 374, 224–233. [Google Scholar] [CrossRef]
  12. Panchenko, O.; Kurushkin, D.; Isupov, D.; Naumov, A.; Kladov, I.; Surenkova, M. Gas Metal Arc Welding Modes in Wire Arc Additive Manufacturing of Ti-6Al-4V. Materials 2021, 14, 2457. [Google Scholar] [CrossRef]
  13. Tavoosi, M.; Arjmand, S.; Adelimoghaddam, B. Surface alloying of commercially pure titanium with aluminium and nitrogen using GTAW processing. Surf. Coat. Technol. 2017, 311, 314–320. [Google Scholar] [CrossRef]
  14. Kutelu, J.; Seidu, O.; Eghabor, I.; Ibitoye, I. Review of GTAW welding parameters. J. Miner. Mater. Charact. Eng. 2018, 6, 541–554. [Google Scholar] [CrossRef]
  15. Gangwar, K.; Ramulu, M. Friction stir welding of titanium alloys: A review. Mater. Des. 2018, 141, 230–255. [Google Scholar] [CrossRef]
  16. Auwal, S.; Ramesh, S.; Yusof, F.; Manladan, S. A review on laser beam welding of titanium alloys. Int. J. Adv. Manuf. Technol. 2018, 97, 1071–1098. [Google Scholar] [CrossRef]
  17. Zhan, X.; Yu, H.; Feng, X.; Pan, P.; Liu, Z. A comparative study on laser beam and electron beam welding of 5A06 aluminum alloy. Mater. Res. Express 2019, 6, 056563. [Google Scholar] [CrossRef]
  18. Wencel, Z.; Wiewiórowska, S.; Wieczorek, P.; Gontarz, A. Electron Beam Welding Process for Ti6Al-4V Titanium Alloy. Materials 2023, 16, 5174. [Google Scholar] [CrossRef]
  19. Baqer, M.; Ramesh, S.; Yusof, F.; Manladan, S. Challenges and advances in laser welding of dissimilar light alloys: Al/Mg, Al/Ti, and Mg/Ti alloys. Int. J. Adv. Manuf. Technol. 2018, 95, 4353–4369. [Google Scholar] [CrossRef]
  20. Lv, X.; Jing, J.; Huang, X.; Xu, Q.; Zheng, Q.; Yang, Q. Investigation on TIG arc welding—brazing of Ti/Al dissimilar alloys with Al based fillers. Sci. Technol. Weld. Join. 2012, 17, 519–524. [Google Scholar] [CrossRef]
  21. Wang, T.; Li, X.; Zhang, Y.; Li, H.; Zhang, B.; Feng, J. Regulating the interfacial morphology of electron beam welded pure Ti/2024Al dissimilar joint. J. Mater. Process. Technol. 2017, 245, 227–231. [Google Scholar] [CrossRef]
  22. Zhang, Y.; Yu, D.; Zhou, J.; Sun, D. A review of dissimilar welding for titanium alloys with light alloys. Metall. Res. Technol. 2021, 118, 213. [Google Scholar] [CrossRef]
  23. Ni, J.; Li, L.; Chen, Y.; Feng, X. Characteristics of laser welding-brazing joint of Al/Ti dissimilar alloys. Chin. J. Nonferrous Met. 2007, 17, 617–622. [Google Scholar]
  24. Li, P.; Lei, Z.; Zhang, X.; Liu, J.; Chen, Y. Effects of laser power on the interfacial IMCs and mechanical properties of dual-spot laser welded-brazed Ti/Al butt joint. Opt. Laser Technol. 2020, 124, 105987. [Google Scholar] [CrossRef]
  25. Wang, T.; Li, H.; Jiang, S.; Zhnag, B.; Feng, J. Microstructure and mechanical properties of EBW-brazed titanium to aluminum joint using AlSi5 filler wire. Trans. China Weld. Inst. 2017, 38, 1–4. [Google Scholar]
  26. Iltaf, A.; Dehghan, S.; Barka, N.; Belzile, C. Laser butt welding of AA7075 aluminium alloy and Ti6Al4V titanium alloy using a Cu interlayer. Mater. Sci. Technol. 2024, 40, 1015–1020. [Google Scholar] [CrossRef]
  27. Lakache, E.; May, A.; Badji, R.; Poirot, N.; Yssaad, R. Effect of copper interlayer in dissimilar TA6V/AU4G rotary friction weld joints. Weld. World 2024, 68, 1869–1879. [Google Scholar] [CrossRef]
  28. Mustafa, E.; Rai, N.; Firoz, R. Enhancement of joint properties and reduction of intermetallics in FSW of highly dissimilar Al/Ti alloys. Weld. World 2023, 67, 1393–1410. [Google Scholar] [CrossRef]
  29. Anchev, A.; Kaisheva, D.; Kotlarski, G.; Dunchev, V.; Stoyanov, B.; Ormanova, M.; Atanasova, M.; Todorov, V.; Daskalova, P.; Valkov, S. Welding of Ti6Al4V and Al6082-T6 Alloys by a Scanning Electron Beam. Metals 2023, 13, 1252. [Google Scholar] [CrossRef]
  30. Kotlarski, G.; Kaisheva, D.; Ormanova, M.; Stoyanov, B.; Dunchev, V.; Anchev, A.; Valkov, S. Improved Joint Formation and Ductility during Electron-Beam Welding of Ti6Al4V and Al6082-T6 Dissimilar Alloys. Crystals 2024, 14, 373. [Google Scholar] [CrossRef]
  31. ISO 6507-1:2018; Metallic Materials–Vickers Harndess Test-Part 1: Test Method. ISO: Geneva, Switzerland, 2018.
  32. ISO 6892-1:2019; Metallic Materials-Tensile Testing-Part 1: Method of Test at Room Temperature. ISO: Geneva, Switzerland, 2019.
  33. Batalu, D.; Cosmeleata, G.; Aloman, A. Critical Analysis of the Ti-Al Phase Diagrams. UPB Sci. Bull. Ser. B Chem. Mater. Sci. 2006, 68, 77–90. [Google Scholar]
  34. Mathers, G. Materials standards, designations and alloys. In The Welding of Aluminum and Its Alloys; Woodhead Publishing: Sawston, UK, 2002; pp. 35–50. [Google Scholar]
  35. Yu, H.; Zhang, L.; Cai, F.; Zhong, S.; Ma, J.; Zhang, Y.; Si, A.; Wei, S.; Long, W.; Stock, H.; et al. Interface microstructure and growth mechanism of brazing Cu/Al joint with BAl88Si filler metal. Vacuum 2020, 181, 109641. [Google Scholar] [CrossRef]
  36. Iordanova, I.; Kelly, P.; Burova, M.; Andreeva, A.; Stefanova, B. Influence of thickness on the crystallography and surface topography of TiN nano-films deposited by reactive DC and pulsed magnetron sputtering. Thin Solid Films 2012, 520, 5333–5339. [Google Scholar] [CrossRef]
  37. Peng, H.; Li, Z.; Su, X.; Liu, Y.; Wu, C.; Tu, H.; Wang, J. The 600 °C Isothermal Section of the Al-Cu-Ti Ternary System. J. Phase Equilibria Diffus. 2019, 40, 600–609. [Google Scholar] [CrossRef]
  38. Xu, Z.; Dong, Z.; Yu, Z.; Wang, W.; Zhang, J. Relationships between microhardness, microstructure, and grain orientation in laser-welded joints with different welding speeds for Ti6Al4V titanium alloy. Trans. Nonferrous Met. Soc. China 2020, 30, 1277–1289. [Google Scholar] [CrossRef]
  39. Arunakumara, P.; Sagar, H.; Gautam, B.; George, R.; Rajeesj, S. A review study on fatigue behavior of aluminum 6061 T-6 and 6082 T-6 alloys welded by MIG and FS welding methods. Mater. Today Proc. 2023, 74, 293–301. [Google Scholar] [CrossRef]
  40. Kaisheva, D.; Kotlarski, G.; Ormanova, M.; Stoyanov, B.; Dunchev, V.; Anchev, A.; Valkov, S. Effect of Beam Power on Intermetallic Compound Formation of Electron Beam-Welded Cu and Al6082-T6 Dissimilar Joints. Eng 2025, 6, 6. [Google Scholar] [CrossRef]
  41. Woelke, P.; Hiriyur, B.; Nahshon, K.; Hutchinson, J. A practical approach to modeling aluminum weld fracture for structural applications. Eng. Fract. Mech. 2017, 175, 72–85. [Google Scholar] [CrossRef]
  42. Kouters, M.; Gubbeks, G.; Ferreira, O. Characterization of intermetallic compounds in Cu-Al ball bonds: Mechanical properties, interface delamination and thermal conductivity. Microelectron. Reliab. 2013, 53, 1068–1075. [Google Scholar] [CrossRef]
  43. Boyd, G.M. Navy Department Advisory Committee on Structural Steel. In Brittle Fracture in Steel Structures; Butterworth & Co.: London, UK, 1970. [Google Scholar]
  44. Tavio, T.; Anggraini, R.; Raka, I.; Agustiar, A. Tensile strength/yield strength (TS/YS) ratios of high-strength steel (HSS) reinforcing bars. AIP Conf. Proc. 2018, 1964, 020036. [Google Scholar]
  45. Schultz, H. Electron Beam Welding; Abington Publishing: Cambridge, UK, 1989. [Google Scholar]
  46. Lacki, P.; Adamus, K. Numerical simulation of the electron beam welding process. Comput. Struct. 2011, 89, 977–985. [Google Scholar] [CrossRef]
  47. Chiumenti, M.; Cervera, M.; Dialami, N.; Wu, B.; Jinwei, L.; Saracibar, C. Numerical modeling of the electron beam welding and its experimental validation. Finite Elem. Anal. Des. 2016, 121, 118–133. [Google Scholar] [CrossRef]
  48. Zhang, W.; Xie, J.; Chen, Y.; Zhang, L.; Yin, L.; Zhang, T.; Wang, S. Interfacial microstructure and bonding mechanism of the Al/Ti joint by magnetic pulse welding. Scr. Mater. 2022, 210, 114434. [Google Scholar] [CrossRef]
  49. Song, Y.; Dou, Z.; Zhang, T.; Liu, Y.; Wang, G. First-principles calculation on the structural, elastic and thermodynamic properties of Ti-Al intermetallics. Mater. Res. Express 2019, 6, 1065a4. [Google Scholar] [CrossRef]
  50. Marketz, W.; Fischer, F.; Clemens, H. Deformation mechanisms in TiAl intermetallics—Experiments and modeling. Int. J. Plast. 2003, 19, 281–321. [Google Scholar] [CrossRef]
  51. Bataev, I.; Lazurenko, D.; Tanaka, S.; Hokamoto, K.; Bataev, A.; Gou, Y.; Jorje, A. High cooling rates and metastable phases at the interfaces of explosively welded materials. Acta Mater. 2017, 135, 277–289. [Google Scholar] [CrossRef]
  52. Silbernagel, C.; Gargalis, L.; Ashcroft, I.; Hague, R.; Galea, M.; Dickens, P. Electrical resistivity of pure copper processed by medium-powered laser powder bed fusion additive manufacturing for use in electromagnetic applications. Addit. Manuf. 2019, 29, 100831. [Google Scholar] [CrossRef]
  53. Otten, C.; Reisgen, U.; Schmachtenberg, M. Electron beam welding of aluminum to copper: Mechanical properties and their relation to microstructure. Weld. World 2016, 60, 21–31. [Google Scholar] [CrossRef]
  54. Traxel, K.; Elton, E.; Petersen, A.; Silva, C.; Perron, A.; Jeffries, J.; Pascall, A. Processing and microstructure of a Cu-Al-Fe-Mn alloy via droplet-on-demand additive manufacturing. Mater. Des. 2024, 237, 112544. [Google Scholar] [CrossRef]
  55. Kurashkin, S.; Seregin, Y.; Murygin, A.; Petrenenko, V. Features of modeling the electron beam distribution energy for the electron-beam welding process. Sib. Aerosp. J. 2020, 21, 266–273. [Google Scholar] [CrossRef]
  56. Polfus, J.; Lovvik, O.; Bredesen, R.; Peters, T. Hydogen induced vacancy clustering and void formation mechanisms at grain boundaries in palladium. Acta Mater. 2020, 195, 708–719. [Google Scholar] [CrossRef]
  57. Jackson, A. Slip Systems. In Handbook of Crystallography; Springer: New York, NY, USA, 1991; pp. 83–88. [Google Scholar]
  58. Martin, J. Precipitation Hardening, 2nd ed.; Butterworth-Heinemann: Oxford, UK, 1998. [Google Scholar]
Figure 1. Scheme of the experiment: (a) magnetron sputtering of the copper filler; (b) EBW of the Ti6Al4V and the Al6082-T6 plates without a filler; (c) EBW of the Ti6Al4V and the Al6082-T6 plates with a Cu filler.
Figure 1. Scheme of the experiment: (a) magnetron sputtering of the copper filler; (b) EBW of the Ti6Al4V and the Al6082-T6 plates without a filler; (c) EBW of the Ti6Al4V and the Al6082-T6 plates with a Cu filler.
Crystals 15 00373 g001
Figure 2. Tensile test sample location and dimensions [30].
Figure 2. Tensile test sample location and dimensions [30].
Crystals 15 00373 g002
Figure 3. Cross-sectional SEM images of the sample welded without filler: (a) SEM image of the obtained joint; (b) higher-magnification SEM image of the interface Al6082-T6 alloy–melted zone; (c) melted zone; (d) interface melted zone–Ti6Al4V alloy.
Figure 3. Cross-sectional SEM images of the sample welded without filler: (a) SEM image of the obtained joint; (b) higher-magnification SEM image of the interface Al6082-T6 alloy–melted zone; (c) melted zone; (d) interface melted zone–Ti6Al4V alloy.
Crystals 15 00373 g003
Figure 4. Cross-sectional SEM images of the sample welded with Cu filler: (a) SEM image of the obtained joint; (b) higher-magnification SEM image of the interface Al6082-T6 alloy–melted zone; (c) melted zone; (d) interface melted zone–Ti6Al4V alloy.
Figure 4. Cross-sectional SEM images of the sample welded with Cu filler: (a) SEM image of the obtained joint; (b) higher-magnification SEM image of the interface Al6082-T6 alloy–melted zone; (c) melted zone; (d) interface melted zone–Ti6Al4V alloy.
Crystals 15 00373 g004
Figure 5. EDS elemental mapping of the border between the molten zone and the Ti6Al4V plate of the sample prepared without a filler.
Figure 5. EDS elemental mapping of the border between the molten zone and the Ti6Al4V plate of the sample prepared without a filler.
Crystals 15 00373 g005
Figure 6. EDS elemental mapping of the border between the molten zone and the Ti6Al4V plate of the sample prepared with a Cu filler.
Figure 6. EDS elemental mapping of the border between the molten zone and the Ti6Al4V plate of the sample prepared with a Cu filler.
Crystals 15 00373 g006
Figure 7. X-ray diffraction pattern of the welded joint without a filler.
Figure 7. X-ray diffraction pattern of the welded joint without a filler.
Crystals 15 00373 g007
Figure 8. X-ray diffraction pattern of the welded joint with a Cu filler.
Figure 8. X-ray diffraction pattern of the welded joint with a Cu filler.
Crystals 15 00373 g008
Figure 9. Fit of the peak corresponding to the {111} family of planes of (a) sample 1 and (b) sample 2.
Figure 9. Fit of the peak corresponding to the {111} family of planes of (a) sample 1 and (b) sample 2.
Crystals 15 00373 g009
Figure 10. Microhardness measurements and distribution of (a) sample 1 and (b) sample 2.
Figure 10. Microhardness measurements and distribution of (a) sample 1 and (b) sample 2.
Crystals 15 00373 g010
Figure 11. Stress–strain diagrams of (a) a sample prepared without a filler and (b) a sample prepared with a Cu filler.
Figure 11. Stress–strain diagrams of (a) a sample prepared without a filler and (b) a sample prepared with a Cu filler.
Crystals 15 00373 g011
Figure 12. Yield strength (a) and ultimate tensile strength (b) comparison between samples prepared without and with a Cu filler.
Figure 12. Yield strength (a) and ultimate tensile strength (b) comparison between samples prepared without and with a Cu filler.
Crystals 15 00373 g012
Table 1. Chemical composition of the Ti6Al4V and Al6082-T6 plates.
Table 1. Chemical composition of the Ti6Al4V and Al6082-T6 plates.
SampleChemical Element, wt%
AlVFeTiSiMnMg
Ti6Al4V5.5–6.53.5–4.50.25bal.
Al6082-T6 bal.0.50.7–1.30.4–1.00.6–1.2
Table 2. Technological conditions of electron beam welding.
Table 2. Technological conditions of electron beam welding.
SampleUb, kVIb, mAv, mm/sd, mmCu Filler
16035100.5
26035100.5+
Table 3. Chemical composition of each point marked on the SEM images in Figure 3.
Table 3. Chemical composition of each point marked on the SEM images in Figure 3.
ElementTi, at.%Al, at.%
Point 1 0.18 ± 0.199.61 ± 4.1
Point 20.44 ± 0.199.27 ± 4.2
Point 30.35 ± 0.199.44 ± 4.4
Point 410.66 ± 1.688.97 ± 3.6
Point 585.97 ± 5.311.38 ± 0.4
Table 4. Chemical composition of each point marked on the SEM images in Figure 4.
Table 4. Chemical composition of each point marked on the SEM images in Figure 4.
ElementTi, at.%Al, at.%Cu, at.%
Point 6 0.13 ± 0.198.77 ± 3.70.84 ± 0.1
Point 70.39 ± 0.198.36 ± 4.31.05 ± 0.1
Point 80.74 ± 0.196.99 ± 4.02.02 ± 0.2
Point 90.78 ± 0.194.3 ± 3.34.26 ± 0.3
Point 101.28 ± 0.289.98 ± 3.18.10 ± 0.6
Point 111.21 ± 0.295.70 ± 2.82.67 ± 0.2
Point 121.36 ± 0.292.46 ± 2.85.71 ± 0.3
Point 1380.71 ± 3.915.47 ± 0.51.72 ± 0.2
Point 1487.80 ± 3.68.79 ± 0.30.70 ± 0.1
Table 5. Shares of the micro-volumes of the Al phase and the change in FWHM of the {111} diffraction maxima of the two samples.
Table 5. Shares of the micro-volumes of the Al phase and the change in FWHM of the {111} diffraction maxima of the two samples.
SampleCu FillerP{hkl},%FWHM, Degrees
P{111}P{100}P{110}P{311}
172.2 ± 0.27.8 ± 0.410.2 ± 0.39.8 ± 0.10.255 ± 0.005
2+46.7 ± 0.314.6 ± 0.118.4 ± 0.320.3 ± 0.20.278 ± 0.003
Disclaimer/Publisher’s Note: The statements, opinions and data contained in all publications are solely those of the individual author(s) and contributor(s) and not of MDPI and/or the editor(s). MDPI and/or the editor(s) disclaim responsibility for any injury to people or property resulting from any ideas, methods, instructions or products referred to in the content.

Share and Cite

MDPI and ACS Style

Kotlarski, G.; Kaisheva, D.; Ormanova, M.; Atanasova, M.; Anchev, A.; Dunchev, V.; Stoyanov, B.; Valkov, S. Electron Beam Welding of Dissimilar Ti6Al4V and Al6082-T6 Alloys Using Magnetron-Sputtered Cu Interlayers. Crystals 2025, 15, 373. https://doi.org/10.3390/cryst15040373

AMA Style

Kotlarski G, Kaisheva D, Ormanova M, Atanasova M, Anchev A, Dunchev V, Stoyanov B, Valkov S. Electron Beam Welding of Dissimilar Ti6Al4V and Al6082-T6 Alloys Using Magnetron-Sputtered Cu Interlayers. Crystals. 2025; 15(4):373. https://doi.org/10.3390/cryst15040373

Chicago/Turabian Style

Kotlarski, Georgi, Darina Kaisheva, Maria Ormanova, Milka Atanasova, Angel Anchev, Vladimir Dunchev, Borislav Stoyanov, and Stefan Valkov. 2025. "Electron Beam Welding of Dissimilar Ti6Al4V and Al6082-T6 Alloys Using Magnetron-Sputtered Cu Interlayers" Crystals 15, no. 4: 373. https://doi.org/10.3390/cryst15040373

APA Style

Kotlarski, G., Kaisheva, D., Ormanova, M., Atanasova, M., Anchev, A., Dunchev, V., Stoyanov, B., & Valkov, S. (2025). Electron Beam Welding of Dissimilar Ti6Al4V and Al6082-T6 Alloys Using Magnetron-Sputtered Cu Interlayers. Crystals, 15(4), 373. https://doi.org/10.3390/cryst15040373

Note that from the first issue of 2016, this journal uses article numbers instead of page numbers. See further details here.

Article Metrics

Back to TopTop