Coke Characterization and Re-Activation Energy Dynamics of Spent FCC Catalyst in the Catalytic Pyrolysis of Polyolefins
Abstract
1. Introduction
2. Results and Discussion
2.1. Effect of Reactant Type on Product Distribution in FCC-Catalyzed Pyrolysis
2.2. Residual Coke Characterization and Activation Energy Analysis
2.2.1. Effect of Gas Atmosphere on the Thermal Behavior of Solid Residues
2.2.2. Influence of Polymer Type on the Thermal Decomposition of Solid Residues
2.2.3. Activation Energy (EA) of Coke Deposited on AXL Catalyst
3. Methodology
3.1. Materials
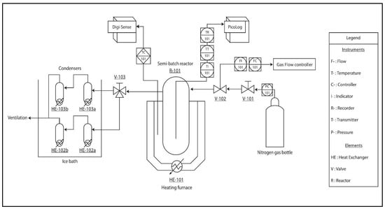
3.2. Semi-Batch Glass Reactor Rig
3.3. Characterization of Coke
3.4. TG Temperature Program
4. Conclusions
Author Contributions
Funding
Data Availability Statement
Conflicts of Interest
Correction Statement
Appendix A






References
- Brydson, J.A. Plastics Materials; Elsevier: Amsterdam, The Netherlands, 1999; ISBN 978-0-08-051408-6. [Google Scholar]
- Hopewell, J.; Dvorak, R.; Kosior, E. Plastics Recycling: Challenges and Opportunities. Philos. Trans. R. Soc. B Biol. Sci. 2009, 364, 2115–2126. [Google Scholar] [CrossRef]
- Thompson, R.C.; Moore, C.J.; vom Saal, F.S.; Swan, S.H. Plastics, the Environment and Human Health: Current Consensus and Future Trends. Philos. Trans. R. Soc. B Biol. Sci. 2009, 364, 2153–2166. [Google Scholar] [CrossRef] [PubMed]
- Geyer, R.; Jambeck, J.R.; Law, K.L. Production, Use, and Fate of All Plastics Ever Made. Sci. Adv. 2017, 3, e1700782. [Google Scholar] [CrossRef] [PubMed]
- Plastics Europe. Plastics—The Facts 2022; Plastics Europe: Brussels, Belgium, 2022; Available online: https://plasticseurope.org/knowledge-hub/plastics-the-facts-2022/ (accessed on 5 September 2025).
- Wang, C.; Liu, Y.; Chen, W.-Q.; Zhu, B.; Qu, S.; Xu, M. Critical Review of Global Plastics Stock and Flow Data. J. Ind. Ecol. 2021, 25, 1300–1317. [Google Scholar] [CrossRef]
- Hossain, R.; Islam, M.T.; Ghose, A.; Sahajwalla, V. Full Circle: Challenges and Prospects for Plastic Waste Management in Australia to Achieve Circular Economy. J. Clean. Prod. 2022, 368, 133127. [Google Scholar] [CrossRef]
- Valerio, O.; Muthuraj, R.; Codou, A. Strategies for Polymer to Polymer Recycling from Waste: Current Trends and Opportunities for Improving the Circular Economy of Polymers in South America. Curr. Opin. Green Sustain. Chem. 2020, 25, 100381. [Google Scholar] [CrossRef]
- Mihai, F.; Gündoğdu, S.; Markley, L.; Olivelli, A.; Khan, F.; Gwinnett, C.; Gutberlet, J.; Reyna, N.; Llanquileo-Melgarejo, P.; Meidiana, C.; et al. Plastic Pollution, Waste Management Issues, and Circular Economy Opportunities in Rural Communities. Sustainability 2021, 14, 20. [Google Scholar] [CrossRef]
- Singh, P.; Sharma, V.P. Integrated Plastic Waste Management: Environmental and Improved Health Approaches. Procedia Environ. Sci. 2016, 35, 692–700. [Google Scholar] [CrossRef]
- Davies, R. What Is a Waste Management Hierarchy?|Axil-IS; Axil Integrated Services: Corby, UK, 2021. [Google Scholar]
- Babayemi, J.O.; Nnorom, I.C.; Osibanjo, O.; Weber, R. Ensuring Sustainability in Plastics Use in Africa: Consumption, Waste Generation, and Projections. Environ. Sci. Eur. 2019, 31, 60. [Google Scholar] [CrossRef]
- Federation, B.P. Plastic Recycling. Available online: https://www.bpf.co.uk/Sustainability/Plastics_Recycling.aspx (accessed on 18 February 2025).
- Dogu, O.; Pelucchi, M.; Van de Vijver, R.; Van Steenberge, P.H.M.; D’hooge, D.R.; Cuoci, A.; Mehl, M.; Frassoldati, A.; Faravelli, T.; Van Geem, K.M. The Chemistry of Chemical Recycling of Solid Plastic Waste via Pyrolysis and Gasification: State-of-the-Art, Challenges, and Future Directions. Prog. Energy Combust. Sci. 2021, 84, 100901. [Google Scholar] [CrossRef]
- Davidson, M.G.; Furlong, R.A.; McManus, M.C. Developments in the Life Cycle Assessment of Chemical Recycling of Plastic Waste—A Review. J. Clean. Prod. 2021, 293, 126163. [Google Scholar] [CrossRef]
- Solis, M.; Silveira, S. Technologies for Chemical Recycling of Household Plastics—A Technical Review and TRL Assessment. Waste Manag. 2020, 105, 128–138. [Google Scholar] [CrossRef]
- Ragaert, K.; Delva, L.; Van Geem, K. Mechanical and Chemical Recycling of Solid Plastic Waste. Waste Manag. 2017, 69, 24–58. [Google Scholar] [CrossRef] [PubMed]
- Sadeghbeigi, R. Chapter 4—FCC Catalysts. In Fluid Catalytic Cracking Handbook, 3rd ed.; Sadeghbeigi, R., Ed.; Butterworth-Heinemann: Oxford, UK, 2012; pp. 87–115. ISBN 978-0-12-386965-4. [Google Scholar]
- Velthoen, M.E.Z.; Lucini Paioni, A.; Teune, I.E.; Baldus, M.; Weckhuysen, B.M. Matrix Effects in a Fluid Catalytic Cracking Catalyst Particle: Influence on Structure, Acidity, and Accessibility. Chemistry 2020, 26, 11995–12009. [Google Scholar] [CrossRef] [PubMed]
- Scherzer, J. Designing FCC Catalysts with High-Silica Y Zeolites. Appl. Catal. 1991, 75, 1–32. [Google Scholar] [CrossRef]
- Ahmad, A.; Ahmed, S.; Siddiqui, M.; Al-Shammari, A. The Investigation of Zeolite to Matrix Ratio Effect on the Performance of FCC Catalysts during Catalytic Cracking of Hydrotreated VGO. Catalysts 2023, 13, 1255. [Google Scholar] [CrossRef]
- Elordi, G.; Olazar, M.; Castaño, P.; Artetxe, M.; Bilbao, J. Polyethylene Cracking on a Spent FCC Catalyst in a Conical Spouted Bed. Ind. Eng. Chem. Res. 2012, 51, 14008–14017. [Google Scholar] [CrossRef]
- Vollmer, I.; Jenks, M.J.F.; Mayorga González, R.; Meirer, F.; Weckhuysen, B.M. Plastic Waste Conversion over a Refinery Waste Catalyst. Angew. Chem. Int. Ed. 2021, 60, 16101–16108. [Google Scholar] [CrossRef]
- Manos, G.; Garforth, A.; Dwyer, J. Catalytic Degradation of High-Density Polyethylene on an Ultrastable-Y Zeolite. Nature of Initial Polymer Reactions, Pattern of Formation of Gas and Liquid Products, and Temperature Effects. Ind. Eng. Chem. Res. 2000, 39, 1203–1208. [Google Scholar] [CrossRef]
- Gobin, K.; Manos, G. Polymer Degradation to Fuels over Microporous Catalysts as a Novel Tertiary Plastic Recycling Method. Polym. Degrad. Stab. 2004, 83, 267–279. [Google Scholar] [CrossRef]
- Manos, G.; Garforth, A.; Dwyer, J. Catalytic Degradation of High-Density Polyethylene over Different Zeolitic Structures. Ind. Eng. Chem. Res. 2000, 39, 1198–1202. [Google Scholar] [CrossRef]
- Manos, G.; Yusof, I.Y.; Papayannakos, N.; Gangas, N.H. Catalytic Cracking of Polyethylene over Clay Catalysts. Comparison with an Ultrastable Y Zeolite. Ind. Eng. Chem. Res. 2001, 40, 2220–2225. [Google Scholar] [CrossRef]
- Kanattukara, B.; Singh, G.; Sarkar, P.; Chopra, A.; Singh, D.; Mondal, S.; Kapur, G.S.; Ramakumar, S. Catalyst-Mediated Pyrolysis of Waste Plastics: Tuning Yield, Composition, and Nature of Pyrolysis Oil. Environ. Sci. Pollut. Res. 2023, 30, 64994–65010. [Google Scholar] [CrossRef]
- Duncan, J. Principles and Applications of Mechanical Thermal Analysis. In Principles and Applications of Thermal Analysis; John Wiley & Sons, Ltd.: Chichester, UK, 2008; pp. 119–163. ISBN 978-0-470-69770-2. [Google Scholar]
- Corma, A.; Martínez, C.; Doskocil, E. Designing MFI-Based Catalysts with Improved Catalyst Life for C3= and C5= Oligomerization to High-Quality Liquid Fuels. J. Catal. 2013, 300, 183–196. [Google Scholar] [CrossRef]
- Wang, B.; Manos, G. A Novel Thermogravimetric Method for Coke Precursor Characterisation. J. Catal. 2007, 250, 121–127. [Google Scholar] [CrossRef]
- Orozco, S.; Artetxe, M.; Lopez, G.; Suarez, M.; Bilbao, J.; Olazar, M. Conversion of HDPE into Value Products by Fast Pyrolysis Using FCC Spent Catalysts in a Fountain Confined Conical Spouted Bed Reactor. ChemSusChem 2021, 14, 4291–4300. [Google Scholar] [CrossRef] [PubMed]
- Akpanudoh, N.S.; Gobin, K.; Manos, G. Catalytic Degradation of Plastic Waste to Liquid Fuel over Commercial Cracking Catalysts: Effect of Polymer to Catalyst Ratio/Acidity Content. J. Mol. Catal. A Chem. 2005, 235, 67–73. [Google Scholar] [CrossRef]
- Olivera, M.; Musso, M.; De León, A.; Volonterio, E.; Amaya, A.; Tancredi, N.; Bussi, J. Catalytic Assessment of Solid Materials for the Pyrolytic Conversion of Low-Density Polyethylene into Fuels. Heliyon 2020, 6, e05080. [Google Scholar] [CrossRef]
- Omar, M.F.; Akil, H.M.; Ahmad, Z.A. Effect of Molecular Structures on Dynamic Compression Properties of Polyethylene. Mater. Sci. Eng. A 2012, 538, 125–134. [Google Scholar] [CrossRef]
- Almeida, D.; de Fátima Marques, M. Thermal and Catalytic Pyrolysis of Plastic Waste. Polímeros 2016, 26, 44–51. [Google Scholar] [CrossRef]
- Irawan, A.; Kurniawan, T.; Nurkholifah, N.; Melina, M.; Nandiyanto, A.; Firdaus, M.; Alwan, H.; Bindar, Y. Pyrolysis of Polyolefins into Chemicals Using Low-Cost Natural Zeolites. Waste Biomass Valorization 2022, 14, 1705–1719. [Google Scholar] [CrossRef]
- Wang, Y.; Yan, N.; Chen, Z. Identification of Coke Species on Fe/USY Catalysts Used for Recycling Polyethylene into Fuels. RSC Adv. 2024, 14, 22056–22062. [Google Scholar] [CrossRef] [PubMed]
- Papuga, S.; Djurdjevic, M.; Ciccioli, A.; Vecchio Ciprioti, S. Catalytic Pyrolysis of Plastic Waste and Molecular Symmetry Effects: A Review. Symmetry 2023, 15, 38. [Google Scholar] [CrossRef]
- Maniscalco, M.; La Paglia, F.; Iannotta, P.; Caputo, G.; Scargiali, F.; Grisafi, F.; Brucato, A. Slow Pyrolysis of an LDPE/PP Mixture: Kinetics and Process Performance. J. Energy Inst. 2021, 96, 234–241. [Google Scholar] [CrossRef]
- Zhao, D.; Wang, X.; Miller, J.; Huber, G. The Chemistry and Kinetics of Polyethylene Pyrolysis: A Process to Produce Fuels and Chemicals. ChemSusChem 2020, 13, 1764–1774. [Google Scholar] [CrossRef]
- Das, P.; Tiwari, P. The Effect of Slow Pyrolysis on the Conversion of Packaging Waste Plastics (PE and PP) into Fuel. Waste Manag. 2018, 79, 615–624. [Google Scholar] [CrossRef]
- Kassargy, C.; Awad, S.; Burnens, G.; Kahine, K.; Tazerout, M. Experimental Study of Catalytic Pyrolysis of Polyethylene and Polypropylene over USY Zeolite and Separation to Gasoline and Diesel-like Fuels. J. Anal. Appl. Pyrolysis 2017, 127, 31–37. [Google Scholar] [CrossRef]
- Bagri, R.; Williams, P.T. Catalytic Pyrolysis of Polyethylene. J. Anal. Appl. Pyrolysis 2002, 63, 29–41. [Google Scholar] [CrossRef]
- Lin, X.; Zhang, Z.; Wang, Q. Evaluation of Zeolite Catalysts on Product Distribution and Synergy during Wood-Plastic Composite Catalytic Pyrolysis. Energy 2019, 189, 116174. [Google Scholar] [CrossRef]
- Rejman, S.; Reverdy, Z.M.; Bör, Z.; Louwen, J.N.; Rieg, C.; Dorresteijn, J.M.; van der Waal, J.-K.; Vogt, E.T.C.; Vollmer, I.; Weckhuysen, B.M. External Acidity as Performance Descriptor in Polyolefin Cracking Using Zeolite-Based Materials. Nat. Commun. 2025, 16, 2980. [Google Scholar] [CrossRef]
- Gobin, K.; Manos, G. Thermogravimetric Study of Polymer Catalytic Degradation over Microporous Materials. Polym. Degrad. Stab. 2004, 86, 225–231. [Google Scholar] [CrossRef]
- Muhammad, I.; Manos, G. Intensification of Co-Pyrolysis of Plastic with Biomass via Pretreatment. Process Saf. Environ. Prot. 2021, 146, 586–598. [Google Scholar] [CrossRef]
- Muhammad, I.; Manos, G. Catalytic Copyrolysis of Heavy Oil with Polypropylene. ACS Sustain. Chem. Eng. 2022, 10, 15824–15837. [Google Scholar] [CrossRef]
- Royo, C.; Ibarra, J.V.; Monzon, A.; Santamaria, J. Regeneration of Coked Catalysts: The Effect of Aging upon the Characteristics of the Coke Deposits. Ind. Eng. Chem. Res. 1994, 33, 2563–2570. [Google Scholar] [CrossRef]
- Kondrasheva, N.K.; Rudko, V.A.; Ancheyta, J. Thermogravimetric Determination of the Kinetics of Petroleum Needle Coke Formation by Decantoil Thermolysis. ACS Omega 2020, 5, 29570–29576. [Google Scholar] [CrossRef]
- Ochoa, A.; Ibarra, Á.; Bilbao, J.; Arandes, J.M.; Castaño, P. Assessment of Thermogravimetric Methods for Calculating Coke Combustion-Regeneration Kinetics of Deactivated Catalyst. Chem. Eng. Sci. 2017, 171, 459–470. [Google Scholar] [CrossRef]
- Luo, S.; He, S.; Li, X.; Li, J.; Bi, W.; Sun, C. Combustion Kinetics of the Coke on Deactivated Dehydrogenation Catalysts. Fuel Process. Technol. 2015, 129, 156–161. [Google Scholar] [CrossRef]
- Dubdub, I.; Al-Yaari, M. Pyrolysis of Low Density Polyethylene: Kinetic Study Using TGA Data and ANN Prediction. Polymers 2020, 12, 891. [Google Scholar] [CrossRef] [PubMed]
- Sinfronio, F.; Santos, J.; Pereira, L.; Souza, A.; Conceição, M.; Fernandes, V., Jr.; Fonseca, V. Kinetic of Thermal Degradation of Low-Density and High-Density Polyethylene by Non-Isothermal Thermogravimetry. J. Therm. Anal. Calorim. 2005, 79, 393–399. [Google Scholar] [CrossRef]
- Al-Shathr, A.; Al-Zaidi, B.Y.; Shehab, A.K.; Shakoor, Z.M.; Aal-Kaeb, S.; Gomez, L.Q.; Majdi, H.S.; Al-Shafei, E.N.; AbdulRazak, A.A.; McGregor, J. Experimental and Kinetic Studies of the Advantages of Coke Accumulation over Beta and Mordenite Catalysts According to the Pore Mouth Catalysis Hypothesis. Catal. Commun. 2023, 181, 106718. [Google Scholar] [CrossRef]
- Goonvean Fibres Ltd. Polypropylene Fibre. Available online: https://goonveanfibres.com/products-services/polypropylene/ (accessed on 5 September 2025).
- Goonvean Fibres Ltd. Polyethylene Fibre & Powder. Available online: https://goonveanfibres.com/products-services/polyethylene/ (accessed on 5 September 2025).
- Federation, B.P. Polyethylene (Low Density) LDPE, LLDPE. Available online: https://www.bpf.co.uk/plastipedia/polymers/LDPE.aspx (accessed on 29 April 2025).
- Digi-Sense TC9600 Benchtop Temperature Controller with USB Output, for Thermocouple, RTD, or Thermistors; 230 VAC from Cole-Parmer United Kingdom. Available online: https://www.coleparmer.co.uk/i/digi-sense-tc9600-benchtop-temperature-controller-with-usb-output-for-thermocouple-rtd-or-thermistors-230-vac/8980014 (accessed on 25 February 2025).
- PicoScope Oscilloscope Software and PicoLog Data Logging Software. Available online: https://www.picotech.com/downloads (accessed on 25 February 2025).
- Ozawa, T. A New Method of Analyzing Thermogravimetric Data. Bull. Chem. Soc. Jpn. 1965, 38, 1881–1886. [Google Scholar] [CrossRef]
- Doyle, C.D. Kinetic Analysis of Thermogravimetric Data. J. Appl. Polym. Sci. 1961, 5, 285–292. [Google Scholar] [CrossRef]
- Aboulkas, A.; El Harfi, K.; El Bouadili, A. Thermal Degradation Behaviors of Polyethylene and Polypropylene. Part I: Pyrolysis Kinetics and Mechanisms. Energy Convers. Manag. 2010, 51, 1363–1369. [Google Scholar] [CrossRef]
- Xu, F.; Wang, B.; Yang, D.; Hao, J.; Qiao, Y.; Tian, Y. Thermal Degradation of Typical Plastics under High Heating Rate Conditions by TG-FTIR: Pyrolysis Behaviors and Kinetic Analysis. Energy Convers. Manag. 2018, 171, 1106–1115. [Google Scholar] [CrossRef]











| Aspect | Soft Coke (Volatile Coke) | Hard Coke (Refractory Coke) |
|---|---|---|
| Definition | loosely bound, thermally labile carbonaceous materials | graphitized, heavily condensed carbon residue |
| Composition | primarily aliphatics and lighter aromatics | highly polyaromatic structures |
| Location on Catalyst | found on both external and internal catalyst surfaces | deeply embedded in catalyst pores and strong acid sites |
| Thermal Stability | low thermal stability | high thermal stability |
| Regeneration and Impact on Catalyst | easily removed under mild oxidative conditions, with minimal structural damage and full recovery of activity | requires severe high-temperature or chemical regeneration, often leading to partial or irreversible catalyst degradation |
| Impact on Catalytic Performance | temporary deactivation; activity can be largely restored | causes long-term or irreversible deactivation by blocking active sites |
| Relevance in Plastic Pyrolysis | essential for optimizing regeneration and maintaining catalyst performance in sustainable recycling | crucial to control for extending catalyst life and ensuring stability in continuous or industrial pyrolysis applications |
Disclaimer/Publisher’s Note: The statements, opinions and data contained in all publications are solely those of the individual author(s) and contributor(s) and not of MDPI and/or the editor(s). MDPI and/or the editor(s) disclaim responsibility for any injury to people or property resulting from any ideas, methods, instructions or products referred to in the content. |
© 2025 by the authors. Licensee MDPI, Basel, Switzerland. This article is an open access article distributed under the terms and conditions of the Creative Commons Attribution (CC BY) license (https://creativecommons.org/licenses/by/4.0/).
Share and Cite
Bahlouli, H.A.; Alghamdi, R.; Manos, G. Coke Characterization and Re-Activation Energy Dynamics of Spent FCC Catalyst in the Catalytic Pyrolysis of Polyolefins. Catalysts 2025, 15, 862. https://doi.org/10.3390/catal15090862
Bahlouli HA, Alghamdi R, Manos G. Coke Characterization and Re-Activation Energy Dynamics of Spent FCC Catalyst in the Catalytic Pyrolysis of Polyolefins. Catalysts. 2025; 15(9):862. https://doi.org/10.3390/catal15090862
Chicago/Turabian StyleBahlouli, Hussam A., Rasha Alghamdi, and George Manos. 2025. "Coke Characterization and Re-Activation Energy Dynamics of Spent FCC Catalyst in the Catalytic Pyrolysis of Polyolefins" Catalysts 15, no. 9: 862. https://doi.org/10.3390/catal15090862
APA StyleBahlouli, H. A., Alghamdi, R., & Manos, G. (2025). Coke Characterization and Re-Activation Energy Dynamics of Spent FCC Catalyst in the Catalytic Pyrolysis of Polyolefins. Catalysts, 15(9), 862. https://doi.org/10.3390/catal15090862

