Metal Foam as Surface-Extended Catalyst Support Structure for Process Intensification in the Dehydrogenation of Perhydro-Dibenzyltoluene on a Pt/Al2O3 Catalyst
Abstract
1. Introduction
2. Results and Discussion
2.1. Catalyst Characterisation
2.2. Catalytic Performance
2.2.1. Effect of Pt/H18DBT Molar Ratio on H18DBT Dehydrogenation Performance
2.2.2. Effect of Reaction Temperature on H18DBT Dehydrogenation Performance
2.2.3. Performance of the Foam-Based FBR
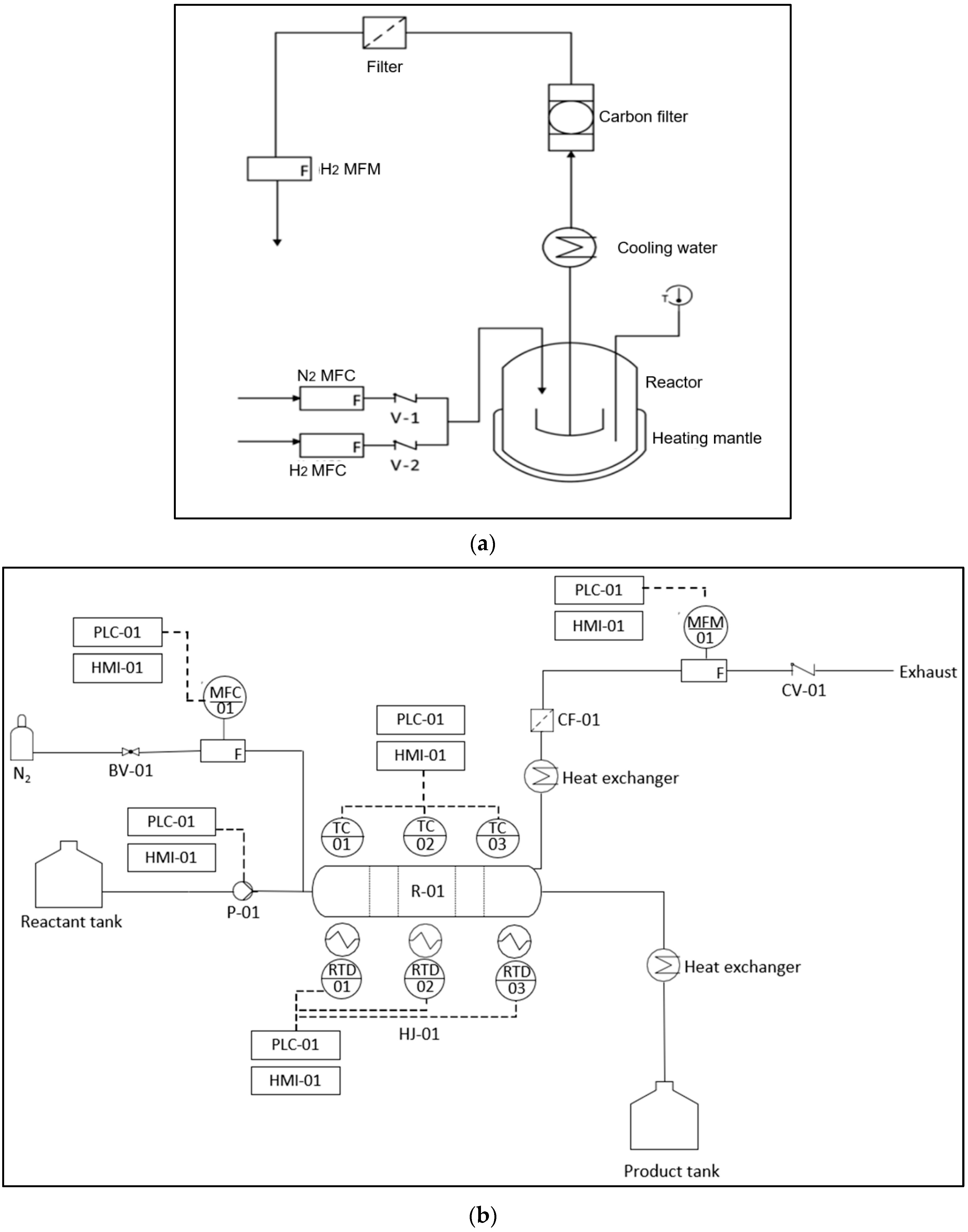
3. Materials and Methods
4. Conclusions
Supplementary Materials
Author Contributions
Funding
Data Availability Statement
Conflicts of Interest
References
- Gordeeva, N.A.; Shesterkina, A.A.; Vikanova, K.V.; Kustov, A.L. Naphthalene and Its Derivatives Hydrogenation for Hydrogen Storage: Comparative Analysis of the Role of Noble and Non-Noble Metal Catalysts—A Review. Int. J. Hydrogen Energy 2024, 69, 113–121. [Google Scholar] [CrossRef]
- Modisha, P.M.; Ouma, C.N.M.; Garidzirai, R.; Wasserscheid, P.; Bessarabov, D. The Prospect of Hydrogen Storage Using Liquid Organic Hydrogen Carriers. Energy Fuels 2019, 33, 2778–2796. [Google Scholar] [CrossRef]
- Ali, A.; Kumar, G.U.; Lee, H.J. Parametric Study of the Hydrogenation of Dibenzyltoluene and Its Dehydrogenation Performance as a Liquid Organic Hydrogen Carrier. J. Mech. Sci. Technol. 2020, 34, 3069–3077. [Google Scholar] [CrossRef]
- Jorschick, H.; Geißelbrecht, M.; Eßl, M.; Preuster, P.; Bösmann, A.; Wasserscheid, P. Benzyltoluene/Dibenzyltoluene-Based Mixtures as Suitable Liquid Organic Hydrogen Carrier Systems for Low Temperature Applications. Int. J. Hydrogen Energy 2020, 45, 14897–14906. [Google Scholar] [CrossRef]
- Kim, C.H.; Lee, M.-W.; Jang, J.S.; Lee, S.H.; Lee, K.-Y. Enhanced Activity of a WOx-Incorporated Pt/Al2O3 Catalyst for the Dehydrogenation of Homocyclic LOHCs: Effects of Impregnation Sequence on Pt–WOx Interactions. Fuel 2022, 313, 122654. [Google Scholar] [CrossRef]
- Yang, Y.; Yao, J.; Wang, H.; Yang, F.; Wu, Z.; Zhang, Z. Study on High Hydrogen Yield for Large-Scale Hydrogen Fuel Storage and Transportation Based on Liquid Organic Hydrogen Carrier Reactor. Fuel 2022, 321, 124095. [Google Scholar] [CrossRef]
- Zheng, J.; Zhou, H.; Wang, C.-G.; Ye, E.; Xu, J.W.; Loh, X.J.; Li, Z. Current Research Progress and Perspectives on Liquid Hydrogen Rich Molecules in Sustainable Hydrogen Storage. Energy Storage Mater. 2021, 35, 695–722. [Google Scholar] [CrossRef]
- Auer, F.; Hupfer, A.; Bösmann, A.; Szesni, N.; Wasserscheidpeter, P. Influence of the Nanoparticle Size on Hydrogen Release and Side Product Formation in Liquid Organic Hydrogen Carrier Systems with Supported Platinum Catalysts. Catal. Sci. Technol. 2020, 10, 6669–6678. [Google Scholar] [CrossRef]
- Bessarabov, D.; Human, G.; Kruger, A.J.; Chiuta, S.; Modisha, P.M.; Du Preez, S.P.; Oelofse, S.P.; Vincent, I.; Van Der Merwe, J.; Langmi, H.W.; et al. South African Hydrogen Infrastructure (HySA Infrastructure) for Fuel Cells and Energy Storage: Overview of a Projects Portfolio. Int. J. Hydrogen Energy 2017, 42, 13568–13588. [Google Scholar] [CrossRef]
- Rüde, T.; Dürr, S.; Preuster, P.; Wolf, M.; Wasserscheid, P. Benzyltoluene/Perhydro Benzyltoluene—Pushing the Performance Limits of Pure Hydrocarbon Liquid Organic Hydrogen Carrier (LOHC) Systems. Sustain. Energy Fuels 2022, 6, 1541–1553. [Google Scholar] [CrossRef]
- Aakko-Saksa, P.T.; Cook, C.; Kiviaho, J.; Repo, T. Liquid Organic Hydrogen Carriers for Transportation and Storing of Renewable Energy—Review and Discussion. J. Power Sources 2018, 396, 803–823. [Google Scholar] [CrossRef]
- Aakko-Saksa, P.T.; Vehkamäki, M.; Kemell, M.; Keskiväli, L.; Simell, P.; Reinikainen, M.; Tapper, U.; Repo, T. Hydrogen Release from Liquid Organic Hydrogen Carriers Catalysed by Platinum on Rutile-Anatase Structured Titania. Chem. Commun. 2020, 56, 1657–1660. [Google Scholar] [CrossRef] [PubMed]
- Garidzirai, R.; Modisha, P.; Bessarabov, D. Assessment of Reaction Kinetics for the Dehydrogenation of Perhydro-Dibenzyltoluene Using Mg- and Zn-Modified Pt/Al2O3 Catalysts. Catalysts 2023, 14, 32. [Google Scholar] [CrossRef]
- Wunsch, A.; Mohr, M.; Pfeifer, P. Intensified LOHC-Dehydrogenation Using Multi-Stage Microstructures and Pd-Based Membranes. Membranes 2018, 8, 112. [Google Scholar] [CrossRef]
- Niermann, M.; Beckendorff, A.; Kaltschmitt, M.; Bonhoff, K. Liquid Organic Hydrogen Carrier (LOHC)—Assessment Based on Chemical and Economic Properties. Int. J. Hydrogen Energy 2019, 44, 6631–6654. [Google Scholar] [CrossRef]
- Lee, S.; Lee, J.; Kim, T.; Han, G.; Lee, J.; Lee, K.; Bae, J. Pt/CeO2 Catalyst Synthesized by Combustion Method for Dehydrogenation of Perhydro-Dibenzyltoluene as Liquid Organic Hydrogen Carrier: Effect of Pore Size and Metal Dispersion. Int. J. Hydrogen Energy 2021, 46, 5520–5529. [Google Scholar] [CrossRef]
- Bollmann, J.; Schmidt, N.; Beck, D.; Preuster, P.; Zigan, L.; Wasserscheid, P.; Will, S. A Path to a Dynamic Hydrogen Storage System Using a Liquid Organic Hydrogen Carrier (LOHC): Burner-Based Direct Heating of the Dehydrogenation Unit. Int. J. Hydrogen Energy 2023, 48, 1011–1023. [Google Scholar] [CrossRef]
- Peters, R.; Deja, R.; Fang, Q.; Nguyen, V.N.; Preuster, P.; Blum, L.; Wasserscheid, P.; Stolten, D. A Solid Oxide Fuel Cell Operating on Liquid Organic Hydrogen Carrier-Based Hydrogen—A Kinetic Model of the Hydrogen Release Unit and System Performance. Int. J. Hydrogen Energy 2019, 44, 13794–13806. [Google Scholar] [CrossRef]
- Ali, A.; Rohini, A.K.; Lee, H.J. Dehydrogenation of Perhydro-Dibenzyltoluene for Hydrogen Production in a Microchannel Reactor. Int. J. Hydrogen Energy 2022, 47, 20905–20914. [Google Scholar] [CrossRef]
- Dürr, S.; Zilm, S.; Geißelbrecht, M.; Müller, K.; Preuster, P.; Bösmann, A.; Wasserscheid, P. Experimental Determination of the Hydrogenation/Dehydrogenation—Equilibrium of the LOHC System H0/H18-Dibenzyltoluene. Int. J. Hydrogen Energy 2021, 46, 32583–32594. [Google Scholar] [CrossRef]
- Modisha, P.; Garidzirai, R.; Güneş, H.; Bozbag, S.E.; Rommel, S.; Uzunlar, E.; Aindow, M.; Erkey, C.; Bessarabov, D. A Promising Catalyst for the Dehydrogenation of Perhydro-Dibenzyltoluene: Pt/Al2O3 Prepared by Supercritical CO2 Deposition. Catalysts 2022, 12, 489. [Google Scholar] [CrossRef]
- Ordóñez, S.; Díaz, E.; Faba, L. Hydrogenation and Dehydrogenation of Liquid Organic Hydrogen Carriers: A New Opportunity for Carbon-Based Catalysts. C 2022, 8, 7. [Google Scholar] [CrossRef]
- Bogdan, T.V.; Kalenchuk, A.N.; Kustov, L.M.; Bogdan, V.I. The Formation of Active Phases in Pt-Containing Catalysts for Bicyclohexyl Dehydrogenation in Hydrogen Storage. Phys. Chem. Chem. Phys. 2023, 25, 690–699. [Google Scholar] [CrossRef] [PubMed]
- Alconada, K.; Barrio, V.L. Evaluation of Bimetallic Pt–Co and Pt–Ni Catalysts in LOHC Dehydrogenation. Int. J. Hydrogen Energy 2024, 51, 243–255. [Google Scholar] [CrossRef]
- Garidzirai, R.; Modisha, P.; Shuro, I.; Visagie, J.; Van Helden, P.; Bessarabov, D. The Effect of Mg and Zn Dopants on Pt/Al2O3 for the Dehydrogenation of Perhydrodibenzyltoluene. Catalysts 2021, 11, 490. [Google Scholar] [CrossRef]
- Shi, L.; Zhou, Y.; Tan, X.; Qi, S.; Smith, K.J.; Yi, C.; Yang, B. The Effects of Alumina Morphology and Pt Electron Property on Reversible Hydrogenation and Dehydrogenation of Dibenzyltoluene as a Liquid Organic Hydrogen Carrier. Int. J. Hydrogen Energy 2022, 47, 4704–4715. [Google Scholar] [CrossRef]
- Makaryan, I.A.; Sedov, I.V. Catalytic Reactors for Dehydrogenation of Liquid Organic Hydrogen Carriers. Russ. J. Appl. Chem. 2021, 94, 1011–1021. [Google Scholar] [CrossRef]
- Solymosi, T.; Auer, F.; Dürr, S.; Preuster, P.; Wasserscheid, P. Catalytically Activated Stainless Steel Plates for the Dehydrogenation of Perhydro Dibenzyltoluene. Int. J. Hydrogen Energy 2021, 46, 34797–34806. [Google Scholar] [CrossRef]
- Peters, W.; Eypasch, M.; Frank, T.; Schwerdtfeger, J.; Körner, C.; Bösmann, A.; Wasserscheid, P. Efficient Hydrogen Release from Perhydro-N-Ethylcarbazole Using Catalyst-Coated Metallic Structures Produced by Selective Electron Beam Melting. Energy Environ. Sci. 2015, 8, 641–649. [Google Scholar] [CrossRef]
- Müller, K.; Skeledzic, T.; Wasserscheid, P. Strategies for Low-Temperature Liquid Organic Hydrogen Carrier Dehydrogenation. Energy Fuels 2021, 35, 10929–10936. [Google Scholar] [CrossRef]
- Groppi, G.; Giani, L.; Tronconi, E. Generalized Correlation for Gas/Solid Mass-Transfer Coefficients in Metallic and Ceramic Foams. Ind. Eng. Chem. Res. 2007, 46, 3955–3958. [Google Scholar] [CrossRef]
- Ochońska-Kryca, J.; Iwaniszyn, M.; Piątek, M.; Jodłowski, P.J.; Thomas, J.; Kołodziej, A.; Łojewska, J. Mass Transport and Kinetics in Structured Steel Foam Reactor with Cu-ZSM-5 Catalyst for SCR of NOx with Ammonia. Catal. Today 2013, 216, 135–141. [Google Scholar] [CrossRef]
- Roy, P.S.; Park, N.-K.; Kim, K. Metal Foam-Supported Pd–Rh Catalyst for Steam Methane Reforming and Its Application to SOFC Fuel Processing. Int. J. Hydrogen Energy 2014, 39, 4299–4310. [Google Scholar] [CrossRef]
- Aguirre, A.; Chandra, V.; Peters, E.A.J.F.; Kuipers, J.A.M.; Neira D’Angelo, M.F. Open-Cell Foams as Catalysts Support: A Systematic Analysis of the Mass Transfer Limitations. Chem. Eng. J. 2020, 393, 124656. [Google Scholar] [CrossRef]
- Chen, H.; Yu, H.; Tang, Y.; Pan, M.; Peng, F.; Wang, H.; Yang, J. Assessment and Optimization of the Mass-Transfer Limitation in a Metal Foam Methanol Microreformer. Appl. Catal. Gen. 2008, 337, 155–162. [Google Scholar] [CrossRef]
- Gancarczyk, A.; Sindera, K.; Iwaniszyn, M.; Piątek, M.; Macek, W.; Jodłowski, P.J.; Wroński, S.; Sitarz, M.; Łojewska, J.; Kołodziej, A. Metal Foams as Novel Catalyst Support in Environmental Processes. Catalysts 2019, 9, 587. [Google Scholar] [CrossRef]
- Voltolina, S.; Marín, P.; Díez, F.V.; Ordóñez, S. Open-Cell Foams as Beds in Multiphase Reactors: Residence Time Distribution and Mass Transfer. Chem. Eng. J. 2017, 316, 323–331. [Google Scholar] [CrossRef]
- Benamara, N.; Assoua, D.; Jaffeux, L.; Vanoye, L.; Simescu-Lazar, F.; Zanota, M.-L.; Bornette, F.; Meille, V.; Pitault, I. A New Concept of Stirred Multiphase Reactor Using a Stationary Catalytic Foam. Processes 2018, 6, 117. [Google Scholar] [CrossRef]
- Leon, M.A.; Tschentscher, R.; Nijhuis, T.A.; Van Der Schaaf, J.; Schouten, J.C. Rotating Foam Stirrer Reactor: Effect of Catalyst Coating Characteristics on Reactor Performance. Ind. Eng. Chem. Res. 2011, 50, 3184–3193. [Google Scholar] [CrossRef]
- Willer, M.; Preuster, P.; Geißelbrecht, M.; Wasserscheid, P. Continuous Dehydrogenation of Perhydro Benzyltoluene and Perhydro Dibenzyltoluene in a Packed Bed Vertical Tubular Reactor—The Role of LOHC Evaporation. Int. J. Hydrogen Energy 2024, 57, 1513–1523. [Google Scholar] [CrossRef]
- Ambrosetti, M.; Bracconi, M.; Maestri, M.; Groppi, G.; Tronconi, E. Packed Foams for the Intensification of Catalytic Processes: Assessment of Packing Efficiency and Pressure Drop Using a Combined Experimental and Numerical Approach. Chem. Eng. J. 2020, 382, 122801. [Google Scholar] [CrossRef]
- Montebelli, A.; Visconti, C.G.; Groppi, G.; Tronconi, E.; Cristiani, C.; Ferreira, C.; Kohler, S. Methods for the Catalytic Activation of Metallic Structured Substrates. Catal. Sci. Technol. 2014, 4, 2846–2870. [Google Scholar] [CrossRef]
- Modisha, P.; Gqogqa, P.; Garidzirai, R.; Ouma, C.N.M.; Bessarabov, D. Evaluation of Catalyst Activity for Release of Hydrogen from Liquid Organic Hydrogen Carriers. Int. J. Hydrogen Energy 2019, 44, 21926–21935. [Google Scholar] [CrossRef]
- Schroeder, E.K.; Dasari, P.; Nadeem, M.A.; Fickel, D.; Christopher, P. Controlled Pretreatment and Reconstruction of a Bimetallic Pt–Ir/Al2O3/ZSM-5 Catalyst for Increased Stability during Butane Hydrogenolysis. ACS Eng. Au 2023, 3, 301–315. [Google Scholar] [CrossRef]
- Newbury, D.E. Mistakes Encountered during Automatic Peak Identification of Minor and Trace Constituents in Electron-excited Energy Dispersive X-ray Microanalysis. Scanning 2009, 31, 91–101. [Google Scholar] [CrossRef]
- Hu, L.; Boateng, K.A.; Hill, J.M. Sol–Gel Synthesis of Pt/Al2O3 Catalysts: Effect of Pt Precursor and Calcination Procedure on Pt Dispersion. J. Mol. Catal. Chem. 2006, 259, 51–60. [Google Scholar] [CrossRef]
- Ivanova, A.S.; Slavinskaya, E.M.; Gulyaev, R.V.; Zaikovskii, V.I.; Stonkus, O.A.; Danilova, I.G.; Plyasova, L.M.; Polukhina, I.A.; Boronin, A.I. Metal–Support Interactions in Pt/Al2O3 and Pd/Al2O3 Catalysts for CO Oxidation. Appl. Catal. B Environ. 2010, 97, 57–71. [Google Scholar] [CrossRef]
- Meephoka, C.; Chaisuk, C.; Samparnpiboon, P.; Praserthdam, P. Effect of Phase Composition between Nano γ- and χ-Al2O3 on Pt/Al2O3 Catalyst in CO Oxidation. Catal. Commun. 2008, 9, 546–550. [Google Scholar] [CrossRef]
- Chetty, R.; Xia, W.; Kundu, S.; Bron, M.; Reinecke, T.; Schuhmann, W.; Muhler, M. Effect of Reduction Temperature on the Preparation and Characterization of Pt–Ru Nanoparticles on Multiwalled Carbon Nanotubes. Langmuir 2009, 25, 3853–3860. [Google Scholar] [CrossRef]
- Yang, H.; Ji, Y.; Shao, Q.; Zhu, W.; Fang, M.; Ma, M.; Liao, F.; Huang, H.; Zhang, Y.; Yang, J.; et al. Metastable-Phase Platinum Oxide for Clarifying the Pt–O Active Site for the Hydrogen Evolution Reaction. Energy Environ. Sci. 2023, 16, 574–583. [Google Scholar] [CrossRef]
- Fratalocchi, L.; Visconti, C.G.; Groppi, G.; Lietti, L.; Tronconi, E. Intensifying Heat Transfer in Fischer-Tropsch Tubular Reactors through the Adoption of Conductive Packed Foams. Chem. Eng. J. 2018, 349, 829–837. [Google Scholar] [CrossRef]
- Modisha, P.; Bessarabov, D. Stress Tolerance Assessment of Dibenzyltoluene-Based Liquid Organic Hydrogen Carriers. Sustain. Energy Fuels 2020, 4, 4662–4670. [Google Scholar] [CrossRef]
- Chen, X.; Gierlich, C.H.; Schötz, S.; Blaumeiser, D.; Bauer, T.; Libuda, J.; Palkovits, R. Hydrogen Production Based on Liquid Organic Hydrogen Carriers through Sulfur Doped Platinum Catalysts Supported on TiO2. ACS Sustain. Chem. Eng. 2021, 9, 6561–6573. [Google Scholar] [CrossRef]
- FEI Company. The Quanta FEG User Operation Manual. 2007. Available online: https://sites.science.oregonstate.edu/~tatej/TateLabWiki/lib/exe/fetch.php?media=electronmicroscopy:quantamanual.pdf (accessed on 2 January 2025).
- Oxford Instruments. AZtecTEM. 2025. Available online: https://nano.oxinst.com/products/aztec/aztectem (accessed on 2 January 2025).
- Rasband, W. ImageJ—Image Processing and Analysis in Java. 2018. Available online: https://imagej.net/ij/download.html (accessed on 2 January 2025).
- Bulgarin, A.; Jorschick, H.; Preuster, P.; Bösmann, A.; Wasserscheid, P. Purity of Hydrogen Released from the Liquid Organic Hydrogen Carrier Compound Perhydro Dibenzyltoluene by Catalytic Dehydrogenation. Int. J. Hydrogen Energy 2020, 45, 712–720. [Google Scholar] [CrossRef]










| Sample | Metal Dispersion (%) | Pt Surface Area (m2/g) | Pt Particle Size (nm) |
|---|---|---|---|
| Pellets | 21 | 51 | 5 |
| Foam | 19 | 46 | 6 |
| Parameters | Values |
|---|---|
| Batch Experiments | |
| Pt/H18DBT ratio (mol.%) | 0.05, 0.1, 0.2, and 0.4 |
| Temperature (°C) | 260–300 (10 °C increments) |
| Catalyst configuration | Pt/Al2O3-coated foams and Pt/Al2O3 pellets |
| Reaction time (min) | 100 |
| Continuous Experiments | |
| Temperature (°C) | 300 |
| Flow rate (mL/min) | 1.3 |
| Coated foam bed length (mm) | ~100 |
Disclaimer/Publisher’s Note: The statements, opinions and data contained in all publications are solely those of the individual author(s) and contributor(s) and not of MDPI and/or the editor(s). MDPI and/or the editor(s) disclaim responsibility for any injury to people or property resulting from any ideas, methods, instructions or products referred to in the content. |
© 2025 by the authors. Licensee MDPI, Basel, Switzerland. This article is an open access article distributed under the terms and conditions of the Creative Commons Attribution (CC BY) license (https://creativecommons.org/licenses/by/4.0/).
Share and Cite
Musavuli, K.C.; Modisha, P.; Everson, R.C.; Malakhov, A.; Bessarabov, D. Metal Foam as Surface-Extended Catalyst Support Structure for Process Intensification in the Dehydrogenation of Perhydro-Dibenzyltoluene on a Pt/Al2O3 Catalyst. Catalysts 2025, 15, 44. https://doi.org/10.3390/catal15010044
Musavuli KC, Modisha P, Everson RC, Malakhov A, Bessarabov D. Metal Foam as Surface-Extended Catalyst Support Structure for Process Intensification in the Dehydrogenation of Perhydro-Dibenzyltoluene on a Pt/Al2O3 Catalyst. Catalysts. 2025; 15(1):44. https://doi.org/10.3390/catal15010044
Chicago/Turabian StyleMusavuli, Kyatsinge Cedric, Phillimon Modisha, Raymond Cecil Everson, Alexander Malakhov, and Dmitri Bessarabov. 2025. "Metal Foam as Surface-Extended Catalyst Support Structure for Process Intensification in the Dehydrogenation of Perhydro-Dibenzyltoluene on a Pt/Al2O3 Catalyst" Catalysts 15, no. 1: 44. https://doi.org/10.3390/catal15010044
APA StyleMusavuli, K. C., Modisha, P., Everson, R. C., Malakhov, A., & Bessarabov, D. (2025). Metal Foam as Surface-Extended Catalyst Support Structure for Process Intensification in the Dehydrogenation of Perhydro-Dibenzyltoluene on a Pt/Al2O3 Catalyst. Catalysts, 15(1), 44. https://doi.org/10.3390/catal15010044

