Design of Silica Nanoparticles-Supported Metal Catalyst by Wet Impregnation with Catalytic Performance for Tuning Carbon Nanotubes Growth
Abstract
:1. Introduction
2. Results
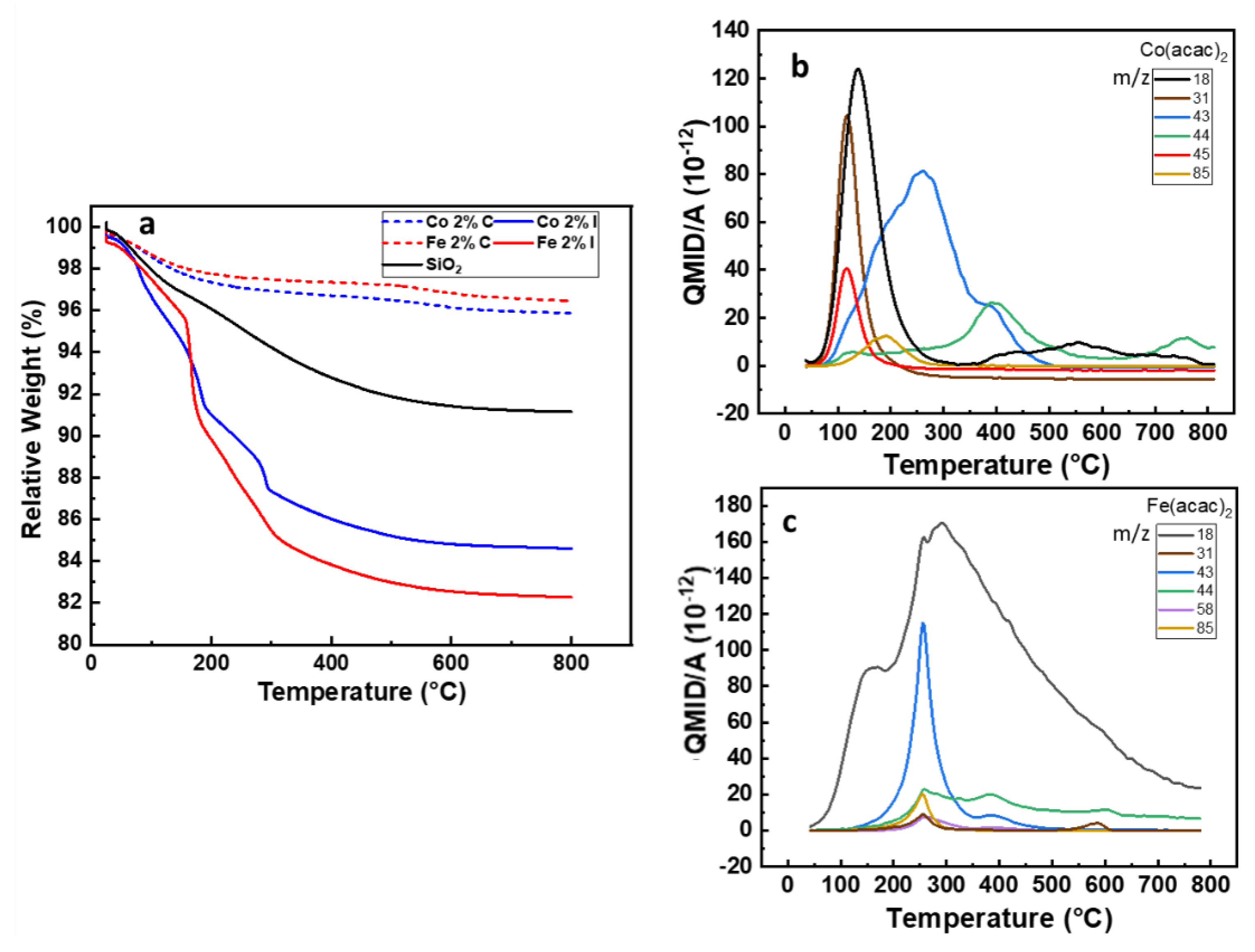
2.1. Impregnation Optimisation
2.2. Calcination Optimisation
2.3. Catalyst Morphology
2.4. CNT Growth
2.5. Sum-Up Discussion
3. Materials and Methods
3.1. Catalyst Preparation
3.2. CNT Growth
3.3. Morphology Characterisation
3.4. Structure and Composition of the Catalyst
4. Conclusions
Supplementary Materials
Author Contributions
Funding
Data Availability Statement
Acknowledgments
Conflicts of Interest
References
- Munnik, P.; de Jongh, P.E.; de Jong, K.P. Recent Developments in the Synthesis of Supported Catalysts. Chem. Rev. 2015, 115, 6687–6718. [Google Scholar] [CrossRef]
- Kanda, Y.; Uemichi, Y.; Kobayashi, T.; Andalaluna, L.; Sugioka, M. Catalytic performance of noble metals supported on Al2O3-modified MCM-41 for thiophene hydrodesulfurization. Stud. Surf. Sci. Catal. 2005, 156, 747–754. [Google Scholar] [CrossRef]
- Ruano Sánchez, D.; Azenha, C.; Mateos-Pedrero, C.; Mendes, A.; Pérez-Dieste, V.; Concepcion, P.; Pabón, B.M. Influence of the ZrO2 Crystalline Phases on the Nature of Active Sites in PdCu/ZrO2 Catalysts for the Methanol Steam Reforming Reaction-An In Situ Spectroscopic Study. Catalysts 2020, 10, 1005. [Google Scholar] [CrossRef]
- Kartusch, C.; Bokhoven, J. Hydrogenation over gold catalysts: The interaction of gold with hydrogen. Gold Bull. 2009, 42, 343–348. [Google Scholar] [CrossRef] [Green Version]
- Dannetun, H.; Lundström, I.; Petersson, L.G. Dehydrogenation of acetylene and ethylene studied on clean and oxygen covered palladium surfaces. Surf. Sci. 1986, 173, 148–159. [Google Scholar] [CrossRef]
- Jin-Xun, L.; Wang, P.; Xu, W.; Hensen, E. Particle Size and Crystal Phase Effects in Fischer-Tropsch Catalysts. Engineering 2017, 3, 467–476. [Google Scholar] [CrossRef]
- Battulga, B.-U.; Bold, T.; Byambajav, E. Effect of Fe and Co promoters on CO methanation activity of nickel catalyst prepared by impregnation–co-precipitation method. Int. J. Chem. React. Eng. 2020, 8, 20200076. [Google Scholar] [CrossRef]
- Shtyka, O.; Ciesielski, R.; Kitsyuk, E.; Savitsky, A.; Maniecki, T. The influence of the size of metal particles on the catalytic activity of Ni and Cu-supported catalysts in methanol reforming reaction. React. Kinet. Mech. Catal. 2019, 129, 219–233. [Google Scholar] [CrossRef] [Green Version]
- Hernández Mejía, C.; van Deelen, T.; De Jong, K. Control of metal-support interactions in heterogeneous catalysts to enhance activity and selectivity. Nat. Catal. 2019, 2, 955–970. [Google Scholar] [CrossRef]
- Wang, X.-D.; Vinodgopal, K.; Dai, G. Synthesis of Carbon Nanotubes by Catalytic Chemical Vapor Deposition. In Perspective of Carbon Nanotubes; IntechOpen: London, UK, 2019. [Google Scholar]
- Fischer, J.E.; Johnson, A.T. Electronic properties of carbon nanotubes. Curr. Opin. Solid State Mater. Sci. 1999, 4, 28–33. [Google Scholar] [CrossRef]
- Yu, M.-F.; Lourie, O.; Dyer, M.; Moloni, K.; Kelly, T.; Ruoff, R. Strength and Breaking Mechanism of Multiwall Carbon Nanotubes under Tensile Load. Science 2000, 287, 637–640. [Google Scholar] [CrossRef] [PubMed] [Green Version]
- Kulik, A.; Kis, A.; Lukic, B.; Lee, K.; Forró, L. Mechanical Properties of Carbon Nanotubes. In Fundamentals of Friction and Wear; Springer: Berlin/Heidelberg, Germany, 2007; pp. 583–600. [Google Scholar]
- Serp, P.; Castillejos, E. Catalysis in Carbon Nanotubes. ChemCatChem 2010, 2, 41–47. [Google Scholar] [CrossRef]
- Zhang, R.; Zhang, Y.; Wei, F. Synthesis and Properties of Ultralong Carbon Nanotubes. In Nanotube Superfiber Materials; Schulz, M.J., Shanov, V.N., Yin, Z., Eds.; William Andrew Publishing: Boston, MA, USA, 2014; pp. 87–136. [Google Scholar]
- Banhart, F. Interactions between metals and carbon nanotubes: At the interface between old and new materials. Nanoscale 2009, 1, 201–213. [Google Scholar] [CrossRef] [PubMed]
- Kumar, M.; Ando, Y. Carbon Nanotube Synthesis and Growth Mechanism. Nanotechnol. Percept. 2010, 6, 7–28. [Google Scholar] [CrossRef]
- Andrews, R.; Jacques, D.; Rao, A.M.; Derbyshire, F.; Qian, D.; Fan, X.; Dickey, E.C.; Chen, J. Continuous production of aligned carbon nanotubes: A step closer to commercial realization. Chem. Phys. Lett. 1999, 303, 467–474. [Google Scholar] [CrossRef]
- Mayya, K.; Lee, S.; Yeo, I.-S.; Chung, U.I.; Moon, J.T. Diameter controlled synthesis of carbon nanotubes by CVD using steric-stabilized nanoparticle catalysts. TechConnect Briefs 2006, 1, 98–101. [Google Scholar]
- Kumar, M.; Ando, Y. Controlling the diameter distribution of carbon nanotubes grown from camphor on a zeolite support. Carbon 2005, 43, 533–540. [Google Scholar] [CrossRef]
- Hata, K.; Futaba, D.; Mizuno, K.; Namai, T.; Yumura, M.; Iijima, S. Water-Assisted Highly Efficient Synthesis of Impurity-Free Single-Walled Carbon Nanotubes. Science 2004, 306, 1362–1364. [Google Scholar] [CrossRef] [Green Version]
- Zhuravlev, L.T. The surface chemistry of amorphous silica. Zhuravlev model. Colloids Surf. 2000, 173, 1–38. [Google Scholar] [CrossRef] [Green Version]
- Shinde, P.; Suryawanshi, P.; Patil, K.; Belekar, V.; Sankpal, S.; Delekar, S.; Jadhav, S. A Brief Overview of Recent Progress in Porous Silica as Catalyst Supports. J. Compos. Sci. 2021, 5, 75. [Google Scholar] [CrossRef]
- Gawande, M.B.; Monga, Y.; Zboril, R.; Sharma, R.K. Silica-decorated magnetic nanocomposites for catalytic applications. Coord. Chem. Rev. 2015, 288, 118–143. [Google Scholar] [CrossRef]
- Qian, K.; Fang, J.; Huang, W.; He, B.; Jiang, Z.; Ma, Y.; Wei, S. Understanding the deposition–precipitation process for the preparation of supported Au catalysts. J. Mol. Catal. A Chem. 2010, 320, 97–105. [Google Scholar] [CrossRef]
- Kaprielova, K.; Ovchinnikov, I.; Yakovina, O.; Lisitsyn, S. Synthesis of Pt/C Catalysts through Reductive Deposition: Ways of Tuning Catalytic Properties. ChemCatChem 2013, 5, 1–11. [Google Scholar] [CrossRef]
- Jia, C.-J.; Schüth, F. Colloidal metal nanoparticles as a component of designed catalyst. Phys. Chem. Chem. Phys. 2011, 13, 2457–2487. [Google Scholar] [CrossRef] [PubMed]
- Alcalá, M.D.; Real, C. Synthesis based on the wet impregnation method and characterization of iron and iron oxide-silica nanocomposites. Solid State Ion. 2006, 177, 955–960. [Google Scholar] [CrossRef]
- Rosynek, M.P.; Polansky, C.A. Effect of cobalt source on the reduction properties of silica-supported cobalt catalysts. Appl. Catal. 1991, 73, 97–112. [Google Scholar] [CrossRef]
- Mehrabadi, B.A.T.; Eskandari, S.; Khan, U.; White, R.; Regalbuto, J. A Review of Preparation Methods for Supported Metal Catalysts. In Advances in Catalysis; Elsevier: Amsterdam, The Netherlands, 2017; Volume 61, pp. 1–35. [Google Scholar]
- Kenvin, J.C.; White, M.G.; Mitchell, M.B. Preparation and characterization of supported mononuclear metal complexes as model catalysts. Langmuir 1991, 7, 1198–1205. [Google Scholar] [CrossRef]
- Zhang, Y.; Li, Y.; Kim, W.; Wang, D.; Dai, H. Imaging as-grown single-walled carbon nanotubes originated from isolated catalytic nanoparticles. Appl. Phys. A 2002, 74, 325–328. [Google Scholar] [CrossRef]
- Ando, Y.; Zhao, X.; Sugai, T.; Kumar, M. Growing carbon nanotubes. Mater. Today Phys. 2004, 7, 22–29. [Google Scholar] [CrossRef]
- Cheung, C.L.; Kurtz, A.; Park, H.; Lieber, C.M. Diameter-Controlled Synthesis of Carbon Nanotubes. J. Phys. Chem. B 2002, 106, 2429–2433. [Google Scholar] [CrossRef]
- Hoyos-Palacio, L.; Garcia, A.; Pérez-Robles, J.F.; González, J.; Martínez, V. Catalytic effect of Fe, Ni, Co and Mo on the CNTs production. In IOP Conference Series: Materials Science and Engineering, Santander, Colombia, 8 October 2011; IOP Publishing: Bristol, UK, 2014; p. 012005. [Google Scholar]
- Dupuis, A.-C. The Catalyst in the CCVD of Carbon Nanotubes. Prog. Mater. Sci. 2005, 50, 929–961. [Google Scholar] [CrossRef]
- Lein, M.; Kelly, C. Choosing the right precursor for thermal decomposition solution-phase synthesis of iron nanoparticles: Tunable dissociation energies of ferrocene derivatives. Phys. Chem. Chem. Phys. 2016, 18. [Google Scholar] [CrossRef]
- Robens, E. Adsorption and Its Applications in Industry and Environmental Protection; Elsevier: Amsterdam, The Netherlands, 1999; Volume 120, pp. 3–1067. [Google Scholar]
- Tsyganova, E.I.; Dyagileva, L.M. The reactivity of metal β-diketonates in the thermal decomposition reaction. Russ. Chem. Rev 1996, 65, 315–328. [Google Scholar] [CrossRef]
- Hoene, J.V.; Charles, R.G.; Hickam, W.M. Thermal Decomposition of Metal Acetylacetonates: Mass Spectrometer Studies. J. Phys. Chem. 1958, 62, 1098–1101. [Google Scholar] [CrossRef]
- Bukhtiyarova, G.; Deliy, I.; Sakaeva, N.; Kaichev, V.; Plyasova, L.; Bukhtiyarov, V. Effect of the calcination temperature on the properties of Fe2O3/SiO2 catalysts for oxidation of hydrogen sulfide. React. Kinet. Catal. Lett. 2007, 92, 89–97. [Google Scholar] [CrossRef]
- Akbarzadeh, O.; Mohd Zabidi, N.; Wahab, Y.; Hamizi, N.; Chowdhury, Z.; Merican, Z.; Marlinda, A.R.; Akhter, S.; Shalauddin, M.; Johan, M. Effects of Cobalt Loading, Particle Size, and Calcination Condition on Co/CNT Catalyst Performance in Fischer-Tropsch Reactions. Symmetry 2018, 11, 7. [Google Scholar] [CrossRef] [Green Version]
- Das, S.; Ashok, J.; Du, Y.; Hidajat, K.; Kawi, S. Highly dispersed nickel catalysts via a facile pyrolysis generated protective carbon layer. Chem. Commun. 2019, 55, 6074. [Google Scholar] [CrossRef] [Green Version]
- Jourdain, V.; Bichara, C. Current understanding of the growth of carbon nanotubes in catalytic chemical vapour deposition. Carbon 2013, 58, 2–39. [Google Scholar] [CrossRef] [Green Version]
- Puskas, I.; Fleisch, T.H.; Full, P.R.; Kaduk, J.A.; Marshall, C.L.; Meyers, B.L. Novel aspects of the physical chemistry of Co/SiO2 Fischer–Tropsch catalyst preparations: The chemistry of cobalt silicate formation during catalyst preparation or hydrogenation. Appl. Catal. A Gen. 2006, 311, 146–154. [Google Scholar] [CrossRef]
- Murakami, T.; Hasebe, Y.; Kisoda, K.; Nishio, K.; Isshiki, T.; Harima, H. Effective catalyst on SiO2 in ethanol CVD for growth of single-walled carbon nanotubes. Diam. Relat. Mater. 2008, 17, 1467–1470. [Google Scholar] [CrossRef]
- Lim, S.; Ciuparu, D.; Chen, Y.; Pfefferle, L.; Haller, G.L. Effect of Co-MCM-41 Conversion to Cobalt Silicate for Catalytic Growth of Single Wall Carbon Nanotubes. J. Phys. Chem. B 2004, 108, 20095–20101. [Google Scholar] [CrossRef]
- de los Arcos, T.; Vonau, F.; Garnier, M.; Thommen, V.; Boyen, H.G.; Oelhafen, P.; Dueggelin, M.; Mathys, D.; Guggenheim, R. Influence of iron-silicon interaction on the growth of carbon nanotubes produced by chemical vapor deposition. Appl. Phys. Lett. 2002, 80, 2383–2385. [Google Scholar] [CrossRef]
- Jung, Y.; Wei, B.; Vajtai, R.; Ajayan, P.; Homma, Y.; Prabhakaran, K.; Ogino, T. Mechanism of Selective Growth of Carbon Nanotubes on SiO2/Si Patterns. Nano Lett. 2003, 3, 561–564. [Google Scholar] [CrossRef]
- Kababji, A.; Joseph, B.; Wolan, J. Silica-Supported Cobalt Catalysts for Fischer–Tropsch Synthesis: Effects of Calcination Temperature and Support Surface Area on Cobalt Silicate Formation. Catal. Lett. 2009, 130, 72–78. [Google Scholar] [CrossRef]
- Zhang, Q.; Chen, C.; Wang, M.; Cai, J.; Xu, J.; Xia, C. Facile preparation of highly-dispersed cobalt-silicon mixed oxide nanosphere and its catalytic application in cyclohexane selective oxidation. Nanoscale Res. Lett. 2011, 6, 586. [Google Scholar] [CrossRef] [PubMed] [Green Version]
- Palasantzas, G.; Vystavel, T.; Koch, S.A.; Hosson, J.D. Coalescence aspects of cobalt nanoparticles during in situ high-temperature annealing. J. Appl. Phys. 2006, 99, 024307. [Google Scholar] [CrossRef] [Green Version]
- Biesinger, M.C.; Payne, B.P.; Grosvenor, A.P.; Lau, L.W.M.; Gerson, A.R.; Smart, R.S.C. Resolving surface chemical states in XPS analysis of first row transition metals, oxides and hydroxides: Cr, Mn, Fe, Co and Ni. Appl. Surf. Sci. 2011, 257, 2717–2730. [Google Scholar] [CrossRef]
- Brundle, C.R.; Chuang, T.J.; Rice, D.W. X-ray photoemission study of the interaction of oxygen and air with clean cobalt surfaces. Surf. Sci. 1976, 60, 286–300. [Google Scholar] [CrossRef]
- Obaidullah, M.; Bahadur, N.; Furusawa, T.; Sato, M.; Sakuma, H.; Suzuki, N. Microwave assisted rapid synthesis of Fe2O3@SiO2 core-shell nanocomposite for the persistence of magnetic property at high temperature. Colloids Surf. 2019, 572. [Google Scholar] [CrossRef]
- Lin, T.-C.; Seshadri, G.; Kelber, J.A. A consistent method for quantitative XPS peak analysis of thin oxide films on clean polycrystalline iron surfaces. Appl. Surf. Sci. 1997, 119, 83–92. [Google Scholar] [CrossRef]
- Bogatyrev, V.M.; Gun’ko, V.M.; Galaburda, M.V.; Borysenko, M.V.; Pokrovskiy, V.A.; Oranska, O.I.; Polshin, E.V.; Korduban, O.M.; Leboda, R.; Skubiszewska-Zięba, J. Synthesis and characterization of Fe2O3/SiO2 nanocomposites. J. Colloid Interface Sci. 2009, 338, 376–388. [Google Scholar] [CrossRef]
- Kuivila, C.S.; Butt, J.B.; Stair, P.C. Characterization of surface species on iron synthesis catalysts by X-ray photoelectron spectroscopy. Appl. Surf. Sci. 1988, 32, 99–121. [Google Scholar] [CrossRef]
- Kerkhof, F.P.J.M.; Moulijn, J.A. Quantitative analysis of XPS intensities for supported catalysts. J. Phys. Chem. 1979, 83, 1612–1619. [Google Scholar] [CrossRef]
- Parvulescu, V. Catalytic Behavior of Metal Active Sites from Modified Mesoporous Silicas in Oxidation of Organic Compounds. In Redox; IntechOpen, Ed.: London, UK, 2019. [Google Scholar]
- Wolf, M.; Gibson, E.K.; Olivier, E.J.; Neethling, J.H.; Catlow, C.R.A.; Fischer, N.; Claeys, M. In-depth characterisation of metal-support compounds in spent Co/SiO2 Fischer-Tropsch model catalysts. Catal. Today 2020, 342, 71–78. [Google Scholar] [CrossRef] [Green Version]
- Li, Y.; Wen, J.; Ali, A.M.; Duan, M.; Zhu, W.; Zhang, H.; Chen, C.; Li, Y. Size Structure—Catalytic Performance Correlation of Supported Ni/MCF-17 Catalysts for COx-free Hydrogen Production. Chem. Commun. 2018, 54. [Google Scholar] [CrossRef]
- Xu, Z.; Ding, F. Catalyst particle size dependent carbon nanotube cloning. Carbon 2021, 175, 69–76. [Google Scholar] [CrossRef]
- Van Deelen, T.; Nijhuis, J.; Krans, N.; Zečević, J.; De Jong, K. Preparation of Cobalt Nanocrystals Supported on Metal Oxides to Study Particle Growth in Fischer-Tropsch Catalysts. ACS Catal. 2018, 8, 10581–10589. [Google Scholar] [CrossRef] [Green Version]
- Mosallanejad, S.; Dlugogorski, B.; Kennedy, E.; Stockenhuber, M. On the Chemistry of Iron Oxide Supported on γ-Alumina and Silica Catalysts. ACS Omega 2018, 3, 5362–5374. [Google Scholar] [CrossRef]
- Lee, C.J.; Lyu, S.C.; Cho, Y.R.; Lee, J.H.; Cho, K.I. Diameter-controlled growth of carbon nanotubes using thermal chemical vapor deposition. Chem. Phys. Lett. 2001, 341, 245–249. [Google Scholar] [CrossRef]
- Moodley, P.; Loos, J.; Niemantsverdriet, H.; Thüne, P.C. Is there a correlation between catalyst particle size and CNT diameter? Carbon 2009, 47, 2002–2013. [Google Scholar] [CrossRef]
- Nasibulin, A.; Pikhitsa, P.; Jiang, H.; Kauppinen, E. Correlation between catalyst particle and single-walled carbon nanotube diameters. Carbon 2005, 43, 2251–2257. [Google Scholar] [CrossRef]
- Dai, H.; Rinzler, A.G.; Nikolaev, P.; Thess, A.; Colbert, D.T.; Smalley, R.E. Single-wall nanotubes produced by metal-catalyzed disproportionation of carbon monoxide. Chem. Phys. Lett. 1996, 260, 471–475. [Google Scholar] [CrossRef]
- Costa, S.; Borowiak-Palen, E.; Kruszynska, M.; Bachmatiuk, A.; Kalenczuk, R. Characterization of carbon nanotubes by Raman spectroscopy. Mater. Sci. Pol. 2008, 26, 433–441. [Google Scholar]
- Liu, L.; Kong, L.B.; Yin, W.; Chen, Y.; Matitsine, S. Microwave Dielectric Properties of Carbon Nanotube Composites. In Carbon Nanotubes; Marulanda, J.M., Ed.; Intechopen: London, UK, 2010. [Google Scholar]
- Kuznetsov, V.; Bokova-Sirosh, S.; Moseenkov, S.I.; Ishchenko, A.; Krasnikov, D.; Kazakova, M.; Romanenko, A.; Tkachev, E. Raman spectra for characterization of defective CVD multi-walled carbon nanotubes. Phys. Status Solidi B Basic Res. 2014, 251. [Google Scholar] [CrossRef]
- Dillon, A.C.; Yudasaka, M.; Dresselhaus, M. Employing Raman Spectroscopy to Qualitatively Evaluate the Purity of Carbon Single-Wall Nanotube Materials. J. Nanosci. Nanotechnol. 2004, 4, 691–703. [Google Scholar] [CrossRef]
- Osswald, S.; Gogotsi, Y. In Situ Raman Spectroscopy of Oxidation of Carbon Nanomaterials. In Raman Spectroscopy for Nanomaterials Characterization; Kumar, C.S.S.R., Ed.; Springer: Berlin/Heidelberg, Germany, 2012; pp. 291–351. [Google Scholar]
- Collins, P. Defects and Disorder in Carbon Nanotubes. In The Oxford Handbook of Nanoscience and Technology; Oxford University Press: Oxford, UK, 2010; Volume 2. [Google Scholar]
- Kürti, J.; Kresse, G.; Kuzmany, H. First-principles calculations of the radial breathing mode of single-wall carbon nanotubes. Phys. Rev. 1998, 58, R8869–R8872. [Google Scholar] [CrossRef]
- Kuzmany, H.; Plank, W.; Hulman, M.; Kramberger, C.; Grüneis, A.; Pichler, T.; Peterlik, H.; Kataura, H.; Achiba, Y. Determination of SWCNT diameters from the Raman response of the radial breathing mode. Condens 2001, 22, 307–320. [Google Scholar] [CrossRef]
- Song, D.; Li, J. Effect of catalyst pore size on the catalytic performance of silica supported cobalt Fischer-Tropsch catalysts. J. Mol. Catal. A Chem. 2006, 247, 206–212. [Google Scholar] [CrossRef]
- Liu, Y.; Kegong, F.; Chen, J.; Sun, Y. Effect of pore size on the performance of mesoporous zirconia-supported cobalt Fischer? Tropsch catalysts. Green Chem. 2007, 9. [Google Scholar] [CrossRef]
- Ghampson, I.T.; Newman, C.; Kong, L.; Pier, E.; Hurley, K.D.; Pollock, R.A.; Walsh, B.R.; Goundie, B.; Wright, J.; Wheeler, M.C.; et al. Effects of pore diameter on particle size, phase, and turnover frequency in mesoporous silica supported cobalt Fischer–Tropsch catalysts. Appl. Catal. A Gen. 2010, 388, 57–67. [Google Scholar] [CrossRef]
- Vm, S.; Mohamed, A.R.; Abdullah, A.Z.; Chai, S.-P. Role of Reaction and Factors of Carbon Nanotubes Growth in Chemical Vapour Decomposition Process Using Methane—A Highlight. J. Nanomater. 2010, 2010, 395191. [Google Scholar] [CrossRef]
- Lin, H.-Y.; Chen, Y.-W. The mechanism of reduction of cobalt by hydrogen. Mater. Chem. Phys. 2004, 85, 171–175. [Google Scholar] [CrossRef]
- Lin, H.-Y.; Chen, Y.-W.; Li, C. The mechanism of reduction of iron oxide by hydrogen. Thermochim. Acta 2003, 400, 61–67. [Google Scholar] [CrossRef]
- Haber, J.; Block, J.H.; Delmon, B. Manual of methods and procedures for catalyst characterization (Technical Report). Pure Appl. Chem. 1995, 67, 1257–1306. [Google Scholar] [CrossRef] [Green Version]
- Shah, K.A.; Tali, B.A. Synthesis of carbon nanotubes by catalytic chemical vapour deposition: A review on carbon sources, catalysts and substrates. Mater. Sci. Semicond. Process. 2016, 41, 67–82. [Google Scholar] [CrossRef]
- Schneider, C.; Rasband, W.; Eliceiri, K. NIH Image to ImageJ: 25 years of image analysis. Nat. Methods 2012, 9, 671–675. [Google Scholar] [CrossRef] [PubMed]
- Niemelä, M.K.; Backman, L.; Krause, A.O.I.; Vaara, T. The activity of the CoSiO2 catalyst in relation to pretreatment. Appl. Catal. A Gen. 1997, 156, 319–334. [Google Scholar] [CrossRef]
- Chin, R.L.; Hercules, D.M. Surface spectroscopic characterization of cobalt-alumina catalysts. J. Phys. Chem. 1982, 86, 360–367. [Google Scholar] [CrossRef]
- Farr, N.G.; Griesser, H.J. XPS excitation dependence of measured cobalt 2p32 peak intensity due to auger peak interference. J. Electron. Spectrosc. Relat. Phenom. 1989, 49, 293–302. [Google Scholar] [CrossRef]







| Sample ID | Weigh Loss (% Mass) | ||
|---|---|---|---|
| Zone 1 25–180 °C | Zone 2 180–450 °C | Zone 3 450–800 °C | |
| Silica 200 MP | 3.5 | 4.1 | 1.1 |
| Fe 2%I | 8.4 | 7.5 | 1.1 |
| Co 2%I | 7.2 | 6.2 | 1.0 |
| Fe 2%C | 1.9 | 0.6 | 0.9 |
| Co 2%C | 2.3 | 0.9 | 0.7 |
| Fe 5%C | 3.6 | 1.4 | 1.1 |
| Co 5%C | 3.6 | 1.4 | 1.0 |
| Sample | Co (wt. %) | Co/Si × 100 |
| Co Impregnated | 2.3 | 18 |
| Co Calcinated | 3.8 | 21 |
| Co Reduced | 1.3 | 4 |
| Sample | Fe (wt. %) | Fe/Si × 100 |
| Fe Impregnated | 2.6 | 9 |
| Fe Calcinated | 2.8 | 10 |
| Fe Reduced | 2.1 | 8 |
| Sample | Co2+% | Co0% | - | - |
| Co Impregnated | 100 | 0 | - | - |
| Co Calcinated | 100 | 0 | - | - |
| Co Reduced | 75 | 25 | - | - |
| Sample | Fe2+% | Fe3+% | Fe3+*% | Fe0% |
| Fe Impregnated | 19 | 33 | 47 | 0 |
| Fe Calcinated | 14 | 27 | 58 | 0 |
| Fe Reduced | 29 | 26 | 40 | 4 |
| Sample | Co 2% | Co 5% | Fe 2% | Fe 5% |
|---|---|---|---|---|
| ID/IG Ratio | 0.03 | 0.01 | 0.04 | 0.09 |
| Sample | RBM Raman Shift (cm−1) | Calculated Diameter (nm) |
|---|---|---|
| Fe 2%/SiO2 | 187; 198 | 1.3; 1.2 |
| Fe 5%/SiO2 | 131; 212 | 1.9; 1.2 |
| Co 2%/SiO2 | 131; 199; 210 | 1.9; 1.2; 1.2 |
| Co 5%/SiO2 | 187; 198 | 1.3; 1.2 |
Publisher’s Note: MDPI stays neutral with regard to jurisdictional claims in published maps and institutional affiliations. |
© 2021 by the authors. Licensee MDPI, Basel, Switzerland. This article is an open access article distributed under the terms and conditions of the Creative Commons Attribution (CC BY) license (https://creativecommons.org/licenses/by/4.0/).
Share and Cite
da Cunha, T.; Maulu, A.; Guillot, J.; Fleming, Y.; Duez, B.; Lenoble, D.; Arl, D. Design of Silica Nanoparticles-Supported Metal Catalyst by Wet Impregnation with Catalytic Performance for Tuning Carbon Nanotubes Growth. Catalysts 2021, 11, 986. https://doi.org/10.3390/catal11080986
da Cunha T, Maulu A, Guillot J, Fleming Y, Duez B, Lenoble D, Arl D. Design of Silica Nanoparticles-Supported Metal Catalyst by Wet Impregnation with Catalytic Performance for Tuning Carbon Nanotubes Growth. Catalysts. 2021; 11(8):986. https://doi.org/10.3390/catal11080986
Chicago/Turabian Styleda Cunha, Tairan, Alberto Maulu, Jérôme Guillot, Yves Fleming, Benoit Duez, Damien Lenoble, and Didier Arl. 2021. "Design of Silica Nanoparticles-Supported Metal Catalyst by Wet Impregnation with Catalytic Performance for Tuning Carbon Nanotubes Growth" Catalysts 11, no. 8: 986. https://doi.org/10.3390/catal11080986
APA Styleda Cunha, T., Maulu, A., Guillot, J., Fleming, Y., Duez, B., Lenoble, D., & Arl, D. (2021). Design of Silica Nanoparticles-Supported Metal Catalyst by Wet Impregnation with Catalytic Performance for Tuning Carbon Nanotubes Growth. Catalysts, 11(8), 986. https://doi.org/10.3390/catal11080986

