Preparation of Hydrophobic Glass Surfaces by Femtosecond Laser
Abstract
1. Introduction
2. Materials and Methods
2.1. Sample Preparation and Cleaning Protocol
2.2. Femtosecond Laser Processing
2.3. Surface Characterization Techniques
2.4. Wettability Assessment
3. Results and Discussion
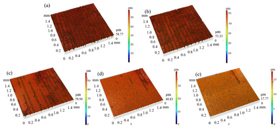
3.1. Surface Morphology and Micro/Nanostructure Analysis
3.1.1. Pristine Surface Morphology
3.1.2. Effect of Laser Frequency on Surface Structures
3.1.3. Effect of Laser Power on Surface Structures
3.1.4. Effect of Scanning Speed on Surface Structures
3.2. Optical Properties and Light Absorption
3.2.1. Laser Frequency and Optical Absorbance
3.2.2. Effect of Laser Power on Optical Behavior
3.2.3. Effect of Scanning Speed on Absorbance
3.3. Wettability and Hydrophobicity Performance
3.3.1. Pristine Surface Wettability
3.3.2. Influence of Laser Frequency on Wettability
3.3.3. Influence of Laser Power on Wettability
3.3.4. Influence of Scanning Speed on Wettability
3.4. XRD, Microstructure, and Sliding Angle
3.4.1. XRD
3.4.2. Microstructure
3.4.3. Sliding Angle
4. Conclusions and Future Work
4.1. Conclusions
- Surface Morphology Evolution:
- 2.
- Optical Absorbance Characteristics:
- 3.
- Wettability Control:
- 4.
- Process–Structure–Property Relationship:
4.2. Future Work
- Achieving Superhydrophobicity (>150° Contact Angle):
- 2.
- Durability and Environmental Stability:
- 3.
- Mechanism Study via Modeling and Simulation:
- 4.
- Multifunctionality and Cross-application Integration:
- 5.
- Alternative Substrates and Broader Material Compatibility:
- 6.
- Scalability and Process Automation:
Supplementary Materials
Author Contributions
Funding
Data Availability Statement
Conflicts of Interest
References
- Garner, S.M.; Lewis, S.C.; Chowdhury, D.Q. Flexible glass and its application for electronic devices. In Proceedings of the 2017 24th International Workshop on Active-Matrix Flatpanel Displays and Devices (AM-FPD), Kyoto, Japan, 4–7 July 2017. [Google Scholar]
- Murugan, K.; Usha, M.; Malathi, P.; Al-Sohaibani, A.S.; Chandrasekaran, M. Biofilm Forming Multi Drug Resistant Staphylococcus spp. Among Patients with Conjunctivitis. Pol. J. Microbiol. 2010, 59, 233. [Google Scholar] [CrossRef]
- Li, H.F.; Zheng, Y.F. Recent advances in bulk metallic glasses for biomedical applications. Acta Biomater. 2016, 36, 1–20. [Google Scholar] [CrossRef] [PubMed]
- Arbab, M.; Finley, J.J. Glass in Architecture. Int. J. Appl. Glass Sci. 2010, 1, 118–129. [Google Scholar] [CrossRef]
- Rajaramakrishna, R.; Kaewkhao, J. Glass material and their advanced applications. KnE Soc. Sci. 2019, 6, 796–807. [Google Scholar] [CrossRef]
- Yao, L.; He, J. Recent progress in antireflection and self-cleaning technology—From surface engineering to functional surfaces. Prog. Mater. Sci. 2014, 61, 94–143. [Google Scholar] [CrossRef]
- Aegerter, M.A.; Almeida, R.; Soutar, A.; Tadanaga, K.; Yang, H.; Watanabe, T. Coatings made by sol–gel and chemical nanotechnology. Sol Gel Prod. News 2018, 47, 203–236. [Google Scholar] [CrossRef]
- Wang, X.; Feng, J.; Bai, Y.; Zhang, Q.; Yin, Y. Synthesis, Properties, and Applications of Hollow Micro-/Nanostructures. Chem. Rev. 2016, 116, 10983–11060. [Google Scholar] [CrossRef] [PubMed]
- Wang, Q.; Xu, S.; Xing, X.; Wang, N. Progress in fabrication and applications of micro/nanostructured superhydrophobic surfaces. Surf. Innov. 2022, 10, 89–110. [Google Scholar] [CrossRef]
- Midtdal, K.; Jelle, B.P. Self-cleaning glazing products: A state-of-the-art review and future research pathways. Sol. Energy Mater. Sol. Cells 2013, 109, 126–141. [Google Scholar] [CrossRef]
- Yu, K.; Shi, H.; Zhang, P.; Yu, Z.; Yan, H.; Lu, Q. Micro/nanoengineering of functionalized metal surfaces based on short/ultra-short-pulsed lasers: A review. J. Mater. Sci. 2024, 59, 1819–1866. [Google Scholar] [CrossRef]
- Stoian, R.; Colombier, J.-P. Advances in ultrafast laser structuring of materials at the nanoscale. Nanophotonics 2020, 9, 4665–4688. [Google Scholar] [CrossRef]
- Wang, G.; Wang, J.; Cheng, K.; Yang, K.; Zhang, W. Nano hierarchical hill-like structure with TA1 surface manufactured by LIPSS for anti-corrosion and anti-icing. J. Mater. Res. Technol. 2025, 35, 3655–3667. [Google Scholar] [CrossRef]
- Gao, J.; Wu, Y.; Zhang, Z.; Zhao, D.; Zhu, H.; Xu, K.; Liu, Y. Transparent laser-structured glasses with super-hydrophilic properties for anti-fogging applications. Opt. Laser Technol. 2022, 149, 107927. [Google Scholar] [CrossRef]
- Wang, J.; Wang, G.; Zhu, Z.; Zhang, W. Study on the Superhydrophobic Properties of Micro/Nano Hole Structure on the Surface of Glass Fiber Reinforced Plastics Based on Femtosecond Laser Etching. Nanomaterials 2025, 15, 287. [Google Scholar] [CrossRef] [PubMed]
- Rai, R.; Ishak, M.; bin Mohd Halil, A.; Quazi, M.M. Preliminary study on laser texturing of glass: Techniques, process parameters, and initial findings. Mater. Lett. 2025, 382, 137878. [Google Scholar] [CrossRef]
- Panda Glass. Available online: https://www.scitechx.com/2024/08/panda-glass.html (accessed on 31 August 2024).
- Ding, H.; Li, L.; Wang, Y. Light trapping effect of femtosecond laser-induced subwavelength structures on transparent materials. Opt. Laser Technol. 2019, 110, 315–322. [Google Scholar]
- Hergert, W.; Wriedt, T. The Mie Theory: Basics and Applications; Springer Series in Optical Sciences: Cham, Switzerland, 2012; Volume 169. [Google Scholar]
- Taboryski, R. Engineering of Wetting Properties for Solid Surfaces; Technical University of Denmark: Lyngby, Denmark, 2020. [Google Scholar]
- Li, L.; Yang, Q. Advanced Coating Materials; Scrivener Publishing LLC: Beverly, MA, USA, 2019; pp. 393–480. [Google Scholar]
- Lin, Y.; Han, J.; Cai, M.; Liu, W.; Luo, X.; Zhang, H.; Zhong, M. Durable and robust transparent superhydrophobic glass surfaces fabricated by a femtosecond laser with exceptional water repellency and thermostability. J. Mater. Chem. A 2018, 6, 9049–9056. [Google Scholar] [CrossRef]
- Wang, W.; Chang, J.; Chen, L.; Weng, D.; Yu, Y.; Hou, Y.; Yu, G.; Wang, J.; Wang, X. A laser-processed micro/nanostructures surface and its photothermal de-icing and self-cleaning performance. J. Colloid Interface Sci. 2024, 655, 307–318. [Google Scholar] [CrossRef] [PubMed]
- Cheng, K.J.; Wang, J.; Wang, G.L.; Yang, K.; Zhang, W.W. Controllable Preparation of Fused Silica Micro Lens Array through Femtosecond Laser Penetration-Induced Modification Assisted Wet Etching. Materials 2024, 17, 4231. [Google Scholar] [CrossRef] [PubMed]



















| Laser Power (W) | 9.60 | 9.75 | 9.90 | 10.05 | 10.20 | 10.35 | 10.50 | 10.65 | 10.80 | 10.95 |
|---|---|---|---|---|---|---|---|---|---|---|
| Scanning speed (mm/s) | 500 | 1000 | 1500 | 2000 | 2500 | 3000 | 3500 | 4000 | 4500 | 5000 |
| Frequency (Hz) | 1000 | 1050 | 1100 | 1150 | 1200 | 1250 | 1300 | 1350 | 1400 | 1450 |
| Element | O | Al | Si |
|---|---|---|---|
| A | 69.37 | 9.47 | 21.16 |
| B | 71.67 | 6.95 | 21.38 |
| C | 65.73 | 6.83 | 27.44 |
| D | 65.84 | 6.79 | 27.37 |
Disclaimer/Publisher’s Note: The statements, opinions and data contained in all publications are solely those of the individual author(s) and contributor(s) and not of MDPI and/or the editor(s). MDPI and/or the editor(s) disclaim responsibility for any injury to people or property resulting from any ideas, methods, instructions or products referred to in the content. |
© 2025 by the authors. Licensee MDPI, Basel, Switzerland. This article is an open access article distributed under the terms and conditions of the Creative Commons Attribution (CC BY) license (https://creativecommons.org/licenses/by/4.0/).
Share and Cite
Peng, X.; Tan, X.; Tan, W.; Huang, J.; Ding, C.; Yang, Y.; Yang, J.; Chen, H.; Guo, L.; Zhang, Q. Preparation of Hydrophobic Glass Surfaces by Femtosecond Laser. Micromachines 2025, 16, 988. https://doi.org/10.3390/mi16090988
Peng X, Tan X, Tan W, Huang J, Ding C, Yang Y, Yang J, Chen H, Guo L, Zhang Q. Preparation of Hydrophobic Glass Surfaces by Femtosecond Laser. Micromachines. 2025; 16(9):988. https://doi.org/10.3390/mi16090988
Chicago/Turabian StylePeng, Xuyun, Xiaojun Tan, Wei Tan, Jian Huang, Chaojun Ding, Yushan Yang, Jieshun Yang, Haitao Chen, Liang Guo, and Qingmao Zhang. 2025. "Preparation of Hydrophobic Glass Surfaces by Femtosecond Laser" Micromachines 16, no. 9: 988. https://doi.org/10.3390/mi16090988
APA StylePeng, X., Tan, X., Tan, W., Huang, J., Ding, C., Yang, Y., Yang, J., Chen, H., Guo, L., & Zhang, Q. (2025). Preparation of Hydrophobic Glass Surfaces by Femtosecond Laser. Micromachines, 16(9), 988. https://doi.org/10.3390/mi16090988

