A State-of-the-Art Review on CMOS Radio Frequency Power Amplifiers for Wireless Communication Systems
Abstract
1. Introduction
2. Performance Metrics of CMOS Power Amplifier
2.1. Output Power
2.2. Efficiency
2.3. Stability
2.4. Intermodulation Distortion
2.5. Adjacent Channel Power Ratio
2.6. Error Vector Magnitude
2.7. Amplitude-to-Amplitude and Amplitude-to-Phase Modulations
3. Efficiency Enhancement Techniques
3.1. On-Chip Transformer Power Amplifier
3.2. Doherty Power Amplifier
3.3. Envelope Tracking Power Amplifier
3.4. Envelope Elimination and Restoration Power Amplifier
3.5. Out-Phasing Power Amplifier
4. Linearity Enhancement Techniques
4.1. Feedback Technique
4.1.1. Cartesian Feedback Technique
4.1.2. Polar Feedback Technique
4.2. Feed-Forward Technique
4.3. Linear Amplification Using Non-Linear Components Technique
4.4. Pre-Distortion Technique
4.4.1. Analog Pre-Distortion Technique
4.4.2. Digital Pre-Distortion Technique
4.5. Adaptive Biasing Technique
5. Bandwidth Enhancement Techniques
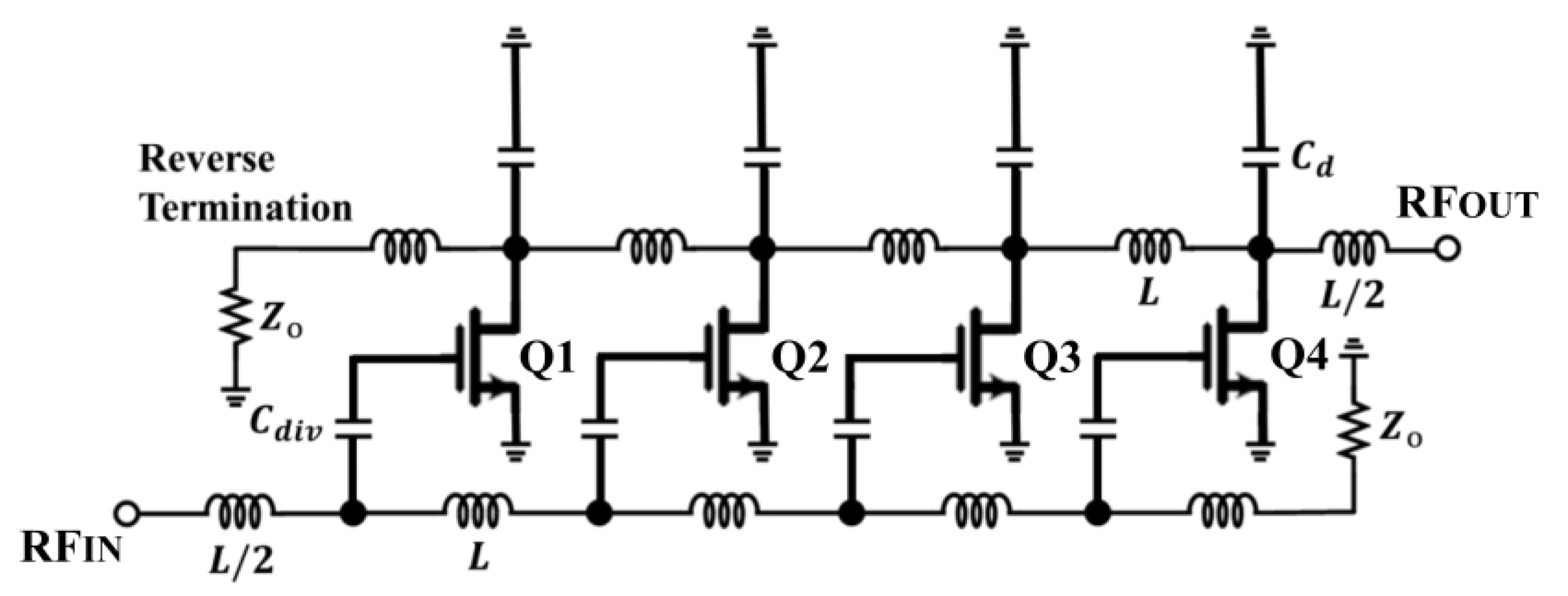
5.1. Distributed Technique
5.2. Cascode Technique
5.3. Shunt Feedback Technique
5.4. Switched Capacitor Technique
6. Conclusions
Author Contributions
Funding
Data Availability Statement
Conflicts of Interest
References
- Ericsson. Ericsson Mobility Report June 2016. 2016. Available online: https://www.ericsson.com/res/docs/2016/ericsson-mobility-report-2016.pdf (accessed on 12 April 2023).
- Lie, D.Y.C. RF-SoC’: Integration trends of on-chip CMOS power amplifier: Benefits of external PA versus integrated PA for portable wireless communications. Int. J. Microw. Sci. Technol. 2010, 380108. [Google Scholar] [CrossRef]
- Bennett, H.S.; Brederlow, R.; Costa, J.C.; Cottrell, P.E.; Huang, W.M.; Immorlica, A.A.; Mueller, J.E.; Racanelli, M.; Shichijo, H.; Weitzal, C.E.; et al. Device and technology evolution for Si-based RF integrated circuits. IEEE Trans. Electron Devices Devices 2005, 52, 1235–1258. [Google Scholar] [CrossRef]
- Larson, L.E. Silicon technology tradeoffs for radio-frequency/mixed-signal ‘systems-on-a-chip’. IEEE Trans. Electron Devices 2003, 50, 683–699. [Google Scholar] [CrossRef]
- Chang, C.S.; Chao, C.P.; Chern, J.G.J.; Sun, J.Y. Advanced CMOS technology portfolio for RF IC applications. IEEE Trans. Electron Devices 2005, 52, 1324–1334. [Google Scholar] [CrossRef]
- Abidi, A.A. RF CMOS comes of age. IEEE J. Solid-State Circuits 2004, 39, 549–561. [Google Scholar] [CrossRef]
- Hajimiri, A. Fully integrated RF CMOS power amplifiers—A prelude to full radio integration. In Proceedings of the 2005 IEEE Radio Frequency Integrated Circuits (RFIC) Symposium—Digest of Papers, Long Beach, CA, USA, 12–14 June 2005; pp. 439–442. [Google Scholar] [CrossRef]
- Hajimiri, A. Next-Generation CMOS RF Power Amplifiers. IEEE Microw. Mag. 2011, 12, 38–45. [Google Scholar] [CrossRef]
- Niknejad, A.A.M.; Chowdhury, D.; Chen, J. Design of CMOS Power Amplifiers. IEEE Trans. Microw. Theory Tech. 2012, 60, 1784–1796. [Google Scholar] [CrossRef]
- Nobbe, D.W. Silicon technology status and perspectives for multi-band and multi-standard challenges in upcoming RF frontends. In Proceedings of the 2008 IEEE Radio and Wireless Symposium, Orlando, FL, USA, 22–24 January 2008; pp. 191–194. [Google Scholar] [CrossRef]
- Kang, D.; Park, B.; Kim, D.; Kim, J.; Cho, Y.; Kim, B. Envelope-Tracking CMOS Power Amplifier Module for LTE Applications. IEEE Trans. Microw. Theory Tech. 2013, 61, 3763–3773. [Google Scholar] [CrossRef]
- Mariappan, S.; Rajendran, J.; Noh, N.M.; Ramiah, H. A 29dBm OIP3 Dual-Stage Power Amplifier with Analog Pre-Distorter in 0.18µm CMOS for IoT Transceiver. IETE J. Res. 2019, 68, 2298–2304. [Google Scholar] [CrossRef]
- Mariappan, S.; Rajendran, J.; Noh, N.M.; Ramiah, H. Low voltage CMOS power amplifier with integrated analog Pre-Distorter for BLE 4.0 application. Indonesian J. Electr. Eng. Comput. 2019, 14, 895–902. [Google Scholar] [CrossRef]
- Mariappan, S.; Rajendran, J.; Noh, N.M.; Ramiah, H.; Manaf, A.A. Energy efficiency in CMOS power amplifier designs for ultra-low power mobile wireless communication systems. Turk. J. Electr. Eng. Comput. Sci. 2020, 28, 1–16. [Google Scholar] [CrossRef]
- Mariappan, S.; Rajendran, J.; Noh, N.M.; Ramiah, H.; Manaf, A.A. The Evolution of Integrated CMOS Power Amplifiers for Next Generation Mobile Wireless Transceivers. J. Circuits Syst. Comput 2019, 29, 2030007. [Google Scholar] [CrossRef]
- Johansson, T.; Fritzin, J. A Review of Watt-Level CMOS RF Power Amplifiers. IEEE Trans. Microw. Theory Tech. 2014, 62, 111–124. [Google Scholar] [CrossRef]
- Eswaran, U.; Ramiah, H.; Kanesan, J.; Reza, A.W. Energy saving power amplifier design methodologies for mobile wireless communications. Renew. Sustain. Energy Rev. 2015, 51, 1721–1727. [Google Scholar] [CrossRef]
- Gunasegaran, P.; Rajendran, J.; Mariappan, S.; Yusof, Y.M.; Aziz, Z.A.A.; Kumar, N. A fully matched dual stage CMOS power amplifier with integrated passive linearizer attaining 23 dB gain, 40% PAE and 28 dBm OIP3. Microelectron. Int. 2021, 38, 66–77. [Google Scholar] [CrossRef]
- Sapawi, R.; Mohamad, D.H.A.; Yusuf, D.S.A.A.; Sahari, S.K.; Salleh, D.N.S.D.A.; Hazis, N.A.H.A.; Murad, S.A.Z. CMOS Power Amplifier Design Techniques for UWB Communication: A Review. J. Telecommun. Electron. Comput. Eng. 2017, 9, 1–8. [Google Scholar]
- Yin, Y.; Chi, B.; Xia, Z.; Wang, Z. A Reconfigurable Dual-Mode CMOS Power Amplifier with Integrated T/R Switch for 0.1–1.5 GHz Multistandard Applications. IEEE Trans. Circuits Syst. II Express Briefs 2014, 61, 471–475. [Google Scholar] [CrossRef]
- Shim, S.; Han, J.; Hong, S. A CMOS RF Polar Transmitter of a UHF Mobile RFID Reader for High Power Efficiency. IEEE Microw. Wirel. Compon. Lett. 2008, 18, 635–637. [Google Scholar] [CrossRef]
- Quinlan, P.; Crowley, P.; Chanca, M.; Hudson, S.; Hunt, B.; Mulvaney, K.; Reta, G.; O’Sullivan, C.E.; Walsh, P. A multimode 0.3–200-kb/s transceiver for the 433/868/915-MHz bands in 0.25-μm CMOS. IEEE J. Solid-State Circuits 2004, 39, 2297–2310. [Google Scholar] [CrossRef]
- Osseiran, A.; Monserrat, J.F.; Marsch, P. 5G Mobile and Wireless Communications Technology; Cambridge University Press: Cambridge, UK, 2016. [Google Scholar]
- Walsh, K.; Johnson, J. 3G/4G Multimode Cellular Front-End Challenges; Impact on Power Amplifier Design. Microw. J. 2009, 3, 56–68. [Google Scholar]
- Specification of the Bluetooth System—’Bluetooth Specification Version 2.0 + EDR’; 2004; Volume 3, p. 31. Available online: https://www.bluetooth.com/specifications/specs/core-specification-2-0-edr/ (accessed on 28 July 2023).
- Miller, M. Discovering Bluetooth; SYBEX: Alameda, CA, USA, 2001. [Google Scholar]
- Skaria, G. Class F and Inverse Class F Power Amplifier Subject to Electrical Stress Effect. Master’s Thesis, University of Central Florida, Orlando, FL, USA, 2011. [Google Scholar]
- Anakabe, A.; Ayllón, N.; Collantes, J.M.; Mallet, A.; Soubercaze-Pun, G.; Narendra, K. Automatic pole-zero identification for multivariable large-signal stability analysis of RF and microwave circuits. In Proceedings of the 40th European Microwave Conference, Paris, France, 28–30 September 2010; pp. 477–480. [Google Scholar]
- Dellier, S.; Gourseyrol, R.; Soubercaze-Pun, G.; Collantes, J.; Anakabe, A.; Narendra, K. Stability analysis of microwave circuits. In Proceedings of the WAMICON 2012 IEEE Wireless & Microwave Technology Conference, Cocoa Beach, FL, USA, 15–17 April 2012; pp. 1–5. [Google Scholar]
- Narendra, K.; Limiti, E.; Paoloni, C.; Collantes, J.; Jansen, R.; Yarman, S. Vectorially Combined Distributed Power Amplifiers for Software-Defined Radio Applications. IEEE Trans. Microwave Theory Tech. 2012, 60, 3189–3200. [Google Scholar] [CrossRef]
- Imbornone, J.F.; Murphy, M.T.; Donahue, R.S.; Heaney, E. New insight into subharmonic oscillation mode of GaAs power amplifiers under severe output mismatch condition. IEEE J. Solid-State Circuits 1997, 32, 1319–1325. [Google Scholar] [CrossRef]
- Qiao, D.; Zhao, Y.; Hung, T.; Kimball, D.; Li, M.; Asbeck, P.; Choi, D.; Kelly, D. Antenna impedance mismatch measurement and correction for adaptive CDMA transceivers. In Proceedings of the IEEE MTT-S International Microwave Symposium Digest, Long Beach, CA, USA, 17 June 2005. [Google Scholar]
- Van Bezooijen, A.; Chanlo, C.; Van Roermund, A.H.M. Adaptively preserving power amplifier linearity under antenna mismatch. In Proceedings of the 2004 IEEE MTT-S International Microwave Symposium Digest (IEEE Cat. No. 04CH37535), Fort Worth, TX, USA, 6–11 June 2004; Volume 3, pp. 1515–1518. [Google Scholar]
- Keerti, A.; Pham, A.H. RF Characterization of SiGe HBT Power Amplifiers Under Load Mismatch. IEEE Trans. Microw. Theory Tech. 2007, 55, 207–214. [Google Scholar] [CrossRef]
- Karoui, W.; Parra, T. A protection circuit for HBT RF Power Amplifier under load mismatch conditions. In Proceedings of the 2008 Joint 6th International IEEE Northeast Workshop on Circuits and Systems and TAISA Conference, Montreal, QC, Canada, 22–25 June 2008; pp. 241–244. [Google Scholar] [CrossRef]
- Suárez, A.; Ramírez, F.; Sancho, S. Stability Analysis of Power Amplifiers Under Output Mismatch Effects. IEEE Trans. Microw. Theory Tech. 2014, 62, 2273–2289. [Google Scholar] [CrossRef]
- De Vreede, L.C.N.; van der Heijden, M.P. Linearization Techniques at the Device and Circuit Level (Invited). In Proceedings of the 2006 Bipolar/BiCMOS Circuits and Technology Meeting, Maastricht, The Netherlands, 8–10 October 2006; pp. 1–8. [Google Scholar]
- Texas Instrument. Intermodulation Distortion (IMD). Available online: http://www.ti.com (accessed on 16 May 2023).
- Aitchison, C.S.; Mbabele, M. Third Order Intermodulation Improvement in Distributed Amplifiers. In Proceedings of the 31st European Microwave Conference, London, UK, 24–28 September 2001; pp. 1–4. [Google Scholar] [CrossRef]
- Minasian, R.A. Intermodulation Distortion Analysis of MESFET Amplifiers Using the Volterra Series Representation. IEEE Trans. Microw. Theory Tech. 1980, 28, 1–8. [Google Scholar] [CrossRef]
- Asbeck, P. Linearisation of RF Power Amplifiers. Ph.D. Thesis, Nokia Mobile Phones and Department of Information Technology, Technical University of Denmark, Lyngby, Denmark, 2001. [Google Scholar]
- Aslan, M.P. Adaptive Digital Predistortion for Power Amplifier Linearization. Master’s Thesis, The Institute of Engineering and Science of Bilkent University, Ankara, Turkey, 2008. [Google Scholar]
- El-Khatib, Z. Highly-Linearized CMOS Distributed Bidirectional Amplifier with Cross-Coupled Compensator for Wireless Communications. Ph.D. Thesis, Ottawa-Carleton Institute for Electrical Engineering, Carleton University, Ottawa, ON, Canada, 2012. [Google Scholar]
- Liu, C.; Xiao, H.; Wu, Q.; Li, F. Spectrum design of RF power amplifier for wireless communication systems. IEEE Trans. Consum. Electron 2002, 48, 72–80. [Google Scholar] [CrossRef]
- Boulejfen, N.; Harguem, A.; Hammi, O.; Ghannouchi, F.M.; Gharsallah, A. Analytical prediction of spectral regrowth and correlated and uncorrelated distortion in multicarrier wireless transmitters exhibiting memory effects. IET Microw. Antennas Propag. 2010, 4, 685–696. [Google Scholar] [CrossRef]
- Zhou, G.T.; Kenney, J.S. Predicting spectral regrowth of nonlinear power amplifiers. IEEE Trans. Commun. 2002, 50, 718–722. [Google Scholar] [CrossRef]
- Nader, C.; Händel, P.; Björsell, N. Peak-to-Average Power Reduction of OFDM Signals by Convex Optimization: Experimental Validation and Performance Optimization. IEEE Trans. Instrum. Meas. 2011, 60, 473–479. [Google Scholar] [CrossRef]
- Ciccognani, W.; Colantonio, P.; Giannini, F.; Limiti, E.; Rossi, M. AM/AM and AM/PM power amplifier characterisation technique. In Proceedings of the 15th International Conference on Microwaves, Radar and Wireless Communications, Warsaw, Poland, 17–19 May 2004; pp. 678–681. [Google Scholar]
- Katz, A. Linearization: Reducing distortion in power amplifiers. IEEE Microw. Mag. 2001, 2, 37–49. [Google Scholar] [CrossRef]
- An, K.H.; Lee, O.; Kim, H.; Lee, D.H.; Han, J.; Yang, K.S.; Kim, Y.; Chang, J.J.; Woo, W.; Lee, C.-H. Power-Combining Transformer Techniques for Fully-Integrated CMOS Power Amplifiers. IEEE J. Solid-State Circuits 2008, 43, 1064–1075. [Google Scholar] [CrossRef]
- Haldi, P.; Chowdhury, D.; Reynaert, P.; Liu, G.; Niknejad, A.M. A 5.8 GHz 1 V Linear Power Amplifier Using a Novel On-Chip Transformer Power Combiner in Standard 90 nm CMOS. IEEE J. Solid-State Circuits 2008, 43, 1054–1063. [Google Scholar] [CrossRef]
- Chowdhury, D.; Hull, C.D.; Degani, O.B.; Wang, Y.; Niknejad, A.M. A Fully Integrated Dual-Mode Highly Linear 2.4 GHz CMOS Power Amplifier for 4G WiMax Applications. IEEE J. Solid-State Circuits 2009, 44, 3393–3402. [Google Scholar] [CrossRef]
- Aoki, I.; Kee, S.D.; Rutledge, D.; Hajimiri, A. A 2.4-GHz, 2.2-W, 2-V fully-integrated CMOS circular-geometry active-transformer power amplifier. In Proceedings of the IEEE 2001 Custom Integrated Circuits Conference, San Diego, CA, USA, 9 May 2001; pp. 57–60. [Google Scholar] [CrossRef]
- Aoki, I.; Kee, S.D.; Rutledge, D.B.; Hajimiri, A. Distributed active transformer-a new power-combining and impedance-transformation technique. IEEE Trans. Microw. Theory Tech 2002, 50, 316–331. [Google Scholar] [CrossRef]
- Javidan, J.; Atarodi, M.; Luong, H.C. High Power Amplifier Based on a Transformer-Type Power Combiner in CMOS Technology. IEEE Trans. Circuits Syst. II 2010, 57, 838–842. [Google Scholar] [CrossRef]
- Liu, G.; Liu, T.K.; Niknejad, A.M. A 1.2V, 2.4 GHz Fully Integrated Linear CMOS Power Amplifier with Efficiency Enhancement. In Proceedings of the IEEE Custom Integrated Circuits Conference 2006, San Jose, CA, USA, 10–13 September 2006; pp. 141–144. [Google Scholar] [CrossRef]
- Liu, G.; Haldi, P.; Liu TJ, K.; Niknejad, A.M. Fully Integrated CMOS Power Amplifier with Efficiency Enhancement at Power Back-Off. IEEE J. Solid-State Circuits 2008, 43, 600–609. [Google Scholar] [CrossRef]
- Afsahi, A.; Larson, L.E. An integrated 33.5 dBm linear 2.4 GHz power amplifier in 65nm CMOS for WLAN applications. In Proceedings of the IEEE Custom Integrated Circuits Conference 2010, San Jose, CA, USA, 19–22 September 2010; pp. 1–4. [Google Scholar] [CrossRef]
- An, K.H.; Kim, Y.; Lee, O.; Yang, K.S.; Kim, H.; Woo, W.; Chang, J.J.; Lee, C.-H.; Kim, H.; Laskar, J. A Monolithic Voltage-Boosting Parallel-Primary Transformer Structures for Fully Integrated CMOS Power Amplifier Design. In Proceedings of the 2007 IEEE Radio Frequency Integrated Circuits (RFIC) Symposium, Honolulu, HI, USA, 3–5 June 2007; pp. 419–422. [Google Scholar] [CrossRef]
- Belabad, A.R.; Masoumi, N.; Ashtiani, S.J. A fully integrated 2.4 GHz CMOS high power amplifier using parallel class A & B power amplifier and power-combining transformer for WiMAX application. Int. J. Electron. Commun. 2013, 67, 1030–1037. [Google Scholar] [CrossRef]
- Ahn, H.; Baek, S.; Nam, I.; An, D.; Lee, J.K.; Jeong, M.; Kim, B.-E.; Choi, J.; Lee, O. A Fully Integrated Dual-Mode CMOS Power Amplifier with an Autotransformer-Based Parallel Combining Transformer. IEEE Microw. Wirel. Compon. Lett. 2017, 27, 833–835. [Google Scholar] [CrossRef]
- Tsai, J.H. Design of a 5.2-GHz CMOS Power Amplifier Using TF-Based 2-Stage Dual-Radial Power Splitting/Combining Architecture. IEEE Trans. Circuits Syst. I Regul. Pap. 2019, 7, 68. [Google Scholar] [CrossRef]
- Tsai, J.-H. Design of a 5.3-GHz 31.3-dBm Fully Integrated CMOS Power Amplifier Using Folded Splitting and Combining Architecture. IEEE Trans. Very Large Scale Integr. Syst. 2019, 27, 1527–1536. [Google Scholar] [CrossRef]
- Choi, H.-W.; Choi, S.; Lim, J.T.; Kim, C.Y. 1-W, High-Gain, High-Efficiency, and Compact Sub-GHz Linear Power Amplifier Employing a 1:1 Transformer Balun in 180-nm CMOS. IEEE Microw. Wirel. Compon. Lett. 2020, 30, 779–781. [Google Scholar] [CrossRef]
- Wang, T.; Qian, H.J.; Yang, B.; Luo, X. 1.2–2.8-GHz 32.4-dBm Digital Power Amplifier with Balance-Compensated Matching Network. IEEE Microw. Wirel. Compon. Lett. 2021, 31, 41–44. [Google Scholar] [CrossRef]
- Yang, B.; Qian, H.J.; Luo, X. Quadrature Switched/Floated Capacitor Power Amplifier with Reconfigurable Self-Coupling Canceling Transformer for Deep Back-Off Efficiency Enhancement. IEEE J. Solid-State Circuits 2021, 56, 3715–3727. [Google Scholar] [CrossRef]
- Yang, B.; Qian, H.J.; Wang, T.; Luo, X. A CMOS Wideband Watt-Level 4096-QAM Digital Power Amplifier Using Reconfigurable Power-Combining Transformer. IEEE J. Solid-State Circuits 2023, 58, 357–370. [Google Scholar] [CrossRef]
- Doherty, W.H. A New High Efficiency Power Amplifier for Modulated Waves. Proc. Inst. Radio Eng. 1936, 24, 1163–1182. [Google Scholar] [CrossRef]
- Vasjanov, A.; Barzdenas, V. Comparison of CMOS Power Amplifier Topologies for a Wideband Doherty Architecture. In Proceedings of the 2017 Open Conference of Electrical, Electronic and Information Sciences (eStream), Vilnius, Lithuania, 27 April 2017; pp. 1–4. [Google Scholar] [CrossRef]
- Eswaran, U.; Ramiah, H.; Kanesan, J. Power Amplifier Design Methodologies for Next Generation Wireless Communications. IETE Tech. Rev. 2014, 31, 241–248. [Google Scholar] [CrossRef]
- Camarchia, V.; Pirola, M.; Quaglia, R.; Jee, S.; Cho, Y.; Kim, B. The Doherty Power Amplifier: Review of Recent Solutions and Trends. IEEE Trans. Microw. Theory Tech. 2015, 63, 559–571. [Google Scholar] [CrossRef]
- Deltimple, N.; Carneiro, M.L.; Kerhervé, E.; Carvalho, P.H.P.; Belot, D. Integrated Doherty RF CMOS Power Amplifier Design for Average Efficiency Enhancement. In Proceedings of the 2015 IEEE International Wireless Symposium (IWS 2015), Shenzhen, China, 30 March–1 April 2015; pp. 1–4. [Google Scholar] [CrossRef]
- Hu, S.; Kousai, S.; Wang, H. A Broadband Mixed-Signal CMOS Power Amplifier with a Hybrid Class-G Doherty Efficiency Enhancement Technique. IEEE J. Solid-State Circuits 2016, 51, 598–613. [Google Scholar] [CrossRef]
- Kaymaksut, E.; Reynaert, P. Dual-Mode CMOS Doherty LTE Power Amplifier with Symmetric Hybrid Transformer. IEEE J. Solid-State Circuits 2015, 50, 1974–1987. [Google Scholar] [CrossRef]
- Aoki, I.; Kee, S.D.; Rutledge, D.B.; Hajimiri, A. Fully integrated CMOS power amplifier design using the distributed active-transformer architecture. IEEE J. Solid-State Circuits 2002, 37, 371–383. [Google Scholar] [CrossRef]
- Kaymaksut, E.; Reynaert, P. Transformer-Based Uneven Doherty Power Amplifier in 90 nm CMOS for WLAN Applications. IEEE J. Solid-State Circuits 2012, 47, 1659–1671. [Google Scholar] [CrossRef]
- Levy, C.S.; Vorapipat, V.; Buckwalter, J.F. A 14-GHz, 22-dBm Series Doherty Power Amplifier in 45-nm CMOS SOI. In Proceedings of the 2016 IEEE Compound Semiconductor Integrated Circuit Symposium (CSICS), Austin, TX, USA, 23–26 October 2016; pp. 1–4. [Google Scholar] [CrossRef]
- Traiche, S.; Slimane, A. 3 GHz CMOS Doherty power amplifier for high efficiency. In Proceedings of the 2017 Seminar on Detection Systems Architectures and Technologies (DAT), Algiers, Algeria, 20–22 February 2017; pp. 1–4. [Google Scholar] [CrossRef]
- Jung, H.; Zhao, J.; Wang, H. A CMOS Highly Linear Doherty Power Amplifier with Multigated Transistors. IEEE Trans. Microw. Theory Tech. 2019, 67, 1883–1891. [Google Scholar] [CrossRef]
- Yin, Y.; Li, T.; Xiong, L.; Li, Y.; Min, H.; Yan, N.; Xu, H. A Broadband Switched-Transformer Digital Power Amplifier for Deep Back-Off Efficiency Enhancement. IEEE J. Solid-State Circuits 2020, 55, 2997–3008. [Google Scholar] [CrossRef]
- Asbeck, P.; Popovic, Z. ET Comes of Age: Envelope Tracking for Higher-Efficiency Power Amplifiers. IEEE Microw. Mag. 2016, 17, 16–25. [Google Scholar] [CrossRef]
- Kim, B.; Kim, J.; Kim, D.; Son, J.; Cho, Y.; Kim, J.; Park, B. Push the Envelope: Design Concepts for Envelope-Tracking Power Amplifiers. IEEE Microw. Mag. 2013, 14, 68–81. [Google Scholar] [CrossRef]
- Ruan, X.; Wang, Y.; Jin, Q. A review of envelope tracking power supply for mobile communication systems. CPSS Trans. Power Electron. Appl. 2017, 2, 277–291. [Google Scholar] [CrossRef]
- Ghannouchi, F.M.; Kwan, A.K.; Younes, M.; Chen, W. DSP techniques for linearity and efficiency enhancement of multi-band envelope tracking transmitters. In Proceedings of the 2014 Asia-Pacific Microwave Conference, Sendai, Japan, 4–7 November 2014; pp. 1082–1084. [Google Scholar]
- Woo, J.; Park, S.; Kim, U.; Kwon, Y. Dynamic Stack-Controlled CMOS RF Power Amplifier for Wideband Envelope Tracking. IEEE Trans. Microw. Theory Tech. 2014, 62, 3452–3464. [Google Scholar] [CrossRef]
- Park, B.; Kim, D.; Kim, S.; Cho, Y.; Kim, J.; Kang, D.; Jin, S.; Moon, K.; Kim, B. High-Performance CMOS Power Amplifier with Improved Envelope Tracking Supply Modulator. IEEE Trans. Microw. Theory Tech. 2016, 64, 798–809. [Google Scholar] [CrossRef]
- Ham, J.; Bae, J.; Kim, H.; Seo, M.; Lee, H.; Hwang, K.C.; Lee, K.-Y.; Park, C.-S.; Heo, D.; Yang, Y. CMOS Power Amplifier Integrated Circuit with Dual-Mode Supply Modulator for Mobile Terminals. IEEE Trans. Circuits Syst. I Regul. Pap. 2016, 63, 157–167. [Google Scholar] [CrossRef]
- Kahn, L.R. Single-Sideband Transmission by Envelope Elimination and Restoration. Proc. IRE 1952, 40, 803–806. [Google Scholar] [CrossRef]
- Mamdouh, A.; Aboudina, M.; Mohieldin, A.N.; Hussien, F. CMOS A Multi-Band High-Efficiency Envelope Elimination and Restoration CMOS Power Amplifier. Microelectron. J. 2020, 102, 104823. [Google Scholar] [CrossRef]
- Oishi, K.; Yoshida, E.; Sakai, Y.; Takauchi, H.; Kawano, Y.; Shirai, N.; Kano, H.; Kudo, M.; Murakami, T.; Tamura, T.; et al. A 1.95 GHz Fully Integrated Envelope Elimination and Restoration CMOS Power Amplifier Using Timing Alignment Technique for WCDMA and LTE. IEEE J. Solid-State Circuits 2014, 49, 2915–2924. [Google Scholar] [CrossRef]
- Yuan, W.; Walling, J.S. A switched-capacitor controlled digital-current modulated class-E EER transmitter. In Proceedings of the 2015 IEEE 13th International New Circuits and Systems Conference (NEWCAS), Grenoble, France, 7–10 June 2015; pp. 1–4. [Google Scholar] [CrossRef]
- Liu, X.; Zhang, H.; Mok, P.K.T.; Loung, H.C. A Multi-Loop-Controlled AC-Coupling Supply Modulator with a Mode-Switching CMOS PA in an EER System with Envelope Shaping. IEEE J. Solid-State Circuits 2019, 54, 1553–1563. [Google Scholar] [CrossRef]
- Lee, O.; Han, J.; An, K.H.; Lee, D.H.; Lee, K.S.; Hong, S.; Lee, C.H. A Charging Acceleration Technique for Highly Efficient Cascode Class-E CMOS Power Amplifiers. IEEE J. Solid-State Circuits 2010, 45, 2184–2197. [Google Scholar] [CrossRef]
- Raab, F. Efficiency of Outphasing RF Power-Amplifier Systems. IEEE Trans. Commun. 1985, 33, 1094–1099. [Google Scholar] [CrossRef]
- Hung, T.P.; Choi, D.K.; Larson, L.E.; Asbeck, P.M. CMOS Outphasing Class-D Amplifier with Chireix Combiner. IEEE Microw. Wirel. Compon. Lett. 2007, 17, 619–621. [Google Scholar] [CrossRef]
- Xu, H.; Palaskas, Y.; Ravi, A.; Sajadieh, M.; Elmala, M.; Soumyanath, K. A 28.1 dBm class-D outphasing power amplifier in 45nm LP digital CMOS. In Proceedings of the 2009 Symposium on VLSI Circuits, Kyoto, Japan, 16–18 June 2009; pp. 206–207. [Google Scholar]
- Ding, L.; Hur, J.; Banerjee, A.; Hezar, R.; Haroun, B. A 25 dBm Outphasing Power Amplifier with Cross-Bridge Combiners. IEEE J. Solid-State Circuits 2015, 50, 1107–1116. [Google Scholar] [CrossRef]
- Beltran, R.; Raab, F.H.; Velazquez, A. HF outphasing transmitter using class-E power amplifiers. In Proceedings of the 2009 IEEE MTT-S International Microwave Symposium Digest, Boston, MA, USA, 7–12 June 2009; pp. 757–760. [Google Scholar] [CrossRef]
- Hu, Z.; de Vreede, L.C.N.; Alavi, M.S.; Calvillo-Cortes, D.A.; Staszewski, R.B.; He, S. A 5.9 GHz RFDAC-based outphasing power amplifier in 40-nm CMOS with 49.2% efficiency and 22.2 dBm power. In Proceedings of the 2016 IEEE Radio Frequency Integrated Circuits Symposium (RFIC), San Francisco, CA, USA, 22–24 May 2016; pp. 206–209. [Google Scholar] [CrossRef]
- Martelius, M.; Stadius, K.; Lemberg, J.; Nieminen, T.; Roverato, E.; Kosunen, M.; Ryynänen, J.; Anttila, L.; Valkama, M. Class D CMOS power amplifier with on/off logic for a multilevel outphasing transmitter. In Proceedings of the 2016 IEEE International Symposium on Circuits and Systems (ISCAS), Montreal, QC, Canada, 22–25 May 2016; pp. 710–713. [Google Scholar] [CrossRef]
- Banerjee, A.; Hezar, R.; Ding, L.; Haroun, B. A 29.5 dBm Class-E Outphasing RF Power Amplifier with Efficiency and Output Power Enhancement Circuits in 45 nm CMOS. IEEE Trans. Circuits Syst. I 2017, 64, 1977–1988. [Google Scholar] [CrossRef]
- Ghahremani, A.; Annema, A.; Nauta, B. Outphasing Class-E Power Amplifiers: From Theory to Back-Off Efficiency Improvement. IEEE J. Solid-State Circuits 2018, 53, 1374–1386. [Google Scholar] [CrossRef]
- Martelius, M.; Stadius, K.; Lemberg, J.; Roverato, E.; Nieminen, T.; Antonov, Y.; Anttila, L.; Valkama, M.; Kosunen, M.; Ryynänen, J. A Class-D Tri-Phasing CMOS Power Amplifier with an Extended Marchand-Balun Power Combiner. IEEE Trans. Microw. Theory Tech. 2020, 68, 1022–1034. [Google Scholar] [CrossRef]
- Banerjee, A.; Ding, L.; Hezar, R. A High Efficiency Multi-Mode Outphasing RF Power Amplifier with 31.6 dBm Peak Output Power in 45nm CMOS. IEEE Trans. Circuits Syst. I Regul. Pap. 2020, 67, 815–828. [Google Scholar] [CrossRef]
- Kang, S.; Choi, B.; Kim, B. Linearity analysis of CMOS for RF application. IEEE Trans. Microw. Theory Tech. 2003, 51, 972–977. [Google Scholar] [CrossRef]
- Golara, S.; Moloudi, S.; Abidi, A.A. Processes of AM-PM Distortion in Large-Signal Single-FET Amplifiers. IEEE Trans. Circuits Syst. I Regul. Pap. 2017, 64, 245–260. [Google Scholar] [CrossRef]
- Xi, T.; Huang, S.; Guo, S.; Gui, P.; Huang, D.; Chakraborty, S. High-Efficiency E-Band Power Amplifiers and Transmitter Using Gate Capacitance Linearization in a 65-nm CMOS Process. IEEE Trans. Circuits Syst. II Express Briefs 2017, 64, 234–238. [Google Scholar] [CrossRef]
- Wang, C.; Vaidyanathan, M.; Larson, L.E. A capacitance-compensation technique for improved linearity in CMOS class-AB power amplifiers. IEEE J. Solid-State Circuits 2004, 39, 1927–1937. [Google Scholar] [CrossRef]
- Camarchia, V.; Colantonio, P.; Giannini, F.; Giofrè, R.; Jiang, T.; Pirola, M.; Quaglia, R.; Ramella, C. A Design Strategy for AM/PM Compensation in GaN Doherty Power Amplifiers. IEEE Access 2017, 5, 22244–22251. [Google Scholar] [CrossRef]
- Cho, M. Analog Predistortion for Improvement of Rf Power Amplifier Efficiency and Linearity. Ph.D. Thesis, Georgia Institute of Technology, Atlanta, GA, USA, 2016. [Google Scholar]
- Li, F. Linearization of Power Amplifiers in Wide Band Communication Systems by Digital Baseband Predistortion Technique. Ph.D. Thesis, Universite De Nantes, Nantes, France, 2012. [Google Scholar]
- Borel, A.; Barzdėnas, V. A Review of the Basic Power Amplifier Linearization Methods. In Proceedings of the 2020 IEEE Open Conference of Electrical, Electronic and Information Sciences (eStream), Vilnius, Lithuania, 30 April 2020; pp. 1–4. [Google Scholar] [CrossRef]
- Dawson, J.L.; Lee, T.H. Cartesian feedback for RF power amplifier linearization. In Proceedings of the 2004 American Control Conference, Boston, MA, USA, 30 June–2 July 2004; Volume 1, pp. 361–366. [Google Scholar] [CrossRef]
- Monticelli, D. System approaches to power management. In Proceedings of the APEC Seventeenth Annual IEEE Applied Power Electronics Conference and Exposition (Cat. No.02CH37335), Dallas, TX, USA, 10–14 March 2002; Volume 1, pp. 3–7. [Google Scholar] [CrossRef]
- Tee, L.; Sacchi, E.; Bocock, R.; Wongkomet, N.; Gray, P. A Cartesian-Feedback Linearized CMOS RF Transmitter for EDGE Modulation. In Proceedings of the 2006 Symposium on VLSI Circuits, 2006, Digest of Technical Papers, Honolulu, HI, USA, 15–17 June 2006; pp. 232–233. [Google Scholar] [CrossRef]
- Atress, A.B.; Raafat, H.; Shawkey, H.; Zaki, A. Zigbee Power Amplifier Linearization Using Cartesian Feedback. Int. J. Adv. Res. 2016, 4, 1769–1776. [Google Scholar]
- Sowlati, T.; Rozenblit, D.; Pullela, R.; Damgaard, M.; McCarthy, E.; Koh, D.; Ripley, D.; Balteanu, F.; Gheorghe, I. Quad-band GSM/GPRS/EDGE polar loop transmitter. IEEE J. Solid-State Circuits 2004, 39, 2179–2189. [Google Scholar] [CrossRef]
- Nakatani, T.; Kimball, D.; Larson, L.; Asbeck, P. 0.7–1.8 GHz multiband digital polar transmitter using watt-class current-mode class-D CMOS power amplifier and digital envelope modulation technique for reduced spurious emissions. Int. J. Microwave Wireless Technol. 2013, 5, 271–284. [Google Scholar] [CrossRef]
- Zheng, S.; Luong, H.C. A CMOS WCDMA/WLAN Digital Polar Transmitter with AM Replica Feedback Linearization. IEEE J. Solid-State Circuits 2013, 48, 1701–1709. [Google Scholar] [CrossRef]
- Liao, H.; Chen, J.; Chiou, H.; Chen, C. High-linearity CMOS feedforward power amplifier for WiMAX application. In Proceedings of the 2008 Asia-Pacific Microwave Conference, Hong Kong, China, 16–20 December 2008; pp. 1–4. [Google Scholar] [CrossRef]
- Chen, Y.-H.; Kao, K.; Chao, C.-Y.; Lin, K. A 24 GHz CMOS power amplifier with successive IM2 feed-forward IMD3 cancellation. In Proceedings of the 2015 IEEE MTT-S International Microwave Symposium, Phoenix, AZ, USA, 17–22 May 2015; pp. 1–4. [Google Scholar] [CrossRef]
- Garcia, P.; de Mingo, J.; Valdovinos, A.; Ortega, A. An adaptive digital method of imbalances cancellation in LINC transmitters. IEEE Trans. Veh. Technol. 2005, 54, 879–888. [Google Scholar] [CrossRef]
- Lee, H.; Lee, H.; Paek, J.; Hong, S. A CMOS power amplifier for Multi-mode LINC architecture. In Proceedings of the 2010 IEEE Radio and Wireless Symposium (RWS), New Orleans, LA, USA, 10–14 January 2010; pp. 41–44. [Google Scholar] [CrossRef]
- Lee, H.; Jang, S.; Hong, S. A Hybrid Polar-LINC CMOS Power Amplifier with Transmission Line Transformer Combiner. IEEE Trans. Microwave Theory Tech. 2013, 61, 1261–1271. [Google Scholar] [CrossRef]
- Yao, J.; Long, S.I. Power Amplifier Selection for LINC Applications. IEEE Trans. Circuits Syst. II Express Briefs 2006, 53, 763–767. [Google Scholar] [CrossRef]
- Katz, A.; Wood, J.; Chokola, D. The Evolution of PA Linearization: From Classic Feedforward and Feedback Through Analog and Digital Predistortion. IEEE Microw. Mag. 2016, 17, 32–40. [Google Scholar] [CrossRef]
- Rey, C.G. Predistorter linearizes CDMA power amplifiers. Microwaves RF Mag. 1998, 44, 114–123. [Google Scholar]
- Yi, J.; Yang, Y.; Park, M.; Kang, W.; Kim, B. Analog predistortion linearizer for high-power RF amplifiers. IEEE Trans. Microw. Theory Tech. 2000, 48, 2709–2713. [Google Scholar] [CrossRef]
- Son, K.Y.; Koo, B.; Hong, S. A CMOS Power Amplifier with a Built-In RF Predistorter for Handset Applications. IEEE Trans. Microwave Theory Tech. 2012, 60, 2571–2580. [Google Scholar] [CrossRef]
- Paramesh, J.; Bishop, R.; Soumyanath, K.; Allstot, D.J. A four-antenna receiver in 90-nm CMOS for beamforming and spatial diversity. IEEE J. Solid-State Circuits 2005, 40, 2515–2524. [Google Scholar] [CrossRef]
- Afsahi, A.; Rael, J.J.; Behzad, A.; Chien, H.M.; Pan, M.; Au, S.; Ojo, A.; Lee, C.P.; Anand, S.B.; Chien, K.; et al. A Low-Power Single-Weight-Combiner 802.11abg SoC in 0.13 µm CMOS for Embedded Applications Utilizing An Area and Power Efficient Cartesian Phase Shifter and Mixer Circuit. IEEE J. Solid-State Circuits 2008, 43, 1101–1118. [Google Scholar] [CrossRef]
- Rostomyan, N.; Jayamon, J.A.; Asbeck, P.M. 15 GHz Doherty Power Amplifier with RF Predistortion Linearizer in CMOS SOI. IEEE Trans. Microw. Theory Techn. 2018, 66, 1339–1348. [Google Scholar] [CrossRef]
- Mariappan, S.; Rajendran, J.; Ramiah, H.; Mak, P.-I.; Yin, J.; Martins, R.P. An 800 MHz-to-3.3 GHz 20-MHz Channel Bandwidth WPD CMOS Power Amplifier For Multiband Uplink Radio Transceivers. IEEE Trans. Circuits Syst. II Exp. Briefs 2021, 68, 1178–1182. [Google Scholar] [CrossRef]
- Mariappan, S.; Rajendran, J.; Yusof, Y.M.; Noh, N.M.; Yarman, B.S. An 0.4–2.8 GHz CMOS Power Amplifier with On-Chip Broadband-Pre-Distorter (BPD) Achieving 36.1–38.6% PAE and 21 dBm Maximum Linear Output Power. IEEE Access 2021, 9, 48831–48840. [Google Scholar] [CrossRef]
- Mariappan, S.; Rajendran, J.; Chen, Y.; Mak, P.-I.; Martins, R.P. A 1.7-to-2.7GHz 35–38% PAE Multiband CMOS Power Amplifier Employing a Digitally-Assisted Analog Pre-Distorter (DAAPD) Reconfigurable Linearization Technique. IEEE Trans. Circuits Syst. II Exp. Briefs 2021, 68, 3381–3385. [Google Scholar] [CrossRef]
- Mariappan, S.; Rajendran, J.; Kumar, N.; Othman, M.; Nathan, A.; Grebennikov, A.; Yarman, B.S. A Wide-Bandwidth PVT-Reconfigurable CMOS Power Amplifier with an Integrated Tunable-Output Impedance Matching Network. Micromachines 2023, 14, 530. [Google Scholar] [CrossRef]
- Tsai, J.-H. A 5.3-GHz 30.1-dBm Fully Integrated CMOS Power Amplifier with High-Power Built-In Linearizer. IEEE Microw. Wirel. Technol. Lett. 2023, 33, 431–434. [Google Scholar] [CrossRef]
- Woo, W.; Kenney, J.S. A predistortion linearization system for high power amplifiers with low-frequency envelope memory effects. In Proceedings of the IEEE MTT-S International Microwave Symposium Digest, Long Beach, CA, USA, 17 June 2005; p. 4. [Google Scholar] [CrossRef]
- Paaso, H.; Mammela, A. Comparison of direct learning and indirect learning predistortion architectures. In Proceedings of the 2008 IEEE International Symposium on Wireless Communication Systems, Reykjavik, Iceland, 21–24 October 2008; pp. 309–313. [Google Scholar] [CrossRef]
- Zhou, D.; DeBrunner, V. A novel adaptive nonlinear predistorter based on the direct learning algorithm. In Proceedings of the 2004 IEEE International Conference on Communications (IEEE Cat. No. 04CH37577), Paris, France, 20–24 June 2004; Volume 4, pp. 2362–2366. [Google Scholar] [CrossRef]
- Li, Y.; Zhang, X. Adaptive digital predistortion based on MC-FQRD-RLS algorithm using indirect learning architecture. In Proceedings of the 2010 2nd International Conference on Advanced Computer Control, Shenyang, China, 27–29 March 2010; pp. 240–242. [Google Scholar] [CrossRef]
- Cho, Y.; Lee, J.; Jin, S.; Park, B.; Moon, J.; Kim, J.; Kim, B. Fully Integrated CMOS Saturated Power Amplifier with Simple Digital Predistortion. IEEE Microw. Wirel. Compon. Lett. 2014, 24, 533–535. [Google Scholar] [CrossRef]
- Wong, A.; Godoy, P.; Carnu, O.; Li, H.; Zhao, X.; Olyaei, A.; Ghaffari, A.; Tam, S.-W.; Winoto, R.; Tsang, R. A dual-core power combining digital power amplifier for 802.11 b/g/n with +26.8 dBm linear output power in 28 nm CMOS. In Proceedings of the 2017 IEEE Radio Frequency Integrated Circuits Symposium (RFIC), Honolulu, HI, USA, 4–6 June 2017; pp. 192–195. [Google Scholar] [CrossRef]
- Kim, W.; Yang, K.S.; Han, J.; Chang, J.J.; Lee, C.H. An EDGE/GSM Quad-Band CMOS Power Amplifier. IEEE J. Solid-State Circuits 2014, 49, 2141–2149. [Google Scholar] [CrossRef]
- Kim, H.; Bae, J.; Ham, J.; Gu, J.; Seo, M.; Hwang, K.; Lee, K.-Y.; Park, C.-S.; Yang, Y. Efficiency enhanced CMOS digitally controlled dynamic bias switching power amplifier for LTE. Microw. Opt. Technol. Lett. 2015, 57, 2315–2321. [Google Scholar] [CrossRef]
- Kim, B.; Lee, D.-H.; Hong, S.; Park, M. A Multi-Band CMOS Power Amplifier Using Reconfigurable Adaptive Power Cell Technique. IEEE Microw. Wireless Compon. Lett. 2016, 26, 616–618. [Google Scholar] [CrossRef]
- Ren, J.; Dai, R.; He, J.; Zhang, Z.; Zou, S. A high power CMOS cascode power amplifier with adaptive dynamic bias control for linearity enhancement. Microw. Opt. Technol. Lett. 2020, 62, 2451–2457. [Google Scholar] [CrossRef]
- Mariappan, S.; Rajendran, J.; Noh, N.; Yusof, Y.; Kumar, N. A 23.3 dBm CMOS power amplifier with third-order gm cancellation linearization technique achieving OIP3 of 34 dBm. Circuit World 2021, 48, 215–222. [Google Scholar] [CrossRef]
- Rawat, A.S.; Rajendran, J.; Mariappan, S.; Shasidharan, P.; Kumar, N.; Yarman, B.S. A 919 MHz—923 MHz, 21 dBm CMOS Power Amplifier with Bias Modulation Linearization Technique Achieving PAE of 29% for LoRa Application. IEEE Access 2022, 10, 79365–79378. [Google Scholar] [CrossRef]
- Rawat, A.S.; Rajendran, J.; Mariappan, S.; Kumar, N.; Mak, P.-I.; Martins, R.P. A 27-dBm, 0.92-GHz CMOS Power Amplifier with Mode Switching and a High-Q Compact Inductor (HQCI) Achieving a 30% Back-Off PAE. IEEE Trans. Circuits Syst. II 2023, 70, 121–125. [Google Scholar] [CrossRef]
- Kang, S.; Sung, E.; Hong, S. Dynamic Feedback Linearizer of RF CMOS Power Amplifier. IEEE Microw. Wireless Compon. Lett. 2018, 28, 915–917. [Google Scholar] [CrossRef]
- Eriksson, K.; Darwazeh, I.; Zirath, H. InP DHBT Distributed Amplifiers with Up to 235-GHz Bandwidth. IEEE Trans. Microw. Theory Tech. 2015, 63, 1334–1341. [Google Scholar] [CrossRef]
- Krishnamurthy, K. Ultra-Broadband, Efficient, Microwave Power Amplifiers in Gallium Nitride HEMT Technology. Ph.D. Thesis, University of California, Santa Barbara, CA, USA, 2000. [Google Scholar]
- Hsiao, C.; Su, T.; Hsu, S.S.H. CMOS Distributed Amplifiers Using Gate–Drain Transformer Feedback Technique. IEEE Trans. Microw. Theory Tech. 2013, 61, 2901–2910. [Google Scholar] [CrossRef]
- Chen, P.-H.; Yeh, K.-S.; Kao, J.-C.; Wang, H. A high-performance DC-80 GHz distributed amplifier in 40-nm CMOS digital process. In Proceedings of the 2014 IEEE MTT-S International Microwave Symposium (IMS2014), Tampa, FL, USA, 1–6 June 2014; pp. 1–3. [Google Scholar] [CrossRef]
- Zhang, Y.; Ma, K. A 2–22 GHz CMOS Distributed Power Amplifier with Combined Artificial Transmission Lines. IEEE Microw. Wireless Compon. Lett. 2017, 27, 1122–1124. [Google Scholar] [CrossRef]
- Tarar, M.M.; Negra, R. Design and Implementation of Wideband Stacked Distributed Power Amplifier in 0.13 μm CMOS Using Uniform Distributed Topology. IEEE Trans. Microw. Theory Tech. 2017, 65, 5212–5222. [Google Scholar] [CrossRef]
- Sira, D.; Larsen, T. Process, Voltage and Temperature Compensation Technique for Cascode Modulated PAs. IEEE Trans. Circuits Syst. I 2013, 60, 2511–2520. [Google Scholar] [CrossRef]
- Krishnanji, S. Design of a Variable Gain Amplifier for an Ultra Wideband Receiver. Master’s Thesis, Texas A&M University, College Station, TX, USA, 2005. [Google Scholar]
- Albasha, L.; Loo, C.; Nguyen, D.; Doherty, G.; El-Gamal, M.N. An Ultra-Wideband Digitally Programmable Power Amplifier with Efficiency Enhancement for Cellular and Emerging Wireless Communication Standards. IEEE Trans. Circuits Syst. I 2016, 63, 1579–1591. [Google Scholar] [CrossRef]
- Leuschner, S.; Mueller, J.; Klar, H. A 1.8GHz wide-band stacked-cascode CMOS power amplifier for WCDMA applications in 65nm standard CMOS. In Proceedings of the 2011 IEEE Radio Frequency Integrated Circuits Symposium, Baltimore, MD, USA, 5–7 June 2011; pp. 1–4. [Google Scholar] [CrossRef]
- Jeon, H.; Ryu, M.J.; Kim, B.; Kim, D. A Cascode Feedback Bias Technique for Linear CMOS Power Amplifiers in a Multistage Cascode Topology. IEEE Trans. Microw. Theory Tech. 2013, 61, 890–901. [Google Scholar] [CrossRef]
- Wu, H.; Cheng, Q.; Li, X.; Fu, H. Analysis and Design of an Ultrabroadband Stacked Power Amplifier in CMOS Technology. IEEE Trans. Circuits Syst. II 2016, 63, 49–53. [Google Scholar] [CrossRef]
- Kang, S.; Jeong, G.; Hong, S. Study on Dynamic Body Bias Controls of RF CMOS Cascode Power Amplifier. IEEE Microw. Wireless Compon. Lett. 2018, 28, 705–707. [Google Scholar] [CrossRef]
- Guo, T.; Lu, Z.; Tang, K.; Yang, C.; Yu, B.; Zheng, Y. A Floating-Body Transistor-Based Power Amplifier for Sub-6-GHz 5G Applications in SOI CMOS 130-nm Process. IEEE Trans. Circuits Syst. II 2022, 69, 4088–4092. [Google Scholar] [CrossRef]
- Jose, S.; Lee, H.-J.; Ha, D.; Choi, S.S. A low-power CMOS power amplifier for ultra wideband (UWB) applications. In Proceedings of the 2005 IEEE International Symposium on Circuits and Systems, Kobe, Japan, 23–26 May 2005; Volume 5, pp. 5111–5114. [Google Scholar] [CrossRef]
- Murad, S.A.Z.; Pokharel, R.K.; Sapawi, R.; Kanaya, H.; Yoshida, K. High efficiency, good linearity, and excellent phase linearity of 3.1–4.8 GHz CMOS UWB PA with a current-reused technique. IEEE Trans. Consumer Electron. 2010, 56, 1241–1246. [Google Scholar] [CrossRef]
- Murad, S.A.Z.; Pokharel, R.K.; Galal, A.I.A.; Sapawi, R.; Kanaya, H.; Yoshida, K. An Excellent Gain Flatness 3.0–7.0 GHz CMOS PA for UWB Applications. IEEE Microw. Wirel. Compon. Lett. 2010, 20, 510–512. [Google Scholar] [CrossRef]
- Ginzberg, N.; Cohen, E. A Wideband CMOS Power Amplifier with 52% Peak PAE Employing Resistive Shunt Feedback for Sub-6 GHz 5G Applications. IEEE Microw. Wirel. Technol. Lett. 2023, 33, 192–195. [Google Scholar] [CrossRef]
- Peng, X.-Q.; Yu, W.-H.; Mak, P.-I.; Martins, R.P. A 26.3 dBm 2.5 to 6 GHz wideband class-D switched-capacitor power amplifier with 40% peak PAE. In Proceedings of the 2014 IEEE International Conference on Electron Devices and Solid-State Circuits, Chengdu, China, 1–2 June 2014; pp. 1–2. [Google Scholar] [CrossRef]
- Aparin, V.; Dunworth, J.; Seward, L.; Yuan, W.; Walling, J.S. A transformer combined quadrature switched capacitor power amplifier in 65nm CMOS. In Proceedings of the 2016 14th IEEE International New Circuits and Systems Conference (NEWCAS), Vancouver, BC, Canada, 26–29 June 2016; pp. 1–4. [Google Scholar] [CrossRef]
- Yuan, W.; Aparin, V.; Dunworth, J.; Seward, L.; Walling, J.S. A quadrature switched capacitor power amplifier in 65nm CMOS. In Proceedings of the 2015 IEEE Radio Frequency Integrated Circuits Symposium (RFIC), Phoenix, AZ, USA, 17–19 May 2015; pp. 135–138. [Google Scholar] [CrossRef]
- Yuan, W.; Walling, J.S. A multiphase switched capacitor power amplifier in 130nm CMOS. In Proceedings of the 2016 IEEE Radio Frequency Integrated Circuits Symposium (RFIC), San Francisco, CA, USA, 22–24 May 2016; pp. 210–213. [Google Scholar] [CrossRef]
- Cho, H.; Lee, M.; Park, C.; Park, J.Y. A Fully Integrated Switched Capacitor using Low Temperature and Wet Release Process for Reconfigurable CMOS Triple-band Power Amplifier. In Proceedings of the 2019 IEEE Asia-Pacific Microwave Conference (APMC), Singapore, 10–13 December 2019; pp. 1467–1469. [Google Scholar] [CrossRef]
- Bai, Z.; Yuan, W.; Azam, A.; Walling, J.S. A split-array, C-2C switched-capacitor power amplifier in 65 nm CMOS. In Proceedings of the 2017 IEEE Radio Frequency Integrated Circuits Symposium (RFIC), Honolulu, HI, USA, 4–6 June 2017; pp. 336–339. [Google Scholar] [CrossRef]
- Huang, C.; Chen, Y.; Zhang, T.; Sathe, V.; Rudell, J.C. A 40 nm CMOS single-ended switch-capacitor harmonic-rejection power amplifier for ZigBee applications. In Proceedings of the 2016 IEEE Radio Frequency Integrated Circuits Symposium (RFIC), San Francisco, CA, USA, 22–24 May 2016; pp. 214–217. [Google Scholar] [CrossRef]
- Yoo, S.; Walling, J.S.; Woo, E.; Allstot, D.J. A power-combined switched-capacitor power amplifier in 90nm CMOS. In Proceedings of the 2011 IEEE Radio Frequency Integrated Circuits Symposium (RFIC), Baltimore, MD, USA, 5–7 June 2011; pp. 1–4. [Google Scholar] [CrossRef]
- Yoo, S.; Hung, S.; Yoo, S. A Watt-Level Quadrature Class-G Switched-Capacitor Power Amplifier with Linearization Techniques. IEEE J. Solid-State Circuits 2019, 54, 1274–1287. [Google Scholar] [CrossRef]
- Ginzberg, N.; Cohen, E. Switched-Capacitor RF Power Amplifiers: A Review of Efficiency and Linearity Considerations. In Proceedings of the 2018 IEEE International Conference on the Science of Electrical Engineering in Israel (ICSEE), Eilat, Israel, 21–23 November 2018; pp. 1–5. [Google Scholar] [CrossRef]
- Truppi, A.; Samori, C.; Lacaita, A.L.; Levantino, S.; Ronchi, M.; Sosio, M. Impact of CMOS Scaling on Switched-Capacitor Power Amplifiers. In Proceedings of the 2018 IEEE International Symposium on Circuits and Systems (ISCAS), Florence, Italy, 27–30 May 2018; pp. 1–4. [Google Scholar] [CrossRef]
- Goswami, S.; Kim, H.; Dawson, J.L. A Frequency-Agile RF Frontend Architecture for Multi-Band TDD Applications. IEEE J. Solid-State Circuits 2014, 49, 2127–2140. [Google Scholar] [CrossRef]
- Yoo, S.; Walling, J.S.; Woo, E.C.; Allstot, D.J. A switched-capacitor power amplifier for EER/polar transmitters. In Proceedings of the 2011 IEEE International Solid-State Circuits Conference, San Francisco, CA, USA, 20–24 February 2011; pp. 428–430. [Google Scholar] [CrossRef]
- Yuan, W.; Aparin, V.; Dunworth, J.; Seward, L.; Walling, J.S. A Quadrature Switched Capacitor Power Amplifier. IEEE J. Solid-State Circuits 2016, 51, 1200–1209. [Google Scholar] [CrossRef]
- Bai, Z.; Azam, A.; Johnson, D.; Yuan, W.; Walling, J.S. Split-Array, C-2C Switched-Capacitor Power Amplifiers. IEEE J. Solid-State Circuits. 2018, 53, 1666–1677. [Google Scholar] [CrossRef]
- Jin, H.; Kim, D.; Kim, B. 9.5 efficient digital quadrature transmitter based on IQ cell sharing. In Proceedings of the 2015 IEEE International Solid-State Circuits Conference-(ISSCC) Digest of Technical Papers, San Francisco, CA, USA, 22–26 February 2015; pp. 1–3. [Google Scholar] [CrossRef]
- Singh, S.P.; Prabhakar, A.; Bhattacharyya, A.B. C-2C ladder voltage dividers for application in all-MOS A/D convertors. Electron. Lett. 1982, 18, 537–538. [Google Scholar] [CrossRef]
- Lee, S.W.; Chung, H.J.; Han, C.H. C-2C digital-to-analogue converter on insulator. Electron. Lett. 1999, 35, 1242–1243. [Google Scholar] [CrossRef]
- Xiong, W.; Guo, Y.; Zschieschang, U.; Klauk, H.; Murmann, B. A 3-V, 6-Bit C-2C Digital-to-Analog Converter Using Complementary Organic Thin-Film Transistors on Glass. IEEE J. Solid-State Circuits 2010, 45, 1380–1388. [Google Scholar] [CrossRef]
- Bai, Z.; Azam, A.; Walling, J.S. A Frequency Tuneable Switched-Capacitor PA in 65nm CMOS. In Proceedings of the 2019 IEEE Radio Frequency Integrated Circuits Symposium (RFIC), Boston, MA, USA, 2–4 June 2019; pp. 295–298. [Google Scholar] [CrossRef]
- Raja, I.; Banerjee, G. A 0.75–2.5-GHz All-Digital RF Transmitter with Integrated Class-E Power Amplifier for Spectrum Sharing Applications in 5G Radios. IEEE Trans. VLSI Syst. 2020, 28, 2109–2121. [Google Scholar] [CrossRef]
































| Order | Terms | a1v3 | a2v2 | a3v3 |
|---|---|---|---|---|
| 0 | 0 | 1 | ||
| 1st | ω1 | 1 | 9/4 | |
| ω2 | 1 | 9/4 | ||
| 2nd | 2ω1 | 1/2 | ||
| 2ω2 | 1/2 | |||
| ω1 ± ω2 | 1 | |||
| 3rd | 3ω1 | 1/4 | ||
| 3ω2 | 1/4 | |||
| 2ω1 ± ω2 | 3/4 | |||
| 2ω2 ± ω1 | 3/4 |
| Architecture | Year | Tech (nm) | VDD (V) | Freq. (GHz) | Max. Pout (dBm) | Peak PAE (%) | Ref. |
|---|---|---|---|---|---|---|---|
| On-Chip Transformer | 2010 | 180 | 3.3 | 0.9 | 29.5 | 24.0 | [55] |
| 2010 | 65 | 3.3 | 2.4 | 33.5 | 37.6 | [58] | |
| 2013 | 180 | 3.3 | 2.4 | 32.5 | 37.9 | [60] | |
| 2017 | 40 | 2.8 | 1.75 | 24.7 | 38.1 | [61] | |
| 2019 | 180 | 5.0 | 5.2 | 30.1 | 22.2 | [62] | |
| 2019 | 180 | 3.3 | 5.3 | 31.3 | 22.0 | [63] | |
| 2020 | 180 | 4.6 | 0.82–1.0 | 30.3 | 45.0 | [64] | |
| 2021 | 40 | 2.5 | 1.2–2.8 | 32.4 | 53.8 | [65] | |
| 2021 | 40 | 2.4 | 2.4 | 30.3 | 36.6 | [66] | |
| 2023 | 40 | 2.5 | 2.0 | 32.67 | 35.5 | [67] | |
| Doherty | 2015 | 65 | 2.5 | 2.5 | 23.4 | 24.7 | [72] |
| 2016 | 65 | 3.0 | 3.71 | 26.7 | 40.2 * | [73] | |
| 2015 | 40 | 1.5 | 1.7–2.1 | 28.2 | 34.0 | [74] | |
| 2016 | 45 | 2.4 | 14.0 | 22.0 | 24.0 | [77] | |
| 2017 | 130 | 2.6 | 3.0 | 26.0 | 48.0 | [78] | |
| 2019 | 55 | 5.5 | 5.8 | 27.2 | 24.5 | [79] | |
| 2020 | 40 | 1.1 | 1.5 | 21.4 | 31.3 | [80] | |
| ETPA | 2014 | 320 | 3.4 | 0.837 | 25.9 | 47.5 | [85] |
| 2016 | 180 | 4.7 | 1.7 | 28.5 | 36.6 | [86] | |
| 2016 | 180 | 3.3 | 0.78 | 24.0 | 45.4 | [87] | |
| EER | 2020 | 130 | 3.0 | 1.0 | 26.5 | 79 | [89] + |
| 2014 | 90 | 3.3 | 1.95 | 28.0 | 39 | [90] | |
| 2015 | 130 | 2.5 | 2.4 | 22.5 | 23.6 | [91] | |
| 2019 | 65 | 2.4 | 2.4 | 23.9 | 35.7 | [92] | |
| Out-phasing | 2016 | 40 | 1.2 | 5.9 | 22.2 | 49.2 * | [99] |
| 2016 | 28 | 3.6 | 1.8 | 32.4 | 34.1 | [100] | |
| 2017 | 45 | 2.4 | 2.4 | 29.5 | 46.8 * | [101] | |
| 2018 | 65 | 1.25 | 1.8 | 20.1 | 60.7 | [102] | |
| 2020 | 28 | 3.6 | 1.7 | 29.7 | 34.7 | [103] | |
| 2020 | 45 | 2.4 | 2.4 | 31.6 | 49.2 * | [104] |
| Architecture | Year | Tech (nm) | VDD (V) | Freq. (GHz) | Linear. Pout (dBm) | Linear PAE (%) | Ref. |
|---|---|---|---|---|---|---|---|
| Feedback/Feedforward | 2016 | 130 | 1.2 | 0.868 | 10.4 | 29.0 | [116] + |
| 2013 | 150 | 3.3 | 1.75 | 24.0 | 16.0 | [118] | |
| 2013 | 65 | 2.0 | 2.0 | 20.4 | 32.3 | [119] | |
| 2015 | 180 | 3.6 | 24.0 | 14.6 | 12.6 | [121] | |
| LINC | 2010 | 180 | 3.3 | 1.95 | 26.0 | 20.0 | [123] |
| 2013 | 130 | 3.5 | 1.95 | 28.5 | 29.6 | [124] | |
| Pre-Distortion | 2012 | 180 | 3.5 | 1.95 | 29.1 | 41.1 | [129] |
| 2018 | 45 | 4.8 | 15.0 | 20.6 | 21.8 | [132] | |
| 2021 | 180 | 3.3 | 0.8–3.3 | 20.0 | 34.0 | [133] | |
| 2021 | 180 | 3.3 | 0.4–2.8 | 21.0 | 34.6 | [134] | |
| 2021 | 180 | 3.3 | 1.7–2.7 | 25.0 | 38.0 | [135] | |
| 2023 | 180 | 3.3 | 1.7–2.7 | 25.1 | 38.8 | [136] | |
| 2023 | 180 | 3.3 | 5.3 | 21.0 | 6.0 | [137] | |
| 2014 | 180 | 3.5 | 1.7–2.0 | 28.0 | 42.0 | [142] | |
| 2017 | 28 | 3.3 | 2.4 | 26.8 | 21.2 | [143] | |
| Adaptive Biasing | 2014 | 180 | 3.5 | 0.87 | 28.5 | 22.0 | [144] |
| 2015 | 180 | 3.3 | 1.75 | 22.0 | 39.3 | [145] | |
| 2016 | 40 | - | 0.65 | 17.5 | 10.5 | [146] | |
| 2020 | 130 | 2.5 | 2.4 | 23.5 | 18.1 | [147] | |
| 2021 | 180 | 3.3 | 2.45 | 19.0 | 29.0 | [148] | |
| 2022 | 180 | 3.3 | 0.92 | 21.0 | 29.0 | [149] | |
| 2023 | 130 | 3.3 | 0.92 | 21.5 | 22.0 | [150] |
| Architecture | Year | Tech (nm) | VDD (V) | Freq. (GHz) | Bandwidth (GHz) | Ref. |
|---|---|---|---|---|---|---|
| Distributed | 2013 | 90 | 2.2 | DC–61.3 | 61.3 | [154] |
| 2014 | 40 | 1.7 | DC–80.0 | 80.0 | [155] | |
| 2017 | 180 | 2.8 | 1.0–23.8 | 22.8 | [156] | |
| 2017 | 130 | 3.5 | 2.0–16.0 | 14.0 | [157] | |
| Cascode | 2011 | 65 | 3.4 | 1.64–1.95 | 0.31 | [161] |
| 2013 | 180 | 3.4 | 1.5–2.1 | 0.6 | [162] | |
| 2016 | 180 | 6.0 | 0.1–6.5 | 6.4 | [163] | |
| 2018 | 180 | 3.3 | 1.7–2.0 | 0.3 | [164] | |
| 2022 | 130 | 3.3 | 4.3–6.4 | 2.1 | [165] | |
| Shunt Feedback | 2010 | 180 | 1.8 | 2.6–5.0 | 2.4 | [167] |
| 2010 | 180 | 1.8 | 3.0–7.0 | 4.0 | [168] | |
| 2023 | 65 | 3.3 | 0.33–2.5 | 2.17 | [169] | |
| Adaptive Biasing | 2014 | 45 | 2.0 | 1.3–3.3 | 2.0 | [181] |
| 2011 | 90 | 2.5 | 1.8–2.8 | 1.0 | [182] | |
| 2016 | 65 | 2.4 | 1.8–2.3 | 0.5 | [183] | |
| 2018 | 65 | 2.4 | 1.4–2.1 | 0.7 | [184] | |
| 2019 | 65 | 2.4 | 1.4–2.5 | 0.9 | [189] | |
| 2020 | 130 | 1.5 | 0.75–2.5 | 1.75 | [190] |
Disclaimer/Publisher’s Note: The statements, opinions and data contained in all publications are solely those of the individual author(s) and contributor(s) and not of MDPI and/or the editor(s). MDPI and/or the editor(s) disclaim responsibility for any injury to people or property resulting from any ideas, methods, instructions or products referred to in the content. |
© 2023 by the authors. Licensee MDPI, Basel, Switzerland. This article is an open access article distributed under the terms and conditions of the Creative Commons Attribution (CC BY) license (https://creativecommons.org/licenses/by/4.0/).
Share and Cite
Hamid, S.S.; Mariappan, S.; Rajendran, J.; Rawat, A.S.; Rhaffor, N.A.; Kumar, N.; Nathan, A.; Yarman, B.S. A State-of-the-Art Review on CMOS Radio Frequency Power Amplifiers for Wireless Communication Systems. Micromachines 2023, 14, 1551. https://doi.org/10.3390/mi14081551
Hamid SS, Mariappan S, Rajendran J, Rawat AS, Rhaffor NA, Kumar N, Nathan A, Yarman BS. A State-of-the-Art Review on CMOS Radio Frequency Power Amplifiers for Wireless Communication Systems. Micromachines. 2023; 14(8):1551. https://doi.org/10.3390/mi14081551
Chicago/Turabian StyleHamid, Sofiyah Sal, Selvakumar Mariappan, Jagadheswaran Rajendran, Arvind Singh Rawat, Nuha A. Rhaffor, Narendra Kumar, Arokia Nathan, and Binboga S. Yarman. 2023. "A State-of-the-Art Review on CMOS Radio Frequency Power Amplifiers for Wireless Communication Systems" Micromachines 14, no. 8: 1551. https://doi.org/10.3390/mi14081551
APA StyleHamid, S. S., Mariappan, S., Rajendran, J., Rawat, A. S., Rhaffor, N. A., Kumar, N., Nathan, A., & Yarman, B. S. (2023). A State-of-the-Art Review on CMOS Radio Frequency Power Amplifiers for Wireless Communication Systems. Micromachines, 14(8), 1551. https://doi.org/10.3390/mi14081551

