Analysis and Design of a Non-Magnetic Bulk CMOS Passive Circulator Using 25% Duty-Cycle Clock
Abstract
1. Introduction
2. Analysis
2.1. Time-Domain Analysis
2.2. Frequency-Domain Analysis
2.3. System-Level Analysis
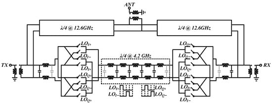
3. Implementation
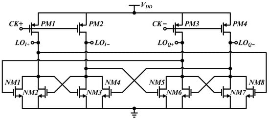
3.1. Generation of 25% Duty-Cycle Clock Signal
3.2. Proposed Circulator
4. Measurements
5. Limitations of the Study and Recommendations
6. Conclusions
Author Contributions
Funding
Data Availability Statement
Conflicts of Interest
References
- Debaillie, B.; van Liempd, B.; Hershberg, B.; Craninckx, J.; Rikkinen, K.; van den Broek, D.J.; Klumperink, E.A.M.; Nauta, B. In-band Full-Duplex Transceiver Technology for 5G Mobile Networks. In Proceedings of the ESSCIRC Conference 2015—41st European Solid-State Circuits Conference (ESSCIRC), Graz, Austria, 14–18 September 2015. [Google Scholar]
- Giordani, M.; Polese, M.; Mezzavilla, M.; Rangan, S.; Zorzi, M. Toward 6G Networks: Use Cases and Technologies. IEEE Commun. Mag. 2020, 58, 55–61. [Google Scholar] [CrossRef]
- Reiskarimian, N.; Dinc, T.; Zhou, J.; Chen, T.; Dastjerdi, M.B.; Diakonikolas, J.; Zussman, G.; Krishnaswamy, H. One-way ramp to a two-way highway: Integrated magnetic-free nonreciprocal antenna interfaces for full-duplex wireless. IEEE Microw. Mag. 2019, 20, 56–75. [Google Scholar] [CrossRef]
- Zhou, J.; Reiskarimian, N.; Diakonikolas, J.; Dinc, T.; Chen, T.; Zussman, G.; Krishnaswamy, H. Integrated full duplex radios. IEEE Commun. Mag. 2017, 55, 142–151. [Google Scholar] [CrossRef]
- Barneto, C.B.; Riihonen, T.; Turunen, M.; Anttila, L.; Fleischer, M.; Stadius, K.; Ryynanen, J.; Valkama, M. Full-Duplex OFDM Radar With LTE and 5G NR Waveforms: Challenges, Solutions, and Measurements. IEEE Trans. Microw. Theory Tech. 2019, 67, 4042–4054. [Google Scholar] [CrossRef]
- Biedka, M.; Wang, Y.E.; Xu, Q.M.; Li, Y. Full-Duplex RF Front Ends: From Antennas and Circulators to Leakage Cancellation. IEEE Microw. Mag. 2019, 20, 44–55. [Google Scholar] [CrossRef]
- Dinc, T.; Chakrabarti, A.; Krishnaswamy, H. A 60 GHz CMOS Full-Duplex Transceiver and Link with Polarization-Based Antenna and RF Cancellation. IEEE J. Solid-State Circuits 2016, 51, 1125–1140. [Google Scholar] [CrossRef]
- Chi, T.; Park, J.S.; Li, S.; Wang, H. A 64GHz Full-Duplex Transceiver Front-End with an On-Chip Multifeed Self-Interference-Canceling Antenna and an All-Passive Canceler Supporting 4Gb/s Modulation in One Antenna Footprint. In Proceedings of the 2018 IEEE International Solid—State Circuits Conference—(ISSCC), San Francisco, CA, USA, 11–15 February 2018. [Google Scholar]
- Le, A.T.; Tran, L.C.; Huang, X.; Guo, Y.J. Analog Least Mean Square Loop With I/Q Imbalance for Self-Interference Cancellation in Full-Duplex Radios. IEEE Trans. Veh. Technol. 2019, 68, 9848–9860. [Google Scholar] [CrossRef]
- Le, A.T.; Tran, L.C.; Huang, X.; Guo, Y.J. Beam-Based Analog Self-Interference Cancellation in Full-Duplex MIMO Systems. IEEE Trans. Wirel. Commun. 2020, 19, 2460–2471. [Google Scholar] [CrossRef]
- Zhou, J.; Chuang, T.-H.; Dinc, T.; Krishnaswamy, H. Integrated Wideband Self-Interference Cancellation in the RF Domain for FDD and Full-Duplex Wireless. IEEE J. Solid-State Circuits 2015, 50, 3015–3031. [Google Scholar] [CrossRef]
- Roberts, I.P.; Jain, H.B.; Vishwanath, S. Equipping Millimeter-Wave Full-Duplex with Analog Self-Interference Cancellation. In Proceedings of the 2020 IEEE International Conference on Communications Workshops (ICC Workshops), Dublin, Ireland, 7–11 June 2020. [Google Scholar]
- Erdem, M.; Gurbuz, O.; Ozkan, H. A Residual Scheme for Digital Self-Interference Cancellation in Full Duplex Communication. In Proceedings of the 2020 IEEE International Conference on Communications Workshops (ICC Workshops), Dublin, Ireland, 7–11 June 2020. [Google Scholar]
- Ershadi, A.; Entesari, K. A 0.5-to-3.5-GHz Full-Duplex Mixer-First Receiver With Cartesian Synthesized Self-Interference Suppression Interface in 65-nm CMOS. IEEE Trans. Microw. Theory Tech. 2020, 68, 1995–2010. [Google Scholar] [CrossRef]
- Zhang, T.; Su, C.; Najafi, A.; Rudell, J.C. Wideband Dual-Injection Path Self-Interference Cancellation Architecture for Full-Duplex Transceivers. IEEE J. Solid-State Circuits 2018, 53, 1563–1576. [Google Scholar] [CrossRef]
- Hamza, A.; Hill, C.; AlShammary, H.; Buckwalter, J. High-Rejection RF Code Domain Receivers for Simultaneous Transmit and Receive Applications. IEEE J. Solid-State Circuits 2020, 55, 1909–1921. [Google Scholar] [CrossRef]
- Waheed, M.Z.; Korpi, D.; Anttila, L.; Kiayani, A.; Kosunen, M.; Stadius, K.; Campo, P.P.; Turunen, M.; Allen, M.; Ryynanen, J.; et al. Passive Intermodulation in Simultaneous Transmit–Receive Systems: Modeling and Digital Cancellation Methods. IEEE Trans. Microw. Theory Tech. 2020, 68, 3633–3652. [Google Scholar] [CrossRef]
- Haq, F.U.; Englund, M.; Antonov, Y.; Stadius, K.; Kosunen, M.; Ryynänen, J.; Östman, K.B.; Koli, K. Full-Duplex Wireless Transceiver Self-Interference Cancellation Through FD-SOI Buried-Gate Signaling. In Proceedings of the 2018 IEEE International Symposium on Circuits and Systems (ISCAS), Florence, Italy, 27–30 May 2018. [Google Scholar]
- Mikhemar, M.; Darabi, H.; Abidi, A. A tunable integrated duplexer with 50dB isolation in 40nm CMOS. In Proceedings of the 2009 IEEE International Solid-State Circuits Conference—Digest of Technical Papers, San Francisco, CA, USA, 8–12 February 2009. [Google Scholar]
- Mikhemar, M.; Darabi, H.; Abidi, A.A. A Multiband RF Antenna Duplexer on CMOS: Design and Performance. IEEE J. Solid-State Circuits 2013, 48, 2067–2077. [Google Scholar] [CrossRef]
- Tanaka, S.; Shimomura, N.; Ohtake, K. Active circulators—The realization of circulators using transistors. Proc. IEEE 1965, 53, 260–267. [Google Scholar] [CrossRef]
- Mung, S.W.Y.; Chan, W.S. The Challenge of Active Circulators: Design and Optimization in Future Wireless Communication. IEEE Microw. Mag. 2019, 20, 55–66. [Google Scholar] [CrossRef]
- Tang, B.; Gui, X.; Xu, J.; Xia, Q.; Geng, L. A Dual Interference-Canceling Active Quasi-Circulator Achieving 36-dB Isolation Over 6-GHz Bandwidth. IEEE Microw. Wirel. Compon. Lett. 2019, 29, 409–411. [Google Scholar] [CrossRef]
- Wang, S.; Lee, C.-H.; Wu, Y.-B. Fully Integrated 10-GHz Active Circulator and Quasi-Circulator Using Bridged-T Networks in Standard CMOS. IEEE Trans. Very Large Scale Integr. (VLSI) Syst. 2016, 24, 3184–3192. [Google Scholar] [CrossRef]
- Fang, K.; Buckwalter, J.F. A Tunable 5–7 GHz Distributed Active Quasi-Circulator With 18-dBm Output Power in CMOS SOI. IEEE Microw. Wirel. Compon. Lett. 2017, 27, 998–1000. [Google Scholar] [CrossRef]
- Nagulu, A.; Reiskarimian, N.; Krishnaswamy, H. Non-reciprocal electronics based on temporal modulation. Nat. Electron. 2020, 3, 241–250. [Google Scholar] [CrossRef]
- Kodera, T.; Sounas, D.L.; Caloz, C. Magnetless Nonreciprocal Metamaterial (MNM) Technology: Application to Microwave Components. IEEE Trans. Microw. Theory Tech. 2013, 61, 1030–1042. [Google Scholar] [CrossRef]
- Fleury, R.; Sounas, D.L.; Sieck, C.F.; Haberman, M.R.; Alù, A. Sound isolation and giant linear nonreciprocity in a compact acoustic circulator. Science 2014, 343, 516–519. [Google Scholar] [CrossRef] [PubMed]
- Estep, N.A.; Sounas, D.L.; Soric, J.; Alù, A. Magnetic-free non-reciprocity and isolation based on parametrically modulated coupled-resonator loops. Nat. Phys. 2014, 10, 923–927. [Google Scholar] [CrossRef]
- Qin, S.; Xu, Q.; Wang, Y.E. Nonreciprocal Components With Distributedly Modulated Capacitors. IEEE Trans. Microw. Theory Tech. 2014, 62, 2260–2272. [Google Scholar] [CrossRef]
- Mahmoud, A.M.; Davoyan, A.R.; Engheta, N. All-passive nonreciprocal metastructure. Nat. Commun. 2015, 6, 8359. [Google Scholar] [CrossRef]
- Reiskarimian, N.; Krishnaswamy, H. Magnetic-free non-reciprocity based on staggered commutation. Nat. Commun. 2016, 7, 11217. [Google Scholar] [CrossRef]
- Dinc, T.; Tymchenko, M.; Nagulu, A.; Sounas, D.; Alù, A.; Krishnaswamy, H. Synchronized conductivity modulation to realize broadband lossless magnetic-free non-reciprocity. Nat. Commun 2017, 8, 795. [Google Scholar] [CrossRef]
- Nagulu, A.; Dinc, T.; Xiao, Z.; Tymchenko, M.; Sounas, D.L.; Alù, A.; Krishnaswamy, H. Nonreciprocal Components Based on Switched Transmission Lines. IEEE Trans. Microw. Theory Tech. 2018, 66, 4706–4725. [Google Scholar] [CrossRef]
- Kord, A.; Sounas, D.L.; Alu, A. Microwave Nonreciprocity. Proc. IEEE 2020, 108, 1728–1758. [Google Scholar] [CrossRef]
- Reiskarimian, N.; Zhou, J.; Krishnaswamy, H. A CMOS Passive LPTV Nonmagnetic Circulator and Its Application in a Full-Duplex Receiver. IEEE J. Solid-State Circuits 2017, 52, 1358–1372. [Google Scholar] [CrossRef]
- Dinc, T.; Nagulu, A.; Krishnaswamy, H. A Millimeter-Wave Non-Magnetic Passive SOI CMOS Circulator Based on Spatio-Temporal Conductivity Modulation. IEEE J. Solid-State Circuits 2017, 52, 3276–3292. [Google Scholar] [CrossRef]
- Ruffino, A.; Peng, Y.; Sebastiano, F.; Babaie, M.; Charbon, E. A 6.5-GHz Cryogenic All-Pass Filter Circulator in 40-nm CMOS for Quantum Computing Applications. In Proceedings of the 2019 IEEE Radio Frequency Integrated Circuits Symposium (RFIC), Boston, MA, USA, 2–4 June 2019. [Google Scholar]
- Ruffino, A.; Peng, Y.; Sebastiano, F.; Babaie, M.; Charbon, E. A Wideband Low-Power Cryogenic CMOS Circulator for Quantum Applications. IEEE J. Solid-State Circuits 2020, 55, 1224–1238. [Google Scholar] [CrossRef]
- Reiskarimian, N.; Khorshidian, M.; Krishnaswamy, H. Inductorless, Widely Tunable N-Path Shekel Circulators Based on Harmonic Engineering. IEEE J. Solid-State Circuits 2021, 56, 1425–1437. [Google Scholar] [CrossRef]
- Nagulu, A.; Mekkawy, A.; Tymchenko, M.; Sounas, D.; Alù, A.; Krishnaswamy, H. Ultra-Wideband Switched-Capacitor Delays and Circulators—Theory and Implementation. IEEE J. Solid-State Circuits 2021, 56, 1412–1424. [Google Scholar] [CrossRef]
- Nagulu, A.; Krishnaswamy, H. Non-Magnetic CMOS Switched-Transmission-Line Circulators With High Power Handling and Antenna Balancing: Theory and Implementation. IEEE J. Solid-State Circuits 2019, 54, 1288–1303. [Google Scholar] [CrossRef]
- Nagulu, A.; Krishnaswamy, H. 28.5 Non-Magnetic 60GHz SOI CMOS Circulator Based on Loss/Dispersion-Engineered Switched Bandpass Filters. In Proceedings of the 2019 IEEE International Solid- State Circuits Conference—(ISSCC), San Francisco, CA, USA, 17–21 February 2019. [Google Scholar]
- Nagulu, A.; Chen, T.; Zussman, G.; Krishnaswamy, H. Multi-Watt, 1-GHz CMOS Circulator Based on Switched-Capacitor Clock Boosting. IEEE J. Solid-State Circuits 2020, 55, 3308–3321. [Google Scholar] [CrossRef]
- Min, B.; Hwang, J. Fully Integrated Ultra-Wideband Differential Circulator Based on Sequentially Switched Delay Line in 28-nm FDSOI CMOS. In Proceedings of the 2022 IEEE Radio Frequency Integrated Circuits Symposium—(RFIC), Denver, CO, USA, 19–21 June 2022. [Google Scholar]
- Tellegen, B.D.H. The gyrator, a new electric network element. Philips Res. Rep. 1948, 3, 81–101. [Google Scholar]
- Kord, A.; Tymchenko, M.; Sounas, D.L.; Krishnaswamy, H.; Alu, A. CMOS Integrated Magnetless Circulators Based on Spatiotemporal Modulation Angular-Momentum Biasing. IEEE Trans. Microw. Theory Tech. 2019, 67, 2649–2662. [Google Scholar] [CrossRef]










| Reference | Topology | Technology | Frequency (GHz) | Clock Duty Cycle | Usage |
|---|---|---|---|---|---|
| [36] | N-path | 65 nm | 0.6–0.8 | 8 | Sub-GHz |
| [40] | 65 nm | 0.11–1.1/ 0.28–1.15 | 4/8 | Sub-GHz | |
| [41] | 65 nm | DC-1 | 8 | Sub-GHz | |
| [37] [42] | Switched TL | 45 nm SOI * 180 nm SOI | 22.7–27.3 0.86–1.08 | 2 2 | 5G Sub-GHz |
| [43] | 45 nm SOI | 50–56.8 | 2 | WiFi | |
| [44] | 180 nm SOI | 0.914–1.086 | 2 | Sub-GHz | |
| [45] | 28 nm FDSOI ** | 0.05–7 | 2 | Sub-GHz |
| Modulation Period | Left | TL * | Right | Phase Shift |
|---|---|---|---|---|
| 0 | A1 (0°) | 90° | A2 (0°) | 90° |
| Tm/4 | C1 (0°) | 90° | C2 (0°) | 90° |
| Tm/2 | B1 (180°) | 90° | B2 (180°) | 450° (90°) |
| 3Tm/4 | D1 (180°) | 90° | D2 (180°) | 450° (90°) |
| Modulation Period | Right | TL * | Left | Phase Shift |
|---|---|---|---|---|
| 0 | D2 (180°) | 90° | C1 (0°) | 270° (−90°) |
| Tm/4 | A2 (0°) | 90° | B1 (180°) | 270° (−90°) |
| Tm/2 | C2 (0°) | 90° | D1 (180°) | 270° (−90°) |
| 3Tm/4 | B2 (180°) | 90° | A1 (0°) | 270° (−90°) |
| This Work | [37] | [42] | [43] | [47] | [23] | |
|---|---|---|---|---|---|---|
| Type | Passive Circulator | Passive Circulator | Passive Circulator | Passive Circulator | Passive Circulator | Active Quasi-Circulator |
| Technology | 90-nm CMOS | 45-nm CMOS SOI | 180-nm CMOS SOI | 45-nm CMOS SOI | 180-nm CMOS | 180-nm CMOS |
| Frequency (GHz) * | 11.6–14.3 | 22.7–27.3 | 0.86–1.08 | 50–56.8 | 0.89–0.92 | 1–7 **** |
| Designed Center Frequency (GHz) | 12.6 | 25 | 0.95 | 54 | 0.91 | N/A |
| Reconfiguration /Tuning | No | Clock Phase Tuning | Antenna Tuning | Clock Phase Tuning | External Reconfigurable Impedance Tuning | No |
| TX-ANT Transmission (dB) | −3.9 @12.6 GHz | −3.3 @25 GHz | −2.1 @0.95 GHz | −3.6(1.2V VDD)/−3.9(1V VDD) @54 GHz | −4.8 @0.91 GHz | >−10 |
| ANT-RX Transmission (dB) | −4.0 @12.6 GHz | −3.2 @24.7 GHz | −2.9 @0.95 GHz | −3.1 @54 GHz | −4.8 @0.91 GHz | >−9 |
| TX-RX Isolation (dB) ** | > 17.2 | > 18.3 | > 25 | > 20 | > 20 | >36 |
| Isolation Bandwidth *** | 21.4% | 18.4% | 17% | 14.6% | 3.4% | N/A |
| TX-ANT IIP3 (dBm) | 19.7 | 20.1 | 50.025 | 19.43 | 6.1 | 9.7 |
| ANT-RX IIP3 (dBm) | 20 | 19.9 | 36.9 | 19.03 | 6 | 3.5 |
| Area (mm2) | 1.55 × 1.15 | 1.8 × 1.2 | 4.6 × 3.6 | 1.57 × 1.1 | 36 | 1.03 × 0.55 |
Disclaimer/Publisher’s Note: The statements, opinions and data contained in all publications are solely those of the individual author(s) and contributor(s) and not of MDPI and/or the editor(s). MDPI and/or the editor(s) disclaim responsibility for any injury to people or property resulting from any ideas, methods, instructions or products referred to in the content. |
© 2022 by the authors. Licensee MDPI, Basel, Switzerland. This article is an open access article distributed under the terms and conditions of the Creative Commons Attribution (CC BY) license (https://creativecommons.org/licenses/by/4.0/).
Share and Cite
Gao, J.; Wang, X.; Han, F.; Wan, J.; Gu, W. Analysis and Design of a Non-Magnetic Bulk CMOS Passive Circulator Using 25% Duty-Cycle Clock. Micromachines 2023, 14, 33. https://doi.org/10.3390/mi14010033
Gao J, Wang X, Han F, Wan J, Gu W. Analysis and Design of a Non-Magnetic Bulk CMOS Passive Circulator Using 25% Duty-Cycle Clock. Micromachines. 2023; 14(1):33. https://doi.org/10.3390/mi14010033
Chicago/Turabian StyleGao, Jian, Xinghua Wang, Fang Han, Jiayue Wan, and Wei Gu. 2023. "Analysis and Design of a Non-Magnetic Bulk CMOS Passive Circulator Using 25% Duty-Cycle Clock" Micromachines 14, no. 1: 33. https://doi.org/10.3390/mi14010033
APA StyleGao, J., Wang, X., Han, F., Wan, J., & Gu, W. (2023). Analysis and Design of a Non-Magnetic Bulk CMOS Passive Circulator Using 25% Duty-Cycle Clock. Micromachines, 14(1), 33. https://doi.org/10.3390/mi14010033

