Next Article in Journal
System Identification and Mathematical Modeling of A Piezoelectric Actuator through A Practical Three-Stage Mechanism
Next Article in Special Issue
Design of a Novel Compact Bandpass Filter Based on Low-Cost Through-Silicon-Via Technology
Previous Article in Journal
A Novel Fast Servo Tool Device with Double Piezoelectric Driving
Previous Article in Special Issue
Analysis and Design of a Non-Magnetic Bulk CMOS Passive Circulator Using 25% Duty-Cycle Clock
 
 
Font Type:
Arial Georgia Verdana
Font Size:
Aa Aa Aa
Line Spacing:
Column Width:
Background:
Article

A D-Band Direct-Conversion IQ Receiver with 28 dB CG and 7.3 dB NF in 130 nm SiGe Process

School of Electronic Science and Engineering (National Exemplary School of Microelectronics), University of Electronic Science and Technology of China, Chengdu 611731, China
*
Author to whom correspondence should be addressed.
Micromachines 2023, 14(1), 87; https://doi.org/10.3390/mi14010087
Submission received: 8 December 2022 / Revised: 23 December 2022 / Accepted: 24 December 2022 / Published: 29 December 2022
(This article belongs to the Special Issue State-of-the-Art CMOS and MEMS Devices)

Abstract

:
In this paper, a D-band direct conversion IQ receiver with on-chip multiplier chain is presented. The D-band LNA with gain-boosting and stagger-tunning technique is implemented to provide high gain and large bandwidth. X9 multiplier chain including Marchand balun and quadrature (90°) hybrid is employed to provide four path LO signal to drive IQ mixer. This receiver is implemented in a 130nm SiGe process and consumes a core area of 1.04 mm2. From the experimental results, the proposed receiver exhibits a 20 GHz bandwidth from 150 GHz to 170 GHz, with CG of 28 dB and NF of 7.3 dB at 158 GHz.

1. Introduction

Due to the abundant spectrum resources, THz and sub-THz systems attract more and more attention to high-speed communication systems and high-resolution radar [1,2,3,4,5,6,7,8,9]. Especially, with the emergence of advanced silicon processes which offer fmax above 400 GHz [10,11], the development of D-band (110–170GHz) front-ends grows rapidly. Nowadays, several D-band transceivers are being reported in communication and radar systems [12,13,14,15].
For the D-band receiver, high gain, low noise, and large bandwidth are the key requirements to strict the building block of the front-ends. To meet these above-mentioned requirements, in this paper, we present a D-band direct conversion IQ receiver with on-chip LO multiplier chain. Benefiting from the on-chip LO chain, this receiver has great potential to be integrated into the digital backend for communication and radar systems.

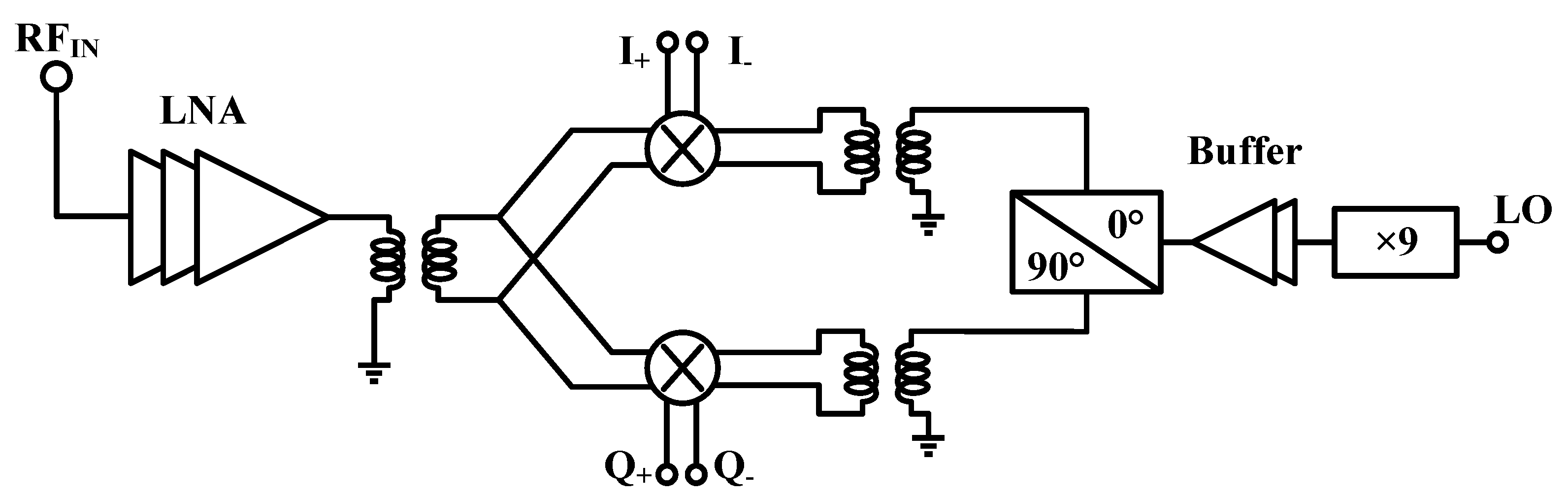
2. Receiver Architecture and Building Block

2.1. The Direct Conversion IQ Receiver

The architecture of the proposed D-band direct conversion IQ receiver is shown in Figure 1. It is implemented in a 130 nm SiGe process with an ft/fmax of 300/450 GHz. This receiver integrated the LNA, LO chain, and IQ mixer. Due to the high gain and large bandwidth of the LNA, the D-band receiver can suppress the noise contribution due to all the blocks after the front-end LNA. To drive the IQ mixer, x9 LO multiplier chain with buffer amplifier, Marchand balun, and quadrature (90°) hybrid are implemented which can provide four paths of D-band signal.

2.2. The D-Band LNA

The schematic of the proposed LNA is shown in Figure 2. The design of the LNA mainly focuses on optimizing NF, bandwidth, and gain. Firstly, to obtain a sufficient power gain at such high frequency, four stage amplifier is cascaded in which the first and second stages are the cascade structure, with the third and the fourth stages being the common source structure. The sufficient power gain of the LNA is also beneficial to make the contribution of other blocks to the overall chain noise negligible. Secondly, for the NF optimization, since the first stage amplifier dominates the NF of the whole LNA, the source degeneration inductor TLS and gain-boosted inductor TLg are employed in the first stage amplifier, respectively, to obtain a low NF and high gain. Finally, to obtain a wide bandwidth, a gain control stagger-tuning technique is employed in this four-stage amplifier [16,17,18,19]. The peak gain of the first, second, third, and fourth-stage amplifiers is located at 160 GHz, 175 GHz, 145 GHz, and 145 GHz, respectively.
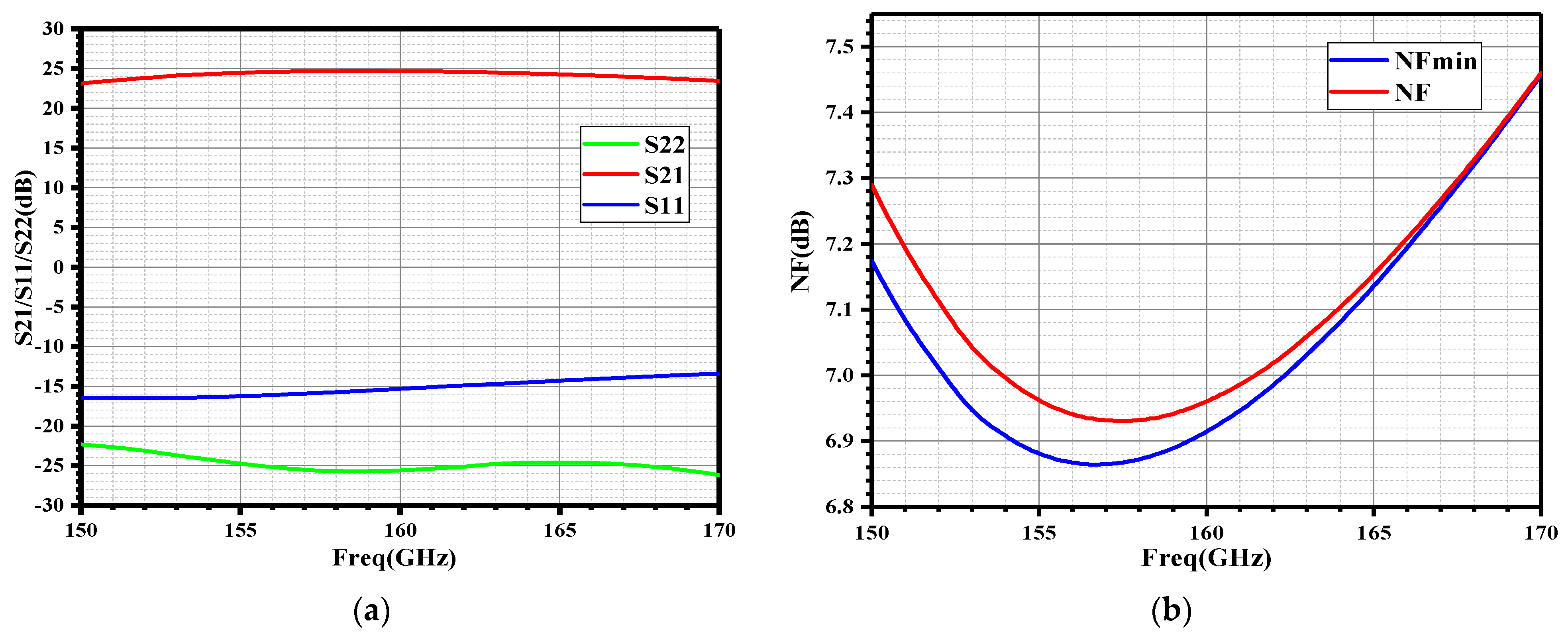
The S-parameters and NF simulation results of the proposed wideband LNA are shown in Figure 3. From 150–170 GHz, the proposed LNA exhibits a flat gain range from 23.1 dB to 24.6 dB, it also achieved well input and output conjugate matching. Figure 3b shows the NF simulation result, from 150–170 GHz the proposed LNA exhibits a low NF value range from 6.93 dB to 7.45 dB.

2.3. The Mixer

The schematic of the D-band quadrature mixer is shown in Figure 4; it is based on a pseudo-differential Gilbert cell.
The pseudo-differential transconductance stage eliminates the linearity penalty caused by the tail-current source. As a down conversation mixer, the inductive emitter degeneration technique is employed at high frequency for enhancing linearity. The size of the transconductance stage was determined as minimum as possible to provide a high input impedance to relieve the stress of impedance matching. The size of the switching quad was also determined as a minimum to relax the LO requirement [20]. The mixer drives a 500 Ω load, a relatively large load that provides high voltage gain. Simulating the conversion gain, the S-parameter quadrature mixer results are shown in Figure 5.

2.4. The LO Multiplier Chain

The receiver employs the frequency multiplier chain to generate the 160 GHz LO signal with an external reference of 17 to 19 GHz. The schematic of the multiplier chain with buffer amplifiers is shown in Figure 6.
The core part of the LO chain is a two-stage x3 injection-locked frequency multiplier (ILFM) to produce a x9 signal. Then, three-stage cascade amplifiers, 90° hybrid coupler, and Marchand balun are utilized to generate differential I/Q signals to drive mixers.
For the ILFM, Figure 7 represents the schematic of the transformer-based VCO. The x3 ILFM adopts the third-harmonic enhancement technique [21] in transformer-based LC VCO, ensuring the multiplier is working at the fundamental and third harmonic wave. Due to the nature that the frequency is locked at fundamental, with the amplifying and detecting function of the resonant tank in the collector, it is easier for the multiplier to be locked with a wider locking range. As a trade-off between large third harmonic and phase noise, Km is about 0.5 and 0.6 for the transformers of the first and second stages, which use the planar and overlay structure, respectively, to keep a relatively high and constant Km and avoid the inductor self-resonance. The equivalent Q-factor of the transformer in Figure 7 can be calculated as:
Q e q = 1 + α p α s k m 2 α p α s α p Q p + α s Q s α p α s ( 1 Q p + 1 Q s ) ,
where α p = ω 2 L p C p , α s = ω 2 L s C s , Q p , and Q s are the Q-factor for the primary and secondary winding. When equals to the fundamental and third harmonic, assuming Q p = Q s , (1) can be simplified to:
Q e q | ω = ω f u n d , 3 r d = Q p ( 1 + 2 α s k m 2 1 + X 2 α s ) ,
where X = L s C s / L p C p . For a transformer based dual tank resonator, when ω = ω f u n d , α s < 1 while ω = ω 3 r d , α > 1 / 1 k m 2 . From (2), it can be concluded that a smaller Km brings a larger Q-factor and impendence at the third harmonic, which is desired for the enhancement and multiplying. However, a large Km is still required for a high Q-factor at the fundamental, because the reduction in Km makes the phase noise performance degrade.
For the core part, the output power at the second amplifier reaches 0.3 dBm at 160 GHz with an input power of 6 dBm. The amplitude and phase mismatch at 150 to 170 GHz is <0.5 dB and <4.5°, respectively, with a –3 dBm input at the third amplifier. The total power consumption is 355 mW, in which the core consumes 91 mW from a 1.6 V supply, while the amplifier chain occupies 264 mW from a 3 V supply.

2.5. The Quadrature (90°) Hybrid

In the LO chain, to generate the quadrature-hybrid signal, a compact quadrature (90°) hybrid is implemented. The layout of the quadrature-hybrid is shown in Figure 8a. Co-planner waveguides (CPW) are chosen to realize the 50 Ω and 35 Ω transmission lines for their better shielding and higher integration at D-band. The 35 Ω CPWs are meandered to reduce the total size of the quadrature-hybrid. Simulation results show that the insertion loss is 1–1.5 dB and the phase/gain error is within ±3° and ±1 dB over 150–170 GHz.

2.6. The Marchand Balun

Marchand balun is employed to achieve the function of single to differential signal conversion. The 3D structure picture and model picture of Marchand balun are shown in Figure 9.
The Marchand balun consists of two couplers. TopMetal2 and TopMetal1 are utilized to generate the coupler and the length of the transmission line in the coupler is 187 µm. The odd and even impedances of the quarter-wave-length coupler in the balun should be 26 and 96 Ω, respectively [22]. To save the chip area, this balun has been folded and it exhibits a symmetrical layout.
The proposed balun structure is EM-simulated by a fully-wave EM simulator. Figure 10a shows the simulation results of S-parameters. The S11 of balun is lower than −20 dB and the amplitude imbalance is less than 0.4 dB from 150 GHz to 170 GHz. Figure 10b shows the phase imbalance of the proposed balun; it exhibits a 6° phase imbalance at 160 GHz.

3. Experimental Result

The die photograph of the proposed D-band direct conversion IQ receiver is shown in Figure 11; it consumes a DC power of 428 mW and a total area of 1.04 mm2 excluding all these RF and DC pads. Due to the measurement limitation, experimental results of conversion gain and linearity of the receiver are presented, with the results of the LNA part being measured and the results of the mixer part simulated.

3.1. The Conversion Gain

Conversion gain results at 1 GHz IF for the proposed receiver are shown in Figure 12. From 150 GHz to 170 GHz, the proposed receiver achieves an overall CG above 25 dB and a maximum CG of 28 dB was achieved at 158 GHz.

3.2. NF

Due to the low noise and high gain performance of the D-band LNA in the receiver front-end, the proposed receiver exhibits a simulated NF result below 8 dB from 150 GHz to 170 GHz as shown in Figure 13. The lowest NF of 7.3 dB is achieved at 158 GHz.

3.3. 1-dB Compression Point

1-dB compression point results at 160 GHz are shown in Figure 14. The proposed receiver achieved an input compression point of −19 dBm.

3.4. S-Parameters

Measured and simulated S-parameters for the RF input of the proposed receiver are shown in Figure 15. It shows great matching on the RF input. The S11 is below –10 dB from 150 GHz to 170 GHz.

4. Conclusions

This work presents a D-band direct conversion IQ receiver in a 130 nm SiGe process. The proposed fundamental receiver features a low NF D-band LNA and on-chip LO chain. The performance comparison between our work and the prior silicon-based D-band receiver is presented in Table 1. The proposed receiver is working at the high side of the D-band frequency range with large bandwidth, high gain, and low noise properties. It has great potential for sub-THz communication and high-resolution radar systems.

Author Contributions

Conceptualization, F.H. and Z.W.; methodology, F.H.; software, F.H., Y.D., Z.X., M.N. and Y.T.; validation, F.H.; formal analysis, F.H.; investigation, F.H.; resources, Z.W.; data curation, F.H.; writing—original draft preparation, F.H., Y.D., Z.X., Z.Z., Z.S. and K.W.; writing—review and editing, F.H., Q.X. and Z.W.; visualization, F.H.; supervision, Z.W.; project administration, F.H. and Z.W.; funding acquisition, Q.X. and Z.W. All authors have read and agreed to the published version of the manuscript.

Funding

This work was supported in part by the National Natural Science Foundation of China under Grant 62034002 and Grant 61874022.

Informed Consent Statement

Not applicable.

Data Availability Statement

The data that support the findings of this study are available within the article.

Acknowledgments

The authors would like to thank the anonymous reviewers and editor for their valuable comments which helped in improving this manuscript.

Conflicts of Interest

The authors declare no conflict of interest.

References

  1. Chen, Z.; Ma, X.; Zhang, B.; Zhang, Y.; Niu, Z.; Kuang, N.; Li, S. A survey on terahertz communications. China Commun. 2019, 16, 1–35. [Google Scholar] [CrossRef]
  2. Akyildiz, I.F.; Han, C.; Hu, Z.; Nie, S.; Jornet, J.M. Terahertz Band Communication: An Old Problem Revisited and Research Directions for the Next Decade. IEEE Trans. Commun. 2022, 70, 4250–4285. [Google Scholar] [CrossRef]
  3. Guan, S.; Cheng, J.; Chang, S. Recent Progress of Terahertz Spatial Light Modulators: Materials, Principles and Applications. Micromachines 2022, 13, 1637. [Google Scholar] [CrossRef] [PubMed]
  4. Lin, C.-H.; Cheng, Y.-H. A THz Waveguide Bandpass Filter Design Using an Artificial Neural Network. Micromachines 2022, 13, 841. [Google Scholar] [CrossRef]
  5. Song, R.; Li, N. High Speed Terahertz Communication in the Space and Terrestrial Integrated Next Generation Wireless Communication Systems. In Proceedings of the 2020 13th UK-Europe-China Workshop on Millimetre-Waves and Terahertz Technologies (UCMMT), Online, 29–31 August 2020; pp. 1–3. [Google Scholar] [CrossRef]
  6. Stanko, S.; Caris, M.; Wahlen, A.; Sommer, R.; Wilcke, J.; Leuther, A.; Tessmann, A. Millimeter resolution with radar at lower terahertz. In Proceedings of the 2013 14th International Radar Symposium (IRS), Dresden, Germany, 19–21 June 2013; pp. 235–238. [Google Scholar]
  7. Kanno, A.; Sekine, N.; Uzawa, Y.; Hosako, I.; Kawanishi, T. 300-GHz versatile transceiver front-end for both communication and imaging. In Proceedings of the 2015 40th International Conference on Infrared, Millimeter, and Terahertz waves (IRMMW-THz), Hong Kong, China, 23–28 August 2015; pp. 1–2. [Google Scholar] [CrossRef]
  8. Kang, S.; Thyagarajan, S.V.; Niknejad, A.M. A 240 GHz Fully Integrated Wideband QPSK Transmitter in 65 nm CMOS. IEEE J. Solid-State Circuits 2015, 50, 2256–2267. [Google Scholar] [CrossRef]
  9. Wang, Z.; Chiang, P.Y.; Nazari, P.; Wang, C.C.; Chen, Z.; Heydari, P. A CMOS 210-GHz Fundamental Transceiver with OOK Modulation. IEEE J. Solid-State Circuits 2014, 49, 564–580. [Google Scholar] [CrossRef]
  10. Heinemann, B.; Barth, R.; Bolze, D.; Drews, J.; Fischer, G.G.; Fox, A.; Fursenko, O.; Grabolla, T.; Haak, U.; Knoll, D.; et al. SiGe HBT technology with fT/fmax of 300GHz/500GHz and 2.0 ps CML gate delay. In Proceedings of the 2010 International Electron Devices Meeting, San Francisco, CA, USA, 6–8 December 2010; pp. 30.5.1–30.5.4. [Google Scholar] [CrossRef]
  11. Chevalier, P.; Jungemann, C.; Lovblom, R.; Maneux, C.; Ostinelli, O.; Pawlak, A.; Rinaldi, N.; Rucker, H.; Wedel, G.; Zimmer, T.; et al. Si/SiGe:C and InP/GaAsSb Heterojunction Bipolar Transistors for THz Applications. Proc. IEEE 2017, 105, 1035–1050. [Google Scholar] [CrossRef]
  12. Aguilar, E.; Issakov, V.; Weigel, R. Highly-Integrated <0.14mm2D -Band Receiver Front-Ends for Radar and Imaging Applications in a 130 nm SiGe BiCMOS Technology. In Proceedings of the 2019 IEEE 19th Topical Meeting on Silicon Monolithic Integrated Circuits in RF Systems (SiRF), Orlando, FL, USA, 20–23 January 2019; pp. 1–4. [Google Scholar] [CrossRef]
  13. Carpenter, S.; Zirath, H.; He, Z.S.; Bao, M. A fully integrated D-band direct-conversion I/Q transmitter and receiver chipset in SiGe BiCMOS technology. J. Commun. Netw. 2021, 23, 73–82. [Google Scholar] [CrossRef]
  14. Farid, A.A.; Simsek, A.; Ahmed, A.S.H.; Rodwell, M.J.W. A Broadband Direct Conversion Transmitter/Receiver at D-band Using CMOS 22nm FDSOI. In Proceedings of the 2019 IEEE Radio Frequency Integrated Circuits Symposium (RFIC), Boston, MA, USA, 2–4 June 2019; pp. 135–138. [Google Scholar] [CrossRef]
  15. Wang, C.; Rebeiz, G. A 2-Channel 136–156 GHz Dual Down-Conversion I/Q Receiver with 30 dB Gain and 9.5 dB NF Using CMOS 22 nm FDSOI. In Proceedings of the 2021 IEEE Radio Frequency Integrated Circuits Symposium (RFIC), San Diego, CA, USA, 11–13 June 2021; pp. 219–222. [Google Scholar] [CrossRef]
  16. Kim, J.; Buckwalter, J.F. Staggered Gain for 100+ GHz Broadband Amplifiers. IEEE J. Solid-State Circuits 2011, 46, 1123–1136. [Google Scholar] [CrossRef]
  17. Jang, T.H.; Jung, K.P.; Kang, J.S.; Byeon, C.W.; Park, C.S. 120-GHz 8-Stage Broadband Amplifier with Quantitative Stagger Tuning Technique. IEEE Trans. Circuits Syst. I: Regul. Pap. 2020, 67, 785–796. [Google Scholar] [CrossRef]
  18. Karakuzulu, A.; Eissa, M.H.; Kissinger, D.; Malignaggi, A. A Broadband 110–170-GHz Stagger-Tuned Power Amplifier With 13.5-dBm Psat in 130-nm SiGe. IEEE Microw. Wirel. Compon. Lett. 2021, 31, 56–59. [Google Scholar] [CrossRef]
  19. Turkmen, E.; Burak, A.; Guner, A.; Kalyoncu, I.; Kaynak, M.; Gurbuz, Y. A SiGe HBT D-Band LNA With Butterworth Response and Noise Reduction Technique. IEEE Microw. Wirel. Compon. Lett. 2018, 28, 524–526. [Google Scholar] [CrossRef]
  20. Turkmen, E.; Aksoyak, I.K.; Debski, W.; Winkler, W.; Ulusoy, A.Ç. A 225–265 GHz I-Q Receiver in 130-nm SiGe BiCMOS for FMCW Radar Applications. IEEE Microw. Wirel. Compon. Lett. 2022, 32, 899–902. [Google Scholar] [CrossRef]
  21. Liu, X.; Luong, H.C. A 170-GHz 23.7% Tuning-Range CMOS Injection-Locked LO Generator with Third-Harmonic Enhancement. IEEE Trans. Microw. Theory Tech. 2020, 68, 2668–2678. [Google Scholar] [CrossRef]
  22. Chen, A.C.; Pham, A.-V.; Leoni, R.E., III. A Novel Broadband Even-Mode Matching Network for Marchand Baluns. IEEE Trans. Microw. Theory Tech. 2009, 57, 2973–2980. [Google Scholar] [CrossRef]
Figure 1. The D-band receiver structure.
Figure 1. The D-band receiver structure.
Micromachines 14 00087 g001
Figure 2. The schematic of the proposed wideband LNA.
Figure 2. The schematic of the proposed wideband LNA.
Micromachines 14 00087 g002
Figure 3. The simulation results of the four-stage LNA: (a) S-parameters; (b) NF.
Figure 3. The simulation results of the four-stage LNA: (a) S-parameters; (b) NF.
Micromachines 14 00087 g003
Figure 4. The schematic of the down-conversion mixer.
Figure 4. The schematic of the down-conversion mixer.
Micromachines 14 00087 g004
Figure 5. Simulation results of quadrature mixer.
Figure 5. Simulation results of quadrature mixer.
Micromachines 14 00087 g005
Figure 6. Schematic of the proposed LO chain.
Figure 6. Schematic of the proposed LO chain.
Micromachines 14 00087 g006
Figure 7. Schematic of the transformer-based VCO with third-harmonic extraction technique.
Figure 7. Schematic of the transformer-based VCO with third-harmonic extraction technique.
Micromachines 14 00087 g007
Figure 8. (a) Layout of the quadrature−hybrid, (b) simulated phase/gain response, and (c) simulated phase/gain error.
Figure 8. (a) Layout of the quadrature−hybrid, (b) simulated phase/gain response, and (c) simulated phase/gain error.
Micromachines 14 00087 g008
Figure 9. The 3D structure of the proposed Marchand balun.
Figure 9. The 3D structure of the proposed Marchand balun.
Micromachines 14 00087 g009
Figure 10. The EM simulation results of the Marchand balun: (a) S−parameters; (b) phase imbalance.
Figure 10. The EM simulation results of the Marchand balun: (a) S−parameters; (b) phase imbalance.
Micromachines 14 00087 g010
Figure 11. Die photograph of the D−band receiver chip.
Figure 11. Die photograph of the D−band receiver chip.
Micromachines 14 00087 g011
Figure 12. CG results at fIF = 1 GHz.
Figure 12. CG results at fIF = 1 GHz.
Micromachines 14 00087 g012
Figure 13. NF results at fIF = 1GHz.
Figure 13. NF results at fIF = 1GHz.
Micromachines 14 00087 g013
Figure 14. 1-dB compression point at 160 GHz.
Figure 14. 1-dB compression point at 160 GHz.
Micromachines 14 00087 g014
Figure 15. Simulated and measured S-parameters of the RF input.
Figure 15. Simulated and measured S-parameters of the RF input.
Micromachines 14 00087 g015
Table 1. Performance comparison and results summary.
Table 1. Performance comparison and results summary.
This Work[12][13][14][15]
Technology130 nm
SiGe
130 nm
SiGe
130 nm
SiGe
22 nm
SOI
22 nm
SOI
ft/fmax [GHz]300/450250/370230/280240/230240/230
f3dB[GHz]150–170114–146112–140125–145140–147
LO generationX9 multiplier chainOff-chipX6 multiplier chainX9 multiplier chainX3 multiplier chain
P1dB (input) [dBm]−19#−7−24−30−29
CG [dB]28#25272727–30
NF [dB]7.3 *11.8 *10 *8.5 *9
PDC [mW]428326280198197.5
Area [mm2]1.040.11.541.443.1
* Simulated; # experimental result.
Disclaimer/Publisher’s Note: The statements, opinions and data contained in all publications are solely those of the individual author(s) and contributor(s) and not of MDPI and/or the editor(s). MDPI and/or the editor(s) disclaim responsibility for any injury to people or property resulting from any ideas, methods, instructions or products referred to in the content.

Share and Cite

MDPI and ACS Style

He, F.; Ding, Y.; Xu, Z.; Ni, M.; Tian, Y.; Zhang, Z.; Shi, Z.; Wang, K.; Xie, Q.; Wang, Z. A D-Band Direct-Conversion IQ Receiver with 28 dB CG and 7.3 dB NF in 130 nm SiGe Process. Micromachines 2023, 14, 87. https://doi.org/10.3390/mi14010087

AMA Style

He F, Ding Y, Xu Z, Ni M, Tian Y, Zhang Z, Shi Z, Wang K, Xie Q, Wang Z. A D-Band Direct-Conversion IQ Receiver with 28 dB CG and 7.3 dB NF in 130 nm SiGe Process. Micromachines. 2023; 14(1):87. https://doi.org/10.3390/mi14010087

Chicago/Turabian Style

He, Fei, Yuhan Ding, Zhongchen Xu, Menghu Ni, Yibo Tian, Zhenyi Zhang, Zhixiang Shi, Kailei Wang, Qian Xie, and Zheng Wang. 2023. "A D-Band Direct-Conversion IQ Receiver with 28 dB CG and 7.3 dB NF in 130 nm SiGe Process" Micromachines 14, no. 1: 87. https://doi.org/10.3390/mi14010087

APA Style

He, F., Ding, Y., Xu, Z., Ni, M., Tian, Y., Zhang, Z., Shi, Z., Wang, K., Xie, Q., & Wang, Z. (2023). A D-Band Direct-Conversion IQ Receiver with 28 dB CG and 7.3 dB NF in 130 nm SiGe Process. Micromachines, 14(1), 87. https://doi.org/10.3390/mi14010087

Note that from the first issue of 2016, this journal uses article numbers instead of page numbers. See further details here.

Article Metrics

Back to TopTop