Next Article in Journal
Continuous Particle Separation in Microfluidics: Deterministic Lateral Displacement Assisted by Electric Fields
Next Article in Special Issue
Temperature-Controlled Crystal Size of Wide Band Gap Nickel Oxide and Its Application in Electrochromism
Previous Article in Journal
Next-Generation Wearable Biosensors Developed with Flexible Bio-Chips
Previous Article in Special Issue
AlGaN/GaN on SiC Devices without a GaN Buffer Layer: Electrical and Noise Characteristics
 
 
Font Type:
Arial Georgia Verdana
Font Size:
Aa Aa Aa
Line Spacing:
Column Width:
Background:
Review

Review on Driving Circuits for Wide-Bandgap Semiconductor Switching Devices for Mid- to High-Power Applications

Department of Electrical Engineering, CEECS, National United University, Miaoli 36063, Taiwan
*
Author to whom correspondence should be addressed.
Micromachines 2021, 12(1), 65; https://doi.org/10.3390/mi12010065
Submission received: 25 December 2020 / Revised: 3 January 2021 / Accepted: 6 January 2021 / Published: 8 January 2021

Abstract

Wide-bandgap (WBG) material-based switching devices such as gallium nitride (GaN) high electron mobility transistors (HEMTs) and silicon carbide (SiC) metal-oxide-semiconductor field-effect transistors (MOSFETs) are considered very promising candidates for replacing conventional silicon (Si) MOSFETs for various advanced power conversion applications, mainly because of their capabilities of higher switching frequencies with less switching and conduction losses. However, to make the most of their advantages, it is crucial to understand the intrinsic differences between WBG- and Si-based switching devices and investigate effective means to safely, efficiently, and reliably utilize the WBG devices. This paper aims to provide engineers in the power engineering field a comprehensive understanding of WBG switching devices’ driving requirements, especially for mid- to high-power applications. First, the characteristics and operating principles of WBG switching devices and their commercial products within specific voltage ranges are explored. Next, considerations regarding the design of driving circuits for WBG switching devices are addressed, and commercial drivers designed for WBG switching devices are explored. Lastly, a review on typical papers concerning driving technologies for WBG switching devices in mid- to high-power applications is presented.

1. Introduction

In modern industries, requirements for the performance of various power electronic-based converters are becoming stricter in terms of capacity, voltage level, efficiency, and size (switching frequency related issues). In order to enhance the performance of existing power converters, replacing conventional Si switching devices with wide-bandgap (WBG) switching devices such as gallium nitride (GaN) high electron mobility transistors (HEMTs) and silicon carbide (SiC) metal-oxide-semiconductor field-effect transistors (MOSFETs) is currently a popularly adopted method. WBG semiconductor materials offer superior characteristics to those of Si, as shown in Figure 1. The respective merits of GaN and SiC lead to the advantageous adoption of GaN HEMTs for low (<1 kW) to mid (<10 kW) power applications and SiC MOSFETs for mid (<10 kW) to high (>10 kW) power applications in practical design scenarios. The superiority of GaN HEMTs is yet to be fully utilized because they feature some form of heterogeneous integration with dissimilar substrate. This leads to large thermal boundary resistance between GaN and substrate, causing the self-heat issue [1], which may cause the switching device to overheat. However, GaN HEMTs offer the highest efficiency and switching speed, and SiC MOSFETs provide the highest voltage, current, and temperature capabilities. The main challenge of using the WBG semiconductor switching devices is overcoming potential difficulties introduced from their high slew rates, which could worsen electromagnetic interference (EMI) level and may cause voltage oscillation and instability [2,3,4,5,6,7].
The GaN HEMT is designed with a unique aluminum gallium nitride (AlGaN)/GaN heterojunction structure where two-dimensional electron gas (2DEG) is formed. The 2DEG allows large bidirectional current and yields extremely low on resistance. GaN HEMTs are currently divided into three types: depletion mode (D-mode), enhancement mode (E-mode), and cascode devices. The D-mode GaN HEMT, as shown in Figure 2, is naturally on because of the 2DEG and can be turned off with negative gate-source voltage. The E-mode GaN HEMT, as shown in Figure 3, is normally off because the 2DEG has been depleted by an additional P-doped layer of GaN or AlGaN on the gate, and it can be turned on with appropriate gate-source voltage. The cascode GaN HEMT, as shown in Figure 4, is also normally off because it consists of a D-mode GaN HEMT and an additional high-speed low-voltage Si MOSFET, and it can be turned on with appropriate gate-source voltage applied on the Si MOSFET. E-mode and cascode GaN HEMTs possess different characteristics mainly because of the additional Si MOSFET in the cascode device: the E-mode device offers lower on resistance, higher operating temperature, and no body diode, while the cascode device offers less strict driving requirements, as shown in Table 1 [4,5,6,7].
The SiC MOSFET has a similar structure to that of Si MOSFET, as shown in Figure 5, but the thickness can be made an order smaller because of SiC’s higher voltage capability. This leads to much smaller on resistance (although not as small as that of the GaN HEMT). Additionally, the SiC MOSFET offers the highest power capability. The operation of the SiC MOSFET is the same as that of the Si MOSFET: with appropriate gate-source voltage, the device can be turned on, and the body diode is used for reverse conduction during off state [8,9]. A general comparison of Si MOSFET, normally off GaN HEMTs, and SiC MOSFET is shown in Table 2.
In recent years, because of the high slew rate of the WBG semiconductor switching devices, the philosophy of replacing conventional Si devices with WBG devices is an ongoing research trend. This paper aims to review issues concerning the driving technologies of WBG semiconductor switching devices. First, a general introduction of the GaN HEMT and the SiC MOSFET is given in the first section. In the second section, a survey of commercial GaN HEMTs above 600 V and SiC MOSFETs between 600 and 1200 V is presented. In the third section, the challenges and solutions of driving GaN HEMTs and SiC MOSFETs are addressed. A survey of commercial drivers designed for WBG switching devices is then provided in the fourth section. The fifth and sixth sections cover the literature review on driving circuits for GaN HEMTs and SiC MOSFETs, respectively. Lastly, this paper is concluded in the seventh section.

2. Commercial Wide-Bandgap (WBG) Switching Devices

2.1. Discrete Commercial GaN High Electron Mobility Transistors (HEMTs)

According to two famous electronic device providers, Digi-Key [10] and Mouser [11], GaN HEMT products can be purchased from several manufacturers, including EPC (15~200 V) [12], Infineon Technologies (400 and 600 V) [13], GaN Systems (100 and 650 V) [14], Panasonic (600 and 650 V) [15], Nexperia (650 V) [16], and Transphorm (650 and 900 V) [17]. Currently, the two highest voltage ratings of commercial GaN HEMTs are 900 and 650 V, respectively. The 900 V GaN HEMTs are produced by Transphorm, and 650 V GaN HEMTs are produced by GaN Systems, Panasonic, Nexperia (formerly Standard Products business unit of NXP Semiconductors), and Transphorm. Table 3 presents the device specifications of commercial GaN HEMTs above 600 V, where MFR stands for manufacturer, Vds denotes drain-source voltage, Ids denotes drain-source current, VTH denotes threshold voltage, Vgs denotes gate-source voltage, Rds(on) denotes on resistance, and Ciss denotes input capacitance. Some specifications of the latest large-current devices from GaN Systems are not published. The maximum Vgs values of the products from Infineon Technologies and Panasonic are not specified because these devices are current-controlled, which offers good robustness but leads to higher gate losses.

2.2. Discrete Commercial SiC Metal-Oxide-Semiconductor Field-Effect Transistors (MOSFETs)

Since SiC MOSFETs have been developed for a longer time, there is a much larger variety of companies that produce SiC MOSFETs: ON Semiconductor (900 and 1200 V) [18], Littelfuse (600~1700 V) [19], Infineon Technologies (650~1700 V) [13], Cree (650~1700 V) [20], Rohm Semiconductor (650~1700 V) [21], STMicroelectronics (650~1700 V) [22], United Silicon Carbide (650~1700 V) [23], Microchip (700~1700 V) [24], and GeneSiC Semiconductor (1200~3300 V) [25]. Table 4, Table 5, Table 6, Table 7, Table 8, Table 9, Table 10, Table 11 and Table 12 present the device specifications of commercial SiC MOSFETs with voltages ratings between 600 and 1200 V. When comparing the listed commercial devices, we can see that it is common for SiC MOSFETs to possess much higher current capabilities than those of GaN HEMTs, which makes SiC devices more suitable for high-power applications such as high-speed railway, power transmission, industrial drives, smart grid, and wind power generation. On the other hand, GaN devices offer smaller on resistances and input capacitances, which indicates that GaN devices have the potential to yield lower conduction losses and faster switching with such ratings. Therefore, GaN HEMTs are currently applied to improve the efficiencies of mid-voltage and mid-power applications such as switching power supply, solar PV, AC/DC adapter, medical equipment, electric vehicle (EV), and uninterruptible power supply. Figure 6 shows the application fields of Si, SiC, and GaN switching devices [13].

2.3. Modular WBG Switching Devices

Some commercial switching modules based on GaN HEMTs can also be found from EPC [12], as numerated in Table 13, where HB stands for half bridge. EPC produces up to 3 kW modules. Consequently, these products are not yet matured for high-power applications.
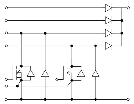
Unlike GaN modules, there are several manufacturers with commercial SiC modules available for purchase: Infineon Technologies [13], Cree [20], Rohm Semiconductor [21], Microchip [24], Powerex [26], and SemiQ [27], as listed in Table 14, Table 15, Table 16, Table 17, Table 18 and Table 19, where FB stands for full bridge. As can be imagined, the voltage and current ratings of SiC modules easily exceed those of GaN modules. Among SiC modules manufactured by the abovementioned companies, HB is the most common configuration. Particularly, the configuration of DF23MR12W1M1P_B11, DF23MR12W1M1_B11, DF11MR12W1M1P_B11, and DF11MR12W1M1_B11 by Infineon Technologies is presented in Figure 7. The suitable applications of them are specified as solar applications.

3. Considerations for the Design of Driving Circuits for WBG Switching Devices

It has been well accepted that the key factor of realizing WBG switching devices’ full potential is their driving circuits. The main difference in the driving characteristics of WBG and Si switching devices is due to WBG devices’ much faster transient. The fast switching and high switching frequency require shorter driver rise and fall times and propagation delay. Additionally, the slew rate of the WBG devices can reach up to 100 times that of conventional Si devices, which can severely worsen EMI-related problems such as gate ringing and measurement. In order to deal with the fast transient, the driving circuit design and printed circuit board (PCB) layout must be optimized [28,29].
In general, the fundamental rules of driving high-power GaN HEMTs and SiC MOSFETs are to apply high drive strength, provide enough isolation between driving and power circuits, prevent voltage oscillation, limit gate voltage spikes, and optimize dead time. Isolation can be provided by various types of isolators or isolated drivers suitable for WBG switching devices. In general, it is also possible to use high-speed MOSFET and IGBT drivers (similar to Figure 8) to drive WBG devices, but the complexity of the driving circuits and cost may be increased. However, another special characteristic of WBG switching devices is that they do not always use symmetrical driving voltages (such as ±18 and ±20 V), so there is often a need for asymmetric driving voltage design. Next, it is recommended to minimize the parasitic inductance and capacitance by minimizing the length of the driving loop and the overlapping between circuits and using devices with short or no wire bond [30,31,32]. In particular, GaN HEMTs (especially E-mode) have faster transients and more narrow driving voltage ranges, and SiC MOSFETs have higher power ratings. Consequently, the EMI issues are more dominant when driving GaN HEMTs, and higher driving strength is required when driving high-power SiC MOSFETs.
For the turn-on period, the sum of external resistance and driver’s output resistance should be designed to be much larger than the internal resistance of the power switching device in order to reduce the influence of internal resistance on the switching speed and damp voltage overshoot. If there is a need to damp gate ringing of certain frequencies, ferrite beads can be used as gate impedance as well. However, a low-impedance turn-off path is also required to ensure fast turn-offs and thus prevent shoot-through. As a result, it is usually recommended to design separate turn-on and turn-off paths, where drivers with separate high and low outputs can provide more flexibility, as shown in Figure 9. Moreover, active Miller clamps can be used to directly limit gate-source voltage range; negative turn-off voltage can increase the turn-off speed even more; and Kelvin source connection can separate the driving loop and power loop, so that the influence of parasitic inductance on the driving loop can be minimized, as shown in Figure 10 [31,32,33]. Particularly, active gate drive can be used to control the slew rate directly [34,35].

4. Commercial Drivers for WBG Switching Devices

4.1. GaN HEMT Drivers

According to Digi-Key [10] and Mouser [11], commercial GaN HEMT drivers are currently available from several companies: Infineon Technologies [13], On Semiconductor [21], Maxim Integrated [36], pSemi [37], Silicon Laboratories [38], and Texas Instruments [39], as given in Table 20, Table 21, Table 22, Table 23, Table 24 and Table 25. It is desirable to use drivers integrated with multiple functions such as digital control and signal detection in order to reduce the number of external devices required. Some companies also produce GaN power modules that integrate GaN HEMTs with designed drivers: EPC [12], Texas Instruments [39], and Navitas Semiconductor [40], as presented in Table 26, Table 27 and Table 28.

4.2. SiC MOSFET Drivers

Since SiC devices have been developed for a longer time, a larger variety of SiC MOSFET drivers than that of GaN HEMT drivers have been developed by many manufacturers, including Infineon Technologies [13], On Semiconductor [21], Microchip [24], Maxim Integrated [36], Silicon Laboratories [38], Texas Instruments [39], Analog Devices [41], Tamura [42], Rohm Semiconductor [21], Littelfuse [19], Diodes Incorporated [43], NXP Semiconductors [44], and Power Integrations [45], as listed in Table 29, Table 30, Table 31, Table 32, Table 33, Table 34, Table 35, Table 36 and Table 37. Because SiC MOSFETs are suitable for and often used in high-power applications, the peak output current ratings of SiC MOSFET drivers are generally larger than those of GaN HEMT drivers. Particularly, Tamura’s drivers offer as large as 43 A peak driving current.

5. Review on GaN HEMT Driving Circuits

5.1. Single-Channel GaN HEMT Driving Circuits

To provide readers with direct design references, typical papers presenting the design of GaN HEMT driving circuits are reviewed in this subsection with examples of single-channel drive. Gurpinar and Castellazzi [46] conducted a benchmark of Si-, SiC-, and GaN-based switching devices at a 600 V class in 3.5 kW, 700 V/230 V, 16~160 kHz single-phase T-type inverter. Evaluated items included gate driver requirements, switching performance, inverter efficiency performance, heat sink volume, output filter volume, and dead-time effect for each technology. A Broadcom gate drive optocoupler ACPL-P346 was selected as the isolated driver for Panasonic PGA26A10DS, and an XP Power isolated DC/DC converter IH0512S-H was used to provide +12 V supply. The design offered small footprint, but the drive strength was limited at 3 A. The series capacitor Cs in the proposed driving circuit was designed at 2.82 nF in order to provide −4.5 V during turn-off and speed up turn-on transient. In [47], a low-inductance switching power cell was designed for a three-level ANPC inverter based on GaN System GS66508T. Texas Instruments UCC27511 provided separate turn-on and turn-off outputs. PWM signal was generated using a fiber optic link, and an inverting Schmitt trigger were used to transfer the PWM signal and avoid any false turn-on or turn-off. The signal was then isolated using Silicon Laboratories Si861x. A 7 V power supply was provided using an isolated DC/DC converter and a low-dropout (LDO) regulator. A Schottky diode was used for voltage clamp. The four-layer PCB and surface-mount components significantly reduced the loop inductance using flux cancellation, where the layout was required to eliminate common-mode current circulation. In [48], a 1.5 kW HB bidirectional DC/DC converter was proposed based on GaN System GS66508T driven by Silicon Laboratories Si8271 and −3~6 V driving voltage. A CUI isolated DC/DC converter PES1-S5-S9-M-TR was used to provide power supply. Four-layer PCB layout was adopted in this paper, where flux cancellation was adopted in order to minimize the loop inductance. Advanced Thermal Solutions heat sink ATS-FPX060060013-112-C2-R1 was chosen to match the small thermal pad of GS66508T, and a copper bar was placed between the switching device and the heat sink for enhanced thermal performance.
A 3 kW bidirectional GaN-HEMT DC/DC converter was proposed in [49]. The self-designed driving circuit was designed with an additional NPN bipolar transistor that acted as a voltage clamp and showed no impact on the switching speed. Zero voltage turn-on and negative turn-off voltage were utilized to reach >99% efficiency. A fast GaN HEMT driving circuit was designed for Panasonic PGA26E19BA with a voltage clamped to achieve optimized switching performance, freewheeling conduction, and short-circuit robustness [50]. The manufacturer-recommended driving circuit design was modified by adding a diode-resistor network that helped the capacitor on the driving path quickly discharge as well as provided more flexibility in gate resistor design.

5.2. Dual-Channel GaN HEMT Driving Circuits

Dual-channel GaN HEMT driving circuits are generally more complex than single-channel driving circuits. However, there are some commercial dual-channel GaN HEMT drivers ICs that greatly reduce the design complexity. Zhao et al. [51] designed a 2 kVA GaN-based single-phase inverter. The driving circuit for GaN System GS66508T consisted of Analog Devices ADuM7223 and separate turn-on and turn-off paths. The driver IC selection was limited in the writing of this paper (2016), so the selected driver failed to meet the common-mode transient immunity (CMTI) requirement of over 150 V/ns, but no failure occurred during testing. In [52], a 2 kW inductive power transfer system was designed based on a 600 V GaN gate injection transistor (GIT). The slew rate was lowered so that the Analog Devices ADuM3223, which had state of the art CMTI capability of 50 V/ns back in 2016, was compatible. In [53], a high-power density single-phase FB inverter was designed based on GaN Systems GS66502B. Silicon Laboratories Si8274 was used to drive the GaN HEMTs. Ways to minimize parasitic inductance and optimize heat dissipation were discussed, including Kelvin source connection, short and wide PCB trails (preferably copper), minimized overlap between driving loop and power loop, flux cancellation, sufficient area and thickness of copper, small thermal vias but large in number, direct copper and thermal via placement, increased number of layers, and reduced thickness of PCBs.
A totem-pole bridgeless power factor correction (PFC) converter based on GaN Systems GS66508B was proposed in [54]. The Silicon Laboratories Si8273 was used to drive the GaN HEMTs, and Kelvin source connection, voltage clamp, discharging resistor, and separate turn-on and turn-off paths were utilized. Elrajoubi et al. [55] designed an AC/DC converter for battery charging application based on GaN Systems GS66504B. The Silicon Laboratories Si8273 was used to drive the switches, and the Texas Instruments TMS320F28335 was used to generate PWM signals. Kelvin source connection, four-layer PCB, optimized layout, and voltage clamp were taken into consideration.
In [56], a bidirectional buck–boost converter for EV charging application was designed based on 1.3 kV series-stacked GS66508T switching modules. The modules were each designed with two GaN devices, proper gate impedances, and voltage clamps and required only one driving signal to function. The design yielded almost equally shared DC bus voltage.

5.3. Brief Summary of Reviewed GaN HEMT Driving Circuits

Table 38 categorizes the reviewed papers according to whether they adopted commercial drivers or self-designed drivers and whether the designed circuits are single-channel or dual-channel circuits, and adopted deriver ICs (if used) are also listed. Sun et al. [57] compared resonant gate drivers for both Si MOSFETs and GaN HEMTs applications. It was concluded that the resonant driver reduced switching losses because of fast charging/discharging capability.

5.4. GaN HEMT Power Stages with Integrated Driving Circuits

Switching module design is also a research focus in the field of GaN HEMT driving. A high-power density, high-efficiency half-bridge module based on insulated metal substrate was proposed in [58] for >3 kW applications. In both high side and low side, two GaN System GS66508Bs were paralleled. The 6-layer module consists of four high-side and four low-side switches. The most crucial work was to minimize and balance parasitic inductances of the GaN switching devices. Brothers and Beechner [59] proposed a three-phase 100 V/270 A (per phase) GaN module consisting of six GaN System GS61008Ts. The module layout was then designed based on references from commercial modules and modules in literature. The proposed module successfully hard switched up to 375A.

6. Review on SiC MOSFET Driving Circuits

6.1. Single-Channel SiC MOSFET Driving Circuits

Since the SiC MOSFET has been developed longer than the GaN HEMT, a lot more papers regarding its driving circuit can be found in open literature. Pirc et al. [60] improved the performance of a nanosecond pulse electroporator by adopting Cree C2M0025120D. RECOM DC/DC converters RP-0512D and RP-0505S were used to provide −5 and 24 V isolated power supply, the Broadcom optocoupler HCPL-0723 was used for signal isolation, and the Littelfuse ultrafast MOSFET driver IXDD609SI was used to drive the SiC MOSFETs. In [61], an isolated smart self-driving multilevel SiC MOSFET driver for fast switching and crosstalk suppression was proposed using variable gate voltage generated with an auxiliary circuit that acted differently during turn-on and turn-off periods. The Isolated Analog Devices single-channel driver ADuM4135 was used to drive Cree C2M0040120D. The designed driving circuit adopted a two-state turn-off scheme. At first, the turn off was ensured using negative voltage, and the voltage was then switched to zero to avoid negative voltage breakdown. The circuit was simple, suitable for integration, highly efficient, compact, and cost-effective. A SiC-based 4MHz 10 kW single-phase zero-voltage-switching inverter for high-density plasma generators was proposed in [62]. The Littelfuse single-channel driver IXRFD630 was used to drive two parallel-connected Cree C2M0080120Ds. The required negative voltage was generated with an auxiliary circuit consisting of a resistor, a capacitor, and a zener diode.
Kim et al. [63] proposed a MHz SiC MOSFET driving circuit using parallel connected FBs based on EPC E-mode device EPC2016. The Broadcom ACPL-346 was used to drive the GaN FBs. The more FBs connected in parallel, the higher the output frequency of pulse width modulation (PWM) could be. The circuit was successfully tested at 2 MHz SiC MOSFET switching frequency using two FBs for a 600 W DC–DC converter. The switching frequency of 5 MHz was also verified achievable using two FBs (2.5 MHz * 2). In [64], a high-speed gate driver was designed focusing on high-temperature capability (180 °C) with low cost, and the circuit was integrated with overcurrent and undervoltage lockout protection. High-temperature transistors (from On Semiconductor), diodes, zener diodes, and pulse transformer were used to realize the design. Even higher operating temperature could be further realized by using polyimide- and hydrocarbon-based PCBs. The cost was successfully reduced from United States dollar (USD) 2250 to 100 compared with using Cissoid EVK-HADES1210. The tested SiC MOSFET was Fuji Electric MT5F31003. Qi et al. [65] developed a 30 kVA three-phase inverter based on Cree SiC HB power module CAS300M12BM2 in order to investigate how to achieve cost-effective outstanding high-temperature performance (targeted at 180 °C ambient temperature). The designed driving circuit was based on Central Semiconductor high-temperature transistors in metal can packages (rated at 200 °C) and consisted of signal isolation, gate drive, saturation detection, undervoltage detection, and protection logic circuits. It achieved 90% cost reduction compared with driving circuits using commercial silicon-on-insulator (SOI) ICs (from USD 2250 to 50 for active components).
A low-cost analog active driver was proposed in [34] for a higher parasitic environment. The designed driver consisted of a current amplifier stage and turn-on and turn-off switching controllers and outputted continuous analog current. Cree C2M0080120D was used to verify that the designed driver reduced losses compared with a hard switched gate driver and that good dynamic was achieved with much larger parasitic inductance and capacitance. In [66], a driving circuit with minimum propagation delay was designed to drive Rohm SCH2080KE for high-temperature applications. The design consisted of signal isolation and level shifting circuits and a two-level isolated auxiliary power supply. The isolation circuit achieved very small propagation delay by using non-delay RC differential circuits and a set-rest flip-flop. The auxiliary power supply was compatible with wide input voltage and operating temperature ranges because of the exclusion of low-temperature linear optocouplers. Li et al. [67] focused on crosstalk elimination. High off-state gate impedance was employed to eliminate the voltage drop on the common-source inductance, while the potential fault turn-on was prevented by utilizing the pre-charged voltage in the gate-source capacitance. Cree C2M0025120D was used to verify the driving circuit, and the design was compatible with most of the commercial SiC MOSFETs. Zhao et al. [68] proposed an intelligent and versatile active gate driver with three turn-on speeds and two turn-off speeds using an adjustable voltage regulator, a voltage selector, and a current sinking circuit. Cree C2M0080120D was used to verify the design.

6.2. Dual-Channel SiC MOSFET Driving Circuits

A 1 kW interleaved high-conversion ratio bidirectional DC-DC converter based on four Rohm SiC MOSFET SCTMU001F and four Si MOSFETs was proposed in [69] for distributed energy storage systems. Each driving circuit drove one SiC MOSFET and one Si MOSFET and consisted of Texas Instruments UCC27531, a transformer with two secondary windings, and a voltage clamp. In [70], two series-connected Cree C2M0160120Ds were driven by a low-cost, simple, and reliable driving circuit based on the Broadcom ACPL-344JT, coupling circuits, dv/dt limiting circuit, and a voltage limit circuit. Good voltage balancing and reliable switching were obtained. Lower switching frequency and smaller DC bus voltage were also compatible for the designed circuit. Wang et al. [71] proposed an enhanced gate driver consisting of the STMicroelectronics galvanically isolated MOSFET/IGBT driver STGAP1AS, a bipolar junction transistor-based multi-cell current booster, a high-bandwidth and high-accuracy nonintrusive Rogowski switch-current sensor, and a noise-free isolation architecture. The designed driver was verified with Cree HB module CAS300M17BM2 and compatible with almost all the SiC MOSFET modules. Yang et al. [72] proposed a driving circuit with dynamic voltage balancing for series-connected SiC MOSFETs. Only one external driving IC was required to drive both switches. An overdrive control method helped adapt to DC-bus voltage variation. Switched capacitors could be utilized to further widen the control range. The Cree C2M1000170D was used to verify the design, which was suitable for various high-voltage applications.
A single gate driver was designed to drive four cascaded series-connected SiC MOSFETs for medium voltage applications [73]. This was realized using an auxiliary circuits consisting of diodes, zener diodes, resistors, and capacitors. A 2400 V 10 kHz synchronous boost converter was demonstrated using the designed driving circuit.

6.3. Brief Summary of Reviewed SiC MOSFET Driving Circuits

As can be imagined, many similarities related to safety and loss reduction can be observed in GaN HEMT and SiC MOSFET driving circuit designs. A difference is that SiC MOSFETs require higher driving strength and high temperature capability when used in high-power applications. Table 39 categorizes the reviewed papers according to whether they adopted commercial drivers or self-designed drivers and whether the designed circuits are single-channel or multichannel driving circuits, and adopted deriver ICs are also listed. Sakib et al. [74] compared various gate drivers for SiC MOSFETs (2017). Covered aspects included passively triggered gate drive, negative spike mitigation, crosstalk prevention, and resonance and clamping. Another review was conducted on SiC MOSFET devices and individual SiC MOSFET gate drivers (2018) [75]. Covered items included the adjustment of switching speed, voltage, and power level and other special functions. In [76], the status and applications of SiC-based power converters, challenges regarding high-switching frequency gate driver design, and problems related to commercial drivers were reviewed (2018). It was pointed out that the commercial drivers back then were far from universal, which was due to very specific driving requirements of various SiC switching devices. Liu and Yang [77] reviewed the characteristics of SiC MOSFETs and different driving circuits (2019). It was suggested that, for >150 °C applications, discrete components or Si-on-insulator-based gate drivers should be used rather than conventional Si MOSFET drivers. In terms of crosstalk suppressing, it was recommended that a combination of additional capacitors, variable voltage/resistance driver, and auxiliary discharging path could be used. In [78], slew rate control methods for SiC MOSFET active gate drivers were reviewed (2020). Reviewed aspects included the principle of slew rate control, factors that influenced slew rate, and issues induced by high slew rate. Slew rate control methods included variable gate resistance, input capacitance, gate current, and gate voltage. Control strategies included open-loop, measurement-based, estimation-based, and timing-based controls. The advantages and disadvantages of each control strategy were also listed. Next, the conventional and emerging applications of active gate drive were also reviewed, including EMI noise mitigation, dead-time adaption, motor drive, reliability enhancement of SiC MOSFET, and parallel SiC MOSFET connection.

6.4. SiC MOSFET Power Stages with Integrated Driving Circuits

Some examples of modular SiC MOSFET power stages can be found in [79,80,81]. Jørgensen et al. [79] proposed a 10 kV single-switch module adopting −5~20 V hard-switched Littlefuse IXRFD630, Kelvin connection, no external gate resistance for the fastest switching speed possible, and low inductance design for better heat dissipation. In [80], a 1200 V/120 A HB module was designed based on a direct bonding copper-stacked hybrid packaging structure for minimized thermal resistance and commutation power loop inductance. The designed module was tested as a 5.5 kW single-phase inverter, yielding 97.7% efficiency, and the power loss was 28.3% less than Cree HB module CAS120M12BM2. A module with adjustable drive strength based on hybrid combination of logics and high temperature capability was proposed in [81]. The Cree bare die SiC MOSFET CPM3-0900-0065B was successfully switched with less than 75 ns rise/fall time from room temperature to over 500 °C. Overshoot and dv/dt were successfully and dynamically controlled.

7. Conclusions

The desire of replacing conventional Si-based switching devices with WBG material-based switching devices for higher switching frequency and efficiency has led to intensive research on the driving technologies of GaN HEMT and SiC MOSFET. This paper has addressed the characteristics and operating principles of GaN HEMT and SiC MOSFET. Commercially available products of WBG switching devices with Vds ranging from 600V to 1200 V were explored. GaN HEMTs are currently suitable for low- to mid-power and high-frequency applications because of their ultrafast switching speed and ultralow conduction losses, and SiC MOSFETs are especially suitable for high-power applications because of their high thermal capability. In this paper, the driving requirements of WBG switching devices have been explained, where overcoming high slew rate is the biggest challenge. Commercial drivers designed for WBG switching devices were surveyed. It has been observed that drivers for GaN HEMTs and SiC MOSFETs are normally designed based on their specific system requirements. Finally, typical papers discussing the driving circuits of GaN HEMT and SiC MOSFET, previously published review papers, and some papers focusing on modular design of WBG switching devices integrated with driving circuits have been reviewed with brief discussions.

Author Contributions

The corresponding author, C.-T.M. conducted the review work, verified the content of technical issues, and polished the final manuscript. Z.-H.G., a postgraduate student in the department of EE, CEECS, National United University, Taiwan, assisted in paper searching and organized results. All authors have read and agreed to the published version of the manuscript.

Funding

This research was funded by MOST, Taiwan, with grant numbers MOST 109-2221-E-239-007.

Institutional Review Board Statement

Not applicable.

Informed Consent Statement

Not applicable.

Data Availability Statement

No new data were created or analyzed in this study. Data sharing is not applicable to this article.

Acknowledgments

The author would like to thank the Ministry of Science and Technology (MOST) of Taiwan for financially support the energy-related research regarding key technologies in microgrids and the design of advanced power and energy systems.

Conflicts of Interest

The authors declare no conflict of interest.

References

  1. Yuan, C.; Pomeroy, J.W.; Kuball, M. Above bandgap thermoreflectance for non-invasive thermal characterization of GaN-based wafers. Appl. Phys. Lett. 2018, 113, 1–5. [Google Scholar] [CrossRef]
  2. Lee, H.; Smet, V.; Tummala, R. A review of SiC power module packaging technologies: Challenges, advances, and emerging issues. IEEE J. Emerg. Sel. Top. Power Electron. 2020, 8, 239–255. [Google Scholar] [CrossRef]
  3. Sheng, H.; Chen, Z.; Wang, F.; Millner, A. Investigation of 1.2 kV SiC MOSFET for high frequency high power applications . In Proceedings of the 2010 Twenty-Fifth Annual IEEE Applied Power Electronics Conference and Exposition (APEC), Palm Springs, CA, USA, 21–25 February 2010. [Google Scholar]
  4. Jones, E.A.; Wang, F.F.; Costinett, D. Review of commercial GaN power devices and GaN-based converter design challenges. IEEE J. Emerg. Sel. Top. Power Electron. 2016, 4, 707–719. [Google Scholar] [CrossRef]
  5. Spaziani, L.; Lu, L. Silicon, GaN and SiC: There’s room for all: An application space overview of device considerations. In Proceedings of the 2018 IEEE 30th International Symposium on Power Semiconductor Devices and ICs (ISPSD), Chicago, IL, USA, 13–17 May 2018. [Google Scholar]
  6. Viswan, V. A review of silicon carbide and gallium nitride power semiconductor devices. IJRESM 2018, 1, 224–225. [Google Scholar]
  7. Bosshard, T.R.; Kolar, J.W. Performance comparison of a GaN GIT and a Si IGBT for high-speed drive applications. In Proceedings of the 2014 International Power Electronics Conference (IPEC-Hiroshima 2014—ECCE ASIA), Hiroshima, Japan, 18–21 May 2014. [Google Scholar]
  8. High-performance SiC MOSFET Technology for Power Electronics Design. Available online: https://www.eeweb.com/profile/eeweb/articles/high-performance-coolsic-mosfet-technology-for-power-electronics-design (accessed on 13 April 2020).
  9. Adappa, R.; Suryanarayana, K.; Swathi Hatwar, H.; Ravikiran Rao, M. Review of SiC based Power Semiconductor Devices and their Applications. In Proceedings of the 2019 2nd International Conference on Intelligent Computing, Instrumentation and Control Technologies (ICICICT), Kannur, Kerala, India, 5–6 July 2019. [Google Scholar]
  10. Digi-Key. Available online: https://www.digikey.com (accessed on 16 July 2020).
  11. Mouser. Available online: https://www.mouser.com (accessed on 16 July 2020).
  12. EPC. Available online: https://epc-co.com/epc (accessed on 16 July 2020).
  13. Infienon Technologies. Available online: https://www.infineon.com (accessed on 16 July 2020).
  14. GaN Systems. Available online: https://gansystems.com (accessed on 16 July 2020).
  15. Panasonic. Available online: https://industrial.panasonic.com/ww (accessed on 16 July 2020).
  16. Nexperia. Available online: https://www.nexperia.com (accessed on 16 July 2020).
  17. Transphorm. Available online: https://www.transphormusa.com (accessed on 16 July 2020).
  18. On Semiconductor. Available online: https://www.onsemi.com (accessed on 16 July 2020).
  19. Littelfuse. Available online: https://www.littelfuse.com (accessed on 16 July 2020).
  20. Cree. Available online: https://www.cree.com (accessed on 16 July 2020).
  21. ROHM Semiconductor. Available online: https://www.rohm.com (accessed on 16 July 2020).
  22. STMicroelectronics. Available online: https://www.st.com (accessed on 16 July 2020).
  23. United Silicon Carbide. Available online: https://unitedsic.com (accessed on 16 July 2020).
  24. Microchip. Available online: https://www.microchip.com (accessed on 16 July 2020).
  25. GeneSiC Semiconductor. Available online: https://www.genesicsemi.com (accessed on 16 July 2020).
  26. Powerex. Available online: https://www.pwrx.com/Home.aspx (accessed on 16 July 2020).
  27. SemiQ. Available online: https://www.semiq.com (accessed on 16 July 2020).
  28. Papers, Articles and Presentations. Available online: https://gansystems.com/design-center/papers (accessed on 16 July 2020).
  29. Observations about the Impact of GaN Technology. Available online: https://www.powerelectronicsnews.com (accessed on 31 March 2020).
  30. Use SiC and GaN Power Components to Address EV Design Requirements. Available online: https://www.digikey.tw/en/articles/use-sic-and-gan-power-components-ev-design-requirements (accessed on 13 April 2020).
  31. Application Notes. Available online: https://gansystems.com/design-center/application-notes/ (accessed on 14 April 2020).
  32. IGBT & SiC Gate Driver Fundamentals. Texas Instruments, IGBT & SiC Gate Driver Fundamentals, Texas Instruments. 2019. Available online: https://www.ti.com/lit/wp/slyy169/slyy169.pdf?ts=1594784799613&ref_url=https%253A%252F%252Fwww.google.com%252F (accessed on 22 April 2020).
  33. Pajnić, M.; Pejović, P.; Despotović, Ž.; Lazić, M.; Skender, M. Characterization and gate drive design of high voltage cascode GaN HEMT. In Proceedings of the 2017 International Symposium on Power Electronics (Ee), Novi Sad, Serbia, 19–21 October 2017. [Google Scholar]
  34. Krishna Miryala, V.; Hatua, K. Low-cost analogue active gate driver for SiC MOSFET to enable operation in higher parasitic environment. IET Power Electron. 2020, 13, 463–474. [Google Scholar] [CrossRef]
  35. Soldati, A.; Imamovic, E.; Concari, C. Bidirectional bootstrapped gate driver for high-density SiC-based automotive DC/DC converters. IEEE J. Em. Sel. Top. Power Electron. 2020, 8, 475–485. [Google Scholar] [CrossRef]
  36. Maxim Integrated. Available online: https://www.maximintegrated.com (accessed on 16 July 2020).
  37. pSemi. Available online: https://www.psemi.com (accessed on 16 July 2020).
  38. Silicon Laboratories. Available online: https://www.silabs.com (accessed on 16 July 2020).
  39. Texas Instruments. Available online: https://www.ti.com (accessed on 16 July 2020).
  40. Navitas Semiconductor. Available online: https://www.navitassemi.com (accessed on 16 July 2020).
  41. Analog Devices. Available online: https://www.analog.com/en/index.html (accessed on 16 July 2020).
  42. Tamura. Available online: https://www.tamuracorp.com/global/index.html (accessed on 16 July 2020).
  43. Diodes Incorporated. Available online: https://www.diodes.com (accessed on 16 July 2020).
  44. NXP. Available online: https://www.nxp.com (accessed on 16 July 2020).
  45. Power Integrations. Available online: https://www.power.com (accessed on 16 July 2020).
  46. Gurpinar, E.; Castellazzi, A. Single-phase T-type inverter performance benchmark using Si IGBTs, SiC MOSFETs, and GaN HEMTs. IEEE Trans. Power Electron. 2016, 31, 7148–7160. [Google Scholar] [CrossRef]
  47. Gurpinar, E.; Iannuzzo, F.; Yang, Y.; Castellazzi, A.; Blaabjerg, F. Design of low-inductance switching power cell for GaN HEMT based inverter. IEEE Trans. Ind. Appl. 2018, 54, 1592–1601. [Google Scholar] [CrossRef]
  48. Gurudiwan, S.; Roy, S.K.; Basu, K. Design and implementation of 1.5 kW half bridge bidirectional DC-DC converter based on gallium nitride devices. In Proceedings of the 2019 National Power Electronics Conference (NPEC), Tiruchirappalli, India, 13–15 December 2019. [Google Scholar]
  49. Ebli, M.; Wattenberg, M.; Pfost, M. A high-efficiency bidirectional GaN-HEMT DC/DC converter. In Proceedings of the PCIM Europe 2016: International Exhibition and Conference for Power Electronics, Intelligent Motion, Renewable Energy and Energy Management, Nuremberg, Germany, 10–12 May 2016. [Google Scholar]
  50. Wu, H.; Fayyaz, A.; Castellazzi, A. P-gate GaN HEMT gate-driver design for joint optimization of switching performance, freewheeling conduction and short-circuit robustness. In Proceedings of the 2018 IEEE 30th International Symposium on Power Semiconductor Devices and ICs (ISPSD), Chicago, IL, USA, 13–17 May 2018. [Google Scholar]
  51. Zhao, C.; Trento, B.; Jiang, L.; Jones, E.A.; Liu, B.; Zhang, Z.; Costinett, D.; Wang, F.F.; Tolbert, L.M.; Jansen, J.F.; et al. Design and implementation of a GaN-Based, 100-kHz, 102-W/in3 single-phase inverter. IEEE J. Em. Sel. Top. Power Electron. 2016, 4, 824–840. [Google Scholar] [CrossRef]
  52. Cai, A.Q.; Siek, L. A 2-kW, 95% efficiency inductive power transfer system using gallium nitride gate injection transistors. IEEE J. Emerg. Sel. Top. Power Electron. 2017, 5, 458–468. [Google Scholar] [CrossRef]
  53. Meng, W.; Zhang, F.; Fu, Z. A high power density inverter design based on GaN power devices. In Proceedings of the 2018 8th International Conference on Power and Energy Systems (ICPES), Colombo, Sri Lanka, 21–22 December 2018. [Google Scholar]
  54. Li, B.; Zhang, R.; Zhao, N.; Wang, G.; Huo, J.; Zhu, L.; Xu, D. GaN HEMT driving scheme of totem-pole bridgeless PFC converter. In Proceedings of the 2018 IEEE International Power Electronics and Application Conference and Exposition (PEAC), Shenzhen, China, 4–7 November 2018. [Google Scholar]
  55. Elrajoubi, A.M.; Ang, S.S.; George, K. Design and analysis of a new GaN-Based AC/DC converter for battery charging application. IEEE Trans. Ind. Appl. 2019, 55, 4044–4052. [Google Scholar] [CrossRef]
  56. Shojaie, M.; Elsayad, N.; Tabarestani, S.; Mohammed, O.A. A bidirectional buck-boost converter using 1.3 kV series-stacked GaN E-HEMT modules for electric vehicle charging application. In Proceedings of the 2018 IEEE 6th Workshop on Wide Bandgap Power Devices and Applications (WiPDA), Atlanta, GA, USA, 31 October–2 November 2018. [Google Scholar]
  57. Sun, B.; Zhang, Z.; Andersen, M.A.E. A comparison review of the resonant gate driver in the silicon MOSFET and the GaN transistor application. IEEE Trans. Ind. Appl. 2019, 55, 7776–7786. [Google Scholar] [CrossRef]
  58. Lu, J.L.; Chen, D.; Yushyna, L. A high power-density and high efficiency insulated metal substrate based GaN HEMT power module. In Proceedings of the 2017 IEEE Energy Conversion Congress and Exposition (ECCE), Cincinnati, OH, USA, 1–5 October 2017. [Google Scholar]
  59. Brothers, J.A.; Beechner, T. GaN module design recommendations based on the analysis of a commercial 3-phase GaN module. In Proceedings of the 2019 IEEE Energy Conversion Congress and Exposition (ECCE), Baltimore, MD, USA, 29 Septmber–3 October 2019. [Google Scholar]
  60. Pirc, E.; Miklavčič, D.; Reberšek, M. Nanosecond pulse electroporator with silicon carbide mosfets: Development and evaluation. IEEE Trans. Biomed. Eng. 2019, 66, 3526–3533. [Google Scholar] [CrossRef] [PubMed]
  61. Liu, C.; Zhang, Z.; Liu, Y.; Si, Y.; Lei, Q. Smart self-driving multilevel gate driver for fast switching and crosstalk suppression of SiC MOSFETs. IEEE J. Emerg. Sel. Top. Power Electron. 2020, 8, 442–453. [Google Scholar] [CrossRef]
  62. Park, S.; Sohn, Y.; Cho, G. SiC-based 4 MHz 10 kW ZVS inverter with fast resonance frequency tracking control for high-density plasma generators. IEEE Trans. Power Electron. 2020, 35, 3266–3275. [Google Scholar] [CrossRef]
  63. Kim, T.; Jang, M.; Agelidis, V.G. Ultra-fast MHz range driving circuit for SiC MOSFET using frequency multiplier with eGaN FET. IET Power Electron. 2016, 9, 2085–2094. [Google Scholar] [CrossRef]
  64. Nayak, P.; Pramanick, S.K.; Rajashekara, K. A high-temperature gate driver for silicon carbide mosfet. IEEE Trans. Ind. Electron. 2018, 65, 1955–1964. [Google Scholar] [CrossRef]
  65. Qi, F.; Wang, M.; Xu, L. Investigation and review of challenges in a high-temperature 30-kVA three-phase inverter using SiC MOSFETs. IEEE Trans. Ind. Appl. 2018, 54, 2483–2491. [Google Scholar] [CrossRef]
  66. Zhang, Z.; Yao, K.; Ke, G.; Zhang, K.; Gao, Z.; Wang, Y.; Ren, X.; Chen, Q. SiC MOSFETs gate driver with minimum propagation delay time and auxiliary power supply with wide input voltage range for high-temperature applications. IEEE J. Em. Sel. Top. Power Electron. 2020, 8, 417–428. [Google Scholar] [CrossRef]
  67. Li, C.; Lu, Z.; Chen, Y.; Li, C.; Luo, H.; Li, W.; He, X. High off-state impedance gate driver of SiC MOSFETs for crosstalk voltage elimination considering common-source inductance. IEEE Trans. Power Electron. 2020, 35, 2999–3011. [Google Scholar] [CrossRef]
  68. Zhao, S.; Zhao, X.; Dearien, A.; Wu, Y.; Zhao, Y.; Mantooth, H.A. An intelligent versatile model-based trajectory-optimized active gate driver for silicon carbide devices. IEEE J. Emerg. Sel. Top. Power Electron. 2020, 8, 429–441. [Google Scholar] [CrossRef]
  69. Wang, Y.; Xue, L.; Wang, C.; Wang, P.; Li, W. High off-state impedance gate driver of SiC MOSFETs for crosstalk voltage elimination considering common-source inductance. IEEE Trans. Power Electron. 2016, 31, 5547–5561. [Google Scholar] [CrossRef]
  70. Wang, R.; Liang, L.; Chen, Y.; Kang, Y. A single voltage-balancing gate driver combined with limiting snubber circuits for series-connected SiC MOSFETs. IEEE J. Em. Sel. Top. Power Electron. 2020, 8, 465–474. [Google Scholar] [CrossRef]
  71. Wang, J.; Mocevic, S.; Burgos, R.; Boroyevich, D. High-scalability enhanced gate drivers for SiC MOSFET modules with transient immunity beyond 100 V/ns. IEEE Trans. Power Electron. 2020, 35, 10180–10199. [Google Scholar] [CrossRef]
  72. Yang, C.; Pei, Y.; Xu, Y.; Zhang, F.; Wang, L.; Zhu, M.; Yu, L. A gate drive circuit and dynamic voltage balancing control method suitable for series-connected SiC mosfets. IEEE Trans. Power Electron. 2020, 35, 6625–6635. [Google Scholar] [CrossRef]
  73. Jørgensen, A.B.; Sønderskov, S.H.; Beczkowski, S.; Bidoggia, B.; Munk-Nielsen, S. Analysis of cascaded silicon carbide MOSFETs using a single gate driver for medium voltage applications. IET Power Electron. 2020, 13, 413–419. [Google Scholar] [CrossRef]
  74. Sakib, N.; Manjrekar, M.; Ebong, A. An overview of advances in high reliability gate driving mechanisms for SiC MOSFETs. In Proceedings of the 2017 IEEE 5th Workshop on Wide Bandgap Power Devices and Applications (WiPDA), Albuquerque, NM, USA, 30 October–1 November 2017. [Google Scholar]
  75. Alves, L.F.S.; Lefranc, P.; Jeannin, P.; Sarrazin, B. Review on SiC-MOSFET devices and associated gate drivers. In Proceedings of the 2018 IEEE International Conference on Industrial Technology (ICIT), Lyon, France, 20–22 February 2018. [Google Scholar]
  76. Choudhury, A. Present status of SiC based power converters and gate drivers—A review. In Proceedings of the 2018 International Power Electronics Conference (IPEC-Niigata 2018 -ECCE Asia), Niigata, Japan, 20–24 May 2018. [Google Scholar]
  77. Liu, Y.; Yang, Y. Review of SiC MOSFET drive circuit. In Proceedings of the 2019 IEEE International Conference on Electron Devices and Solid-State Circuits (EDSSC), Xi’an, China, 12–14 June 2019. [Google Scholar]
  78. Zhao, S.; Zhao, X.; Wei, Y.; Zhao, Y.; Mantooth, H.A. A review on switching slew rate control for silicon carbide devices using active gate drivers. IEEE J. Emerg. Sel. Top. Power Electron. 2020. early access. [Google Scholar] [CrossRef]
  79. Jørgensen, A.B.; Aunsborg, T.S.; Bęczkowski, S.; Uhrenfeldt, C.; Munk-Nielsen, S. High-frequency resonant operation of an integrated medium-voltage SiC MOSFET power module. IET Power Electron. 2020, 13, 475–482. [Google Scholar] [CrossRef]
  80. Huang, Z.; Chen, C.; Xie, Y.; Yan, Y.; Kang, Y.; Luo, F. A High-Performance Embedded SiC Power Module Based on a DBC-Stacked Hybrid Packaging Structure. IEEE J. Emerg. Sel. Top. Power Electron. 2020, 8, 351–366. [Google Scholar] [CrossRef]
  81. Barlow, M.; Ahmed, S.; Francis, A.M.; Mantooth, H.A. An integrated SiC CMOS gate driver for power module integration. IEEE Trans. Power Electron. 2019, 34, 11191–11198. [Google Scholar] [CrossRef]
Figure 1. Comparison of Si, gallium nitride (GaN), and silicon carbide (SiC).
Figure 1. Comparison of Si, gallium nitride (GaN), and silicon carbide (SiC).
Micromachines 12 00065 g001
Figure 2. D-mode GaN high electron mobility transistors (HEMT).
Figure 2. D-mode GaN high electron mobility transistors (HEMT).
Micromachines 12 00065 g002
Figure 3. E-mode GaN HEMT.
Figure 3. E-mode GaN HEMT.
Micromachines 12 00065 g003
Figure 4. Cascode GaN HEMT.
Figure 4. Cascode GaN HEMT.
Micromachines 12 00065 g004
Figure 5. Schematic diagrams of a SiC MOSFET, (a) basic structure, (b) the gate-source voltage and current path in on-state, (c) the gate-source voltage and current path in off-state.
Figure 5. Schematic diagrams of a SiC MOSFET, (a) basic structure, (b) the gate-source voltage and current path in on-state, (c) the gate-source voltage and current path in off-state.
Micromachines 12 00065 g005
Figure 6. Applications fields of Si, SiC, and GaN switching devices [13].
Figure 6. Applications fields of Si, SiC, and GaN switching devices [13].
Micromachines 12 00065 g006
Figure 7. Configurations of Infineon Technologies SiC switching modules DF23MR12W1M1P_B11, DF23MR12W1M1_B11, DF11MR12W1M1P_B11, and DF11MR12W1M1_B11 [13].
Figure 7. Configurations of Infineon Technologies SiC switching modules DF23MR12W1M1P_B11, DF23MR12W1M1_B11, DF11MR12W1M1P_B11, and DF11MR12W1M1_B11 [13].
Micromachines 12 00065 g007
Figure 8. Conventional totem-pole gate driver.
Figure 8. Conventional totem-pole gate driver.
Micromachines 12 00065 g008
Figure 9. Gate driver with separate high and low outputs [31].
Figure 9. Gate driver with separate high and low outputs [31].
Micromachines 12 00065 g009
Figure 10. Driving loop with active Miller clamp, Kelvin source connection, and negative turn-off voltage [31].
Figure 10. Driving loop with active Miller clamp, Kelvin source connection, and negative turn-off voltage [31].
Micromachines 12 00065 g010
Table 1. General comparison of normally off GaN high electron mobility transistors (HEMTs).
Table 1. General comparison of normally off GaN high electron mobility transistors (HEMTs).
DeviceDriving Voltage ThresholdDriving Voltage RangeOperating TemperatureOn ResistanceBody Diode
E-mode<2 V−10 V~7 VHigherLowerX
Cascode~4 V±20 VLowerHigherO
Table 2. General comparison of Si metal-oxide-semiconductor field-effect transistors (MOSFET), normally off GaN HEMTs, and SiC MOSFET.
Table 2. General comparison of Si metal-oxide-semiconductor field-effect transistors (MOSFET), normally off GaN HEMTs, and SiC MOSFET.
DeviceDriving Voltage StrictnessPower RatingSwitching SpeedOn ResistanceOperating TemperatureBody Diode
Si MOSFET4th2nd4th4th3rdO
E-GaNHighest3rdFastestLowest2ndX
Cascode-GaN2nd4th2nd2nd3rdO
SiC MOSFET3rdHighest3rd3rdHighestO
Table 3. Commercial GaN HEMTs above 600 V.
Table 3. Commercial GaN HEMTs above 600 V.
ManufacturerTypeVds (V)Ids (A)VTH (V)Vgs (V)Rds(on) (mΩ)Ciss (pF)
Infineon TechnologiesE-mode600101.2−10~5140157
12.5
1555380
31
GaN Systems6503.51.4−10~750030
7.51.320065
81.422552
111.515074
151.3100130
2267195
301.750260
601.325520
80--18-
15010
Panasonic600153.5−10~5140160
3156405
6509.427080
NexperiaCascode65034.53.9±20501000
47.2351500
Transphorm6506.54±18240760
15±20150576
162.1±18720
20130760
254±2072600
282.6±181130
344±20501000
60
3650
46.5351500
47
900152.1±18205780
343.9±2050980
Table 4. Commercial 600~1200 V SiC MOSFETs by On Semiconductor.
Table 4. Commercial 600~1200 V SiC MOSFETs by On Semiconductor.
Vds (V)Ids (A)VTH (V)Vgs (V)Rds(on) (mΩ)Ciss (pF)
900442.7−10~19601800
46−10~201770
1122.6−10~19204415
1182.7
1200173.1−15~25160665
17.3
19.53678
292.75801112
3031154
312.71112
583401762
6031789
2.971781
982.7202943
102
1032890
Table 5. Commercial 600~1200 V SiC MOSFETs by Littelfuse.
Table 5. Commercial 600~1200 V SiC MOSFETs by Littelfuse.
Vds (V)Ids (A)VTH (V)Vgs (V)Rds(on) (mΩ)Ciss (pF)
600153±201502000
1200222.8−10~25160870
271201125
39801825
472.6401900
482.81895
682.6252790
90
Table 6. Commercial 600~1200 V SiC MOSFETs by Infineon Technologies.
Table 6. Commercial 600~1200 V SiC MOSFETs by Infineon Technologies.
Vds (V)Ids (A)VTH (V)Vgs (V)Rds(on) (mΩ)Ciss (pF)
650204.5−5~23107496
2672744
28
39481118
47272131
59
12004.7−7~23350182
13220289
19140454
2690707
36601060
52−7~20452130
−10~201900
564.5−7~23302120
Table 7. Commercial600~1200 V SiC MOSFETs by Cree.
Table 7. Commercial600~1200 V SiC MOSFETs by Cree.
Vds (V)Ids (A)VTH (V)Vgs (V)Rds(on) (mΩ)Ciss (pF)
650362.3−8~19601020
37
120155011
90011.52.1−8~18280150
22−8~19120350
23−8~18
35−8~1965760
660
36−8~18760
632.4−8~19301747
1000222.1−8~19120350
3565660
12007.22.5−8~19350345
7.6
102.6−10~25280259
172.8−8~19160632
182.9−10~25606
302.5−8~19751350
1390
362.9−10~25801130
602.6401893
632.5−8~19323357
902.6−10~25252788
1002.5−8~19214818
115166085
Table 8. Commercial 600~1200 V SiC MOSFETs by Rohm Semiconductor.
Table 8. Commercial 600~1200 V SiC MOSFETs by Rohm Semiconductor.
Vds (V)Ids (A)VTH (V)Vgs (V)Rds(on) (mΩ)Ciss (pF)
650212.7−4~26120460
292.8−10~261201200
302.7−4~2680571
3960852
70301526
93222208
118172884
Table 9. Commercial 600~1200 V SiC MOSFETs by STMicroelectronics.
Table 9. Commercial 600~1200 V SiC MOSFETs by STMicroelectronics.
Vds (V)Ids (A)VTH (V)Vgs (V)Rds(on) (mΩ)Ciss (pF)
650453.2−10~22451370
55
75
90183300
953.1203315
100
1163.2153380
11918
1200123.5−10~25520290
300
20189650
333.2−10~22751230
453.5−10~25901700
523.1−10~22452086
653−10~25591900
753.1−10~22303400
913.45213540
Table 10. Commercial 600~1200 V SiC MOSFETs by United Silicon Carbide.
Table 10. Commercial 600~1200 V SiC MOSFETs by United Silicon Carbide.
Vds (V)Ids (A)VTH (V)Vgs (V)Rds(on) (mΩ)Ciss (pF)
650185±25341500
45
2580
111
3180
4142
54
6527
85
1204.7±206.78360
12007.64.7±25410740
18.44.4150738
335801500
34.570
6535
1074.7±20167824
1208.68512
Table 11. Commercial 600~1200 V SiC MOSFETs by Microchip.
Table 11. Commercial 600~1200 V SiC MOSFETs by Microchip.
Vds (V)Ids (A)VTH (V)Vgs (V)Rds(on) (mΩ)Ciss (pF)
700252.4−10~2390785
2886
37601175
39
652.7352010
77
1262.4154500
140−10~25
1200352.8−10~2380838
37
53−10~25401990
642.6−10~23401990
662.7
772.8−10~25253020
89−10~23
103
Table 12. Commercial 600~1200 V SiC MOSFETs by GeneSiC.
Table 12. Commercial 600~1200 V SiC MOSFETs by GeneSiC.
Vds (V)Ids (A)VTH (V)Vgs (V)Rds(on) (mΩ)Ciss (pF)
120083−10~25350225
16160493
32751053
33
57401974
59
74302633
78
95203949
107
Table 13. Commercial GaN HEMT modules by EPC.
Table 13. Commercial GaN HEMT modules by EPC.
ConfigurationVoltage Rating (V)Current Rating (A)
HB3010/40
16
6010/40
30
8010/40
30
1001.7
30
HB + bootstrap601.7/0.5
100
Dual common source1203.4
Table 14. Commercial SiC MOSFET modules by Infineon Technologies.
Table 14. Commercial SiC MOSFET modules by Infineon Technologies.
ConfigurationVoltage Rating (V)Current Rating (A)
HB120025
50
100
150
200
250
375
500
FB50
HB (3-arm)25
Figure 725
50
Vienna rectifier
phase leg
75
100
Table 15. Commercial SiC MOSFET modules by Cree.
Table 15. Commercial SiC MOSFET modules by Cree.
ConfigurationVoltage Rating (V)Current Rating (A)
HB120020
50
120
225
300
325
400
425
450
Three-phase20
50
Table 16. Commercial SiC MOSFET modules by Rohm Semiconductor.
Table 16. Commercial SiC MOSFET modules by Rohm Semiconductor.
ConfigurationVoltage Rating (V)Current Rating (A)
HB120080
134
180
204
250
300
358
397
576
Chopper134
180
204
300
358
576
Table 17. Commercial SiC MOSFET modules by Microchip.
Table 17. Commercial SiC MOSFET modules by Microchip.
ConfigurationVoltage Rating (V)Current Rating (A)
HB700124
241
353
120055
89
173
254
337
495
733
805
947
170050
100
280
FB70098
120055
89
173
HB (3-arm)70098
189
278
120089
171
251
Chopper70098
120055
89
173
254
Vienna rectifier phase leg700124
238
Table 18. Commercial SiC MOSFET modules by Powerex.
Table 18. Commercial SiC MOSFET modules by Powerex.
ConfigurationVoltage Rating (V)Current Rating (A)
Split dual SiC MOSFET1200100
Dual MOSFET1700540
Table 19. Commercial SiC MOSFET modules by SemiQ.
Table 19. Commercial SiC MOSFET modules by SemiQ.
ConfigurationVoltage Rating (V)Current Rating (A)
HB1200160
200
240
320
HB (2-arm)40
80
FB20
HB (3-arm)20
Table 20. Commercial GaN HEMT drivers by Infineon Technologies.
Table 20. Commercial GaN HEMT drivers by Infineon Technologies.
Num. of ChannelsPeak Source Current (A)Peak Sink Current (A)Supply Voltage (V)Rise Time (ns)Fall Time (ns)Prop. Delay (ns)
1483~206.54.541
21237
48
Table 21. Commercial GaN HEMT driver by On Semiconductor.
Table 21. Commercial GaN HEMT driver by On Semiconductor.
Num. of ChannelsPeak Source Current (A)Peak Sink Current (A)Supply Voltage (V)Rise Time (ns)Fall Time (ns)Prop. Delay (ns)
211.39~171125
Table 22. Commercial GaN HEMT drivers by Maxim Integrated.
Table 22. Commercial GaN HEMT drivers by Maxim Integrated.
Num. of ChannelsPeak Source Current (A)Peak Sink Current (A)Supply Voltage (V)Rise Time (ns)Fall Time (ns)Prop. Delay (ns)
1374~144~374~188
42.853~363.62.535
5.7−16~361.853
Table 23. Commercial GaN HEMT drivers by pSemi.
Table 23. Commercial GaN HEMT drivers by pSemi.
Num. of ChannelsPeak Source Current (A)Peak Sink Current (A)Supply Voltage (V)Rise Time (ns)Fall Time (ns)Prop. Delay (ns)
2244~6.51111
4~60.90.99.1
Table 24. Commercial GaN HEMT drivers by Silicon Laboratories.
Table 24. Commercial GaN HEMT drivers by Silicon Laboratories.
Num. of ChannelsPeak Source Current (A)Peak Sink Current (A)Supply Voltage (V)Rise Time (ns)Fall Time (ns)Prop. Delay (ns)
10.30.56.5~24202060
1.52.5
2.83.42.8~305.58.540
20.250.53~30202030
0.40.66.5~305.58.540
1.842.5~3010.513.345
22.5~24121230
3~30
Table 25. Commercial GaN HEMT drivers by Texas Instruments.
Table 25. Commercial GaN HEMT drivers by Texas Instruments.
Num. of ChannelsPeak Source Current (A)Peak Sink Current (A)Supply Voltage (V)Rise Time (ns)Fall Time (ns)Prop. Delay (ns)
11.37.64~12.612312
444.5~189713
8717
64~189414
3~185627
84.5~189713
553~33101065
74.75~5.250.40.42.5
0.650.852.9
21.254.5~5.573.530
35
1.52.53~188928
33.8~180.50.510
463~185625
28
3~256819
7
554.5~187613
9617
Table 26. Commercial switch-driver-integrated module by EPC.
Table 26. Commercial switch-driver-integrated module by EPC.
ConfigurationVoltage Rating (V)Current Rating (A)Supply Voltage (V)
HB7012.511~13
Table 27. Commercial switch-driver-integrated module by Texas Instruments.
Table 27. Commercial switch-driver-integrated module by Texas Instruments.
ConfigurationVoltage Rating (V)Current Rating (A)Supply Voltage (V)
Single switch600179.5~18
409.5~18
349.5~18
HB80104.57~5.25
Table 28. Commercial switch-driver-integrated module by Navitas Semiconductor.
Table 28. Commercial switch-driver-integrated module by Navitas Semiconductor.
ConfigurationVoltage Rating (V)Current Rating (A)Supply Voltage (V)
Single switch65055.5~24
8
12
Table 29. Commercial SiC MOSFET drivers by Infineon Technologies.
Table 29. Commercial SiC MOSFET drivers by Infineon Technologies.
Num. of ChannelsPeak Source Current (A)Peak Sink Current (A)Supply Voltage (V)Rise Time (ns)Fall Time (ns)Prop. Delay (ns)
122−12~283450170
43.53.1~35109125
4.44.13.1~1896300
109.43.1~35109125
222−12~283050170
483~206.54.537
Table 30. Commercial SiC MOSFET drivers by On Semiconductor.
Table 30. Commercial SiC MOSFET drivers by On Semiconductor.
Num. of ChannelsPeak Source Current (A)Peak Sink Current (A)Supply Voltage (V)Rise Time (ns)Fall Time (ns)Prop. Delay (ns)
166−8~228825
7.87.1−10~24101566
21.92.30~2013890
Table 31. Commercial SiC MOSFET drivers by Microchip.
Table 31. Commercial SiC MOSFET drivers by Microchip.
Num. of ChannelsPeak Source Current (A)Peak Sink Current (A)Supply Voltage (V)Rise Time (ns)Fall Time (ns)Prop. Delay (ns)
2101014~168090250
2020
Table 32. Commercial SiC MOSFET drivers by Maxim Integrated.
Table 32. Commercial SiC MOSFET drivers by Maxim Integrated.
Num. of ChannelsPeak Source Current (A)Peak Sink Current (A)Supply Voltage (V)Rise Time (ns)Fall Time (ns)Prop. Delay (ns)
142.853~363.62.535
5.7−16~361.853
Table 33. Commercial SiC MOSFET drivers by Silicon Laboratories.
Table 33. Commercial SiC MOSFET drivers by Silicon Laboratories.
Num. of ChannelsPeak Source Current (A)Peak Sink Current (A)Supply Voltage (V)Rise Time (ns)Fall Time (ns)Prop. Delay (ns)
12.83.40~305.58.540
443~30121219
21.842.5~3010.513.345
43~30121219
89
39
Table 34. Commercial SiC MOSFET drivers by Texas Instruments.
Table 34. Commercial SiC MOSFET drivers by Texas Instruments.
Num. of ChannelsPeak Source Current (A)Peak Sink Current (A)Supply Voltage (V)Rise Time (ns)Fall Time (ns)Prop. Delay (ns)
11.52−13~33282570
2.55−15~30182076
0~30
−5~3215717
4.55.3−13~33282570
8.510−16~33101065
10−5~15332790
−5~15282490
−16~33101065
3~33
1515−12~30150150150
1717−16~33101065
2463~256719
Table 35. Commercial SiC MOSFET drivers by Analog Devices.
Table 35. Commercial SiC MOSFET drivers by Analog Devices.
Num. of ChannelsPeak Source Current (A)Peak Sink Current (A)Supply Voltage (V)Rise Time (ns)Fall Time (ns)Prop. Delay (ns)
10.20.24.5~17151560
222.5~35181838
3.3~35171730
2.32.32.5~35181843
443~18121246
222253
−15~30161655
−15~35
664.5~25--107
6~25--100
20.10.14.5~182525124
0.34.5~18.510100
443~18121247
46
4.5~181414160
Table 36. Commercial SiC MOSFET drivers by Tamura.
Table 36. Commercial SiC MOSFET drivers by Tamura.
Num. of ChannelsPeak Source Current (A)Peak Sink Current (A)Supply Voltage (V)Rise Time (ns)Fall Time (ns)Prop. Delay (ns)
21.81.813.5~26.4--90
2.53.5--
33
44--
4.54.5--
66--
77--
1818--80
4343--100
Table 37. Commercial SiC MOSFET drivers by Rohm Semiconductor, Littelfuse, Diodes Incorporated, NXP Semiconductors, and Power Integrations.
Table 37. Commercial SiC MOSFET drivers by Rohm Semiconductor, Littelfuse, Diodes Incorporated, NXP Semiconductors, and Power Integrations.
MFRNum. of ChannelsPeak Source Current (A)Peak Sink Current (A)Supply Voltage (V)Rise Time (ns)Fall Time (ns)Prop. Delay (ns)
Rohm1>4 (self-limited)>4 (self-limited)4.5~20151565
Littelfuse99−10~25101075
Diodes101040483510
NXP1515−12~40---
Power Int.884.75~28113105270
Table 38. Reviewed GaN HEMT driving circuits.
Table 38. Reviewed GaN HEMT driving circuits.
RefChannel per Driverfsw (kHz)System PoutSystem EfficiencyGaN HEMTCommercial Driver
[46]11602.5 kW97.3%PGA26A10DSACPL-P346
[47]101 kWunrevealedGS66508TUCC27511
[48]1001.5 kW>97%GS66508TSi8271
[49]120~2003 kW>99%GS66508TN/A
[50]200N/AN/APGA26E19BA
[51]21002 kVA97.4%GS66508TADuM7223
[52]100~2502 kW95%unrevealedADuM3223
[53]160500 W96.2%GS66502BSi8274
[54]-800 W98%GS66508BSi8273
[55]65~1001.5 kW90%GS66504BSi8273
[56]25unrevealedunrevealedGS66508TN/A
Table 39. Reviewed SiC MOSFET driving circuits.
Table 39. Reviewed SiC MOSFET driving circuits.
RefChannel per DriverfswSystem PoutSystem EfficiencySiC MOSFETCommercial Driver
[60]1N/AunrevealedN/AC2M0025120DIXDD609SI
[61]1 MHz51 kWunrevealedC2M0040120DADuM4135
[62]4 MHz10 kW>97.5%C2M0080120DIXRFD630
[34]20 kHz5.9 kWunrevealedC2M0080120DN/A
[63]2 MHz600 WunrevealedC2M0080120D
[64]150 kHz4 kW>99%MT5F31003
[65]10 kHz30 kW99%CAS300M12BM2
[66]100 kHz2 kW82%SCH2080KE
[67]unrevealed4.5 kWunrevealedC2M0025120D
[68]unrevealed9 kWunrevealedSCH2080KE
[69]2200 kHz1 kW96%SCTMU001FUCC27531
[70]25 kHz2.5 kWN/AC2M0160120DACPL-344JT
[71]100 kHz252 kW99.4%CAS300M17BM2STGAP1AS
[72]100 kHz1.8 kWunrevealedC2M1000170Dunrevealed
[73]10 kHzunrevealedunrevealedunrevealedN/A
Publisher’s Note: MDPI stays neutral with regard to jurisdictional claims in published maps and institutional affiliations.

Share and Cite

MDPI and ACS Style

Ma, C.-T.; Gu, Z.-H. Review on Driving Circuits for Wide-Bandgap Semiconductor Switching Devices for Mid- to High-Power Applications. Micromachines 2021, 12, 65. https://doi.org/10.3390/mi12010065

AMA Style

Ma C-T, Gu Z-H. Review on Driving Circuits for Wide-Bandgap Semiconductor Switching Devices for Mid- to High-Power Applications. Micromachines. 2021; 12(1):65. https://doi.org/10.3390/mi12010065

Chicago/Turabian Style

Ma, Chao-Tsung, and Zhen-Huang Gu. 2021. "Review on Driving Circuits for Wide-Bandgap Semiconductor Switching Devices for Mid- to High-Power Applications" Micromachines 12, no. 1: 65. https://doi.org/10.3390/mi12010065

APA Style

Ma, C.-T., & Gu, Z.-H. (2021). Review on Driving Circuits for Wide-Bandgap Semiconductor Switching Devices for Mid- to High-Power Applications. Micromachines, 12(1), 65. https://doi.org/10.3390/mi12010065

Note that from the first issue of 2016, this journal uses article numbers instead of page numbers. See further details here.

Article Metrics

Back to TopTop