Automatic Landslide Detection in Gansu, China, Based on InSAR Phase Gradient Stacking and AttU-Net
Abstract
1. Introduction
2. Study Area and Materials
3. Methodology
3.1. Phase Gradient Stacking
3.2. Phase Gradient Dataset
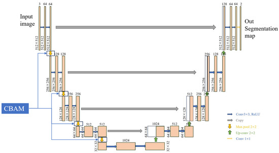
3.3. Attention U-Net
3.4. Model Training
4. Results and Discussion
4.1. Model Accuracy
4.2. Validation Set Results
4.3. Analysis of Landslide Detection Results and Their Distribution in Gansu Province
5. Conclusions
Author Contributions
Funding
Data Availability Statement
Acknowledgments
Conflicts of Interest
References
- Kirschbaum, D.; Stanley, T.; Zhou, Y. Spatial and temporal analysis of a global landslide catalog. Geomorphology 2015, 249, 4–15. [Google Scholar] [CrossRef]
- Varnes, D.J. Slope movement types and processes. Spec. Rep. 1978, 176, 11–33. [Google Scholar]
- Xu, Q. Understanding and Consideration of Related Issues in Early Identification of Potential Geohazards. Geomat. Inf. Sci. Wuhan Univ. 2020, 45, 1651–1659. [Google Scholar] [CrossRef]
- Dai, C.; Li, W.; Lu, H.; Zhang, S. Landslide hazard assessment method considering the deformation factor: A case study of Zhouqu, Gansu Province, Northwest China. Remote Sens. 2023, 15, 596. [Google Scholar] [CrossRef]
- Martinez, S.N.; Schaefer, L.N.; Allstadt, K.E.; Thompson, E.M. Evaluation of Remote Mapping Techniques for Earthquake-Triggered Landslide Inventories in an Urban Subarctic Environment: A Case Study of the 2018 Anchorage, Alaska Earthquake. Front. Earth Sci. 2021, 9, 673137. [Google Scholar] [CrossRef]
- Li, M.; Zhang, L.; Dong, J.; Cai, J.; Liao, M. Detection and Monitoring of Potential Landslides Along Minjiang River Valley in Maoxian County, Sichuan Using Radar Remote Sensing. Geomat. Inf. Sci. Wuhan Univ. 2021, 46, 1529–1537. [Google Scholar] [CrossRef]
- Bekaert, D.P.; Handwerger, A.L.; Agram, P.; Kirschbaum, D.B. InSAR-based detection method for mapping and monitoring slow-moving landslides in remote regions with steep and mountainous terrain: An application to Nepal. Remote Sens. Environ. 2020, 249, 111983. [Google Scholar] [CrossRef]
- Xu, Q.; Lu, H.; Li, W.; Dong, X.; Guo, C. Types of Potential Landslide and Corresponding Identification Technologies. Geomat. Inf. Sci. Wuhan Univ. 2022, 47, 377–387. [Google Scholar] [CrossRef]
- Zhu, J.; Hu, J.; Li, Z.; Sun, Q.; Zheng, W. Recent progress in landslide monitoring with InSAR. Acta Geod. Cartogr. Sin. 2022, 51, 2001–2019. [Google Scholar]
- Dai, H.; Zhang, H.; Dai, H.; Wang, C.; Tang, W.; Zou, L.; Tang, Y. Landslide Identification and Gradation Method Based on Statistical Analysis and Spatial Cluster Analysis. Remote Sens. 2022, 14, 4504. [Google Scholar] [CrossRef]
- Sandwell, D.T.; Price, E.J. Phase gradient approach to stacking interferograms. J. Geophys. Res. Solid Earth 1998, 103, 30183–30204. [Google Scholar] [CrossRef]
- Zhang, D.; Zhang, L.; Dong, J.; Wang, Y.; Yang, C.; Liao, M. Improved phase gradient stacking for landslide detection. Landslides 2024, 21, 1829–1847. [Google Scholar] [CrossRef]
- Fu, L.; Zhang, Q.; Wang, T.; Li, W.; Xu, Q.; Ge, D. Detecting slow-moving landslides using InSAR phase-gradient stacking and deep-learning network. Front. Environ. Sci. 2022, 10, 963322. [Google Scholar] [CrossRef]
- Xiong, T.; Sun, Q.; Hu, J. Landslide Detection Based on Multi-Direction Phase Gradient Stacking, with Application to Zhouqu, China. Appl. Sci. 2024, 14, 1632. [Google Scholar] [CrossRef]
- Shen, Y.; Dai, K.; Wu, M.; Zhuo, G.; Wang, M.; Wang, T.; Xu, Q. Rapid and Automatic Detection of New Potential Landslide Based on Phase-Gradient DInSAR. IEEE Geosci. Remote Sens. Lett. 2022, 19, 4514205. [Google Scholar] [CrossRef]
- Sameen, M.I.; Pradhan, B. Landslide Detection Using Residual Networks and the Fusion of Spectral and Topographic Information. IEEE Access 2019, 7, 114363–114373. [Google Scholar] [CrossRef]
- Soares, L.P.; Dias, H.C.; Garcia, G.P.; Grohmann, C.H. Landslide Segmentation with Deep Learning: Evaluating Model Generalization in Rainfall-Induced Landslides in Brazil. Remote Sens. 2022, 14, 2237. [Google Scholar] [CrossRef]
- Valade, S.; Ley, A.; Massimetti, F.; D’Hondt, O.; Laiolo, M.; Coppola, D.; Loibl, D.; Hellwich, O.; Walter, T.R. Towards Global Volcano Monitoring Using Multisensor Sentinel Missions and Artificial Intelligence: The MOUNTS Monitoring System. Remote Sens. 2019, 11, 1528. [Google Scholar] [CrossRef]
- Anantrasirichai, N.; Biggs, J.; Kelevitz, K.; Sadeghi, Z.; Wright, T.; Thompson, J.; Achim, A.M.; Bull, D. Detecting Ground Deformation in the Built Environment Using Sparse Satellite InSAR Data With a Convolutional Neural Network. IEEE Trans. Geosci. Remote Sens. 2021, 59, 2940–2950. [Google Scholar] [CrossRef]
- Rouet-Leduc, B.; Jolivet, R.; Dalaison, M.; Johnson, P.A.; Hulbert, C. Autonomous extraction of millimeter-scale deformation in InSAR time series using deep learning. Nat. Commun. 2021, 12, 6480. [Google Scholar] [CrossRef]
- Zhang, T.; Zhang, W.; Cao, D.; Yi, Y.; Wu, X. A New Deep Learning Neural Network Model for the Identification of InSAR Anomalous Deformation Areas. Remote Sens. 2022, 14, 2690. [Google Scholar] [CrossRef]
- Schwegmann, C.P.; Kleynhans, W.; Engelbrecht, J.; Mdakane, L.W.; Meyer, R.G. Subsidence feature discrimination using deep convolutional neural networks in synthetic aperture radar imagery. In Proceedings of the 2017 IEEE International Geoscience and Remote Sensing Symposium (IGARSS), Fort Worth, TX, USA, 23–28 July 2017; pp. 4626–4629. [Google Scholar]
- Kamiyama, J.; Noro, T.; Sakagami, M.; Suzuki, Y.; Yoshikawa, K.; Hikosaka, S.; Hirata, I. Detection of Landslide Candidate Interference Fringes in DInSAR Imagery Using Deep Learning. Recall 2018, 90, 94–95. [Google Scholar]
- Chen, X.; Yao, X.; Zhou, Z.; Liu, Y.; Yao, C.; Ren, K. DRs-UNet: A Deep Semantic Segmentation Network for the Detection of Active Landslides from InSAR Imagery in the Three Rivers Region of the Qinghai–Tibet Plateau. Remote Sens. 2022, 14, 1848. [Google Scholar] [CrossRef]
- Ronneberger, O.; Fischer, P.; Brox, T. U-net: Convolutional networks for biomedical image segmentation. In Proceedings of the Medical Image Computing and Computer-Assisted Intervention–MICCAI 2015: 18th International Conference, Munich, Germany, 5–9 October 2015; Proceedings, Part III 18. Springer International Publishing: Cham, Switzerland, 2015; pp. 234–241. [Google Scholar]
- Woo, S.; Park, J.; Lee, J.Y.; Kweon, I.S. Cbam: Convolutional block attention module. In Proceedings of the European Conference on Computer Vision (ECCV), Munich, Germany, 8–14 September 2018; pp. 3–19. [Google Scholar]
- Chen, L.C. Rethinking atrous convolution for semantic image segmentation. arXiv 2017, arXiv:1706.05587. [Google Scholar]
- Yu, C.; Gao, C.; Wang, J.; Yu, G.; Shen, C.; Sang, N. Bisenet v2: Bilateral network with guided aggregation for real-time semantic segmentation. Int. J. Comput. Vis. 2021, 129, 3051–3068. [Google Scholar] [CrossRef]














| Path-Frame | Orbital Direction | Number of Images | Path-Frame | Orbital Direction | Number of Images |
|---|---|---|---|---|---|
| 55~102 | Ascending | 42 | 62~479 | Descending | 57 |
| 55~107 | Ascending | 39 | 62~484 | Descending | 53 |
| 128~104 | Ascending | 58 | 135~478 | Descending | 53 |
| 128~109 | Ascending | 58 | 135~484 | Descending | 47 |
| Path-Frame | Start Date– End Date | Number of Images | Path-Frame | Start Date– End Date | Number of Images |
|---|---|---|---|---|---|
| (yyyy/mm/dd– yyyy/mm/dd) | (yyyy/mm/dd– yyyy/mm/dd) | ||||
| 55~102 | 2023/01/01– 2023/05/31 | 11 | 157~107 | 2022/01/07– 2022/08/22 | 14 |
| 55~107 | 2023/01/01– 2023/05/31 | 11 | 157~112 | 2022/01/07– 2022/08/22 | 14 |
| 55~112 | 2023/01/01– 2023/05/31 | 11 | 157~117 | 2022/01/07– 2022/08/22 | 14 |
| 55~117 | 2023/01/01– 2023/05/31 | 11 | 99~1310 | 2022/01/03– 2022/05/03 | 11 |
| 55~122 | 2023/01/01– 2023/05/31 | 11 | 99~1315 | 2022/01/03– 2022/05/03 | 11 |
| 128~104 | 2023/01/12– 2023/06/05 | 13 | 99~1320 | 2022/01/03– 2022/05/03 | 11 |
| 128~109 | 2023/01/12– 2023/06/05 | 13 | 172~1307 | 2022/10/11– 2023/04/21 | 16 |
| 128~119 | 2023/01/12– 2023/06/05 | 13 | 172~1312 | 2022/10/11– 2023/04/21 | 16 |
| 128~124 | 2023/01/12– 2023/06/05 | 13 | 172~1317 | 2022/10/11– 2023/04/21 | 16 |
| 26~103 | 2022/10/25– 2023/05/05 | 16 | 70~1307 | 2022/10/16– 2023/04/26 | 16 |
| 26~108 | 2022/10/25– 2023/05/05 | 16 | 70~1312 | 2022/10/16– 2023/04/26 | 16 |
| 2~123 | 2022/10/25– 2023/05/05 | 16 | 84~110 | 2022/11/22– 2023/05/21 | 14 |
| 26~128 | 2022/10/25– 2023/05/05 | 16 | 84~115 | 2022/11/22– 2023/05/21 | 14 |
| Path-Frame | Orbital Direction | Number of Landslides | Path-Frame | Orbital Direction | Number of Landslides |
|---|---|---|---|---|---|
| 55~102 | Ascending | 294 | 62~479 | Descending | 336 |
| 55~107 | Ascending | 291 | 62~484 | Descending | 616 |
| 128~104 | Ascending | 126 | 135~478 | Descending | 104 |
| 128~109 | Ascending | 83 | 135~484 | Descending | 128 |
| Model | Precision | Recall | Accuracy |
|---|---|---|---|
| U-Net | 0.8793 | 0.8523 | 0.9825 |
| AttU-Net | 0.8771 | 0.8712 | 0.9834 |
| BiseNet v2 | 0.8574 | 0.8153 | 0.9854 |
| Deeplab v3 | 0.8765 | 0.8635 | 0.9871 |
Disclaimer/Publisher’s Note: The statements, opinions and data contained in all publications are solely those of the individual author(s) and contributor(s) and not of MDPI and/or the editor(s). MDPI and/or the editor(s) disclaim responsibility for any injury to people or property resulting from any ideas, methods, instructions or products referred to in the content. |
© 2024 by the authors. Licensee MDPI, Basel, Switzerland. This article is an open access article distributed under the terms and conditions of the Creative Commons Attribution (CC BY) license (https://creativecommons.org/licenses/by/4.0/).
Share and Cite
Sun, Q.; Li, C.; Xiong, T.; Gui, R.; Han, B.; Tan, Y.; Guo, A.; Li, J.; Hu, J. Automatic Landslide Detection in Gansu, China, Based on InSAR Phase Gradient Stacking and AttU-Net. Remote Sens. 2024, 16, 3711. https://doi.org/10.3390/rs16193711
Sun Q, Li C, Xiong T, Gui R, Han B, Tan Y, Guo A, Li J, Hu J. Automatic Landslide Detection in Gansu, China, Based on InSAR Phase Gradient Stacking and AttU-Net. Remote Sensing. 2024; 16(19):3711. https://doi.org/10.3390/rs16193711
Chicago/Turabian StyleSun, Qian, Cong Li, Tao Xiong, Rong Gui, Bing Han, Yilun Tan, Aoqing Guo, Junfeng Li, and Jun Hu. 2024. "Automatic Landslide Detection in Gansu, China, Based on InSAR Phase Gradient Stacking and AttU-Net" Remote Sensing 16, no. 19: 3711. https://doi.org/10.3390/rs16193711
APA StyleSun, Q., Li, C., Xiong, T., Gui, R., Han, B., Tan, Y., Guo, A., Li, J., & Hu, J. (2024). Automatic Landslide Detection in Gansu, China, Based on InSAR Phase Gradient Stacking and AttU-Net. Remote Sensing, 16(19), 3711. https://doi.org/10.3390/rs16193711

