Inverse Synthetic Aperture Radar Imaging of Space Targets Using Wideband Pseudo-Noise Signals with Low Peak-to-Average Power Ratio
Abstract
1. Introduction
2. Pseudo-Noise Signals as Transmit Signal
2.1. Generation Procedure of Pseudo-Noise Signal
2.2. Short-Time Fourier Analysis
2.3. Point Spread Function and Cross-Correlation Analyses
2.4. Ambiguity Function
2.5. Spectral Kurtosis
3. Experimental Verification Measurements
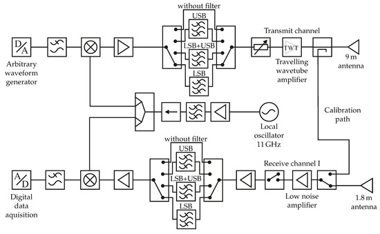
3.1. IoSiS System Description
3.2. Point Spread Function Analysis Measurements
3.3. ISAR Space Target Measurement Results
4. Conclusions
Author Contributions
Funding
Data Availability Statement
Conflicts of Interest
Abbreviations
| ACF | Auto correlation function |
| ADC | Analog-to-digital converter |
| AF | Ambiguity function |
| AWG | Arbitrary waveform generator |
| CCF | Cross-correlation function |
| DAC | Digital-to-analog converter |
| ELINT | Electronic intelligence systems |
| ESM | Electronic support measures |
| HPA | High power amplifier |
| HPBW | Half-power beam width |
| IoSiS | Imaging of satellites in space |
| ISS | International Space Station |
| LFM | Linear frequency modulated |
| LNA | Low noise amplifier |
| LO | Local oscillator |
| LPE | Low probability of exploitation |
| LPI | Low probability of intercept |
| LSB | Lower side band |
| NRT | Noise radar technology |
| PAPR | Peak-to-average power ratio |
| Probability density function | |
| PNS | Pseudo-noise signal |
| PSF | Point spread function |
| RCS | Radar cross section |
| RMS | Root mean square |
| SK | Spectral Kurtosis |
| SNR | Signal-to-noise ration |
| STFT | Short-time Fourier transformation |
| TF | Transfer function |
| TWTA | Travelling wavetube amplifier |
| USB | Upper side band |
| WBA | Wideband ambiguity function |
References
- Levanon, N.; Mozeson, E. Radar Signals; John Wiley & Sons, Ltd.: Hoboken, NJ, USA, 2004; Chapter 4; pp. 53–73. [Google Scholar] [CrossRef]
- Skolnik, M. Introduction to Radar Systems; Electrical Engineering Series; McGraw-Hill: New York, NY, USA, 2001. [Google Scholar]
- Palo, F.D.; Galati, G.; Pavan, G.; Wasserzier, C.; Savci, K. Introduction to Noise Radar and Its Waveforms. Sensors 2020, 20, 5187. [Google Scholar] [CrossRef] [PubMed]
- Galati, G.; Pavan, G.; De Palo, F.; Stove, A. Potential applications of noise radar technology and related waveform diversity. In Proceedings of the 17th International Radar Symposium (IRS), Krakow, Poland, 10–12 May 2016; pp. 1–5. [Google Scholar] [CrossRef]
- Savci, K.; Galati, G.; Pavan, G. Low-PAPR Waveforms with Shaped Spectrum for Enhanced Low Probability of Intercept Noise Radars. Remote Sens. 2021, 13, 2372. [Google Scholar] [CrossRef]
- Galati, G.; Pavan, G.; Savci, K.; Wasserzier, C. Noise Radar Technology: Waveforms Design and Field Trials. Sensors 2021, 21, 3216. [Google Scholar] [CrossRef] [PubMed]
- De Palo, F.; Galati, G. Orthogonal waveforms for multiradar and MIMO radar using noise radar technology. In Proceedings of the Signal Processing Symposium (SPSympo), Debe, Poland, 10–12 June 2015; pp. 1–4. [Google Scholar] [CrossRef]
- Galati, G.; Pavan, G. Noise Radar Technology as an Interference Prevention Method. J. Electr. Comput. Eng. 2013, 2013, 146986. [Google Scholar] [CrossRef]
- De Martino, A. Introduction to Modern EW Systems; Artech House: London, UK, 2018. [Google Scholar]
- Kulpa, K. Signal Processing in Noise Waveform Radar; Artech House: London, UK, 2013. [Google Scholar]
- Galati, G.; Pavan, G.; Savci, K.; Wasserzier, C. Counter-Interception and Counter-Exploitation Features of Noise Radar Technology. Remote Sens. 2021, 13, 4509. [Google Scholar] [CrossRef]
- Kulpa, K.; Lukin, K.; Miceli, W.; Thayaparan, T. Signal processing in noise radar technology. IET Radar Sonar Navig. 2008, 2, 229–323. [Google Scholar] [CrossRef]
- Narayanan, R.M.; Xu, X. Principles and applications of coherent random noise radar technology. Noise Devices Circuits 2003, 5113, 503–514. [Google Scholar] [CrossRef]
- Anger, S.; Jirousek, M.; Dill, S.; Kempf, T.; Peichl, M. High-resolution inverse synthetic aperture radar imaging of satellites in space. IET Radar Sonar Navig. 2023, 18, 544–563. [Google Scholar] [CrossRef]
- Anger, S.; Jirousek, M.; Dill, S.; Peichl, M. Imaging of objects in space using arbitrary transmit signals. In Proceedings of the 14th European Conference on Synthetic Aperture Radar, Leipzig, Germany, 25–27 July 2022; pp. 1–5. [Google Scholar]
- Jirousek, M.; Iff, S.; Anger, S.; Peichl, M. GigaRad—A multi-purpose high-resolution ground-based radar system concept, error correction strategies and performance verification. Int. J. Microw. Wirel. Technol. 2015, 7, 443–451. [Google Scholar] [CrossRef]
- Jirousek, M.; Dill, S.; Schreiber, E.; Anger, S.; Peichl, M.; Schreiber, H. Characteristics of the high-performance highly digitized multi-purpose radar system GigaRad: System Concept, System Correction and Calibration, Applications. In Proceedings of the 2018 11th German Microwave Conference (GeMiC), Freiburg, Germany, 12–14 March 2018; pp. 395–398. [Google Scholar] [CrossRef]
- Lindner, J. Informationsübertragung; Springer-Lehrbuch; Springer: Berlin/Heidelberg, Germany, 2005. [Google Scholar]
- Ohm, J.R.; Lüke, H.D. Signalübertragung Grundlagen der Digitalen und Analogen Nachrichtenübertragungssysteme, 11th ed.; Springer: Berlin/Heidelberg, Germany; New York, NY, USA, 2010. [Google Scholar] [CrossRef]
- Boashash, B. Estimating and interpreting the instantaneous frequency of a signal. I. Fundamentals. Proc. IEEE 1992, 80, 520–538. [Google Scholar] [CrossRef]
- Ipatov, V. Spread Spectrum and CDMA: Principles and Applications; Wiley: West Sussex, UK, 2005. [Google Scholar]
- Balleri, A.; Farina, A. Ambiguity function and accuracy of the hyperbolic chirp: Comparison with the linear chirp. IET Radar Sonar Navig. 2017, 11, 142–153. [Google Scholar] [CrossRef]
- Dawood, M.; Narayanan, R. Generalised wideband ambiguity function of a coherent ultrawideband random noise radar. IEE Proc. Radar Sonar Navig. 2003, 150, 379. [Google Scholar] [CrossRef]
- Sune, R.A. Generalized Ambiguity Functions for Ultra Wide Band Random Waveforms. In Proceedings of the International Radar Symposium, Krakow, Poland, 24–26 May 2006; pp. 1–4. [Google Scholar] [CrossRef]
- Sibul, L.; Ziomek, L. Generalized wideband crossambiguity function. IEEE Int. Conf. Acoust. Speech Signal Process. 1981, 6, 1239–1242. [Google Scholar] [CrossRef]
- Sen, S.; Nehorai, A. Adaptive Design of OFDM Radar Signal With Improved Wideband Ambiguity Function. IEEE Trans. Signal Process. 2010, 58, 928–933. [Google Scholar] [CrossRef]
- Anger, S.; Jirousek, M.; Dill, S.; Schreiber, E.; Peichl, M. Imaging of satellites in space (IoSiS): Challenges in image processing of ground-based high-resolution ISAR data. In Proceedings of the Radar Sensor Technology XXII; Ranney, K.I., Doerry, A., Eds.; International Society for Optics and Photonics, SPIE: Bellingham, WA, USA, 2018; Volume 10633, p. 106330L. [Google Scholar] [CrossRef]
- Montenbruck, O.; Gill, E. Satellite Orbits: Models, Methods, and Applications; Physics and Astronomy Online Library; Springer: Berlin/Heidelberg, Germany, 2000. [Google Scholar]
- Antoni, J. The spectral kurtosis: A useful tool for characterising non-stationary signals. Mech. Syst. Signal Process. 2006, 20, 282–307. [Google Scholar] [CrossRef]
- Antoni, J.; Randall, R. The spectral kurtosis: Application to the vibratory surveillance and diagnostics of rotating machines. Mech. Syst. Signal Process. 2006, 20, 308–331. [Google Scholar] [CrossRef]
- Peeters, G. A Large Set of Audio Features for Sound Description (Similarity and Classification) in the CUIDADO Project; Technical Report; Icram: Paris, France, 2004. [Google Scholar]
- Anger, S.; Jirousek, M.; Dill, S.; Peichl, M. ISAR imaging of space objects using large observation angles. In Proceedings of the 21st International Radar Symposium (IRS), Berlin, Germany, 21–22 June 2021. [Google Scholar]
- McDowell, J. Navel Research Laboratory Satellites 1960– 1989. J. Br. Interplanet. Soc. 1997, 50, 427–432. [Google Scholar]













| Parameter | Symbol | Parameter Value | Unit |
|---|---|---|---|
| Signal type | - | PNS | - |
| Center frequency | 10.2 | GHz | |
| Bandwidth | B | 2.8 | GHz |
| Range resolution | 54 | mm | |
| DAC sampling rate | 10 | GS/s | |
| ADC sampling rate | 10 | GS/s | |
| Pulse duration | 45 | μs | |
| PRF | 200 | Hz | |
| Signal type | - | PNS | - |
| Mode | - | LSB | - |
| Parameter | Symbol | Parameter Value | Unit |
|---|---|---|---|
| Transmit signal type | - | PNS | - |
| Center frequency | 10.2 | GHz | |
| Bandwidth | B | 2.8 | GHz |
| Integration angle | 16 | degree | |
| Slant range resolution | 54 | mm | |
| Azimuth resolution | 53 | mm | |
| FP incident angle | 36.2–43 | degree | |
| FP range resolution | 67–74 | mm | |
| DAC sampling rate | 10 | GS/s | |
| ADC sampling rate | 10 | GS/s | |
| Pulse duration | 45 | μs | |
| PRF | 190 | Hz | |
| Target distance | 600–680 | km | |
| Processed pulses | 5000 | km | |
| Processing algorithm | - | Back-projection | - |
| Image size | - | 6000 × 9000 | Pixel |
| Mode | - | LSB | - |
Disclaimer/Publisher’s Note: The statements, opinions and data contained in all publications are solely those of the individual author(s) and contributor(s) and not of MDPI and/or the editor(s). MDPI and/or the editor(s) disclaim responsibility for any injury to people or property resulting from any ideas, methods, instructions or products referred to in the content. |
© 2024 by the authors. Licensee MDPI, Basel, Switzerland. This article is an open access article distributed under the terms and conditions of the Creative Commons Attribution (CC BY) license (https://creativecommons.org/licenses/by/4.0/).
Share and Cite
Anger, S.; Jirousek, M.; Dill, S.; Peichl, M. Inverse Synthetic Aperture Radar Imaging of Space Targets Using Wideband Pseudo-Noise Signals with Low Peak-to-Average Power Ratio. Remote Sens. 2024, 16, 1809. https://doi.org/10.3390/rs16101809
Anger S, Jirousek M, Dill S, Peichl M. Inverse Synthetic Aperture Radar Imaging of Space Targets Using Wideband Pseudo-Noise Signals with Low Peak-to-Average Power Ratio. Remote Sensing. 2024; 16(10):1809. https://doi.org/10.3390/rs16101809
Chicago/Turabian StyleAnger, Simon, Matthias Jirousek, Stephan Dill, and Markus Peichl. 2024. "Inverse Synthetic Aperture Radar Imaging of Space Targets Using Wideband Pseudo-Noise Signals with Low Peak-to-Average Power Ratio" Remote Sensing 16, no. 10: 1809. https://doi.org/10.3390/rs16101809
APA StyleAnger, S., Jirousek, M., Dill, S., & Peichl, M. (2024). Inverse Synthetic Aperture Radar Imaging of Space Targets Using Wideband Pseudo-Noise Signals with Low Peak-to-Average Power Ratio. Remote Sensing, 16(10), 1809. https://doi.org/10.3390/rs16101809

