A Simulation-Assisted Field Investigation on Control System Upgrades for a Sustainable Heat Pump Heating
Abstract
1. Introduction
2. Methods
2.1. Live Laboratory Description
- (1)
- Situated in a cold climate zone with a heating period of four months (from around November 15th to around March 15th of the following year).
- (2)
- Heating area of 23,000 m2, serving residential users.
- (3)
- Transitioning from a district boiler heating system to a water-source heat pump heating system utilizing a low-temperature heat source (20 °C), which is the cooling water from nearby factories. Figure 1 shows a schematic diagram of the water-source heat pumps, and Table 1 exhibits the main parameters of the employed heat pump units.
- (4)
- Completed renovations on the heat source, distribution network, and building insulation, and installed transmitters for temperature, pressure, and flow rate measurements and balancing and/or regulating valves for the distribution network and end-users.
- (5)
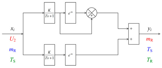
- Identified the response characteristics of specific key equipment/components approximated by the first-order inertia-lag objects as follows:The heat pump compressor:The heat pump condenser:The heat load:where s and G(s) are the complex variables and first-order inertia-lag object, respectively. Note that the heat pump condenser possesses the most prolonged time delay; in contrast, the heat load has the most significant time constant.
- (6)
- A single-loop PID controller was employed with the control variable of the condenser outlet water temperature. Figure 3 shows the structure of this control system. As seen from Figure 3, the set value of condenser outlet water temperature (TS.SET) minus the measurement (I1) of that is the deviation (e1) of the controlled variable, which is sent to the PID controller. Through calculations, the PID controller sends the adjustment signals (U1) to the electric motor of the compressor, regulating the refrigerant flow rate (mR) to manage the heat exchange capacity of the condenser for changing its output water temperature (TS).
- (1)
- As Figure 3 shows, the control law neglects the effect of heat transfer processes in indoor heating on the supply–demand balance and users’ thermal comfort. The return water temperature instead of the supply water temperature of heating systems directly reflects the change in heat demand. When the program sets a supply water temperature for heating by outdoor meteorological conditions [36,37], the return water temperature of heating systems tends to rise as the heat load declines and reduces as the heat load increases. Thus, the supply water temperature, being the controlled variable, must consider the significant effect of capacity delay in indoor heat transfer processes.
- (2)
- The integer-order PID controller is not good at managing non-integral-order objects or adapting to addressing objects with a long delay.
- (3)
- The integer-order PID controller with three structural parameters is insufficient to subtly balance the effects of integral, differential, and proportion because the optimal solutions are limited to the right half of the complex plane.
- (4)
- The tuning method of ZN can scarcely adapt to the alterations in response characteristics of controlled objects.
- (5)
- The heating system employs a narrow difference between supply and return water temperatures (about 5 °C) to ensure hydraulic equilibrium among users, leading to remarkable energy consumption for the heating water distribution. Meanwhile, to protect the thermal comfort of distant users, a high supply temperature results in significant energy consumption for the heat pump units.
2.2. Advanced Control Strategy and Controller Design
- (1)
- The return water temperature and the supply one, the principal and auxiliary controlled variables, respectively, replace the single-loop structure with a cascade control structure, directly responding to the heat load variation.
- (2)
- (3)
- Configure fractional-order controllers for the fractional-order objects. Specifically, a PDμ controller is adopted to quickly adjust the supply water temperature. In contrast, a PIλDμ controller precisely manages the return water temperature. Compared to integral-order PID controllers, fractional-order PID controllers offer more flexibility in parameter tuning due to adding two adjustable parameters: integral operator order λ and derivative operator order μ [40]. Thus, fractional-order PID controllers are suitable for controlling nonlinear systems [41,42].
- (4)
- Tune the structural parameters of fractional-order PID controllers with an advanced fireworks algorithm to adapt to the alterations in the response characteristics of controlled objects. Section 2.3 introduces the advanced fireworks algorithm and its application in this study.
- (5)
- Increase the supply return water temperature difference in the heat pump units from 5 °C to 10 °C to reduce distribution losses in the heating system. In the meantime, the set value of the return water temperature determined by the actual heat load ensures that the output power of heat pump units fits the heat demand. Therefore, the supply water temperature as the secondary controlled variable adapts to the change in the heat load, decreasing the energy consumption of the heat pump units. In particular, this study uses the forecast method of return water temperatures in a heating system provided by Wang et al. [43]. Hebei Hongrui Intelligent Engineering Technology Co., Ltd. implements this forecast method in the live laboratory.
- (6)
- Adjust the opening of balance valves installed in each building/unit by calculating deviations between the building/unit’s return water temperatures and the heating system, ensuring hydraulic and thermal equilibrium among buildings/units. After that, since the valve authority of flow regulating valves at users’ terminals has been improved, hydraulic and thermal equilibrium among users is available, that is, ‘on-demand heating’.
2.3. Advanced Adaptive Tuning Algorithm
- (1)
- Adopt the Cauchy mutation strategy instead of the Gaussian mutation strategy to enhance perturbation ability and broaden the range of variation, making it easier to escape local optima.
- (2)
- With an adaptive explosion radius, during the initial iterations, a larger explosion radius is used to strengthen global exploration capability. Later iterations employ a smaller explosion radius to enhance local search capability, accelerating algorithm convergence and balancing solution accuracy with convergence speed.
- (3)
- The elite random selection strategy selects the best individual from a candidate set composed of fireworks, exploding sparks, and Cauchy sparks as the ‘elite’ for the next generation of fireworks. The rest are randomly selected (with possible repetitions) from the candidate set. This approach ensures both that optimal individuals’ absolute advantage is retained in the fireworks population and population diversity is maintained while reducing computational complexity.
2.4. Tuning Algorithm Tests
3. Results and Discussion
3.1. Simulation Test Results
3.2. Live Measure
4. Conclusions
Author Contributions
Funding
Institutional Review Board Statement
Informed Consent Statement
Data Availability Statement
Acknowledgments
Conflicts of Interest
Nomenclature
| Cauchy(0 1) | standard Cauchy distribution function |
| D | fractional calculus operator |
| e | error between the set value and the actual value |
| ESS | steady-state error |
| fmax | maximum value of the objective function among n fireworks |
| Σf1, Σf2 | disturbance in the TS and TR, respectively |
| G | first-order inertia-lag object |
| KD | coefficient of differentiation |
| KI | coefficient of integration |
| KP | coefficient of proportion |
| mR | mass flow rate of the refrigerator |
| Nc | total spark number constant |
| Ni | number of explosive sparks generated by the i-th firework |
| <Ni> | average number of explosive sparks in the population |
| Nmax | maximum iteration count |
| N(0 1) | Gaussian distribution function with mean 0 and variance 1 |
| n | number of fireworks |
| n:1 | decay ratio indicators |
| p | probability of random variation |
| rand(0 1) | displacement parameter generated from a standard uniform distribution on (0, 1) |
| s | complex variable |
| t | global time |
| tc | adjustment time |
| TR | return water temperature |
| TS | supply water temperature |
| u | output of the fractional-order PID controller |
| Xzc | historical location information of Cauchy sparks in dimension z |
| Xzj | position of the j-th individual beyond the boundary in the z dimension |
| Xzmin, Xzmax | upper and lower boundaries of the z-th dimension, respectively |
| Xz∗ | location information of the current best fireworks in dimension z, i.e., the optimal fireworks |
| z | dimensionality |
| 〈●〉 | statistical average |
| % | symbol of modular operation |
| ε | machine epsilon |
| η | efficiency |
| λ | integral operator order |
| μ | derivative operator order |
| ρ | complaint ratio at a specific point |
| τ | local time |
| ω | weight value |
| Subscript | |
| comp | compressor |
| cond | condenser |
| c.t. | Carnot |
| ex | exergy or exergetic |
| H | heating |
| load | (heating) load |
| SET | set value |
| Abbreviations | |
| COP | coefficient of performance |
| HVAC | heating, ventilation, and air conditioning |
| ITUE | comprehensive evaluation index |
| PID | proportion integration differentiation |
References
- National Development and Reform Commission; National Energy Administration, Ministry of Finance. Clean Heating Planning in Winter in Northern China (2017–2021); Ministry of Finance: Beijing, China, 2017.
- Wu, J.; Song, L.; Wang, Z.; Sun, Y.; Wang, J. Implementation evaluation of clean heating pilot city in Northern China during the 13th Five-Year Plan period. Environ. Prot. Sci. 2023, 49, 48–55. (In Chinese) [Google Scholar] [CrossRef]
- Wang, Y.; Liu, W. Evaluating the effect of Clean Heating Policy Pilot on air quality improvement: A quasi-experimental study based on three batches of pilot cities in China. China Environ. Sci. 2024, 44, 581–592. (In Chinese) [Google Scholar] [CrossRef]
- Zhai, Y.; Li, S. Summary research and prospect of clean heating renovation in northern rural areas of China. China Energy Environ. Prot. 2023, 45, 194–200. (In Chinese) [Google Scholar] [CrossRef]
- Hou, L.; Ding, H.; Wang, S. Impact assessment of clean heating on carbon emission in rural residential building field. Build. Sci. 2022, 38, 260–265. (In Chinese) [Google Scholar] [CrossRef]
- Wen, Y.; Cao, Y.; Zhao, X.; Gao, W.; Lv, H. CiteSpace-based clean heating policy and technology development process and trend analysis. HVAC 2023, 53, 171–176. (In Chinese) [Google Scholar] [CrossRef]
- Song, L.; Wu, J.; Sun, Y.; Zhang, W. Research on the Renovation Technology and Subsidy Policy of Rural Clean Heating in the 14th Five-year Plan Period. Environ. Prot. 2022, 50, 15–20. (In Chinese) [Google Scholar] [CrossRef]
- Fu, B. Pay attention to building energy-saving renovation with the aim of promoting the sustainable development of clean heating in rural areas. Energy China 2023, 45, 82–90. [Google Scholar]
- GB/T 51350-2019; Technical Standard for Nearly Zero Energy Buildings. Ministry of Housing and Urban-Rural Development of the People’s Republic of China: Beijing, China, 2019. (In Chinese)
- T/CSUS 15-2021; Evaluation Standard for Ultra-Low Energy Buildings. Chinese Society for Urban Studies: Beijing, China, 2021. (In Chinese)
- Capone, M.; Guelpa, E.; Verda, V. Optimal installation of heat pumps in large district heating networks. Energies 2023, 16, 1448. [Google Scholar] [CrossRef]
- Gong, Y.; Ma, G.; Jiang, Y.; Wang, L. Research progress on the fifth-generation district heating system based on heat pump technology. J. Build. Eng. 2023, 71, 106533. [Google Scholar] [CrossRef]
- Pesola, A. Cost-optimization model to design and operate hybrid heating systems—Case study of district heating system with decentralized heat pumps in Finland. Energy 2023, 281, 128241. [Google Scholar] [CrossRef]
- Sayegh, M.A.; Jadwiszczak, P.; Axcell, B.P. Heat pump placement, connection and operational modes in European district heating. Energy Build. 2018, 166, 122–144. [Google Scholar] [CrossRef]
- Kontu, K.; Rinne, S.; Junnila, S. Introducing modern heat pumps to existing district heating systems—Global lessons from viable decarbonizing of district heating in Finland. Energy 2019, 166, 862–870. [Google Scholar] [CrossRef]
- Dongellini, M.; Naldi, C.; Morini, G.L. Influence of sizing strategy and control rules on the energy saving potential of heat pump hybrid systems in a residential building. Energy Convers. Manag. 2021, 235, 114022. [Google Scholar] [CrossRef]
- Wei, Z.; Ren, F.; Yue, B. Data-driven application on the optimization of a heat pump system for district heating load supply: A validation based on onsite test. Energy Convers. Manag. 2022, 266, 115851. [Google Scholar] [CrossRef]
- Lashkari, B.; Chen, Y.; Musílek, M.; Musilek, P. Intelligent scheduling of heat pumps to minimize the cost of electricity. In Proceedings of the 2020 21st International Scientific Conference on Electric Power Engineering (EPE), Prague, Czech Republic, 19–21 October 2020; pp. 1–6. [Google Scholar] [CrossRef]
- Yüce, A.; Deniz, F.N.; Tan, N.; Atherton, D.P. Obtaining the time response of control systems with fractional order PID from frequency responses. In Proceedings of the 2015 9th International Conference on Electrical and Electronics Engineering (ELECO), Bursa, Turkey, 26–28 November 2015; pp. 832–836. [Google Scholar] [CrossRef]
- Khodadadi, H.; Dehghani, A. Fuzzy logic self-tuning PID controller design based on Smith predictor for the heating system. In Proceedings of the 2016 16th International Conference on Control, Automation and Systems (ICCAS), Gyeongju, Republic of Korea, 16–19 October 2016; pp. 161–166. [Google Scholar] [CrossRef]
- Dehghani, A.; Khodadadi, H. Designing a neuro-fuzzy PID controller based on Smith predictor for heating system. In Proceedings of the 2017 17th International Conference on Control, Automation and Systems (ICCAS), Jeju, Republic of Korea, 18–21 October 2017; pp. 15–20. [Google Scholar] [CrossRef]
- Al-Dhaifallah, M. Heat Exchanger Control Using Fuzzy Fractional-Order PID. In Proceedings of the 2019 16th International Multi-Conference on Systems, Signals & Devices (SSD), Istanbul, Turkey, 21–24 March 2019; pp. 73–77. [Google Scholar] [CrossRef]
- Yang, X.; Liu, T.; Sun, A. Auto-control of Water Condenser Based on PID Controller. AMR 2011, 225–226, 186–189. [Google Scholar] [CrossRef]
- Long, G.; Yi, Y.; Xiaolin, R.; Haiqin, G.; Qingqing, H.; Jingya, Y. Research on temperature control system based on IPSO optimized fuzzy PID. In Proceedings of the 2020 39th Chinese Control Conference (CCC), Shenyang, China, 27–29 July 2020; pp. 2014–2019. [Google Scholar] [CrossRef]
- Wang, Y.; Liu, Y.; Zhu, R.; Zhang, Y. Fractional-order PID controller of a heating-furnace system. Adv. Mater. Res. 2012, 490–495, 1145–1149. [Google Scholar] [CrossRef]
- Jiang, A.; Zhang, Q.; Wang, H.; Ding, Q.; Xu, W.; Wang, J. An improved dynamic real-time optimization strategy for heat pump heating system. CIESC J. 2019, 70, 1494–1504. (In Chinese) [Google Scholar] [CrossRef]
- Jiang, P.; Xu, B.; Li, Q.; Wang, X. Buildings heat pump heating systems for demand response. Dist. Heat. 2023, 100–111. (In Chinese) [Google Scholar] [CrossRef]
- Wang, C.; Liu, R. Modeling and simulation of a fuzzy PID controller for heat exchanger systems in district heating. In Proceedings of the 2nd International Conference on Electronics, Network and Computer Engineering (ICENCE 2016), Yinchuan, China, 13–14 August 2016; pp. 699–703. [Google Scholar] [CrossRef]
- Lu, Y.; Yang, Y.; Gu, H.; Zhang, Y. Identification and self-tuning control of heat pump system based on neural network. In Proceedings of the 2016 Chinese Control and Decision Conference (CCDC), Yinchuan, China, 28–30 May 2016; pp. 6687–6691. [Google Scholar] [CrossRef]
- Abdullah, Z.; Othman, M.; Taip, F. Neural network based adaptive PID controller of nonlinear heat exchanger. In Proceedings of the 2019 IEEE 9th International Conference on System Engineering and Technology (ICSET), Shah Alam, Malaysia, 7 October 2019; pp. 453–458. [Google Scholar] [CrossRef]
- Liu, X. Optimization design on fractional order PID controller based on adaptive particle swarm optimization algorithm. Nonlinear Dyn. 2016, 84, 379–386. [Google Scholar] [CrossRef]
- Tan, Y.; Zhu, Y. Fireworks Algorithm for Optimization. In Advances in Swarm Intelligence; Tan, Y., Shi, Y., Tan, K., Eds.; ICSI 2010; Lecture Notes in Computer Science, 6145; Springer: Berlin/Heidelberg, Germany, 2010. [Google Scholar] [CrossRef]
- Xue, J.; Wang, Y.; Li, H.; Meng, X.; Xiao, J. Advanced fireworks algorithm and its application research in PID parameters tuning. Math. Probl. Eng. 2016, 2016, 2534632. [Google Scholar] [CrossRef]
- Yin, X.; Li, X.; Liu, L.; Wang, L. Improved fireworks algorithm and its application in PID parameters tuning. In Proceedings of the 2017 36th Chinese Control Conference (CCC), Dalian, China, 26–28 July 2017; pp. 9841–9846. [Google Scholar] [CrossRef]
- Li, J.; Tan, Y. A comprehensive review of the fireworks algorithm. ACM Comput. Surv. 2019, 52, 1–28. [Google Scholar] [CrossRef]
- Zhang, G.; Li, F.; Geng, Y. Design of temperature control system for air heat pump water supply machine based on incremental PID control. Comput. Digit. Eng. 2021, 49, 268–271+321. (In Chinese) [Google Scholar] [CrossRef]
- Wei, Q. Design and Research of the PID Temperature Controlling System Based on Air-Source Heat Pump Water Supply Unit; University of Chinese Academy of Science: Beijing, China, 2017. (In Chinese) [Google Scholar]
- Dongellini, M.; Valdiserri, P.; Naldi, C.; Morini, G.L. The role of emitters, heat pump size, and building massive envelope elements on the seasonal energy performance of heat pump-based heating systems. Energies 2020, 13, 5098. [Google Scholar] [CrossRef]
- Huang, H.; Zhang, S.; Yang, Z.; Tian, Y.; Zhao, X.; Yuan, Z.; Hao, S.; Leng, J.; Wei, Y. Modified Smith fuzzy PID temperature control in an oil-replenishing device for deep-sea hydraulic system. Ocean Eng. 2018, 149, 14–22. [Google Scholar] [CrossRef]
- Podlubny, I. Fractional-order systems and PIλDμ-controllers. IEEE Trans. Autom. Control 1999, 44, 208–214. [Google Scholar] [CrossRef]
- Wang, C. Study on Fractional Order PID Controller Parameter Tuning Methods and Design. Ph.D. Thesis, Jilin University, Changchun, China, 2013. [Google Scholar]
- Jamil, A.; Tu, W.; Ali, S.; Terriche, Y.; Guerrero, J. Fractional-order PID controllers for temperature control: A review. Energies 2022, 15, 3800. [Google Scholar] [CrossRef]
- Wang, Y.; Song, Z.; You, S. Thermal load prediction algorithm integrating singular spectrum analysis and neural network. J. Tianjin Univ. (Sci. Technol.) 2023, 56, 573–578. [Google Scholar]
- Zeng, M.; Zhao, Z.; Li, Z. Self-learning improved fireworks algorithm with Cauchy mutation. J. Chin. Comput. Syst. 2020, 41, 264–270. [Google Scholar]
- Wei, M.; Li, S.; Zhou, J.; Wang, C.; Yang, R. Cascade control mode of indoor temperature PIλDµ and supply air temperature PDµ for multi-evaporator air-conditioning system. Control. Theory Appl. 2024, 1–10. Available online: http://kns.cnki.net/kcms/detail/44.1240.TP.20230928.0818.024.html (accessed on 12 November 2024). (In Chinese).













| Type | Refrigerator | Number | Capacity | Heating Temp. | Heat Source |
|---|---|---|---|---|---|
| Heating only | R134a | 2 | 513 kW | 45/35 °C | 20/10 °C |
| KP1 | KI | KD1 | λ | μ1 | KP2 | KD2 | μ2 | ITUE |
|---|---|---|---|---|---|---|---|---|
| 30.71 | 9.76 | 50.56 | 0.77 | 0.61 | 1.11 | 60.88 | 0.79 | 1051 |
| tc | Ess | Overshoot | n:1 | |||||
| 99.31 s | 5.87 × 10−5 | 2.51% | 8:1 | |||||
Disclaimer/Publisher’s Note: The statements, opinions and data contained in all publications are solely those of the individual author(s) and contributor(s) and not of MDPI and/or the editor(s). MDPI and/or the editor(s) disclaim responsibility for any injury to people or property resulting from any ideas, methods, instructions or products referred to in the content. |
© 2024 by the authors. Licensee MDPI, Basel, Switzerland. This article is an open access article distributed under the terms and conditions of the Creative Commons Attribution (CC BY) license (https://creativecommons.org/licenses/by/4.0/).
Share and Cite
Qv, D.; Wang, J.; Wang, L.; Kosonen, R. A Simulation-Assisted Field Investigation on Control System Upgrades for a Sustainable Heat Pump Heating. Sustainability 2024, 16, 9981. https://doi.org/10.3390/su16229981
Qv D, Wang J, Wang L, Kosonen R. A Simulation-Assisted Field Investigation on Control System Upgrades for a Sustainable Heat Pump Heating. Sustainability. 2024; 16(22):9981. https://doi.org/10.3390/su16229981
Chicago/Turabian StyleQv, Dehu, Jijin Wang, Luyang Wang, and Risto Kosonen. 2024. "A Simulation-Assisted Field Investigation on Control System Upgrades for a Sustainable Heat Pump Heating" Sustainability 16, no. 22: 9981. https://doi.org/10.3390/su16229981
APA StyleQv, D., Wang, J., Wang, L., & Kosonen, R. (2024). A Simulation-Assisted Field Investigation on Control System Upgrades for a Sustainable Heat Pump Heating. Sustainability, 16(22), 9981. https://doi.org/10.3390/su16229981

