Abstract
A voltage sag is a major power quality problem at any load location, mainly due to short circuit faults. Its effects are especially clear in the industrial sector because they lead to direct financial losses. The first and most important step to getting rid of or at least reducing voltage sag is to find the places in the network where it can happen. So, this article discusses a creative way to find the weak spots in a network where the voltage is more likely to drop. This innovative strategy is based on correlation and a stochastic normal probability distribution. The voltage sag is evaluated using an analytical method. The method simulates the number, type, and location of faults randomly throughout the system. After gathering voltage dip data, it is analyzed using normal probability distribution and correlation concepts. The correlation concept provides the relationship between the sag frequency and other parameters, and the sag occurrence area was indicated by the normal probability distribution. After that, the region of vulnerability (ROV) is developed using the ROV flow chart. This paper uses an IEEE 30-bus RTS system as a case study to demonstrate the usefulness of the suggested strategy using MATLAB software.
1. Introduction
Due to the failure of numerous sensitive pieces of equipment, which causes problems with finances, voltage sag has drawn increased attention in the industry [1,2]. According to statistical data, sag occurs more frequently than other power quality (PQ) problems. Voltage sag is an abrupt drop in voltage level lasting 0.5 to 30 cycles that is 10 percent to 90 percent of the specified value of voltage (Root Mean Square value) [3,4]. The magnitude and duration of the voltage are the crucial elements for detecting the sag in PQ concerns, which were the major focus of the sag. An electrical system’s major sources of sag are abrupt wind gusts on electrical conductors and their associated attachments, interactions with heightened trees, livestock, rodents, animal touch, etc. The economic effect of sag on the industry’s distribution system is analyzed in [5], and in [6], the connection between voltage sag and producing interruption is discussed. To identify the tripping status of the equipment, mathematical expressions are derived, which are based on phase angle jump [7]. Likewise, a three-phase voltage ellipse parameter is also used to identify swell and sag [8]. A sag tolerance curve (STC) can be used to determine the features of sensitive equipment. As a result, the STC is used to develop a probabilistic sag vulnerability index (SVI). To evaluate the severity of voltage sag (SVS) events caused by lightning, a data-driven self-learning evaluation method for voltage sag severity is proposed [9]. The voltage sag state estimation method based on complex network analysis is also discussed [10]. A single sag event can result in brief and prolonged interruptions if the sensitive electrical equipment does not have adequate voltage sag ride-through capacity. In an electrical system with a lower operating voltage, equipment’s low-voltage sag ride-through capabilities can cause various dependability problems [11,12]. PQ-related concerns can arise in low-voltage distribution networks in a variety of ways. It generally demands a lot of time and effort to evaluate voltage sag using data from monitoring equipment. A mathematical model is created to understand the stochastic behavior of sag using the driving data of an electrical transmission network [13].
The copula notion can ease the computing strain in voltage assessment. A network theorem is used to examine the operating voltage of a multi-phase AC network [13]. Several tools are used to simulate the sag. These tools can predict the residual voltage, how often it will happen, and how long it will last. To figure out the major sag-affected area of the transmission network, the effects of problems with a power system, its best location, and the layout of its generators based on load demand are taken into account. In a radial and mesh electrical network, the remaining voltage is assessed by taking power transformer effects and faults into account [14]. Reference [15] provides modelling and simulation instructions for the digital-simulation-based sag prediction. If an improper protection scheme is chosen, the response of an electrical system network to a voltage drop may be amplified. To figure out the sag in a distribution system, different coordinations of protective electrical devices are examined based on the Monte Carlo simulation method in a time-domain simulation framework [16]. Distributed Generations (DGs) harm the electrical network due to improper selection and integration.
Therefore, a stochastic approach to sag is studied for a transmission system with solar photovoltaic connections, as presented in reference [17]. SVI is used to identify a network’s weak spots so that voltage sag calculations can be made. The associated theory and analysis are available in reference [18]. Voltage sag data were used to locate the fault and classify it as voltage sag precisely. The methodology to determine whether the voltage is considered a sag or not is presented in reference [19].
A method is developed for predicting the annual number of equipment outages caused by voltage sag. It is discovered that the researchers in all of the studies above have created a variety of approaches for evaluation, financial impact, and the quantification of electrical device trip and sag at the consumer end. Few research articles identify the region as vulnerable to or affected by voltage sag. Locating the affected area can lessen the effect of sag in an electrical system. In this article, distribution system faults are simulated to provide a sag scenario with various sag levels that may be applied to determine whether or not a specific piece of sensitive equipment will trip.
The novel contribution of the article is the stochastic sag data processing method using continuous normal distribution and correlation analysis. After the stochastic analysis, a graphical representation is developed, termed the region of vulnerability (ROV), to recognize the sag-affected area and characterize the sag frequency for various levels of voltage. With the help of continuous normal distribution, sag data are distributed, and by applying the associated probability mathematical expression, the sag frequencies at different buses with different magnitude range can be identified easily. Correlation analysis is performed to obtain the relation between various parameters of the sag data using the correlation coefficient. This adds another novel contribution to the article. This approach may be simply used to help with the creation of mitigation techniques and is especially helpful when a distribution network’s proper voltage sag scenario is needed. The quantity of voltage sag occurrences each year and the various ranges of sag at every P-Q bus are the two important factors that should be taken into account while building an ROV. The performance of the delicate electrical device linked across the load end is better understood by industrial operators thanks to this voltage sag map (VSM). VSM is an effective graphical sag representation technique that helps identify a given network’s weak portion. The STC is provided by the institute of Information Technology Industry Council (ITIC). To understand the applicability of ROV, the Computer Business Equipment Manufacturers Association (CBEMA) can be used. Different sensitive equipment reacts to voltage sag in different ways. Equipment sensitivity is often stated in terms of the amplitude and duration of voltage sag because these are the factors that define voltage sag. Figure 1 depicts the ITIC curve. Any disruption may cause voltage sags of varying lengths that are greater than what a given sensitive device can tolerate, thereby damaging that device. The most vulnerable area with respect to the certain sag event is enclosed by the black line, and the area enclosed by the black line in Figure 1 is thought to represent the area that is most vulnerable to voltage sag under a certain disturbance. The voltage threshold of various perceptive devices is therefore determined using the ITIC curve for a certain voltage sag period. A Programmable Logic Controller (PLC) is taken as an illustration. The PLC is essential equipment for automating industrial operations; therefore, most of the commercial processes (including other sensitive devices) rely on the PLC’s performance. Additionally, when a PLC has an issue that causes a voltage magnitude to go beyond its voltage ride-through capability range (30% to 90% voltage), it causes other devices to stop working, which causes a large loss of income. An industrial consumer can take preventative actions to prevent tripping of a perceptive device linked at a susceptible load point, which is discovered by applying ROV with the aid of this study.
Figure 1.
Acceptability curve of sensitive equipment.
A block diagram representation of the general goal of this effort is provided in Figure 2. The organization of the remaining parts of the article is shown as follows. In Section 2, the stochastic probability distribution is discussed. The analytical method for the assessment of voltage sag is given in Section 3. The flow chart and determination of probable sag frequency (PSF) is depicted in Section 4. In Section 5, sag data analysis is presented using normal probability distribution. The correlation analysis of data is carried out in Section 6. In Section 7, the technique for developing the region of vulnerability (ROV) is outlined. The results found by means of the proposed analysis of normal distribution, correlation, and the ROV concept are given in their associated sections.
Figure 2.
Block diagram representation of objective of the article.
2. Stochastic Process and Stochastic Probability Distribution
A stochastic process is a chain of events where probabilities determine each stage’s result. The fundamental principle behind stochastic process modelling is to build an accurate representation of a method using a series of events normally produced by the process itself. The model might then be used to identify the characteristics of the process or make predictions based on the past. A stochastic process is associated with a collection of random variables, as shown in Equation (1) [20].
where represents the process or random variable, is the time period, and ’ represents the state of the system. A Markov model (MM) is considered in this study. State and transition probability are the two terms used in the Markov model. Figure 3 represents the transition probability graph of the stochastic process. are the transition probabilities from one state to another.represents states of the system. are the self-state transition probabilities. The Markov model follows Equations (2)–(4).
Figure 3.
Transition probability graph of stochastic process.
For all t = 1, 2, 3, ……. and for all the states,
The simplest two states MM associated with the voltage sag study are shown in Figure 4.
Figure 4.
Transition Probability graph of two state stochastic process. The state ’ represent ‘sag’. And ‘ indicates ‘Not a sag’ state. are the transition probabilities from the state 1 to 2 and 2 to 1 respectively.
Stochastic prediction methods are used in the stochastic assessment of voltage sags to calculate a stochastic variable’s expected value, standard deviation, and other statistics. They are as precise as the data and model that were employed. The correctness of the data is frequently beyond our control, but the quality of the models is easily changed and adjusted as necessary. The electrical power system and associated data linked to component reliability help to assess voltage sag. Component reliability data have the same uncertainties as the results of PQ monitoring since they can only be acquired by carefully examining how a system component behaves over an extended period [21,22,23]. The various uncertainties are wind speed on conductors and attachments, faults caused by cattle, animals, mice, rats, birds, bats, snakes, and unpredictable weather, aging of equipment, interruption by cattle, snakes, and so on. These uncertainties are definite but found unpredictably in quantum. However, many organizations keep the data of component failures spanning many years. For the stochastic assessment of sags, components are arranged in a stochastic manner in which identity categories are kept in groups rather than individually. Consequently, the component failure rate has greatly decreased. In general, stochastic evaluation gives a more accurate estimate of how different uncertainties related to component models and reliability affect the system [21,22,23,24,25]. The fault locations and critical distances methods are often used to predict stochastic voltage sag [26,27,28]. The fault placement technique determines the sag’s features, such as its magnitude, associated phase shift, and duration at the device terminals for various faults dispersed across the system. Each fault point corresponds to a certain system component’s problems. It is possible to improve the findings accuracy by introducing more fault positions.
The expected number of faults will happen each year based on each fault point’s monitored (historical) data [29]. The selection of actual fault positions is the first step in employing the fault placement technique. More fault positions are required to obtain more detailed findings. On the other hand, a random selection of more fault spots only sometimes makes the result more accurate and may make the calculation take longer. Before using the approach, several concerns must be answered, like where to apply the faults, what should be the recommended spacing between fault positions, and whether it is necessary to simulate faults just at the buses (the substation) or at every kilometer of the line’s length. Additionally, obtaining historical information on fault performance may be challenging. The locations of faults across a practical system differ slightly from the fault placements determined from historical data. Depending on the weather and utility upkeep, fault placements and fault types in a certain system might change. While selecting the fault positions, the primary consideration should be that each fault position reflects several faults at the site of interest that cause voltage sags of comparable size and length [30]. The alternative technique, the critical distances method, determines the fault location for a given voltage rather than the voltage for a particular fault position. It is feasible to decide which component of the system, given the characteristics at the desired position, would cause a sag by employing some straightforward mathematical equations only for the radial systems. A deeper sag would result from any flaw closer to the load. As a result, the sag number below a particular threshold will equal the fault number close to the load end. The number of sags below a certain threshold will equal the number of faults closer to the connected load than the reported point [31].
3. VSA by Analytical Method
Voltage sag assessment (VSA) is necessary for the sag analysis. An analytical method is chosen for the evaluation. A stochastic approach based on fault position is implemented to create the fault in this study.
3.1. Faults at the System Buses [31,32]
Different kinds of power system faults may occur on the bus, as illustrated in Figure 5. The post-fault voltages in terms of unbalanced sequence components at the bus M due to the short circuit faults are given in Equations (5)–(7) [31],
where , and , are the zero, positive, and negative sequences post-fault voltage at a bus bar M, respectively. , , and , are the zero, positive, and negative sequence voltage vectors, respectively, associated to the pre-fault. , , and are the transfer sequence impedance of the line that attaches buses M and N. The current terms , and are the zero, positive, and negative sequence current vectors associated to fault at bus M, respectively.
Figure 5.
A scenario of symmetrical and unsymmetrical fault in the line X-Y and the sensitive PQ bus M.
3.2. Sag Consequence of a Line Fault [31,32]
Point g is the fault position in Figure 5. This point varies throughout lines X and Y. The fault position, or point g, is shown using a parameter ß whose value ranges between 0 and 1. The ß value changes concerning the change in fault position between buses X and Y.
The parameter ß is expressed mathematically in Equation (8).
The distance between g and X is denoted by . indicates the distance between X and Y. The three-phase driving and transfer point sequence impedances are derived using the zero (), positive (), and negative () sequence component and the parameter ß. The sequence transfer impedances (STI) between g and sensitive P-Q bus M are expressed in Equations (9)–(11) [31,33].
where , , and are the STI linked to buses M and X, and , , and are the STI linked to buses M and Y. At fault point g, the sequence driving point impedance (SDPI) is mathematically expressed in Equation (12):
where and are the SDPI, and are the STI at the depicted buses X and Y, respectively. The sequence impedances of the line between buses X and Y are indicated by the symbol . The pre-fault voltage at g is expressed mathematically in Equation (13):
where and are the voltages at buses X and Y, respectively, associated to the pre-fault.
3.2.1. LLLF/LLLGF Fault [31,32]
LLLF and LLLGF are called three-phase faults. The terms associated with the negative and zero sequences are not considered throughout this fault analysis. The residual voltage expression at bus M, when LLLF/LLLGF fault appears at the PQ bus g, is shown in Equation (14).
where is the positive sequence impedance (PSI) between bus g and M, and is the SDPI linked to bus g. and are the pre-fault at M and g. is the voltage that remains after the fault in bus M.
3.2.2. Single-Line-to-Ground Fault (SLGF) [29,30]
The expression of voltage in three phases due to SLGF associated to bus M and fault point g is shown in Equations (15)–(17) [31,33].
where , , and are the sequence impedances (positive, negative, and zero) between the buses g and M, respectively. , , and are the post-fault voltage at bus M of all three phases after the SLGF. , , and are the SDPI of the g axis of the linked bus impedance matrix (BIM). is the pre-fault positive sequence voltage M and is the associated fault impedance.
3.2.3. Double-Line Fault (LLF) [29]
The analytical expression of post-fault voltage in all three phases of bus M due to the consequence of double-line fault at bus g is presented in Equations (18)–(20) [30,31].
where , , and are the sequence impedances (positive, negative, and zero) between the buses g and M, respectively. , , and are the post-fault voltages associated with LLF in the three phases of the bus M.
3.2.4. Double-Line-to-Ground Fault (DLGF) [29,30]
The expression of sequence current (positive, negative, and zero) due to DLGF is presented in Equations (21)–(23).
where , , and are the sequence currents (positive, negative, and zero), respectively. , , and are the SDPI of the g axis of the associated BIM, and is the fault impedance. The post-fault voltages (sequence and phase) in all three phases at the bus M associated with fault DLGF at bus g are presented in Equations (24)–(29).
where , , and are the sequence impedances (positive, negative, and zero) between buses g and M, respectively. , , and are the sequence currents (zero, positive, and negative), respectively. , , and are the post-fault voltages in the three phases of bus M.
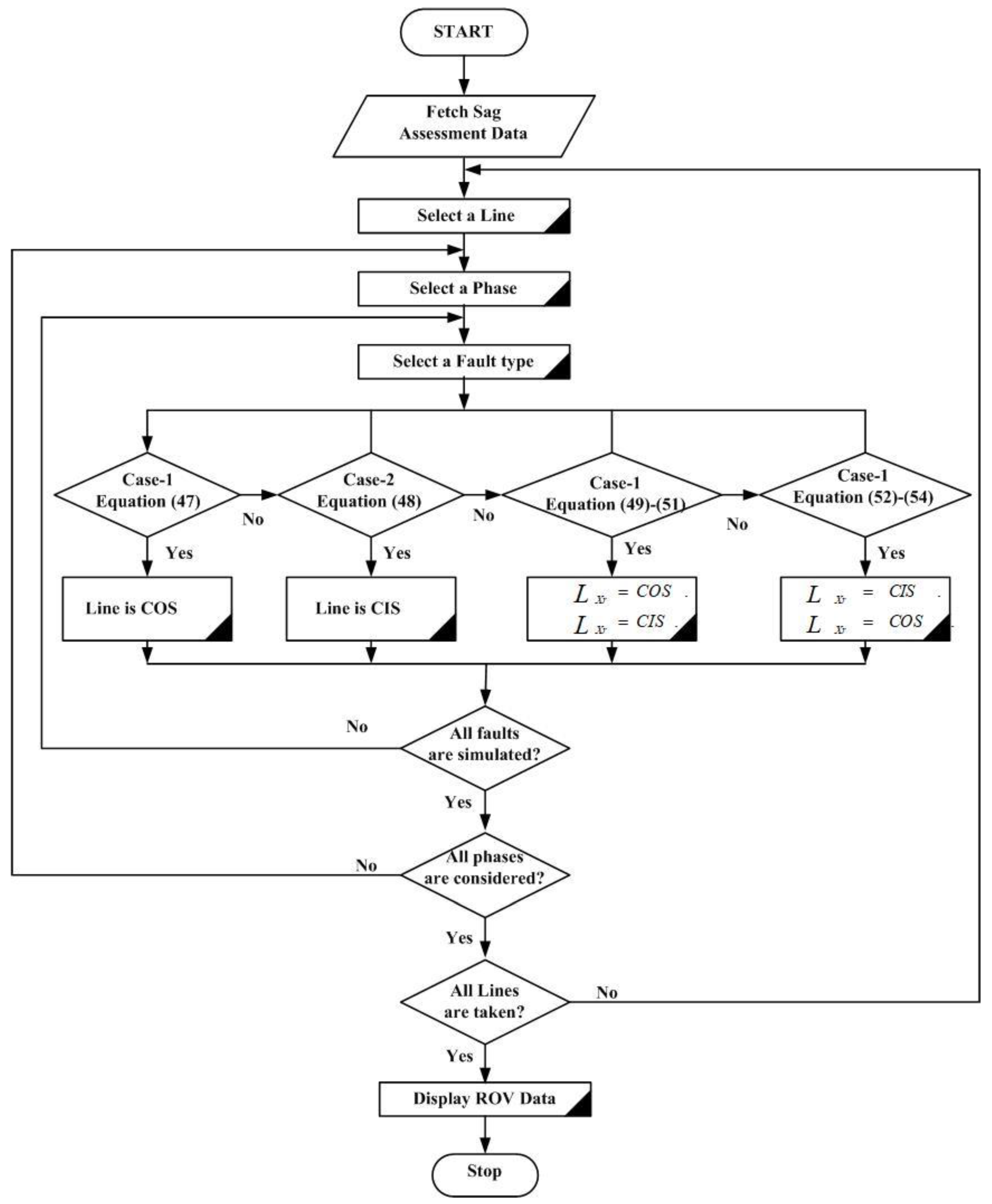
3.3. Flow Chart and Determination of Probable Sag Frequency (PSF)
For the data analysis of voltage sag, assessment is necessary. So, as shown in Figure 6 [32], the analytical method is used to assess voltage sag. This flow chart describes the complete procedure to determine the sag. The PSF can be found by dividing the failure rate of power system components in the vulnerable area by the length of the area. The PSF for a single-phase load is calculated in this study. The number of sags for only one of the three phases makes up the PSF for a single-phase load. Unsymmetrical faults impact the three phases differently. Therefore, it is important to identify each phase’s specific region of vulnerability (ROV) [26,33]. Additionally, the PSF is independently generated for each fault type and phase. Equations (30) and (31), respectively, are used to calculate the PSF for three-phase and single-phase systems [31].
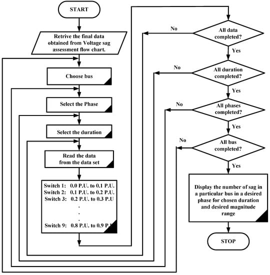
where p is the type of fault (LLF/LLLGF, LLF, DLGF, and SLGF), whose value varies from 1 to 4, and is the phase (phase A, B, and C), whose value varies from 1 to 3. The bus range is from 1 to t, where t is the maximum bus number in a considered test system. The value of “t” is 30 for the IEEE 30-bus system. Similarly, the line range is considered from 1 to s, where “s” is the maximum number of lines between the buses for the system under examination. The value of “s” is 41 for the IEEE 30-bus system. The initial sag data can be analyzed and kept in a different array using a proposed flow chart, as shown in Figure 7. Figure 7 presents a flow chart for sag data analysis. The steps that are followed in the proposed flow chart are listed below:
Figure 6.
Flow chart for sag estimation.
Figure 7.
Flow chart for sag data analysis.
- Step 1
- Retrieve the final data from the sag assessment flow chart described in Figure 6.
- Step 2
- Select a bus (i = 1 to 30).
- Step 3
- Select a phase (j = 1 to 3).
- Step 4
- Choose the sag duration (k = 60, 80, 150, 300, etc.).
- Step 5
- Read the data from the data set associated with a particular bus, phase, and duration. Set its numbering value m = 1,2, 3...
- Step 6
- Sort the data using a switch case.
- Step 7
- After that, check whether the data set, duration, phase, and bus are finished. If “no,” then repeat the previous steps until completion. If yes, then display the total number of sags in a selected bus considering a given phase and duration in a desired range of magnitude.
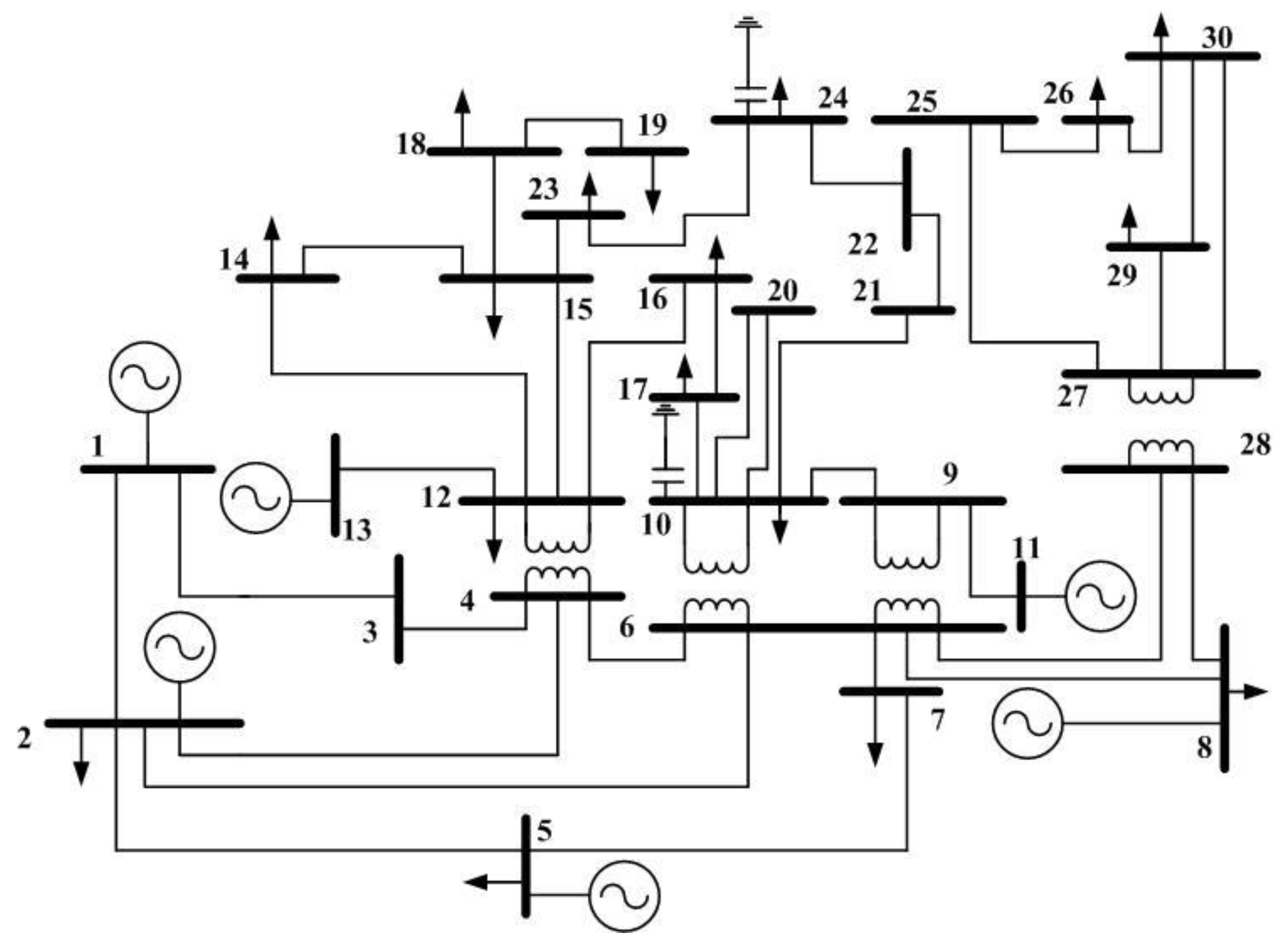
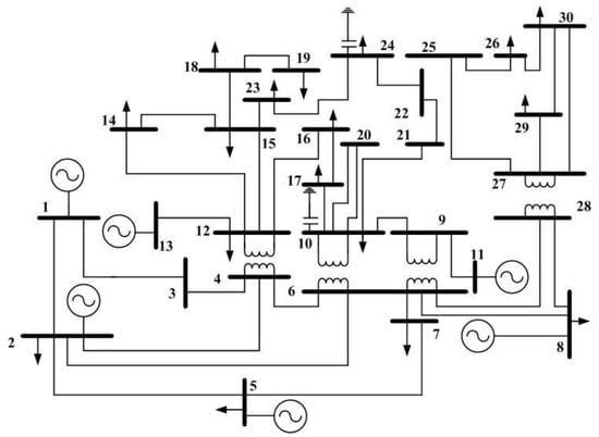
3.4. Test System
The studies employed the IEEE 30-bus test system are indicated in Figure 8. This system has 4 transformers, 37 lines, 6 generators, and 21 loads. The system data may be found in [24,32]. All generators have internal impedances that are j0.3, j0.2, and j0.05 for the positive, negative, and zero sequences. It is expected that all connections to transformers are grounded wye–grounded wye. Table 1 includes the fault rate for lines and buses. Table 2 shows the test system’s voltage level and how long it was sustained.
Figure 8.
Single-line diagram of the system IEEE 30-bus reliability test system.
Table 1.
Fault rate for different types of fault.
Table 2.
Considered sag duration for 33 and 132 kV voltage levels.
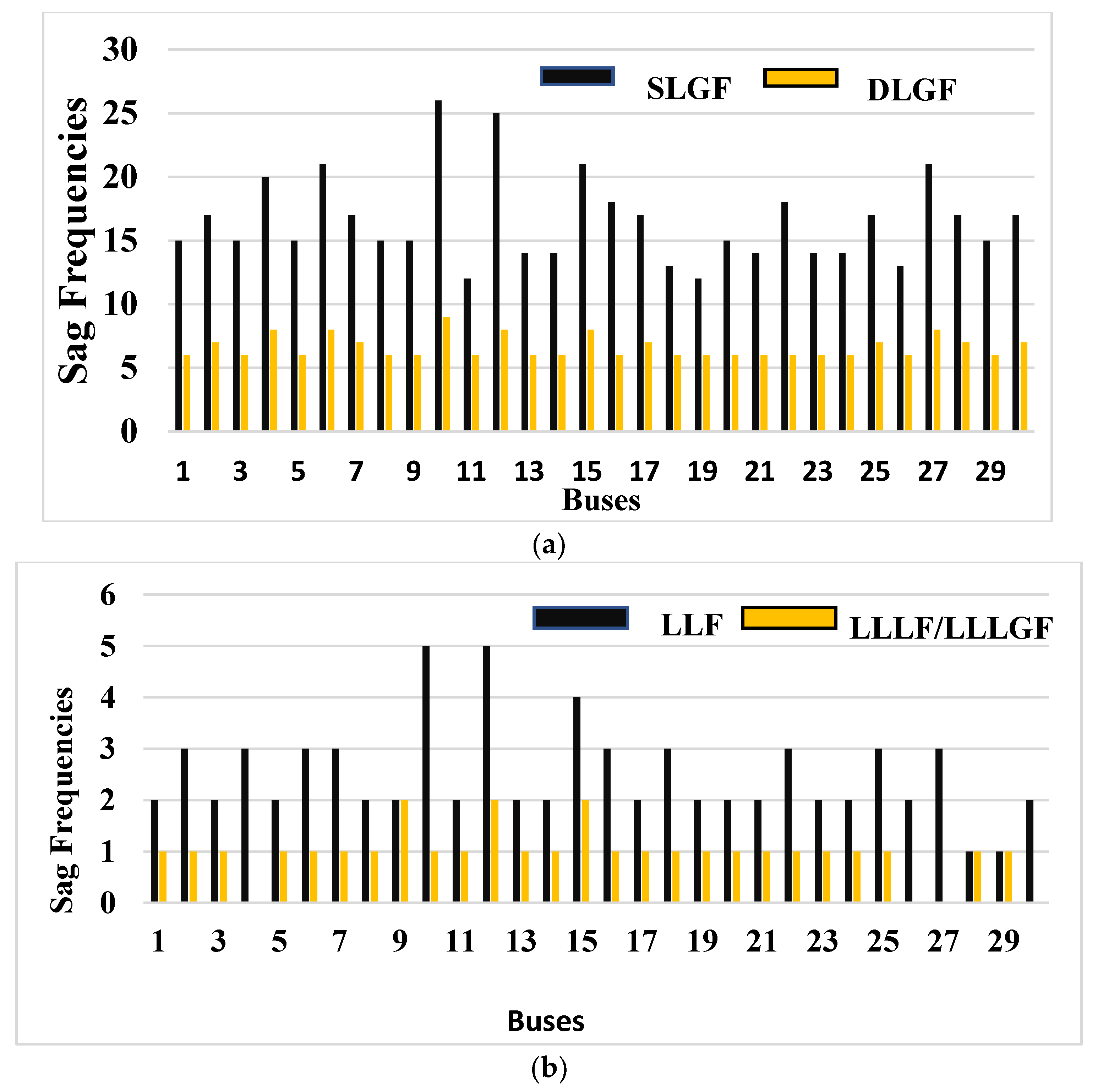
The sag assessment is performed for the IEEE 30-bus system using Figure 6, and the data obtained from the assessment flow chart are processed using the flow chart presented in Figure 7.
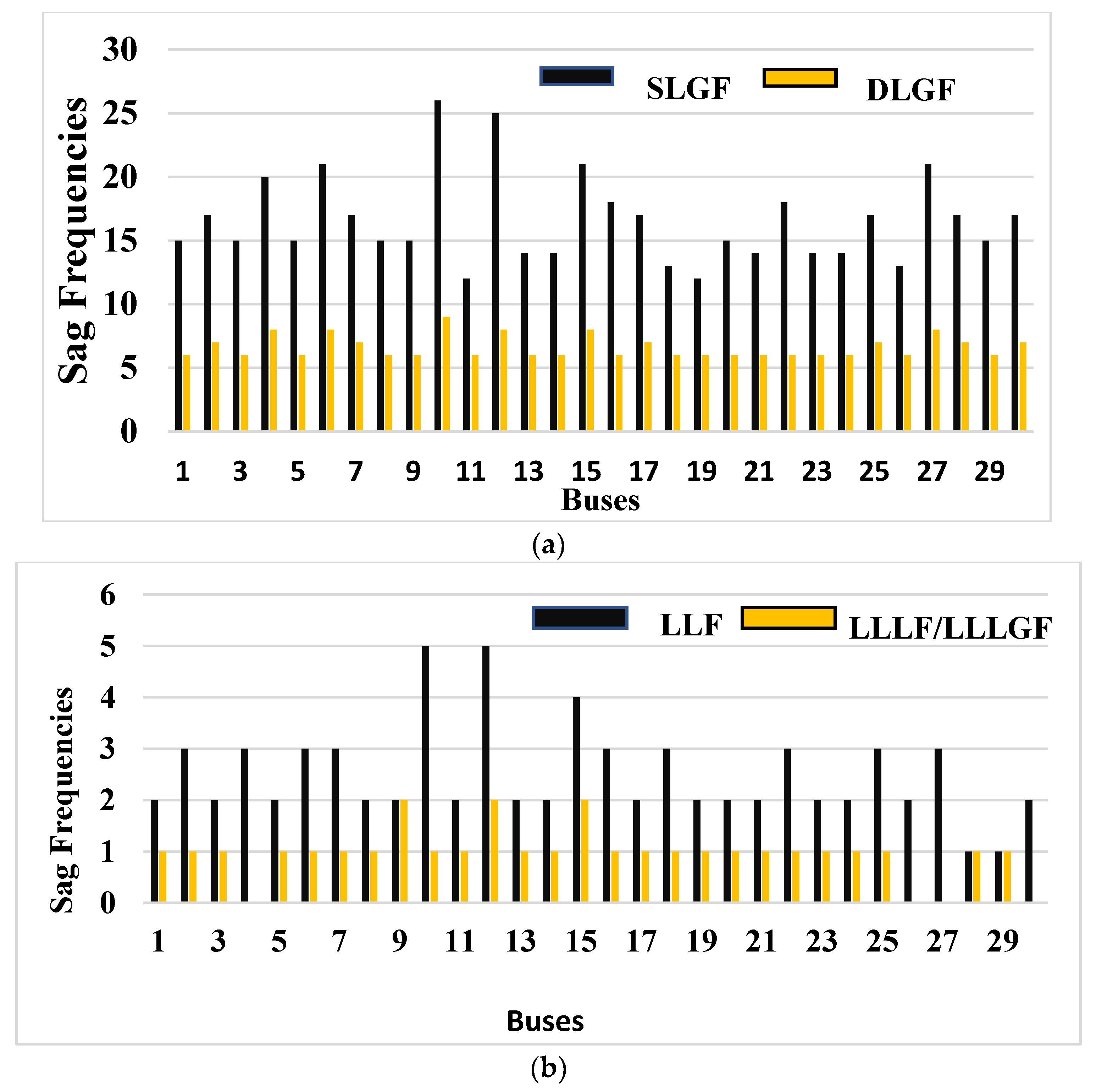
The graphical representation of sag frequencies concerning the different buses is shown in Figure 9. Figure 9a is used for SLGF and DLGF. Similarly, Figure 9b represents LLF and a symmetrical fault. Figure 9 shows that the maximum number of occurrences of sag is highest at bus ten, which is 26 due to SLGF, eight due to DLGF, five due to LLF, and one due to a symmetrical fault.
Figure 9.
Sag frequencies concerning the system buses. (a) SLGF and DLGF; (b) LLF and LLLF/LLLGF.
4. Sag Data Analysis Using Normal Probability Distribution
The normal distribution is the most significant in all probability and statistics. A suitable normal curve may accurately fit the distributions of many numerical populations. The probability density function (PDF) of a continuous random variable (RV) is represented by Equation (32). In that case, R is said to have a normal distribution with parameters µ and σ. The terms related to Equation (32) are presented in Equations (33)–(38). To evaluate the severity of voltage sag events caused by lightning, a data-driven self-learning evaluation method for voltage sag severity is proposed [34].
where ‘e’ denotes the base of the natural logarithm system. The RV R is normally distributed with parameters µ and σ and often represented by
The mean and the standard deviation of the RV R are shown in Equations (39) and (40), respectively.
A different graph can be obtained for related to several (µ, σ) pairs. Each bell-shaped density curve is symmetrical about the µ. The symmetry’s center specifies the mean of the distribution and the median. The value of σ is the distance from the curve’s inflexion point to the µ. The high value of σ produces a spread-out graph about µ, whereas the low value of σ produces graphs having a high peak above µ and most of the area under the graph quite close to µ. Hence, the high value of σ indicates that the value of R is far from the µ; on the other hand, such a value is somewhat unlikely when σ is small.
The probability of getting a normal RV R with the parameter µ and σ between the lower range ‘m’ and upper range ‘n’ is given by Equation (41).
The cumulative density function for the standard normal RV is given in Equation (42)
Mathematical Formulation
A post-fault voltage’s magnitude can be considered a random number. It is continuous and ranges from 0 to 1 for each unit. The normal distribution can be used to organize these values. For bus 15, a stochastic analysis is performed. After getting the data from the sag analysis, the data are spread out using a normal distribution. Table 3 displays the probability density function (PDF) and associated computed data for the normal distribution [31,33]. These data use the flow chart for sag estimation, shown in Figure 6. The projected data for normal distribution and PDF are then obtained using Equations (32)–(38).
Table 3.
Normal distribution analysis of sag data associated with bus 15.
The normal distribution curve of sag data for bus 15 is shown in Figure 10. This curve represents the distribution of sag data using the normal distribution based on a continuous stochastic RV. It is a bell-shaped curve. The graph is plotted between the projected data and the PDF of the sag assessment data. Figure 6 shows a flow chart that can be used to obtain the sag assessment data from the IEEE 30-bus system. The bell-shaped curve indicated normally distributed sag data. This curve shows that more sag will likely happen in the middle of the projected data (Z), and gradually, data distribution decreases on both sides concerning the main matter of the projected data (Z).
Figure 10.
Normal distribution curve of sag data of bus 15.
The determination of sag frequency based on continuous normal probability distribution analysis at bus 15 is presented in Table 4. Equations (26)–(35) can be used to determine how likely it is that a certain number of sags will happen based on the normal distribution. Using Equations (32)–(42), we can find the probability expression and the number of sags in each range. This information is shown in Table 4.
Table 4.
Determination of sag frequency based on continuous normal probability distribution analysis at bus 15.
The total number of sags in the range of 0.8 to 0.9 p.u. is eight at bus 15, which is the highest sag frequency concerning the different magnitude ranges. The lowest number of sags is 1, identified in the range of 0.0 to 0.1 p.u. at bus 15. Similarly, sag frequencies in different ranges are evaluated. The area associated with the occurrence of sag in the normal distribution curve is shown in Figure 11. The shaded portion in the graph indicates that the sag event occurs within that area. Figure 11a indicates the probability of the occurrence of sag in the range of 0.8 to 0.9 p.u.


Figure 11.
Probability of obtaining sag magnitude range in p.u. (a) 0.8−0.9; (b) 0.7−0.8; (c) 0.6−0.7; (d) 0.5−0.6; (e) 0.4−0.5; (f) 0.3−0.4; (g) 0.2−0.3; (h) 0.1−0.2; (i) 0.0−0.1.
The associated values of Z for the shaded area of Figure 11a are 0.668 and 1.130. This shaded portion indicates that the sag data in that region are associated with a voltage of 0.8 to 0.9 p.u. The total number of sags in this region is 8. The probability of the occurrence of sag in the range of 0.0 to 0.1 p.u. is shown in Figure 11i. The associated values of Z for the shaded area of Figure 11a are −3.03 and −2.56. This shaded area indicates that the sag data in that area are associated with a voltage range of 0.0 to 0.1 p.u. The total number of sags in this region is 1. Similarly, Figure 11b–h indicate the occurrence of sag between the ranges of 0.7 to 0.8 p.u., 0.6 to 0.7 p.u., and 0.1 to 0.2 p.u. of voltage, respectively. The associated Z values are 0.206 to 0.668, −0.256 to 0.206, and −2.56 to −2.10, respectively. The respective shaded portion indicates that the sag data in that region are associated with the respective voltage ranges.
The area associated with voltage occurrence for the probability range of 1.130 to 1.546 of Z is shown in Figure 12. The shaded area is shown from the Z value of 1.130 up to 4. This region indicates that the voltage magnitude is greater than 0.9 p.u. These voltages are not encountered as sags. This curve is associated with the occurrence of sag between the magnitude of 0.9 to 0.1 and more than 1.0 p.u. of voltage.
Figure 12.
Probability of obtaining sag magnitude greater than 0.9 p.u.
5. Sag Data Analysis Using Correlation [34]
Correlation is a process for figuring out the relationships between two variables. The correlation coefficients (CFs) for ordinal- and interval-level scales can be used to interpret the relationship. The CF expresses the relationship between two variables as a single integer applied in correlation techniques. The symbol “r” is commonly used to represent the correlation coefficient, which ranges from −1 to +1. Positive or negative correlation coefficients of virtually zero indicate little to no link between the two variables. The two variables are said to be positively linked if the CF is near 1, meaning that increases in one will inevitably lead to increases in the other. A rise in one of the variables is connected to a drop in the other when the correlation coefficient is near −1, indicating a negative association between the two variables. Equation (43) can be used to calculate the correlation coefficient.
where COV (G, H) is the covariance between the data set G and H, which can be expressed in Equation (44).
where is the expected value of the product of G and H data. and are the standard deviations of the G and H data sets. The value of and can be found using Equations (45) and (46), respectively.
where k indicates the number of data present either in the G or H data set.
5.1. Correlation Analysis between the Sag Duration and Sag Frequencies
The sag duration and sag frequency data obtained from Section 3 and Section 4, respectively, can be further analyzed in terms of correlation. Sag duration is taken as one data set, “G,” in mathematical modelling, and sag frequency is represented by the “H” data set. The correlation data associated with the sag duration and sag frequencies are shown in Table 5. The second and third columns of data are obtained for bus 15 from Section 3 and Section 4, respectively. The covariance, standard deviation, and correlation coefficient are obtained using Equations (36)–(39). The correlation plot between these two variables, G and H, is shown in Figure 13a.
Table 5.
Correlation data associated with the sag duration and sag frequencies at bus 15.
Figure 13.
Correlation between (a) duration and sag frequencies; (b) sag type and sag frequencies; (c) distance of fault point from bus 15 and sag frequencies; (d) percentage of percentage impedance change and sag frequencies.
From the data and the value of the correlation coefficient, it is concluded that there is a negative correlation between the sag duration and sag frequencies. It is said to be a negative correlation because when the sag duration increases, the associated frequency of sag decreases.
5.2. Correlation Analysis between the Fault Type and Sag Frequencies
The sag frequency data obtained from Section 3 and Section 4 are further analyzed in terms of their correlation with the variation in the type of fault. Fault type is taken as one data set, “G”, in mathematical modelling, and sag frequency is represented by the “H” data set. The faults are ranked according to the percentage of their occurrence. The correlation data associated with the sag type and sag frequencies are shown in Table 6. The correlation plot between these two variables, G and H, is shown in Figure 13b.
Table 6.
Correlation data associated with the fault type and sag frequencies at bus 15.
From the data and the value of the correlation coefficient, it is concluded that there is a positive correlation between the sag duration and sag frequencies. It is said to be a positive correlation because when the sag duration increases, the associated frequency of sag also increases. The correlation coefficient in this case is 0.8558.
5.3. Correlation Analysis between the Fault Point Distance from the Bus and Sag Frequencies
For this analysis, the fault is created between buses 15 and 16. The distance between buses 15 and 16 is taken as 1 unit. When the fault point is at bus 15, the distance between the fault point and bus 15 is zero units. A variation of a 0.2 unit distance is taken for the analysis. The percentage change of fault point distance from the bus is taken as data set “G,” and sag frequency is represented by the “H” data set. The correlation data associated with the sag type and sag frequencies are shown in Table 7. The correlation plot between these two variables, G and H, is shown in Figure 13c.
Table 7.
Correlation data associated with the fault point distance from the bus and sag frequencies at bus 15.
We can conclude from the data in the table that if one data set increases, another decreases. It indicates that the correlation between these two data sets is negative. The negative correlation coefficient justifies the nature of their negative correlation.
5.4. Correlation Analysis between Impedance from the Fault Point to Bus 15 and Sag Frequencies
For this analysis, the fault is created between buses 15 and 16. The impedance between buses 15 and 16 is varied by varying the fault point in percentage form. A variation of 10% is taken for the analysis. The percentage change of impedance is represented by the data set “G”, and sag frequency is represented by the “H” data set. The correlation data associated with the percentage change of impedance and sag frequencies are shown in Table 8. The correlation plot between these two variables, G and H, is shown in Figure 13d.
Table 8.
Correlation data associated with percentage change of impedance from the fault point to the sag frequencies at bus 15.
The correlation plot is shown in Figure 13. It provides the relationship between the sag frequency and other parameters. It consists of four subfigures: (a) correlation between the duration and sag frequencies, (b) correlation between the fault type and sag frequencies, (c) correlation between the distance of fault point from bus 15 and sag frequencies, and (d) correlation between the percentage impedance change and sag frequencies.
6. Representation and Detection of Vulnerable Area
Voltage sag can be depicted in several ways: (1) a voltage dip table, (2) a scatter diagram, (3) a single-index event, and (4) SARFI indices. These methods require vast data and careful analysis to obtain acceptable results. Additionally, these techniques could be more effective in identifying brittle networks or crucial procedures involving delicate equipment. An effective visual representation of a weak area is suggested in this section and is known as an ROV along with the ITIC curve. ROV is the weak area or region in the network. The ROV indicated the region with the most sag occurrences when the fault occurs in a load bus.
6.1. ITIC Curve
The sensitivity of each type of equipment to voltage sag varies in end-user facilities. We must be aware of the equipment’s sensitivity limit to calculate the effects of sag on sensitive equipment. Determining the device’s sensitivity limit for voltage sag is helped by the ITIC curve. The amplitude (per unit or percentage) and duration of voltage variation are shown on the ITIC curve. Equipment damage results from disturbances outside the tolerance envelope, either an overvoltage state or an undervoltage condition. The permissible degree of sag for both time and magnitude may be calculated using the lower curve. By contrasting the ITIC curve with the specified voltage magnitude and duration, it is possible to establish if the sensitive equipment will be affected by sags. In this study, the voltage limit of a sensitive load is determined using the ITIC curve. The ITIC curve of the load may be used to determine the voltage threshold for a specific sag time. The ITIC curve of the load connected at buses 14 and 15 is shown in Figure 14a,b, respectively.
Figure 14.
ITIC curve of the load connected at (a) bus 14 and (b) bus 16.
Figure 14a shows that the load connected at bus 14 is under voltage or sag for 500 ms. After that, it achieved 0.9 p.u., the required voltage for satisfactory operation and durability. From 50 ms to 150 ms, load 14 works under 0.7 p.u. and worked at 0.8 p.u. voltage for the range of 150 ms to 500 ms. Similarly, the load connected at bus 16 attains 0.8 p.u. after 180 ms. It works at 0.5 p.u. and 0.7 p.u. for 80–130 ms and 130–180 ms, respectively.
6.2. Concept and Procedure of ROV
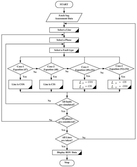
A considerable proportion of production losses is attributed to the sensitive equipment’s incompatibility and poor sag ride-through capability, as per Transmission and Distribution Power Quality (TPQ-DPQ III) reports and IEEE standards. Therefore, one of the most important tasks for the industrial consumer is understanding voltage sag propagation to assist industrial people in locating crucial or underperforming buses in a power system network where sensitive equipment is linked. Since each phase experiences various voltage sag magnitudes during a fault, an ROV is built for each phase separately. In contrast to the non-faulted phase, which may display a rise, dip, or unchanging voltage level, the faulted phase often exhibits a dip in voltage. The connections in the transformer windings cause the voltage drop in the phases without a fault. The steps that were followed to develop the ROV are given below:
- Step 1
- Step 2
- Then, select a line, phases, and fault type.
- Step 3
- Then, check the following four cases.
Case 1
then the line is in COS.
Case 2
then the line is in CIS.
Case 3
If
then check until
Then, the line portion is COS and is CIS, where X and Y are the two ends of the line and ’ is any point along the line X and Y, after which the value changes from greater than 0.9 to less than 0.9 p.u.
Case 4
and If
then check until
Then, the line portion is CIS and is COS, where X and Y are the two ends of the line and ’ is any point along the line X and Y, after which the value changes from less than 0.9 to greater than 0.9 p.u.
- Step 4
- Store the completely outside (COS) and completely inside data (CIS) portion of the taken line.
- Step 5
- Next, ensure that all faults, phases, and lines are considered. If not, increase the iteration and follow the same process for fault, phase, and line.
- Step 6
Table 9. Data associated with ROV when fault occurred at the load connected in bus 20.
Figure 15. Flow chart to identify the ROV.
Figure 16. ROV for load connected at bus 20 due to (a) LLLF/LLLGF at Phase-A, (b) LLF at Phase-B and C, (c) DLGF at Phase-C, and (d) SLGF at Phase-A.
Figure 17. ROV for load connected at bus 14 due to (a) LLLF/LLLGF at Phase-A, (b) LLF at Phase-B and C, (c) DLGF at Phase-C, and (d) SLGF at Phase-A.
The flow chart for identifying the ROV is shown in Figure 15. This flow chart states how and why the part or full length of the transmission/distribution line is CIS or COS. Hence, using this flow chart, the ROV is developed step by step.
Data associated with the ROV when a fault occurred at the load connected to buses 20 and 16 are shown in Table 9 and Table 10, respectively. To understand the effects and spread of voltage sag in a power system network, it is important to know how it looks after it has been measured. The amount of the voltage sag and the matching number of voltage sag in the system are considered the two factors when developing the ROV using Table 9 and Table 10, respectively.
Table 10.
Data associated with ROV when fault occurred at the load connected in bus 14.
The ROV for load connected at buses 20 and 14 is shown in Figure 16 and Figure 17, respectively. Figure 16a and Figure 17a represent the ROV due to symmetrical faults at Phase-A when the load is connected at buses 20 and 14, respectively. The ROV associated with the LLF at Phase-B and C when the load is connected at buses 20 and 16 is shown in Figure 16b and Figure 17b, respectively.
Similarly, Figure 16c and Figure 17c indicate the ROV due to DLGF at Phase-C when the load is connected at buses 20 and 14, respectively. The SLGF at Phase-A and its associated ROV for the load connected at bus 20 and 14 are shown in Figure 16d and Figure 17d, respectively. All the figures in Figure 16 and Figure 17 indicate the vulnerable or weak regions of the network in different conditions.
7. Conclusions
This study generated and examined data associated with pre-fault voltages along the line and on the buses. A fast and efficient analytical method is used to assess sag based on load current injection, and it is 1.5–2.2 times faster than the other existing load flow technique [35]. The sag analysis was performed based on stochastic analysis using a normal probability distribution approach, which provides a strong idea regarding the probability of sag occurrence in a meshed network. Furthermore, a correlation analysis is carried out between the sag frequency and the different related parameters. These unique methods of sag data analysis demonstrate the novelty of the article. Furthermore, the region of vulnerability is developed and presented. A flow chart to develop the ROV is also proposed. The suggested approach was tested in an IEEE 30-bus system.
Author Contributions
Conceptualization, J.P. and N.P.; methodology, J.P.; software, J.P.; validation, J.P.; formal analysis, H.C.M. and R.A.; investigation, N.P. and R.A.; resources, J.P. and H.C.M.; data curation, J.P.; writing—original draft preparation, J.P.; writing—review and editing, J.P., N.P., and H.G.M.; visualization, J.P., N.P., H.C.M., and R.A.; supervision, N.P.; project administration, H.G.M.; funding acquisition, H.G.M. All authors have read and agreed to the published version of the manuscript.
Funding
Princess Nourah bint Abdulrahman University Researchers Supporting Project number (PNURSP2023TR140), Princess Nourah bint Abdulrahman University, Riyadh, Saudi Arabia.
Institutional Review Board Statement
Not Applicable.
Informed Consent Statement
Not Applicable.
Data Availability Statement
Not applicable.
Acknowledgments
Princess Nourah bint Abdulrahman University Researchers Supporting Project number (PNURSP2023TR140), Princess Nourah bint Abdulrahman University, Riyadh, Saudi Arabia.
Conflicts of Interest
The authors declare no conflict of interest.
Nomenclature
| PQ | Power quality |
| STC | Sag tolerance curve |
| SVI | sag vulnerability index |
| DGs | Distributed Generations |
| ROV | region of vulnerability |
| VSM | Voltage sag map |
| ITIC | Information Technology Industry Council |
| CBEMA | Computer business Equipment Manufacturers Association |
| PLC | Programmable Logic Controller |
| PSF | probable sag frequency |
| VSA | Voltage sag assessment |
| STI | sequence transfer impedances |
| SDPI | sequence driving point impedance |
| SLGF | Single line to ground fault |
| LLF | Line to line fault |
| DLGF | Double line to ground fault |
| LLLF | Line to line to line fault |
| LLLGF | Line to line to line ground fault |
| RV | Random variable |
| Probability density function | |
| p.u. | Per unit |
| CF | correlation coefficients |
| IEEE | Institute of Electrical and Electronics Engineers |
| SARFI | System Average RMS Variation Frequency Index |
| COS | Completely outside |
| CIS | Completely inside |
References
- Soomro, A.H.; Larik, A.S.; Mahar, M.A.; Sahito, A.A. Simulation-based comparison of PID with sliding mode controller for matrix-converter-based dynamic voltage restorer under variation of system parameters to alleviate the voltage sag in distribution system. Sustainability 2022, 14, 14661. [Google Scholar] [CrossRef]
- Safdarian, A.; Fotuhi-firuzabad, M.; Lehtonen, M. A General framework for voltage sag performance. Energies 2019, 12, 2824. [Google Scholar] [CrossRef]
- Patra, J.; Reddy, G.H.; Goswami, A.K. Voltage sag assessment of distribution system using Monte Carlo simulation. In Proceedings of the 2015 International Conference on Energy, Power and Environment: Towards Sustainable Growth (ICEPE), Shillong, India, 12–13 June 2015. [Google Scholar] [CrossRef]
- Küfeoğlu, S.; Lehtonen, M. Macroeconomic assessment of voltage sags. Sustainability 2016, 8, 1304. [Google Scholar] [CrossRef]
- Behera, C.; Member, S. Assessment of equipment trip probability due to voltage sags based on fuzzy possibility distribution function. IEEE Access 2018, 6, 76889–76899. [Google Scholar] [CrossRef]
- Arias-Guzmán, S.; Ruiz-Guzman, O.A.; Garcia-Arias, L.F.; Jaramillo-Gonzales, M.; Cardona-Orozco, P.D.; Ustariz-Farfan, A.J.; Cano-Plata, E.A.; Salazar-Jiménez, A.F. Analysis of voltage sag severity case study in an industrial circuit. IEEE Trans. Ind. Appl. 2017, 53, 15–21. [Google Scholar] [CrossRef]
- Mohtasham, M.B.; Jalilian, A. Classification of multi-stage voltage sags and calculation of phase angle jump based on Clarke components ellipse. Electr. Power Syst. Res. 2022, 205, 107725. [Google Scholar] [CrossRef]
- Bellan, D. Probability density function of three-phase ellipse parameters for the characterization of noisy voltage sags. IEEE Access 2020, 8, 185503–185513. [Google Scholar] [CrossRef]
- Liu, S.; Zheng, C.; Zhang, B.; Dai, S.; Tang, Y.; Wang, Y. A data-driven self-learning evaluation method of voltage sag severity. CPSS Trans. Power Electron. Appl. 2022, 7, 328–334. [Google Scholar] [CrossRef]
- Hu, W.; Ruan, Z.; Xiao, X.; Xiong, X.; Wang, J. A novel voltage sag state estimation method based on complex network analysis. Int. J. Electr. Power Energy Syst. 2022, 140, 108119. [Google Scholar] [CrossRef]
- Synchronization, P. A robust low-voltage-ride-through strategy for grid-forming converters based on reactive. IEEE Trans. Power Electron. 2023, 38, 346–357. [Google Scholar]
- Ni, Z.; Abuelnaga, A.H.; Badawi, S.; Yuan, S.; Narimani, M.; Sayed-Ahmed, A.; Cheng, Z.; Zargari, N.R. A new low switching frequency control of regenerative CHB drive with low-voltage ride-through capability. IEEE Trans. Power Electron. 2023, 38, 1973–1983. [Google Scholar] [CrossRef]
- Dos Santos, A.; Rosa, T.; Correia De Barros, M.T. Stochastic characterization of voltage sag occurrence based on field data. IEEE Trans. Power Deliv. 2019, 34, 496–504. [Google Scholar] [CrossRef]
- Heydt, G.T.; Fellow, L. Thevenin’s theorem applied to the analysis of polyphase transmission circuits. IEEE Trans. Power Deliv. 2017, 32, 72–77. [Google Scholar] [CrossRef]
- Martinez, J.A.; Martin-Arnedo, J. Voltage sag studies in distribution networks—Part I: System modeling. IEEE Trans. Power Deliv. 2006, 21, 1670–1678. [Google Scholar] [CrossRef]
- Martinez, J.A.; Martin-Arnedo, J. Voltage sag studies in distribution networks—Part II: Voltage sag assessment. IEEE Trans. Power Deliv. 2006, 21, 1679–1688. [Google Scholar] [CrossRef]
- Martinez, J.A.; Martin-Arnedo, J. Voltage sag studies in distribution networks—Part III: Voltage sag index calculation. IEEE Trans. Power Deliv. 2006, 21, 1689–1697. [Google Scholar] [CrossRef]
- Khatri, N.; Kumar, V. Stochastic evaluation of voltage sag in power system network considering effect of photovoltaic generation. Trans. Electr. Energy Syst. 2008, 29, e2773. [Google Scholar] [CrossRef]
- Liao, H.; Abdelrahman, S.; Guo, Y.; Jovica, V. Identification of weak areas of network based on exposure to voltage sags—Part II: Assessment of network performance using sag severity index. IEEE Trans. Power Deliv. 2015, 30, 2401–2409. [Google Scholar] [CrossRef]
- Franzese, M.; Iuliano, A.; Mathematics, A.; Picone, M. Hidden Markov models. Encycl. Bioinform. Comput. Biol. 2019, 1, 753–762. [Google Scholar] [CrossRef]
- Mitra, R.; Goswami, A.K.; Tiwari, P.K. Voltage sag assessment using type-2 fuzzy system considering uncertainties in distribution system. IET Gener. Transm. Distrib. 2017, 11, 1409–1419. [Google Scholar] [CrossRef]
- Di Stasio, L.; Verde, P.; Varilone, P.; De Santis, M.; Noce, C. Stochastic model to forecast the voltage sags in real power systems. In Proceedings of the 2021 AEIT International Annual Conference (AEIT), Virtual Conference, 27–28 May 2021. [Google Scholar] [CrossRef]
- Altintas, E. Correlation between multiple electric arc furnace operations and unscheduled power flows in the interconnection lines at the eastern cross border of ENTSO-E. IEEE Trans. Ind. Appl. 2016, 52, 3508–3517. [Google Scholar] [CrossRef]
- Mbuli, N.; Member, S.; Xezile, R.; Pretorius, J.H.C. Stochastic assessment of the impact of distributed synchronous generators on voltage sags due to system-wide faults. SAIEE Afr. Res. J. 2020, 111, 65–72. [Google Scholar] [CrossRef]
- Goswami, A.K.; Gupta, C.P.; Singh, G.K. An analytical approach for assessment of voltage sags. Int. J. Electr. Power Energy Syst. 2009, 31, 418–426. [Google Scholar] [CrossRef]
- Bollen, M.H.J. Understanding Power Quality Problems, Voltage Sags and Interruptions; IEEE Press: Piscataway, NJ, USA, 2000; pp. 139–248. [Google Scholar]
- Dugan, R.C.; McGranaghan, M.F.; Beaty, H.W. Electrical Power System Quality; McGraw Hill: New York, NY, USA, 1996. [Google Scholar]
- Lennerhag, O.; Bollen, M.H.J. A stochastic aggregate harmonic load model. IEEE Trans. Power Deliv. 2020, 35, 2127–2135. [Google Scholar] [CrossRef]
- Qader, M.R.; Bollen, M.H.J.; Allan, R.N. Stochastic prediction of voltage sags in a large transmission system. In Proceedings of the 1998 IEEE Industrial and Commercial Power Systems Technical Conference. Conference Record. Papers Presented at the 1998 Annual Meeting (Cat. No.98CH36202), Edmonton, AB, Canada, 3–8 May 1998; Volume 35, pp. 8–18. [Google Scholar] [CrossRef]
- Olguin, G. Voltage Dip (Sag) Estimation in Power Systems Based on Stochastic Assessment and Optimal Monitoring; Chalmers Tekniska Hogskola: Göteborg, Sweden, 2005. [Google Scholar]
- Patra, J.; Pal, N. A mathematical approach of voltage sag analysis incorporating bivariate probability distribution in a meshed system. Energies 2022, 15, 7592. [Google Scholar] [CrossRef]
- Behera, C.; Banik, A.; Goswami, A.K. A novel approach for voltage sag representation in a chemical industry: A case study. Eng. Rep. 2020, 2, e12198. [Google Scholar] [CrossRef]
- Goswami, A.K.; Gupta, C.P.; Singh, G.K. Voltage sag mitigation strategies for an Indian power systems: A case study. J. Inst. Eng. Ser. B 2015, 96, 165–178. [Google Scholar] [CrossRef]
- Devore, J.L. Probability and Statistics for Engineering and the Science, 8th ed.; Prentice-Hall Inc.: Hoboke, NJ, USA, 2012. [Google Scholar]
- Ghatak, U.; Mukherjee, V. Electrical power and energy systems A fast and efficient load flow technique for unbalanced distribution system. Int. J. Electr. Power Energy Syst. 2017, 84, 99–110. [Google Scholar] [CrossRef]
Disclaimer/Publisher’s Note: The statements, opinions and data contained in all publications are solely those of the individual author(s) and contributor(s) and not of MDPI and/or the editor(s). MDPI and/or the editor(s) disclaim responsibility for any injury to people or property resulting from any ideas, methods, instructions or products referred to in the content. |
© 2023 by the authors. Licensee MDPI, Basel, Switzerland. This article is an open access article distributed under the terms and conditions of the Creative Commons Attribution (CC BY) license (https://creativecommons.org/licenses/by/4.0/).



















