Model Predictive Control of a PUC5-Based Dual-Output Electric Vehicle Battery Charger
Abstract
:1. Introduction
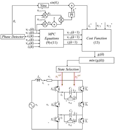
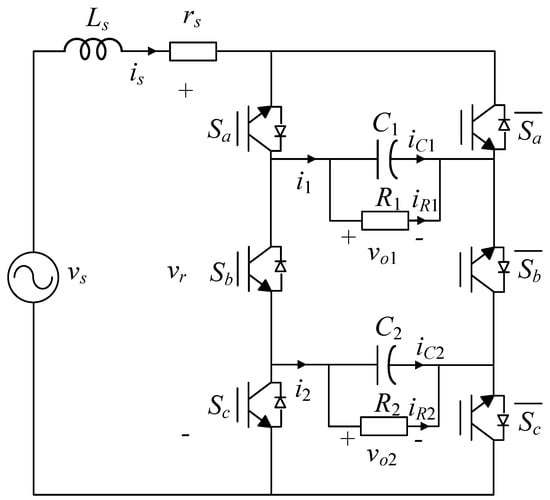
2. Mathematical Modeling
3. Model Predictive Control Design
3.1. Preliminaries
3.2. Discrete Model
3.3. MPC Optimization
4. Simulation Results
5. Experimental Validation
- (1)
- Steady-State Test: This experiment was executed by selecting equal values for load resistances (R1 = R2 = 80 Ω), and the experimental results are illustrated in Figure 11. From the load side, one can notice that the two loads’ voltages (capacitors’ voltages) were accurately regulated around their desired values. On the grid side, it can be seen that the unity power factor operation is ensured by drawing a sinusoidal grid current in phase with the source voltage, while a 5-level voltage waveform is generated at the input of the PUC-based PFC rectifier.
- (2)
- Load Dynamic Test: This test aims to investigate the proposed controller’s response to load changes. As the system under study is a dual-output PFC rectifier, the idea is to supply two different loads at dissimilar operating scenarios. The first test aimed to emulate an increase in the active power absorbed by the first load (Figure 12) by reducing the value of the resistance (varying R1 from 80 Ω to 40 Ω) while keeping the value of the second load unchanged (R2 = 80 Ω). Another test was performed by increasing the value of the resistance R2 from 40 Ω to 80 Ω while keeping the value of the first load unvaried (R1 = 40 Ω), which resulted in a decrease in the current drawn by the second load (Figure 13). Both tests have shown the high dynamic performance of the proposed MPC controller in re-tracking the desired output voltages while working at unity power factor.
- (3)
- Grid Voltage Disturbances Test: The voltage swell test was performed under steady-state condition (R1 = R2 = 80 Ω) to evaluate the performance and resilience of the controlled rectifier when exposed to grid voltage variations. The test was conducted by emulating a voltage increase of 20% during a few cycles and then retrieving the nominal peak value of the grid voltage to 100 V; the corresponding results presented in Figure 14 witness the high-voltage ride-through capability of the proposed solution.
- (4)
- Parameter Mismatch Test: This type of test is a diagnostic method used in the context of power electronics systems to evaluate the effect of parameter variations/mismatches on the stability and performance of the proposed controller. The power converter’s characteristics, including inductance, capacitance, resistance, and switching frequency, are intentionally varied/mismatched from their normal values during the test. The converter is then exposed to various operational scenarios or load profiles to evaluate the dynamic performance of the applied controller (mainly when a model-based controller is used). In this study, the test is performed by increasing the inductance Ls value by 30%. As can be seen from Figure 15, the dual-output voltages are properly regulated around their desired values while the unity power factor operation is confirmed.
6. Conclusions
Author Contributions
Funding
Institutional Review Board Statement
Informed Consent Statement
Data Availability Statement
Conflicts of Interest
References
- Sustainable Development Goals-United Nations Sustainable Development. Available online: https://www.un.org/sustainabledevelopment/climate-change/ (accessed on 10 June 2023).
- Five Ways to Jump-Start the Renewable Energy Transition Now. Available online: https://www.un.org/en/climatechange/raising-ambition/renewable-energy-transition (accessed on 2 June 2023).
- Energy Transition Outlook. Available online: https://www.irena.org/Energy-Transition/Outlook (accessed on 30 May 2023).
- Chan, C.C. The state of the art of electric and hybrid vehicles. Proc. IEEE 2002, 90, 247–275. [Google Scholar] [CrossRef]
- The Brattle Group Report. Available online: https://www.brattle.com/wp-content/uploads/2021/05/19421_brattle_-_opportunities_for_the_electricity_industry_in_ev_transition_-_final.pdf (accessed on 5 June 2023).
- EV Basics—EV Driving Range. Available online: https://www.evenergi.com/ev-basics-ev-driving-range/ (accessed on 27 May 2023).
- Arya, H.; Das, M. Fast Charging Station for Electric Vehicles Based on DC Microgrid. IEEE J. Emerg. Sel. Top. Ind. Electron. 2023, 4, 1204–1212. [Google Scholar] [CrossRef]
- Barsari, V.Z.; Thrimawithana, D.J.; Kim, S.; Covic, G.A. Modular Coupler with Integrated Planar Transformer for Wireless EV Charging. IEEE Trans. Power Electron. 2023, 38, 9206–9217. [Google Scholar] [CrossRef]
- Aarninkhof, B.O.; Lyu, D.; Soeiro, T.B.; Bauer, P. A Reconfigurable Two-Stage 11 kW DC-DC Resonant Converter for EV Charging with a 150–1000V Output Voltage Range. IEEE Trans. Transp. Electrif. 2023. [Google Scholar] [CrossRef]
- Yilmaz, M.; Krein, P.T. Review of Battery Charger Topologies, Charging Power Levels, and Infrastructure for Plug-In Electric and Hybrid Vehicles. IEEE Trans. Power Electron. 2013, 28, 2151–2169. [Google Scholar] [CrossRef]
- Jain, A.; Gupta, K.K.; Jain, S.K.; Bhatnagar, P.; Vahedi, H. A V2G Enabled Bidirectional Single/Three-Phase EV Charging Interface Using Modular Multilevel Buck PFC Rectifier. Electronics 2022, 11, 1891. [Google Scholar] [CrossRef]
- IEEE. IEEE Recommended Practice and Requirements for Harmonic Control in Electric Power Systems. In IEEE Std 519–2014 (Revision of IEEE Std 519–1992); IEEE: Piscataway, NJ, USA, 2014; pp. 1–29. [Google Scholar] [CrossRef]
- IEC Standard 61000-3-2; Limits for Harmonic Current Emissions, Equipment Input Current 16A Per Phase. 3.2 ed. International Electrotechnical Commission: Geneva, Switzerland, 2009.
- Singh, B.; Singh, B.N.; Chandra, A.; Al-Haddad, K.; Pandey, A.; Kothari, D.P. A review of single-phase improved power quality AC-DC converters. IEEE Trans. Ind. Electron. 2003, 50, 962–981. [Google Scholar] [CrossRef]
- Vahedi, H.; Al-Haddad, K. A Novel Multilevel Multioutput Bidirectional Active Buck PFC Rectifier. IEEE Trans. Ind. Electron. 2016, 63, 5442–5450. [Google Scholar] [CrossRef]
- Makhamreh, H.; Trabelsi, M.; Kükrer, O.; Abu-Rub, H. Model Predictive Control for a PUC5 based Dual Output Active Rectifier. In Proceedings of the 2019 IEEE 13th International Conference on Compatibility, Power Electronics and Power Engineering (CPE-POWERENG), Sonderborg, Denmark, 23–25 April 2019; pp. 1–6. [Google Scholar] [CrossRef]
- Sleiman, M.; Blanchette, H.F.; Grgoire, L.A.; Kanaan, H.; Al-Haddad, K. Model predictive control of a dual output seven-level rectifier. In Proceedings of the IECON 2015—41st Annual Conference of the IEEE Industrial Electronics Society, Yokohama, Japan, 9–12 November 2015; pp. 5292–5297. [Google Scholar]
- Campos, H.M.V.D.B.; Soares, J.W.M.; Badin, A.A.; Cortez, D.F. Single-Phase Hybrid Switched-Capacitor PFC Boost Rectifier with Low Voltage Gain. IEEE Trans. Power Electron. 2023, 38, 968–976. [Google Scholar] [CrossRef]
- Liu, J.; Xu, F.; Sun, C.; Loo, K.H. A Compact Single-Phase AC–DC Wireless Power Transfer Converter with Active Power Factor Correction. IEEE Trans. Ind. Electron. 2023, 70, 3685–3696. [Google Scholar] [CrossRef]
- Garcia-Bediaga, A.; Avila, A.; Alzuguren, I.; Sanchez, A.; Rujas, A. Power Factor Corrector Control Strategies of a Bidirectional Wireless Battery Charger with an Unfolding Active Rectifier. IEEE J. Emerg. Sel. Top. Power Electron. 2023, 11, 396–406. [Google Scholar] [CrossRef]
- Prakash, P.S.; Kalpana, R.; Singh, B.; Bhuvaneswari, G. Design and Implementation of Sensorless Voltage Control of Front-End Rectifier for Power Quality Improvement in Telecom System. IEEE Trans. Ind. Appl. 2018, 54, 2438–2448. [Google Scholar] [CrossRef]
- Costa, P.J.S.; Ewerling, M.V.M.; Font, C.H.I.; Lazzarin, T.B. Unidirectional Three-Phase Voltage-Doubler SEPIC PFC Rectifier. IEEE Trans. Power Electron. 2021, 36, 6761–6773. [Google Scholar] [CrossRef]
- Ding, D.; Yeganeh, M.S.O.; Mijatovic, N.; Wang, G.; Dragicevic, T. Model Predictive Control on Three-Phase Converter for PMSM Drives with a Small DC-link Capacitor. In Proceedings of the 2021 IEEE International Conference on Predictive Control of Electrical Drives and Power Electronics (PRECEDE), Jinan, China, 20–22 November 2021; pp. 224–228. [Google Scholar] [CrossRef]
- Nair, H.S.; Lakshminarasamma, N. An Improved FS-MPC Algorithm for Vienna Rectifier Based EV Chargers. In Proceedings of the 2020 IEEE Transportation Electrification Conference & Expo (ITEC), Chicago, IL, USA, 23–26 June 2020; pp. 1103–1108. [Google Scholar] [CrossRef]
- Marcos-Pastor, A.; Vidal-Idiarte, E.; Cid-Pastor, A.; Martínez-Salamero, L. Loss-Free Resistor-Based Power Factor Correction Using a Semi-Bridgeless Boost Rectifier in Sliding-Mode Control. IEEE Trans. Power Electron. 2015, 30, 5842–5853. [Google Scholar] [CrossRef]
- Aamir, M.; Mekhilef, S. An Online Transformerless Uninterruptible Power Supply (UPS) System with a Smaller Battery Bank for Low-Power Applications. IEEE Trans. Power Electron. 2017, 32, 233–247. [Google Scholar] [CrossRef]
- Chen, F.-Z.; Maksimović, D. Digital Control for Improved Efficiency and Reduced Harmonic Distortion over Wide Load Range in Boost PFC Rectifiers. IEEE Trans. Power Electron. 2010, 25, 2683–2692. [Google Scholar] [CrossRef]
- Zhao, Z. Adaptive internal model control based ripple rejection for improved response of PFC rectifiers. In Proceedings of the 2017 IEEE 30th Canadian Conference on Electrical and Computer Engineering (CCECE), Windsor, ON, Canada, 30 April–3 May 2017; pp. 1–6. [Google Scholar] [CrossRef]
- Lin, R.-L.; Cheng, H.-I. Adaptive Harmonic Injection Mechanism for Single-Switch Three-Phase DCM Boost Rectifier. In Proceedings of the 2018 IEEE Energy Conversion Congress and Exposition (ECCE), Portland, OR, USA, 23–27 September 2018; pp. 6786–6789. [Google Scholar] [CrossRef]
- Ounejjar, Y.; Al-Haddad, K.; Gregoire, L.-A. Packed U Cells Multilevel Converter Topology: Theoretical Study and Experimental Validation. IEEE Trans. Ind. Electron. 2011, 58, 1294–1306. [Google Scholar] [CrossRef]
- Cortes, P.; Kazmierkowski, M.P.; Kennel, R.; Quevedo, D.E.; Rodriguez, J.R. Predictive control in power electronics and drives. IEEE Trans. Ind. Electron. 2008, 55, 4312–4324. [Google Scholar] [CrossRef]
- Trabelsi, M.; Alquennah, A.N.; Vahedi, H. Review on Single-DC-Source Multilevel Inverters: Voltage Balancing and Control Techniques. IEEE Open J. Ind. Electron. Soc. 2022, 3, 711–732. [Google Scholar] [CrossRef]
- Harbi, I.; Rodriguez, J.; Liegmann, E.; Makhamreh, H.; Heldwein, M.L.; Novak, M.; Rossi, M.; Abdelrahem, M.; Trabelsi, M.; Ahmed, M.; et al. Model Predictive Control of Multilevel Inverters: Challenges, Recent Advances, and Trends. IEEE Trans. Power Electron. 2023, 38, 10845–10868. [Google Scholar] [CrossRef]
- Mayne, D.Q.; Rawlings, J.B.; Rao, C.V.; Scokaert, P.O. Constrained model predictive control: Stability and optimality. Automatica 2000, 36, 789–814. [Google Scholar] [CrossRef]
- Muske, K.R.; Rawlings, J.B. Model predictive control with linear models. AIChE J. 1993, 39, 262–287. [Google Scholar] [CrossRef]















| State | s1 | s2 | sa | sb | sc | ||
|---|---|---|---|---|---|---|---|
| 1 | +1 | 0 | 1 | 0 | 0 | ||
| 2 | +1 | −1 | 1 | 0 | 1 | ||
| 3 | 0 | +1 | 1 | 1 | 1 | ||
| 4 | 0 | 0 | 1 | 1 | 1 | 0 | 0 |
| 5 | 0 | 0 | 0 | 0 | 0 | 0 | 0 |
| 6 | 0 | −1 | 0 | 0 | 1 | ||
| 7 | −1 | 1 | 0 | 1 | 0 | ||
| 8 | −1 | 0 | 0 | 1 | 1 |
| Parameters | Values |
|---|---|
| Desired load voltages (vC1* and vC2*) | 140 and 70 V |
| Capacitance (C1 and C2) | 300 μF |
| Peak grid voltage (Vs) | 100 V |
| Filter internal resistor (rs) | 0.01 Ω |
| Filter inductance (Ls) | 10 mH |
| Weighting factor (α) | 1 |
| PI controller gains (Kp and Ki) | 2 and 0.2 |
| Sampling time (Ts) | 20 μs |
Disclaimer/Publisher’s Note: The statements, opinions and data contained in all publications are solely those of the individual author(s) and contributor(s) and not of MDPI and/or the editor(s). MDPI and/or the editor(s) disclaim responsibility for any injury to people or property resulting from any ideas, methods, instructions or products referred to in the content. |
© 2023 by the authors. Licensee MDPI, Basel, Switzerland. This article is an open access article distributed under the terms and conditions of the Creative Commons Attribution (CC BY) license (https://creativecommons.org/licenses/by/4.0/).
Share and Cite
Makhamreh, H.; Kanzari, M.; Trabelsi, M. Model Predictive Control of a PUC5-Based Dual-Output Electric Vehicle Battery Charger. Sustainability 2023, 15, 14483. https://doi.org/10.3390/su151914483
Makhamreh H, Kanzari M, Trabelsi M. Model Predictive Control of a PUC5-Based Dual-Output Electric Vehicle Battery Charger. Sustainability. 2023; 15(19):14483. https://doi.org/10.3390/su151914483
Chicago/Turabian StyleMakhamreh, Hamza, Meryem Kanzari, and Mohamed Trabelsi. 2023. "Model Predictive Control of a PUC5-Based Dual-Output Electric Vehicle Battery Charger" Sustainability 15, no. 19: 14483. https://doi.org/10.3390/su151914483
APA StyleMakhamreh, H., Kanzari, M., & Trabelsi, M. (2023). Model Predictive Control of a PUC5-Based Dual-Output Electric Vehicle Battery Charger. Sustainability, 15(19), 14483. https://doi.org/10.3390/su151914483

