Developing an Integrated Soft-Switching Bidirectional DC/DC Converter for Solar-Powered LED Street Lighting
Abstract
:1. Introduction
- Design of a soft-switching single-stage bidirectional buck–boost converter.
- Using a modified version of the conventional bidirectional boost converter, incorporating an auxiliary circuit encompassing a capacitor, inductor, and switch.
- Using the presented structure for supplying energy to LED streetlights.
- Effective energy management between the renewable system and the battery in order to power the load.
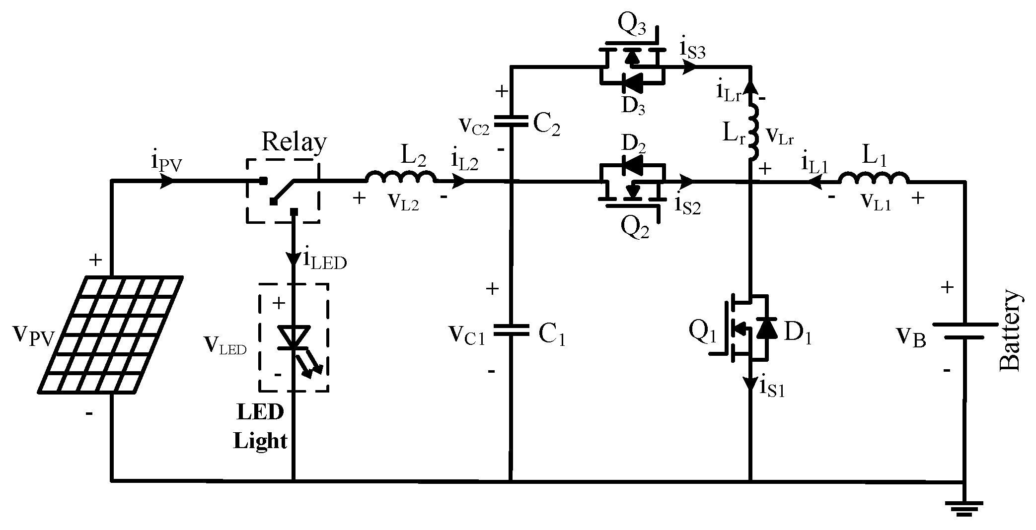
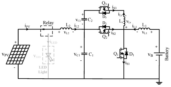
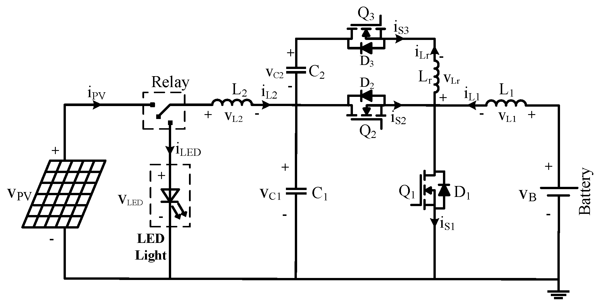
2. Proposed System Configuration and Operation
3. Proposed Control System
4. State of Charge (SOC) Unit of the Battery
5. Proposed Converter Operation Analysis
5.1. Zero-Voltage Switching (ZVS)
- Reduced switching losses.
- Increased efficiency.
- Ability to withstand short circuits.
- Absence of current exceeding the peak current.
- Reduced electromagnetic interference (EMI).
- Possibility of high-frequency switching.
5.2. Buck Operation Mode
5.3. Boost Operation Mode
6. Simulation Results
6.1. Daytime Operation
6.2. Nighttime Operation
7. Conclusions
Author Contributions
Funding
Institutional Review Board Statement
Informed Consent Statement
Data Availability Statement
Conflicts of Interest
References
- Liu, X.; Zhao, M.; Wei, Z.; Lu, M. Economic Optimal Scheduling of Wind–Photovoltaic-Storage with Electric Vehicle Microgrid Based on Quantum Mayfly Algorithm. Appl. Sci. 2022, 12, 8778. [Google Scholar] [CrossRef]
- Iranmehr, H.; Aazami, R.; Tavoosi, J.; Shirkhani, M.; Azizi, A.R.; Mohammadzadeh, A.; Mosavi, A.H.; Guo, W. Modeling the price of emergency power transmission lines in the reserve market due to the influence of renewable energies. Front. Energy Res. 2022, 9, 944. [Google Scholar] [CrossRef]
- Guo, S.; Zhao, X.; Wang, H.; Xu, N. Distributed consensus of heterogeneous switched nonlinear multiagent systems with input quantization and DoS attacks. Appl. Math. Comput. 2023, 456, 128127. [Google Scholar] [CrossRef]
- Danyali, S.; Aazami, R.; Moradkhani, A.; Haghi, M. A new dual-input three-winding coupled-inductor based DC-DC boost converter for renewable energy applications. Int. Trans. Electr. Energy Syst. 2021, 31, e12686. [Google Scholar] [CrossRef]
- Tang, F.; Wang, H.; Zhang, L.; Xu, N.; Ahmad, A.M. Adaptive optimized consensus control for a class of nonlinear multi-agent systems with asymmetric input saturation constraints and hybrid faults. Commun. Nonlinear Sci. Numer. Simul. 2023, 126, 107446. [Google Scholar] [CrossRef]
- Aazami, R.; Heydari, O.; Tavoosi, J.; Shirkhani, M.; Mohammadzadeh, A.; Mosavi, A. Optimal Control of an Energy-Storage System in a Microgrid for Reducing Wind-Power Fluctuations. Sustainability 2022, 14, 6183. [Google Scholar] [CrossRef]
- Cheng, F.; Niu, B.; Xu, N.; Zhao, X.; Ahmad, A.M. Fault detection and performance recovery design with deferred actuator replacement via a low-computation method. IEEE Trans. Autom. Sci. Eng. 2023. [Google Scholar] [CrossRef]
- Danyali, S.; Aghaei, O.; Shirkhani, M.; Aazami, R.; Tavoosi, J.; Mohammadzadeh, A.; Mosavi, A. A New Model Predictive Control Method for Buck-Boost Inverter-Based Photovoltaic Systems. Sustainability 2022, 14, 11731. [Google Scholar] [CrossRef]
- Zhang, H.; Zou, Q.; Ju, Y.; Song, C.; Chen, D. Distance-based support vector machine to predict DNA N6-methyladenine modification. Curr. Bioinform. 2022, 17, 473–482. [Google Scholar] [CrossRef]
- Teng, J.; Shen, P.; Liu, B.; Chen, S. Circuit configurable bidirectional dc-dc converter for retired batteries. IEEE Access 2021, 9, 156187–156199. [Google Scholar] [CrossRef]
- Wu, W.; Xu, N.; Niu, B.; Zhao, X.; Ahmad, A.M. Low-Computation Adaptive Saturated Self-Triggered Tracking Control of Uncertain Networked Systems. Electronics 2023, 12, 2771. [Google Scholar] [CrossRef]
- Gorji, S.A.; Sahebi, H.G.; Ektesabi, M.; Rad, A.B. Topologies and control schemes of bidirectional DC–DC power converters: An overview. IEEE Access 2019, 7, 117997–118019. [Google Scholar] [CrossRef]
- Cao, C.; Wang, J.; Kwok, D.; Cui, F.; Zhang, Z.; Zhao, D.; Li, M.J.; Zou, Q. webTWAS: A resource for disease candidate susceptibility genes identified by transcriptome-wide association study. Nucleic Acids Res. 2022, 50, D1123–D1130. [Google Scholar] [CrossRef]
- Hasanpour, S.; Mostaan, A.; Baghramian, A.; Mojallali, H. Analysis, modeling, and implementation of a new transformerless semi-quadratic Buck-boost DC/DC converter. Int. J. Circuit Theory Appl. 2019, 47, 862–883. [Google Scholar] [CrossRef]
- Zhao, Y.; Niu, B.; Zong, G.; Zhao, X.; Alharbi, K.H. Neural network-based adaptive optimal containment control for non-affine nonlinear multi-agent systems within an identifier-actor-critic framework. J. Frankl. Inst. 2023, 360, 8118–8143. [Google Scholar] [CrossRef]
- Athikkal, S.; Kumar, G.G.; Sundaramoorthy, K.; Sankar, A. A non-isolated bridge-type DC–DC converter for hybrid energy source integration. IEEE Trans. Ind. Appl. 2019, 55, 4033–4043. [Google Scholar] [CrossRef]
- Pan, X.; Li, H.; Liu, Y.; Zhao, T.; Ju, C.; Rathore, A.K. An overview and comprehensive comparative evaluation of current-fed-isolated-bidirectional DC/DC converter. IEEE Trans. Power Electron. 2019, 35, 2737–2763. [Google Scholar] [CrossRef]
- Huang, S.; Zong, G.; Wang, H.; Zhao, X.; Alharbi, K.H. Command filter-based adaptive fuzzy self-triggered control for MIMO nonlinear systems with time-varying full-state constraints. Int. J. Fuzzy Syst. 2023, 1–8. [Google Scholar] [CrossRef]
- Xu, Q.; Vafamand, N.; Chen, L.; Dragičević, T.; Xie, L.; Blaabjerg, F. Review on advanced control technologies for bidirectional DC/DC converters in DC microgrids. IEEE J. Emerg. Sel. Top. Power Electron. 2020, 9, 1205–1221. [Google Scholar] [CrossRef]
- Cheng, X.F.; Liu, C.; Wang, D.; Zhang, Y. State-of-the-art review on soft-switching technologies for non-isolated DC-DC converters. IEEE Access 2021, 9, 119235–119249. [Google Scholar] [CrossRef]
- Hussain, M.; Rehan, M.; Ahn, C.K.; Tufail, M. Robust antiwindup for one-sided Lipschitz systems subject to input saturation and applications. IEEE Trans. Ind. Electron. 2018, 65, 9706–9716. [Google Scholar] [CrossRef]
- Sorouri, H.; Sedighizadeh, M.; Oshnoei, A.; Khezri, R. An intelligent adaptive control of DC–DC power buck converters. Int. J. Electr. Power Energy Syst. 2022, 141, 108099. [Google Scholar] [CrossRef]
- Liu, G. Sustainable feasibility of solar photovoltaic powered street lighting systems. Int. J. Electr. Power Energy Syst. 2014, 56, 168–174. [Google Scholar] [CrossRef]
- Duman, A.C.; Güler, Ö. Techno-economic analysis of off-grid photovoltaic LED road lighting systems: A case study for northern, central and southern regions of Turkey. Build. Environ. 2019, 156, 89–98. [Google Scholar] [CrossRef]
- Sutopo, W.; Mardikaningsih, I.S.; Zakaria, R.; Ali, A. A model to improve the implementation standards of street lighting based on solar energy: A case study. Energies 2020, 13, 630. [Google Scholar] [CrossRef]
- Lagorse, J.; Paire, D.; Miraoui, A. Sizing optimization of a stand-alone street lighting system powered by a hybrid system using fuel cell, PV and battery. Renew. Energy 2009, 34, 683–691. [Google Scholar] [CrossRef]
- Purwadi, A.; Haroen, Y.; Ali, F.Y.; Heryana, N.; Nurafiat, D.; Assegaf, A. Prototype development of a Low Cost data logger for PV based LED Street Lighting System. In Proceedings of the 2011 International Conference on Electrical Engineering and Informatics, Bandung, Indonesia, 17 July 2011; IEEE: Piscataway, NJ, USA, 2011; pp. 1–5. [Google Scholar]
- Mahmoud, M.M. Economic model for calculating the global saving norm of replacement high-intensity discharge lamps with LED lamp in oil and gas plant. In Proceedings of the 2020 IEEE 61th International Scientific Conference on Power and Electrical Engineering of Riga Technical University (RTUCON), Riga, Latvia, 5–7 November 2020; IEEE: Piscataway, NJ, USA, 2020; pp. 1–5. [Google Scholar]
- Borekci, S.; Acar, N.C.; Kircay, A. LED dimming technique without frequency and pulse width modulations. Int. J. Circuit Theory Appl. 2018, 46, 2028–2037. [Google Scholar] [CrossRef]
- Hwu, K.I.; Jiang, W.Z.; Chen, W.H. Automatic current-sharing extendable two-channel LED driver with non-pulsating input current and zero dc flux. Int. J. Circuit Theory Appl. 2018, 46, 1462–1484. [Google Scholar] [CrossRef]
- Althib, H. Effect of quantum barrier width and quantum resonant tunneling through InGaN/GaN parabolic quantum well-LED structure on LED efficiency. Results Phys. 2021, 22, 103943. [Google Scholar] [CrossRef]
- Cheng, J.H.; Liu, C.K.; Chao, Y.L.; Tain, R.M. Cooling performance of silicon-based thermoelectric device on high power LED. In Proceedings of the 24th International Conference on Thermoelectrics, Clemson, SC, USA, 19–23 June 2005; pp. 53–56. [Google Scholar]
- Juda, M.; Liu-Ambrose, T.; Feldman, F.; Suvagau, C.; Mistlberger, R.E. Light in the Senior Home: Effects of Dynamic and Individual Light Exposure on Sleep, Cognition, and Well-Being. Clocks Sleep 2020, 2, 557–576. [Google Scholar] [CrossRef]
- Qin, Y.X.; Lin, D.Y.; Hui, S.Y.R. A Simple Method for Comparative Study on the Thermal Performance of Light Emitting Diodes (LED) and Fluorescent Lamps. IEEE Trans. Power Electron. 2009, 24, 1811–1818. [Google Scholar]
- Kulkarni, S.A.; Mhaisalkar, S.G.; Mathews, N.; Boix, P.P. Perovskite nanoparticles: Synthesis, properties, and novel applications in photovoltaics and LEDs. Small Methods 2019, 3, 1800231. [Google Scholar] [CrossRef]
- Kiwan, S.; Abo Mosali, A.; Al-Ghasem, A. Smart solar-powered LED outdoor lighting system based on the energy storage level in batteries. Buildings 2018, 8, 119. [Google Scholar] [CrossRef]
- Saeed, M.A.; Kim, S.H.; Baek, K.; Hyun, J.K.; Lee, S.Y.; Shim, J.W. PEDOT: PSS: CuNW-based transparent composite electrodes for high-performance and flexible organic photovoltaics under indoor lighting. Appl. Surf. Sci. 2021, 567, 150852. [Google Scholar] [CrossRef]
- Tran, T.K.; Yahoui, H.; Siauve, N.; Nguyen-Quang, N.; Genon-Catalot, D. Construct and control a PV based independent public LED street lighting system with an efficient battery management system based on the powerline communication. In Proceedings of the IEEE Second International Conference on DC Microgrids (ICDCM), Nuremburg, Germany, 27–29 June 2017; pp. 497–501. [Google Scholar]
- Baureis, P. Compact modeling of electrical, thermal and optical LED behavior. In Proceedings of the 35th European Solid-State Device Research Conference, Grenoble, France, 12–16 September 2005; pp. 145–148. [Google Scholar]
- Wei, J.; Yi, Z.; Wang, L.; Liu, L.; Wu, H.; Wang, G.; Zhang, B. White LED light emission as a function of current and junction temperature. In Proceedings of the IEEE International Forum on Solid State Lighting, Beijing, China, 10–12 November 2013; pp. 166–169. [Google Scholar]
- Wang, Y.; Guan, Y.; Xu, D.; Wang, W. A CLCL resonant DC/DC converter for two-stage LED driver system. IEEE Trans. Ind. Electron. 2015, 63, 2883–2891. [Google Scholar] [CrossRef]
- Chen, X.; Huang, D.; Li, Q.; Lee, F.C. Multichannel LED driver with CLL resonant converter. IEEE J. Emerg. Sel. Top. Power Electron. 2015, 3, 589–598. [Google Scholar] [CrossRef]
- Poorali, B.; Adib, E. Analysis of the integrated SEPIC-flyback converter as a single-stage single-switch power-factor-correction LED driver. IEEE Trans. Ind. Electron. 2016, 63, 3562–3570. [Google Scholar] [CrossRef]
- Chen, H.; Lee, A.T.; Tan, S.C.; Hui, S.Y. Dynamic optical power measurements and modeling of light-emitting diodes based on a photodetector system and photo-electro-thermal theory. IEEE Trans. Power Electron. 2019, 34, 10058–10068. [Google Scholar] [CrossRef]
- Rodrigues, J.P.; Mussa, S.A.; Barbi, I.; Perin, A.J. Three-level zero-voltage switching pulse-width modulation DC–DC boost converter with active clamping. IET Power Electron. 2010, 3, 345–354. [Google Scholar] [CrossRef]
- Lin, B.R.; Dong, J.Y. New zero-voltage switching DC–DC converter for renewable energy conversion systems. IET Power Electron. 2012, 5, 393–400. [Google Scholar] [CrossRef]
- Zheng, Y.; Brown, B.; Xie, W.; Li, S.; Smedley, K. High step-up DC–DC converter with zero voltage switching and low input current ripple. IEEE Trans. Power Electron. 2020, 35, 9416–9429. [Google Scholar] [CrossRef]
- Liu, K.H.; Lee, F.C. Zero-voltage switching technique in DC/DC converters. In Proceedings of the 1986 17th Annual IEEE Power Electronics Specialists Conference, Vancouver, BC, Canada, 23–27 June 1986; IEEE: Piscataway, NJ, USA, 1986; pp. 58–70. [Google Scholar]
- Archibong, E.I.; Ozuomba, S.; Ekott, E. Internet of things (IoT)-based, solar powered street light system with anti-vandalisation mechanism. In Proceedings of the 2020 International Conference in Mathematics, Computer Engineering and Computer Science (ICMCECS), Ayobo, Nigeria, 18–21 March 2020; IEEE: Piscataway, NJ, USA, 2020; pp. 1–6. [Google Scholar]
- Vijay, M.D.; Shah, K.; Bhuvaneswari, G.; Singh, B. LED based street lighting with automatic intensity control using solar PV. In Proceedings of the 2015 IEEE IAS Joint Industrial and Commercial Power Systems/Petroleum and Chemical Industry Conference (ICPSPCIC), Hyderabad, India, 19–21 November 2015; IEEE: Piscataway, NJ, USA, 2015; pp. 197–202. [Google Scholar]




















| Symbols | Simulation Parameters | Symbols | Simulation Parameters |
|---|---|---|---|
| WLED | 0.14 (m) | M | 18 |
| LLED | 0.16 (m) | ke | −0.0045 |
| Wb | 0.20 (m) | khs | 200 (w/m·k) |
| Lb | 0.22 (m) | E0 | 78.5 (lm/w) |
| tb | 0.015 (m) | hfluid | 95 (w/m·k) |
| tf | 0.005 (m) | Rjc | 8 (°C/W) |
| Hf | 0.01 (m) | M | 18 |
Disclaimer/Publisher’s Note: The statements, opinions and data contained in all publications are solely those of the individual author(s) and contributor(s) and not of MDPI and/or the editor(s). MDPI and/or the editor(s) disclaim responsibility for any injury to people or property resulting from any ideas, methods, instructions or products referred to in the content. |
© 2023 by the authors. Licensee MDPI, Basel, Switzerland. This article is an open access article distributed under the terms and conditions of the Creative Commons Attribution (CC BY) license (https://creativecommons.org/licenses/by/4.0/).
Share and Cite
Danyali, S.; Shirkhani, M.; Tavoosi, J.; Razi, A.G.; Salah, M.M.; Shaker, A. Developing an Integrated Soft-Switching Bidirectional DC/DC Converter for Solar-Powered LED Street Lighting. Sustainability 2023, 15, 15022. https://doi.org/10.3390/su152015022
Danyali S, Shirkhani M, Tavoosi J, Razi AG, Salah MM, Shaker A. Developing an Integrated Soft-Switching Bidirectional DC/DC Converter for Solar-Powered LED Street Lighting. Sustainability. 2023; 15(20):15022. https://doi.org/10.3390/su152015022
Chicago/Turabian StyleDanyali, Saeed, Mohammadamin Shirkhani, Jafar Tavoosi, Ali Ghazi Razi, Mostafa M. Salah, and Ahmed Shaker. 2023. "Developing an Integrated Soft-Switching Bidirectional DC/DC Converter for Solar-Powered LED Street Lighting" Sustainability 15, no. 20: 15022. https://doi.org/10.3390/su152015022
APA StyleDanyali, S., Shirkhani, M., Tavoosi, J., Razi, A. G., Salah, M. M., & Shaker, A. (2023). Developing an Integrated Soft-Switching Bidirectional DC/DC Converter for Solar-Powered LED Street Lighting. Sustainability, 15(20), 15022. https://doi.org/10.3390/su152015022

