Multi-Objective Optimization Method of Industrial Workshop Layout from the Perspective of Low Carbon
Abstract
1. Introduction
2. Literature Review
2.1. Research on Multi-Objective Facility Layout
2.2. Research on Multi-Objective Optimization Methods
3. Mathematical Formulation
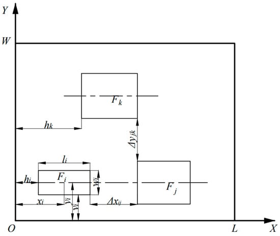
3.1. Problem Description
- (1)
- The details of the shape of each workshop are ignored, and the length and width of each workshop are known in advance.
- (2)
- The workshops are arranged from left to right and from bottom to top in parallel to the axes.
- (3)
- Workshops can be placed in different directions, either horizontally or vertically.
- (4)
- It is assumed that materials are transported from the geometric center of one workshop to the geometric center of the next workshop.
- (5)
- The number of workshops, the area of each functional area, and the freight exchange volume between workshops are known.
3.2. Multi-Objective Function
3.2.1. Minimal Logistics Cost per Unit Area
3.2.2. Minimal Carbon Emission
Carbon Emission from Road Transportation
Carbon Emissions from Belt Transportation
Carbon Emissions from Railway Transportation
3.2.3. Maximum Non-Logistics Relationship
3.3. Constraints
4. Enhanced NSGA-II Algorithm
4.1. Solution Process
- Step 1: An initial population of size is formed by combining a portion of solutions generated through SLP analysis with the factory’s original layout scheme and randomly generated individuals. Non-dominated sorting and crowding distance calculations are performed on all individuals in .
- Step 2: Applying selection, crossover, and mutation genetic operators on the parent population to generate offspring population .
- Step 3: By merging and , a new population of size is obtained. Fast non-dominated sorting is conducted on , resulting in various levels of non-dominated fronts , .
- Step 4: Within each non-dominated front , the crowding distance of each individual is computed. An improved elite preservation strategy is employed to select individuals and form the new parent population .
- Step 5: The termination condition is evaluated to determine if the evolutionary generation has reached its endpoint. If the condition is met, the loop ends; otherwise, and the process proceeds to Step 2.
- Step 6: Upon completion of the algorithm, the Pareto optimal solution set is obtained.
4.2. Encoding and Decoding
4.3. Initial Population
4.4. Genetic Operator
4.4.1. Selection, Crossover, Mutation
4.4.2. Elitist Preservation Strategy with the Introduction of Distribution Functions
4.5. Algorithm Performance Testing
5. Illustrative Examples
5.1. SLP Method to Obtain A Partial Initial Solution
5.1.1. Division of Work Units
5.1.2. Analysis of Logistics Relationships
5.1.3. Analysis of Non-Logistics Relationships
5.1.4. Comprehensive Relationship Analysis
5.2. Algorithm Solution and Result Analysis
5.2.1. Model and Constraint-Related Parameter Settings
5.2.2. Results Analysis
6. Conclusions and Policy Implications
Author Contributions
Funding
Institutional Review Board Statement
Informed Consent Statement
Data Availability Statement
Acknowledgments
Conflicts of Interest
References
- Jiang, X.; Chen, S.; Zhang, Y. Calculation Method of Total Carbon Emission and Efficiency of Logistics Enterprises. J. Transp. Syst. Eng. Inf. Technol. 2022, 22, 313–321. [Google Scholar] [CrossRef]
- Sule, D.R. Manufacturing Facilities: Location, Planning and Design, 3rd ed.; CRC Press: Boca Raton, FL, USA, 2008. [Google Scholar]
- Tompkins, J.A. Facilities Planning, 4th ed.; Wiley: Chichester, UK, 2010. [Google Scholar]
- Hosseini-Nasab, H.; Fereidouni, S.; Fatemi Ghomi, S.M.T.; Fakhrzad, M.B. Classification of facility layout problems: A review study. Int. J. Adv. Manuf. Technol. 2018, 94, 957–977. [Google Scholar] [CrossRef]
- Suo, X.; Liu, Z. Modeling and solution algorithms for facility layout of manufacturing systems. Comput. Integr. Manuf. Syst. 2007, 13, 1941–1951. [Google Scholar] [CrossRef]
- Kikolski, M.; Ko, C.-H. Facility layout design—Review of current research directions. Eng. Manag. Prod. Serv. 2018, 10, 70–79. [Google Scholar] [CrossRef]
- Pérez-Gosende, P.; Mula, J.; Díaz-Madroñero, M. Facility layout planning. An extended literature review. Int. J. Prod. Res. 2021, 59, 3777–3816. [Google Scholar] [CrossRef]
- Chen, C.-W.; Sha, D.Y. Heuristic approach for solving the multi-objective facility layout problem. Int. J. Prod. Res. 2005, 43, 4493–4507. [Google Scholar] [CrossRef]
- Aiello, G.; Enea, M.; Galante, G. A multi-objective approach to facility layout problem by genetic search algorithm and Electre method. Robot. Comput.-Integr. Manuf. 2006, 22, 447–455. [Google Scholar] [CrossRef]
- Şahin, R.; Türkbey, O. A simulated annealing algorithm to find approximate Pareto optimal solutions for the multi-objective facility layout problem. Int. J. Adv. Manuf. Technol. 2008, 41, 1003–1018. [Google Scholar] [CrossRef]
- Singh, S.P.; Singh, V.K. An improved heuristic approach for multi-objective facility layout problem. Int. J. Prod. Res. 2009, 48, 1171–1194. [Google Scholar] [CrossRef]
- Rosenblatt, M.J. The facilities layout problem: A multi-goal approach. Int. J. Prod. Res. 1979, 17, 323–332. [Google Scholar] [CrossRef]
- Matai, R. Solving multi objective facility layout problem by modified simulated annealing. Appl. Math. Comput. 2015, 261, 302–311. [Google Scholar] [CrossRef]
- Pourhassan, M.R.; Raissi, S. An integrated simulation-based optimization technique for multi-objective dynamic facility layout problem. J. Ind. Inf. Integr. 2017, 8, 49–58. [Google Scholar] [CrossRef]
- Wang, Y.; Qian, Q.; Cao, H.; Jin, S. Improvement and optimization of hybrid workshop layouts based on dynamic differential cellular multi-objective genetic algorithm. China Mech. Eng. 2018, 29, 1751–1757. [Google Scholar]
- Liu, J.; Zhang, H.; He, K.; Jiang, S. Multi-objective particle swarm optimization algorithm based on objective space division for the unequal-area facility layout problem. Expert Syst. Appl. 2018, 102, 179–192. [Google Scholar] [CrossRef]
- Chen, Y.; Cheng, Z.; Jiang, C.; Wang, Y.; Wang, C.; Li, S. Robust Optimization Model and Algorithm for Polymorphic Shop Layouts Considering Layout Entropy. China Mech. Eng. 2019, 30, 1837–1848. [Google Scholar] [CrossRef]
- Jia, J.; Wei, X.; Yang, D.; Song, Z.; Yan, Z. Optimization of workshop layout based on SLP/GA integrated model from the perspective of human factors. Modul. Mach. Tool Autom. Manuf. Tech. 2021, 2, 161–168. [Google Scholar] [CrossRef]
- Drira, A.; Pierreval, H.; Hajri-Gabouj, S. Facility layout problems: A survey. Annu. Rev. Control 2007, 31, 255–267. [Google Scholar] [CrossRef]
- Zhang, Z.; Wu, L.; Wu, Z.; Zhang, W.; Jia, S.; Peng, T. Energy-Saving Oriented Manufacturing Workshop Facility Layout: A Solution Approach Using Multi-Objective Particle Swarm Optimization. Sustainability 2022, 14, 2788. [Google Scholar] [CrossRef]
- Liu, Q.; Zhao, H. Integrated Optimization of Workshop Layout and Scheduling to Reduce Carbon Emissions Based on a Multi-objective Fruit Fly Optimization Algorithm. J. Mech. Eng. 2017, 53, 122–133. [Google Scholar] [CrossRef]
- Ren, Q.; Ku, Y.; Wang, Y.; Wu, P. Research on design and optimization of green warehouse system based on case analysis. J. Clean. Prod. 2023, 388, 135998. [Google Scholar] [CrossRef]
- Li, Q.; Guo, X.; Yang, J. Layout optimization of environmental-friendly asphalt pavement recycling plant. Hebei J. Ind. Sci. Technol. 2022, 39, 159–169. [Google Scholar] [CrossRef]
- Geng, Q.; Jia, Y.; Wu, J.; Sun, D. Research on layout optimization of logistics parks considering impact of carbon emissions. J. Beijing Jiaotong Univ. 2023, 47, 115–125. [Google Scholar]
- Mao, J.; Cheng, J.; Li, X.; Zhao, H.; Yu, D. Simulation of Low Carbon Layout Optimization of Disassembly Line Based on SLP Method. Sustainability 2023, 15, 5241. [Google Scholar] [CrossRef]
- Grobelny, J.; Michalski, R. A novel version of simulated annealing based on linguistic patterns for solving facility layout problems. Knowl.-Based Syst. 2017, 124, 55–69. [Google Scholar] [CrossRef]
- Zheng, X. Research on Layout Optimization of Workshop Facilities. Ph.D. Thesis, Dalian University of Technology, Dalian, China, 2010. [Google Scholar]
- Muther, R. Systematic Layout Planning, 2nd ed.; CBI Publishing Co., Inc.: Boston, MA, USA, 1973. [Google Scholar]
- Ye, M.; Zhou, G. A local genetic approach to multi-objective, facility layout problems with fixed aisles. Int. J. Prod. Res. 2007, 45, 5243–5264. [Google Scholar] [CrossRef]
- Wang, H.; Yang, Z.; Chen, M. Plane layout optimization of precast component factory based on artificial bee colony algorithm. Syst. Eng. 2021, 39, 143–151. [Google Scholar]
- Jiang, F.; Li, L.; Tang, Y.; Zhang, H.; Liu, X. A Facility Layout Algorithm for Logistics Scenarios Driven by Transport Lines. Appl. Sci. 2023, 13, 7215. [Google Scholar] [CrossRef]
- Zhang, Y.; Lu, C.; Zhang, H.; Fang, Z. Workshop layout optimization based on differential cellular multi-objective genetic algorithm. Comput. Integr. Manuf. Syst. 2013, 19, 727–734. [Google Scholar] [CrossRef]
- Deb, K.; Pratap, A.; Agarwal, S.; Meyarivan, T. A fast and elitist multiobjective genetic algorithm: NSGA-II. IEEE T. Evolut. Comput. 2002, 6, 182–197. [Google Scholar] [CrossRef]
- Zhang, H.; Sun, F. Integrated optimization of robust layout and input/output points in multi-line workshop. J. Mach. Des. 2022, 39, 62–71. [Google Scholar] [CrossRef]
- Verma, S.; Pant, M.; Snasel, V. A Comprehensive Review on NSGA-II for Multi-Objective Combinatorial Optimization Problems. IEEE Access 2021, 9, 57757–57791. [Google Scholar] [CrossRef]
- Huang, J.; Li, A.; Lei, M. NSGA-II-enabled multi-objective dynamic facility layout method. Chin. J. Constr. Mach. 2014, 12, 1–6. [Google Scholar] [CrossRef]
- Guo, W.; Jiang, P.; Yang, M. Unequal area facility layout problem-solving: A real case study on an air-conditioner production shop floor. Int. J. Prod. Res. 2022, 61, 1479–1496. [Google Scholar] [CrossRef]
- Xie, S.; Wang, L.; Shao, Z. Review on carbon emissions researches at home and abroad. Arid Land Geogr. 2014, 37, 720–730. [Google Scholar] [CrossRef]
- Xiao, Y.; Zhao, Q.; Kaku, I.; Xu, Y. Development of a fuel consumption optimization model for the capacitated vehicle routing problem. Comput. Oper. Res. 2012, 39, 1419–1431. [Google Scholar] [CrossRef]
- Wang, L.; Ren, Y.; Qiu, Q.; Qiu, F. Survey on performance indicators for multi-objective evolutionary algorithms. Chin. J. Comput. 2021, 44, 1590–1619. [Google Scholar] [CrossRef]
- Zitzler, E.; Thiele, L. Multiobjective evolutionary algorithms: A comparative case study and the strength Pareto approach. IIEEE Trans. Evol. Comput. 1999, 3, 257–271. [Google Scholar] [CrossRef]














| Parameter | Meaning |
|---|---|
| the ith workshop | |
| length of ith workshop | |
| width of ith workshop | |
| total length of the plant | |
| total width of the plant |
| Decision Variable | Meaning | Domain |
|---|---|---|
| the horizontal distance between the centroid of workshop i and the Y-axis | ||
| the vertical distance between the centroid of workshop i and the X-axis | ||
| the length of the ith workshop from the plant boundary | ||
| the width of the ith workshop from the plant boundary | ||
| the minimum horizontal distance required to be maintained between adjacent workshops i and j | ||
| the minimum vertical distance required to be maintained between adjacent workshops j and k |
| Relationship | Letter | |
|---|---|---|
| Absolutely necessary | A | 5 |
| Especially important | E | 4 |
| Important | I | 3 |
| Ordinary | O | 2 |
| Unimportant | U | 1 |
| Undesirable | X | 0 |
| Dij | bij |
|---|---|
| 1 | |
| 0.8 | |
| 0.6 | |
| 0.4 | |
| 0.2 | |
| 0 |
| Problem | Standard NSGA-II | Enhanced NSGA-II | ||
|---|---|---|---|---|
| Mean | Standard Deviation | Mean | Standard Deviation | |
| ZDT1 | 0.5878 | 0.2435 | 0.7453 | 4.2285 × 10−4 |
| ZDT2 | 0.6684 | 0.2441 | 0.8610 | 1.4385 × 10−4 |
| ZDT3 | 0.8961 | 0.0704 | 0.9219 | 2.3402 × 10−4 |
| ZDT4 | 0.3521 | 0.1112 | 0.9298 | 9.0124 × 10−5 |
| ZDT6 | 0.4382 | 0.3440 | 0.7902 | 1.7750 × 10−4 |
| DTLZ1 | 0.9986 | 0.0037 | 0.9996 | 2.4614 × 10−5 |
| DTLZ2 | 0.9994 | 4.7660 × 10−4 | 0.9995 | 8.4842 × 10−6 |
| Number | Workshop Name | Area (m2) | Number | Workshop Name | Area (m2) | ||
|---|---|---|---|---|---|---|---|
| 1 | Auxiliary feedstock shed | 3362 | 7 | Master production area | 19,890 | ||
| 2 | Auxiliary feedstock prehomogenization yard | 6837 | 8 | Clinker storage | 4096 | ||
| 3 | Raw coal pile shed | 3600 | 9 | Cement grinding system | 8056 | ||
| 4 | Coal prehomogenization yard | 8064 | 10 | Cement packing | 5605 | ||
| 5 | Gypsum mixture shed | 3840 | 11 | Auxiliary production facility area | 2116 | ||
| 6 | Raw material ingredients | 1508 | 12 | Pre-plant area | 6160 |
| Number | Workshop Operation Unit on | Cargo Flow (million t/a) | Relationship Level | Number | Workshop Operation Unit on | Cargo Flow (million t/a) | Relationship Level |
|---|---|---|---|---|---|---|---|
| 1 | 1–2 | 74.25 | O | 6 | 6–7 | 257.4 | E |
| 2 | 2–6 | 148.5 | I | 7 | 7–8 | 89.1 | O |
| 3 | 3–4 | 148.5 | I | 8 | 8–9 | 396 | A |
| 4 | 4–7 | 54.45 | O | 9 | 9–10 | 148.5 | I |
| 5 | 5–9 | 148.5 | I |
| Number | Reason |
|---|---|
| 1 | continuity of the technological process |
| 2 | convenience of material handling |
| 3 | ease of personnel communication and management |
| 4 | similarity of job nature |
| 5 | environmental hygiene requirements (such as dust and exhaust) |
| 6 | safety protection requirements (fire prevention, noise prevention, vibration prevention, etc.) |
| 7 | power supply requirements |
| 8 | material inspection and quality requirements |
| Number | Chromosomes | |||
|---|---|---|---|---|
| 1 | 105 | |||
| 2 | 103.4 | |||
| 3 | 100.6 | |||
| 4 | 101.5 |
| Optimization Methods | (yuan/m2) | |||
|---|---|---|---|---|
| Original layout plan | 101 | |||
| Standard NSGA-II algorithm | 102.5 | |||
| Enhanced NSGA-II algorithm | 105 | |||
| Optimization effect/% | Standard NSGA-II algorithm-Original layout plan | 16 | 19 | 1.5 |
| Enhanced NSGA-II algorithm-Original layout plan | 30 | 42 | 4 | |
Disclaimer/Publisher’s Note: The statements, opinions and data contained in all publications are solely those of the individual author(s) and contributor(s) and not of MDPI and/or the editor(s). MDPI and/or the editor(s) disclaim responsibility for any injury to people or property resulting from any ideas, methods, instructions or products referred to in the content. |
© 2023 by the authors. Licensee MDPI, Basel, Switzerland. This article is an open access article distributed under the terms and conditions of the Creative Commons Attribution (CC BY) license (https://creativecommons.org/licenses/by/4.0/).
Share and Cite
Li, R.; Chen, Y.; Song, J.; Li, M.; Yu, Y. Multi-Objective Optimization Method of Industrial Workshop Layout from the Perspective of Low Carbon. Sustainability 2023, 15, 12275. https://doi.org/10.3390/su151612275
Li R, Chen Y, Song J, Li M, Yu Y. Multi-Objective Optimization Method of Industrial Workshop Layout from the Perspective of Low Carbon. Sustainability. 2023; 15(16):12275. https://doi.org/10.3390/su151612275
Chicago/Turabian StyleLi, Rui, Yali Chen, Jinzhao Song, Ming Li, and Yu Yu. 2023. "Multi-Objective Optimization Method of Industrial Workshop Layout from the Perspective of Low Carbon" Sustainability 15, no. 16: 12275. https://doi.org/10.3390/su151612275
APA StyleLi, R., Chen, Y., Song, J., Li, M., & Yu, Y. (2023). Multi-Objective Optimization Method of Industrial Workshop Layout from the Perspective of Low Carbon. Sustainability, 15(16), 12275. https://doi.org/10.3390/su151612275

