A Fully Decentralized Optimal Dispatch Scheme for an AC–DC Hybrid Distribution Network Formed by Flexible Interconnected Distribution Station Areas
Abstract
1. Introduction
1.1. Background
1.2. State of the Art
- (1)
- A fully decentralized dispatch scheme suitable for flexible interconnected DSAs is proposed, which significantly reduces the communication and computation burden while achieving the same objectives as centralized dispatch.
- (2)
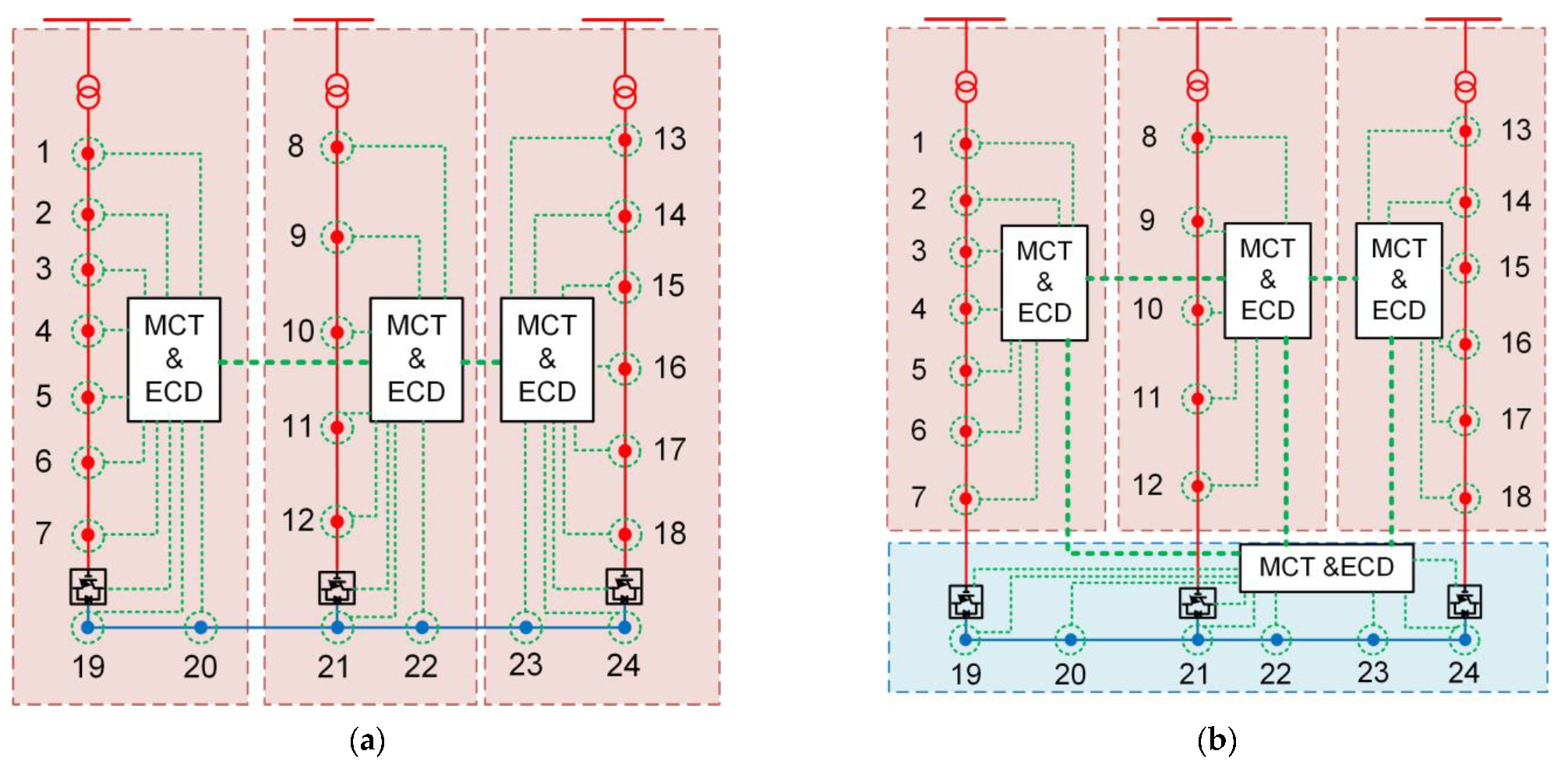
- Two network partitioning methods are proposed corresponding to the two communication architectures for implementing the decentralized dispatch. One architecture cannot achieve the optimal control mode selection of the converter station, which can further reduce the voltage deviation on the DC side, but it does not require the additional deployment of MCTs and ECDs on the DC side. The other architecture incorporates the control modes of the converter stations into the control model, allowing for optimal voltage profiles on the DC side. However, this architecture requires the installation of an additional MCT and ECD on the DC side, resulting in increased investment. The choice of the appropriate decentralized communication architecture can be made based on the specific requirements in practical engineering applications.
2. Original Centralized Dispatch Scheme
2.1. Centralized Dispatch Model
2.1.1. Objective Function
2.1.2. Constraints
- (1)
- AC power flow constraints are as follows [29]:
- (2)
- DC power flow constraints are as follows [30]:
- (3)
- Suppose the converter station is connected to node n on the AC side and node k on the DC side; the constraints of the converter station are as follows [23]:
- (4)
- The constraints of ESS are as follows [31]:
- (5)
- Constraints of PV are as follows [31]:
- (6)
- Constraints of the transformer are as follows [9]:
2.2. Centralized Communication Architecture
3. Decentralized Dispatch Scheme
3.1. Transforming Centralized Dispatch Model into Decentralized Dispatch Model
3.2. Solution of the Decentralized Dispatch Model Based on ADMM
3.3. Decentralized Communication Architecture
- (1)
- Architecture 1 has more efficient communication and lower investment costs. However, it cannot achieve the optimal selection of control modes for the converter stations. The voltage profile on the DC side can only reach suboptimal levels. This architecture is suitable for scenarios where the DC network is simple and there is tolerance for voltage deviations.
- (2)
- Architecture 2 allows for the optimal selection of control modes for the converter stations during decentralized dispatch implementation. It enables the optimal voltage profile on the DC side and can further reduce voltage deviations compared to Architecture 1. However, it requires an additional MCT and ECD, resulting in increased investment, and communication becomes relatively more complex. This architecture is suitable for scenarios with a more complex DC network and stricter voltage deviation requirements.
4. Case Study
4.1. Case Setting
- (1)
- Scenario 1: The centralized optimal dispatch scheme is adopted. Based on the centralized communication architecture shown in Figure 1, the centralized optimal dispatch model described in Section 2 is solved to achieve the optimal operation state. The constraint incorporating the control modes of the converter stations is taken into consideration. Theoretically speaking, the dispatch results of Scenario 1 are optimal.
- (2)
- Scenario 2: The decentralized dispatch scheme corresponding to Architecture 1 is adopted, and the decentralized communication architecture is shown in Figure 5a. As mentioned earlier, due to the inability of ADMM to handle coupling constraints containing binary variables, the decentralized optimal dispatch model based on the network partitioning method used in Scenario 2 cannot achieve the optimal selection of the control modes for the converter stations. Instead, the control modes for each converter station are predefined before model solving. In this case study, VSC1 and VSC3 are defined to adopt the P-Q control mode, while VSC2 adopts the Udc-Q control mode.
- (3)
- Scenario 3: The decentralized dispatch scheme corresponding to Architecture 2 is adopted, and the decentralized communication architecture is shown in Figure 5b. The network partitioning method used in Scenario 3 avoids treating the constraint (23) containing binary variables as a coupling constraint between areas. Therefore, the decentralized optimal dispatch model in Scenario 3 can incorporate constraint (23). Theoretically speaking, the decentralized optimal dispatch results of Scenario 3 should be the same as the centralized optimal dispatch results of Scenario 1.
4.2. Results and Discussion
4.2.1. Optimization Results of Objectives
4.2.2. The Effectiveness of Load Rate Balancing in Three Scenarios
- (1)
- Scenario 1: the centralized optimal dispatch scheme achieves excellent load balancing results.
- (2)
- Scenario 2: due to the exclusion of the converter station control model, resulting in a reduced feasible domain of the optimization model, the load balancing effectiveness is slightly compromised compared to Scenario 1 at some time points, such as t = 16 and 20.
- (3)
- Scenario 3: By employing the partitioning approach in this scenario, the exclusion of constraint (23) is avoided, resulting in the full equivalence of the decentralized optimization model and the centralized optimization model. As a result, the effectiveness of load rate balancing is nearly identical to that of Scenario 1.
4.2.3. Voltage Profile Comparison among the Three Scenarios
4.2.4. Comprehensive Comparison of the Two Communication Architectures
5. Conclusions
Author Contributions
Funding
Institutional Review Board Statement
Informed Consent Statement
Data Availability Statement
Conflicts of Interest
Appendix A
| Parameter | Value |
|---|---|
| Rated voltage on the AC side | 380 V |
| Rated voltage on the DC side | ±375 V |
| Capacity of the transformer in DSA 1 | 400 kV·A |
| Capacity of the transformer in DSA 2 | 200 kV·A |
| Capacity of the transformer in DSA 3 | 315 kV·A |
| Capacity of the ESS at node 21 | 250 kW·h |
| Maximum charging/discharging power of the ESS | 20 kW |
| Charging/discharging efficiency of the ESS | 0.97 |
| Capacity of the VSCs at node 7, 12, and 18 | 150 kV·A |
| Capacity of the PV at node 3 | 10 kV·A |
| Capacity of the PV at node 6 | 15 kV·A |
| Capacity of the PV at node 17 | 100 kV·A |
| Capacity of the PV at node 21 and 23 | 30 kV·A |
| Unit penalty price of PV output curtailment | 2.5 CNY/(kW·h) |





References
- Liu, W.; Lü, Z.; Liu, H. An overview of morphological development and operation control technology of power electronics dominated distribution area. Proc. CSEE 2023, in press. [Google Scholar]
- Lin, J.; Wan, C.; Song, Y.H.; Huang, R.L.; Chen, X.S.; Guo, W.F.; Zong, Y.; Shi, Y. Situation awareness of active distribution network: Roadmap, technologies, and bottlenecks. CSEE J. Power Energy Syst. 2016, 2, 35–42. [Google Scholar] [CrossRef]
- Xu, W.T.; Zeng, S.M.; Du, X.D.; Zhao, J.L.; He, Y.L.; Wu, X.W. Reliability of active distribution network considering uncertainty of distribution generation and load. Electronics 2023, 12, 1363. [Google Scholar] [CrossRef]
- Wang, J.X.; Qin, J.J.; Zhong, H.W.; Rajagopal, R.; Xia, Q.; Kang, C.Q. Reliability value of distributed solar plus storage systems amidst rare weather events. IEEE Trans. Smart Grid 2019, 10, 4476–4486. [Google Scholar] [CrossRef]
- Walling, R.A.; Saint, R.; Dugan, R.C.; Burke, J.; Kojovic, L.A. Summary of distributed resources impact on power delivery systems. IEEE Trans. Power Deliv. 2008, 23, 1636–1644. [Google Scholar] [CrossRef]
- O’Shaughnessy, E.; Cruce, J.R.; Xu, K.F. Too much of a good thing? Global trends in the curtailment of solar PV. Sol. Energy 2020, 208, 1068–1077. [Google Scholar] [CrossRef] [PubMed]
- Xu, Y.; Liu, H.; Xiong, X.; Ji, Y.; Shao, Y.; Zhang, H.; Sun, L.; Wu, M. Key technologies and development modes of flexible interconnection of low-voltage distribution station area. Proc. CSEE 2022, 42, 3986–4001. [Google Scholar]
- Liu, H.; Dong, X.; Xiong, X.; Xu, Y. Energy interconnection and energy microcirculation system of terminal power grid based on low-voltage flexible DC. Autom. Electr. Power Syst. 2023, 47, 40–47. [Google Scholar]
- Xie, M.; Zhang, S.; Li, Y.; Huang, Y.; Liu, M. An optimal dispatch model for AC/DC low-voltage distribution network based on multi-mode flexible interconnection. Autom. Electr. Power Syst. 2023, 47, 79–89. [Google Scholar]
- Cao, W.; Wu, J.; Jenkins, N.; Wang, C.; Green, T. Benefits analysis of soft open points for electrical distribution network operation. Appl. Energy 2016, 165, 36–47. [Google Scholar] [CrossRef]
- Dastgeer, F.; Gelani, H.E.; Anees, H.M.; Paracha, Z.J.; Kalam, A. Analyses of efficiency/energy-savings of DC power distribution systems/microgrids: Past, present and future. Int. J. Electr. Power Energy Syst. 2019, 104, 89–100. [Google Scholar] [CrossRef]
- Flexible Urban Networks: Low Voltage Project Progress Report; UK Power Networks: London, UK, 2016.
- Huang, Z. Research on Operation and Control of Zhuhai Three Terminal Flexible DC Distribution Network. Master’s Thesis, South China University of Technology, Guangzhou, China, 2021. [Google Scholar]
- Cao, W. Soft Open Points for the Operation of Medium Voltage Distribution Networks. Ph. D. Thesis, Cardiff University, Wales, UK, 2015. [Google Scholar]
- Zhang, T.; Mu, Y.F.; Jia, H.J.; Wang, X.Y.; Pu, T.J. Successive MISOCP algorithm for islanded distribution networks with soft open points. CSEE J. Power Energy Syst. 2023, 9, 209–220. [Google Scholar]
- Rezaeian-Marjani, S.; Galvani, S.; Talavat, V. A generalized probabilistic multi-objective method for optimal allocation of soft open point (SOP) in distribution networks. IET Renew. Power Gener. 2022, 16, 1046–1072. [Google Scholar] [CrossRef]
- Wang, J.; Wang, W.Q.; Yuan, Z. Operation optimization adapting to active distribution networks under three-phase unbalanced conditions: Parametric linear relaxation programming. IEEE Syst. J. 2023, in press. [Google Scholar] [CrossRef]
- Sarantakos, I.; Peker, M.; Zografou-Barredo, N.M.; Deakin, M.; Patsios, C.; Sayfutdinov, T.; Taylor, P.C.; Greenwood, D. A Robust mixed-integer convex model for optimal scheduling of integrated energy storage-soft open point devices. IEEE Trans. Smart Grid 2022, 13, 4072–4087. [Google Scholar] [CrossRef]
- Ji, H.R.; Wang, C.S.; Li, P.; Zhao, J.L.; Song, G.Y.; Ding, F.; Wu, J.Z. An enhanced SOCP-based method for feeder load balancing using the multi-terminal soft open point in active distribution networks. Appl. Energy 2017, 208, 986–995. [Google Scholar] [CrossRef]
- Wang, X.; Chen, R.; Ge, J.; Cao, T.; Wang, F.; Mo, X. Application of AC/DC distribution network technology based on flexible substation in regional energy internet. In Proceedings of the 2019 IEEE Innovative Smart Grid Technologies-Asia (ISGT Asia), Chengdu, China, 21–24 May 2019; pp. 4340–4345. [Google Scholar]
- Alhasnawi, B.N.; Jasim, B.H.; Mansoor, R.; Alhasnawi, A.N.; Rahman, Z.A.S.A.; Haes Alhelou, H.; Guerrero, J.M.; Dakhil, A.M.; Siano, P. A new internet of things based optimization scheme of residential demand side management system. IET Renew. Power Gener. 2022, 16, 1992–2006. [Google Scholar] [CrossRef]
- Corinaldesi, C.; Fleischhacker, A.; Lang, L.; Radl, J.; Schwabeneder, D.; Lettner, G. European case studies for impact of market-driven flexibility management in distribution systems. In Proceedings of the 2019 IEEE International Conference on Communications, Control, and Computing Technologies for Smart Grids (SmartGridComm), Beijing, China, 21–23 October 2019; pp. 1–6. [Google Scholar]
- Tang, X.; Qin, L.; Yang, Z.C.; He, X.L.; Min, H.D.; Zhou, S.H.; Liu, K.P. Optimal Scheduling of AC–DC hybrid distribution network considering the control mode of a converter station. Sustainability 2023, 15, 8715. [Google Scholar] [CrossRef]
- Yang, L.; Sun, Q.; Zhang, N.; Li, Y. Indirect multi-energy transactions of energy internet with deep reinforcement learning approach. IEEE Trans. Power Syst. 2022, 37, 4067–4077. [Google Scholar] [CrossRef]
- Liu, H.; Wu, W. Federated reinforcement learning for decentralized voltage control in distribution networks. IEEE Trans. Smart Grid 2022, 13, 3840–3843. [Google Scholar] [CrossRef]
- Kou, P.; Liang, D.; Gao, R.; Liu, Y.; Gao, L. Decentralized model predictive control of hybrid distribution transformers for voltage regulation in active distribution networks. IEEE Trans. Sustain. Energy 2020, 11, 2189–2200. [Google Scholar] [CrossRef]
- Dong, L.; Zhang, T.; Pu, T.; Chen, N.; Sun, Y. A decentralized optimal operation of AC/DC hybrid microgrids equipped with power electronic transformer. IEEE Access 2019, 7, 157946–157959. [Google Scholar] [CrossRef]
- Erseghe, T. Distributed optimal power flow using ADMM. IEEE Trans. Power Syst. 2014, 29, 2370–2380. [Google Scholar] [CrossRef]
- Dorostkar-Ghamsari, M.R.; Fotuhi-Firuzabad, M.; Lehtonen, M.; Safdarian, A. Value of distribution network reconfiguration in presence of renewable energy resources. IEEE Trans. Power Syst. 2016, 31, 1879–1888. [Google Scholar] [CrossRef]
- Su, Y.; Teh, J. Two-stage optimal dispatching of AC/DC hybrid active distribution systems considering network flexibility. J. Mod. Power Syst. Clean Energy 2023, 11, 52–65. [Google Scholar] [CrossRef]
- Li, Z.W.; Xie, X.L.; Cheng, Z.P.; Zhi, C.Y.; Si, J.K. A novel two-stage energy management of hybrid AC/DC microgrid considering frequency security constraints. Int. J. Electr. Power Energy Syst. 2023, 146, 12. [Google Scholar] [CrossRef]
- Boyd, S.; Parikh, N.; Chu, E.; Peleato, B.; Eckstein, J. Distributed optimization and statistical learning via the alternating direction method of multipliers. Found. Trends Mach. Learn. 2011, 3, 1–122. [Google Scholar] [CrossRef]








| Ref. No. | Dispatch Scheme | Objective |
|---|---|---|
| [15,16,18] | Centralized | Optimal power flow |
| [17] | Centralized | Address three-phase imbalance |
| [9,19,23] | Centralized | Address load rate imbalance |
| [24] | Decentralized | Indirect multi-energy trading |
| [25,26] | Decentralized | Voltage regulation |
| [27] | Decentralized | Optimal power flow |
| Objective | Scenario 1 | Scenario 2 | Scenario 3 |
|---|---|---|---|
| f1 | 1.1765 | 1.5240 | 1.1328 |
| f2 | 23.4260 | 23.7718 | 23.3947 |
| f3 | 5775.9479 | 5799.2635 | 5780.4375 |
| F | 0.6041 | 0.6128 | 0.6038 |
Disclaimer/Publisher’s Note: The statements, opinions and data contained in all publications are solely those of the individual author(s) and contributor(s) and not of MDPI and/or the editor(s). MDPI and/or the editor(s) disclaim responsibility for any injury to people or property resulting from any ideas, methods, instructions or products referred to in the content. |
© 2023 by the authors. Licensee MDPI, Basel, Switzerland. This article is an open access article distributed under the terms and conditions of the Creative Commons Attribution (CC BY) license (https://creativecommons.org/licenses/by/4.0/).
Share and Cite
Tang, X.; Zheng, J.; Yang, Z.; He, X.; Min, H.; Zhou, S.; Liu, K.; Qin, L. A Fully Decentralized Optimal Dispatch Scheme for an AC–DC Hybrid Distribution Network Formed by Flexible Interconnected Distribution Station Areas. Sustainability 2023, 15, 11338. https://doi.org/10.3390/su151411338
Tang X, Zheng J, Yang Z, He X, Min H, Zhou S, Liu K, Qin L. A Fully Decentralized Optimal Dispatch Scheme for an AC–DC Hybrid Distribution Network Formed by Flexible Interconnected Distribution Station Areas. Sustainability. 2023; 15(14):11338. https://doi.org/10.3390/su151411338
Chicago/Turabian StyleTang, Xu, Jingwen Zheng, Zhichun Yang, Xiangling He, Huaidong Min, Sihan Zhou, Kaipei Liu, and Liang Qin. 2023. "A Fully Decentralized Optimal Dispatch Scheme for an AC–DC Hybrid Distribution Network Formed by Flexible Interconnected Distribution Station Areas" Sustainability 15, no. 14: 11338. https://doi.org/10.3390/su151411338
APA StyleTang, X., Zheng, J., Yang, Z., He, X., Min, H., Zhou, S., Liu, K., & Qin, L. (2023). A Fully Decentralized Optimal Dispatch Scheme for an AC–DC Hybrid Distribution Network Formed by Flexible Interconnected Distribution Station Areas. Sustainability, 15(14), 11338. https://doi.org/10.3390/su151411338

