Abstract
The purpose of this research is to present a thorough evaluation of energy management systems that consist of hybrid energy storage systems and their control algorithms, which may be used in electric vehicles. This paper outlines the characteristics of electric vehicles, research methods, an analysis of the hybrid energy storage system architecture, the converter topology, and energy management techniques. The strength and co-occurrence of keywords over the past ten years are shown in this study using a systematic research framework for performing a literature review and using keyword analysis techniques. This study reveals a pattern of recently and frequently used terms in works of literature. Consequently, their suitability, benefits, and drawbacks are assessed. In this study, the hybrid energy storage system and converter circuit architecture are evaluated and rated. A non-isolated DC-DC converter connected to an SC is a suitable configuration for the hybrid converter because it is simple to build, is reliable, and has minimal loss/weight/cost, which all improve vehicle performance. In terms of the application of control strategies, it is shown that deterministic and fuzzy-rule-based control techniques are successfully assessed using real-scale vehicle experiments and can be selected for manufacturing. On the other hand, real-time optimization-based energy management techniques have been effectively shown in lab-scale tests and may be used in a future real-scale vehicle.
1. Introduction
The electric vehicle (EV) is distinguished by two characteristics. The first distinguishing characteristic is its portable energy source or energy storage, which is created by electrochemical, electrostatic, and electromechanical mechanisms, such as a battery/fuel cell/solar cell, an SC, and a flywheel. An EV’s second distinguishing characteristic is its electric motor, which generates tractive effort for propulsion [1]. A fuel cell (FC) cannot, in general, receive regenerative power when braking. Furthermore, an excessive power demand generates a substantial voltage drop and air starvation in an FC [2]. As a result, an FC is intended to provide unidirectional power flow to a modest and steady load. In most cases, the battery is employed as a basic source to provide and save regenerative braking with a suitable dynamic response. However, its lifetime can be significantly reduced by supplying and absorbing high current in acceleration and deceleration, respectively. These factors cause a high internal battery resistance and thus reduce the mileage and performance of the vehicle.
For supplying and absorbing high repetitive peak power from the propulsion load, an energy storage device such as a supercapacitor (SC) should be employed because of its fast response mechanism for storing the energy. The working principle of an SC is based on electric charge movement, which is highly reversible, permitting it to be charged and discharged easily and efficiently millions of times [3]. Another energy storage device for a high repetitive propulsion load is a flywheel; in this case, the energy storage can supply or receive pulse power by electromechanical means. However, the spinning flywheel is like an explosive device that is inherently dangerous [4]. From this point of view, an SC is an applicable solution to buffer the high repetitive load of EV propulsion. Therefore, the combination of a battery and an SC is one of the best promising solutions for a hybrid energy storage system (HESS) that provides good performance in terms of energy and power supply [5].
To manage the HESS, an energy management strategy (EMS) that is consistent with its topology must be developed. According to ISO 50001, the goal of an energy management system is to build an efficient system and take the required actions to improve energy performance [6]. The primary focus of this study is on the energy management system for a battery hybrid electric vehicle (BHEV) employing an SC: the first is the HESS configuration scheme, and the second is the energy management strategy for the energy storage. These factors motivated us to investigate over the last decades what is the most effective option for an HESS employed in BHEV applications.
This research looks at energy management systems for electric vehicle applications that use battery/supercapacitor hybrid energy storage technology. The research approach, as described in Section 2, is presented to provide a defined work phase and defined processes. In Section 3, we look at several battery/supercapacitor combinations and evaluate their characteristics for application recommendations. Section 4 proposes and explains a converter design for merging an SC and batteries in an electric vehicle. Section 5 investigates and tabulates rule-based and optimization-based energy management control systems to establish their applicability in real electric vehicles. The research discussion of major results and conclusions is drawn in the last sections.
2. Research Methodology
The research framework for this study is depicted in Figure 1. We classified the most recent work with specified keywords in the subscription and open access online databases of IEEExplore, SCOPUS, and ScienceDirect based on the keywords “energy management”, “battery/supercapacitor”, and “electric vehicle applications.” The linked literature of 71 papers was carefully picked and analyzed between 2006 and 2023. The selected terms were then entered into a reference management system, which produced a research information system file format for keyword analysis. The VOSviewer program was used to create networks of scientific keywords connected by a co-occurrence link, which is a connection between two terms. The size of the word determined the magnitude and strength of the co-occurrence, as seen in Figure 2 that depicts the prospects and trends.
Figure 1.
The research approach used in this study.
Figure 2.
Keyword intensity in our field of interest during the past decade.
The minimum number of occurrences of a keyword was set to one in the parameters used to create the map shown in Figure 2. Thus, the largest total link strength of 211 relevant keywords was established throughout the previous decade. The most current and often occurring keywords between two terms are “electric vehicle(s)”, which has the highest co-occurrence and link strength score, followed by “hybrid energy storage system”, “battery”, and “energy management”. The findings show that the hybrid energy storage system is a hot topic for many researchers, yet it was overlooked in our study: consider terms such as “design optimization”, “microgrid”, “sizing”, “dynamic programming”, and “battery/ultracapacitor”, to mention a few. These exciting themes may have a high co-occurrence for future study due to the advancement of computer technology and electricity generating. “Power control”, “DC-DC power converter”, and “fuzzy logic control”, among others, are of interest for phrases appearing in the middle of the considered period and with medium co-occurrence. Some traditional control algorithms and converters were still being studied by researchers for HESS use in EVs. As a result, we can effortlessly link the trend of these influencing keywords with our study topic. However, because we are concentrating on the most important technologies for electric vehicle applications in our work, the hybrid energy storage system and energy management are limiting considerations.
3. Battery and Supercapacitor in Hybrid Energy Storage System
The combination between the battery and SC produces an excellence energy storage system for improving EV performance in terms of battery stress reductions and the utilization of regenerative braking energy [7,8]. There are several possible configurations of hybridization between the battery and SC, as presented in [9,10]. Figure 3a shows the direct parallel connection of the two energy sources supplying the propulsion unit. This configuration permits SC voltage, , to vary according to the battery voltage, ; the power flow is proportionally shared depending on their internal resistances. This configuration is easy to implement, but the utilization of an SC is low in the stiff DC bus studied [11]. Figure 3b shows the direct parallel connection of two energy sources to a bi-directional DC-TO-DC converter supplying the propulsion unit. This configuration maintains the DC bus voltage, , and the inverter efficiency. However, the SC stored energy is inefficiently discharged because of its small operating voltage range due to the small variation in the state of charge (SOC) of the battery. In addition, this scheme uses a full-size converter to manage all of the power [9,12]. The reliability of this HESS mainly depends on the converter. To control the power flow of the SC, a converter is used to connect it to the DC bus, as shown in Figure 3c [11,13,14,15,16,17]. This scheme improves the battery performance in terms of reducing the battery peak power, the DC bus voltage variation, and the battery energy consumption with the help of the SC [18,19]. However, it requires a medium-sized converter for managing the power flow of the SC. To avoid the large size of the SC’s converter, Guidi et al. [20,21,22] introduced the configuration shown in Figure 3d. This configuration separates the SC into two banks, SC_0 and SC_1, but controls only one of them. Thus, the converter capacity and losses are lower than the previous configuration, since the active components of the converter are half-size and the inductor is one-third smaller. However, the total voltage of both SC banks is higher than the DC bus by two times; hence, this requires dynamic balancing circuitries for managing the SC voltage, which are expensive and complex. In terms of reliability, the configurations in Figure 3c,d provide higher reliability than the configuration in Figure 3b, whereby if the converter of the SC fails, the vehicle still can be operated. This is due to the fact that the major energy source, the battery, is directly linked to the motor’s inverter and does not rely on any DC-DC converter.
Figure 3.
Configurations of battery/SC in HESS for EV applications; (a) direct parallel connection, (b) parallel connection control through a bi-directional DC-TO-DC converter, (c) SC control through the bi-directional converter, (d) separated SC control through the bi-directional converter, (e) modified battery control through the bi-directional converter, (f) cascaded battery-SC control with two bi-directional converters, (g) cascaded SC-battery control with two bi-directional converters, and (h) parallel SC-battery control with the separated bi-directional converter, (+,− in the figures stand for positive and negative polarity, respectively).
By modifying the energy storage system as shown in Figure 3e, converter capacity can be minimized [23]. In this configuration, the battery supplies average power to the load once the SC voltage is higher than battery voltage; otherwise, the battery will forward bias the diode, and the battery power will be discharged sharply to the load. The major disadvantage of this scheme is the large DC bus voltage variation compared to the SC voltage [24]. In addition, the large variation in the DC bus voltage causes high losses in the propulsion inverter. However, this configuration improves the battery performance if it is not discharged through the diode frequently, and it has equal reliability to the two previous schemes. To overcome the problems of large DC bus voltage variation, the configurations in Figure 3f,g have been reviewed by [17,24,25]. These schemes require a medium- and a full-size converter for each source to provide dynamic power with steady DC bus voltage; therefore, the incremental cost, weight, and loss are the highest compared to other schemes. Moreover, the losses in the two converters can be traded off with the improved propulsion inverter efficiency due to the stabilized DC bus voltage. On the downside, their reliability is lower than those in Figure 3a,c–e; if one of the converters is damaged, the vehicle might be inoperative. To control the energy and power of the battery and SC, a multi-converter is proposed by scholars, as shown in Figure 3h [26,27,28,29]. This configuration presents a steady DC bus voltage and protects the battery from high repetitive power. However, the disadvantages are like the configuration in Figure 3f,g. In an EV application, the HESS should have the most reliability, less complexity, low weight, low loss, and low cost to enhance the vehicle performance. These are the reasons that the configuration in Figure 3c is widely used by many researchers and manufacturers for hybridizing the SC to the battery.
The authors provided ratings for all of the topologies for a more thorough selection based on converter size, DC bus voltage stiffness, and reliability. Table 1 shows the scoring of each converter’s topology. The configuration (a) obtains the lowest score because of unable to control the power and voltage of the sources. Configuration (b), and (e) to (h) receive the same overall score despite the fact that they present their pros and cons in various ways, as described above. With configuration (d), it receives the best score due to the lowest size of the SC converter, DC bus voltage stability according to battery voltage, and excellent reliability even if the SC and its converter fail. However, the converter in type (c) receives a lower score, despite having a bigger SC converter size but the same DC bus stiffness and reliability as type (d). However, as previously said, this design has been allowed for EV application, even though it did not achieve the best score in this study, but the advantages include reduced weight, cost, and loss when compared to configuration (d).
Table 1.
Converter evaluation in battery/SC HESS applications.
4. DC/DC Converter Topologies for Energy Source
The design of DC-TO-DC converters to control energy or power sources for the BHEV energy management system is an exciting and hard task [30]. Firstly, the power converter holds hundreds of amps of current while working at a low operational voltage, often 300 V DC or less. Through the time-varying voltage ratio, these huge currents can raise the electric and thermal stresses in the active and passive components and lower the converter efficiency. As a result, active and passive component ratings are increased even further. Secondly, the stress and huge component sizes combined with EMI emissions make the converter packaging challenging, costly, and bulky. Therefore, it is necessary to build a converter for an EV such that it has the qualities of being compact, light, inexpensive, and having minimal losses.
The non-isolated bi-directional DC-TO-DC converters are suitable choices among converter topologies. Non-isolated bi-directional converters are favored because they are lighter than isolated bi-directional converters, which have extra transformer mass. The half-bridge converter is acceptable in the category of non-isolated bi-directional DC-DC converters because it meets the EV converter design requirements. The key benefits of the half-bridge converter over the CUK and combination SEPIC/Luo converter are that (1) it only requires one inductor (L) instead of two, and (2) the inductor size is half that of the CUK and combined SEPIC/Luo converter. The most notable conclusion is that the half-bridge converter is more efficient than the CUK and combined SEPIC/Luo converter due to decreased inductor conduction loss, switching losses, and active component conduction losses.
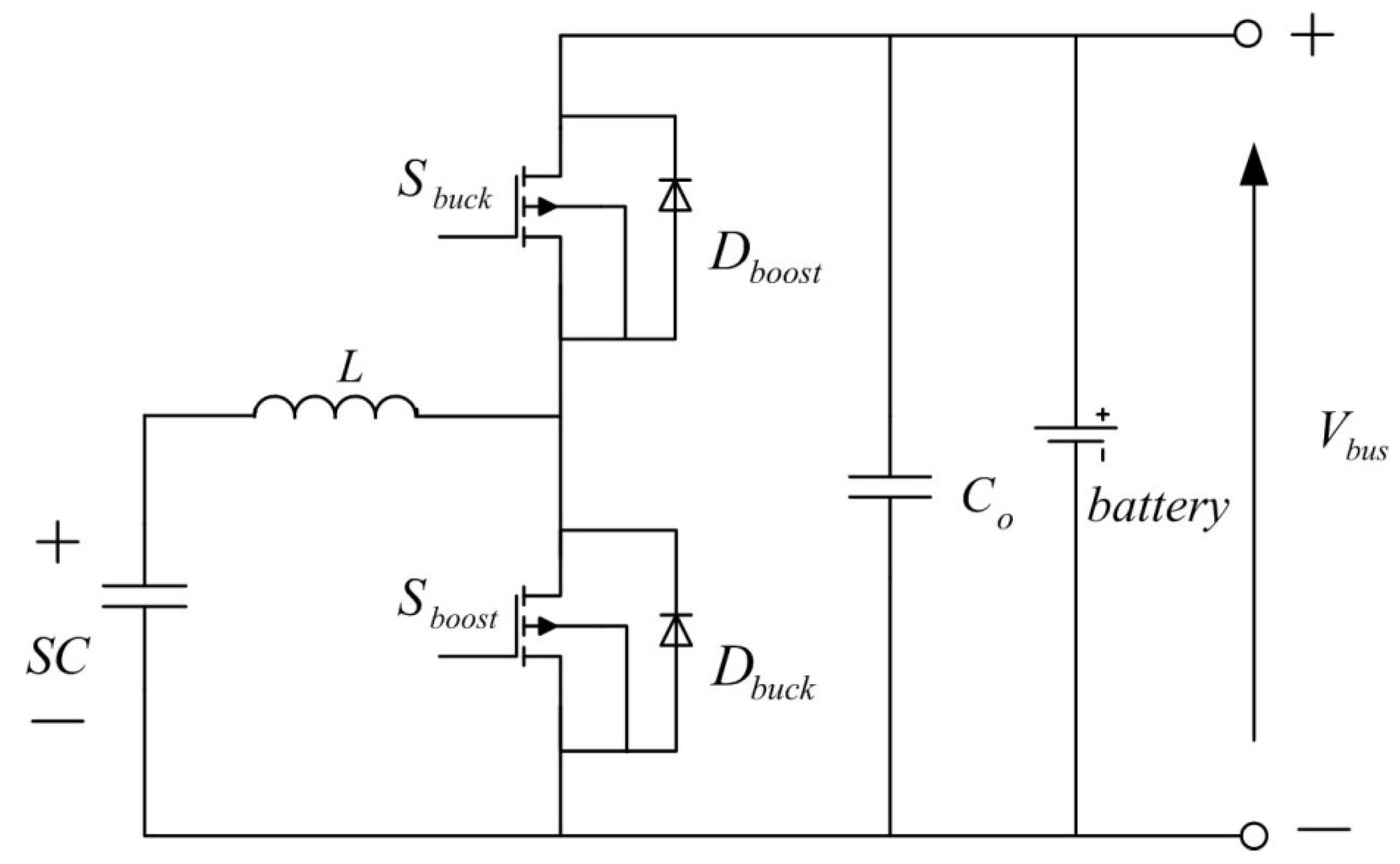
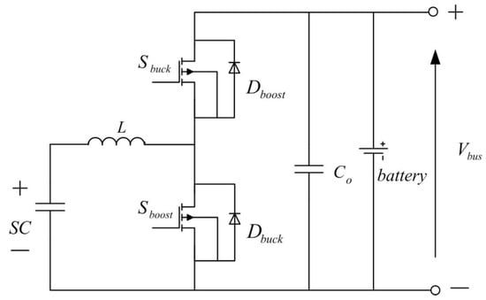
However, several academics investigated the development of an interleaved three-leg full-bridge DC-DC converter [13] and a modified SEPIC/Luo converter [31]. The former has the capability of reducing the inductor current ripple [32], while the latter has good regulation capability, continuous input current, and a low EMI. An interleaved three-leg full-bridge DC-DC converter also has lower source current ripple and is easier to control in both the buck and boost modes of operation compared to the conventional SEPIC/Luo converter [31]. Nonetheless, both need a huge amount of active and passive components, resulting in them being bulky with high mass, high loss, and high cost when compared to a half-bridge converter. Moreover, these works [13,31] were at the simulation scale and experimental scale, while the half-bridge converter has proved its suitability for application in real and commercial vehicles with an appropriate weight, low cost, and low losses [33,34]. However, the main drawback of the half-bridge converter is the discontinuous output current once operating as a boost converter; this requires a large-sized output capacitor ( A half-bridge converter connected to an SC for hybridizing to the battery is shown in Figure 4.
Figure 4.
Half-bridge converter architecture coupled to SC and battery.
The half-bridge converter operates as a boost converter when power flows from the SC to the load. The boost switch, , is activated according to the switching duty cycle produced by the controller together with the boost diode, The buck switch, , will take the complementary duty ratio of for operation with the buck diode, . Unlike previous works that separate the control of the converter in buck or boost mode according to the mode of operation [17], in this work, the duty ratio governs the half-bridge converter to operate in buck and boost mode complementarily depending on the load demand; smooth operation can be achieved [35,36,37,38].
5. Energy Management Strategies for EV Applications
In general, the EMSs for EVs or hybrid EVs (i.e., pure battery EV, battery/SC hybrid EV, battery/fuel cell/SC hybrid EV, and hybrid EV) can be classified into rule-based and optimization-based strategies [38,39], as shown in Figure 5.
Figure 5.
Control strategies for energy control management in EV applications.
EMSs have been intensively developed by many institutional researchers involving various aspects, such as the state of the art of the control strategy, general characteristics, and control performances. This section provides a qualitative review of the EMSs.
5.1. Rule-Based Energy Management Strategy
The rule-based energy management strategy is a heuristic real-time energy management control strategy in which human expertise, engineering perception, and load characteristics are used to design a rule set. This kind of energy management control strategy does not require prior knowledge of a predefined driving cycle: it is computationally efficient and simple to implement. It has been broadly used in manufacturing vehicles and academic research [40,41,42]. The control performance of the rule-based energy management control strategy relies on initial conditions and rules. Nonetheless, the exact initial conditions and rules themselves are the main problems that require large numbers of mathematical analyses and a theoretical foundation. To find appropriate parameters, comprehensive calibrations and modifications are required in order to improve the control performance for a specified EV characteristic and driving cycle. Therefore, the development of the rule-based energy management control strategy is protracted and dependent on the specific characteristic of the vehicle and driving cycle [42]. Furthermore, no optimization techniques are related to this strategy, and thus the optimal solutions are not guaranteed. This control strategy can be divided into the deterministic rule-based energy management control strategy and the fuzzy-rule-based energy management strategy, as presented in the following descriptions.
5.1.1. Deterministic Rule-Based Energy Management Strategy
The deterministic rule-based energy management strategy for battery hybrid EVs can be subdivided into the power follower (load follower) control strategy [30,31,32], frequency-based (power split) control strategy [43,44,45], and adaptive power split control strategy. In battery/fuel cell hybrid EVs, a battery/fuel cell is used as the main energy source, while an SC is availed as the auxiliary energy storage. In 1999, Faggioli et al. [46] proposed the implementation of an SC connected to a bi-directional DC-DC converter for buffering peak power in battery/fuel cell hybrid EVs. The energy management control strategy employed the energy conservative law between the vehicle kinetic energy and stored energy inside the SC and controlled all energy sources following the specific rules. However, the best solution appeared in fuel cell EV testing with the ECE-15 urban driving cycle that consumed about 37% of the energy stored inside the SC, which led to the inefficiency of the utilization of the energy stored in the SC.
Dixon et al. [47,48] used the energy conservative theory for the vehicle kinetic energy and the SC stored energy to increase the transient performance of a BHEV and the lifetime of the battery. From this principle, peak power discharge and recharge of the battery are avoided by the hybridization of the battery and SC. In these papers (as mentioned above), cascade control of the SC charge (outer loop) and the SC current control (inner loop) is used. The SC charge control is compared with the SC charge reference, which is generated from the reference charge curve considering vehicle speed and battery state of charge with the actual SC charge. The reference charge curve allows the SC to be charged at a low state of charge if the battery is fully charged. Thus, the energy stored in the SC is inefficiently utilized. Moreover, the generation of a time-varying SC current reference, , is not robust where the current reference is bounded by the current bandwidth limiter. The current bandwidth is obtained by multiplying the specific voltage gain between battery voltage, , and SC voltage, , with the difference between the time-varying actual load current,, and the maximum battery current, . The SC current reference generation is given by the following equation [47]:
Thounthong et al. [44,45] proposed energy management of an FC/battery/SC hybrid power source for hybrid EV applications that manage the energy exchanges between the sources and the propulsion load (not considering power losses). The three control strategies used are as follows: (1) charge mode, when the FC supplies energy to the battery, the SC, and the load; (2) discharge mode, when the FC, battery, and SC supply energy to the load; (3) recovery mode, when the load supplies energy to the battery and SC. In the discharge mode, the DC bus voltage is regulated by the SC current that is generated by means of energy and power calculation. The SC current reference is limited by its limitation function. This limiter is developed based on a human expert in finding an appropriate working point, so comprehensive calibration and tuning to find the suitable point are required. With this algorithm, the control processor is loaded with energy and power calculation. In fact, a stiff DC bus voltage can be obtained by directly controlling the SC current and DC bus voltage, as proposed in [29,49], instead of power and energy, respectively. In addition, the evaluation of the energy source capacity and testing with a standard driving cycle, which are the essential tasks to prove the effectiveness of the control strategy and energy economy, was not executed. The SC voltage was decreased by only 8% due to the improper size of the SC, and thus the stored energy in the SC was ineffectively utilized. Moreover, the advantage in terms of energy consumption for the driving cycle supplied by the FC was not considered; therefore, the effectiveness could not be fully confirmed, whether the energy supplied by the HESS was lower than a single source. Moreover, the battery was still repeatedly charged by the FC; therefore, the battery life could be reduced.
Wong et al. [29] improved the control strategy processing by controlling the voltage and current of the fuel cell/battery/SC for power sharing in a hybrid EV instead of controlling the power and energy of each source. The strategy uses three algebraic current algorithms to manage the current of each source so that the DC bus is fixed. The results of this work show that the SC can supply a transient and steady-state current instead of the battery and FC until the SC voltage reaches the minimum voltage limit; then, the FC and battery take over the load instead. The function of the battery is to add support during the vehicle start-up period when the other sources are not ready. However, the method of evaluation SC size was not mentioned; therefore, the energy stored in the SC was inefficiently utilized. Moreover, the proposed system was not tested with a standard driving cycle to confirm its implementation in real-world driving.
An advanced energy management system for controlling the SC was proposed by Armenta et al. [14] by utilizing the energy conservative law between the vehicle kinetic energy and the SC stored energy. The control strategy is to discharge the SC based on the minimal power delivered to the load to give enough space for absorbing regenerative braking energy. According to this strategy, excessive discharge power from the battery is prevented, and a new driving cycle can be started naturally, even though the vehicle requires high acceleration. The principle of the control strategy is to substitute the square of speed in the vehicle kinetic energy equation with the fundamental speed equation so a new vehicle kinetic energy equation can be derived, and the instantaneous ideal power supplied by the SC is achieved by differentiating the energy. The SC power is then discretized for controlling power by considering the charge/discharge losses of the vehicle transmission system. This power uses discrete control in three strategies: acceleration strategy, cruising strategy, and braking strategy. The simulation results show that the proposed control strategies can reduce battery peak power and enhance the driving range. However, the simulation results of the three ideal driving cycles are not practical, whereby the regenerative braking power is sufficient for charging the SC until it is full without requiring any support from the battery [36]. In general, the amount of energy supplied by the SC to the vehicle in acceleration is higher than the regenerative braking energy recovered, whereby it is dissipated into the powertrain system forth and back. Thus, the regenerative braking energy alone is not enough for recharging the SC until it is full.
Wangsupphaphol et al. [49] presented a simple HESS and SC current control approach for electric vehicle applications. Instead of managing SC power, the SC current control is significantly simpler and more effective for reducing battery power and energy usage. The contribution is to relate the SC current reference to vehicle acceleration or deceleration, allowing the SC current to regulate vehicle dynamic power. In addition, the SC capacity calculation was provided in this work, because the heavier the SC mass the larger the power and energy consumption, which most of the HESSs studied in the past have ignored. This design philosophy was highlighted in a Japanese automobile manufacturer’s U.S. patent application. However, this work was limited by having no real-vehicle experiment to prove the actual effectiveness of the proposed strategy.
Another deterministic rule-based energy management strategy termed as fixed-frequency power split was proposed and validated by a real-time simulation in [8]. In this control strategy, the current required from the battery is reduced by the assisting current from the SC; however, the battery is still charged by the shallow negative current in the braking phase even though the deep negative current is absorbed by the SC. This can reduce the battery lifetime.
A novel adaptive power split strategy for an EV was proposed in [26], whereby the load power was filtered as high and low frequency supplied by the SC and battery, respectively. Two bi-directional DC-DC converters were used for interfacing the battery and SC to the DC voltage bus. The control strategies deal with voltage and current instead of energy and power, so the computational effort is reduced. However, the slow changing of the filter’s time constant of the proposed adaptive splitter allows the battery to supply high-frequency power instead of the SC once the SC has low energy, and thus can damage the battery rapidly. Moreover, the slow dynamic of the SC voltage control loop, generated by the adapter, causes the SC voltage to exceed the upper limit, which may jeopardize safety and is not suitable for EV applications.
A Kalman filter used for a power splitting EMS in a tuk-tuk EV was proposed by Karunarathne et al. [50]. A converter for the SC and battery was used, and thus the power of them could be control properly. The power split technique can save the battery SOC and SOH and thus improve the driving range. However, this is an inevitable trade off with the complex control structure and weight of the converters, which are crucial for EV applications. In addition, the SC capacity calculation was not declared, and thus the effectiveness of the energy reduction may be doubted.
5.1.2. Fuzzy-Rule-Based Energy Management Strategy
The fuzzy-rule-based energy management control strategy is an extended type of the deterministic rule-based energy management control strategy. The principle of this control strategy is to develop a group of fuzzy rules (IF–THEN) from human knowledge and cognition whereby a mathematical model of the system is not necessary. The core benefits of the fuzzy-rule-based energy management control strategy are its robustness to noise and variation in component parameters. Nevertheless, the membership function and fuzzy rule are generally derived from human expertise and cognition; hence, a noble control performance cannot be guaranteed. The performance of fuzzy logic control mostly relies on the designer’s expertise. The fuzzy-rule-based control strategy implemented in EV power source control can be grouped into two categories: conventional fuzzy logic control and fuzzy sliding mode control.
Wang et al. [51] proposed conventional fuzzy logic control for controlling SCs which are connected parallel to the battery main energy storage for improving the energy recapture efficiency and extending the driving range. The fuzzy control strategy employs load power and the SOC of the battery and SC to determine the proportion of the power from the battery to supply the load. The simulation results, implemented in ADVISOR 2002 and compared to the traditional logic threshold strategy, show that the proposed fuzzy logic control can reduce battery peak power and improve the energy recapture efficiency by 50% and 10%, respectively.
Xiaoliang et al. [52] proposed the frequency decoupling method to manage the power of an SC. The conventional fuzzy logic control is implemented to manage the energy contents inside the SC while the battery is passively controlled. The driving cycle, road conditions, and load current are used as the fuzzy input variables and then processed by using state flow in MATLAB to produce the SC current reference. The experimental results tested with the ECE-15 driving cycle show that the lower decoupling frequency allows the higher SC energy supplied to the load. However, the intuitively optimum decoupling frequency is unknown but must be determined based on human expertise. Thus, the minimized battery’s energy consumption cannot be confirmed. The low decoupling frequency causes the battery to recharge the SC in deceleration with the regenerative braking power, even though the battery supplies less power in acceleration.
Zandi et al. [53] proposed conventional fuzzy logic control for controlling a battery and an SC which are parallel with the FC main energy source. The fuzzy rules, established from the SC, battery voltage, and load power, are designed to manage the energy and power contents inside the battery and SC in any operating modes, i.e., recovery, normal, and overload cooperative working with the FC. Three DC-DC converters for the FC, battery, and SC are employed. Three different controllers are employed: the state feedback controller (for the FC control), the fuzzy logic controller (for the SC and battery control), and the sliding mode controller (for switching control). The experimental results show the perfection of high dynamic power from the SC and battery to assist the FC power; moreover, the DC bus voltage is always steady even if facing a sudden step load. However, the complexity and high computational requirements of processing these controllers cannot be avoided.
Cao et al. [54] proposed a fuzzy sliding mode controller which combines the benefits of fuzzy control and sliding mode control. The control objective changes from tracking error to the sliding mode function by creating an S-Function incline to zero. Since fuzzy sliding mode control could soften the control signal that reduces the chattering happening in common sliding mode control, the robustness is improved. In the experiment, the fuzzy sliding mode control is compared with the PID control, and the results show an improvement in energy saving, faster response, and more reliable performances achieved by the fuzzy sliding mode control.
Li et al. [55] proposed a hybrid power system composed of an FC, a battery, and an SC for a tramway power supply. The energy management control strategy is based on a combination of fuzzy logic control and Haar-wavelet transform. The energy management control strategy can reduce transient peak power demand while maintaining the high-efficiency mechanism performance of the FC. The results show that the proposed energy management control strategy can split the main positive high-frequency power from the FC. The battery will respond to the medium-frequency power while the high-frequency power is supported by the SC.
5.2. Optimization-Based Energy Management Strategy
The general characteristic of the optimization-based energy management control strategy is the optimization of the EV system performance cost function, which is described numerically, by different optimization control methods. The development of several cost functions means the diversities of the optimization control problem. Therefore, several optimization-based energy management control strategies are presented for solving the varieties of optimal problems. There are two major optimization-based energy management control strategies suggested by scholars: the global optimization energy management control strategy and real-time optimization energy management control strategy. They are described as follows.
5.2.1. Global Optimization Energy Management Strategy
This energy management control strategy is established with a global optimization method to find a global optimum solution by minimizing a cost function, such as fuel economy, emissions of a specified driving cycle considering the constraints of an HESS, and a propulsion motor and converter. This method depends on prior knowledge of the specified driving cycle; therefore, it can be named as an offline optimization. Additionally, the computational requirement of the global optimization energy management control strategy is greater than that of the rule-based energy management control strategy.
Presently, the classification of the optimization control problem of EVs has three major solutions:
- Firstly, there is the optimization of the parameters of a rule-based energy management control strategy. With this method, the energy management problem turns into a parameter optimization problem, and it is called a static optimization problem. Thus, a derivative-free static optimization method can be implemented, i.e., a genetic algorithm (GA), particle swarm optimization (PSO), and simulated annealing (SA). In addition, a derivative-based static optimization method such as sequential quadratic programming (SQP) can also be applied.
- Secondly, the energy management problem of EV applications is considered as a dynamic, nonlinear, and constrained optimization problem. This is recognized as an optimal control problem. The optimization problem can be determined by dynamic optimization methods such as dynamic programming.
- Thirdly, the optimal control problem is approximately modeled as a mathematical problem. After that, the problem is solved by static optimization methods such as SQP.
Both static and dynamic optimization methods have been utilized in the optimization control problem of EV applications, which are described as follows.
Static Optimization Method
The calculating methods of the static optimization problem can be classified into two groups: derivative-free methods and derivative-based methods. The derivative-based methods such as SQP use the derivative of the objective function to solve the optimization problem. This method is implemented in the optimization of the energy management control strategy parameters of an EV [56].
Dellnitz et al. [57] implemented this technique in an EV for the purpose of extending the driving range by minimizing the battery’s SOC and velocity variation. The principle of SQP is to sequentially formulate auxiliary quadratic problems for approximating a locally optimal solution to the original problem, which is the main drawback of this method. The requirements of SQP for achieving a locally optimal solution in this work are the strong assumptions of cost or objective functions, discretization point, and initial guess (minimized value of velocity variances). Otherwise, the SOC of the battery is highly consumed according to the compared results in this work. However, the SQP still has some minor problems, such as discontinuous numerical processes that are caused by look-up tables, and the solution can be trapped in a local minimum. Therefore, for the better performance of numerical optimization methods, a derivative-free optimization method that can find the global optimization solution with respect to several different objectives could be applied.
The derivative-free and stochastic search methods outperform the derivative-based methods in terms of searching for a global optimal solution within the specified design space. These methods find an optimal solution by iteration instead of depending on the derivative and are typically applied to solve a number of complicated engineering problems that are nonlinear, multimodal, and non-convex objective functions [58]. Because of their global optimality and robustness, these methods are suitable for optimal control problems of EVs, as described in [58,59,60,61]. The methods which are classified under this category and applied to EVs are, for example, genetic algorithms (GAs), particle swarm optimization (PSO), and simulated annealing (SA).
Jain et al. [33] applied an exclusive non-dominated sorting genetic algorithm (NSGA-II) to find the optimal solution of an FC/battery/SC hybrid vehicle. The NSGA-II provides the ability to optimize eight variables to receive two minimized global solutions: (1) fuel economy and (2) fuel cell and battery costs. The simulation result of the vehicle running with the given driving cycle shows that both objectives can be achieved, and especially that fuel economy is greatly improved. However, the best solutions in this work are not only dependent on the large population size but also on several generations, and this is the main disadvantage of the GAs that require high performance of the processor used for a proper convergence processing period. In addition, the solutions are well suited to the driving cycle tested only, the inherent characteristic of offline optimization.
The PSO concept started as a simulation of simple community systems such as flocks, fish, or birds. A PSO system begins with an initial population of random individuals, indicating solutions to a problem, then assigning the random velocities. Ren et al. [59] proposed a mutual PSO-wavelet-transform-based power management for PEMFC hybrid EVs which comprise a PEMFC, lithium-ion batteries, and an SC as the HESS. To decouple the high frequency of the load power, the wavelet transform is utilized, and this power is maintained by the SC for extending the battery and fuel cell lifetime. The PSO is implemented to optimize the parameters of the PID controller. The simulation results show that the proposed method can separate the high-power frequency for supplying the SC while the battery and FC supply the medium- and low-frequency power, respectively. However, the disadvantages of the PSO are that it relies on the selection of the constants in the updating velocity and initial random population and that it is easy to become trapped in a local optimal solution [38].
SA is the method for searching for the global optimal solutions without covering the entire design space. It has a faster processing time than the neural network technique and genetic algorithm in finding a quasi-optimal solution. However, the performance of SA depends on tuning parameters [38]. Chen et al. [62] used the simulated annealing method and quadratic programming to find the optimal battery power supplied in a series plug-in hybrid EV by solving the quadratic equation of the fuel consumption rate. The SA method is utilized to decide the engine on–off based on battery power, vehicle speed, and drive power. For the period of iteration, the interior point method is used to solve the proposed quadratic programming problem to decide the optimal battery power. The simulation results run in the program Autonomie, which was developed by Argonne National Laboratory, demonstrate that the proposed method can reduce fuel consumption with a smooth gradual decrease of the battery SOC, and thus the battery lifetime could be extended.
Dynamic Optimization Method
Dynamic programming is an optimization method which has the ability to obtain a global optimal solution of power control in EVs for a specified time horizon of the driving cycle if it is known in advance. It finds the optimal solution for nonlinear dynamic systems. The dynamic programming method extracts the dynamic optimization problem into many groups of the problem by discretizing and calculating backwards from the final state to the initial state (prior knowledge) in order to establish a cost-to-go function at every sampling time. The main disadvantage of dynamic programming is the extremely complicated processing of quantization and interpolation, which necessitates the use of high-performance computers. The global optimization energy management control strategy requires complete prior knowledge of the driving cycle, while in real-world driving this is not possible. However, it is possible to apply this method in real-time by recognizing and classifying the driving pattern together with the use of rule-based energy management control strategies [39,63].
5.2.2. Real-Time Optimization Energy Management Strategy
As aforesaid, the global optimization control strategies are not suitable or viable for real-time control implementation. To achieve the real-time energy management control strategy, the instantaneous cost function must be defined by considering the variations in electrical energy consumption compared to fossil fuel energy consumption. As a result, the real-time optimization control technique requires less computer speed and memory to implement. Neural networks and model predictive control approaches are well-known and commonly used technologies for EV applications. Recently, the reinforcement learning (RL) technique has become prominent in the regulation of an EV’s energy system.
Neural Network Control Strategy
The neural network is a human brain emulated control system that finds the solution using reason judgment based on the qualitative and quantitative of the system input information. This control method is considered an intelligent control system, and it is suitable for a nonlinear complex system. Because of this characteristic, the neural network is widely used in EVs by many researchers. Although this technique does not need exact powertrain models, creating and updating a comprehensive database for system learning is difficult and time consuming. In addition, the structure sizes of the database directly affect the computation time and performance of the controller. Moreno et al. [17] proposed the use of optimal neural network control for an SC that is hybridized with the battery in an EV. The battery was considered as a passive element, whereby its current was controlled indirectly by observing the load current and controlling of the SC current instead. The dynamic equation of the battery and SC energy are state variables of the system, and they were minimized in the optimization process by the gradient method. The method for solving the dynamic equations of the system is to perturb the variable of the control system for every single iteration. In this manner, the physical reaction occurring in the optimization process can be noticed at each single time step. The simulation results show that as the SC current is injected into the load the battery current is significantly reduced. This can save battery energy consumption by 28.7% compared to the case of the battery-alone EV. This is due to the SC’s high receptive performance to absorb the whole regenerative current from the vehicle kinetic energy. However, the energy inside the SC is not utilized effectively because of the improper calculation of the SC’s capacity.
Ortúzar et al. [16] implemented neural networks to control the SC as an auxiliary energy source in a battery EV, a Chevrolet mini truck. The control algorithm is made of two heuristic rules: the first rule states that the energy content in the SC must be inverted to the vehicle speed. Therefore, at the maximum speed, the stored energy inside the SC should be low and vice versa. The second rule is the limits of the SC current that is extracted from the batteries. These current limits change automatically when the battery is fully charged to avoid overvoltage during regenerative braking. Because the first rule is complementary to the second rule, the second rule was developed by using optimization tools after the first rule was derived. The efficient SC currents were evaluated using optimal control techniques, and then numerous sets of the most efficient current drawn from the SC supplying the load were used for training the neural network. However, varieties of SC currents result in varieties of battery currents; therefore, the most efficient set of SC currents must be found within the allowable operating area of the SC’s SOC. Tests were carried out under four different conditions: (1) battery alone without regenerative power, (2) battery alone with regenerative power, (3) battery with an SC using rule-based control, and (4) battery with an SC using the optimal-based neural network control strategy. The results show that the main benefits of the proposed strategy are that it is energy saving, has a lower battery voltage swing, and that no regenerative currents return to the battery. The neural network control strategy increases the energy efficiency of the system and protects the battery from damage. Moreover, in the economic perspective, it is possible to combine an SC in a battery EV where the cost is higher than 8.3% compared to a pure battery (lead-acid) EV. However, if the main energy source is a fuel cell combined with an SC, the total cost will be dramatically decreased by 33.7% compared to the pure battery (lithium-ion) EV.
Samanta et al. [64] applied PSO and a GA as training algorithms to train a radial basis function neural network (RBFNN), namely the GA-trained radial basis function (GRBF) and PSO-trained radial basis function (PRBF), for an energy management control strategy used in a hybrid EV. Because the artificial neural network (ANN) control strategy has limitations in terms of large complication and traps in the local optimal solution, the radial basis function (RBF) network control strategies which process on a single hidden layer are implemented to find a global optimal solution. Nevertheless, there are still some problems building RBFNNs. In the GRBF and PRBF, a GA and PSO are used to find the center of the hidden neurons, the extent, and the bias parameters by minimizing the mean square error (MSE) of the desired outputs and actual outputs. The verification of the PRBF and GRBF approaches was proved by the simulation of a commercial hybrid EV running in the New European Driving Cycle compared to the other conventional artificial neural network control strategies. The simulation result demonstrates that the PRBF consumes the lowest energy; however, it takes the longest runtime to acquire a solution, which is the disadvantage of the optimization technique.
Model Predictive Control Strategy
The model predictive control strategy is a well-known control strategy that has been used in industry to cope with multivariable constraints of the control system problems. This control normally consists of three steps: first, the cost function that is subject to the constraints is minimized optimally in a predicted time horizon; second, the optimal solution is implemented to the physical plant; last, the entire predicted horizon is moved one step forward and step one is repeated [38]. Unlike dynamic programming, model predictive control is a time-receding horizon control strategy that works in real-time. It has the potential to decrease the computational load and can be implemented in a real EV. Since it has the characteristic of having a receding horizon, the model predictive control strategy can adapt to the differences in propulsion load profiles in driving cycles. Nonetheless, the upcoming driving cycle information must be known in advance by prediction or recognition. Based on its orientation characteristic, model predictive control can be categorized as linear time-varying control and nonlinear control. Thus, the linearization of nonlinear systems and constraints is used where it can reduce computational processing. However, the system model error that is due to the linearization is the obstacle for the vehicle to enhance energy saving [65]. Since model predictive control has the capability to predict torque demand, it can be categorized into two subcategories: (1) model predictive control based on navigation technology and (2) model predictive control based on a mathematical prediction model. The optimization performance of the former case depends on the accuracy of the road information received from a global positioning system (GPS) or vehicle sensors. The quality, reliability, and stability of a GPS and the peripheral vehicle sensor equipment are the keys to assure real-time control system performance where their cost is very high. To solve these problems, the model predictive control based on the mathematical model was proposed, and it drew the attention of relevant researchers [34].
Reinforcement Learning Control Strategy
For a real-time EMS of a BHEV (battery/fuel cell/SC), Wang et al. [66] developed a deep reinforcement learning control strategy. The amount of training acquired by the RL-based EMS influences its performance; the more training that is received, the more controlled the supplementary power source is. Furthermore, the RL-based technique still needs a thorough understanding of the driving cycle, and the environment may be different from that of the training scheme. The simulation results in this paper show that the method can enhance the driving range while decreasing the power source life loss. However, the converter’s mass may restrict the driving range, raising concerns regarding energy savings. Without validating the same cycles, comparing the findings to the real-time rule-based EMS at a small or actual scale might be challenging. In the actual world, the rule-based EMS remains a strong assumption for many types of driving cycles. Table 2 summarizes the features of several EMSs. The bold letters emphasize recent work by three EMSs that are still being evaluated for EV applications.
Table 2.
Features of energy management strategies of HESS for EV applications.
6. Discussion on Major Findings of Energy Management Strategies
The rule-based energy management strategy and optimization-based energy management control strategy have their own characteristics and applications. The rule-based energy management control strategy is the control strategy that has been widely used by commercial vehicle makers due to simplicity and feasibility in terms of implementation, which is not possible with optimization-based solutions. Therefore, the optimization-based energy management control strategy is proposed to overcome the drawbacks found in the rule-based energy management control strategy by means of the optimization control approach. The optimization-based energy management control strategy can find a global optimal solution; however, its disadvantages are the requirement of high computer performance and the future knowledge of the driving cycle. The compromised solution among the two aforementioned strategies is the real-time optimization. The real-time optimization energy management control strategy has been developed and proposed by many researchers for years. It is a combination of the advantages gained from the rule-based and optimization-based energy management control strategies. It is based on finding a sub-optimal solution that improves the performance of the rule-based energy management control strategy by using future road information supplied by the GPS and vehicle sensors. However, the global optimal solution cannot be assured, and high-performance processors as well as high-precision road information are required. The real-time optimization energy management control strategy for hybrid energy sources is still in the developing stages and is not ready for commercialization yet.
7. Conclusions
Energy storage for electric vehicles is one of the most critical components in comparing the performance of electric vehicles to traditional gas vehicles. This paper examines the effectiveness of a HESS of a battery and supercapacitor to overcome the obstacles found in pure battery EVs, such as battery life degradation and the decrease in power due to increased internal resistance and temperature over years of use. The conclusions of significance of this research are as follows:
- The findings declared the significance of the HESS for EVs in terms of performance, life cycle, and controllability via DC-DC power converters in the literature and provided scoring for a suitable configuration for applications.
- A review on the non-isolated half-bridge bi-directional DC-DC converter is proposed for smooth operation based on the limitations of low weight, low cost, and low loss with good dependability.
- An evaluation of the energy management strategies was provided where we found that rule-based real-time control is an acceptable solution for vehicle manufacturing. However, the performance of the real-time optimization strategy is acknowledged and has good prospects unless the economy of scale is established.
Finally, the advantage of adopting the HESS in an EV is that it secures the vehicle’s performance. The HESS control could be tailored to some vehicle manufacturing needs such as controllability, sustainability, and dependability. We discovered that the rule-based energy management methods compensated for the lack of real-time optimization for EV applications due to their adaptability, simplicity, verifiability, flexibility, and low processing burden. However, the effectiveness of the rule-based strategies is determined by the system’s model complexity, the user’s desired performance level, and the availability of real-time data.
Author Contributions
Conceptualization, A.W., N.R.N.I., A.J., N.D.M. and S.P.; methodology, A.W., N.R.N.I. and S.P.; validation, A.W., N.R.N.I., A.J., S.P. and R.L.; formal analysis, A.W., N.R.N.I., S.P. and R.L.; investigation, N.D.M. and S.P.; resources, A.W. and N.D.M.; data curation, A.W., N.D.M. and R.L.; writing—original draft preparation, A.W.; writing—review and editing, A.W., N.R.N.I., A.J. and S.P.; visualization, N.D.M., S.P. and R.L.; supervision, N.R.N.I., A.J. and S.P.; project administration, N.R.N.I. and S.P.; funding acquisition, N.R.N.I. and S.P. All authors have read and agreed to the published version of the manuscript.
Funding
This research received no external funding.
Institutional Review Board Statement
Not applicable.
Data Availability Statement
Not applicable.
Acknowledgments
The work was supported by the Ph.D. Merit Scholarship of the Islamic Development Bank (IDB) No. NMC-4/TH/P30, the Ratchadapisek Somphot Fund for Postdoctoral Fellowship, the Center of Excellence in Electrical Power Technology, Faculty of Engineering, Chulalongkorn University, and a research grant from UTM-PROTON Future Drive Laboratory, Universiti Teknologi Malaysia.
Conflicts of Interest
The authors declare no conflict of interest.
References
- Husain, I. Electric and Hybrid Vehicles, 3rd ed.; CRC Press: Boca Raton, FL, USA, 2021; ISBN 9780429490927. [Google Scholar]
- Wang, Y.; Sun, Z.; Chen, Z. Energy Management Strategy for Battery/Supercapacitor/Fuel Cell Hybrid Source Vehicles Based on Finite State Machine. Appl. Energy 2019, 254, 113707. [Google Scholar] [CrossRef]
- Chemali, E.; Peindl, M.; Malysz, P.; Emadi, A. Electrochemical and Electrostatic Energy Storage and Management Systems for Electric Drive Vehicles: State-of-the-Art Review and Future Trends. IEEE J. Emerg. Sel. Top. Power Electron. 2016, 4, 1117–1134. [Google Scholar] [CrossRef]
- Pullen, K.R.; Dhand, A. Mechanical and Electrical Flywheel Hybrid Technology to Store Energy in Vehicles. In Alternative Fuels and Advanced Vehicle Technologies for Improved Environmental Performance; Woodhead Publishing: Sawston, UK, 2014; pp. 476–504. ISBN 9780857095220. [Google Scholar]
- Rimpas, D.; Kaminaris, S.D.; Aldarraji, I.; Piromalis, D.; Vokas, G.; Papageorgas, P.G.; Tsaramirsis, G. Energy Management and Storage Systems on Electric Vehicles: A Comprehensive Review. Mater. Today Proc. 2022, 61, 813–819. [Google Scholar] [CrossRef]
- ISO. Win the Energy Challenge with ISO 50001; ISO Central Secretariat: Geneva, Switzerland, 2011. [Google Scholar]
- Choi, M.; Lee, J.; Seo, S. Real-Time Optimization for Power Management Systems of a Battery/Supercapacitor Hybrid Energy Storage System in Electric Vehicles. IEEE Trans. Veh. Technol. 2014, 63, 3600–3611. [Google Scholar] [CrossRef]
- Song, Z.; Hofmann, H.; Li, J.; Hou, J.; Han, X.; Ouyang, M. Energy Management Strategies Comparison for Electric Vehicles with Hybrid Energy Storage System. Appl. Energy 2014, 134, 321–331. [Google Scholar] [CrossRef]
- Aharon, I.; Kuperman, A. Topological Overview of Powertrains for Battery-Powered Vehicles with Range Extenders. IEEE Trans. Power Electron. 2011, 26, 868–876. [Google Scholar] [CrossRef]
- Ahmed, O.A.; Bleijs, J.A.M. An Overview of DC–DC Converter Topologies for Fuel Cell-Ultracapacitor Hybrid Distribution System. Renew. Sustain. Energy Rev. 2015, 42, 609–626. [Google Scholar] [CrossRef]
- Pay, S.; Baghzouz, Y.; Member, S. Effectiveness of Battery-Supercapaicitor Combination in Electric Vehicles. In Proceedings of the 2003 IEEE Bologna Power Tech Conference Proceedings, Bologna, Italy, 23–26 June 2003. [Google Scholar]
- Lukic, S.M.S.M.; Cao, J.; Bansal, R.C.R.C.; Rodriguez, F.; Emadi, A.; Member, S.S.; Cao, J.; Bansal, R.C.R.C.; Member, S.S.; Rodriguez, F. Energy Storage Systems for Automotive Applications. Ind. Electron. IEEE Trans. 2008, 55, 2258–2267. [Google Scholar] [CrossRef]
- Iannuzzi, D.; Tricoli, P. Speed-Based State-of-Charge Tracking Control for Metro Trains with Onboard Supercapacitors. IEEE Trans. Power Electron. 2012, 27, 2129–2140. [Google Scholar] [CrossRef]
- Armenta, J.; Núñez, C.; Visairo, N.; Lázaro, I. An Advanced Energy Management System for Controlling the Ultracapacitor Discharge and Improving the Electric Vehicle Range. J. Power Sources 2015, 284, 452–458. [Google Scholar] [CrossRef]
- Dixon, J.; Nakashima, I.; Arcos, E.F.; Ortúzar, M. Electric Vehicle Using a Combination of Ultracapacitors and ZEBRA Battery. IEEE Trans. Ind. Electron. 2010, 57, 943–949. [Google Scholar] [CrossRef]
- Ortúzar, M.; Moreno, J.; Dixon, J. Ultracapacitor-Based Auxiliary Energy System for an Electric Vehicle: Implementation and Evaluation. IEEE Trans. Ind. Electron. 2007, 54, 2147–2156. [Google Scholar] [CrossRef]
- Moreno, J.; Ortuzar, M.E.; Dixon, J.W. Energy-Management System for a Hybrid Electric Vehicle, Using Ultracapacitors and Neural Networks. IEEE Trans. Ind. Electron. 2006, 53, 614–623. [Google Scholar] [CrossRef]
- Wangsupphaphol, A.; Rumzi, N.; Idris, N. Student Research Highlight: Acceleration-Based Design of Electric Vehicle Auxiliary Energy Source. IEEE Aerosp. Electron. Syst. Mag. 2016, 31, 32–35. [Google Scholar] [CrossRef]
- Wangsupphaphol, A.; Rumzi, N.; Idris, N.; Jusoh, A.; Muhamad, N.D.; Chamchuen, S. Acceleration-Based Control Strategy and Design for Hybrid Electric Vehicle Auxiliary Energy Source. ECTI Trans. Comput. Inf. Technol. 2015, 9, 83–92. [Google Scholar] [CrossRef]
- Guidi, G.; Undeland, T.M.; Hori, Y. Optimized Power Electronics Interface for Auxiliary Power Buffer Based on Supercapacitors. In Proceedings of the 2008 IEEE Vehicle Power and Propulsion Conference, VPPC 2008, Harbin, China, 3–5 September 2008; pp. 1–6. [Google Scholar]
- Guidi, G.; Undeland, T.M.; Hori, Y. An Optimized Converter for Battery-Supercapacitor Interface. In Proceedings of the PESC Record-IEEE Annual Power Electronics Specialists Conference, Orlando, FL, USA, 17–21 June 2007; pp. 2976–2981. [Google Scholar]
- Guidi, G.; Undeland, T.M.; Hori, Y. An Interface Converter with Reduced VA Ratings for Battery-Supercapacitor Mixed Systems. In Proceedings of the Fourth Power Conversion Conference-NAGOYA, PCC-NAGOYA 2007-Conference Proceedings, Nagoya, Japan, 2–5 April 2007; pp. 936–941. [Google Scholar]
- Cao, J.; Emadi, J. A New Battery/UltraCapacitor Hybrid Energy Storage System for Electric, Hybrid, and Plug-In Hybrid Electric Vehicles. IEEE Trans. Power Electron. 2012, 27, 122–132. [Google Scholar] [CrossRef]
- Kuperman, A.; Aharon, I. Battery–Ultracapacitor Hybrids for Pulsed Current Loads: A Review. Renew. Sustain. Energy Rev. 2011, 15, 981–992. [Google Scholar] [CrossRef]
- Laldin, O.; Moshirvaziri, M.; Trescases, O. Predictive Algorithm for Optimizing Power Flow in Hybrid Ultracapacitor/Battery Storage Systems for Light Electric Vehicles. IEEE Trans. Power Electron. 2013, 28, 3882–3895. [Google Scholar] [CrossRef]
- Florescu, A.; Bacha, S.; Munteanu, I.; Iuliana, A.; Rumeau, A.; Bratcu, A.I.; Rumeau, A. Adaptive Frequency-Separation-Based Energy Management System for Electric Vehicles. J. Power Sources 2015, 280, 410–421. [Google Scholar] [CrossRef]
- Source, B.P.; Hredzak, B.; Agelidis, V.G.; Member, S.; Jang, M. A Model Predictive Control System for a Hybrid. IEEE Trans. Power Electron. 2014, 29, 1469–1479. [Google Scholar]
- Zhou, S.Q.; Guo, G.F.; Xiang, Y.Y. Multi-Objective Optimal Sizing Hybrid Power System in a Solar Electric Vehicle Using Particle Swarm Optimization Algorithm. Adv. Mater. Res. 2013, 694–697, 2699–2703. [Google Scholar] [CrossRef]
- Wong, J.H.; Sutikno, T.; Idris, N.R.N.; Anwari, M. A Parallel Energy-Sharing Control Strategy for Fuel Cell Hybrid Vehicle. Telkomnika 2011, 9, 357–364. [Google Scholar] [CrossRef]
- Schupbach, R.M.; Balda, J.C. Comparing DC-DC Converters for Power Management in Hybrid Electric Vehicles. In IEEE International Electric Machines and Drives Conference, 2003. IEMDC’03; IEEE: Piscataway, NJ, USA, 2003; pp. 1369–1374. [Google Scholar] [CrossRef]
- Amjadi, Z.; Williamson, S.S. Prototype Design and Controller Implementation for a Battery-Ultracapacitor Hybrid Electric Vehicle Energy Storage System. IEEE Trans. Smart Grid 2012, 3, 332–340. [Google Scholar] [CrossRef]
- Fernão Pires, V.; Romero-Cadaval, E.; Vinnikov, D.; Roasto, I.; Martins, J.F. Power Converter Interfaces for Electrochemical Energy Storage Systems—A Review. Energy Convers. Manag. 2014, 86, 453–475. [Google Scholar] [CrossRef]
- Jain, M.; Desai, C.; Williamson, S.S. Genetic Algorithm Based Optimal Powertrain Component Sizing and Control Strategy Design for a Fuel Cell Hybrid Electric Bus. In Proceedings of the 2009 IEEE Vehicle Power and Propulsion Conference, Dearborn, MI, USA, 7–10 September 2009; pp. 980–985. [Google Scholar]
- Borhan, H.A.; Vahidi, A. Model Predictive Control of a Power-Split Hybrid Electric Vehicle with Combined Battery and Ultracapacitor Energy Storage. In Proceedings of the 2010 American Control Conference, Baltimore, MD, USA, 30 June–2 July 2010; pp. 5031–5036. [Google Scholar] [CrossRef]
- Wangsupphaphol, A.; Idris, N.R.N.; Jusoh, A.; Muhamad, N.D.; Alsofyani, I.M. Energy and Power Control Strategy for Battery Electric Vehicle with Supercapacitors. In Proceedings of the 2014 IEEE Conference on Energy Conversion (CENCON), Johor Bahru, Malaysia, 13–14 October 2014; pp. 13–18. [Google Scholar] [CrossRef]
- Wangsupphaphol, A.; Idris, N.R.N.; Jusoh, A.; Muhamad, N.D.; Yao, L.W. The Energy Management Control Strategy for Electric Vehicle Applications. In Proceedings of the 2014 International Conference and Utility Exhibition on Green Energy for Sustainable Development (ICUE), Pattaya, Thailand, 19–21 March 2014; pp. 1–5. [Google Scholar]
- Wangsupphaphol, A.; Idris, N.R.N.; Jusoh, A.; Muhamad, N.D.; Alsofyani, I.M. Acceleration-Based Design Auxiliary Power Source for Electric Vehicle Applications. In Proceedings of the 2014 11th International Conference on Electrical Engineering/Electronics, Computer, Telecommunications and Information Technology (ECTI-CON), Nakhon Ratchasima, Thailand, 14–14 May 2014; pp. 1–6. [Google Scholar] [CrossRef]
- Zhang, P.; Yan, F.; Du, C. A Comprehensive Analysis of Energy Management Strategies for Hybrid Electric Vehicles Based on Bibliometrics. Renew. Sustain. Energy Rev. 2015, 48, 88–104. [Google Scholar] [CrossRef]
- Salmasi, F.R. Control Strategies for Hybrid Electric Vehicles: Evolution, Classification, Comparison, and Future Trends. IEEE Trans. Veh. Technol. 2007, 56, 2393–2404. [Google Scholar] [CrossRef]
- Trovão, J.P.; Antunes, C.H. A Comparative Analysis of Meta-Heuristic Methods for Power Management of a Dual Energy Storage System for Electric Vehicles. Energy Convers. Manag. 2015, 95, 281–296. [Google Scholar] [CrossRef]
- Tie, S.F.; Tan, C.W. A Review of Power and Energy Management Strategies in Electric Vehicles. In Proceedings of the 2012 4th International Conference on Intelligent and Advanced Systems (ICIAS2012), Kuala Lumpur, Malaysia, 12–14 June 2012; pp. 412–417. [Google Scholar]
- Tie, S.F.; Tan, C.W. A Review of Energy Sources and Energy Management System in Electric Vehicles. Renew. Sustain. Energy Rev. 2013, 20, 82–102. [Google Scholar] [CrossRef]
- Dixon, J.W.; Ortúzar, M.E. Ultracapacitors + DC-DC Converters in Regenerative Braking System. IEEE Aerosp. Electron. Syst. Mag. 2002, 17, 16–21. [Google Scholar] [CrossRef]
- Thounthong, P.; Sethakul, P.; Raël, S.; Davat, B. Performance Evaluation of Fuel Cell/Battery/Supercapacitor Hybrid Power Source for Vehicle Applications. In Proceedings of the 2009 IEEE Industry Applications Society Annual Meeting, Houston, TX, USA, 4–8 October 2009; pp. 1–8. [Google Scholar]
- Thounthong, P.; Raël, S.; Davat, B. Energy Management of Fuel Cell/Battery/Supercapacitor Hybrid Power Source for Vehicle Applications. J. Power Sources 2009, 193, 376–385. [Google Scholar] [CrossRef]
- Faggioli, E.; Rena, P.; Danel, V.; Andrieu, X.; Mallant, R.; Kahlen, H. Supercapacitors for the Energy Management of Electric Vehicles. J. Power Sources 1999, 84, 261–269. [Google Scholar] [CrossRef]
- Ortuzar, M.; Dixon, J.; Moreno, J. Design, Construction and Performance of a Buck-Boost Converter for an Ultracapacitor-Based Auxiliary Energy System for Electric Vehicles. In Proceedings of the IECON’03, 29th Annual Conference of the IEEE Industrial Electronics Society (IEEE Cat. No.03CH37468), Roanoke, VA, USA, 2–6 November 2003; Volume 3, pp. 2889–2894. [Google Scholar] [CrossRef]
- Dixon, J.W.; Ortúzar, M.; Wiechmann, E. Regenerative Braking for an Electric Vehicle Using Ultracapacitores and a Buck-Boost Converter. In Proceedings of the 17th Electric Vehicle Symposium (EVS17), Montreal, QC, Canada, 15–18 October 2000. [Google Scholar]
- Wangsupphaphol, A.; Idris, N.R.N.; Jusoh, A.; Muhamad, N.D. Power Converter Design for Electric Vehicle Applications. J. Teknol. Sci. Eng. 2014, 67, 25–31. [Google Scholar] [CrossRef]
- Karunarathne, E.; Wijesekera, A.; Samaranayake, L.; Binduhewa, P.; Ekanayake, J. On the Implementation of Hybrid Energy Storage for Range and Battery Life Extension of an Electrified Tuk-Tuk. J. Energy Storage 2022, 46, 103897. [Google Scholar] [CrossRef]
- Wang, G.; Yang, P.; Zhang, J. Fuzzy Optimal Control and Simulation of Battery-Ultracapacitor Dual-Energy Source Storage System for Pure Electric Vehicle. In Proceedings of the 2010 International Conference on Intelligent Control and Information Processing, Dalian, China, 13–15 August 2010; pp. 555–560. [Google Scholar] [CrossRef]
- Huang, X.; Curti, J.M.A.; Yoichi, H. Energy Management Strategy with Optimized Power Interface for the Battery Supercapacitor Hybrid System of Electric Vehicles. In Proceedings of the IECON 2013—39th Annual Conference of the IEEE Industrial Electronics Society, Vienna, Austria, 10–13 November 2013; pp. 4635–4640. [Google Scholar] [CrossRef]
- Zandi, M.; Payman, A.; Martin, J.; Pierfederici, S.; Davat, B.; Meibody-Tabar, F. Energy Management of a Fuel Cell/Supercapacitor/Battery Power Source for Electric Vehicular Applications. IEEE Trans. Veh. Technol. 2011, 60, 433–443. [Google Scholar] [CrossRef]
- Cao, J.; Cao, B.; Bai, Z.; Chen, W. Energy-Regenerative Fuzzy Sliding Mode Controller Design for Ultracapacitor-Battery Hybrid Power of Electric Vehicle. In Proceedings of the 2007 International Conference on Mechatronics and Automation, Harbin, China, 5–9 August 2007; pp. 1570–1575. [Google Scholar]
- Li, Q.; Chen, W.; Liu, Z.; Li, M.; Ma, L. Development of Energy Management System Based on a Power Sharing Strategy for a Fuel Cell-Battery-Supercapacitor Hybrid Tramway. J. Power Sources 2015, 279, 267–280. [Google Scholar] [CrossRef]
- Sampathnarayanan, B.; Onori, S.; Yurkovich, S. An Optimal Regulation Strategy for Energy Management of Hybrid Electric Vehicles. In Proceedings of the 2012 IEEE 51st IEEE Conference on Decision and Control (CDC), Maui, HI, USA, 10–13 December 2012; Volume 50, pp. 7063–7068. [Google Scholar]
- Dellnitz, M.; Eckstein, J.; Flaßkamp, K.; Friedel, P.; Horenkamp, C.; Köhler, U.; Ober-Blöbaum, S.; Peitz, S.; Tiemeyer, S. Development of an Intelligent Cruise Control Using Optimal Control Methods. Procedia Technol. 2014, 15, 285–294. [Google Scholar] [CrossRef]
- Li, L.; Zhang, Y.; Yang, C.; Jiao, X. Hybrid Genetic Algorithm-Based Optimization of Powertrain and Control Parameters of Plug-in Hybrid Electric Bus. J. Franklin Inst. 2015, 352, 776–801. [Google Scholar] [CrossRef]
- Ren, Y.; Zhong, Z. A Combined Particle Swarm Optimization-Wavelet Transform Based Strategy for Power Management of PEM Fuel Cell Powered Hybrid System. Adv. Mater. Res. 2014, 973, 954–957. [Google Scholar] [CrossRef]
- Chen, Z.; Mi, C.C.; Xia, B.; You, C. Energy Management of Power-Split Plug-in Hybrid Electric Vehicles Based on Simulated Annealing and Pontryagin’s Minimum Principle. J. Power Sources 2014, 272, 160–168. [Google Scholar] [CrossRef]
- Sousa, T.; Vale, Z.; Carvalho, J.P.; Pinto, T.; Morais, H. A Hybrid Simulated Annealing Approach to Handle Energy Resource Management Considering an Intensive Use of Electric Vehicles. Energy 2014, 67, 81–96. [Google Scholar] [CrossRef]
- Chen, Z.; Xia, B.; You, C.; Mi, C.C. A Novel Energy Management Method for Series Plug-in Hybrid Electric Vehicles. Appl. Energy 2015, 145, 172–179. [Google Scholar] [CrossRef]
- Zhang, S.; Xiong, R. Adaptive Energy Management of a Plug-in Hybrid Electric Vehicle Based on Driving Pattern Recognition and Dynamic Programming. Appl. Energy 2015, 155, 68–78. [Google Scholar] [CrossRef]
- Samanta, C.K.; Hota, M.K.; Nayak, S.R.; Panigrahi, S.P.; Panigrahi, B.K. Energy Management in Hybrid Electric Vehicles Using Optimized Radial Basis Function Neural Network. Int. J. Sustain. Eng. 2014, 7, 352–359. [Google Scholar] [CrossRef]
- Anubi, O.M.; Clemen, L. Energy-Regenerative Model Predictive Control. J. Franklin Inst. 2015, 352, 2152–2170. [Google Scholar] [CrossRef]
- Wang, J.; Zhou, J.; Zhao, W. Deep Reinforcement Learning Based Energy Management Strategy for Fuel Cell/Battery/Supercapacitor Powered Electric Vehicle. Green Energy Intell. Transp. 2022, 1, 100028. [Google Scholar] [CrossRef]
- Thounthong, P.; Davat, B. Control Strategy of Fuel Cell/Supercapacitors Hybrid Power Sources for Electric Vehicle. J. Power Sources 2006, 158, 806–814. [Google Scholar] [CrossRef]
- Thounthong, P.; Chunkag, V.; Sethakul, P.; Davat, B.; Hinaje, M. Comparative Study of Fuel-Cell Vehicle Hybridization with Battery or Supercapacitor Storage Device. IEEE Trans. Veh. Technol. 2009, 58, 3892–3904. [Google Scholar] [CrossRef]
- Wangsupphaphol, A.; Rumzi, N.; Idris, N.; Jusoh, A.; Muhamad, N.D.; Chaitusaney, S. Design and Development of Auxiliary Energy Storage for Battery Hybrid Electric Vehicle. J. Energy Storage 2022, 51, 104533. [Google Scholar] [CrossRef]
- Shen, J.; Khaligh, A. Design and Real-Time Controller Implementation for a Battery-Ultracapacitor Hybrid Energy Storage System. IEEE Trans. Ind. Inform. 2016, 12, 1910–1918. [Google Scholar] [CrossRef]
- Zhai, C.; Luo, F.; Liu, Y. A Novel Predictive Energy Management Strategy for Electric Vehicles Based on Velocity Prediction. IEEE Trans. Veh. Technol. 2020, 69, 12559–12569. [Google Scholar] [CrossRef]
Disclaimer/Publisher’s Note: The statements, opinions and data contained in all publications are solely those of the individual author(s) and contributor(s) and not of MDPI and/or the editor(s). MDPI and/or the editor(s) disclaim responsibility for any injury to people or property resulting from any ideas, methods, instructions or products referred to in the content. |
© 2023 by the authors. Licensee MDPI, Basel, Switzerland. This article is an open access article distributed under the terms and conditions of the Creative Commons Attribution (CC BY) license (https://creativecommons.org/licenses/by/4.0/).




