Optimization of Power System Stabilizers Using Proportional-Integral-Derivative Controller-Based Antlion Algorithm: Experimental Validation via Electronics Environment
Abstract
1. Introduction
1.1. Motivation and Incitement
1.2. Literature Review
- High-speed processing powers;
- Higher computation capabilities;
- Faster operations.;
- Enhanced performance than other methods.
1.3. Contribution and Paper Organization
- Proposing an ALO algorithm to optimize the gains of the PID-based PSS that improves the power system stability during real-time constraints;
- Presenting experimental validation of the proposed ALO-based PID-PSS controller via a real-time domain, using the dSPACE electronics environment;
- Several test cases, considering light, nominal, and heavy loadings, are performed, including different step load perturbations and several short circuit faults at various locations;
- The high effectiveness of ALO and MPSO is demonstrated to regain the system’s stability under the three loading conditions;
- The proposed ALO-based PID-PSS controller has a robust performance over the MPSO-based PID-PSS.
2. SMIB Model
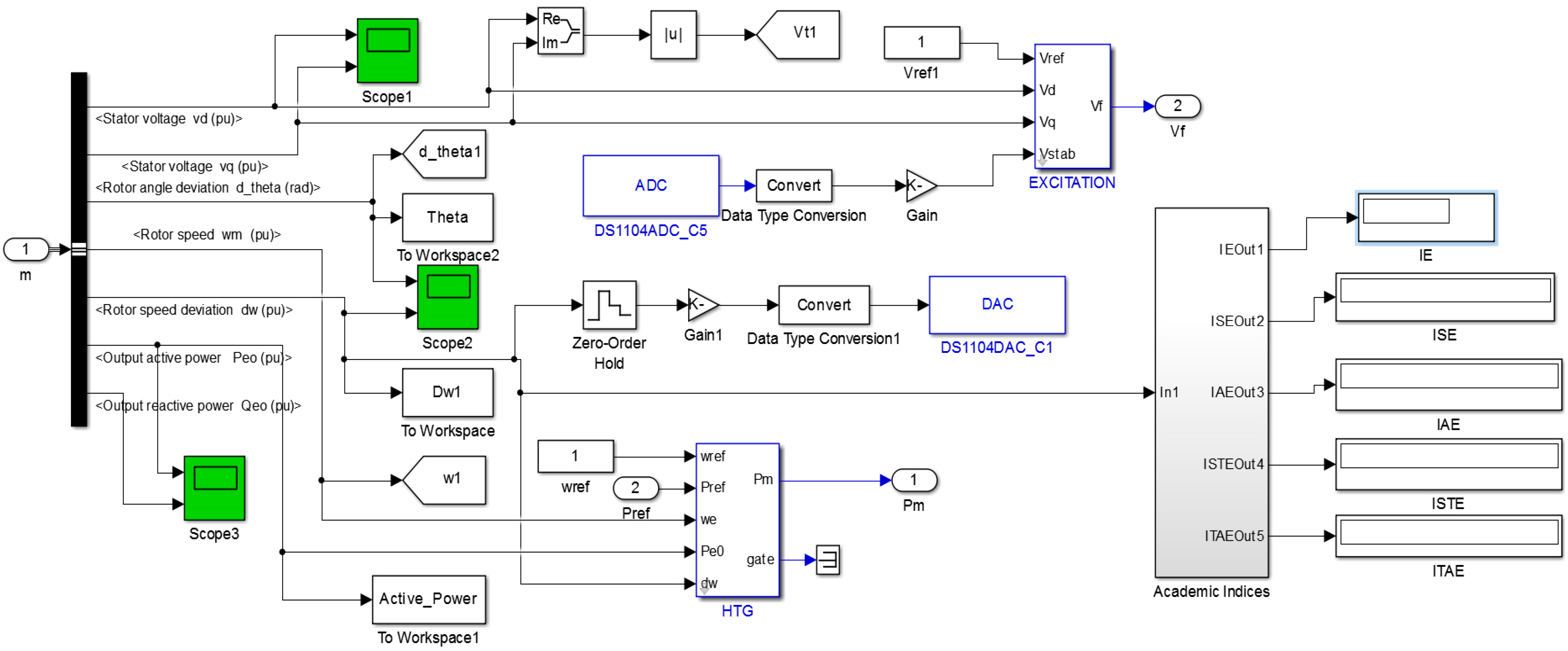
2.1. Block Diagram
2.2. Dynamic Model via dSPACE Electronics Environment
- The block “gain 1” shifts the G1 speed deviation by k;
- Then, the signal is sent to the developed PSS on the NI-sbRIO-9636 through the DAC converter (DS1104DAC_C1) of dSPACE;
- The developed PSS receives the real-time signal from dSPACE through the analog pins of the NI-sbRIO-9636, and then compensates for the shift which retained before analyzing the signal;
- The correction signal was sent back from the PSS after being shifted to the dSPACE through the analog output pin of the NI-SbRIO board;
- The dSPACE analog input received the correction signal using the ADC converter, represented by the block DS1104ADC_C5.
3. Proposed HIL-Based Experimental Model-based Antlion Optimizer (ALO)
3.1. HIL-Based Experimental Model via dSPACE DS1104 and NI SbRIO-9636 Board
3.2. Antlion Optimizer (ALO)
3.3. Optimization Process Using the Proposed ALO in Handling the HIL-Based Experimental Model
4. Results and Analysis
4.1. Light Loading
4.1.1. Simulation of Case Study No. (1) during Light Loading
4.1.2. Case Study No. (2) during Light Loading
4.1.3. Case Study No. (3) during Light Loading
4.1.4. Case Study No. (4) during Light Loading
4.1.5. Case Study No. (5) during Light Loading
4.2. Nominal Loading
4.2.1. Case Studies No. (6) and (7) during Nominal Loading
4.2.2. Case Study No. (8) during Nominal Loading
4.2.3. Case Study No. (9) during Nominal Loading
4.3. Heavy Loading
4.3.1. Case Study No. (10) during Heavy Loading
4.3.2. Case Study No. (11) during Heavy Loading
4.3.3. Case Study No. (12) during Heavy Loading
5. Conclusions
Author Contributions
Funding
Institutional Review Board Statement
Informed Consent Statement
Data Availability Statement
Conflicts of Interest
Glossary
| List of symbols: | |
| : | The state variables. |
| : | The number of states. |
| : | The derivative of the state variables. |
| : | Damping coefficient. |
| : | Inertia coefficient. |
| Constants of the linearized model. | |
| : | The rated speed in elec. rad/s = 2πf0 = 377 for 60 Hz system |
| : | (d and q)-axis open circuit transient time constant, respectively. |
| : | The vector of inputs to the system. |
| : | The mechanical torque, p.u. |
| : | The reference voltage, p.u. |
| : | The electromechanical mode eigenvalue. |
| : | The damping ratio, per unit speed change MVA/MW. |
| : | Voltage regulator gain. |
| : | Voltage regulator time constants. |
| : | The state vector |
| : | Linearized incremental quantity. |
| : | Machine speed deviation, p.u. |
| : | Rotor angle or power angle deviation, rad. |
| : | The q-axis component of the transient voltage behind transient reactance. |
| : | Generator field or exciter output voltage deviation, p.u. |
| : | The random walks of ants in search of space. |
| The cumulative sum. | |
| The step of random walk. | |
| A stochastic function. | |
| a random number generated with uniform distribution in the interval of [0, 1]. | |
| The normalized random walk of prey in the search space. | |
| The minimum of random walk of i-th variable. | |
| The maximum of random walk in i-th variable. | |
| The minimum of i-th variable at t-th iteration. | |
| The maximum of i-th variable at t-th iteration. | |
| The position of the selected j-th antlion at t-th iteration. | |
| The minimum of all variables at t-th iteration. | |
| The vector including the maximum of all variables at t-th teration. | |
| The minimum of all variables for i-th ant. | |
| The maximum of all variables for i-th ant. | |
| A ratio. | |
| The current iteration. | |
| A constant defined based on the current iteration (w = 2 when t > 0.1 T, w = 3 when t > 0.5 T, w = 4 when t > 0.75 T, w = 5 when t > 0.9 T, and w = 6 when t > 0.95 T). | |
| The position of i-th ant at t-th iteration. | |
| The J’s objective function. | |
| The steady-state synchronizing torque coefficient, per unit torque/rad. | |
| The damping torque coefficient, per unit torque/per unit speed change. | |
| The undamped natural frequency, rad/s. | |
| The damped frequency, rad/s. | |
| List of abbreviations: | |
| PSS: | Power system stabilizer. |
| PID: | Proportional integral derivative. |
| ALO: | The Antlion optimization. |
| HIL: | Hardware-in-the-loop. |
| FPGA: | Field programmable gate arrays. |
| NI: | National Instruments. |
| MPSO: | Modified particle swarm optimization. |
| ISE: | The integral square of the error. |
| IAE: | The integral absolute of the error. |
| ITSE: | The integral time square of the error. |
| ITAE: | The integral time absolute of the error. |
| GA: | Genetic algorithm. |
| NSGAII: | Non-dominated sorting genetic algorithm II. |
| PBIL: | Population-based incremental learning. |
| SMIB: | Single-machine infinite bus. |
| MMPS: | Multi-machine power system. |
| RCP: | Rapid control prototyping. |
| SIL: | Software in the loop. |
| A/D: | Analog/digital. |
Appendix A
| Device | Parameter | Value |
|---|---|---|
| Hydro Generator (Salient pole) | F | 50 Hz |
| D | 0 | |
| M | 7.4000 S | |
| 4.42586 S | ||
| 1.305 P.U. | ||
| 0.296 P.U. | ||
| 0.474 P.U. | ||
| 200 | ||
| 0.001 S | ||
| T-L | L | 0.8737 × 10−3 H/Km |
| R | 0.01755 /Km |
| Gains | Property | Value |
|---|---|---|
| Solver | Start Time | 0.0 |
| Stop Time | Inf. | |
| Fixed Step-Size | Fixed-Step | |
| Solver Type | Unconstrained | |
| Periodic Sample Time Constraint | ||
| Higher Priority Value Indicates Higher Task Priority | Off | |
| Optimization | Block Reduction | Off |
| Signal Storage Reuse | Off | |
| Code Generation | System Target File | RTI 1104 |
| Components | Parameter |
|---|---|
| Storage | 512 MB |
| DRAM | 256 MB |
| Processing Speed | 400 MHz |
| AI | 16ch-16bit |
| AO | 4ch-16bit |
| RS-232 | 2 |
| RS-485 | 1 |
| CAN | 1 |
| USB | 1 |
| FPGA type | Xilinx Spartan-6 LX45 |
| Number of flip-flops | 54,576 |
| Number of 6-input LUTs | 27,288 |
| Input Range | −10 V to 10 V |
References
- Bhukya, J.; Mahajan, V. Mathematical modelling and stability analysis of PSS for damping LFOs of wind power system. IET Renew. Power Gener. 2019, 13, 103–115. [Google Scholar] [CrossRef]
- El Ela, A.A.A.; El-Sehiemy, R.A.; Shaheen, A.M.; Diab, A.E.G. Optimal design of PID controller based sampe-jaya algorithm for load frequency control of linear and nonlinear multi-area thermal power systems. Int. J. Eng. Res. Afr. 2020, 50, 79–93. [Google Scholar] [CrossRef]
- Prasertwong, K.; Mithulananthan, N.; Thakur, D. Understanding low-frequency oscillation in power systems. Int. J. Electr. Eng. Educ. 2010, 47, 248–262. [Google Scholar] [CrossRef]
- Reddy, J.; Kishore, M.J. Real time implementation of H∞ loop shaping robust PSS for multimachine power system using dSPACE. Int. J. Electr. Power Energy Syst. 2011, 33, 10. [Google Scholar] [CrossRef]
- Aghazade, A.; Kazemi, A. Simultaneous coordination of power system stabilizers and STATCOM in a multi-machine power system for enhancing dynamic performance. In Proceedings of the 4th International Power Engineering and Optimization Conference (PEOCO 2010), Program and Abstracts, Shah Alam, Malaysia, 23–24 June 2010. [Google Scholar] [CrossRef]
- Guesmi, T.; Farah, A.; Abdallah, H.H.; Ouali, A. Robust design of multimachine power system stabilizers based on improved non-dominated sorting genetic algorithms. Electr. Eng. 2018, 100, 1351–1363. [Google Scholar] [CrossRef]
- Ameli, A.; Farrokhifard, M.; Ahmadifar, A.; Safari, A.; Shayanfar, H.A. Optimal tuning of Power System Stabilizers in a multi-machine system using firefly algorithm. In Proceedings of the 12th International Conference on Environment and Electrical Engineering (EEEIC 2013), Wroclaw, Poland, 5–8 May 2013. [Google Scholar] [CrossRef]
- Dombo, D.A.; Folly, K. Multi-machine power system stabilizer design based on population based incremental learning. In Proceedings of the 2015 IEEE Symposium Series on Computational Intelligence (SSCI 2015), Cape Town, South Africa, 7–10 December 2015. [Google Scholar] [CrossRef]
- Peres, W.; Júnior, I.C.S.; Filho, J.A.P. Gradient based hybrid metaheuristics for robust tuning of power system stabilizers. Int. J. Electr. Power Energy Syst. 2018, 95, 47–72. [Google Scholar] [CrossRef]
- Sabo, A.; Wahab, N.I.A.; Othman, M.L.; Jaffar, M.Z.A.M. Mitigation of oscillations in smib using a novel farmland fertility optimization based PIDPSS. In Proceedings of the 2020 2nd International Conference on Smart Power and Internet Energy Systems (SPIES 2020), Bangkok, Thailand, 15–18 September 2020. [Google Scholar] [CrossRef]
- Ibrahim, N.M.A.; Elnaghi, B.E.; Ibrahem, H.A.; Talaat, H.E.A. Modified particle swarm optimization based on lead-lag power system stabilizer for improve stability in multi-machine power system. Int. J. Electr. Eng. Inform. 2019, 11, 161–182. [Google Scholar] [CrossRef]
- Izci, D. A novel improved atom search optimization algorithm for designing power system stabilizer. Evol. Intell. 2022, 15, 2089–2103. [Google Scholar] [CrossRef]
- Alotaibi, I.M.; Ibrir, S.; Abido, M.A.; Khalid, M. Nonlinear Power System Stabilizer Design for Small Signal Stability Enhancement. Arab. J. Sci. Eng. 2022, 47, 13893–13905. [Google Scholar] [CrossRef]
- Bayu, E.S.; Khan, B.; Ali, Z.M.; Alaas, Z.M.; Mahela, O.P. Mitigation of Low-Frequency Oscillation in Power Systems through Optimal Design of Power System Stabilizer Employing ALO. Energies 2022, 15, 3809. [Google Scholar] [CrossRef]
- Yokus, H.; Ozturk, A. A robust crow search algorithm-based power system stabilizer for the SMIB system. Neural Comput. Appl. 2022, 34, 9161–9173. [Google Scholar] [CrossRef]
- Ansari, J.; Abbasi, A.R.; Heydari, M.H.; Avazzadeh, Z. Simultaneous design of fuzzy PSS and fuzzy STATCOM controllers for power system stability enhancement. Alex. Eng. J. 2022, 61, 2841–2850. [Google Scholar] [CrossRef]
- Rodrigues, F.; Molina, Y.; Silva, C.; Ñaupari, Z. Simultaneous tuning of the AVR and PSS parameters using particle swarm optimization with oscillating exponential decay. Int. J. Electr. Power Energy Syst. 2021, 133, 107215. [Google Scholar] [CrossRef]
- Chaib, L.; Choucha, A.; Arif, S. Optimal design and tuning of novel fractional order PID power system stabilizer using a new metaheuristic Bat algorithm. Ain Shams Eng. J. 2017, 8, 113–125. [Google Scholar] [CrossRef]
- Hemmati, R. Power system stabilizer design based on optimal model reference adaptive system. Ain Shams Eng. J. 2016, 9, 311–318. [Google Scholar] [CrossRef]
- Abid, S.; El-Rifaie, A.M.; Elshahed, M.; Ginidi, A.R.; Shaheen, A.M.; Moustafa, G.; Tolba, M.A. Development of Slime Mold Optimizer with Application for Tuning Cascaded PD-PI Controller to Enhance Frequency Stability in Power Systems. Mathematics 2023, 11, 1796. [Google Scholar] [CrossRef]
- El-Sehiemy, R.; Shaheen, A.; Ginidi, A.; Al-Gahtani, S.F. Proportional-Integral-Derivative Controller Based-Artificial Rabbits Algorithm for Load Frequency Control in Multi-Area Power Systems. Fractal Fract. 2023, 7, 97. [Google Scholar] [CrossRef]
- Huang, J.; Liu, J.; Zhang, C.; Kuang, Y.; Weng, S. Application of Improved Quasi-Affine Transformation Evolutionary Algorithm in Power System Stabilizer Optimization. Electronics 2022, 11, 2785. [Google Scholar] [CrossRef]
- Radovici, A.; Culic, I. Embedded Systems Software Development. In Getting Started with Secure Embedded Systems; Springer: Berlin/Heidelberg, Germany, 2022. [Google Scholar]
- Irfan, A.; Khan, M.G.; Amin, A.A.; Mohsin, S.A.; Adnan, M.; Zulfiqar, A. Model-Based Design, HIL Testing, and Rapid Control Prototyping of a Low-Cost POC Quadcopter with Stability Analysis and Control. Complexity 2022, 2022, 1492170. [Google Scholar] [CrossRef]
- Menghal, P.M.; Laxmi, A.J. Real time simulation: A novel approach in engineering education. In Proceedings of the 2011 3rd International Conference on Electronics Computer Technology (ICECT 2011), Kanyakumari, India, 8–10 April 2011. [Google Scholar] [CrossRef]
- Estrada, L.; Vázquez, N.; Vaquero, J.; de Castro, Á.; Arau, J. Real-time hardware in the loop simulation methodology for power converters using labview FPGA. Energies 2020, 13, 373. [Google Scholar] [CrossRef]
- Picerno, M.; Lee, S.-Y.; Pasternak, M.; Siddareddy, R.; Franken, T.; Mauss, F.; Andert, J. Real-Time Emission Prediction with Detailed Chemistry under Transient Conditions for Hardware-in-the-Loop Simulations. Energies 2022, 15, 261. [Google Scholar] [CrossRef]
- Almas, M.S.; Vanfretti, L.; Vanfretti, L. Experimental performance assessment of a generator’s excitation control system using real-time hardware-in-the-loop simulation. In Proceedings of the 40th Annual Conference of the IEEE Industrial Electronics Society (IECON 2014), Dallas, TX, USA, 29 October–1 November 2014. [Google Scholar] [CrossRef]
- Tian, H.; Guo, S.; Zhao, P.; Gong, M.; Shen, C. Design and implementation of a real-time multi-beam sonar system based on fpga and dsp. Sensors 2021, 21, 1425. [Google Scholar] [CrossRef] [PubMed]
- Saralegui, R.; Sanchez, A.; de Castro, A. Modeling of deadtime events in power converters with half-bridge modules for a highly accurate hardware-in-the-loop fixed point implementation in fpga. Appl. Sci. 2021, 11, 6490. [Google Scholar] [CrossRef]
- Hermassi, M.; Krim, S.; Kraiem, Y.; Hajjaji, M.A.; Alshammari, B.M.; Alsaif, H.; Alshammari, A.S.; Guesmi, T. Design of Vector Control Strategies Based on Fuzzy Gain Scheduling PID Controllers for a Grid-Connected Wind Energy Conversion System: Hardware FPGA-in-the-Loop Verification. Electronics 2023, 12, 1419. [Google Scholar] [CrossRef]
- El Zerk, A.; Ouassaid, M. Real-Time Fuzzy Logic Based Energy Management System for Microgrid Using Hardware in the Loop. Energies 2023, 16, 2244. [Google Scholar] [CrossRef]
- Essa, M.E.S.M.; Lotfy, J.V.W.; Abd-Elwahed, M.E.K.; Rabie, K.; ElHalawany, B.M.; Elsisi, M. Low-Cost Hardware in the Loop for Intelligent Neural Predictive Control of Hybrid Electric Vehicle. Electronics 2023, 12, 971. [Google Scholar] [CrossRef]
- Samano-Ortega, V.; Padilla-Medina, A.; Bravo-Sanchez, M.; Rodriguez-Segura, E.; Jimenez-Garibay, A.; Martinez-Nolasco, J. Hardware in the loop platform for testing photovoltaic system control. Appl. Sci. 2020, 10, 8690. [Google Scholar] [CrossRef]
- Hasan, N.; Ibraheem, I.; Farooq, S. Real time simulation of automatic generation control for interconnected power system. Int. J. Electr. Eng. Inform. 2012, 4, 40–51. [Google Scholar] [CrossRef]
- Almas, M.S.; Vanfretti, L. Implementation of conventional and phasor based power system stabilizing controls for real-time simulation. In Proceedings of the 40th Annual Conference of the IEEE Industrial Electronics Society (IECON 2014), Dallas, TX, USA, 29 October–1 November 2014. [Google Scholar] [CrossRef]
- Scheibe, C.; Kuri, A.; Graf, L.; Venugopal, R.; Mehlmann, G. Real Time Co-Simulation of Electromechanical and Electromagnetic Power System Models. In Proceedings of the 5th International Conference on Smart Energy Systems and Technologies (SEST 2022), Porto, Portugal, 9–11 September 2022. [Google Scholar] [CrossRef]
- Prabha, O.P.M.; Kundur, S. Power System Stability And Control by Prabha Kundur; McGraw-Hill, Inc.: New York, NY, USA, 2022. [Google Scholar]
- Jovcic, D.; Pillai, G.N. Analytical modeling of TCSC dynamics. IEEE Trans. Power Deliv. 2005, 20, 1097–1104. [Google Scholar] [CrossRef]
- DS1104 R&D Controller Board. Available online: www.dspace.com/en/pub/home/products/hw/singbord/ds1104.cfm (accessed on 5 February 2022).
- Piyaratna, S.; Duong, N.; Carr, J.; Bird, D.; Kennedy, S.; Udina, A.; Jenkinson, P. Digital RF processing system for Hardware-in-the-Loop simulation. In Proceedings of the 2013 International Conference on Radar—Beyond Orthodoxy: New Paradigms in Radar (RADAR 2013), Adelaide, SA, Australia, 9–12 September 2013. [Google Scholar] [CrossRef]
- Bacic, M. On hardware-in-the-loop simulation. In Proceedings of the 44th IEEE Conference on Decision and Control, and the European Control Conference (CDC-ECC’05), Seville, Spain, 15 December 2005. [Google Scholar] [CrossRef]
- Latha, A.H.; Shubhanga, K.N. Hardware-in-the-Loop testing of PSS for synchronous generator. In Proceedings of the IEEE International Conference on Green Computing, Communication and Electrical Engineering (ICGCCEE 2014), Coimbatore, India, 6–8 March 2014. [Google Scholar] [CrossRef]
- Lee, E.A.; Seshia, S.A.; Jensen, J.C. Teaching embedded systems the Berkeley way. In Proceedings of the 2012 Workshop on Embedded and Cyber-Physical Systems Education (WESE 2012), Tampere, Finland, 12 October 2013. [Google Scholar] [CrossRef]
- Pathak, V.K.; Gangwar, S.; Singh, R.; Srivastava, A.K.; Dikshit, M. A comprehensive survey on the ant lion optimiser, variants and applications. J. Exp. Theor. Artif. Intell. 2022, 28, 1397–1416. [Google Scholar] [CrossRef]
- Assiri, A.S.; Hussien, A.G.; Amin, M. Ant lion optimization: Variants, hybrids, and applications. IEEE Access 2020, 8, 77746–77764. [Google Scholar] [CrossRef]
- Mirjalili, S. The Ant Lion Optimizer. Adv. Eng. Softw. 2015, 83, 80–98. [Google Scholar] [CrossRef]
- Raju, M.; Saikia, L.C.; Sinha, N. Automatic generation control of a multi-area system using ant lion optimizer algorithm based PID plus second order derivative controller. Int. J. Electr. Power Energy Syst. 2016, 80, 52–63. [Google Scholar] [CrossRef]
- Robinson, J.; Rahmat-Samii, Y. Particle swarm optimization in electromagnetics. IEEE Trans. Antennas Propag. 2004, 52, 397–407. [Google Scholar] [CrossRef]
- Ibrahim, N.M.; Attia, H.E.; Talaat, H.E.; Alaboudy, A.H.K. Modified Particle Swarm Optimization Based Proportional-Derivative Power System Stabilizer. Int. J. Intell. Syst. Appl. 2015, 7, 62–76. [Google Scholar] [CrossRef]
- NI sbRIO-960x/962x/963x OEM Instructions and Specifications. Available online: www.ni.com/pdf/manuals/realtest.pdf (accessed on 7 February 2022).














| Parameters | Ports | ||
|---|---|---|---|
| 8 Parallel DAC Channels One A/D Converter | (ADC1) Multiplexed to Four Channels. Four Parallel A/D | Converters with One Channel Each | |
| Channels | DACH1:DACH8 | ADCH1:ADCH4 | ADC2:ADC5 |
| Resolution | 16-bit | 16-bit | 12-bit |
| Conversion time | - | 2 µs | 800 ns |
| Settling time | Max. 10 µs | - | - |
| I/O voltage ranges | ±10 V | ±10 V | ±10 V |
| Offset error | ±1 mV | ±5 mV | ±5 mV |
| Gain error | ±0.1% | ±0.25% | ±0.5% |
| Signal-to-noise ratio (SNR) | >80 dB (At 10 kHz) | >80 dB (At 10 kHz) | >65 dB |
| Simulink I/O | −1: +1 (Double) | −1: +1 (Double) | −1: +1 (Double) |
| Offset drift | 130 µV/K | 40 µV/K | 40 µV/K |
| Gain drift | 25 ppm/K | 25 ppm/K | 25 ppm/K |
| Equation and Description | |
|---|---|
| The random walking of ants in search of space | |
| (6) | |
| Definition of Stochastic function | |
| (7) | |
| The normalized random walking of prey in search of space | |
| (8) | |
| The relationship between the random walks of the antlion and the traps | |
| (9) | |
| (10) | |
| The prey ants sliding into the mouth of the antlion | |
| (11) | |
| (12) | |
| (13) | |
| Capturing the prey and rebuilding the trap in the same position or a new position | |
| (14) | |
| Elitism (the fittest antlion of each iteration) | |
| (15) | |
| Parameters | Values |
|---|---|
| Search agents | 40 |
| Maximum no. of iteration | 500 |
| Lower bound | −50 |
| Upper bound | 50 |
| Best score | Elite antlion fitness |
| Best position | Elite antlion position |
| Gains | MPSO-Based PID | Proposed ALO-Based PID * |
|---|---|---|
| 28.958 | 42.7423 | |
| 16.9831 | 18.9831 | |
| 12.5603 | 8.5603 |
| Test Types | Operating Conditions | ||
|---|---|---|---|
| Light Loading | Nominal Loading | Heavy Loading | |
| Step change 5% | Case No. 1 | Case No. 6 | Case No. 10 |
| Step change 10% | Case No. 2 | Case No. 7 | - |
| Short circuit fault at the beginning of the line | Case No. 3 | Case No. 8 | Case No. 11 |
| Short circuit fault at the middle of the line | Case No. 4 | Case No. 9 | Case No. 12 |
| Short circuit fault at the end of the line | Case No. 5 | - | - |
| Indices | Initial Operating Condition | PSSs | |
|---|---|---|---|
| MPSO-Based PID-PSS | ALO-Based PID-PSS | ||
| −963.6785 | −964.2796 | −964.0872 | |
| 0.0142 ± 5.3557i * | −27.2376 ± 21.4542i | −26.9996 ± 16.0385i | |
| −36.7372 | −0.7802 ± 4.1830i * | −1.1504 ± 4.5691i * | |
| 0 | 0 | 0 | |
| 0 | −20.00 | −20.00 | |
| in (per unit speed change * MVA/MW) | −0.0027 | 0.1834 | 0.2442 |
| in (rad/s) | 5.3557 | 4.2551 | 4.7117 |
| in (rad/s) | 5.3557 | 4.1830 | 4.5691 |
| in (per unit torque/rad) | 0.6756 | 0.4265 | 0.5229 |
| in (per unit torque/per unit speed change) | −0.2102 | 11.5470 | 17.0259 |
| Signal | PSS | ISE | IAE | ITSE | ITAE |
|---|---|---|---|---|---|
in (per unit) | MPSO-based PID-PSS | 5.6141 × 10−8 | 7.5682 × 10−4 | 4.0514 × 10−7 | 7.9489 × 10−3 |
| Proposed ALO-based PID-PSS | 4.2867 × 10−8 | 6.0334 × 10−4 | 2.7636 × 10−7 | 5.8924 × 10−3 | |
| Improvement % | 23.64 | 20.28 | 31.79 | 25.87 | |
| Average improvement % | 25.4 | ||||
| Δδ in (electrical radian) | MPSO-based PID-PSS | 99.2272 | 73.3638 | 2722.6478 | 2002.0799 |
| Proposed ALO-based PID-PSS | 90.7444 | 67.3441 | 2298.9890 | 1695.0494 | |
| Improvement % | 8.55 | 8.21 | 15.56 | 15.34 | |
| Average improvement % | 11.91 | ||||
| Active Power in (per unit) | MPSO-based PID-PSS | 4.8840 | 1.6280 | 132.5225 | 441.7392 |
| Proposed ALO-based PID-PSS | 4.4999 | 1.4999 | 112.5009 | 375.0011 | |
| Improvement % | 7.87 | 7.87 | 15.11 | 15.11 | |
| Average improvement % | 11.49 | ||||
| Positive Voltage B1 in (per unit) | MPSO-based PID-PSS | 55.1833 | 54.7230 | 1496.6154 | 1484.4879 |
| Proposed ALO-based PID-PSS | 50.8451 | 50.4205 | 1270.5249 | 1260.2205 | |
| Improvement % | 7.86 | 7.86 | 15.11 | 15.11 | |
| Average improvement % | 11.48 | ||||
| Signal | PSS | ISE | IAE | ITSE | ITAE |
|---|---|---|---|---|---|
in (per unit) | MPSO-based PID-PSS | 1.8618 × 10−7 | 1.2599 × 10−3 | 1.2429 × 10−6 | 1.2518 × 10−2 |
| Proposed ALO-based PID-PSS | 1.4160 × 10−7 | 9.7225 × 10−4 | 8.3481 × 10−7 | 8.9427 × 10−3 | |
| Improvement % | 23.94 | 22.83 | 32.83 | 28.56 | |
| Average improvement % | 27.04 | ||||
| Δδ in (electrical radian) | MPSO-based PID-PSS | 99.6772 | 73.5034 | 2751.3496 | 2012.3675 |
| Proposed ALO-based PID-PSS | 90.8837 | 67.3758 | 2318.1264 | 1701.8895 | |
| Improvement % | 8.82 | 8.34 | 15.75 | 15.43 | |
| Average improvement % | 12.08 | ||||
| Active Power in (per unit) | MPSO-based PID-PSS | 4.8842 | 16.2799 | 132.5242 | 441.7405 |
| Proposed ALO-based PID-PSS | 4.5002 | 14.9997 | 125.0260 | 375.0021 | |
| Improvement % | 7.862 | 7.864 | 5.658 | 15.108 | |
| Average improvement % | 9.12 | ||||
| Positive Voltage B1 in (per unit) | MPSO-based PID-PSS | 55.1986 | 54.7304 | 1496.4318 | 1484.3961 |
| Proposed ALO-based PID-PSS | 50.8609 | 50.4281 | 1270.3843 | 1260.1499 | |
| Improvement % | 7.858 | 7.861 | 15.106 | 15.107 | |
| Average improvement % | 11.48 | ||||
| Signal | PSS | ISE | IAE | ITSE | ITAE |
|---|---|---|---|---|---|
in (per unit) | MPSO-based PID-PSS | 1.04 × 10−5 | 1.05 × 10−2 | 8.71 × 10−5 | 1.18 × 10−1 |
| Proposed ALO-based PID-PSS | 8.97 × 10−6 | 9.21 × 10−3 | 6.95 × 10−5 | 9.85 × 10−2 | |
| Improvement % | 13.62 | 12.42 | 20.25 | 16.88 | |
| Average improvement % | 15.79 | ||||
| Δδ in (electrical radian) | MPSO-based PID-PSS | 132.1931 | 82.1348 | 3055.509 | 2090.912 |
| Proposed ALO-based PID-PSS | 136.3286 | 80.0167 | 2841.141 | 1850.655 | |
| Improvement % | −3.13 | 2.58 | 7.02 | 11.49 | |
| Average improvement % | 4.49 | ||||
| Active power in (per unit) | MPSO-based PID-PSS | 4.9663 | 16.3013 | 132.947 | 441.8534 |
| Proposed ALO-based PID-PSS | 4.5831 | 15.0222 | 112.9271 | 375.116 | |
| Improvement % | 7.716 | 7.847 | 15.059 | 15.104 | |
| Average improvement % | 11.43 | ||||
| Positive voltage B1 in (per unit) | MPSO-based PID-PSS | 54.8311 | 54.4937 | 1493.386 | 1482.835 |
| Proposed ALO-based PID-PSS | 50.5184 | 50.2043 | 1267.963 | 1258.669 | |
| Improvement % | 7.865 | 7.871 | 15.095 | 15.117 | |
| Average improvement % | 11.49 | ||||
| Signal | PSS | ISE | IAE | ITSE | ITAE |
|---|---|---|---|---|---|
in (per unit) | MPSO-based PID-PSS | 4.94 × 10−6 | 7.28 × 10−3 | 4.22 × 10−5 | 8.25 × 10−2 |
| Proposed ALO-based PID-PSS | 4.06 × 10−6 | 6.23 × 10−3 | 3.20 × 10−5 | 6.70 × 10−2 | |
| Improvement % | 17.82 | 14.43 | 24.24 | 18.74 | |
| Average improvement % | 18.81 | ||||
| Δδ in (electrical radian) | MPSO-based PID-PSS | 122.3997 | 80.097 | 2960.332 | 2072.018 |
| Proposed ALO-based PID-PSS | 122.4022 | 76.8583 | 2678.378 | 1812.301 | |
| Improvement % | 0.00 | 4.04 | 9.52 | 12.53 | |
| Average improvement % | 6.53 | ||||
| Active power in (per unit) | MPSO-based PID-PSS | 4.8865 | 16.2812 | 132.5237 | 441.7258 |
| Proposed ALO-based PID-PSS | 4.5029 | 15.0019 | 112.5045 | 374.9918 | |
| Improvement % | 7.850 | 7.858 | 15.106 | 15.108 | |
| Average improvement % | 11.48 | ||||
| Positive voltage B1 in (per unit) | MPSO-based PID-PSS | 54.9084 | 54.5824 | 1494.37 | 1483.347 |
| Proposed ALO-based PID-PSS | 50.5927 | 50.2913 | 1268.54 | 1259.168 | |
| Improvement % | 7.860 | 7.862 | 15.112 | 15.113 | |
| Average improvement % | 11.49 | ||||
| Signal | PSS | ISE | IAE | ITSE | ITAE |
|---|---|---|---|---|---|
in (per unit) | MPSO-based PID-PSS | 4.8497 × 10−6 | 7.0375 × 10−3 | 3.9695 × 10−5 | 7.8472 × 10−2 |
| Proposed ALO-based PID-PSS | 4.2507 × 10−6 | 6.1757 × 10−3 | 3.2162 × 10−5 | 6.5195 × 10−2 | |
| Improvement % | 12.35 | 12.25 | 18.98 | 16.92 | |
| Average improvement % | 15.12 | ||||
| Δδ in (electrical radian) | MPSO-based PID-PSS | 117.9186 | 78.9027 | 2902.6561 | 2054.6824 |
| Proposed ALO-based PID-PSS | 116.7623 | 75.3083 | 2600.7211 | 1788.6808 | |
| Improvement % | 0.98 | 4.56 | 10.40 | 12.95 | |
| Average improvement % | 7.22 | ||||
| Active Power in (per unit) | MPSO-based PID-PSS | 4.9262 | 16.2894 | 132.7317 | 441.7767 |
| Proposed ALO-based PID-PSS | 4.5425 | 15.0098 | 112.7113 | 375.0399 | |
| Improvement % | 7.789 | 7.855 | 15.083 | 15.106 | |
| Average improvement % | 11.46 | ||||
| Positive Voltage B1 in (per unit) | MPSO-based PID-PSS | 54.9541 | 54.5859 | 1495.1461 | 1483.6358 |
| Proposed ALO-based PID-PSS | 50.6308 | 50.2909 | 1269.0789 | 1259.3816 | |
| Improvement % | 7.867 | 7.868 | 15.120 | 15.115 | |
| Average improvement % | 11.49 | ||||
| Indices | Normal Operating Condition | PSSs | |
|---|---|---|---|
| MPSO-Based PID-PSS | ALO-Based PID-PSS | ||
| −966.47668 | −968.1181 | −967.5935 | |
| 0.1646 5.5081i * | −25.0930 38.1149i | −24.4835 30.2602i | |
| −34.2399 | −1.0417 3.1403i * | −1.9135 3.3986i * | |
| 0 | −20.00 | −20.00 | |
| 0 | 0 | 0 | |
| in (per unit speed change * MVA/MW) | −0.0290 | 0.3148 | 0.4906 |
| in (rad/s) | 5.5123 | 3.3086 | 3.9003 |
| in (rad/s) | 5.5100 | 3.1403 | 3.3986 |
| in (per unit torque/rad) | 0.7157 | 0.2578 | 0.3583 |
| in (per unit torque/per unit speed change) | −2.3680 | 15.4172 | 28.3198 |
| Signal | PSS | ISE | IAE | ITSE | ITAE |
|---|---|---|---|---|---|
in (per unit) | MPSO-based PID-PSS | 3.0812 × 10−5 | 1.4898 × 10−2 | 2.2519 × 10−4 | 1.3995 × 10−1 |
| Proposed ALO-based PID-PSS | 2.6185 × 10−5 | 1.2706 × 10−2 | 1.7327 × 10−4 | 1.1421 × 10−1 | |
| Average improvement % | 17.79 | ||||
| Δδ in (electrical radian) | MPSO-based PID-PSS | 73.4539 | 59.6633 | 1612.1012 | 1505.4544 |
| Proposed ALO-based PID-PSS | 79.4138 | 59.5458 | 1541.2948 | 1347.6912 | |
| Average improvement % | 1.74 | ||||
| Active Power in (per unit) | MPSO-based PID-PSS | 49.0806 | 51.5533 | 1329.4346 | 1398.8343 |
| Proposed ALO-based PID-PSS | 45.2330 | 47.5007 | 1128.6774 | 1187.5008 | |
| Average improvement % | 11.48 | ||||
| Positive Voltage B1 in (per unit) | MPSO-based PID-PSS | 53.7099 | 53.9568 | 1460.3439 | 1466.2232 |
| Proposed ALO-based PID-PSS | 49.8328 | 49.7099 | 1239.6082 | 1244.6283 | |
| Average improvement % | 11.33 | ||||
| Signal | PSS | ISE | IAE | ITSE | ITAE |
|---|---|---|---|---|---|
in (per unit) | MPSO-based PID-PSS | 2.10 × 10−5 | 1.23 × 10−2 | 1.54 × 10−4 | 1.15 × 10−1 |
| Proposed ALO-based PID-PSS | 1.74 × 10−5 | 1.03 × 10−2 | 1.15 × 10−4 | 9.19 × 10−2 | |
| Average improvement % | 19.72 | ||||
| Δδ in (electrical radian) | MPSO-based PID-PSS | 68.7602 | 58.5991 | 1569.719 | 1495.881 |
| Proposed ALO-based PID-PSS | 72.115 | 57.6263 | 1463.141 | 1325.248 | |
| Average improvement % | 3.74 | ||||
| Active Power in (per unit) | MPSO-based PID-PSS | 49.0306 | 51.5537 | 1329.163 | 1398.829 |
| Proposed ALO-based PID-PSS | 45.1818 | 47.5008 | 1128.402 | 1187.496 | |
| Average improvement % | 11.48 | ||||
| Positive Voltage B1 in (per unit) | MPSO-based PID-PSS | 53.7112 | 53.9735 | 1460.347 | 1466.309 |
| Proposed ALO-based PID-PSS | 49.4829 | 49.7257 | 1239.607 | 1244.711 | |
| Average improvement % | 11.49 | ||||
| Indices | Heavy Loading Condition | PSSs | |
|---|---|---|---|
| MPSO-Based PID-PSS | ALO-Based PID-PSS | ||
| −966.7365 | −968.4387 | −967.8947 | |
| 0.1843 5.5145i * | −24.9295 38.8812i | −24.3121 30.9152i | |
| −34.0196 | −1.0449 3.0970i * | −1.9342 3.3408i * | |
| 0 | −20.00 | −20.00 | |
| 0 | 0 | 0 | |
| in (per unit speed change MVA/MW) | −0.0334 | 0.3197 | 0.5010 |
| in (rad/s) | 5.5176 | 3.2685 | 3.8603 |
| in (rad/s) | 5.5145 | 3.0970 | 3.3408 |
| in (per unit torque/rad) | 0.7171 | 0.2516 | 0.3510 |
| in (per unit torque/per unit speed change) | −2.7276 | 15.4645 | 28.6262 |
| Signal | PSS | ISE | IAE | ITSE | ITAE |
|---|---|---|---|---|---|
in (per unit) | MPSO-based PID-PSS | 4.8497 × 10−6 | 7.0375 × 10−3 | 3.9695 × 10−5 | 7.8472 × 10−2 |
| Proposed ALO-based PID-PSS | 4.2507 × 10−6 | 6.1757 × 10−3 | 3.2162 × 10−5 | 6.5195 × 10−2 | |
| Improvement % | 12.35 | 12.25 | 18.98 | 16.92 | |
| Average improvement % | 15.12 | ||||
| Δδ in (electrical radian) | MPSO-based PID-PSS | 117.9186 | 78.9027 | 2902.6561 | 2054.6824 |
| Proposed ALO-based PID-PSS | 116.7623 | 75.3083 | 2600.7211 | 1788.6808 | |
| Improvement % | 0.98 | 4.56 | 10.40 | 12.95 | |
| Average improvement % | 7.22 | ||||
| Active Power in (per unit) | MPSO-based PID-PSS | 4.9262 | 16.2894 | 132.7317 | 441.7767 |
| Proposed ALO-based PID-PSS | 4.5425 | 15.0098 | 112.7113 | 375.0399 | |
| Improvement % | 7.789 | 7.855 | 15.083 | 15.106 | |
| Average improvement % | 11.46 | ||||
| Positive Voltage B1 in (per unit) | MPSO-based PID-PSS | 54.9541 | 54.5859 | 1495.1461 | 1483.6358 |
| Proposed ALO-based PID-PSS | 50.6308 | 50.2909 | 1269.0789 | 1259.3816 | |
| Improvement % | 7.867 | 7.868 | 15.120 | 15.115 | |
| Average improvement % | 11.49 | ||||
| Signal | PSS | ISE | IAE | ITSE | ITAE |
|---|---|---|---|---|---|
in (per unit) | MPSO-based PID-PSS | 3.61 × 10−5 | 1.39 × 10−2 | 2.38 × 10−4 | 1.27 × 10−1 |
| Proposed ALO-based PID-PSS | 3.35 × 10−5 | 1.22 × 10−2 | 2.05 × 10−4 | 1.06 × 10−1 | |
| Average improvement % | 12.28 | ||||
| Δδ in (electrical radian) | MPSO-based PID-PSS | 64.1097 | 56.4723 | 1466.215 | 1443.575 |
| Proposed ALO-based PID-PSS | 68.3277 | 55.8618 | 1382.389 | 1284.358 | |
| Average improvement % | 2.81 | ||||
| Active Power in (per unit) | MPSO-based PID-PSS | 54.4781 | 54.2652 | 1473.608 | 1472.48 |
| Proposed ALO-based PID-PSS | 50.2158 | 49.9989 | 1251.161 | 1250.018 | |
| Average improvement % | 11.47 | ||||
| Positive Voltage B1 in (per unit) | MPSO-based PID-PSS | 53.6238 | 53.8894 | 1457.186 | 1464.516 |
| Proposed ALO-based PID-PSS | 49.4051 | 49.6465 | 1236.963 | 1243.178 | |
| Average improvement % | 11.49 | ||||
Disclaimer/Publisher’s Note: The statements, opinions and data contained in all publications are solely those of the individual author(s) and contributor(s) and not of MDPI and/or the editor(s). MDPI and/or the editor(s) disclaim responsibility for any injury to people or property resulting from any ideas, methods, instructions or products referred to in the content. |
© 2023 by the authors. Licensee MDPI, Basel, Switzerland. This article is an open access article distributed under the terms and conditions of the Creative Commons Attribution (CC BY) license (https://creativecommons.org/licenses/by/4.0/).
Share and Cite
Ibrahim, N.M.A.; Talaat, H.E.A.; Shaheen, A.M.; Hemade, B.A. Optimization of Power System Stabilizers Using Proportional-Integral-Derivative Controller-Based Antlion Algorithm: Experimental Validation via Electronics Environment. Sustainability 2023, 15, 8966. https://doi.org/10.3390/su15118966
Ibrahim NMA, Talaat HEA, Shaheen AM, Hemade BA. Optimization of Power System Stabilizers Using Proportional-Integral-Derivative Controller-Based Antlion Algorithm: Experimental Validation via Electronics Environment. Sustainability. 2023; 15(11):8966. https://doi.org/10.3390/su15118966
Chicago/Turabian StyleIbrahim, Nader M. A., Hossam E. A. Talaat, Abdullah M. Shaheen, and Bassam A. Hemade. 2023. "Optimization of Power System Stabilizers Using Proportional-Integral-Derivative Controller-Based Antlion Algorithm: Experimental Validation via Electronics Environment" Sustainability 15, no. 11: 8966. https://doi.org/10.3390/su15118966
APA StyleIbrahim, N. M. A., Talaat, H. E. A., Shaheen, A. M., & Hemade, B. A. (2023). Optimization of Power System Stabilizers Using Proportional-Integral-Derivative Controller-Based Antlion Algorithm: Experimental Validation via Electronics Environment. Sustainability, 15(11), 8966. https://doi.org/10.3390/su15118966

