Optimization of a Fuel Cost and Enrichment of Line Loadability for a Transmission System by Using Rapid Voltage Stability Index and Grey Wolf Algorithm Technique
Abstract
:1. Introduction
2. Problem Formulization
2.1. Objective Function
2.2. Equality Constraints
2.3. Constraints Imposed by Inequality
- (1)
- Generator bus voltage restrictions:
- (2)
- Limits of real power generation:
- (3)
- Reactive Power generated limits:ngb is the No. of generator buses
- (4)
- Transmission line in MVA limitNL = no. of transmission lines
3. Proposed Grey Wolf Optimizer (GWO)
Algorithm for Grey Wolf Optimizer
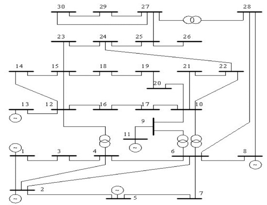
4. Results and Discussions
5. Contingency Management
6. Conclusions
Author Contributions
Funding
Institutional Review Board Statement
Informed Consent Statement
Data Availability Statement
Conflicts of Interest
Nomenclature
| TCSC | Thyristor-controlled series converter |
| SB | sending end bus |
| RB | Receiving end bus |
| RVSI | Rapid Voltage Stability index |
| NLSI | Novel Line stability index |
| ASI | Amalgamate severity index. |
| Probability density function | |
| GWO | Grey Wolf Optimization |
| FACTS | Flexible AC Transmission System. |
| VD | Voltage deviation |
| VPE | Valve point effect |
| CE | Carbon emissions |
| Pwj | Wind power generation from jth bus |
| Psk | Power output from the kth PV plant |
| PL | Overall real power loss |
| QL | Overall reactive power loss, |
| PGi | real power generated in ith bus |
| PDi | real power demanded in ith bus |
| Minimum power the ith thermal unit. | |
| Pj | active power at receiving at jth bus |
| Qj | Reactive power at receiving at jth bus |
| NTG | no. of Generator buses |
| a, b, c | Fuel cost coefficients |
| Vk | Magnitude of ‘V’at bus k |
| X | Reactance of line in ohms, |
| P(v) | Electric power |
| Wind Speed (Cut-in) | |
| Wind Speed (Cut-out) | |
| Wind Speed (Rated) | |
| Rated Power | |
| Ntl | No. of lines for transmission |
| Z | impedance of line in ohms |
| Xj | Direct cost co-efficient of jth wind farm |
| yk | Direct cost co-efficient of kth PV plant |
| Sij | Apparent power flowing in line i–j |
| Vkref | Magnitude of Reference ‘V’ at bus k |
| di, ei | Valve-point effect co-efficient |
| w1, w2, w3, w4, w5 | Weighting factors |
| , , , µi | Emission coefficient |
References
- Reddy, S.S.; Bijwe, P.R.; Abhyankar, A.R. Real-Time Economic Dispatch Considering Renewable Power Generation Variability and Uncertainty Over Scheduling Period. IEEE Syst. J. 2015, 9, 1440–1451. [Google Scholar] [CrossRef]
- Chen, G.; Qian, J.; Zhang, Z.; Sun, Z. Multi-objective Improved Bat Algorithm for optimizing fuel cost, emission and active power loss in power system. IAENG Int. J. Comput. Sci. 2019, 46, 118–133. [Google Scholar]
- Biswas, P.P.; Suganthan, P.; Amaratunga, G.A. Optimal power flow solutions incorporating stochastic wind and solar power. Energy Convers. Manag. 2017, 148, 1194–1207. [Google Scholar] [CrossRef]
- Rambabu, M.; Kumar, G.V.; Rao, B.V.; Kumar, B.S. Optimal power flow solution of an integrated power system using elephant herd optimization algorithm incorporating stochastic wind and solar power. Energy Sources Part A Recovery Util. Environ. Eff. 2021, 1–21. [Google Scholar] [CrossRef]
- Zehar, K.; Sayah, S. Optimal power flow with environmental constraint using a fast successive linear programming algorithm: Application to the algerian power system. Energy Convers. Manag. 2008, 49, 3362–3366. [Google Scholar] [CrossRef]
- Wei, H.; Sasaki, H.; Kubokawa, J.; Yokoyama, R. An interior point nonlinear programming for optimal power flow problems with a novel data structure. IEEE Trans. Power Syst. 1998, 13, 870–877. [Google Scholar] [CrossRef]
- Rambabu, M.; Kumar, G.V.N.; Sivanagaraju, S. Optimal Power Flow of Integrated Renewable Energy System using a Thyristor Controlled SeriesCompensator and a Grey-Wolf Algorithm. Energies 2019, 12, 2215. [Google Scholar] [CrossRef] [Green Version]
- Lavaei, J.; Rantzer, A.; Low, S. Power flow optimization using positive quadratic programming. IFAC Proc. Vol. 2011, 44, 10481–10486. [Google Scholar] [CrossRef] [Green Version]
- Capitanescu, F.; Glavic, M.; Ernst, D.; Wehenkel, L. Interior-point based algorithms for the solution of optimal power flow problems. Electr. Power Syst. Res. 2007, 77, 508–517. [Google Scholar] [CrossRef]
- Chen, G.; Qian, J.; Zhang, Z.; Sun, Z. Multi-Objective Optimal Power Flow Based on Hybrid Firefly-Bat Algorithm and Constraints-Prior Object-Fuzzy Sorting Strategy. IEEE Access 2019, 7, 139726–139745. [Google Scholar] [CrossRef]
- Dahiya, B.P.; Rani, S.; Singh, P. A Hybrid Artificial Grasshopper Optimization (HAGOA) Meta-Heuristic Approach: A Hybrid Optimizer for Discover the Global Optimum in Given Search Space. Int. J. Math. Eng. Manag. Sci. 2019, 4, 471–488. [Google Scholar] [CrossRef]
- Ben oualid Medani, K.; Sayah, S.; Bekrar, A. Whale optimization algorithm based optimal reactive power dispatch: A case study of the Algerian power system. Electr. Power Syst. Res. 2018, 163, 696–705. [Google Scholar] [CrossRef]
- Daryani, N.; Hagh, M.T.; Teimourzadeh, S. Adaptive group search optimization algorithm for multi-objective optimal power flow problem. Appl. Soft Comput. 2016, 38, 1012–1024. [Google Scholar] [CrossRef]
- Hatata, A.Y.; Lafi, A. Ant Lion Optimizer for Optimal Coordination of DOC Relays in Distribution Systems Containing DGs. IEEE Access 2018, 6, 72241–72252. [Google Scholar] [CrossRef]
- Reddy, S.S.; Bijwe, P.R. Differential evolution-based efficient multi-objective optimal power flow. Neural Comput. Appl. 2019, 31, 509–522. [Google Scholar] [CrossRef]
- Panda, A.; Tripathy, M. Security constrained optimal power flow solution of wind-thermal generation system using modified bacteria foraging algorithm. Energy 2015, 93, 816–827. [Google Scholar] [CrossRef]
- Shezan, S.A.; Ishraque, M.F. Assessment of a micro-grid hybrid wind-diesel-battery alternative energy system applicable for offshore islands. In Proceedings of the 2019 5th International Conference on Advances in Electrical Engineering (ICAEE), Dhaka, Bangladesh, 26–28 September 2019. [Google Scholar]
- Abido, M. Optimal power flow using particle swarm optimization. Int. J. Electr. Power Energy Syst. 2002, 24, 563–571. [Google Scholar] [CrossRef]
- Mirjalili, S.; Mirjalili, S.M.; Lewis, A. Grey Wolf Optimizer. Adv. Eng. Softw. 2014, 69, 46–61. [Google Scholar] [CrossRef] [Green Version]
- Nuvvula, R.; Devaraj, E.; Srinivasa, K.T. A Comprehensive Assessment of Large-scale Battery Integrated Hybrid Renewable Energy System to Improve Sustainability of a Smart City. Energy Sources Part A Recovery Util. Environ. Eff. 2021, 1–22. [Google Scholar] [CrossRef]
- Talaat, M.; Hatata, A.; Alsayyari, A.S.; Alblawi, A. A smart load management system based on the grasshopper optimization algorithm using the under-frequency load shedding approach. Energy 2020, 190, 116423. [Google Scholar] [CrossRef]
- Talaat, M.; Farahat, M.; Mansour, N.; Hatata, A. Load forecasting based on grasshopper optimization and a multilayer feed-forward neural network using regressive approach. Energy 2020, 196, 117087. [Google Scholar] [CrossRef]
- Talaat, M.; Said, T.; Essa, M.A.; Hatata, A.Y. Integrated MFFNN-MVO approach for PV solar power forecasting considering thermal effects and environmental conditions. Int. J. Electr. Power Energy Syst. 2022, 135, 107570. [Google Scholar] [CrossRef]
- Talaat, M.; Sedhom, B.E.; Hatata, A. A new approach for integrating wave energy to the grid by an efficient control system for maximum power based on different optimization techniques. Int. J. Electr. Power Energy Syst. 2021, 128, 106800. [Google Scholar] [CrossRef]
- Asija, D.; Choudekar, P. Power Transfer Loadability Enhancement of Congested Transmission Network Using DG. In Advances in Smart Communication and Imaging Systems; Lecture Notes in Electrical Engineering; Agrawal, R., Kishore Singh, C., Goyal, A., Eds.; Springer: Singapore, 2021; Volume 721. [Google Scholar] [CrossRef]
- Murty, V.; Kumar, A. Optimal placement of DG in radial distribution systems based on new voltage stability index under load growth. Int. J. Electr. Power Energy Syst. 2015, 69, 246–256. [Google Scholar] [CrossRef]
- Talaat, M.; Alblawi, A.; Tayseer, M.; Elkholy, M. FPGA control system technology for integrating the PV/wave/FC hybrid system using ANN optimized by MFO techniques. Sustain. Cities Soc. 2022, 80, 103825. [Google Scholar] [CrossRef]
- Shezan, S.A.; Hasan, K.N.; Datta, M. Optimal sizing of an islanded hybrid microgrid considering alternative dispatch strategies. In Proceedings of the 2019 29th Australasian Universities Power Engineering Conference (AUPEC), Nadi, Fiji, 26–29 November 2019. [Google Scholar]
- Sayah, S.; Zehar, K. Modified differential evolution algorithm for optimal power flow with non-smooth cost functions. Energy Convers. Manag. 2008, 49, 3036–3042. [Google Scholar] [CrossRef]
- Ongsakul, W.; Tantimaporn, T. Optimal Power Flow by Improved Evolutionary Programming. Electr. Power Compon. Syst. 2006, 34, 79–95. [Google Scholar] [CrossRef]
- Shezan, S.A. Feasibility analysis of an Islanded Hybrid Wind-Diesel-Battery Microgrid with Voltage and Power Response for Offshore Islands. J. Clean. Prod. 2020, 288, 125568. [Google Scholar] [CrossRef]
- Mahadevan, K.; Kannan, P. Comprehensive learning particle swarm optimization for reactive power dispatch. Appl. Soft Comput. 2010, 10, 641–652. [Google Scholar] [CrossRef]
- Khazali, A.; Kalantar, M. Optimal reactive power dispatch based on harmony search algorithm. Int. J. Electr. Power Energy Syst. 2011, 33, 684–692. [Google Scholar] [CrossRef]
- Niknam, T.; Narimani, M.; Aghaei, J.; Azizipanah-Abarghooee, R. Improved particle swarm optimisation for multi-objective optimal power flow considering the cost, loss, emission and voltage stability index. IET Gener. Transm. Distrib. 2012, 6, 515–527. [Google Scholar] [CrossRef]
- Ishraque, M.F.; Shezan, S.A.; Rashid, M.M.; Bhadra, A.B.; Hossain, M.A.; Chakrabortty, R.K.; Ryan, M.J.; Fahim, S.R.; Sarker, S.K.; Das, S.K. Techno-Economic and Power System Optimization of a Renewable Rich Islanded Microgrid considering different Dispatch Strategies. IEEE Access 2021, 9, 77325–77340. [Google Scholar] [CrossRef]
- Nuvvula, R.S.; Devaraj, E.; Elavarasan, R.M.; Taheri, S.I.; Irfan, M.; Teegala, K.S. Multi-objective mutation-enabled adaptive local attractor quantum behaved particle swarm optimisation based optimal sizing of hybrid renewable energy system for smart cities in India. Sustain. Energy Technol. Assess. 2022, 49, 101689. [Google Scholar] [CrossRef]








| Parameters | PSO | GWO |
|---|---|---|
| Population size | 20 | 20 |
| Number of iterations | 50 | 50 |
| ‘a’ vector | - | 2 |
| Cognitive constant c1 | 2 | - |
| Social constant c2 | 2 | - |
| Methods | Generation Fuel Cost ($/h) | Emission (ton/h) | Power Loss (MW) | The Influence of Valve Point on Fuel Cost ($/h) | Generation Fuel Cost (Rs/h) | The Influence of Valve Point on Fuel Cost (Rs/h) | |
|---|---|---|---|---|---|---|---|
| Existing | MSFLA [28] | 802.287 | 0.2056 | - | - | 59,056.3461 | - |
| SFLA [28] | 802.509 | 0.2063 | - | - | 59,072.7022 | - | |
| MDE [29] | 802.376 | - | - | - | 59,062.8974 | - | |
| IEP [30] | 802.465 | - | - | - | 59,069.4487 | - | |
| RGA [31] | - | -- | 4.5740 | - | - | - | |
| CLPSO [32] | - | - | 4.6282 | - | - | - | |
| HSA [33] | - | - | 4.9059 | - | - | - | |
| PSO [34] | - | 0.2063 | 5.1204 | - | - | - | |
| IPSO [34] | - | 0.2058 | 5.0732 | - | - | - | |
| Proposed | GWO | 800.866 | 0.2041 | 4.229 | 828.2 | 58,951.7536 | 60,963.802 |
| Control Variables | TS [35] | PSO | Proposed GWO |
|---|---|---|---|
| PG1 (MW) | 176.04 | 179.9584 | 176.525 |
| PG2 (MW) | 48.76 | 50.7739 | 49.6202 |
| PG5 (MW) | 21.56 | 15.0000 | 21.9922 |
| PG8 (MW) | 22.05 | 22.8061 | 21.4111 |
| PG11 (MW) | 12.44 | 12.4457 | 10 |
| PG13 (MW) | 12 | 12 | 12 |
| V1 | 1.05 | 1.06 | 1.06 |
| V2 | 1.0389 | 1.0344 | 1.0353 |
| V5 | 1.011 | 0.9857 | 0.9893 |
| V8 | 1.0198 | 0.9826 | 0.9832 |
| V11 | 1.0941 | 1.0820 | 1.082 |
| V13 | 1.0898 | 0.9737 | 0.9743 |
| Total real power generation (MW) | 292.85 | 292.9840 | 292.5482 |
| Total real power generation fuel cost ($/h) | 802.29 | 802.6383 | 800.8661 |
| Total real power generation fuel cost (Rs/h) | 59,056.57 | 59,082.205 | 58,951.75 |
| Line No | Line Outage | Severity Line | Line No | Line Outage | Severity Line | ||||
|---|---|---|---|---|---|---|---|---|---|
| SEB | REB | RVSI Max Value (p.u) | Line No with RVSI Max | SEB | REB | RVSI Max Value (p.u) | Line No with RVSI Max | ||
| 5 | 2 | 5 | 0.594161 | 8 | 22 | 15 | 18 | 0.24757 | 13 |
| 9 | 6 | 7 | 0.364993 | 5 | 8 | 5 | 7 | 0.277803 | 5 |
| 2 | 1 | 3 | 0.319053 | 13 | 17 | 12 | 14 | 0.247424 | 13 |
| 4 | 3 | 4 | 0.314822 | 13 | 37 | 27 | 29 | 0.247378 | 13 |
| 14 | 9 | 10 | 0.296387 | 12 | 30 | 15 | 23 | 0.246917 | 13 |
| 6 | 2 | 6 | 0.282263 | 13 | 33 | 24 | 25 | 0.246853 | 13 |
| 15 | 4 | 12 | 0.276173 | 13 | 39 | 29 | 30 | 0.246657 | 13 |
| 7 | 4 | 6 | 0.276936 | 5 | 23 | 18 | 19 | 0.246584 | 13 |
| 36 | 28 | 27 | 0.265841 | 13 | 21 | 16 | 17 | 0.246553 | 13 |
| 3 | 2 | 4 | 0.257307 | 13 | 20 | 14 | 15 | 0.246357 | 13 |
| 41 | 6 | 28 | 0.252931 | 13 | 32 | 23 | 24 | 0.246193 | 13 |
| 12 | 6 | 10 | 0.252195 | 13 | 25 | 10 | 20 | 0.245787 | 13 |
| 18 | 12 | 15 | 0.251297 | 13 | 28 | 10 | 22 | 0.245764 | 13 |
| 10 | 6 | 8 | 0.250634 | 13 | 31 | 22 | 24 | 0.245764 | 13 |
| 35 | 25 | 27 | 0.249212 | 13 | 24 | 19 | 20 | 0.245552 | 13 |
| 19 | 12 | 16 | 0.248224 | 13 | 29 | 21 | 23 | 0.245403 | 13 |
| 38 | 27 | 30 | 0.247772 | 13 | 27 | 10 | 21 | 0.244637 | 13 |
| 40 | 8 | 28 | 0.247637 | 13 | 26 | 10 | 17 | 0.243553 | 13 |
| - | - | - | - | - | 11 | 6 | 9 | 0.241524 | 13 |
| SEB | REB | Power Flow Inline Limit (MVA) | Line Flows under Normal Condition | Line Flows with GWO | Line Flows under Line Outage | Line Flows under Line Outage with GWO |
|---|---|---|---|---|---|---|
| 1 | 2 | 130 | 125.147 | 115.4587 | 132.9967 | 100.38 |
| 1 | 3 | 130 | 64.0504 | 64.0151 | 95.9061 | 79.0765 |
| 2 | 4 | 65 | 31.0057 | 34.8376 | 62.5328 | 56.1749 |
| 3 | 4 | 130 | 58.0709 | 59.0621 | 83.4757 | 72.0465 |
| 2 | 5 | 130 | 65.223 | 64.3444 | ---- | ----- |
| 2 | 6 | 65 | 45.3089 | 49.0962 | 91.331 | 79.3818 |
| 4 | 6 | 90 | 52.6063 | 53.1096 | 99.6275 | 83.3106 |
| 5 | 7 | 70 | 14.1723 | 11.4026 | 71.761 | 67.8742 |
| 6 | 7 | 130 | 40.9623 | 34.072 | 123.0667 | 97.5358 |
| 6 | 8 | 32 | 26.9479 | 27.6367 | 27.3629 | 26.5946 |
| 6 | 9 | 65 | 11.3436 | 22.5704 | 10.3657 | 19.8392 |
| 6 | 10 | 32 | 11.9681 | 14.486 | 11.2084 | 13.2382 |
| 9 | 11 | 65 | 43.6356 | 36.6601 | 43.097 | 39.2178 |
| 9 | 10 | 65 | 47.8095 | 42.3696 | 46.285 | 42.8871 |
| 4 | 12 | 65 | 28.0796 | 32.8081 | 32.3194 | 34.4173 |
| 12 | 13 | 65 | 20.0104 | 12.0019 | 20.0144 | 12.0021 |
| 12 | 14 | 32 | 7.6908 | 7.409 | 8.1266 | 7.5954 |
| 12 | 15 | 32 | 17.475 | 16.9255 | 19.0046 | 17.5955 |
| 12 | 16 | 32 | 7.1029 | 7.0339 | 8.1706 | 7.4906 |
| 14 | 15 | 16 | 1.2331 | 1.29 | 1.588 | 1.4124 |
| 16 | 17 | 16 | 3.7012 | 4.1596 | 4.4319 | 4.4381 |
| 15 | 18 | 16 | 5.9792 | 5.9217 | 6.4918 | 6.1458 |
| 18 | 19 | 16 | 2.7471 | 2.7855 | 3.1601 | 2.9691 |
| 19 | 20 | 32 | 7.8197 | 8.0063 | 7.2553 | 7.778 |
| 10 | 20 | 32 | 10.3571 | 10.5182 | 9.8139 | 10.2932 |
| 10 | 17 | 32 | 8.9902 | 9.9232 | 7.7891 | 9.4894 |
| 10 | 21 | 32 | 24.5399 | 21.0537 | 23.7107 | 20.8295 |
| 10 | 22 | 32 | 7.9391 | 7.4723 | 8.0694 | 7.6786 |
| 21 | 23 | 32 | 3.6638 | 7.4253 | 2.8513 | 7.258 |
| 15 | 23 | 16 | 3.931 | 4.5358 | 5.0788 | 4.8863 |
| 22 | 24 | 16 | 7.8359 | 7.3875 | 7.9421 | 7.5841 |
| 23 | 24 | 16 | 2.9046 | 3.4657 | 3.3552 | 3.7389 |
| 24 | 25 | 16 | 1.0774 | 0.8738 | 1.1028 | 0.4273 |
| 25 | 26 | 16 | 4.2823 | 4.2728 | 4.304 | 4.2792 |
| 25 | 27 | 16 | 4.7819 | 4.8535 | 4.3359 | 4.3078 |
| 28 | 27 | 65 | 18.7488 | 19.0694 | 18.5246 | 18.5483 |
| 27 | 29 | 16 | 6.4588 | 6.4362 | 6.5136 | 6.4526 |
| 27 | 30 | 16 | 7.3424 | 7.315 | 7.4091 | 7.3348 |
| 29 | 30 | 16 | 3.7661 | 3.7599 | 3.7811 | 3.7644 |
| 8 | 28 | 32 | 4.7961 | 5.0108 | 4.4977 | 5.1228 |
| 6 | 28 | 32 | 15.0795 | 15.9036 | 15.2671 | 15.0442 |
| SEB | REB | Power Flow Inline Limit (MVA) | Line Flows under Normal Condition | Line Flows with GWO | Line Flows under Line Outage | Line Flows under Line Outage with GWO |
|---|---|---|---|---|---|---|
| 1 | 2 | 130 | 125.147 | 115.4587 | 203.9089 | 170.6582 |
| 1 | 3 | 130 | 64.0504 | 64.0151 | 2.6344 | 2.6344 |
| 2 | 4 | 65 | 31.0057 | 34.8376 | 62.9633 | 60.5802 |
| 3 | 4 | 130 | 58.0709 | 59.0621 | ---- | ---- |
| 2 | 5 | 130 | 65.223 | 64.3444 | 77.8915 | 73.0946 |
| 2 | 6 | 65 | 45.3089 | 49.0962 | 71.6345 | 68.1407 |
| 4 | 6 | 90 | 52.6063 | 53.1096 | 24.6771 | 22.7873 |
| 5 | 7 | 70 | 14.1723 | 11.4026 | 9.5786 | 5.5252 |
| 6 | 7 | 130 | 40.9623 | 34.072 | 31.1187 | 26.7663 |
| 6 | 8 | 32 | 26.9479 | 27.6367 | 27.4867 | 26.4396 |
| 6 | 9 | 65 | 11.3436 | 22.5704 | 11.8525 | 21.3283 |
| 6 | 10 | 32 | 11.9681 | 14.486 | 12.8529 | 14.4471 |
| 9 | 11 | 65 | 43.6356 | 36.6601 | 43.087 | 39.1209 |
| 9 | 10 | 65 | 47.8095 | 42.3696 | 49.2146 | 44.9014 |
| 4 | 12 | 65 | 28.0796 | 32.8081 | 26.5851 | 29.0509 |
| 12 | 13 | 65 | 20.0104 | 12.0019 | 20.0154 | 13.4069 |
| 12 | 14 | 32 | 7.6908 | 7.409 | 7.4836 | 7.118 |
| 12 | 15 | 32 | 17.475 | 16.9255 | 16.6555 | 15.8252 |
| 12 | 16 | 32 | 7.1029 | 7.0339 | 6.4681 | 6.1998 |
| 14 | 15 | 16 | 1.2331 | 1.29 | 1.0241 | 1.0908 |
| 16 | 17 | 16 | 3.7012 | 4.1596 | 3.2596 | 3.6818 |
| 15 | 18 | 16 | 5.9792 | 5.9217 | 5.6681 | 5.4909 |
| 18 | 19 | 16 | 2.7471 | 2.7855 | 2.4704 | 2.4192 |
| 19 | 20 | 32 | 7.8197 | 8.0063 | 8.1475 | 8.4279 |
| 10 | 20 | 32 | 10.3571 | 10.5182 | 10.7698 | 10.9916 |
| 10 | 17 | 32 | 8.9902 | 9.9232 | 9.6481 | 10.6841 |
| 10 | 21 | 32 | 24.5399 | 21.0537 | 25.1893 | 21.9246 |
| 10 | 22 | 32 | 7.9391 | 7.4723 | 7.9373 | 7.6075 |
| 21 | 23 | 32 | 3.6638 | 7.4253 | 4.0898 | 7.8393 |
| 15 | 23 | 16 | 3.931 | 4.5358 | 3.2346 | 4.0189 |
| 22 | 24 | 16 | 7.8359 | 7.3875 | 7.8123 | 7.5125 |
| 23 | 24 | 16 | 2.9046 | 3.4657 | 2.6648 | 3.3656 |
| 24 | 25 | 16 | 1.0774 | 0.8738 | 1.1602 | 0.8808 |
| 25 | 26 | 16 | 4.2823 | 4.2728 | 4.3042 | 4.2807 |
| 25 | 27 | 16 | 4.7819 | 4.8535 | 5.0814 | 4.8782 |
| 28 | 27 | 65 | 18.7488 | 19.0694 | 19.4318 | 19.1998 |
| 27 | 29 | 16 | 6.4588 | 6.4362 | 6.5126 | 6.4558 |
| 27 | 30 | 16 | 7.3424 | 7.315 | 7.4078 | 7.3388 |
| 29 | 30 | 16 | 3.7661 | 3.7599 | 3.7809 | 3.7652 |
| 8 | 28 | 32 | 4.7961 | 5.0108 | 4.5103 | 5.2175 |
| 6 | 28 | 32 | 15.0795 | 15.9036 | 15.9832 | 15.4434 |
| SEB | REB | Power Flow Inline Limit (MVA) | Line Flows under Normal Condition | Line Flows with GWO | Line Flows under Line Outage | Line Flows under Line Outage with GWO |
|---|---|---|---|---|---|---|
| 1 | 2 | 130 | 125.147 | 115.4587 | 130.7125 | 118.1491 |
| 1 | 3 | 130 | 64.0504 | 64.0151 | 64.6177 | 62.8055 |
| 2 | 4 | 65 | 31.0057 | 34.8376 | 29.6233 | 32.3256 |
| 3 | 4 | 130 | 58.0709 | 59.0621 | 58.4391 | 57.8071 |
| 2 | 5 | 130 | 65.223 | 64.3444 | 67.8305 | 66.7538 |
| 2 | 6 | 65 | 45.3089 | 49.0962 | 50.7587 | 53.7115 |
| 4 | 6 | 90 | 52.6063 | 53.1096 | 79.4628 | 81.2081 |
| 5 | 7 | 70 | 14.1723 | 11.4026 | 13.4958 | 10.6658 |
| 6 | 7 | 130 | 40.9623 | 34.072 | 38.8561 | 32.8465 |
| 6 | 8 | 32 | 26.9479 | 27.6367 | 27.8776 | 28.0066 |
| 6 | 9 | 65 | 11.3436 | 22.5704 | 24.6237 | 38.5999 |
| 6 | 10 | 32 | 11.9681 | 14.486 | 21.7286 | 25.2126 |
| 9 | 11 | 65 | 43.6356 | 36.6601 | 43.3637 | 38.1721 |
| 9 | 10 | 65 | 47.8095 | 42.3696 | 64.3463 | 61.0722 |
| 4 | 12 | 65 | 28.0796 | 32.8081 | ------- | ------ |
| 12 | 13 | 65 | 20.0104 | 12.0019 | 20.0171 | 12.0027 |
| 12 | 14 | 32 | 7.6908 | 7.409 | 4.3573 | 3.3716 |
| 12 | 15 | 32 | 17.475 | 16.9255 | 6.9273 | 4.2853 |
| 12 | 16 | 32 | 7.1029 | 7.0339 | 5.2023 | 6.2669 |
| 14 | 15 | 16 | 1.2331 | 1.29 | 2.3298 | 3.12 |
| 16 | 17 | 16 | 3.7012 | 4.1596 | 8.4917 | 10.196 |
| 15 | 18 | 16 | 5.9792 | 5.9217 | 2.5957 | 1.4578 |
| 18 | 19 | 16 | 2.7471 | 2.7855 | 3.2718 | 3.7588 |
| 19 | 20 | 32 | 7.8197 | 8.0063 | 12.7137 | 13.7218 |
| 10 | 20 | 32 | 10.3571 | 10.5182 | 15.7133 | 16.6997 |
| 10 | 17 | 32 | 8.9902 | 9.9232 | 19.4694 | 21.5096 |
| 10 | 21 | 32 | 24.5399 | 21.0537 | 32.8053 | 30.8244 |
| 10 | 22 | 32 | 7.9391 | 7.4723 | 7.2653 | 7.0159 |
| 21 | 23 | 32 | 3.6638 | 7.4253 | 11.1083 | 14.6185 |
| 15 | 23 | 16 | 3.931 | 4.5358 | 8.1894 | 11.2538 |
| 22 | 24 | 16 | 7.8359 | 7.3875 | 7.1643 | 6.9306 |
| 23 | 24 | 16 | 2.9046 | 3.4657 | 0.9977 | 3.1415 |
| 24 | 25 | 16 | 1.0774 | 0.8738 | 4.7918 | 5.8736 |
| 25 | 26 | 16 | 4.2823 | 4.2728 | 4.2915 | 4.2783 |
| 25 | 27 | 16 | 4.7819 | 4.8535 | 9.1922 | 9.8949 |
| 28 | 27 | 65 | 18.7488 | 19.0694 | 24.0594 | 24.6506 |
| 27 | 29 | 16 | 6.4588 | 6.4362 | 6.4757 | 6.4458 |
| 27 | 30 | 16 | 7.3424 | 7.315 | 7.363 | 7.3267 |
| 29 | 30 | 16 | 3.7661 | 3.7599 | 3.7707 | 3.7625 |
| 8 | 28 | 32 | 4.7961 | 5.0108 | 4.8248 | 5.332 |
| 6 | 28 | 32 | 15.0795 | 15.9036 | 19.4053 | 20.2707 |
| Parameters | Normal Case | Under Line Outage 3–4 | Under Line Outage 2–5 | Under Line Outage 4–12 | |
|---|---|---|---|---|---|
| Real power generation (MW) | PG1 | 177.525 | 169.3844 | 173.6528 | 175.3286 |
| PG2 | 49.6202 | 50.4766 | 50.872 | 48.1522 | |
| PG5 | 21.9922 | 21.6592 | 26.5571 | 21.2868 | |
| PG8 | 21.4111 | 26.3509 | 25.408 | 20.839 | |
| PG11 | 10 | 13.7187 | 10 | 12.261 | |
| PG13 | 12 | 13.4038 | 12 | 15.5942 | |
| Voltages in (P.U) | V1 | 1.06 | 1.06 | 1.06 | 1.06 |
| V2 | 1.0354 | 1.0133 | 1.0309 | 1.0325 | |
| V5 | 0.9893 | 0.9585 | 0.8823 | 0.983 | |
| V8 | 0.9833 | 0.9459 | 0.9495 | 0.9738 | |
| V11 | 1.0602 | 1.0516 | 1.0571 | 1.0618 | |
| V13 | 0.9744 | 0.9321 | 0.9451 | 0.8947 | |
| Performance parameters | Total generation of real power (MW) | 292.5485 | 294.9936 | 298.4899 | 293.4618 |
| Total fuel cost for real power generation ($/h) | 800.8612 | 812.2295 | 825.3745 | 805.1168 | |
| Total fuel cost for real power generation (Rs/h) | 58,951.39 | 59,788.213 | 60,755.82 | 59,264.65 | |
| Line Outage | Congested Lines | Power Flow Limits in MVA | Line Flows under Normal Condition | Line Flow during Line Outage | Line Flow during Line Outage with GWO |
|---|---|---|---|---|---|
| 2–5 | 1–2 | 130 | 125.147 | 132.996 | 100.38 |
| 2–6 | 65 | 45.3089 | 91.331 | 79.3818 | |
| 4–6 | 90 | 52.6063 | 99.627 | 83.31 | |
| 5–7 | 70 | 14.1723 | 71.761 | 67.8742 | |
| 3–4 | 1–2 | 130 | 125.147 | 203.9 | 170.6582 |
| 2–6 | 65 | 45.3089 | 71.6345 | 68.1407 | |
| 4–12 | 1–2 | 130 | 125.147 | 130.7125 | 118.1491 |
| 9–10 | 65 | 47.8095 | 64.334 | 61.07 |
| BUS N0 | Normal Condition | Under Line Outage 3–4 | Under Line Outage 2–5 | Under Line Outage 4–12 |
|---|---|---|---|---|
| V1 | 1.06 | 1.06 | 1.06 | 1.06 |
| V2 | 1.0354 | 1.0133 | 1.0309 | 1.0325 |
| V3 | 1.0136 | 1.0589 | 0.992 | 1.013 |
| V4 | 1.0027 | 0.9594 | 0.9764 | 1.0019 |
| V5 | 0.9893 | 0.9585 | 0.8823 | 0.983 |
| V6 | 0.9955 | 0.958 | 0.9616 | 0.9864 |
| V7 | 0.9893 | 0.9543 | 0.9237 | 0.9813 |
| V8 | 0.9833 | 0.9459 | 0.9495 | 0.9738 |
| V9 | 1.0093 | 0.9729 | 0.9786 | 0.9837 |
| V10 | 0.9793 | 0.9406 | 0.9474 | 0.9441 |
| V11 | 1.0602 | 1.0516 | 1.0571 | 1.0618 |
| V12 | 0.9746 | 0.9323 | 0.9452 | 0.895 |
| V13 | 0.9744 | 0.9321 | 0.9451 | 0.8947 |
| V14 | 0.9628 | 0.9205 | 0.9327 | 0.8889 |
| V15 | 0.9619 | 0.9203 | 0.931 | 0.8979 |
| V16 | 0.9687 | 0.9276 | 0.9379 | 0.908 |
| V17 | 0.9704 | 0.9307 | 0.9386 | 0.9274 |
| V18 | 0.9549 | 0.9137 | 0.9232 | 0.9004 |
| V19 | 0.9542 | 0.9134 | 0.9221 | 0.9054 |
| V20 | 0.9596 | 0.9193 | 0.9275 | 0.9142 |
| V21 | 0.9659 | 0.9261 | 0.9338 | 0.9247 |
| V22 | 0.9682 | 0.9288 | 0.9357 | 0.9328 |
| V23 | 0.9639 | 0.9239 | 0.9318 | 0.9209 |
| V24 | 0.9532 | 0.913 | 0.92 | 0.9176 |
| V25 | 0.9538 | 0.9138 | 0.9195 | 0.9297 |
| V26 | 0.9349 | 0.894 | 0.8998 | 0.9103 |
| V27 | 0.9634 | 0.9239 | 0.9287 | 0.9466 |
| V28 | 0.989 | 0.9511 | 0.9549 | 0.9782 |
| V29 | 0.9421 | 0.9016 | 0.9066 | 0.9249 |
| V30 | 0.9299 | 0.8888 | 0.8938 | 0.9124 |
Publisher’s Note: MDPI stays neutral with regard to jurisdictional claims in published maps and institutional affiliations. |
© 2022 by the authors. Licensee MDPI, Basel, Switzerland. This article is an open access article distributed under the terms and conditions of the Creative Commons Attribution (CC BY) license (https://creativecommons.org/licenses/by/4.0/).
Share and Cite
Muppidi, R.; Nuvvula, R.S.S.; Muyeen, S.M.; Shezan, S.A.; Ishraque, M.F. Optimization of a Fuel Cost and Enrichment of Line Loadability for a Transmission System by Using Rapid Voltage Stability Index and Grey Wolf Algorithm Technique. Sustainability 2022, 14, 4347. https://doi.org/10.3390/su14074347
Muppidi R, Nuvvula RSS, Muyeen SM, Shezan SA, Ishraque MF. Optimization of a Fuel Cost and Enrichment of Line Loadability for a Transmission System by Using Rapid Voltage Stability Index and Grey Wolf Algorithm Technique. Sustainability. 2022; 14(7):4347. https://doi.org/10.3390/su14074347
Chicago/Turabian StyleMuppidi, Rambabu, Ramakrishna S. S. Nuvvula, S. M. Muyeen, SK. A. Shezan, and Md. Fatin Ishraque. 2022. "Optimization of a Fuel Cost and Enrichment of Line Loadability for a Transmission System by Using Rapid Voltage Stability Index and Grey Wolf Algorithm Technique" Sustainability 14, no. 7: 4347. https://doi.org/10.3390/su14074347
APA StyleMuppidi, R., Nuvvula, R. S. S., Muyeen, S. M., Shezan, S. A., & Ishraque, M. F. (2022). Optimization of a Fuel Cost and Enrichment of Line Loadability for a Transmission System by Using Rapid Voltage Stability Index and Grey Wolf Algorithm Technique. Sustainability, 14(7), 4347. https://doi.org/10.3390/su14074347

