Experimental Survey of the Sound Absorption Performance of Natural Fibres in Comparison with Conventional Insulating Materials
Abstract
:1. Introduction
2. Materials and Methods
2.1. Properties and Preparation of Samples
2.1.1. Cork
2.1.2. Hemp
2.1.3. Fibreboard
2.1.4. Mineral Wool
2.1.5. PUR Foam
2.1.6. Propylat
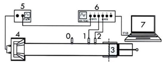
2.2. Measuring Setup with the Impedance Tube
- Built-in speaker as sound source;
- Sample holders for measuring the sound absorption coefficient;
- Extension tubes for measuring transmission attenuation;
- Microphones and microphone cables;
- Microphone calibrator;
- Hardware for signal generation and data collection;
- Amplifier used to drive the loud speaker;
- Software for analysis and evaluation of measured data.
- Tube with an inner diameter of 60 mm (60-L);
- Measuring sample holder with an inner diameter of 60 mm (60-S).
2.3. Mathematical Determination of the Sound Absorption Coefficient Using Transfer Function Method (Two-Microphone Method)
3. Results
4. Discussion
5. Conclusions
Author Contributions
Funding
Conflicts of Interest
References
- Kylili, A.; Seduikyte, L.; Fokaides, P.A. Recycling of Polyurethane Foams; William Andrew Publishing: Norwich, NY, USA, 2018; pp. 97–113. [Google Scholar] [CrossRef]
- Cao, C. Advanced High Strength Natural Fibre Composites in Construction; Woodhead Publishing: Sawston, UK, 2017; pp. 529–544. [Google Scholar] [CrossRef]
- Environmental Product Declaration. PU Thermal Insulation Boards Made of Block Foam. Available online: https://en.puren.com/fileadmin/user_upload/puren-gruppe/nachhaltigkeit/epd/IVPU_21-0158b_EPD_2022_09_21_PU-Daemmplatten_aus_Blockschaumstoff_englisch.pdf (accessed on 12 November 2021).
- Dichiarazione Ambientale di Prodotto. Available online: https://portal.environdec.com/api/api/v1/EPDLibrary/Files/80b5d794-bd17-440f-8ab0-eb45275f6bfe/Data (accessed on 12 November 2021).
- Kairytė, A.; Kirpluks, M.; Ivdre, A.; Cabulis, U.; Vaitkus, S.; Pundienė, I. Cleaner production of polyurethane foam: Replacement of conventional raw materials, assessment of fire resistance and environmental impact. J. Clean. Prod. 2018, 183, 760–771. [Google Scholar] [CrossRef]
- Ashby, M.F. Materials and the Enviroment, 3rd ed.; Butterworth-Heinemann: Oxford, UK, 2021; pp. 267–294. [Google Scholar] [CrossRef]
- Bhingare, N.H.; Prakash, S.; Jatti, V.S. A review on natural and waste material composite as acoustic material. Polym. Test. 2019, 80, 106–142. [Google Scholar] [CrossRef]
- Berardi, U.; Iannace, G. Acoustic characterization of natural fibres for sound absorption applications. Build. Environ. 2015, 94, 840–852. [Google Scholar] [CrossRef]
- Švajlenka, J.; Kozlovská, M.; Pošiváková, T. Analysis of the indoor environment of agricultural constructions in the context of sustainability. Environ. Monit. Assess. 2019, 191, 489. [Google Scholar] [CrossRef] [PubMed]
- Sudarshan, D.K.; Sudarsan, J.S. Hemp Concrete: A Sustainable Green Material for Conventional Concrete. J. Build. Mater. Sci. 2021, 3, 1–7. [Google Scholar] [CrossRef]
- Niyigena, C.; Amziane, S.; Chateauneuf, A.; Arnaud, L.; Bessette, L.; Collet, F.; Escadeillas, G.; Lanos, C.; Lawrence, M.; Magniont, C.; et al. RRT3: Statistical analysis of hemp concrete mechanical properties variability. Acad. J. Civ. Eng. 2015, 33, 334–340. [Google Scholar] [CrossRef]
- Nguyen, T.T.; Picandet, V.; Carre, P.; Lecompthe, T.; Amziane, S.; Baley, C. Effect of compaction on mechanical and thermal properties of hemp concrete. Eur. J. Environ. Civ. Eng. 2011, 14, 545–560. [Google Scholar] [CrossRef]
- Masto, A.D.; Trivaudey, F.; Guicheret-Retel, V.; Placet, V.; Boubakar, L. Investigation of the possible origins of the differences in mechanical properties of hemp and flax fibres: A numerical study based on sensitivity analysis. Compos. Part A Appl. Sci. Manuf. 2019, 124, 105488. [Google Scholar] [CrossRef]
- Yang, T.; Hu, L.; Xiong, X.; Petru, M.; Noman, M.T.; Mishra, R.; Militky, J. Sound Absorption Properties of Natural Fibers: A Review. Sustainability 2020, 12, 8477. [Google Scholar] [CrossRef]
- Glé, P.; Gourdon, E.; Arnaud, L. Modelling of the acoustical properties of hemp particles. Construction and Building Materials 2012, 37, 801–811. [Google Scholar] [CrossRef]
- Glé, P.; Horoshenkov, K.V.; Gourdon, E.; Arnaud, L.; Khan, A. The effect of particle shape and size distribution on the acoustical properties of mixtures of hemp particles. J. Acoust. Soc. Am. 2013, 134, 4698. [Google Scholar] [CrossRef] [PubMed]
- Degrave-Lemeurs, M.; Glé, P.; Hellouin de Menibus, A. Acoustical properties of hemp concretes for buildings thermal insulation: Application to clay and lime binders. Constr. Build. Mater. 2018, 160, 462–474. [Google Scholar] [CrossRef]
- Gourlay, E.; Glé, P.; Marceau, S.; Foy, C.; Moscardelli, S. Effect of water content on the acoustical and thermal properties of hemp concretes. Constr. Build. Mater. 2017, 139, 513–523. [Google Scholar] [CrossRef]
- Chabriac, P.A.; Gourdon, E.; Glé, P.; Fabbri, A.; Lenormand, H. Agricultural by-products for building insulation: Acoustical characterization and modeling to predict micro-structural parameters. Constr. Build. Mater. 2016, 112, 158–167. [Google Scholar] [CrossRef]
- Kinnane, O.; Reilly, A.; Grimes, J.; Pavia, S.; Walker, R. Acoustic absorption of hemp-lime construction. Constr. Build. Mater. 2016, 122, 674–682. [Google Scholar] [CrossRef] [Green Version]
- Delannoy, G.; Marceau, S.; Glé, P.; Gourlay, E.; Guéguen-Minerbe, M.; Diafi, D.; Nour, I.; Amziane, S.; Farcas, F. Influence of binder on the multiscale properties of hemp concretes. Eur. J. Environ. Civ. Eng. 2018, 23, 609–625. [Google Scholar] [CrossRef]
- Lee, H.M.; Luo, W.; Xie, J.; Wen, G.; Lee, H.P. Studies on the sound absorption and transimission loss performances of wood-based natural and waste materials. Acta Mech. Sin. 2021, 37, 861–873. [Google Scholar] [CrossRef]
- Iannace, G.; Ciaburro, G.; Guerriero, L.; Trematerra, A. Use of cork sheets for room acoustic correction. J. Green Build. 2020, 15, 45–55. [Google Scholar] [CrossRef]
- Ciaburro, G.; Iannace, G. Membrane-type acoustic metamaterial using cork sheets and attached masses based on reused materials. Appl. Acoust. 2022, 189, 108605. [Google Scholar] [CrossRef]
- Trematerra, A.; Lombardi, I. Acoustic Properties of Cork Sheets. Key Eng. Mater. 2017, 744, 66–70. [Google Scholar] [CrossRef]
- Barrigón Morillas, J.M.; Montes Gonzáles, D.; Vílches-Gómez, R.; Gómez Escobar, V.; Maderuelo-Sanz, R.; Rey Gozalo, G.; Atanasio Moraga, P. Virgin Natural Cork Characterization as a Sustainable Material for use in Acoustic Solutions. Sustainability 2021, 13, 4976. [Google Scholar] [CrossRef]
- Park, S.-H.; Lee, M.; Seo, P.-N.; Kang, E.; Kang, C.W. Acoustical properties of wood fiberboards prepared with different densities and resin contents. BioResources 2020, 15, 5291–5304. [Google Scholar] [CrossRef]
- Bertolini, M.S.; Morais, C.A.G.; Christoforo, A.L.; Bertoli, S.R.; Santos, W.N.; Rocco Lahr, F.A. Acoustic absorption and thermal insulation of wood panels inflence of porosity. Biorescources 2019, 14, 3746–3757. [Google Scholar] [CrossRef]
- Nandanwar, A.; Kiran, M.C.; Varadarajulu, K.C. Influence of Density on Sound Absorption Coefficient of Fibre Board. Open J. Acoust. 2017, 7, 1–9. [Google Scholar] [CrossRef] [Green Version]
- Sohn, J.L.; Kalbar, P.P.; Banta, G.T.; Birkved, M. Life-cycle based dynamic assessment of mineral wool insulation in a Danish residential building application. J. Clean. Prod. 2017, 142, 3243–3253. [Google Scholar] [CrossRef] [Green Version]
- Schmidt, A.C.; Jensen, A.A.; Clausen, A.U.; Kamstrup, O.; Postlethwaite, D.A. Comparative life cycle assessment of building insulation products made of stone wool, paper wool and flax. Int. J. Life Cycle Assess. 2004, 9, 122. [Google Scholar] [CrossRef]
- Sustainability and the Cork Oak Forest. Reaching Balance. Available online: https://www.amorimcork.com/en/sustainability/sustainability-and-the-cork-oak-forest/ (accessed on 19 November 2020).
- Chybík, J. Přírodní Stavební Materiály, 1st ed.; Grada Publishing: Prague, Czech Republic, 2009; pp. 111–114. [Google Scholar]
- Amorim Insolamentos. Available online: https://amorimcorkinsulation.com/xms/files/BROCHURAS_DOWNLOADS/2017_Amorim_Isolamentos_brochure.pdf (accessed on 19 November 2021).
- Pereira, H. Cork: Biology Production and Uses; Elsevier Science: Amsterdam, The Netherlands, 2007; pp. 163–186. [Google Scholar] [CrossRef]
- Hudec, M.; Johanisová, B.; Mansbart, T. Pasivní Domy z Přírodních Materiálu, 1st ed.; Grada Publising: Prague, Czech Republic, 2013; pp. 54–55. [Google Scholar]
- Technical Data Sheet. Isohemp Hemp Block. Available online: https://www.isohemp.com/sites/default/files/fichiers/isohemp-technical-data-sheet-hempblocks.pdf (accessed on 5 November 2021).
- Sahmenko, G.; Sinka, M.; Namsone, E.; Korjakins, A.; Bajare, D. Sustainable Wall Solutions Using Foam Concrete and Hemp Composites. Environ. Clim. Technol. 2021, 25, 917–930. [Google Scholar] [CrossRef]
- Maderuelo-Sanz, R.; García-Cobos, F.J.; Sánchez-Delgado, F.J.; Mota-López, M.I.; Meneses-Rodríguez, J.M.; Romero-Casado, A.; Acedo-Fuentes, P.; López-Ramos, L. Mechanical, thermal and acoustical evaluation of biocomposites made of agricultural waste for ceiling tiles. Appl. Acoust. 2022, 191, 108689. [Google Scholar] [CrossRef]
- Mawardi, I.; Aprilia, S.; Faisal, M.; Ikramullah, I.; Rizal, S. An investigation of thermal conductivity and sound absorption from binderless panels made of oil palm wood as bio-insulation materials. Results Eng. 2022, 13, 100319. [Google Scholar] [CrossRef]
- Smardzewski, J.; Batko, W.; Kamisiński, T.; Flach, A.; Pilch, A.; Dziurka, D.; Mirski, R.; Edward Roszyk, E.; Majewski, A. Experimental study of wood acoustic absorption characteristics. Holzforschung 2013, 68, 467–476. [Google Scholar] [CrossRef]
- Kang, C.; Jang, E.; Jang, S.; Hasegawa, M.; Matsumura, J. Studies of the Relationship Between Sound Absorption Coefficient and Air Permeability of Wood. J. Fac. Agric. Kyushu Univ. 2020, 65, 351–355. [Google Scholar] [CrossRef]
- ISOVER TF PROFI EPD. Available online: https://www.isover.sk/specificke-epd-sw-kamenna-vlna-subor-dokumentov (accessed on 7 November 2021).
- Moretti, E.; Belloni, E.; Agosti, F. Inovative mineral fiber insulation panels for buildings: Thermal and acoustic characterization. Appl. Energy 2016, 169, 421–432. [Google Scholar] [CrossRef]
- Yap, Z.S.; Khalid, N.H.A.; Haron, Z.; Mohamed, A.; Tahir, M.M.; Hasyim, S.; Saggaff, A. Waste Mineral Wool and Its Opportunities—A Review. Materials 2021, 14, 5777. [Google Scholar] [CrossRef] [PubMed]
- Väntsi, O.; Kärki, T. Mineral wool waste in Europe: A review of mineral wool waste quantity, quality, and current recycling methods. J. Mater. Cycles Waste Manag. 2014, 16, 62–72. [Google Scholar] [CrossRef]
- Sattler, T.; Pomberger, R.; Schimek, J.; Vollprecht, D. Mineral wool waste in austria, associated health aspects and recycling options. Detritus 2019, 9, 174–180. [Google Scholar] [CrossRef] [Green Version]
- Chen, S.; Jiang, Y. The acoustical property study of polyurethane foam with addition of bamboo leaves particles. Polym. Compos. 2016, 39, 1370–1381. [Google Scholar] [CrossRef]
- Samaranayake, K.W.N.S.; Coore, R.V. Analysis of factors controlling acoustic absorption of commercial flexible polyurethane foams. J. Sri Lanka Assoc. Adv. Sci. 2018, 1, 21–31. [Google Scholar]
- From Ecological Thinking to Custom-Made Solutions. Available online: https://www.borgers-group.com/en/materials/absorber/propylatnvh/ (accessed on 12 November 2021).
- Sakthivel, S.; Senthil kumar, B. Studies on influence of bonding methods on sound absorption characteristic of polyester/cotton recycled nonwoven fabrics. Appl. Acoust. 2021, 174, 107749. [Google Scholar] [CrossRef]
- Prasetiyo, I.; Gunawan, G.; Adhika, D. Sound absorption performance of nonwoven fabrics. J. Phys. Conf. Ser. 2021, 1896, 012008. [Google Scholar] [CrossRef]
- BSWA SW Series Impedance Tubes. Available online: https://www-panacoustics-com.translate.goog/bswa-sw-series-impedance-tubes.html?_x_tr_sl=en&_x_tr_tl=sk&_x_tr_hl=sk&_x_tr_pto=op,sc (accessed on 17 December 2021).
- Supplementary User Manual for BSWA Impedance Tube Measurement Systems. Available online: https://dokumen.tips/reader/f/supplementary-user-manual-for-bswa-impedance-tube-user-manual-for-bswa-impedance (accessed on 31 January 2022).
- ASTM E1050-08; Standard Test Method for Impedance and Absorption of Acoustical Materials Using a Tube, Two Micro-phones and a Digital Frequency Analysis System. ASTM International: West Conshohocken, PA, USA, 2008.
- ISO 10534-2; Acoustics—Determination of Sound Absorption Coefficient and Impedance in Impedance Tubes—Part 2: Transfer-Function Method. International Organization for Standardization: Geneva, Switzerland, 1998.
- Wolkesson, M. Evaluation of Impedance Tube Methods—A Two Microphone In-Situ Method for Road Surfaces and the Three Microphone Transfer Function Method for Porous Materials. Master’s Thesis, Master’s Programme in Sound and Vibration, Chalmers University of Technology, Gothenburg, Sweden, 2013. [Google Scholar]
- Samaei, S.E.; Taban, E.; Berardi, U.; Mousavi, S.M.; Faridan, M.; Mahabadi, H.A. Optimization and Modeling of Sound-Absorption Properties of Natural Fibers for Acoustical Application. J. Nat. Fibers 2021, 18, 1–17. [Google Scholar] [CrossRef]
- Berardi, U.; Iannace, G. Predicting the sound absorption of natural materials: Best-fit inverse laws for the acoustic impedance and the propagation constant. Appl. Acoust. 2017, 115, 131–138. [Google Scholar] [CrossRef]
- Zhang, Y.; Li, H.; Abdelhady, A.; Du, H. Laboratorial investigation on sound absorption property of porous concrete with different mixtures. Constr. Build. Mater. 2020, 259, 120414. [Google Scholar] [CrossRef]
- Dunne, R.; Desai, D.; Sadiku, R. A review of the factors that influence sound absorption and the available empirical models for fibrous materials. Acoust. Aust. 2017, 45, 453–469. [Google Scholar] [CrossRef]
- Witczak, E.; Jasińska, I.; Lao, M.; Krawczyńska, I.; Kamińska, I. The influence of structural parameters of acoustic panels textile fronts on their sound absorption properties. Appl. Acoust. 2021, 178, 107964. [Google Scholar] [CrossRef]
- Rivera-Gómez, C.; Galán-Marín, C.; López-Cabeza, V.P.; Diz-Mellado, E. Sample key features affecting mechanical, acoustic and thermal properties of a natural-stabilised earthen material. Constr. Build. Mater. 2021, 271, 121569. [Google Scholar] [CrossRef]
- Iannace, G. The acoustic characterization of green materials. Build. Acoust. 2017, 24, 101–113. [Google Scholar] [CrossRef]
- Ciaburro, G.; Puyana-Romero, V.; Iannace, G.; Jaramillo-Cevallos, W.A. Characterization and Modeling of Corn Stalk Fibers tied with Clay using Support Vector Regression Algorithms. J. Nat. Fibers 2021, 18, 1–16. [Google Scholar] [CrossRef]
- Ali, M.; Alabdulkarem, A.; Nuhait, A.; Al-Salem, K.; Iannace, G.; Almuzaiqer, R. Characteristics of Agro Waste Fibers as New Thermal Insulation and Sound Absorbing Materials: Hybrid of Date Palm Tree Leaves and Wheat Straw Fibers. J. Nat. Fibers 2021, 1–19. [Google Scholar] [CrossRef]
- Ricciardi, P.; Belloni, E.; Cotana, F. Innovative panels with recycled materials: Thermal and acoustic performance and Life Cycle Assessment. Appl. Energy 2014, 134, 150–162. [Google Scholar] [CrossRef]
- Arenas, J.P.; Sakagami, K. Sustainable Acoustic Materials. Sustainability 2020, 12, 6540. [Google Scholar] [CrossRef]
- Moravec, M.; Badida, M.; Mikušová, N.; Sobotová, L.; Švajlenka, J.; Dzuro, T. Proposed Options for Noise Reduction from a Wastewater Treatment Plant: Case Study. Sustainability 2021, 13, 2409. [Google Scholar] [CrossRef]
- Švajlenka, J.; Kozlovská, M.; Badida, M.; Moravec, M.; Dzuro, T.; Vranay, F. Analysis of the Characteristics of External Walls of Wooden Prefab Cross Laminated Timber. Energies 2020, 13, 5974. [Google Scholar] [CrossRef]











| Main Measuring Capabilities | Frequency Range | Tube Diameter | Software |
|---|---|---|---|
| Sound absorption coefficient (α) Sound transmission loss (STL) | 100–6300 Hz | 60 mm | VA-LAB IMP |
| Microphone calibrator | Amplifier | Hardware | Microphones (4) |
| model CA115 | model PA50 | model MC3242 | model 1/4″ MPA416 |
Publisher’s Note: MDPI stays neutral with regard to jurisdictional claims in published maps and institutional affiliations. |
© 2022 by the authors. Licensee MDPI, Basel, Switzerland. This article is an open access article distributed under the terms and conditions of the Creative Commons Attribution (CC BY) license (https://creativecommons.org/licenses/by/4.0/).
Share and Cite
Gumanová, V.; Sobotová, L.; Dzuro, T.; Badida, M.; Moravec, M. Experimental Survey of the Sound Absorption Performance of Natural Fibres in Comparison with Conventional Insulating Materials. Sustainability 2022, 14, 4258. https://doi.org/10.3390/su14074258
Gumanová V, Sobotová L, Dzuro T, Badida M, Moravec M. Experimental Survey of the Sound Absorption Performance of Natural Fibres in Comparison with Conventional Insulating Materials. Sustainability. 2022; 14(7):4258. https://doi.org/10.3390/su14074258
Chicago/Turabian StyleGumanová, Veronika, Lýdia Sobotová, Tibor Dzuro, Miroslav Badida, and Marek Moravec. 2022. "Experimental Survey of the Sound Absorption Performance of Natural Fibres in Comparison with Conventional Insulating Materials" Sustainability 14, no. 7: 4258. https://doi.org/10.3390/su14074258
APA StyleGumanová, V., Sobotová, L., Dzuro, T., Badida, M., & Moravec, M. (2022). Experimental Survey of the Sound Absorption Performance of Natural Fibres in Comparison with Conventional Insulating Materials. Sustainability, 14(7), 4258. https://doi.org/10.3390/su14074258

