Experimental Assessment of the Efficiency of Two-Phase Ejector Components for Isobutane
Abstract
1. Introduction
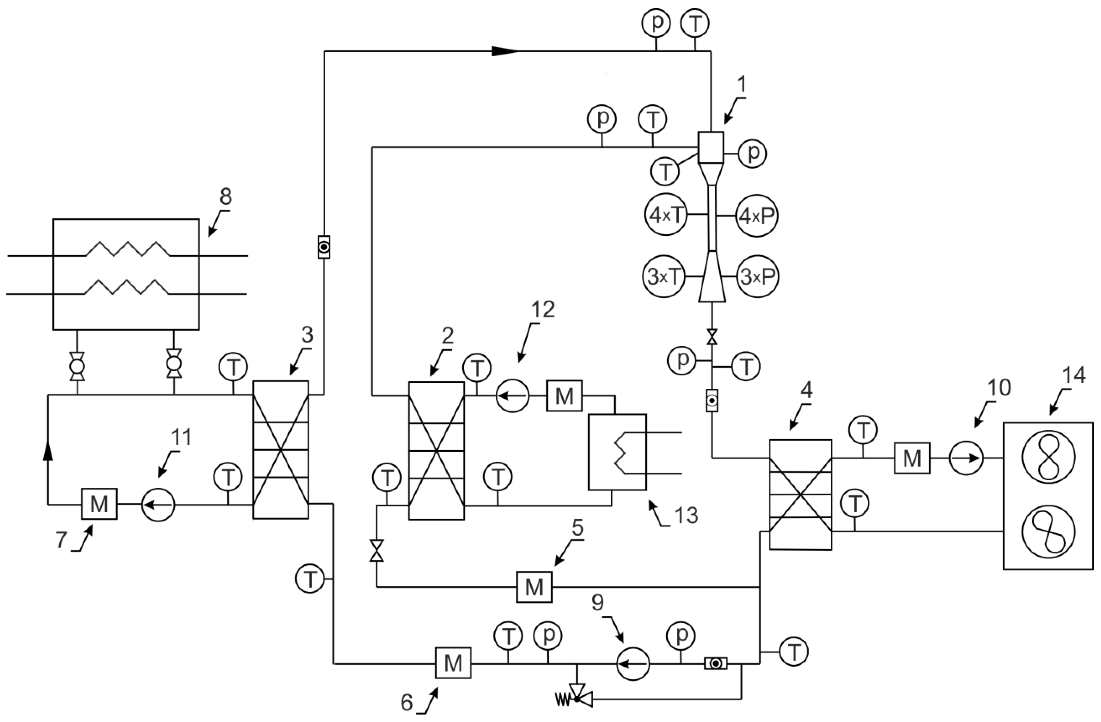
2. Experimental Apparatus and Procedure
3. Model of the Two-Phase Ejector
3.1. Prediction of the Critical Flow in the Two-Phase Motive Nozzle
3.2. Analytical Model of the Two-Phase Ejector
- Equilibrium phase change;
- The mixing process occurs in the mixing chamber;
- A shock wave occurs after the mixing of both streams, i.e., the motive wet vapour and the entrained superheated vapour;
- Ejector walls are adiabatic;
- The mass, momentum, and energy transfer between the vapour and liquid in the suction chamber are neglected.
- Suction chamber
- Motive nozzle
- Mixing chamber
- Two-phase mixing shock wave
- Compression in the diffuser
- Velocity coefficient prediction
4. Results
4.1. Experimental Assessment of the Critical Flow in the Motive Nozzle
4.2. Coefficient of the Velocity of the Two-Phase Motive Nozzles
4.3. Coefficient of the Velocity of the Suction Chamber
4.4. Coefficient of the Velocity of the Mixing Chamber
4.5. Coefficient of the Velocity of the Diffuser
5. Conclusions
- The mathematical model of the processes occurring in a two-phase ejector based on balance equations is presented. The model assumes the ejector geometry and inlet pressures and temperatures as well as the entrainment ratio to be known. The model can predict the pressure increase in a two-phase ejector. The coefficients of velocity could be determined on the basis of the experimental data using the formulated model. It was demonstrated that the coefficients of velocities may not be considered as constant quantities for the two-phase ejector.
- Based on the experimental results of the ejector with various geometry described by the geometrical parameters Λ and Ψ, the correlations of the velocity coefficients of the components of the ejector were proposed. The quality of fluid x in the case of the motive nozzle and the volumetric entrainment ratio χ for other ejector components were selected as the parameters that affect, to the maximum extent, the experimentally obtained velocity coefficients. For the components of the ejector, the velocity of the coefficients lower than 0.4 was obtained for the tested ejector and operation conditions. Except for the motive nozzle, the linear proportional relationship between the velocity coefficient and entrainment ratio was found. The numerical results based on the proposed correlations fit with the experimental data within 30%.
- The experiments were conducted using a wide range of operating parameters showing the applicability of the Henry–Fauske model [30] to predict the critical mass flow rate in the case of isobutane wet vapour. However, this model can predict the critical mass flow rate very accurately (with discrepancy ±5%) in the case of isobutane for a wet vapour quality higher than 0.65 at the inlet to the nozzle, and for a lower quality of wet vapour, this model underpredicts the experimental data by as much as 20%.
Author Contributions
Funding
Institutional Review Board Statement
Informed Consent Statement
Data Availability Statement
Conflicts of Interest
Nomenclature
| A | surface area, m2 |
| C | constant |
| c | specific heat capacity, J/(kg·K) |
| D | diameter, m |
| f | flow resistance coefficient |
| G | mass flux density, kg/(m2·s) |
| h | specific enthalpy, J/kg |
| L | length, m |
| mass flow rate, kg/s | |
| Ma | Mach number |
| p | pressure, Pa |
| Re | Reynolds number |
| s | specific entropy, J/(kg·K) |
| t | temperature, °C |
| U | mass entrainment ratio |
| w | velocity, m/s |
| v | specific volume, m3/kg |
| x | wet vapour quality |
| Greek symbols | |
| γ | adiabatic exponent |
| ρ | density, kg/m3 |
| η | efficiency |
| κ | isentropic exponent |
| Λ | geometrical parameter, Λ = L/D |
| μ | dynamic viscosity, Pa·s |
| Π | compression ratio |
| φ | velocity coefficient |
| χ | volumetric entrainment ratio |
| Ψ | surface area ratio |
| Ω | model parameter in Equation (8) |
| Subscripts and superscripts | |
| d | diffuser |
| e | equilibrium |
| fg | vaporisation |
| i | inlet |
| iz | stagnation condition |
| l | liquid |
| li | inlet of the liquid phase |
| m | mixing chamber |
| nt | nozzle throat |
| no | nozzle outlet |
| o | outlet |
| s | isentropic process; suction chamber |
| t | throat; after shock wave |
| tp | two-phase |
| v | vapour |
| vi | inlet of entrained vapour |
| ′ | saturated liquid |
| ″ | saturated vapour |
References
- Yadav, V.K.; Sarkar, J.; Ghosh, P. Thermodynamic, economic and environmental analyses of novel solar-powered ejector refrigeration systems. Energy Convers. Manag. 2022, 264, 115730. [Google Scholar] [CrossRef]
- Sutthivirode, K.; Thongtip, T. Experimental investigation of a two-phase ejector installed into the refrigeration system for performance enhancement. Energy Rep. 2022, 8, 7263–7273. [Google Scholar] [CrossRef]
- Besagni, G.; Mereu, R.; Inzoli, F. Ejector refrigeration: A comprehensive review. Renew. Sustain. Energy Rev. 2016, 53, 373–407. [Google Scholar] [CrossRef]
- Haider, M.; Elbel, S. Development of ejector performance map for predicting fixed-geometry two-phase ejector performance for wide range of operating conditions. Int. J. Refrig. 2021, 128, 231–241. [Google Scholar] [CrossRef]
- Bauzvand, A.; Tavousi, E.; Noghrehabadi, A.; Behbahani-Nejad, M. Study of a novel inlet geometry for ejectors. Int. J. Refrig. 2022, 139, 113–127. [Google Scholar] [CrossRef]
- Li, Y.; Yu, J. The effects of ejector geometry parameter and refrigerant charge amount on an ejector-expansion refrigeration system. Appl. Therm. Eng. 2019, 125, 402–408. [Google Scholar] [CrossRef]
- Ameur, K.; Aidoun, Z. Two-phase ejector enhanced carbon dioxide transcritical heat pump for cold climate. Energy Convers. Manag. 2021, 243, 114421. [Google Scholar] [CrossRef]
- Zhu, Y.; Li, C.; Zhang, F.; Jiang, P. Comprehensive experimental study on a transcritical CO2 ejector-expansion refrigeration system. Energy Convers. Manag. 2017, 151, 98–106. [Google Scholar] [CrossRef]
- Zheng, L.; Deng, J. Experimental investigation on a transcritical CO2 ejector expansion refrigeration system with two-stage evaporation. Appl. Therm. Eng. 2017, 125, 919–927. [Google Scholar] [CrossRef]
- He, Y.; Deng, J.; Li, Y.; Zhang, X. Synergistic effect of geometric parameters on CO2 ejector based on local exergy destruction analysis. Appl. Therm. Eng. 2021, 184, 116256. [Google Scholar] [CrossRef]
- Haida, M.; Palacz, M.; Bodys, J.; Smolka, J.; Gullo, P.; Nowak, A.J. An experimental investigation of performance and instabilities of the R744 vapour compression rack equipped with a two-phase ejector based on short-term, long-term and unsteady operations. Appl. Therm. Eng. 2021, 85, 116353. [Google Scholar] [CrossRef]
- Palacz, M.; Haida, M.; Smolka, J.; Nowak, A.J.; Banasiak, K.; Hafner, A. HEM and HRM accuracy comparison for the simulation of CO2 expansion in two-phase ejectors for supermarket refrigeration systems. Appl. Therm. Eng. 2017, 115, 160–169. [Google Scholar] [CrossRef]
- Zhang, Z.; Feng, X.; Tian, D.; Yang, J.; Chang, L. Progress in ejector-expansion vapor compression refrigeration and heat pump systems. Energy Convers. Manag. 2020, 207, 112529. [Google Scholar] [CrossRef]
- İşkan, U.; Direk, M. Experimental performance evaluation of the dual-evaporator ejector refrigeration system using environmentally friendly refrigerants of R1234ze(E), ND, R515a, R456a, and R516a as a replacement for R134a. J. Clean. Prod. 2022, 352, 131612. [Google Scholar] [CrossRef]
- Li, H.; Cao, F.; Bu, X.; Wang, L.; Wang, X. Performance characteristics of R1234yf ejector-expansion refrigeration cycle. Appl. Energy 2014, 121, 96–103. [Google Scholar] [CrossRef]
- Sag, N.B.; Ersoy, H.K.; Hepbasli, A.; Halkaci, H.S. Energetic and exergetic comparison of basic and ejector expander refrigeration systems operating under the same external conditions and cooling capacities. Energy Convers. Manag. 2015, 90, 184–194. [Google Scholar] [CrossRef]
- Taleghani, S.T.; Sorin, M.; Poncet, S. Modeling of two-phase transcritical CO2 ejectors for on-design and off-design conditions. Int. J. Refrig. 2018, 87, 91–105. [Google Scholar] [CrossRef]
- Jeon, Y.; Jung, J.; Kim, D.; Kim, S.; Kim, Y. Effects of ejector geometries on performance of ejector-expansion R410A air conditioner considering cooling seasonal performance factor. Appl. Energy 2017, 205, 761–768. [Google Scholar] [CrossRef]
- Butrymowicz, D.; Śmierciew, K.; Regulska, D.; Karwacki, J.; Trela, M. Experimental investigation of effect of motive nozzle diameter on performance of liquid-vapour ejector. In Proceedings of the International Seminar on Ejector/Jet-Pump Technology and Application, Louvain-La-Neuve, Belgium, 7–9 September 2009. Paper No. 24. [Google Scholar]
- Ringstad, K.E.; Banasiak, K.; Ervik, A.; Hafner, A. Machine learning and CFD for mapping and optimization of CO2 ejectors. Appl. Therm. Eng. 2021, 199, 117604. [Google Scholar] [CrossRef]
- Wilhelmsen, Ø.; Aasen, A.; Banasiak, K.; Herlyng, H.; Hafner, A. One-dimensional mathematical modeling of two-phase ejectors: Extension to mixtures and mapping of the local exergy destruction. Appl. Therm. Eng. 2022, 217, 119228. [Google Scholar] [CrossRef]
- Ameur, K.; Aidoun, Z.; Ouzzane, M. Modeling and numerical approach for the design and operation of two-phase ejectors. Appl. Therm. Eng. 2016, 109, 809–818. [Google Scholar] [CrossRef]
- Banasiak, K.; Palacz, M.; Hafner, A.; Bulinski, Z.; Smołka, J.; Nowak, A.; Fic, A. A CFD-based investigation of the energy performance of two-phase R744 ejectors to recover the expansion work in refrigeration systems: An irreversibility analysis. Int. J. Refrig. 2014, 40, 328–337. [Google Scholar] [CrossRef]
- Yazdani, M.; Alahyari, A.A.; Radcliff, T.D. Numerical modeling of two-phase supersonic ejectors for work-recovery applications. Int. J. Heat Mass Transf. 2012, 55, 5744–5753. [Google Scholar] [CrossRef]
- Zhu, Y.; Huang, Y.; Li, C.; Zhang, F.; Jiang, P. Experimental investigation on the performance of transcritical CO2 ejector–expansion heat pump water heater system. Energy Convers. Manag. 2018, 167, 147–155. [Google Scholar] [CrossRef]
- Lu, Y.; Bai, T.; Yu, J. Experimental investigation on a −40 °C low-temperature freezer using ejector-expansion refrigeration system. Int. J. Refrig. 2020, 118, 230–237. [Google Scholar] [CrossRef]
- Chaiwongsa, P.; Wongwises, S. Experimental study on R-134a refrigeration system using a two-phase ejector as an expansion device. Appl. Therm. Eng. 2008, 28, 467–477. [Google Scholar] [CrossRef]
- Lawrence, N.; Elbel, S. Experimental investigation of a two-phase ejector cycle suitable for use with low-pressure refrigerants R134a and R1234yf. Int. J. Refrig. 2014, 38, 310–322. [Google Scholar] [CrossRef]
- Sumeru, K.; Sulaimon, S.; Nasution, H.; Ani, F.N. Numerical and experimental study of an ejector as an expansion device in split-type air conditioner for energy savings. Energy Build. 2014, 79, 98–105. [Google Scholar] [CrossRef]
- Henry, R.E.; Fauske, H.K. The two-phase critical flow of one-component mixtures in nozzles, orifices, and short tubes. ASME J. Heat Transfer 1971, 93, 179–187. [Google Scholar] [CrossRef]
- Lemmon, E.W.; Huber, M.L.; McLinden, M.O. NIST Standard Reference Database 23: Reference Fluid Thermodynamic and Transport Properties-REFPROP, version 9.1; National Institute of Standards and Technology: Gaithersburg, MD, USA, 2013; Standard Reference Data Program. [Google Scholar]
- Bücker, D.; Wagner, W. Reference equations of state for the thermodynamic properties of fluid phase n-butane and isobutane. J. Phys. Chem. Ref. Data 2006, 35, 929–1019. [Google Scholar] [CrossRef]













| Nozzle | Type | Throat Diameter Dnt [mm] | Outlet Diameter Dno [mm] |
|---|---|---|---|
| 1 | de Laval, Figure 3a, without orifice | 1.0 | 2.4 |
| 2 | de Laval, Figure 3a, with orifice | 1.0 | 2.4 |
| 3 | de Laval, Figure 3b | 1.0 | 3.1 |
| 4 | de Laval, geometry similar to Figure 3b | 2.0 | 3.4 |
| 5 | de Laval, Figure 3c | 1.4 | 4.1 |
| 6 | de Laval, Figure 3d | 1.5 | 2.7 |
| 7 | de Laval, Figure 3e | 1.5 | 2.7 |
| 8 | sharp edged, Figure 3f | 1.0 | 1.0 |
| 9 | sharp edged, Figure 3g | 1.5 | 1.5 |
Publisher’s Note: MDPI stays neutral with regard to jurisdictional claims in published maps and institutional affiliations. |
© 2022 by the authors. Licensee MDPI, Basel, Switzerland. This article is an open access article distributed under the terms and conditions of the Creative Commons Attribution (CC BY) license (https://creativecommons.org/licenses/by/4.0/).
Share and Cite
Śmierciew, K.; Dudar, A.; Butrymowicz, D.; Gagan, J.; Jakończuk, P.; Zou, H. Experimental Assessment of the Efficiency of Two-Phase Ejector Components for Isobutane. Sustainability 2022, 14, 13356. https://doi.org/10.3390/su142013356
Śmierciew K, Dudar A, Butrymowicz D, Gagan J, Jakończuk P, Zou H. Experimental Assessment of the Efficiency of Two-Phase Ejector Components for Isobutane. Sustainability. 2022; 14(20):13356. https://doi.org/10.3390/su142013356
Chicago/Turabian StyleŚmierciew, Kamil, Adam Dudar, Dariusz Butrymowicz, Jerzy Gagan, Paweł Jakończuk, and Huiming Zou. 2022. "Experimental Assessment of the Efficiency of Two-Phase Ejector Components for Isobutane" Sustainability 14, no. 20: 13356. https://doi.org/10.3390/su142013356
APA StyleŚmierciew, K., Dudar, A., Butrymowicz, D., Gagan, J., Jakończuk, P., & Zou, H. (2022). Experimental Assessment of the Efficiency of Two-Phase Ejector Components for Isobutane. Sustainability, 14(20), 13356. https://doi.org/10.3390/su142013356

